建筑排水用硬聚氯乙烯管材
- 格式:doc
- 大小:56.00 KB
- 文档页数:7
标准编号:GB/T 5836.1-2006标准名称:建筑排水用硬聚氯乙烯(PVC-U)管材标准状态:现行实施日期:2006-8-1颁布部门:中华人民共和国国家质量监督检验检疫总局中国国家标准化管理委员会内容简介:GB/T 5836的本部分规定了以聚氯乙烯(PVC)树脂为主要原料,经挤出成型的硬聚氯乙烯(PVCU)管材(以下简称管材)的材料、产品分类、要求、试验方法、检验规则和标志、运输及贮存。
本部分适用于建筑物内排水用管材。
在考虑材料的耐化学性和耐热性的条件下,也可用于工业排水用管材。
本部分规定的管材与GB/T 5836.2-2006《建筑排水用硬聚氯乙烯(PVC- U)管件》规定的管件配套使用标准编号:GB/T 4219-1996标准名称:化工用硬聚氯乙烯(PVC-U)管材标准状态:现行实施日期:1996-1-2颁布部门: 中国轻工业联合会标准编号:GB/T 20221-2006标准名称:无压埋地排污、排水用硬聚氯乙烯(PVC-U)管材标准状态:现行实施日期:2006-10-1颁布部门:中华人民共和国国家质量监督检验检疫总局中国国家标准化管理委员会内容简介:本标准规定了以聚氯乙烯树脂为主要原料,经挤出成型的无压埋地排污、排水用硬聚氯乙烯(PVC-U)管材的材料、产品分类、技术要求、试验方法、检验规则、标志、运输、贮存。
本标准适用于外径从(110-1000)mm的弹性密封圈连接和外径从(110-200)mm的粘接式连接的无压埋地排污、排水用管材。
在考虑了材料的耐化学性和耐热性条件下,也可用于工业用无压埋地排污管材。
本标准不适用于建筑内埋地的排污、排水PVC-U管道系统。
标准编号:GB/T 19471.2-2004标准名称:塑料管道系统硬聚氯乙烯(PVC-U)管材弹性密封圈式承口接头负压密封试验方法标准状态:现行实施日期:2004-10-1颁布部门:中华人民共和国国家质量监督检验检疫总局中国国家标准化管理委员会内容简介:本标准规定了一种测定承口接头密封性能的试验方法。
PVC—U管件标准建筑排水用硬聚氯乙烯(PVC—U)管件1 范围GB/T 5836的本部分规定了以聚氯乙烯(PVC)树脂为主要原料,经注塑成型的硬聚氯乙烯(PVC—U)管件(以下简称管件)的定义、材料、产品分类、要求、试验方法、检验规则、标志、包装、运输和贮存。
本部分知用于建筑物内排水用管件。
在考虑到材料的耐化学性和耐热性的条件下,也可用于工业排水用管件。
本部分规定的管件与GB/T 5836。
1—2006《建筑排水用硬聚氯乙烯(PVC—U)管材》规定的管材配套使用.2 规范性引用文件下列文件中的条款通过GB/T 5836的本部分的引用而成为本部分的条款.凡是注日期的引用文件,其随后所有的修改单(不包括勘误的内容)或修订版均不适用天本部分,然而,鼓励根据本标准达成协议的各方研究是否可使用这些文件的最新版本。
凡是不注日期的引用文件,其最新版本适用于本部分。
GB/T1003—1986 塑料密度和相对密度试验方法(eqv ISO/DIS 1183:1984)GB/T2828。
1—2003 计数抽样检验程序第1部分:按接收质量限(AQL)检索的逐批检验抽样计划(ISO2859—1:1999,IDT)GB/T2918-1998 塑料试样状态调节和试验的标准环境(idt ISO291:1997)GB/T5836.1—2006 建筑排水用硬聚氯乙烯(PVC-U)管材GB/T8801 硬聚氯乙烯(PVC-U)管件坠落试验方法GB/T8802—2001 热塑性塑料管材、管件维卡软化温度的测定(eqv ISO 2507:1995)GB/T8803—2001 注射成型硬质聚氯乙烯(PVC-U)、氯化聚氯乙烯(PVC—C)、丙烯腈-丁二烯-苯乙烯三元共聚物(ABS)和丙烯腈-苯乙烯-丙烯酸盐三元共聚物(ASA)管件热烘箱试验方法GB/T8806 塑料管材尺寸测量方法(GB/T8806-1988,eqv ISO3126:1974) GB/T19278—2003 热塑性塑料管材、管件及阀门通用术语及其定义HG/T3091—2000 橡胶密封件给排水管及污水管道用接口密封圈材料规范(idt ISO 4633:1996)QB/T2568—2002 硬聚氯乙烯(PVC-U)塑料管道系统用溶剂型胶粘剂3 定义和符号3.1 定义GB/T 19278-2003所确立的以及下列术语及其定义适用于GB/T 5836 的本部分。
建筑排水用硬聚氯乙烯(PVC-U)管材检测报告共页第页委托单位报告编号样品名称样品编号施工单位规格型号工程名称样品状态工程部位样品数量生产厂家代表数量代表批次取样人检测类别委托日期检测依据委托人检测环境检测日期检测地址检测内容检测项目技术要求检测结果单项评定落锤冲击试验TIR(%)外观规格尺寸纵向回缩率(%)拉伸屈服应力(MPa)维卡软化温度(℃)断裂伸长率(%)密度(kg/m³)检测结论检测说明见证单位:见证人:批准:审核:主检:检测单位检测专用章(盖章)签发日期:年月日共页第页样品名称样品编号样品状态规格型号检测日期检测环境设备名称设备编号设备状态检测依据检测内容落锤冲击试验TIR锤头直径(mm)落锤质量(kg)下落高度(mm)dn90□dn25□冲击次数及结果12345678910 11121314151617181920 21222324252627282930 31323334353637383940 41424344454647484950 51525354555657585960 61626364656667686970 71727374757677787980 81828384858687888990 919293949596979899100 101102103104105106107108109110 111112113114115116117118119120 121122123124冲击总数冲击破坏数分布区单项评定检测说明冲击次数及结果:不破裂划“√”,破裂划“×”,未试验为“/”。
分布区:根据冲击次数及结果,判定为A区、B区、C区。
校核:主检:共页第页样品名称样品编号样品状态规格型号检测日期检测环境设备名称设备编号设备状态检测依据检测内容检测项目检测结果外观规格尺寸平均外径(mm)≤外径≤123456平均外径壁厚(mm)≤壁厚≤123456壁厚纵向回缩率(%)预处理℃h烘箱温度(℃)烘箱中放置时间(h)试样编号123放入烘箱前试样两标线间距离L 0(mm)试验后沿母线测量的两标线间距离L i(mm)试验前后标线间距离变化∆L单个试样纵向回缩率R Li (%)纵向回缩率平均值R L (%)检测说明1000Li ⨯∆=L LR 0L L L i -=∆校核:主检:共页第页样品名称样品编号样品状态规格型号检测日期检测环境设备名称设备编号设备状态检测依据检测内容检测项目检测结果拉伸屈服应力(MPa)编号12345尺寸(mm)DHF(N)S(MPa)平均值S(MPa)维卡软化温度(℃)12平均值断裂伸长率(%)编号12345标线间的原始长度L 0(mm)断裂时标线间的长度L 0(mm)断裂伸长率ε(%)平均值ε(%)检测说明H⨯=D F S 100/LL -L 00⨯=)(ε校核:主检:共页第页样品名称样品编号样品状态规格型号检测日期检测环境设备名称设备编号设备状态检测依据检测内容检测项目检测结果密度(kg/m³)123试样在空气中的质量m S,A试样在浸渍液中的质量m S,A浸渍液的密度ρIL 试样的密度ρS 样的密度平均值以下空白检测说明ILS A S ILA S s m m m ,,,-=⨯ρρ校核:主检:。
硬聚氯乙烯 (PVC-U) 排水管材本标准规定了以聚氯乙烯树脂为主要原料,加入必要助剂,经挤出成型的 PVC-U 排水管材 (以下简称管材) 的产品分类、技术要求、试验方法、检验规则、标志、运输和储存。
本标准适用于建筑物内,外排水用,也可用于工业排水。
下列文件中的条款通过本标准的引用而成为本标准的条款。
凡是注日期的引用文件,其随后所有的修改单 (不包括勘误的内容) 或修订版均不适用于本标准,然而,鼓励根据本标准达成协议的各方研究是否可使用这些文件的最新版本。
凡是不注日期的引用文件,其最新版本适用于本标准。
GB/T 5836.1 建筑排水用硬聚氯乙烯管材GB/T 2828.1 计数抽样检验程序第 1 部分:按接收质量限 (AQL) 检索的逐批检验抽样计划GB2918 塑料试样状态调节和试验的标准条件GB/T 6671 硬聚氯乙烯管材 (PVC-U) 纵向回缩率的测定GB/T 8802 硬聚氯乙烯 (PVC-U) 管材、管件维卡软化温度的测定GB/T 8804.1 热塑性塑料管材拉伸性能试验方法GB/T 8804.2-2003 热塑性塑料管材拉伸性能测定第 2 部分:硬聚氯乙烯(PVC-U)、氯化聚氯乙烯(PVC-C)和高抗冲聚氯乙烯(PVC-HI)管材GB/T 8805 硬质塑料管材弯曲度测量方法GB/T 8806 塑料管材尺寸测量方法GB/T 14152 热塑性塑料管材耐外冲击性能试验方法时针旋转法GB/T 2918-1998 塑料试样状态调节和试验的标准环境GB/T 14152-2001 热塑性塑料管材耐外冲击性能试验方法时针旋法生产管材的原料为硬聚氯乙烯 (PVC-U) 混配料。
混配料应以聚氯乙烯 (PVC) 树脂为主,加入生产符合本标准要求的管材所必需的添加剂,添加剂应均匀分散。
并允许使用本公司生产不大于 5%的清洁回用料。
4.1 颜色管材一般为白色,其它颜色也可由供需双方商定。
4.2 外观管材内外壁应光滑,不允许有气泡、裂口和明显的痕纹、凹陷,色泽不均和分解变色线;管材两端面应切割平整且与轴线垂直。
建筑排水用硬聚氯乙烯建筑排水用硬聚氯乙烯(PVC-U)管材GB/T5836.1-2006一.产品分类:按连接形式不同分为胶黏剂连接型管材和弹性密封圈连接型管材。
二.外观质量:一般为灰色或白色,其他颜色可由供需双方协商确定。
三.规格尺寸:1.长度一般为4-6米,其他长度可由供需双方协商,但不能有负偏差。
用精度不低于1mm的卷尺。
2.平均外径和壁厚:GB/T8806-2008 公称外径dn50mm,最小平均外径50.0,最大平均外径:50.2,最小壁厚:2.0,最大壁厚2.4.四.试验:在(23±2)℃条件下进行状态调节24h,并在同样条件下进行试验。
1、维卡软化温度:GB/T8802-2001 ≥79℃取两个试样长50mm 宽10-20mm2.4-6.0mm壁厚的一块,小于的两块,其中一块加热压平冷却至常;大于的抹平至此厚度范围内。
小于等于直径90mm的管件,试样长度和承口长度相等。
预处理:试样在低于维卡软化温度50℃下预处理至少5min。
试验步骤:加热浴槽温度调至约50℃保持恒温。
压针端部距试样边缘不小于3mm。
试样装置放入加热浴槽中。
压针定位5min后,放上压力位(50±1)N砝码,把读数调至100-200之间,再调至零点。
以每小时(50±5)℃等速升温。
整个过程应开动搅拌器当压针压入(1±0.01+mm记录温度两次试验算术平均值为实验结果。
两次结果相差2℃时,应重新取不少于两个试样进行试验。
2、纵向回缩率:GB/T6671-2001 ≤5%①取试样3个,长度(200±20)mm。
从一根管材上截取。
②使用划线器画线,间距固定位100mm,距任一端至少10mm。
精确到0.25mm。
③公称直径大于或等于400mm的管材,可沿轴向均匀切成4片。
④按GB/T2918的规定,试样在(23±2)℃下至少放置2h。
⑤烘箱应在15min之内重新回升到试验温度范围。
建筑排水用硬聚氯乙烯管材管件产品质量省级监督抽查实施细则建筑排水用硬聚氯乙烯(PVC)管材、管件是建筑领域中常用的排水系统组成部分。
为了确保这些产品的质量和安全性,省级监督抽查实施细则应该得到制定和执行。
以下是一份关于建筑排水用硬聚氯乙烯管材、管件产品质量省级监督抽查实施细则的范例。
一、目的和依据1.1目的:为了加强对建筑排水用硬聚氯乙烯管材、管件产品质量的监督,减少质量问题和安全风险。
1.2依据:(1)国家相关标准和法规(2)建筑排水用硬聚氯乙烯管材、管件产品质量监督抽查要求和方法二、抽查范围和频率2.1抽查范围:全省范围内销售的建筑排水用硬聚氯乙烯管材、管件产品。
2.2抽查频率:每个季度抽查一次。
抽查数量根据市场销售情况合理确定,确保抽查结果的可靠性和代表性。
三、抽查项目和标准3.1抽查项目包括但不限于:(1)产品标识和标志(2)外观质量(3)尺寸和工艺要求(4)材料成分和环保要求(5)抗压性能和耐化学性能(6)密封性能和连接方式(7)使用说明和安全警示3.2标准:根据国家相关标准制定相应的抽查标准。
四、抽查程序和要求4.1抽查程序:(1)随机选择销售点进行现场抽查。
(2)对抽取的产品依次进行目视检查、尺寸测量、环境污染检测等。
(3)抽查结果按照合格、不合格、待验证等分类处理。
4.2抽查要求:(1)抽查人员应熟悉相关标准和技术要求。
(2)抽查人员应严格按照抽查程序进行操作,确保结果的真实性和准确性。
(3)抽查结果及时记录和报告,及时采取必要的措施处理不合格产品。
五、抽查结果的处理和信息公开5.1抽查结果的处理:(1)合格产品:无需特殊处理,可正常销售和使用。
(2)不合格产品:立即要求生产企业进行整改或者召回,直至符合相关标准。
(3)待验证产品:要求生产企业对产品进行进一步验证并提交相关资料,由省级质量监督部门进行审核。
5.2信息公开:将抽查结果及时通报给生产企业、销售渠道和消费者,并将结果公开在省级质量监督部门官方网站上,以便公众监督和查询。
建筑排水用硬聚氯乙烯管材使用说明书
建筑排水用硬聚氯乙烯管材是以PVC树脂为主要原料,外加多种改性剂混合后经塑料挤出加工而成。
具体使用说明如下:
一、运输
运输应避免曝晒、雨淋及机械损伤。
二、贮存
产品不应露天存放,放入库房中堆放高度不宜超过1.5m,且距热源(暖气、加热器、炉子等)不小于1m。
产品的贮存期自生产之日起,应不超过2年。
三、管材的剪切
使用专用剪刀或自备钢锯将管材截成使用所需长度,切口应平整、光滑,可用剪刀背进行倒角。
四、管材与管件连接
连接前后注意保持粘接面清洁。
在管材插入端外表面和管件承插口内表面均匀涂上胶粘剂,约一分钟后用力将管件插入管件内固定,不要随意扭转,10分钟便可定型。
五、使用范围
连接后的管道可用于生活污水、化工污水以及雨水的排放,介质温度应在0~40℃之间。
辽宁辽河油田恒泰利禹塑建材有限公司
二〇〇八年六月十五日。
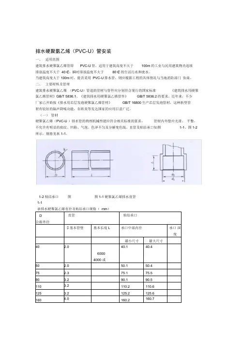
排水硬聚氯乙烯(PVC-U)管安装一、适用范围建筑排水硬聚氯乙烯管即PVC-U管,适用于建筑高度不大于100m的工业与民用建筑物内连续排放温度不大于40 C,瞬时排放温度不大于80 C的生活污水和废水。
当建筑高度大于100m时,能否采用PVC-U排水管,则应根据工程的具体情况与当地消防部门协商。
二、主要材料及管理建筑排水硬聚氯乙烯(PVC-U)管道的管材与管件应分别符合现行的国家标准《建筑排水用硬聚氯乙烯管材》GB/T 5836.1、《建筑排水用硬聚氯乙烯管件》GB/T 5836.2的要求。
近年来,不少厂家已开始按《排水用芯层发泡硬聚氯乙烯管材》GB/T 16800生产芯层发泡管材,这种新型管材有较好的隔声降噪功能,在欧美等发达国家的应用日益广泛。
(一)管材硬聚氯乙烯(PVC-U )排水管的物理机械性能应符合相关标准的要求,管材内外壁应光滑、平整,不允许有明显的痕纹、凹陷、气泡、色泽不匀及分解变色线。
直管及粘结承口如图1-1、图1-2所示,规格见表1-1。
1-2粘结承口图图1-1硬聚氯乙烯排水直管1-1规格见表1-2最 25254046485158按《排水用芯层发泡硬聚氯乙烯管材》GB/T 16800生产芯层发泡 PVC-U 管材,如图1-3所示,图1-3芯层发泡PVC-U 直管1 / 11e2.03.03.04.0注:管材配用 GB/T 5836系列管件 (二) 管件1 •弯头。
PVC-U 管件常用45 °弯头、90 °弯头,如图1-4所示,其规格见表1-3弯头图1-4弯头 b ) 90° 45°( a )弯头;(1-3 表) 45 °、90°弯头规格尺寸(mm2.三通。
PVC-U管件的常用三通有45°斜三通、90°顺水三通和瓶颈三通,如图1-5所示。
图1-5 三通(a)45°斜三通;(b)90°顺水三通;(c)瓶颈三通2 / 11由于三通规格尺寸较多,为节省篇幅,现只将其规格列于表1-4,各部尺寸不再列岀45°斜三通、90°顺水三通和瓶颈三通的公称外径规格(mm)表1-4、图1-7所示。
建筑排水用硬聚氯乙烯管件检验实施细则一、依据标准GB/T5836.1-2006 《建筑排水用硬聚氯乙烯(PVC--U)管材》GB/T5836.2-2006 《建筑排水用硬聚氯乙烯(PVC--U)管件》GB8801-88 《硬聚氯乙烯管件(PVC--U)坠落试验方法》GB8802-2001 《热塑性塑料管材.管件维卡软化温度的测定》GB8806-88 《塑料管材尺寸测量方法》GB/T2918-1998 《塑料试样状态调节和试验的标准环境》GB8803-2001 《硬聚氯乙烯管件(PVC--U)热烘箱试验方法》二、适用范围民用建筑物内排水用管材。
在考虑材料的耐化学性和耐热性的条件下也可用于公用排水用管材。
三、取样方法1、取样工具1.1切割机1.2钢锯2、取样部位及数量2.1取同一规格同一品种完整的管件做试样,每组10只。
通常试样选用DN110的管件。
弯头.直接.三通均可。
2.2维卡软化温度试验时取样标准同管材。
四、检验仪器设备1、钢卷π尺:0.01 mm公称外径承口中部平均内径承口深度L最小2、游标卡尺:1型1—100 0.02 mm3、壁厚规:BC01 0—10mm 0.01 mm4、切割机5、维卡软化温度测定仪:VK—01 0—100℃1℃6、恒温水浴或低温箱,温度为0±1℃7、烘箱:0—300℃0.1℃五、检验步骤(-)记录室内环境条件:温度湿度(二)按客户申请单填好原始计录(三)试验方法:1、外观检查:用肉眼直接观察,内部可用光源照射。
管材内外壁应光滑、不允许有气泡、裂口和明显的痕纹、凹陷、色泽不均及分解变色线。
管件应完整无缺损,浇口及溢边应修除平整。
2、壁厚管件承口部位以外的主体壁厚不应小于同规格管材的壁厚。
按GB8806规定测量,必要时可将管件切开测量。
3、承口中部平均内径用0-300mm精确至0.01mm游标卡尺测量。
用精确至0.01mm的内径表测量承口中部相互垂直的两个内径,计算其平均值。
一.目的
检测建筑排水用硬聚氯乙烯管件各项参数。
指导检测员按规程正确操作,保证检测结果科学准确。
二.检测参数及执行标准
外观检查、尺寸测量、维卡软化温度、烘箱试验、坠落试验。
执行标准:GB50242-2002《建筑给水排水及采暖工程施工质量验收规范》3.3.16条的规定;
GB 5836.1-92《建筑排水用硬聚氯乙烯管材》
GB 5836.2-92《建筑排水用硬聚氯乙烯管件》
GB 8801-88《硬聚氯乙烯管件坠落试验方法》
GB 8802—88《硬聚氯乙烯(PVC-U)管材及管件维卡软化温度的测定方法》;
GB 8803-88《注塑硬聚氯乙烯管件热烘箱试验方法》
GB 8806—88《塑料管材尺寸测量方法》;
三.适用范围
适用于民用建筑物内排水用管件
四.职责
检测员必须执行国家标准,按操作规程做好检测工作,随时整理试验记录,编制检测报告, 并对试验数据负责。
五.抽样方法及样本大小
应取同一原料,配方和工艺情况下生产的同一规格管件为一批,每批数量不超过5000件,如生产数量少,生产期6d沿不足5000件,则以6d
产量为一批。
每一种规格5件(结构:直通、三通、四通、弯头)
六.仪器设备
1. 游标卡尺型号SHRN,设备编号JC341;
2.测量线为长度大于试样长度的细线;
3.管壁测厚仪:分度值不大于0.01mm读当选偏差应小于0.01mm;
4.卷尺:分度值不大于0.05mm;
5.电子分析天平,仪器编号HX421;
6.GY64型烘箱:仪器编号JC411,恒温控制在150±2℃
7.ZWKL维卡软化温度测定仪,仪器编号SN051;
8.恒温水浴(内盛冰水混合物)或低温箱:温度为0±1℃;
9.秒表、温度计:分度值为0.1s、1℃等。
七.环境条件
试样应在23±2℃条件下,进行状态调节24h以上。
并在同等条件下进行试验。
八.检测步骤
1.外观检查:用肉眼直接观察、内部可用光照射。
2.尺寸测量
(1)承口中部平均内径:用精确至0.01mm的内径量承口中部相互垂直的两个内径,计算其算术平均值。
(2)承口深度:用精确至0.02mm的游标卡尺测量。
(3)壁厚:将定触点伸入管内使之与管材内表面接触并调整动杆,读取
最小读数。
测量结果精确到0.05mm,小数点后第二个大于零、小于或等于5时取5,大于5时进一位。
必要时可将管件切开测量。
3.维卡软化温度
(1)试样及制备
a.试样应是从管材上沿轴向裁下的弧形管段,其尺寸如下:
长度 50mm
宽度 10~20mm
厚度 2.4~6.0mm
b.若管壁厚度大于6.0mm,则采用适宜的方法加工管材壁厚减至4.0mm。
c.若管壁厚度小于2.4mm,则可用两个弧形管段叠加组成,使其总厚度不小于2.4mm。
作为垫层的下层管段试样应首先压平。
为此可将该试样在放在140℃甘油浴中保持10min。
取出冷却后,就得到压平试样。
上层管段仍保持原状。
d.每次试验用两个试样,但在裁制试样时,应多作若干个,以供试验结果相差太大时作补充试验用。
(2)试验步骤
a.将被测试样在温度低于预期软化温度50℃下预处理5min。
b.将加热槽的温度升至约低于试样软化温度50℃保持恒定。
c.把试样凹面向上,其中心位置对准压针端部。
管壁小于2.4mm的试样,压针端部应置于未压平的上层试样的凹面上,压针端部应位于试样边缘3mm以内。
d.把组装好的试样架放进已恒温的加热槽内,使试样位于液面35mm以
下。
温度计的水银球应与试样相距3mm以内,并尽量靠近试样,但不应接触试样。
e.5min后,在压针端部仍保持原位的条件下记录百分表的读数或调至零点。
然后将砝码加在载荷盘上,使试样承受的总轴向压力为
49.05N(5.00kgf)、49.54N(5.05kgf)。
f.以每小时50±5℃的速度等速升温,提高加热槽的温度,同时开动搅拌器。
g.当压针压入试样内1 mm时迅速记录此时温度计读数,此温度即为该试样的维卡软化温度(VST)。
4.烘箱试验
(1)取完整管件作为试样,每组至少测三个试样。
如管件装有弹性密封圈,则应在试验前除去密封圈。
(2)将烘箱温度设定在150±2℃。
(3)将试样放入烘箱,使其中一承接口向下直立,试样不得与其他试样和烘箱壁接触,不易放置平稳或受热软化后易倾倒的试样可用木支架支撑。
(4)待烘箱温度回升到设定温度时开始计算时间,试样在烘箱内的恒温时间按下表规定,试样壁厚测量精确到0.1mm。
(5)恒温时间到后,从烘箱内将试样取出,注意勿损伤试样。
(6)试样在空气中冷却到室温后,检查每个试样出现的缺陷。
注:试验也可在加热至150土2℃的甘油或不含芳羟类的油浴中进行。
壁厚不大于8.0mm的管件为15min;
壁厚大于8.0mm的管件为30min;
当有争议时,应采用热烘箱试验方法。
5.坠落试验:
(1)取完整管件,且无机械损伤的试样5只。
(2)跌落高度
公称直径小于或等于75mm的管件,从距地面2.00+0.05m处坠落;
公称直径大于75mm的管件,从距地面1.00+0.05m处坠落。
注:异径管件以最大口径为准。
(3)试验场地为平坦混凝土地面。
(4)将试样放入0土1℃的试验环境中,当温度重新达到0土1℃时开始记时,并保持30min。
(5)取出试样,迅速从规定高度自由坠落于混凝土地面,坠落时应使5个试样在五个不同位置接触地面,并应尽量使接触点为易损点。
(6)试样从离开恒温状态到完成坠落,必须在10s之内进行完毕。
6.检测完毕,整理仪器,打扫卫生,处理好水电,注意安全。
九.结果判定
1.外观检查:管材内外壁应光滑、平整。
不允许有气泡、裂口和明显的痕纹。
2.尺寸测量:
(1)壁厚及偏差应符合标准GB/T10002.3—1996中表3规定尺寸为合格。
(2)平均壁厚及其偏差应符合标准GB/T10002.3—1996中表4规定尺寸为合格。
(3)承插口尺寸及偏差应符合标准GB/T10002.3—1996中表5、表6规定尺寸为合格。
3.维卡软化温度试验:优等品770C,合格品700C。
4.烘箱试验
(1)试样应无起泡、碎裂及拼缝裂开现象。
注射点周围允许有不穿透该点壁50%的缺陷。
(2)拼缝线处允许有不贯穿全壁厚的开裂现象。
(3)端部浇口管件(如环型浇口或隔膜浇口)在注射区范围内,管件壁和碎裂部分或分层,应与中轴平等,并且不应穿透壁厚的20%以上。
5.坠落试验:全部试验无破裂为合格。
十.记录格式
记录用《建设工程质量检测数据信息技术标准》表C4.11.04《建筑排水用塑料管件试验记录》,报告用《建设工程质量检测数据信息技术标准》表B4.11.04《建筑排水用塑料管件试验报告》。
十一.审批程序
把做好的记录及报告打印出来签字一并交审核员。
经主管批准、盖章后发放报告。