木材来料一般检验规范
- 格式:wps
- 大小:75.50 KB
- 文档页数:7
1.目的为检验员提供来料检验规则和检验方法,保证来料质量状况,从而稳定产品质量。
2.适用范围本标准适用于本公司所有采购板材物料的检验。
3.检验工具游标卡尺;千分尺;卷尺4.用语定义4.1 表面缺陷:指表面裂纹、腐蚀斑点、折痕、压痕、摩擦痕、气泡、生锈、金属压入物、非金属压入物、脏污、色差等缺陷。
4.1.1 表面裂纹:因零件结构设计或模具设计不当,冲压时产生的裂纹。
4.1.2 腐蚀斑点:在热处理或储存过程中,由腐蚀介质引起的板面点状缺陷。
4.1.3 折痕:在轧制过程中,板材输送道轨不平衡或不均衡轧制,引起的垂直轧制方向的痕迹。
4.1.4 压痕:在轧制运输或冲压过程中,板面受异物挤压、碰撞而产生的凹陷变形。
4.1.5 摩擦痕:板料未贴膜之前的搬运、清洗过程中,板与板之间,轧制过程中产生的各种摩擦痕迹,它们一般呈分散状或扫帚状。
4.1.6 气泡:因冶金质量问题,使板材表层含有针孔,皮下气孔等,一旦受热,便产生气泡。
生锈:因环境的影响或养护过程中应使用中性物质(如清水)经常清洗以减少腐蚀介质附着而生锈;因尖锐物体划伤而破坏晶间结构生锈,其电解板因破坏电解层面生锈。
金属压入物:在轧制或冲压过程中,因轧辊或模具粘金属屑,或者板面落有金属屑进而轧制或冲压到板面上。
4.1.7 非金属压入物:在轧制或冲压过程中,因非金属物落到板面上,被轧压入板面。
4.1.8 脏污:各环节中操作不整洁附着在板面上,呈膜状或块状的堆积物。
4.1.9 色差:铝板较软,轧制过程中,轧辊与铝板摩擦发热,产生氧化色、暗色,轧辊自身磨损而与铝板之间出现打滑,产生发亮区——铝板5.质量要求5.1不允许塑胶覆盖面(不含底面)通过塑件能观察到任何影响外观和色泽的缺陷。
5.2烤漆面:凡是烤漆能够覆盖住且符合烤漆面外观要求的所有缺陷均允收。
5.3后工序抛光、拉丝或进行表面处理(氧化、电镀、喷涂)所能覆盖的表面,且符合后序外观要求的所有缺陷均允收。
6.外观质量要求,具体要求按下表列出(其中D:缺陷直径或最大尺寸)热扎板平面度要求(摘选宝钢企业标准):单位:mm 8. 板材宽度/长度公差要求(摘选GB/T708-2006)注:长度公差以普通精度检测单位:mm 9. 边浪要求-- 屈服强度小于280MPa,波浪长度不小于200mm时,对于公称宽度小于1500mm的钢板,波浪高度应小于波浪长度的1%,对于公称宽度小于1500mm的钢板,波浪高度应小于波浪长度的1.5%.-- 屈服强度小于280MPa,波浪长度应小于200mm,波浪高应小于2mm.10. 镰刀弯要求-- 冷扎钢板:钢板和钢带的的镰刀弯在任意2000mm长度上应不大于6mm;钢板的长度不大于2000mm时,其镰刀弯应不大于钢板实际长度的0.3%.纵切钢带的镰刀弯在任意 2000mm长度上应不大于2mm.-- 热扎钢板:单扎钢板的的镰刀弯应不大于实际长度的0.2%;钢带(包括纵切钢带)和连11. 切斜--冷扎钢板:钢板应切成直角,切斜应不大于钢板宽度的1%.-- 热扎钢板: 钢板的切斜应不大于实际宽度的1%.12.抽样计划和缺陷类型判定12.1 抽样计划A、外观和尺寸检验:每批任抽检3~5PCSB、特殊板料性能每批任抽检1PCS;C、对每批盒装板来料,随机抽检;开平板每批必须全数打开检验.12.2 缺陷类型判定以上外观尺寸判定为不能接受的缺陷或特殊板料性能试验不能通过的均判定为重缺陷:MAJ13.材质报告有效期限供应商提供的材质报告有效期为一年,每批整板来料供应商均需提供有效期内的材质报告。
木材来料检验规范
1. 目的
本文档旨在确立木材来料检验的规范,确保所进入的木材符合质量标准,以保障产品质量和生产安全。
2. 检验范围
木材来料检验应覆盖以下方面:
- 木材外观检查
- 尺寸和长度测量
- 湿度测试
- 密度测量
- 可检测的木材缺陷(如裂纹、疵点等)
- 霉变和腐朽情况检查
3. 检验方法
3.1 木材外观检查应采用目视检查的方式,包括检查表面平整度、颜色、纹理等。
3.2 尺寸和长度测量应使用合适的工具进行,确保木材的尺寸符合要求。
3.3 湿度测试应使用适当的湿度计进行,确保木材的湿度在合
理范围内。
3.4 密度测量可采用非破坏性或破坏性的测量方法,以确定木
材的密度。
3.5 可检测的木材缺陷应通过仪器或人工检查,以确保木材没
有明显的缺陷。
3.6 霉变和腐朽情况检查应通过肉眼观察或者相关检测工具进行,以排除有害的霉变和腐朽木材。
4. 检验记录
每次木材来料检验都应做详细的检验记录,并保存至少一年,
以备查证和追溯需要。
5. 检验结果处理
5.1 若木材来料检验结果符合质量标准,可以接受并进入下一
步工序。
5.2 若木材来料检验结果不符合质量标准,应及时通知供应商,并协商解决方案。
6. 审核与更新
本文档应定期进行审查和更新,以适应木材来料检验技术的发展和公司需求的变化。
文件编号PN-WI-P3512版本/版次A/5制定日期2006/11/301.02.5外观∨∨∨审核: 制定: 石 军湿度湿度必须在 8---10度之间。
湿度计∨∨ 1.印刷颜色和图案必须与确认样板一致。
2.PN图案清晰明了,表面颜色擦拭不可脱落。
3.底纸表面光滑平整,清洁干净,无杂点、划痕和起泡现象。
对比样品/目视品质界定AQL全检MA MI种类规格尺寸种类(黑色底纸、黄色底纸、灰色底纸、蓝色底纸、浅灰底纸)、规格(31″×21″)、尺寸(厚底纸的厚度为0.3MM 、薄底纸的厚度为0.15MM)都以采购计划书上的订购要求和样品为准.卷尺、游标卡尺1.用卷尺测量底纸的长与宽 。
2. 用游标卡尺对底纸每个边取两个点对其进行厚度测量。
厚度公差为:±0.05mm ∨样品 图纸检验项目品质检验标准检验方法及工具备注检验方式北太平洋饰物制品厂来料检验标准指导书修订记录物料名称PN 底纸检验依据文件编号PN-WI-P3512版本/版次A/5制定日期2006/11/301.02.5外观TNU、MCE、MAP三个订单使用的莎比利纹路有区别。
∨∨审核:制定:石军材质颜色、纹路、材质必须与标准样品一致比对样品 / 目视、分色箱∨1.尼斯木皮、MCE、MAP订单中的莎比利要求有尼斯,其余的木皮不可有尼斯。
2.木皮表面不可有虫眼,死结疤,蓝斑,破裂。
3.木皮表面光滑平整。
4.白栓木皮的纹路宽度为3MM-6MM之间。
5.枫木雀眼的大小、稀密度同确认样板。
比对样品 / 目视品质界定AQL全检MA MI种类规格尺寸种类(直纹黑胡桃COA订单、山纹黑胡桃COR订单、直纹白栓MVD订单、黑檀MCH订单、直纹枫木SAF订单、细纹枫木FDG订单、桦木MAP订单、直纹橡木、橡胶木ULT订单、尼斯、黑铁木DIM订单、莎比利TNU、MCE、MAP订单、安格利ULT订单、枫木雀眼KAB订单、人造斑马纹MCE订单、人造红橡ESQ订单,规格)、尺寸都以采购计划书上的订购要求和样品为准。
1.木材含水率
1.1预干板含水率要求:
1.1.1每批来料≤25m3,检测数量(随机抽样)不少于40块(根)。
1.1.2每批来料26 m3~50 m3,检测数量(随机抽样)不少于60块(根)。
1.1.3每批来料51 m3~80 m3,检测数量(随机抽样)不少于80块(根)。
1.1.4每批来料81 m3以上,检测数量(随机抽样)不少于100块(根)。
1.2湿木材不作含水率规定范围
1.3含水率要求
1.3.1楸木、椿(京)木含水率14%以下。
1.3.2橼木含水率25%以下。
1.4含水率超标处理
1.4.1每批木材检测数量中20%以内超过含水率要求(其中最高含水率值不能超过百分之五个点),可按预干板收货入库。
1.4.2每批木材检测数量中21%~50%超过含水率要求,每超一个百分点每立方米扣款5元。
1.4.3每批木材检测数量中51%以上超过含水率要求,整批按湿材入库。
2.验(量)尺工具、单位
2.1普通卷尺
2.2验(量)尺单位:mm(毫米)
3.材径要求
3.1楸木板自然宽要求>150mm,120mm≤可接受≤150mm(但不能列入A、B级),<120mm 拒收。
3.2椿(京)木板宽要求>130mm,100mm≤可接受≤130mm(但不能列入A、B级),<100mm拒收。
3.3橼木板自然宽要求>100mm,80mm≤可接受≤100mm(但不能列入A、B级),<80mm 拒收。
4.木材规格
4.1长度规格(预干板、湿材)。
木材采购检验质量标准(二)引言概述:木材采购作为建筑、家具等行业的重要环节,其质量标准的制定与执行对于保障产品的质量和客户的利益至关重要。
本文是木材采购检验质量标准的第二部分,旨在进一步细化木材质量的检验要求,确保采购到符合标准、合格的木材。
正文:一、表面检验1. 坯料颜色:检查木材表面的颜色是否符合规定标准,如白蜡木应具有均匀的白蜡色,没有明显的杂质。
2. 干燥度:使用湿度计测定木材的湿度,确保其符合规定的允许范围。
3. 木纹:观察木材表面的木纹是否均匀,没有明显色差、镂空、刮擦等瑕疵。
4. 毛刺与毛线:检查木材表面是否存在毛刺和毛线,如有需要及时修整。
5. 平整度:使用直尺或平直的物体检测木材表面的平整度,有规定的凹凸允许范围。
二、物理性能检验1. 密度:采用密度测定仪来测定木材的密度,确保其符合规定要求。
2. 吸水性:将木材样品置于水中浸泡一段时间后,比较其前后的重量差异,检验其吸水性能。
3. 抗压强度:采用压力机对木材进行压缩试验,评估其抗压性能及强度。
4. 抗弯强度:采用弯曲试验机对木材进行弯曲试验,评估其抗弯性能及强度。
5. 抗震性能:模拟地震环境对木材样品进行震动试验,评估其抗震性能。
三、化学成分检验1. 含水率:采用称重法或干燥法测定木材中的含水率,确保其符合规定的要求。
2. 甲醛释放量:使用甲醛释放量测试仪对木材样品进行测试,评估其甲醛释放量是否符合标准。
3. 笨味浓度:采用常规气相色谱法测试木材中苯、甲醛等有害气体的浓度。
4. 含油量:采用抽提法或称重法测定木材中的含油量,确保其符合规定的标准。
5. 有害物质:通过有害物质测试仪对木材进行检测,排查是否存在重金属等有害物质。
四、尺寸检验1. 长度:使用尺子或测量仪器测量木材的长度,确保其符合规定的标准尺寸。
2. 宽度:使用尺子或测量仪器测量木材的宽度,确保其符合规定的标准尺寸。
3. 厚度:使用尺子或测量仪器测量木材的厚度,确保其符合规定的标准尺寸。
原材料品质检验规范一、赤杨、白杨、枫桦等北美材检验规范二、总则:三、供应商供应之木材必须名副其实,品质要求符合NHLA规定之标准。
四、含水率小于12%。
五、#1C每柜选出良品不得低于89%,劣品不得高于10%,废品不得超过1%。
#2C每柜选出良品、劣品不限,但必须符合#2C标准,选出废品不得超过5%。
六、良品:容许有淡绿色,材料两面颜色最少有一面为2/3以上净化面,不允许有深绿色、黑色、紫红色。
七、劣品:材料两面颜色都较差,色差明显,呈深绿色或矿斑多,节多,达不到#1C标准的。
八、废品:材料很差,呈黑色或紫色,腐朽变质、蜂窝裂、扭曲变形等,低于#2C标准的。
九、细则:十、#1C制材十一、宽度:W 〉3〞,3〞宽制材少于5%。
十二、长度:4ˊ--7ˊ制材不得超过10%。
L<10ˊ的制材必须产生75% 以上的净化面。
L>10ˊ的制材必须产生66-2/3%以上的净化面。
十三、最小净化面:4″× 2ˊ或3″× 3ˊ。
十四、容许有轻微变色,但不允许黑色和紫色存在;严重变色、节、孔、腐朽、外伤、鸟啄痕、弧边、虫孔、严重弯曲、环裂、干裂、蜂窝裂等均视为完全不可使用之缺陷。
计算净化面时,不允许有上列缺陷存在。
十五、弯曲料的规定:顺弯:弯曲度<材长的3%;侧弯:弯曲度<材长的2%;翘曲:扭翘不允许存在,瓦形翘必须控制在不影响木材的使用。
十六、弧边:合计长度不允许超过材长的1/3,弧边宽度不允许超过1/2″,未整边之制材按弧边处理。
十七、厚度:不足厚制材不可接受。
十八、髓心:合计长度不得超过制材的1/2材长。
十九、#2C制材二十、宽度:>3″。
二十一、长度:4ˊ--7ˊ制材不得超过30%。
L<8ˊ的制材必须产生66-2/3以上的净化面。
L>8ˊ的制材必须产生50%以上的净化面。
二十二、处理方法二十三、检量方法:NHLA标准。
二十四、因件数短缺、明细长度与实物长度不符、明细计算错误等原因造成的短少如数索赔。
木地板来料验收标准如下:
木地板是一种常见的地面装饰材料,其质量的好坏直接影响到装修效果和使用寿命。
以下是木地板来料验收的标准:
1.外观检查。
用肉眼对木地板进行检查,看其外观是否平整、没有破损、翘曲、裂缝等。
2.尺寸检查。
应测量地板的长度、宽度、厚度,并与木地板供应商提供的规格书进行核对,确保地板尺寸符合要求。
3.颜色检查。
木地板的颜色应该一致,无明显的色差;同时也应该注意该批次的颜色与以往的批次是否存在差异。
4.含水率检查。
木地板的含水率应在正常范围内,一般来说不应超过12%。
5.检查表面处理。
检查木地板表面处理是否均匀,光滑,没有明显瑕疵。
6.检查装饰性纹理。
检查地板上的花纹是否清晰、漂亮。
7.检查保护涂层。
检查地板保护涂层是否完整、光滑,有无划痕、气泡等。
8.检查木地板材质。
检查木地板是否采用国家标准规定的材质,如实木、多层实
木、人造板等。
综上所述,木地板来料验收标准主要包括外观、尺寸、颜色、含水率、表面处理、装饰性纹理、保护涂层和材质等方面。
合格的木地板应该外观平整、无破损、符合尺寸要求、颜色一致,含水率正常,并且表面处理均匀,装饰性纹理漂亮,保护涂层完整,材质符合国家标准。
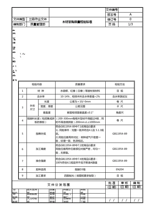
1 / 7来料检验标准一、制定目的为确保来料品质符合公司使用要求,为公司品质把好第一关,特制定此标准。
二、适用范围本标准适用于品控部人员对来料品质实施确认。
三、具体内容1.实木横拼板及xx板材类1.外观质量检验a)板材径切,直纹,没有色差。
四面完好,不允许有小活节。
2.含水率检验a)含水率控制在8%-12%,选用误差不大于±2%的含水率测试仪测量。
要求供应商提供相关书面证明。
3.外形尺寸偏差a)长、宽尺寸偏差≤±2.0mm;厚度尺寸偏差≤±0.5mm具体按采购合同要求进行检验。
b)横拼板条等宽(45---80mm),不允许有明显胶缝存在。
2.集成材类1.外观质量检验2 / 7a)集成材表面无开裂、节疤、虫眼;b)集成材按要求表面平整,无缺木,不允许由于设备、刀具缺陷或木材纹理紊乱等原因造成的起毛现象;c)指接榫接合紧密,指接榫完整,接缝均匀一致,无根部劈裂,平接口处无开裂、缝隙;d)目测整板无明显翘曲变形现象。
2.含水率检验a)含水率控制在8%-12%,选用误差不大于±2%的含水率测试仪测量。
要求供应商提供相关书面证明。
3.外形尺寸偏差a)长、宽尺寸偏差≤±2.0mm;厚度尺寸偏差≤±0.5mm具体按采购合同要求进行检验。
4.板面翘曲度检验a)集成材原则上不许有翘曲现象。
具体按采购合同要求进行检验。
5.集成材结合强度检验a)集成材的结合强度符合非承重木质部件或构件的国家标准要求。
由供应商提供相应的国家检测报告。
3.三聚氰胺板1.外观质量要求:表面平整光滑,无污迹、烂纸、起鼓、气泡、翘边、脱纸现象。
要求表层厚薄均匀、无杂质、压痕、木纹清晰。
2.规格尺寸及公差按合同订单执行。
3 / 74.玻璃类1.尺寸及允许偏差项目尺寸要求尺寸偏差(有设计要求的以设计要求为准)长度>1500mm,厚度>10mm试件规格允许值长宽公差±1mm所有玻璃尺寸以设计部资料为准xx≦1500mm,厚度≦10mm 厚度公差±0.3mmxx公差±1.5mm 厚度公差±0.5mm特殊项目2.外观质量要求a)普通玻璃:对内嵌玻璃只允许负公差。
进料检验标准----杉木规格料检测项目检测方式检测方法检测人检测标准质量记录质检仓库主任生产主任外观目测2%卷尺v v v要求木条无腐烂、霉变、虫孔、开裂、边皮、圆棱。
木条无大死节,死节直径不能超过10MM(且不能出现在木条的两边及两侧);无直径超过20MM的大活节(活节或死节上不能有任何裂纹),无坑凹、缺边、缺角现象.原材料进厂检验报告单,参与检验人员签字确认。
尺寸抽检2%卡尺卷尺v v v长度:不允许有负公差,允许有1MM的正公差。
宽度:不允许有负公差,允许有1CM的正公差;边皮不能大于1CM。
厚度:不允许有负公差,允许有1MM的正公差。
含水率抽检2%测水器v v v含水率≤14度。
弯曲度抽检2%卡尺拉绳v v v不允许有侧弯,允许有3MM/米的顺弯。
判定标准:验收过程中,若抽检数的10%不符合上述要求,则判定此批木条不合格;若不合格品的可利用率超过50%时,可按照50%的合格品来验收,同时注明为不合格品;若不合格品的可利用率低于50%,则按照废品来验收。
进料检验标准----松木规格板检测项目检测方式检测方法检测人检测标准质量记录质检仓库主任生产主任外观抽检2%目测v v v木条无腐烂、霉变、、无黑褐色条纹、无边皮、圆棱、坑凹、缺边、缺角,木板必须平整,无凹陷。
原材料进厂检验报告单,参与检验人员签字确认.水份抽检2%测水器v v v水份≤14度为合格。
尺寸抽检2%卡尺卷尺vv v长度:不允许有负公差,允许有1CM的正公差。
宽度:不允许有负公差,允许有1CM的正公差;边皮不能大于1CM。
厚度:不允许有负公差,允许有1MM的正公差。
判定标准:(木板按其好坏,可分为以下几个等级)A级:木条正反面无死节,允许一面有10MM以下的活节2个B级:正面无死节,允许有≤5MM的活节2处。
反面允许有2个直径≤7MM 的死节,允许有1处长度≤20MM的内裂,允许有3个以下直径≤10MM的活节。
不允许有侧弯,顺弯弯度≤5MM/条。
质量标准版本:B0页码:共6页第2页标题:木材质量标准5.1、正,反两面均不允许有节疤,但允许有少量的的针节。
5.2端头允许有5CM以内的端裂,中部不允许有裂纹。
5.3、木材净化面率为83.33%以上。
(以较差的一面划)5.4、许有轻微的变形。
5.5、择净化面的尺寸为:60CM*5CM。
5.6、板面要求无任何腐朽、髓心、变色芯材、扭曲、虫害等现象,厚度在3.5CM以内允许有10%带少量的树皮。
6、A级:6.1、好的一面不允许有节疤,较差的一面允许3CM以下的节疤,个数不限,3CM以上的节疤间距不少于70CM,影响强度的节疤(横节,群生节)不允许有。
6.2、许少量的色差,并且是红心材,但不得超过5%,不得开裂,不允许有黑心材。
6.3、中部裂纹不允许有。
6.4、木材净化面率为66.67%--83.33%。
(以较差的一面划)质量标准版本:B0页码:共6页第3页标题:木材质量标准6.5、板面翘曲值(2m材长)在15mm以内。
6.6、净化面的尺寸为:50CM*5CM。
6.7、度在3.5CM以内含3.5CM的允许有20%带少量的树皮。
厚度在3.5CM以上允许10%带树皮。
7、AB级:7.1、正反面均允许有直径4CM以下的节疤个数不限,40MM以上的节疤间距不少于50CM,影响强度的节疤(横节,群生节)不允许有。
7.2、板材厚度>40MM,允许一面有变色心材,但心材必须是红心材,不得是黑心材,心材不得开裂。
7.3、允许任意一个面有钝棱。
7.4、中部不允许有裂纹。
7.5、木材净化面率为:(以较差的一面划)7.5.1、3.5CM以上(含3.5CM):50%--66.67%。
7.5.2、3.5CM以下(含3.5CM):40%---66.67%8、选择净化面的尺寸为:30CM*4.5CM。
9、厚度在3.5CM以内允许有40%带少量的树皮。
厚度在3.5CM以上允许20%带树皮。
质量标准版本:B0页码:共6页第4页标题:木材质量标准10、面翘曲值(2m材长)在25mm以内。