公路I级、II级车道荷载值及冲击系数计算资料
- 格式:xls
- 大小:31.50 KB
- 文档页数:2
3#小桥计算书第一部分 上部结构一、设计资料1、桥梁上部结构资料计算跨径:m L 6.12= 桥面净空:m 25.025.4—⨯+净 板宽:m 24.1板中心线间距:m 25.1(全桥共12片,每跨4片板) 空心板高度:m 55.0设计荷载:公路—Ⅱ级荷载,不设人行道故不单独考虑人群荷载 结构重要性系数取。
材料规格:C30混凝土(桥面铺装为C40混凝土)Mpa f ck 1.20= Mpa f tk 01.2= Mpa f cd 8.13= Mpa f td 39.1= Mpa E c 4100.3⨯=普通受力钢筋HRB335钢筋Mpa f sk 335= Mpa f sd 280= Mpa E s 5100.2⨯= 56.0=b ξ箍筋及构造钢筋R235钢筋Mpa f sk 235= Mpa f sd 195= Mpa E s 5101.2⨯=2、设计依据与参考书《结构设计原理》贾艳敏、高力主编,人民交通出版社《桥梁计算示例集》(梁桥)黄侨、王永民主编,人民交通出版社《桥梁工程》(2007)刘龄嘉主编,人民交通出版社《公路桥涵标准图》公路桥涵标准图编制组,人民交通出版社《公路桥涵设计规范》(JTG D60-2004),人民交通出版社《公路公路钢筋混凝土及预应力混凝土桥涵设计规范》(JTG D62-2004),人民交通出版社《公路桥涵设计手册——梁桥(上册)》徐光辉、胡明义主编,人民交通出版社二、构造形式及尺寸选定全桥空心板横断面布置图如图1,每块空心板截面构造尺寸见图2.图1 全桥空心板横断面布置图图2 中板和边板截面构造尺寸图三、空心板毛截面几何特性计算(一)中板利用Auto CAD “面域/质量特性”命令查询得 28.3849cm A =中,空心板对其重心轴的惯矩410103793.1mm I ⨯=,空心板界面的抗扭刚度可简化为图3的单箱截面来近似计算:410222122101297.38)18124(218)855(2)855()18124(4224mm t b t h h b I T ⨯=-⨯+-⨯-⨯-⨯=+=图3 中板计算抗扭刚度简化图 图4 边板计算抗扭刚度简化图(二)边板利用Auto CAD “面域/质量特性”命令查询得 25.4456cm A =边,空心板对其重心轴的惯矩410104860.1mm I ⨯=,空心板界面的抗扭刚度可简化为图4的单箱截面来近似计算:410222122101281.38)25.1818124(25.18)855(18)855()855()18124(4224mm t b t h h b I T ⨯=+-⨯+-+--⨯-⨯=+=四、作用效应计算(一)永久作用效应计算1、空心板自重(第一阶段结构自重)g 1m kN A g •=⨯⨯=•=-625.925108.384941γ中中m kN A g •=⨯⨯=•=-141.1125105.445641γ边边2、桥面系自重(第二阶段结构自重)g 2栏杆重力参照其他桥梁设计资料,单侧按5kN/m 计算。
《桥梁工程》计算例如一、桥面板内力计算例题1:一个前轴车轮作用下桥面板的内力计算条件:①桥主梁跨径为19.5m ,桥墩中心距为20m ,横隔梁间距4.85m ,桥宽为5×+2×=9.5m ,主梁为5片。
铺装层由沥青面层(0.03m )和混凝土垫层(0.09m )组成。
板厚120mm ,主梁宽180mm ,高1300mm 。
②桥面荷载:公路Ⅰ级 要求:确信板内弯距解答进程: ⑴判别板的类型单向板⑵确信计算跨度《公桥规》规定:与梁肋整体连接的板,计算弯距时其计算跨径可取为梁肋间的净距加板厚,但不大于两肋中心之间的距离。
计算弯距时:《公桥规》规定:计算剪力时的计算跨径取两肋间净距。
剪力计算时: ⑶每延米板上荷载g沥青混凝土面层: 25号混凝土垫层: 25号混凝土桥面板: 203.316004850>==b a L L mmmm t L l b 16001540)1201801600(<=+=+=mm L l b 14201801600===m KN g /69.0230.103.01=××=m KN g /16.2250.109.02=××=mKN g /0.3250.112.03=××=⑷简支条件下每米宽度上恒载产生的板弯距⑸轮压区域尺寸汽车前轮的着地长度a1=0.20m ,宽度b1=0.30m此处h 为铺装层,由沥青面层和混凝土垫层组成 ⑹桥面板荷载有效散布宽度a 车轮在板跨中部时:应取a=1.027m⑺车辆荷载在桥面板中产生的内力《公桥规》规定汽车荷载局部加载的冲击系数采纳,1+μ=⑻最终内力由于 ,故主梁抗扭能力较大,那么有 桥面板跨中弯距: 桥面板支座弯距: 按承载能力极限状态进行组合:例题2:铰接悬臂板的内力计算条件:如下图T 梁翼板所组成铰接悬臂板。
荷载为公路Ⅱ级。
冲击系数μ=,桥面铺装为5cm 的沥青混凝土面层(容重为213/m KN )和15cm 防水混凝土垫层(容重为 25 3/m KN )。
一方案比选优化公路桥涵结构设计应当考虑到结构上可能出现的多种作用,例如桥涵结构构件上除构件永久作用(如自重等)外,可能同时出现汽车荷载、人群荷载等可变作用。
《公路桥规》要求这时应该按承载力极限状态和正常使用极限状态,结合相应的设计状况进行作用效应组合,并取其最不利组合进行计算。
1、按承载能力极限状态设计时,可采用以下两种作用效应组合。
(1)基本作用效应组合。
基本组合是承载能力极限状态设计时,永久作用标准值效应与可变作用标准值效应的组合,基本组合表达式为(1-1)或(1-2)γ-桥梁结构的重要性系数,按结构设计安全等级采用,对于公路桥梁,安全等级0一级、二级、三级,分别为1.1、1.0和0.9;γGi-第i个永久荷载作用效应的分项系数。
分项系数是指为保证所设计的结构具有结构的可靠度而在设计表达式中采用的系数,分为作用分项系数和抗力分项系数两类。
当永久作用效应(结构重力和预应力作用)对结构承载力不利时,γGi=1.2;对结构的承载能力有利时,γGi=10;其他永久作用效应的分项系数详见《公路桥规》;γQ1-汽车荷载效应(含汽车冲击力、离心力)的分项系数,取γQ1=1.4;当某个可变作用在效用组合中,其值超过汽车荷载效用时,则该作用取代汽车荷载,其分项系数应采用汽车荷载的分项系数;对专门为承受某种作用而设置的结构或装置,设计时该作用的分项系数取与汽车荷载同值;计算人行道板和人行道栏杆的局部荷载时,其分项系数也与汽车荷载取同值。
γQj-在作用效应组合中除汽车荷载效应(含汽车冲击力、离心力)、风荷载以外的其他第j个可变作用效应的分项系数,取γQ1=1.4,但风荷载的分项系数取γQ1=1.1;S gik、S gid-第i个永久作用效应的标准值和设计值;S Qjk-在作用效应组合中除汽车荷载效应(含汽车冲击力、离心力)外的其他第j个可变作用效应的标准值;S ud-承载能力极限状态下,作用基本组合的效应组合设计值,作用效应设计值等于作用效应标准值S d与作用分项系数的乘积。
新旧规范中的汽车荷载比较Prepared on 24 November 2020新旧规范中的汽车荷载比较前言:我国公路桥梁结构设计采用的汽车荷载标准长期以来采用汽车车队的形式,计算荷载和验算荷载相结合的模式。
原规范将汽车荷载划分为汽车—超20级、汽车—20级、汽车—15级、汽车—10级共四个等级,并且每个等级规定了验算荷载——挂车和履带车荷载;而新规范只将汽车荷载分为公路—I级和公路—II 级两个等级,取消了原规范规定的汽车—15级和汽车—10级汽车荷载,并且不考虑验算荷载。
公路—I级相当于原规范的汽车—超20,公路—II级相当于原规范的汽车—20级。
两者对简支梁的内力有什么区别,我们接下来就来分析这个问题。
正文:新旧规范汽车荷载对简支梁产生的内力主要体现在两个方面:1.汽车荷载的计算图式不同。
原规范汽车荷载的计算图式是以一辆加重车和具有规定间距的若干辆标准车组成的车队表示的。
新规范采用车道荷载即由均布荷载和集中荷载组成的图式。
2.冲击系数不同。
旧规范近似地认为冲击力与计算跨径成反比,并与桥梁的结构形式有关。
而新规范采用了结构基频来计算桥梁结构的冲击系数。
一.跨径20米的简支梁的内力分析。
下面以混凝土简支梁为研究对象,分析新旧规范标准汽车荷载效应的差别。
该桥标准跨径20m,主梁全长,计算跨径,桥面净空为净—7m+2×。
主梁结构尺寸如下图示。
设计荷载分别采用《公路桥涵设计通用规范》(JTG D60-2004)采用的公路—I 级、公路—II级与《公路桥涵设计通用规范》(JTJ 021-85)采用的汽车—超20级、汽车—20级进行对比分析。
(一).新桥规计算的荷载效应根据上节中主梁结构纵、横截面的布置,取用其的一根主梁计算其各控制截面的汽车荷载效应。
汽车荷载效应计算按《公路桥涵通用设计规范》(JTG D60-2004)条规定,简支梁结构的冲击系数由下式计算:介于和14HZ之间,冲击系数按下式计算:汽车荷载效应计算结果见下表:汽车一级荷载:汽车二级荷载:(二).按照旧桥规计算的荷载效应汽车荷载效应计算:在汽车荷载效应计算中,直接用规范中采用的标准汽车荷载在主梁上加载,从而计算出主梁各控制截面(支点、四分点和跨中截面)的最大弯矩和剪力效应。
新规范中车道荷载由篇一:新旧规范中的汽车荷载比较新旧规范中的汽车荷载比较前言:我国公路桥梁结构设计采用的汽车荷载标准长期以来采用汽车车队的形式,计算荷载和验算荷载相结合的模式。
原规范将汽车荷载划分为汽车—超20级、汽车—20级、汽车—15级、汽车—10级共四个等级,并且每个等级规定了验算荷载——挂车和履带车荷载;而新规范只将汽车荷载分为公路—I级和公路—II级两个等级,取消了原规范规定的汽车—15级和汽车—10级汽车荷载,并且不考虑验算荷载。
公路—I级相当于原规范的汽车—超20,公路—II级相当于原规范的汽车—20级。
两者对简支梁的内力有什么区别,我们接下来就来分析这个问题。
正文:新旧规范汽车荷载对简支梁产生的内力主要体现在两个方面:1.汽车荷载的计算图式不同。
原规范汽车荷载的计算图式是以一辆加重车和具有规定间距的若干辆标准车组成的车队表示的。
新规范采用车道荷载即由均布荷载和集中荷载组成的图式。
2.冲击系数不同。
旧规范近似地认为冲击力与计算跨径成反比,并与桥梁的结构形式有关。
而新规范采用了结构基频来计算桥梁结构的冲击系数。
一.跨径20米的简支梁的内力分析。
下面以混凝土简支梁为研究对象,分析新旧规范标准汽车荷载效应的差别。
该桥标准跨径20m,主梁全长19.96m,计算跨径19.50m,桥面净空为净—7m+2×1.75m。
主梁结构尺寸如下图示。
设计荷载分别采用《公路桥涵设计通用规范》(JTG D60-2004)采用的公路—I级、公路—II级与《公路桥涵设计通用规范》(JTJ 021-85)采用的汽车—超20级、汽车—20级进行对比分析。
(一).新桥规计算的荷载效应根据上节中主梁结构纵、横截面的布置,取用其的一根主梁计算其各控制截面的汽车荷载效应。
汽车荷载效应计算按《公路桥涵通用设计规范》(JTG D60-2004)4.3.2条规定,简支梁结构的冲击系数由下式计算:介于1.5HZ和14HZ之间,冲击系数按下式计算:汽车荷载效应计算结果见下表:(二).按照旧桥规计算的荷载效应汽车荷载效应计算:在汽车荷载效应计算中,直接用规范中采用的标准汽车荷载在主梁上加载,从而计算出主梁各控制截面(支点、四分点和跨中截面)的最大弯矩和剪力效应。
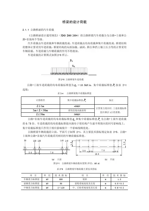
桥梁的设计荷载2.1.1 公路桥涵的汽车荷载《公路桥涵设计通用规范》(JDG D60-2004)将公路桥梁汽车荷载分为公路-Ⅰ级和公路-Ⅱ级两个等级。
汽车荷载由车道荷载和车辆荷载组成。
车道荷载由均布荷载和集中荷载组成。
桥梁结构的整体计算采用车道荷载:桥梁结构的局部加载、涵洞、桥台和挡土墙土压力等的计算采用车辆荷载。
车道荷载与车辆荷载的作用不得叠加。
车道荷载的计算图式如图2-3所示。
图2-3 公路桥梁车道荷载公路-Ⅰ级车道荷载的均布荷载标准值为=10.5kN/m,集中荷载标准值按表 2-4选取:k q k P 表2-4 公路桥梁集中荷载标准值计算跨径集中荷载标准值k P 备注5m ≤L480kN m 305m <<L采用直线内插求得50m ≥L360kN计算剪力效应时,上述荷载标准值应乘以1.2的系数。
公路-Ⅱ级车道荷载的均布荷载标准值和集中荷载标准值为公路-Ⅰ级车道荷载的0.75倍。
车道荷载的均布荷载标准值应满布于使结构产生最不利效应的同号影响线上,集中荷载标准值只作用于相应影响线中一个影响线峰值处。
k q k P 公路桥梁车辆荷载的立面、平面尺寸如图2-4,其主要技术指标规定如表2-5。
公路-Ⅰ级和公路-Ⅱ级汽车荷载采用相同的车辆荷载标准值。
(a) 立面 (b) 平面 图2-4 公路桥梁车辆荷载布置图(单位:kN.m) 表2-5 公路桥梁车辆荷载主要技术指标项 目 单 位 技 术 指 标项 目 单 位 技 术 指 标车辆重力标准值 kN 550 轮距m 1.8 前轴重力标准值 kN 30 前轮着地宽度及长度 m 0.3×0.2 中轴重力标准值kN2×120中、后轮着地宽度及长度m0.6×0.2后轴重力标准值kN 2×140 车辆外形尺寸(长×宽)m 15×2.5轴距m3+1.4+7+1.4公路工程技术旧标准中把大量、经常出现的汽车荷载排列成车队形式,作为设计荷载,把偶然、个别出现的平板挂车和履带车作为验算荷载。
新建一级公路计算书:一、交通量计算公路等级一级公路目标可靠指标 1.28初始年大型客车和货车双向年平均日交通量(辆/日)2400路面设计使用年限(年)15通车至首次针对车辙维修的期限(年)15交通量年平均增长率 6.5 %方向系数.55车道系数.5整体式货车比例35 %半挂式货车比例45 %车辆类型2类3类4类5类6类7类8类9类10类11类满载车比例.08 .34 .1 .44 .31 .54 .36 .46 .39 0初始年设计车道大型客车和货车年平均日交通量(辆/日)660设计使用年限内设计车道累计大型客车和货车交通量(辆)5825484路面设计交通荷载等级为中等交通荷载等级当验算沥青混合料层疲劳开裂时:设计使用年限内设计车道上的当量设计轴载累计作用次数为 1.44086E+07当验算无机结合料稳定层疲劳开裂时:设计使用年限内设计车道上的当量设计轴载累计作用次数为9.438057E+08当验算沥青混合料层永久变形量时:通车至首次针对车辙维修的期限内设计车道上的当量设计轴载累计作用次数为 1.44086E+07当验算路基顶面竖向压应变时:设计使用年限内设计车道上的当量设计轴载累计作用次数为 2.427535E+07二、路面结构设计与验算路面结构的层数: 5设计轴载: 100 kN路面设计层层位: 4设计层起始厚度: 180 (mm)层位结构层材料名称厚度模量泊松比无机结合料稳定类材沥青混合料车辙试验(mm) (MPa) 料弯拉强度( MPa) 永久变形量( mm )1 细粒式沥青混凝土40 11000 .25 1.52 中粒式沥青混凝土50 10000 .25 2.53 中粒式沥青混凝土50 10000 .25 2.54 水泥稳定碎石? 7500 .25 1.45 水泥稳定碎石180 7500 .25 1.46 新建路基60 .4------第4 层无机结合料稳定层疲劳开裂验算------设计层厚度H( 4 )= 180 mm季节性冻土地区调整系数KA= .8温度调整系数KT2= .979现场综合修正系数KC= -.24第4 层层底拉应力σ= .077 MPa第4 层无机结合料稳定层疲劳开裂寿命NF2= 3.119286E+11 轴次设计使用年限内设计车道上的当量设计轴载累计作用次数NZB2= 9.438057E+08 轴次第4 层无机结合料稳定层疲劳开裂验算已满足设计要求.------第5 层无机结合料稳定层疲劳开裂验算------设计层厚度H( 4 )= 180 mm季节性冻土地区调整系数KA= .8温度调整系数KT2= .979现场综合修正系数KC= -1.157第5 层层底拉应力σ= .252 MPa第5 层无机结合料稳定层疲劳开裂寿命NF2= 1.028473E+09 轴次设计使用年限内设计车道上的当量设计轴载累计作用次数NZB2= 9.438057E+08 轴次第5 层无机结合料稳定层疲劳开裂验算已满足设计要求.------沥青面层低温开裂指数验算------路面所在地区低温设计温度TSJ=-29 ℃表面层沥青弯曲梁流变试验蠕变劲度ST= 100 MPa沥青结合料类材料层厚度HA= 140 mm路基类型参数BLJ= 2沥青面层低温开裂指数CI= 3 条沥青面层容许低温开裂指数CIR= 3 条沥青面层低温开裂指数值满足规范要求.------沥青混合料层永久变形量验算------沥青混合料层永久变形等效温度TPEF= 20.2 ℃通车至首次针对车辙维修的期限内设计车道上的当量设计轴载累计作用次数NZB3=1.44086E+07轴次沥青混合料层永久变形验算分层数N= 6第1 分层沥青混合料永久变形量RAI( 1 )= .43 mm第2 分层沥青混合料永久变形量RAI( 2 )= .89 mm第3 分层沥青混合料永久变形量RAI( 3 )= 1.26 mm第4 分层沥青混合料永久变形量RAI( 4 )= .99 mm第5 分层沥青混合料永久变形量RAI( 5 )= .67 mm第6 分层沥青混合料永久变形量RAI( 6 )= .94 mm沥青混合料层永久变形量RA= 5.18 mm沥青混合料层容许永久变形量RAR= 15 mm沥青混合料层永久变形量满足规范要求.第1 层沥青混合料车辙试验动稳定度技术要求为5139 次/mm第2 层沥青混合料车辙试验动稳定度技术要求为2412 次/mm第3 层沥青混合料车辙试验动稳定度技术要求为2412 次/mm验算路面结构防冻厚度:路面结构最小防冻厚度500 mm验算结果表明,路面结构总厚度满足防冻要求.通过对设计层厚度取整以及设计人员对路面厚度进一步的修改, 最后得到路面结构设计结果如下:----------------------------------------细粒式沥青混凝土40 mm----------------------------------------中粒式沥青混凝土50 mm----------------------------------------中粒式沥青混凝土50 mm----------------------------------------水泥稳定碎石180 mm----------------------------------------水泥稳定碎石180 mm----------------------------------------新建路基计算设计路面结构的验收弯沉值:干湿循环或冻融循环条件下路基土模量折减系数KAT= .75路基顶面验收弯沉值LG= 233.4 (0.01mm)路表验收弯沉值LA= 26.1 (0.01mm)。
新旧规范中的汽车荷载比较前言:我国公路桥梁结构设计采用的汽车荷载标准长期以来采用汽车车队的形式,计算荷载和验算荷载相结合的模式。
原规范将汽车荷载划分为汽车—超20级、汽车—20级、汽车—15级、汽车—10级共四个等级,并且每个等级规定了验算荷载——挂车和履带车荷载;而新规范只将汽车荷载分为公路—I级和公路—II 级两个等级,取消了原规范规定的汽车—15级和汽车—10级汽车荷载,并且不考虑验算荷载。
公路—I级相当于原规范的汽车—超20,公路—II级相当于原规范的汽车—20级。
两者对简支梁的内力有什么区别,我们接下来就来分析这个问题。
正文:新旧规范汽车荷载对简支梁产生的内力主要体现在两个方面:1.汽车荷载的计算图式不同。
原规范汽车荷载的计算图式是以一辆加重车和具有规定间距的若干辆标准车组成的车队表示的。
新规范采用车道荷载即由均布荷载和集中荷载组成的图式。
2.冲击系数不同。
旧规范近似地认为冲击力与计算跨径成反比,并与桥梁的结构形式有关。
而新规范采用了结构基频来计算桥梁结构的冲击系数。
一.跨径20米的简支梁的内力分析。
下面以混凝土简支梁为研究对象,分析新旧规范标准汽车荷载效应的差别。
该桥标准跨径20m,主梁全长19.96m,计算跨径19.50m,桥面净空为净—7m+2×1.75m。
主梁结构尺寸如下图示。
设计荷载分别采用《公路桥涵设计通用规范》(JTG D60-2004)采用的公路—I级、公路—II级与《公路桥涵设计通用规范》(JTJ 021-85)采用的汽车—超20级、汽车—20级进行对比分析。
(一).新桥规计算的荷载效应根据上节中主梁结构纵、横截面的布置,取用其的一根主梁计算其各控制截面的汽车荷载效应。
汽车荷载效应计算按《公路桥涵通用设计规范》(JTG D60-2004)4.3.2条规定,简支梁结构的冲击系数由下式计算:介于1.5HZ和14HZ之间,冲击系数按下式计算:汽车荷载效应计算结果见下表:(二).按照旧桥规计算的荷载效应汽车荷载效应计算:在汽车荷载效应计算中,直接用规范中采用的标准汽车荷载在主梁上加载,从而计算出主梁各控制截面(支点、四分点和跨中截面)的最大弯矩和剪力效应。
结构可靠度理论及应用复习题1什么是施加于结构上的作用?荷载与作用有什么区别?结构上的作用是指能使结构产生效应的各种原因的总称,包括直接作用和间接作用。
引起结构产生作用效应的原因有两种,一种是施加于结构上的集中力和分布力,例如桥梁结构自重,作用于桥而的车辆、人群,施加于结构物上的风圧力、水压力、上压力等,它们都是直接施加于结构,称为直接作用。
另一种是施加于结构上的外加变形和约束变形,例如基础沉降导致结构外加变形引起的内力效应,温度变化引起结构约朿变形产生的内力效应,由于地丧造成地而运动致使结构产生惯性力引起的作用效应等。
它们都是间接作用于结构,称为间接作用。
“荷载”仅指施加于结构上的直接作用;而“作用”泛指使结构产生内力、变形的所有原因。
2结构上的作用如何按时间变异、空间位置变异、结构反应性质分类?结构上的作用按随时间变化可分永久作用、可变作用和偶然作用:按空间位置变异可分为固泄作用和自由作用;按结构反应性质可分为静态作用和动态作用。
3什么是荷载的代表值?它们是如何确定的?荷载代表值是考虑荷载变异特征所赋予的规泄疑值,工程建设相关的国家标准给出了荷载四种代表值:标准值,组合值,频遇值和准永久值。
荷载可根拯不同设计要求规定不同的代表值,其中荷载标准值是荷载的基本代表值,其它代表值都可在标准值的基础上考虑相应的系数得到。
4试述公路桥梁汽车荷载的等级和组成?车道荷载的计算图式和标准值?公路桥梁汽车荷载分为公路一I级和公路一II级两个级別,分别由车道荷载和车辆荷载组成。
桥梁结构的整体计算采用车道荷载,车道荷载由均布荷载和集中荷载组成。
桥梁结构的局部加载、涵洞、桥台和挡上墙土压力等的计算采用车辆荷载。
车辆荷载和车道荷载的作用不得叠加。
车道荷载是个虚拟荷载,它的荷载标准值办和"k是在不同车流密度、车型、车重的公路上,对实际汽车车队车重和车间距的测定和效应分析得到。
车道荷载的均布荷载标准值应满布于使结构产生最不利效应的同号影响线上:集中荷载标准值只作用于相应影响线中一个最大影响线岐值处。
桥梁的基本组成部分有哪些?各组成部分的作用如何?有五大件和五小件组成。
具体有桥跨结构、支座系统、桥墩、桥台、基础、桥面铺装、排水防水系统、栏杆、伸缩缝和灯光照明。
桥跨结构是线路遇到障碍时,跨越这类障碍的主要承载结构。
支座系统式支承上部结构并传递荷载于桥梁墩台上,应满足上部结构在荷载、温度或其他因素所预计的位移功能。
桥墩是支承两侧桥跨上部结构并传递荷载与基础。
桥台位于河道两岸,一端与路堤相接防止路堤滑塌,承受土压力,另一端支承桥跨上部结构。
基础保证墩台安全并将荷载传至地基的结构部分。
桥面铺装、排水防水系统、栏杆、伸缩缝、灯光照明与桥梁的服务功能有关。
名词解释1) 建筑高度:指桥上行车路面(或轨顶)标高至桥跨结构最下缘之间的距离。
2) 桥下净空高度:指设计洪水位或通航水位至桥跨结构最下缘之间的距离。
3) 桥梁高度:指桥面与低水位之间的高差或为桥面与桥下线路路面之间的高差。
4) 设计洪水频率:是由有关技术标准规定作为桥梁设计依据的洪水频率。
5) 净跨径: 对于梁桥是指设计洪水位上相邻两个桥墩或桥墩与桥台之间的净距离;对于拱桥是指两拱脚截面最低点之间的水平距离。
6) 计算跨径: 对于有支座的桥梁,是指桥跨结构相邻两个支座中心的距离,用l 表示;对于拱桥,是指相邻两拱脚截面形心点之间的水平距离7) 标准跨径: 对于梁桥,是指两相邻桥墩中心线之间的距离,或桥墩中心线至桥台台背前缘之间的距离;对于拱桥,则是指净跨径,用b l表示。
8) 桥梁全长: 指桥梁两端两个桥台的侧墙或八字墙后端点之间的距离,对于无桥台的桥梁为桥面系行车道的全长.9) 设计洪水位: 桥梁设计中按规定的设计洪水频率计算所得的高水位10) 刚架桥:桥跨结构(梁或板)和墩台整体相连的桥梁称为刚架桥。
桥梁按照结构体系分类,各种类型的受力特点是什么?答:有梁式桥、拱桥、刚架桥、悬索桥、斜拉桥。
梁式桥:梁作为承重结构是以它的抗弯能力来承受荷载的。
拱桥:主要承重结构是拱肋或拱圈,以承压为主。
森林防火道路设计规范_4-01中华人民共和国国家标准GBGB ***—2012森林防火道路设计规范(征求意见稿)Design Specification for Forest Fire-proof Road2012-*-*发布2012-*-* 实施总则目次1 总则 (1)2 一般规定 (4)3 路线 (9)3.1 一般规定 (9)3.2 横断面设计 (9)3.3 平面设计 (10)3.4 纵断面设计 (15)4 路基 (18)4.1 总体设计 (18)4.2 路基排水、防护与加固设计 (20)4.3 特殊路基设计 (23)5 路面 (27)6 桥涵 (32)7 路线交叉 (35)7.1 立体交叉 (35)7.2 平面交叉 (35)7.3 与公路交叉 (36)7.4 与铁路交叉 (36)7.5 与管线等交叉 (37)8 沿线设施及其它工程 (38)本标准用词说明 (45)附件《森林防火道路设计规范》条文说明 (47)1 总则 (48)2 一般规定 (50)3 路线 (52)4 路基 (60)5 路面 (63)6 桥涵 (64)7 路线交叉 (67)8 沿线设施及其他工程 (70)- 1 -总则1 总则1.0.1为统一森林防火道路设计技术标准,完善工程建设标准体系,提高工程建设标准化水平,特制定本规范。
1.0.2 本规范适用于全国国有林区和集体林区的新建或改建森林防火道路的设计。
已批复的林业局(场)总体设计,新建森林防火道路时,必须按本规范规定设计;改建森林防火道路应执行本规范的规定。
未开发大片林区,林业局(场)总体设计时应使防火道路达到必要的密度;森林防火道路的设计,必须按本规范规定设计。
1.0.3 森林防火道路主要由森林防火公路和简易道路两部分组成。
1.0.4 森林防火公路根据公路在路网中的功能、作用、辐射林地面积及适应的交通量分为林防—级公路、林防二级公路及林防三级公路共三个等级。
1.0.5 防火公路等级的选用应根据公路功能、路网规划、交通量,并充分考虑项目所在地区的综合运输体系、远期发展等,经论证后确定。
公路二级汽车荷载标准值摘要:I.引言- 介绍公路二级汽车荷载标准值的背景和重要性II.公路二级汽车荷载标准值的定义和计算- 解释公路二级汽车荷载标准值的含义- 说明公路二级汽车荷载标准值的计算方法III.公路二级汽车荷载标准值的应用- 说明公路二级汽车荷载标准值在桥梁设计中的重要作用- 介绍公路二级汽车荷载标准值在道路建设和维护中的应用IV.公路二级汽车荷载标准值的影响因素- 分析公路二级汽车荷载标准值受车辆类型、交通量等因素的影响V.结论- 总结公路二级汽车荷载标准值的重要性及其在公路工程中的作用正文:I.引言公路二级汽车荷载标准值是公路设计和建设中的重要参数,对于保证公路桥梁的安全性能具有关键作用。
本文将详细介绍公路二级汽车荷载标准值的定义、计算方法以及在公路工程中的应用。
II.公路二级汽车荷载标准值的定义和计算公路二级汽车荷载标准值是指在特定公路等级、设计年限和交通量条件下,用于计算公路桥梁和道路承载能力的一种汽车荷载参数。
其计算方法主要依据我国《公路工程技术标准》和《公路桥梁与涵洞设计规范》等相关规定,需要综合考虑车辆类型、轴重、轴距、轮距等因素。
III.公路二级汽车荷载标准值的应用公路二级汽车荷载标准值在公路工程中具有广泛应用,尤其在桥梁设计和建设过程中,对于确定桥梁结构尺寸、选择材料和评估桥梁安全性具有关键作用。
此外,公路二级汽车荷载标准值还在道路建设和维护中发挥重要作用,有助于合理规划和设计道路工程,提高道路通行能力和安全性。
IV.公路二级汽车荷载标准值的影响因素公路二级汽车荷载标准值受多种因素影响,主要包括车辆类型、交通量、道路等级和设计年限等。
不同类型的车辆对公路桥梁和道路的荷载作用不同,因此需要根据实际情况合理确定公路二级汽车荷载标准值。
同时,随着我国公路交通量的不断增长,对公路二级汽车荷载标准值的要求也越来越高。
V.结论总之,公路二级汽车荷载标准值在公路工程中具有重要意义,对于保证公路桥梁和道路的安全性能具有关键作用。
1 一、填空题
1.钢筋砼与预应力砼梁式桥具有多种不同的构造类型,从承重结构的截面形式,简支梁桥可分为板桥、 肋板式梁 桥、__箱型梁___桥。
2.《公路桥涵设计通用规范》规定:公路—I 级车道荷载的均布荷载标准值为 10.5 (m /kN ); 公路—II 级车道荷载的标准值按公路—I 级车道荷载的 0.75 倍采用。
在分析计算汽车荷载引起的最不利效应时,均布荷载标准值应满布于使结构产生 最不利效应的同号影响线上 ;集中荷载标准值只作用于相应影响线中 一个最大影响线峰值处 。
3.装配式T 形简支梁桥的钢筋可分为纵向主钢筋、架立钢筋、斜钢筋、箍筋和分布钢筋等。
简支梁桥承受正弯矩作用,故 主钢筋 置在梁肋的下缘。
箍筋的主要作用是 增强主梁抗剪强度。
二、计算题
装配式钢筋混凝土简支T 梁桥,纵、横桥向布置如图1、2所示,标准跨径为30m ,计算跨径29.4m 。
桥面铺装平均厚度为0.20m 。
横向有5片T 梁组成,各主梁抗弯惯矩I 相等,其值为=0.42m 4,主梁面积A=0.72m ²。
主梁混凝土标号为C50,主梁的容重为25kN/m ³。
冲击系数为0.25。
车道按两车道计算。
荷载作用在支点处时,2号梁的荷载横向分布系数61100.=m 。
结构重要性系数010.=γ。
试计算:按承载能力极限状态设计时,2号梁在恒载和汽车荷载的共同作用下,跨中截面的最大弯矩和支点的最大剪力。
图1 桥梁横截面布置
图2 桥梁纵断面布置。