建筑设备复习题答案
- 格式:doc
- 大小:42.50 KB
- 文档页数:3
建筑设备自动化复习题一、选择题1. 下列哪项不是建筑设备自动化的特点?A. 提高工作效率B. 减少人力成本C. 提高设备可靠性D. 减少能源消耗答案:C2. 建筑设备自动化系统中,以下哪个是常用的传感器?A. 压力传感器B. 温度传感器C. 光照传感器D. 所有选项都是答案:D3. 建筑设备自动化系统中,以下哪个是常用的执行器?A. 电机B. 阀门C. 气缸D. 所有选项都是答案:D4. 建筑设备自动化系统中,以下哪个是常用的控制器?A. PLCB. DCSC. SCADAD. 所有选项都是答案:D5. 建筑设备自动化系统中,以下哪个是常用的通信协议?A. ModbusB. ProfibusC. BACnetD. 所有选项都是答案:D二、判断题1. 建筑设备自动化系统可以提高建筑物的能源利用效率。
答案:正确2. 建筑设备自动化系统可以通过远程监控和控制来提高设备的可靠性。
答案:正确3. 建筑设备自动化系统可以减少人力成本,提高工作效率。
答案:正确4. 建筑设备自动化系统只能用于大型建筑物。
答案:错误5. 建筑设备自动化系统可以实现建筑设备的智能化控制。
答案:正确三、填空题1. 建筑设备自动化系统中,传感器用于________建筑设备的状态。
答案:监测2. 建筑设备自动化系统中,执行器用于________建筑设备的操作。
答案:控制3. 建筑设备自动化系统中,控制器用于________传感器和执行器之间的信息。
答案:处理4. 建筑设备自动化系统中,通信协议用于________不同设备之间的数据交换。
答案:实现5. 建筑设备自动化系统可以通过________监控和控制建筑设备。
答案:远程四、简答题1. 请简要介绍建筑设备自动化系统的工作原理。
答案:建筑设备自动化系统通过传感器对建筑设备的状态进行监测,将监测到的数据传输给控制器进行处理,控制器根据预设的逻辑和算法,通过执行器对建筑设备进行控制。
同时,建筑设备自动化系统可以通过通信协议实现不同设备之间的数据交换,通过远程监控和控制来提高设备的可靠性和工作效率。
简答题1.居住小区给水设计用水量包括哪几部分?居住建筑用户用水量、公共建筑用水量、消防用水量、浇洒道路、广场用水量、绿化用水量、市政公用设施用水量及管网漏水水量2.管道设计流量计算公式3.建筑给水系统所需压力由哪几部分组成?列出1、2、直至5层各层给水系统所需的最小水压估算值H = H1+H2+H3+H4式中H ——室内给水管网所需的压力,kPa;H1 ——引入点到最不利配水点位置高度所要求的静水压,kPa;H2 ——水力损失(沿程、10%+局部),kPa;H3 ——水表的水头损失, kPa;H4 ——最不利配水点所需的流出水头, kPa。
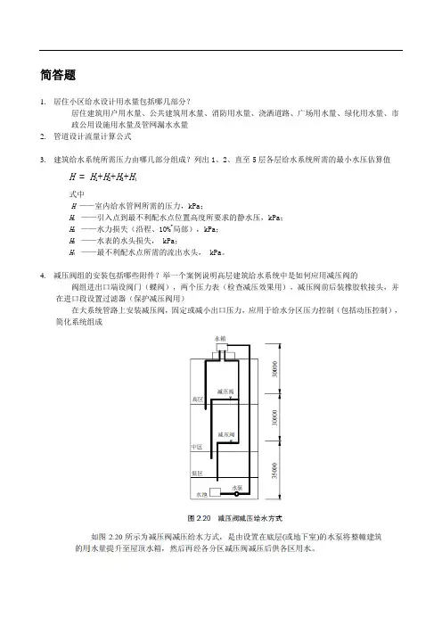
4.减压阀组的安装包括哪些附件?举一个案例说明高层建筑给水系统中是如何应用减压阀的阀组进出口端设阀门(蝶阀),两个压力表(检查减压效果用),减压阀前后装橡胶软接头,并在进口段设置过滤器(保护减压阀用)在大系统管路上安装减压阀,固定或减小出口压力,应用于给水分区压力控制(包括动压控制),简化系统组成5.建筑物(场所)的火灾危险等级确定后,进行自动喷水灭火系统设计时,有关喷头选用、系统流量计算、喷头布置等主要过程的设计要点有哪些A.喷头选择:(1)应严格按照环境温度来选用喷头温级,一般应比高环境温度高30度左右(2)在蒸汽压力小于1kg/cm2的散热器附近2m以内空间,采用高温级喷头(121-149度);2-6m 以内在空气热流趋向的一面采用中温级喷头(79-107度)(3)在设有保温的蒸汽管子上方0.76m和两侧0.3m以内的空间,应采用中温级喷头(79-107度);在低压蒸汽安全阀旁边2m以内,采用高温级喷头(121-149度)(4)在既无绝热措施,又无通风的木板或瓦楞铁皮房顶的闷顶中和受到日光暴晒的玻璃天窗下,应采用中温级喷头(79-107度)(5)在装设喷头的场所,应注意防止腐蚀性气体的侵蚀,不得受外力的撞击,经常清除喷头上的尘土B.系统流量计算:应保证任意作用面积内的平均喷水强度不低于规定设计参数。
建筑设备复习题及答案一、单项选择题1. 建筑设备中,用于调节室内温度和湿度的设备是?A. 空调系统B. 照明系统C. 给排水系统D. 消防系统答案:A2. 建筑设备中,负责供应和分配建筑内部所需电力的系统是?A. 空调系统B. 照明系统C. 电力系统D. 通信系统答案:C3. 建筑设备中,用于控制和调节建筑内部空气质量的系统是?A. 空调系统B. 通风系统C. 给排水系统D. 消防系统答案:B4. 在建筑设备中,负责建筑内部照明的系统是?A. 空调系统B. 电力系统C. 照明系统D. 通信系统答案:C5. 建筑设备中,用于建筑内部供水和排水的系统是?A. 空调系统B. 电力系统C. 给排水系统D. 消防系统答案:C二、多项选择题1. 建筑设备中,以下哪些系统属于建筑内部环境控制系统?A. 空调系统B. 照明系统C. 通风系统D. 消防系统答案:A、C2. 建筑设备中,以下哪些系统与建筑安全有关?A. 空调系统B. 电力系统C. 消防系统D. 通信系统答案:B、C3. 建筑设备中,以下哪些系统与建筑内部能源供应有关?A. 空调系统B. 电力系统C. 照明系统D. 给排水系统答案:B、C三、判断题1. 建筑设备中的空调系统可以独立调节室内温度和湿度。
(对)2. 建筑设备中的照明系统仅负责提供室内照明,与建筑安全无关。
(错)3. 建筑设备中的给排水系统仅负责建筑内部的供水,不涉及排水。
(错)4. 建筑设备中的消防系统是建筑安全的重要组成部分,负责火灾的预防和扑救。
(对)5. 建筑设备中的通信系统与建筑内部的能源供应无关。
(对)四、简答题1. 请简述建筑设备中空调系统的主要功能。
答:空调系统的主要功能是调节和控制建筑内部的温度、湿度和空气质量,以提供舒适的室内环境。
2. 请简述建筑设备中电力系统的作用。
答:电力系统的作用是供应和分配建筑内部所需的电力,确保建筑设备和日常用电需求得到满足。
3. 请简述建筑设备中消防系统的重要性。
《建筑设备工程》课程知识复习学习材料试题与参考答案一、单选题1.在热水供暖系统中,高位水箱不能起到的作用是(C)A.容纳水受热膨胀的体积B.稳定系统压力C.提高系统循环水量D.排除系统内空气2.在以下影响空调房间气流组织形式的因素中,最重要的因素是(C)A.送回风口的形式和位置B.室内空气温度、湿度和速度C.建筑物结构特点D.送风口性能和送风参数3.以下对于变风量空调系统特征的描述错误的是(C)A变风量系统改变风量而温度不变适应负荷变化B全年变风量运行,大量节约能耗C室内相对湿度控制质量较好D新风比不变时,送风量减小使得新风量减少,影响室内空气品质4.自然通风主要依靠(C)来实现的A.风压和热压B.对流和导热C.流和辐射D.气压和风压5.采暖系统设计热负荷的计算有两种,一种是理论计算法、一种是单位面积估算法,目前我国民用住宅面积热指标为( A )W/m2A. 100-200B. 200-250C. 45-70 D 800-8256.在热水供暖系统中,高位水箱不能起到的作用是( C )。
A 容纳水受热膨胀的体积B 稳定系统压力C 提高系统循环水量D排除系统内空气7.热水供暖系统中,所有水平供水干管应该有0.002~0.003的坡度以便于排气,机械循环系统坡向与水流方向(),自然循环系统坡向与水流方向( C )。
A 相同,相同B 相反,相反C 相反,相同D 相同,相反8.以下不属于热水供暖系统常用定压方式的是( D )。
A 开式高位膨胀水箱定压B 密闭式膨胀水箱定压C 补给水泵定压D 气压水罐定压9.蒸汽供暖系统中要尽量减少水击现象,以下方法中不能起作用的是( B )。
A 及时排除沿途凝水B 提高蒸汽压力C 适当降低管道中蒸汽的流速D 尽量使凝结水与蒸汽反向流动10.在游泳池水循环系统中,均衡水池的作用不包括:( A )A平衡池水水位B 回收溢流水C 均衡泳池内水量浮动D 储存过滤器反冲洗用水和间接补水11.以下对于建筑中水供水系统设置要求的描述中,不正确的是( D )。
建筑设备自动化复习题一、选择题1. 以下哪项不属于建筑设备自动化的基本原则?A. 节能性B. 可靠性C. 安全性D. 经济性答案:D2. 建筑设备自动化的主要目的是什么?A. 提高建筑设备的效率B. 减少建筑设备的维护成本C. 提高建筑设备的可靠性D. 提高建筑设备的安全性答案:A3. 建筑设备自动化系统中的传感器主要用于什么?A. 检测环境参数B. 控制设备运行C. 收集数据D. 传输信号答案:A4. 建筑设备自动化系统中的执行器主要用于什么?A. 检测环境参数B. 控制设备运行C. 收集数据D. 传输信号答案:B5. 建筑设备自动化系统中的控制器主要用于什么?A. 检测环境参数B. 控制设备运行C. 收集数据D. 传输信号答案:B二、填空题1. 建筑设备自动化的基本原则包括节能性、可靠性、安全性和__________。
答案:经济性2. 建筑设备自动化的主要目的是提高建筑设备的__________。
答案:效率3. 建筑设备自动化系统中的传感器主要用于检测环境__________。
答案:参数4. 建筑设备自动化系统中的执行器主要用于控制设备__________。
答案:运行5. 建筑设备自动化系统中的控制器主要用于控制设备__________。
答案:运行三、简答题1. 请简要介绍建筑设备自动化的基本原则。
答:建筑设备自动化的基本原则包括节能性、可靠性、安全性和经济性。
节能性是指通过自动化系统对建筑设备的运行进行优化,以减少能源的消耗,提高能源利用效率。
可靠性是指建筑设备自动化系统的稳定性和可靠性,确保设备能够正常运行并按照预定的要求工作。
安全性是指建筑设备自动化系统的安全保障措施,包括对设备运行状态的监测和故障检测,以及对设备运行过程中的安全问题的预防和处理。
经济性是指建筑设备自动化系统在实施和运行过程中的经济效益,包括节约维护成本、提高设备使用寿命等方面。
2. 请简要说明建筑设备自动化系统中传感器、执行器和控制器的作用。
建筑设备复习题答案一、单项选择题1. 建筑设备中,用于调节室内温度的设备是()。
A. 照明设备B. 通风设备C. 空调设备D. 消防设备答案:C2. 建筑给排水系统中,下列哪项不是给水系统的组成部分?()。
A. 储水设备B. 配水设备C. 排水设备D. 净水设备答案:C3. 建筑电气系统中,下列哪项不是电气系统的组成部分?()。
A. 电源B. 配电设备C. 照明设备D. 通风设备答案:D二、多项选择题1. 建筑设备中,属于供暖系统的设备有()。
A. 锅炉B. 散热器C. 空调器D. 热交换器答案:A、B、D2. 建筑设备中,以下哪些设备属于通风系统?()。
A. 风机B. 空调器C. 排烟阀D. 空气过滤器答案:A、C、D三、判断题1. 建筑设备中的电梯属于垂直交通设备。
()答案:正确2. 建筑设备中的照明设备仅用于提供室内照明。
()答案:错误四、填空题1. 建筑设备中的_________系统主要用于调节室内温度和湿度,提高室内空气质量。
答案:空调2. 建筑给排水系统中的_________设备用于将室内污水和雨水排出室外。
答案:排水五、简答题1. 简述建筑设备中消防系统的主要组成部分。
答案:建筑设备中的消防系统主要由消防水源、消防水泵、消防给水管道、消防栓、自动喷水灭火系统、火灾报警系统等组成。
这些设备和系统共同协作,以确保在火灾发生时能够有效地控制火势并保护人员安全。
2. 描述建筑设备中电梯的工作原理。
答案:电梯的工作原理是通过电机驱动,通过钢丝绳和滑轮系统将电梯轿厢在垂直井道内上下移动。
电梯控制系统根据乘客的指令,控制电梯的启动、停止、开关门等动作,确保乘客安全、高效地到达指定楼层。
建筑设备复习题二及答案一、判断题5.10层及10层以上的高层建筑宜设置专用通气立管。
错[ ³ ]38 、把发电厂生产的电能直接分配给用户或由降压变电所分配给用户的 35kV 及以下的电力线路称为配电线路,把电压在 10 kV 及以上的高压电力线路称为输电线路。
[ √ ]2不论是立管或横支管,其安装位置应有足够的空间以利于拆换管件和清通维护工作的进行。
6.常用的水封装置有P型和S型存水弯。
错9. 常用的冷媒有氨、氟利昂等。
对[ √ ]4 存水弯也称水封。
其作用是利用一定高度的静水压力来抵抗排水管内气压变化,隔绝和防止排水管道内所产生的难闻有害气体和可燃气体及小虫等通过卫生器具进入室内而污染环境。
[ √ ]23 、常用的风阀有插板阀、蝶阀和多叶调节阀三种,其中插板阀设置在风机入口或主干风道上。
[ √ ] 24 、常用的风阀有插板阀、蝶阀和多叶调节阀三种,蝶阀由于严密性较差,不宜作关断用,多设置在分支管上或送风口前,用于调节送风量。
1.对于宾馆,最适用的为半集中式空调系统。
错[ ³ ]25 、当进、排风塔都设在屋顶上时,为了避免进气口吸入污浊空气,它们之间的距离应尽可能远些,进风口应高于排风口。
[ ³ ]36 、大型民用建筑设施的供电,一般电源进线为 6 ~ 10kV ,经过高压配电所,再用几路高压配电线,将电能分别送到各建筑物变电所,降为 380 / 220V 低压,供给用电设备。
[ √ ]35 、低压断路器又称低压自动空气开关。
它既能带负荷通断正常的工作电路又能在短路、过负荷及电路失压时自动跳闸,因此被广泛应用于低压配电系统中。
[ ³ ]32 、电气设备的金属外壳可能因绝缘损坏而带电,为防止这种电压危及人身安全而人为地将电气设备的外露可导电部分与大地作良好的联接称为工作接地。
[ ³ ]7 、电气设备的金属外壳可能因绝缘损坏而带电,为防止这种电压危及人身安全而人为地将电气设备的外露可导电部分与大地作良好的联接称为工作接地。
建筑设备复习题及答案一、填空题1、给水系统按用途可分为生活给水系统、生产给水系统、消防给水系统.2、蒸汽供暖系统中疏水器作用是自动阻止蒸汽逸漏且迅速排出用热设备及管道中的凝水;排除系统中积留的空气和其他不凝性气体.3、室内给水系统的任务:将室外城市给水管网的水,送至生活、生产和消防用水设备,并满足用水点对水质、水量、水压的要求的冷水供应系统.4、建筑耗热量计算包括维护结构耗热量、冷风渗透侵入耗热量两个方面.5、照明方式,根据灯具的布置方式分类:一般照明、局部照明、混合照明.6、集中热水供应系统设置循环管道的原因:开启龙头即可得到热水,使用方便且节省用水.7、采暖热负荷由围护结构热负荷、冷风渗透耗热量和冷风侵入耗热量三个部分组成.8、集中供暖系统由热源、输送管网和散热设备三个部分组成.9、根据热媒性质的不同,集中供暖系统分为三种:热水采暖系统、蒸汽采暖系统、热风采暖系统三个部分组成.10、根据空气流动的动力不同,通气方式可分为自然通风和机械通风两种.11、自然通风借助于风压和热压促使空气流动的.12、根据机械通风系统的作用范围不同,机械通风可分为全面通风和局部通风两种.机械通风的局部通风系统又可分为局部送风和局部排风两种.13、低压配电线路布置方式:放射式、树干式、混合式.14、建筑防雷接闪系统组成:接闪器、引下线、接地装置.15、照明的质量指标:无眩光、阴影等.照明的数量指标:照度.16、举出两种常见的开关设备:照明器控制开关、刀开关、自动空气开关.17、安全电流:~~;安全电压等级:12V、24V和36V.18、热水供应方式按加热方法分有直接加热法和间接加热法;前者利用锅炉烧制热水,后者利用热媒经水加热器制备热水;按管网布置形式分为上行下给式与下行上给式管网;按有无循环管分,可分为全循环、半循环、无循环热水系统.19、铸铁管的连接方法承插方式、法兰盘连接.20、给水系统由水源、引入管、水表节点、给水管网、配水装置和附件、局部处理设施组成. 21、雨水管到按布置位置可分为外排水系统、内排水系统、混合排水系统.22、水表按翼轮构造不同,分为旋翼式叶轮式、螺翼式.23、室内消防系统按种类和方式可分为消火栓给水系统、自喷灭火系统、其他固定灭火设施. 24、排水当量是给水当量的倍25、热水供应系统的组成热媒系统、热水系统、附件26、冷热水管道并行应坚持上热下冷,左热右冷27、灭火机理冷却、窒息、乳化、稀释28、排水管道设计的影响要素坡度、最小管径、自净流速29、自喷系统按喷头的开闭形式分为开式喷水系统、闭式喷水系统30、高层与超高层的界限高度为100米二、简答题1、排水系统中通气管系的作用,形式.答:向排水管内补充空气,使水流畅通,减少排水管内的气压变化幅度,防止卫生器具水封破坏,并将馆内臭气排入大气中.形式有器具通气管、环形通气管、专用通气管、结合通气管.2、热水系统中空气的危害,排除空气的方法.答:阻碍管道中水流的通畅,加速管道的腐蚀.在管道中积聚气体的地方设置自动放气阀或有手动放气阀的集气罐来排除系统中的空气.3、热水供暖系统按循环动力不同分为机械循环和自然循环,分别叙述两种形式的循环动力. 答:自然循环——利用热网中配、回管网中的温度差形成自然循环作用水头,使管网维护一定的循环流量,以补偿热损失,保证一定的供水水温;机械循环——利用水泵强制水在热水管网内循环,造成一定的循环流量. 自然循环是靠供水与回水的密度差进行循环的系统.系统工作前系统中充满冷水,当水在锅炉内被加热后密度减小,同时受着从散热器流回来密度较大的回水的驱动,使热水沿着供水干管上升,流入散热器.在散热器内水被冷却,再沿回水干管流回锅炉被重新加热,循环动力的大小取决于水温在循环环路的变化状况.机械循环是靠机械力水泵进行循环的系统.与自然循环热水采暖系统的主要区别是在系统中设置了循环水泵,靠水泵提供的机械能使水在系统中循环.系统中的循环水在锅炉中被加热,通过总立管、干管、支管到达散热器.水沿途散热有一定的温降,在散热器中放出大部分所需热量,沿回水支管、立管、干管重新回到锅炉被加热.4、叙述电力负荷分级及供电要求.答:根据建筑的重要性和对短时中断供电在政治上和经济上所造成的影响和损失来分级的,对于工业和民用建筑的供电负荷可分为:一级负荷、二级负荷、三级负荷. 为保证供电的可靠性,一级负荷应由两个独立电源供电,即双路独立电源中任一电源发生故障或停电检修时,都不影响另一电源供电,对于特别重要的负荷,还应增设第三电源或自备电源;二级负荷由上一级变电所的两段母线上引双回路进行供电,保证变压器或线路发生常见故障而中断供电时能迅速恢复供电;三级负荷可由单电源供电.5、叙述对空气的基本处理过程及设备.答:加热、冷却、加湿、除湿.设备:表面式换热器、喷水室、加热除湿设备.6、水封的形状,水封存水弯的作用.答:P型和S型,水封可防止管道内有毒有害气体进入室内.7、高层建筑给普通供水系统带来哪些问题,如何解决.答:低层管道中静水压力过大,需采用耐高压器材管配件使得造价增加,开启阀门及龙头时易产生水锤,低层水头开启压力过高易造成水流喷溅,而顶层龙头产生负压抽吸,形成回流污染.给水系统必须进行竖向分区,主要有串联式、并联式、减压式和无水箱式.8、什么是保护接地和保护接零适合场合答:保护接地就是将正常情况下不带电,而在绝缘材料损坏后或其他情况下可能带电的电器金属部分即与带电部分相绝缘的金属结构部分用导线与接地体可靠连接起来的一种保护接线方式.保护接零是把电工设备的金属外壳和电网的零线连接,以保护人身安全的一种用电安全措施. 在中性点直接接地的低压电力网中,电力装置应采用低压接零保护.在中性点非直接接地的低压电力网中,电力装置应采用低压接地保护.由同一台发电机、同一台变压器或同一段母线供电的低压电力网中,不宜同时采用接地保护与接零保护.9、简述给水系统的组成部分.答:给水系统由水源、引入管、水表节点、给水管网、配水装置和附件、局部处理设施组成. 10、设计建筑物内的生活饮用水水池箱应注意哪些问题答:安装时注意箱底要与屋面或地板面保持最少的距离,以便安装管道和进行维修.并做好保温处理,保证水质,要经常冲洗,有信号管溢水管等.11、消防水泵结合器的安装方式有几种答:三种,地上式,地下式,墙壁式.12、室内消防给水管道的布置应符合哪些要求答:室内消防给水管段在布置时要布置成环状,并且保证俩股水柱能达到室内任意一点. 13、排水管道系统的通水能力受哪些因素的制约答:排水管道系统的通水能力受到管内气压波动,管径,流速,坡度、充满度等的影响.14、试述室内排水系统的组成,排水体制的确定.答:由受水器、排水管道、局部处理构筑物、泵站、清通设施等组成.根据实际的情况考虑采用合流或分流.15、比较地下水源和地表水源的优缺点.答:地下水受形成、埋藏和补给等条件的影响,具有水质澄清、水温稳定、分布面广等优点,但水径流量小,蕴藏量有限,矿化度和硬度较高,开发勘测量大,过度开采易引发环境水利问题;地表水主要来自降雨,属开放性水体,易受污染,浑浊度高,水温变幅大,有机物、细菌含量高,色度较高,水质受季节地形的限制.但地表水径流量大且水量充沛,能满足大量的用水需求,矿度硬度及铁锰等物质含量低,合理开发不易引发环境问题.16、给水工程中比较以及泵站和二级泵站的作用.答:一级泵站:从水源取水,并将原水输送到净水构筑物或直接输送至管网水塔等调节用水的构筑物.二级泵站:设在净水厂内,自清水池中取水,加压后通过管网向用户供水17、清水池在给水系统中如何起调节作用.答:当二级泵站的送水量小于一级泵站的送水量时,多余的水便存入清水池.到用水高峰时,二级泵站的送水量就大于一级泵站的供水量,这时清水池中所储存的水和刚刚净化后的水便被一起送入管网.18、建筑给水管网水头损失包括哪些方面答:各管道沿程损失和局部损失之和、水表的压力损失、比例式减压阀的压力损失.19、饮用水管道与卫生器具及其他管道相连时,防止水质污染的措施有哪些答:城市给水管道严禁与自备水源的供水管道直接相连,从给水管道上直接接出用水管道时,应在用水管道上设置止水阀;生活饮用水不得因管道产生虹吸回流而受污染;严禁生活用水管道与大便器冲水管道直接连接;在非饮用水管道上接出用水街头时,应有明显标志,防止误接误饮.20、常用高层建筑内部给水方式有哪几种其主要特点是什么答:分区并联给水方式,各分区独立设置水箱和水泵,各区水泵集中设置在底层或地下室水泵房内. 分区串联给水方式,各分区独立设置水箱和水泵,各区水泵分散设置在技术层中,低层的水箱兼作上一区的水池. 减压分区给水方式,整个楼层的用水量全部由设置在低层的水泵提升到屋顶总水箱后,再分送至各分区水箱,分区水箱起减压作用释放静水压力. 减压阀减压给水方式,与减压水箱类似,不同的是用减压阀代替减压水箱.整个楼层的用水量全部由设置在低层的水泵提升到屋顶总水箱后,再分送至各分区,各分区设减压阀起减压作用. 无水箱分区给水方式,各分区设置单独的变速水泵供水,未设置水箱,水泵集中设置在建筑物底层的水泵房内,分别向各区管网供水.21、一套建筑给排水施工图一般包括哪些图纸内容.答:包括设计总说明、给排水平面图、给排水系统图、详图等部分.22、建筑给排水平面图一般由哪些图纸组成.答:底层给排水平面图、标准层给排水平面图、屋顶给排水平面图.23、建筑给排水施工图总说明的内容包括哪些.答:尺寸单位及标高标准、管材连接方式、消火栓安装、管道的安装坡度、检查口及伸缩节安装要求、立管与排出管的连接、卫生器具的安装标准、管线圈中代号的含义、阀门选用、管道保温、管道防腐、试压、未尽事宜.24、底层给排水平面图应该反映哪些内容.答:房屋建筑的底层平面形式;有关给排水设施在房屋底层平面中处在什么位置;卫生设备立管等底层平面布置位置,尺寸关系;给排水管道的底层平面走向,管材的名称、规格、型号、尺寸、管道支架的平面位置;给水及排水立管的编号;管道的敷设方式、连接方式、坡度及坡向;与室内给水相关的室外引入管、水表节点、加压设备等平面位置;与室内排水相关的室外检查井、化粪池、排出管等平面位置.25、何为给排水施工详图.答:给排水施工详图将给排水平面图或给排水系统图中的某一位置放大或剖切再放大而得到的图样.三、综合题1、水压的确定答:建筑物所需要的水压应按最不利点所需要的水压进行计算,计算公式为:H=H1+H2+ H3 + H4 + H5,H1最不利配水点与室外引入管起点的高度所要求的水压.H2管路水损与局部压力损失之和.H3水表水损.H4 管网最不利点所需的流出压力,普通水龙头按2m计算.H5富裕水头,一般按2-5m计算.2、散热器的布置原则为什么要尽量安装在外窗窗台下一般情况下在房间内怎么布置为好,有什么优点答:散热器应尽量少占建筑使用面积和有效空间,且与室内装修相协调.装在窗台下经散热器上升的对流热气流沿外窗上升,能阻止渗入的冷空气沿墙和窗户下降,因而阻止冷空气直接进入室内工作区域,使房间温度分布均匀,流经室内的空气比较舒适暖和. 一般情况下,为了散热器更好的散热,散热器应明装.在建筑、工艺方面有特殊要求时,应将散热器加以围挡,但要设有便于空气对流的通道.楼梯间的散热器应尽量放置在底层.双层外门的外室不宜设置,以防冻裂.3、风机盘管机组的调节方式有哪些风机盘管有什么优缺点答:手动和温控,一般手控有中、低、高三档.温控开关内置于风机盘管,可以根据风机盘管已经达到的温度,来自动调节. 优点:改善空调效果好,高效节能,安装方便.缺点:室内空气品质比较差,很难进行二级过滤且易发生凝结水渗顶事故;本身解决新风量困难,机组风机的静压小,气流分布受限制;维修管理工作量大.4、排水立管内的“柱塞流”是怎么发生的有什么不良后果答:柱塞流是排水管内压力大于外部大气压力,从而造成堵塞形成的.排水管中因局部满流---柱塞流时,水流后形成负压,产生抽吸作用,致使设备排水管的水封被破坏,或产生喷射.5、热水管道布置应该遵守什么样的原则对其安装方式、保温、坡度有哪些要求答:原则:确保供水安全和良好的水力条件、力求经济合理;保护管道不受损坏;不影响生产安全和建筑物的使用;便于安装维修 . 安装方式:明装、暗装.明装尽可能敷设在卫生间、厨房、沿梁、柱、墙敷设,暗装应敷设于管道竖井或预留沟槽内.穿基础墙与楼板时,应设套管.立管与横管连接处为避免伸缩应力采用乙字弯管. 保温:热水配水干管、贮水罐、水加热器一般均需保温.常用保温材料泡沫混凝土、膨胀珍珠岩、硅藻土等. 配水、回水横管设i =坡度,坡向便于排气和泄水方向.6、建筑通风是什么,它与空气调节有什么区别建筑通风的方式及其动力来源是什么答:建筑通风是使新鲜空气不断进入建筑物内,并及时排除生产生活中得废气和有害气体.空气调节是采用技术手段把某一特定空间内部的空气环境控制在一定状态下,以满足人体舒适和工艺生产过程的要求. 建筑通风按其作用动力分为自然通风和机械通风,自然通风动力来源是自然的室外风力造成的风压和室内外温差产生的热压,机械通风是依靠风机的动力来使室内外空气流动的.7、叙述自然通风,机械通风的工作原理的各自的特点.答:自然通风不消耗电能,经济,管理简单;但可靠性差.普通民用建筑的居住、办公用房等,宜采用自然通风. 机械通风可根据需要来确定,调节通风量和组织气流,确定通风的范围,对进、排风可进行有效的处理,需消耗电能,设备及管道会占具一定空间,初投资也较高.8、.根据高低层防火规范规定,哪些建筑部位应设置自动灭火系统水喷雾系统适宜在哪些场所使用为什么答:在火灾危险性较大、燃烧较快、无人看管或防火要求较高的建筑中如易燃车间、仓库、高层建筑、剧院、国家文物保护单位等.需装设自动喷洒消防系统,各类电器的场所最好设置水喷雾系统,因为能起到隔离的作用,防止飞溅.9、区域集中锅炉房有什么优点锅炉房所在区域内,常有其它相关的建筑物、料堆等,对它们的布置有什么要求答:供暖的面积偏大,锅炉房在建造时要考虑风向和水源流向便于灰渣的运输10、空调机房的位置选择时应该遵循哪些原则并说明理由空调机房的大小与那些因素有关答:空调机房尽量设置在负荷中心,但不应靠近要求低噪音的房间,目的是缩短送回风管道,节省空气输送的能耗,减少风道占据的空间,高层建筑宜设置在设备技术层,以便集中管理.空调机房的大小与采用的空调方式、系统的风量大小、空气处理的要求等有关.11、高层建筑物内的排水需注意什么问题为什么为保证高层建筑物内良好的排水功能,可采用哪些排水通气系统答:高层排水要注意做好通气处理,因为在排水管道内容易产生负压,可采用苏维托立管系统和旋流单立管排水系统.12、热水加热方法有几种,各自的原理和特点答:直接加热,热媒与冷水直接混合,效率高,间接加热,热量通过管壁传给冷水,噪音小,水质好.13、电源引入方式有哪几种答:单幢建筑物、建筑物较小或用电设备负荷较小及以下,而且均为单相、低压用电设备时,可由城市电网的10//柱上变压器,直接架空引入单相220V的电源. 若建筑物较大或用电设备负荷较大250KW及以下,或者有三相低压用电设备时,可由城市电网的10//柱上变压器,直接架空引入三相四线/电源. 若建筑物很大,或用电设备负荷很大250KW或供电变压器在160KVA以上,或者有10KV高压用电设备时,则电源供电电压应采取高压供电.14、什么是电力负荷电力负荷如何根据用电性质进行分级答:电力系统中所有用电设备所耗用的功率,简称负荷.根据建筑的重要性和对短时中断供电在政治上和经济上所造成的影响和损失来分级的,对于工业和民用建筑的供电负荷可分为:一级负荷、二级负荷、三级负荷.为保证供电的可靠性,一级负荷应由两个独立电源供电,即双路独立电源中任一电源发生故障或停电检修时,都不影响另一电源供电,对于特别重要的负荷,还应增设第三电源或自备电源;二级负荷由上一级变电所的两段母线上引双回路进行供电,保证变压器或线路发生常见故障而中断供电时能迅速恢复供电;三级负荷可由单电源供电.15、叙述压缩式制冷原理.答:压缩式制冷工作原理是利用“液体气化时要吸收热量”这一物理特性,通过制冷剂的热力循环,以消耗一定量的机械能作为补偿条件来达到制冷的目的.。
建筑设备复习题参考答案一、填空题1、给水系统按用途可分为生活给水系统、生产给水系统、消防给水系统。
2、蒸汽供暖系统中疏水器作用是自动阻止蒸汽逸漏且迅速排出用热设备及管道中的凝水;排除系统中积留的空气和其他不凝性气体。
3、室内给水系统的任务:将室外城市给水管网的水,送至生活、生产和消防用水设备,并满足用水点对水质、水量、水压的要求的冷水供应系统。
4、建筑耗热量计算包括维护结构耗热量、冷风渗透侵入耗热量两个方面。
5、照明方式,根据灯具的布置方式分类:一般照明、局部照明、混合照明。
、6、集中热水供应系统设置循环管道的原因:开启龙头即可得到热水,使用方便且节省用水。
7、采暖热负荷由围护结构热负荷、冷风渗透耗热量和冷风侵入耗热量三个部分组成。
8、集中供暖系统由热源、输送管网和散热设备三个部分组成。
9、根据热媒性质的不同,集中供暖系统分为三种:热水采暖系统、蒸汽采暖系统、热风采暖系统三个部分组成。
10、根据空气流动的动力不同,通气方式可分为自然通风和机械通风两种。
11、自然通风借助于风压和热压促使空气流动的。
12、根据机械通风系统的作用范围不同,机械通风可分为全面通风和局部通风两种。
机械通风的局部通风系统又可分为局部送风和局部排风两种。
13、低压配电线路布置方式:放射式、树干式、混合式。
14、建筑防雷接闪系统组成:接闪器、引下线、接地装置。
15、照明的质量指标:无眩光、阴影等。
照明的数量指标:照度。
16、举出两种常见的开关设备:照明器控制开关、刀开关、自动空气开关。
17、安全电流:0.008A~~0.01A;安全电压等级:12V、24V和36V。
18、热水供应方式按加热方法分有直接加热法和间接加热法;前者利用锅炉烧制热水,后者利用热媒经水加热器制备热水;按管网布置形式分为上行下给式与下行上给式管网;按有无循环管分,可分为全循环、半循环、无循环热水系统。
19、铸铁管的连接方法承插方式、法兰盘连接。
20、给水系统由水源、引入管、水表节点、给水管网、配水装置和附件、局部处理设施组成。
一单选题 (共10题,总分值30分 )1. 关于水枪的充实水柱,下列论述不正确的是()(3 分)A. 一般不应小于7mB. 甲、乙类厂房,超过六层的民用建筑,超过四层的厂房和库房内,不应小于10mC. 高层工业建筑,高架库房内,水枪的充实水柱不应小于13mD. 室内消火栓的布置应保证至少一支水枪的充实水柱到达室内任何部位2. 下列对空调机的描述,正确是()(3 分)A. 只能降低室内空气温度B. 只能降低室内空气含湿量C. 能降低室内空气温度和含湿量D. 能减少室内空气异味3. 高大空间空调送风口,宜采用何种形式(3 分)A. 散流器或孔板B. 百叶风口或条缝风口C. 格栅或圆盘D. 旋流风口或喷口4. 当建筑物采用中水系统时,生活废水与生活污水应该()排出。
(3 分)A. 分流B. 合流C. 先分流再合流D. 先合流再分流5. 有关材料层的导热热阻,下列叙正确的是()(3分)A. 厚度不变,材料层的热阻随导热系数的减小而增大B. 温度升高,材料层的热阻随之增大C. 只有增加材料层的厚度,才能增大其热阻D. 材料层的热阻只与材料的导热系数有关6. 净化空调生产车间应保持(3 分)A. 正压B. 负压C. 常压D. 无压7. 照明节能的一般原则是()(3 分)A. 减少用灯数量B. 降低照明设计标准C. 在保证照明质量的前提下节能D. 加强照明管理8. 机械排烟管道材料必须采用()(3 分)A. 不燃材料B. 难燃材料C. 可燃材料D. A、B两类材料均可9. 热水采暖系统膨胀水箱的作用是()(3分)A. 加压B. 增压C. 减压D. 定压10. 对于风机盘管的水系统,哪种调节方式为变流量水系统(3 分)A. 电动三通阀调节水量B. 电动两通阀调节水量C. 三速开关手动调节风量D. 自动调节风机转速控器二填空题 (共10题,总分值30分 )11. 空调系统中净化空气的方法包括除尘、_________、除臭(3 分)12. 热量传递的三种基本方式有导热、_________、辐射。
西南交1112考试批次《建筑设备》复习题及参考答案建筑设备第1次作业本次作业是本门课程本学期的第1次作业,注释如下:一、单项选择题(只有一个选项正确,共12道小题)1. 自喷系统配水支管的最小管径()(A) 20(B) 30(C) 25(D) 40正确答案:C解答参考:2. 下列哪些管道上不能设阀门()(A) 进水管(B) 溢流管(C) 出水管(D) 泄水管正确答案:B解答参考:3. 进户管与出乎管应保证()距离(A) 1m(B) 1.5m(C) 2m(D) 2.5m正确答案:A解答参考:4. 给水系统的卫生器具的给水当量值是指()。
(A) 卫生器具的额定流量(B) 卫生器具的额定流量和污水盆额定流量的比值(C) 卫生器具额定流量和普通水龙头的额定流量的比值(D) 普通水龙头的额定流量正确答案:B解答参考:5. 排出管距室外第一个检查井的距离不要小于()(A) 1m(B) 2m(C) 3m(D) 4m正确答案:C解答参考:6. 排水铸铁管用于重力流排水管道,连接方式为()。
(A) 承插(B) 螺纹(C) 法兰(D) 焊接正确答案:A解答参考:7. 排水当量是给水当量的()倍(A) 1(B) 2(C) 1.33(D) 1.21正确答案:C解答参考:8. 排水管道最小管径()(A) DN100(B) DN25(C) DN150(D) DN50正确答案:D9. 空调风管穿过空调机房围护结构处,其孔洞四周的缝隙应填充密实。
原因是()。
(A) 防止漏风(B) 避免温降(C) 隔绝噪声(D) 减少震动正确答案:C解答参考:10. 电力负荷按其使用性质和重要程度分为()级。
(A) 一(B) 二(C) 三(D) 四正确答案:C解答参考:11. 建筑工程中所有安装的用电设备的额定功率的总和称为()。
(A) 设备容量(B) 计算容量(C) 装表容量(D) 实际容量正确答案:A解答参考:12. ()电力系统有一点直接接地,装置的“外露可导电部分”用保护线与该点连接。
建筑设备复习题答案
一、填充题
1.室内给水系统根据用途的不同一般可分为生活给水系统、生产给水系统、消防给水系统三类。
2.电话通信的目的是实现任意两个用户之间的信息交换。
由终端设备、传输线路和交换设备三大部分组成的电话通信网就是完成信号的发送、接受、传输和交换任务的。
3.我国规范规定的采暖期是以历年日平均温度低于或等于采暖室外临界温度的总日数。
一般民用建筑和生产厂房,辅助建筑物采用 5 ℃;中高级民用建筑物采用8 ℃。
4.CATV系统主要由前端系统、传输系统、分配系统三部分组成。
5.火灾自动报警及消防联动系统主要由火灾报警控制装置、灭火设备、减灾设备等组成
6.为了减轻垂直失调,一个垂直单管采暖系统所供层数不宜大于12 层7.通风空调中所指的工业有害物主要有①粉尘;②有害蒸汽和气体;③余热、余湿。
8.集中式空调系统按照利用回风的情况不同,可分为直流式、混合式和封闭式。
9.“安全特低电压”为50 V。
10.雷云对大地之间进行的放电将产生有很大破坏作用的大气过电压。
其基本形式有三种:(1)直击雷(2)感应雷(3)雷电波侵入。
二、判断题
[ √]1.根据钢管的壁厚又分为普通钢管、加厚钢管及薄壁钢管等。
[ √]2.不论是立管或横支管,其安装位置应有足够的空间以利于拆换管件和清通维护工作的进行。
[ √]3.我国习惯认为用温度低于或等于100℃的热水采暖称为低温水采暖。
[ √]4.蒸汽干管(汽、水逆向流动时)的坡度要求是:i≥0.005
[ ×]5.全面送风可以保证室内污浊空气不能窜入相邻房间,适用于室内空气较为清洁的旅馆客房、医院手术室的地方。
[ √]6.管道布置应遵循小管道让大管道,有压管道让无压管道原则。
[ ×]7.TN-S系统中中性线与保护线有一部分是共同的,有一部分是分开的。
三、单选或多选题
1.在连接两个及两个以上的大便器或3个及3个以上卫生器具的污水横管上,应设置C 。
A.检查口B.清除口C.清扫口D.排气口2.地漏的作用是排除地面污水,因此地漏应设置在房间的 C 处,地漏箅子面应比地面低5mm左右。
A.较低B.比较低C.最低D.最高3.塑料管道在使用中应注意冷水管道应采用公称压力不低于1.0MPa等级的管材和管件;热水管道应采用公称压力不低于 D MPa等级的管材和管件。
A.0.5 B.1.0 C.1.5 D.2.0 4.集中供热系统中的热用户是指A、B、C 用热系统的用户:
A.室内采暖用户B.空调用户C热水供应用户D.蒸汽供应用户5.在下列设备中,不属于热水采暖系统用的设备是A、E 。
A.疏水器B.集气罐C.除污器D膨胀水箱E.安全水封6.由于燃气燃烧后排除的废气中都含有一氧化碳,且当其容积浓度超过0.16%时,人呼吸 C min就会在2h内死亡。
A.5 B.10 C.20 D.30 E.40 7.配电线路按电压高低分为高压配电线路即 D 及以上的线路和低压配电线路即
D 以下的线路。
A.10kV B.3 kV C.35kV D.1kV 8.38.避雷器应与被保护设备 B ,装在被保护设备的电源侧。
A.串联B.并联C.混联D.串或并联9.插座接线规定:单相三线是 B 。
A.左相右零上接地B左零右相上接地C.左接地右相上接零D.左零右接地上接相
10.灯具向上的光线40%~60%,其余向下。
向上或向下发出的光通大致相同,光强在空间基本均匀分布,这类灯具 A 。
A.漫射型灯具B.半直接型灯具C.直接型灯具D.间接型灯具
四、简答题
1.简述防止水质污染的措施。
《答》:为了确保用水水质,在设计、施工、管理中要有防止水质污染的措施。
(1)饮用水管道不得因回流而被污染。
(2)生活饮用水管道不得与非饮用水管道连接。
(3)水箱溢流管不得与排水系统直接连接,必须采用间接排水。
(4)选用管材及配件时,要防止因材料腐蚀、溶解而污染水质。
施工安装时,要保证工程质量,避免外界对水质的污染。
(5)生活饮用水管道应避开毒物污染区,当受条件限制时,应采取防护措施。
埋地生活饮用水贮水池与化粪池的净距,不得小于10M。
(6)生活、消防合用的水箱(池),应有防止水质变坏的措施。
2.简说机械循环热水采暖系统的工作原理与特点。
《答》:机械循环热水采暖系统的工作原理是先对系统充满水,然后启动水泵,系统中的水即可在水泵的压力作用下,连续不断地循环流动。
机械循环主要优点是作用半径大,管径较小,锅炉房位置不受限制,不必低于底层散热器。
缺点是因设循环水泵而增加投资,消耗电能,运行管理复杂,费用增高。
3.通风与空气调节在概念上有何区别?
《答》:通常通风只是把室外的新鲜空气经过适当的处理(例如过滤、加热等)后送入室内,并把室内的不符合卫生标准的污浊空气或废气经适当除害消毒处理(符合排放标准)后排至室外,以保持室内空气的新鲜程度;而对于空气调节,不仅要保持室内的空气温度和洁净度,同时还要保持一定的干湿度及流动的方向与速度。
通风系统的目的主要在于消除生产过程中产生的灰尘、有害气体、余热和余湿的危害。
空气调节系统的目的是用人工的方法使室内空气温度、相对湿度、洁净度和气流速度等参数达到一定要求的技术,以满足生产、生活对空气质量的更高更精确的要求。
空气调节的主要任务是对空气进行加热、冷却、加湿、干燥和过滤等处理,然后将经过处理的空气输送到各个房间,以保持房间内空气温度、湿度、洁净度和气流速度稳定在一定范围内,以满足各类房间对空气环境的不同要求。
4.空气除湿有哪些基本方法?冷冻除湿的原理是什么?
《答》:空气除湿的基本方法有:①冷冻除湿;②固体吸湿剂除湿;③液体吸湿剂除湿。
冷冻除湿的原理是将空气温度降低到它的露点温度以下,使空气中的水分被冷凝出来而达到空气含湿量降低(除湿)的目的。
5.空调的水系统有开式和闭式之分,试问它们的概念及开式水系统主要优、缺点。
《答》:所谓开式水系统是指其管路水与大气相通的系统,而闭式水系统的管路水不与大气相接触。
开式水系统的优点是:与蓄热水池连接比较简单。
其缺点是:水中含氧量高,管路与设备的腐蚀机会多;需要增加克服水静压力的额外能量;输送能耗大。
6、么叫直接触电防护?采取的措施是什么?
答:直接触电防护是指对直接接触正常带电部分的防护。
直接触电防护可根据工作环境
的不同,采取超低压供电。
(根据安全电压等级,一般要求相间电压小于或等于50V,如在有触电危险的场所使用的手持式电动工具,采用50V以下的电源供电;在矿井或多粉尘场所使用的行灯,采用36V电源;对使用中有可能偶然接触裸露带电体的设备采用24V电源;用于水下或金属炉膛内的电动工具及照明设备,则采用12V电源)。
对不能采取超低压供电,而人体又可能接触到的带电设备,则对该设备加隔离栅栏或加保护罩等。