万能电视遥控器代码表及使用方法说明书
- 格式:docx
- 大小:216.32 KB
- 文档页数:5
万能空调遥控器的使用(代码设置)万能空调遥控器,是根据空调机品种较多,遥控器损坏难以相配而专门设计的。
它集遥控器主要功能于一体,有近 50 种名牌于一身,采用进口芯片设计,性能稳定,配大屏幕液晶中文显示,一目了然,简单易操作。
适用机型及代码:三菱电机 1.2.3.4.5.6.7 三菱重工 8.9 大金 10 东芝 11 开利 13 麦克维尔 14 松下乐声 15 日立16 夏普声宝17.18 LG 19.20 珍宝(富士通)21.12 华宝 22.23.24.41 科龙 24.25.26.27 美的28.11.5.30 汇丰5 格力 31.32.33 胜风34 新科35 春兰36.37 长虹38 飞歌39 索华41 海尔 39.40.29 威力 44.40.42 东宝 43 蓝波 45 志高 6 华菱 8 飞利浦 15设置步骤(一)手动设置步骤:1. 从“代码表”中查出你所需遥控的空调机对应的机型代码,并打开空调机电源;2. 连续(间断)按“设置”键,直至所需代码显示在窗口上并闪烁;注:此机型代码即为您空调机所对应的代码。
3. 按确认键,机型代码将停止闪烁,设置完毕,这样本遥控器就可以遥控您所选的空调机了。
查找代码→打开空调机电源→连续按“设置”键设置→机型代码在“型号”窗口闪烁→按确认键确认→机型代码停止闪烁→设置完毕(二)数字式自动搜索适用机型:1. 打开空调机电源;2. 将遥控器正对着空调机接收头,循环按“设置”键,直到空调机自动开启/关闭,按“确认”键;注:此机型代码即为您空调所对应的代码。
3. 设置完毕。
打开空调机电源→将遥控器对向空调机→循环按“设置”键否空调机自动开启/关是按“确认”键→自动查找代码设置完成。
四、使用注意1. 本遥控器不能增加您空调上的功能。
如果您的空调机上无风向功能,则遥控器的风向键无效。
2. 本遥控器为低耗产品,正常情况下,电池寿命为6 个月,若使用不当电池寿命缩短,更换电池要两节一起换,不要新旧电池或不同型号电池混用。
电视的万能遥控器代码同时按住设置健+开关健红灯亮后在把代码输进去一组一组试代码:创维代码:011 025 033 045 046 060 070 071 072 073074 079 083 101 107 108 109 113 151 162 163 172190 207 215 216 217 223 227 241 242 243 244 245 246 247 259 260更多:国内电视:长虹 000. 008. 009. 091. 092. 093. 010. 011. 014. 016 .026. 028. 033. 0 51. 088.100.157.158.159. 160. 161. 180 .181. 185 .186 .191. 192 .210. 211. 212. 229. 230 .231 .232康佳 011 .017 .029 .032 .034. 054 .067 .069 .071 .075 .076 .077 .078 .079 .080 .081 107 113 117. 173 .174. 175. 176. 189. 201. 202. 203. 217 .218. 220. 226 .267.236创维 011. 025.033.045.046.060 .070. 017 .072. 073. 074. 079. 083.010 .1 07. 108 .109 162 163 .164 .165 .166 .167. 168. 169. 177. 224.225. 2 35. 246熊猫 001. 011. 016. 021. 022. 023 .024 .025. 026. 028 .033 .040 .043. 0 53. 056.009. 057. 058 051. 061. 062.073. 079. 089. 091 .124 .125 .2 34.237. 238. 239 .240.241.242. 243. 244 245 247. 248 .249 .250. 251 TCL 051.053 .068. 071 .073. 082 .083.084 .085. 110 .111 .170 .171. 17 2.178. 179 .187.188.197 .198.199. 200 .233海尔 103 .112 .118 .119. 150. 151 .152 .153 .154 .155 .156. 182. 183. 1 84. 193. 194 .213 .228海信 000. 006 .007. 008. 010 .014 .015. 025. 045. 046 .103. 105. 107 .1 15 .116 .128. 129.130.131 138 .139.150 .151 .152 .153 .154 .155 .156 .182 .183 .184 .193 .194 .213 .228金星 007. 008. 011 .013. 024. 025. 032. 033 .039 .051 .065 .071 .073. 0 79 .091 .097 .138福日 007 .011 .015 .023.024. 028. 033. 034. 040. 043. 053. 056. 060 .061 .065 .079安华ANHUA 017. 001. 032. 047百花BAIHUA 016. 025 .033 .053. 056. 079百合花BAIHEHUA 023. 024. 040. 043百乐BAILE 016. 025. 012 .019. 026. 027.028. 029 .030. 031. 042宝声BAOSHENG 011. 025. 016北京 008 .012.011. 019 .016. 023. 024. 025. 027 .028.029 .030. 031. 033 .044 .043 .050 .053 .056 .026 .079.091 .039. 042.051. 021. 122 .126宝花石BaoHuaShi 033.053.056. 079彩虹CAIHONG 011. 025. 016彩星 CAIXING 023. 024. 040 .043长城 011 .016 .017. 023 .024 .025.033. 040 .043 .053. 056 .001 .012. 029 .027 .026.028 .029.030031 .042. 079海虹HAIHONG 016 .025 .026 .027. 028 .029 .030海乐HAILE 032. 047海燕HAIYAN 011. 023. 024 .033. 040. 043.053 .056. 079环宇HUANY 011.015. 023. 024. 033 .040. 043. 053. 056 .009. 057. 058虹美HONGMEI 003. 011. 016 .018 .023. 024. 025 .033 .040. 043. 056. 009. 057 .058. 079红岩HONGYAN 011.033. 053. 056. 079菊花JUHUA 011.023.024.033.040.43.053.056.079金海 JINHAI 009.057.058金凤JINFENG 001.011.021.022金塔JINTA 016.023.024.025.033.040.043.053.056.009.057.058.079金鹊 JINQUE 011.025.016金雀JINQUE 032.033.053.056.079嘉华JIAHUA 017.047.001.032昆仑KUNLUN 001.011.021.022.033.025.012.042.040.039凯歌KAIGE 011.016.023.024.025.033.040.043.053.056.079康力KANGLI 027.012.019.025.026.028.030.031.033.120康虹KANGHONG 009.058.057康立KANGLI 016.023024.025.040.043.011.026.029.042.005康艺KANGYI 016.025.033.053.056.079.121孔雀KONGQUE 011.016.023.024.025.033.040.041.043.124快乐KUAILE 016.025.033.053.056.079乐华ROWA 011.016.023.024.025.040.043.096.127龙江LONGJIANG 011.033.053.056.079利华LIHUA 011牡丹MUDAN 001.002.011.016.020.021.022.025.032.033.040.043.053.056.059 .063.065.079美乐MEILE 011.023.024.033.040.043.053.056.009.057.058.079梦寐MENGMEI 023.024.040.043南声NANSHENG 011.033.053.056.079青岛QINGDAO 001.011.021.022.033.053.056.079如意RUYI 011.015.023.024.040.043神彩SHENCAI 007.016.025.033.053.056.079山茶SHANGCAI 011.033.053.056.079上海SHANGHAI 011.016.017.022.023.024.025.033.040.043.0053.056.009.057.0 58.079.123韶峰SHAOFENG 011.015.000.006.007.023沈阳SHENGYAN 011.016.025.046.045.033塞格SAIGE 011.025.016松柏SONGBA 016.025三元SANYUAN 003.011.016.018.023.024.025.040.043三键SANJIAN 033.053.056.079泰山TAISHAN 011.016.025.042.038.031.030.029.028.027天鹅TIANE 003.011.018通广TONGGUANG 033.053.056.079威牌WEIPAI 016.025翔宇XIANGYU 016.025.032西湖XIHU 011.023.024.033.038.040.43.053.079.098厦华XIAHUA 011.016.024.027.025.033.053.054.055.056.06.098.080.095.079.0 73雪莲XUELIAN 023.024.040.043.009.057.058星海XINGHAI 016.025.033.053.056.079襄阳XIANGYANG 033.053.056.079幸福XINGFU 016.025新日松 009.057.058XINRISONG莺歌 016.023.024.025.040.043YINGGE宇航 016.025YUHANG永固 016.23.024.025.040.043YONGGU永宝 009.057.058.888.033.053.056.079YONGBAO珠海 016.025.042ZHUHAI赣新 011.017.023.024.040.041.043GANXIN华发HUAFA 007.016.025华强HUAQIANG 033.053.056.07 9杂牌机 036.044.114ZAPAIJI飞跃 011.016.023.024.025.040.043FEIYUE飞浪016.025FEILANG南宝016.025.033.053.056.009.057.058.059NANBAO飞燕033.053.056.079FEIYAN新思达123XINSIDA彩凌102CAILING高路华000.006.007.008.010.016.025.033.053.055.056.045.046.048.073.099 CONROWA豁达特技032.001.017.047.HUODATEJI奥林匹亚033.053.056.079AOLINPIKE成都011.025CHENGDU长风011.053.056.045.046.024.079.033CHANGFENG长飞011.016.025.042.123CHANGFEI长海011.025.016.123CHANGHAI春兰142CHUNLAN春风016.025.033.053.056.079.124CHUNFENG春笋011.025.016.CHUNSUN东宝016.025.033.053.056.079.101.103TOBO东大016.025.DONGDA东海016.025.DONGHAI飞鹿011.016.025FEILU黄河011.016.023.024.025.040.043.125HUANGHE黄海美016.025HUANGHAIMEI黄山011.016.023.024.025.032.033..40.043.053.056.079 HUANGSHAN黄龙016.025HUANGLONG华日007.033.053.056.079HUARIDS6315三合一万能型电视遥控器代码表(续一)国外电视:索尼SONY 041 049.005.106松下(乐声)PANASONIC(NAYIONAL)020.001.002.014.015.021.022059.066.196.204.205.206.208.214.215.216.22 1.222夏普SHARP 003.018.016.025.135.136.137三菱MITSUBISHI 011.051.东芝TOSHIBA000.014.016.027.033.053.056.007.008.015.028.030.089.090.091.079NEC 089.014三星SAMSUNG008.011.016.021.025.037..039.040.043.050.033.024051.091.123.113胜利JVC 004三洋SANYO 008.000.007.014.015.033.035.053.056.079.105.132.133.134高土达GOLDSTAR 009.019.023.024.040.043.098.140飞利浦PHILIPS 013.023.024.039.040.043141爱华AIWA 009.057.058JVC 089日电NEC 006.011.016.004.025.033.053.056.024.079大宇DAYU 012.042.031LG 040.043.140WARUMAIA 031.012.042狮龙SHERWOOD 016.025雅佳AKAI 033.053.056.079皇冠033.053.056.012.019.025.026.027.028.029.030.031.042.079IMPERIAL-COWN富土通FUJITSU 048富丽FULI 047尼康NIKON 009.057.058优拉纳斯YONLANASI 011.023.024.040.043奥林普AOLINGPU 104佳丽彩JIALICAI 016.025.028.033.053.056.079.124 VCD部分:奇声QiSheng IRC-3039.IRC3030D, 300影之宝YingZhiBao , 301索尼SONY, VCP-K10, 302东大DONGDA, 303杂牌机ZAPAIJI, 304奇声QiSheng, 305杂牌机ZAPAIJI,306新科Shinco, RC-006 , 307奇声QiSheng,IRC3020A, 308万利达MALATA, VCP-N28P, 309步步高BBK ,RCU-H, 310万利达MALATA, VCP-N28F, 311新科Shinco, RC-12G, 312索尼SONY, RMT-M40A, 313索尼SONY, RMT-D109E, 314杂牌机ZAPAIJI, 315杂牌机ZAPAIJI,ANB-999, 316杂牌机ZAPAIJI,317杂牌机ZAPAIJI ,VCD-A300,318杂牌机ZAPAIJI,319RMS,VD-30A ,320奇声QiSheng,IRC-3000, 320杂牌机ZAPAIJI,321杂牌机ZAPAIJI, 多用2220-001, 322亿通YITONG, Rm2004,323DONGAN, 324奇声QiSheng,IRC-3028,325新科Shinco,RC-002 RC-12S,326新科Shinco ,RC-16H RC-012 RC-260,327长虹CHANGHONG,VK1A, 328长虹CHANGHONG,329步步高BBK,DF058(A),330杂牌机ZAPAIJI, A9815, 331健伍JIANGWU, RC-P0501, 332安侨ANQIAO,RC-375DV, 333帝禾DIWA,334日立HITACHI,SV-RMW1,335金格JINGE,336杂牌机ZAPAIJI,337厦新AMOI,RC-010 RC-010G,338飞利浦PHILIPS,339厦新AMOI,RC-012,340杂牌机ZAPAIJI,DVD,341长虹CHANGHONG ,VR4A,342爱多IDALL ,IV-730BK,343乐华ROWA,IV-830BK,343步步高BBK,AB007K,344厦新AMOI,RC-003,345步步高BBK,AB007K ,346新科Shinco,RC-08C,347爱多IDALL ,IV-820BK,348松下PANASONIC,RAK-SL429WH,349万利达MALATA,UCP-N28K,350松下PANASONIC,RAK-SL208WH RAK-SLA04SH, 351万利达MALATA,VCP-N30B,352松下PANASONIC,RAK-LX140WH,353万利达MALATA,VCP-N28 VCP- N30,354厦新AMOI,355杂牌机ZAPAIJI,036飞利浦PHILIPS,357爱多IDALL,IV-3DBK,358东芝TOSHIBA,359爱华AIWA,360先科XIANKE,361先科XIANKE,362万利达MALATA,VCP-N28B,363兆维ZHAOWEI,364长虹CHANGHONG,364杂牌机ZAPAIJI,365蚬华XIANHUA,VP-101D,366马士兰MaShiLan,RC500LV,367东芝TOSHIBA,VC-659 ,368爱多IDALL,RM-1,369东芝TOSHIBA,SE-R0037,370爱华AIWA,RC-8AT05,371先锋XIANFENG,CU-CLD151 CU-CLD145,372爱多IDALL,IV-620 ,373东芝TOSHIBA,RM-L8, 374JVC,RM-RMV5U,375天龙TIANLONG,RC-543,376东鹏DONGPENG,CVD-970,377夏普SHARP,MV-K7000,378彩尼CAINI,VCD,379VICTOM,RM-SVD701,380杂牌机ZAPAIJI,381PHISONEET,382JVC,XL-M705,383RMS,384爱多IDALL ,308 320 330 350 385先锋XIANFENG,CU-DV003,386步步高BBK,AB903K,387金正NINTAUS,GVD-8801 N350D N350,388杂牌机ZAPAIJI,389金正NINTAUS,VCD-J301、J303、J306、J308 390 F100、J7836H.VCD-N135步步高BBK AB-001A AB-007B 391新科Shinco,RC-007 RC-12E RC-12F RC-005RC-12B VCD-719 , 392爱多IDALL,IV-361BK 360BK,393索尼SONY,394厦新AMOI,RC-001,395健伍JIANGWU,RC-L0200 RC-L0300,396三星SAMSUNG, 397金正NINTAUS ,VCD-J7001H VCD-6803H,398金正NINTAUS,PDVD-N768 DVD-N700 DVD-N701 DVDN926F,399。
大众合众合c h u n g h o p 万能电视遥控器代码表及使用方法说明书内部编号:(YUUT-TBBY-MMUT-URRUY-UOOY-DBUYI-0128)大众合、众合c h u n g h o p万能电视遥控器代码表及使用方法说明书国内电视:长虹 000. 008. 009. 091. 092. 093. 010. 011. 014. 016 .026. 028康佳011 .017 .029 .032 .034. 054 .067 .069 .071 .075 .076 .077 .078 .079 .080 .081 107 113 117. 173 .174. 175. 176. 189. 201. 202. 203. 217 .218. 220. 226 .267.236创维 011. 025.033. 177. 224.225. 235. 246TCL 051.053 .海尔 103 .112 .118 .119. 150. 151 .152 .153 .154 .155 .156. 182. 183. 184. 193. 194 .213 .228海信 000. 006 .007. 008. 010 .014 .015. 025. 045. 046 .1金星 007. 008. 011 .013. 024. 025. 032. 033 .039 .051 .065 .071 .073. 079 .091 .097 .138福日007 .011 .015 .023.024. 028. 033. 034. 040. 043. 053. 056. 060 .061 .065 .079安华ANHUA 017. 001. 032. 047百花BAIHUA 016. 025 .033 .053. 056. 079百合花BAIHEHUA 023. 024. 040. 043百乐BAILE 016. 025. 012 .019. 026. 027.028. 029 .030. 031. 042宝声BAOSHENG 011. 025. 016北京008 .012.011. 019 .016. 023. 024. 025. 027 .028.029 .030. 031. 033 .044 .043 .050 .053 .056 .026 .079.091 .039. 042.051. 021. 122 .126彩虹CAIHONG 011. 025. 016彩星 CAIXING 023. 024. 040 .043长城 011 .016 .017. 023 .024 .025.033. 040 .043 .053. 056 .001 .012. 029 .027 .026.028 .029.030031 .042. 079海虹HAIHONG016 .025 .026 .027. 028 .029 .030海乐HAILE 032. 047海燕HAIYAN 011. 023. 024 .033. 040. 043.053 .056. 079环宇HUANY 011.015. 023. 024. 033 .040. 043. 053. 056 .009. 057. 058 虹美HONGMEI003. 011. 016 .018 .023. 024. 025 .033 .040. 043. 056. 009.057 .058. 079红岩HONGYAN011.033. 053. 056. 079菊花JUHUA金海 JINHAI金凤JINFENG .022金塔JINTA金鹊 JINQUE嘉华JIAHUA .032昆仑KUNLUN凯歌KAIGE康虹KANGHONG康艺KANGYI孔雀KONGQUE快乐KUAILE乐华ROWA龙江LONGJIANG .056.079利华LIHUA 011 牡丹MUDAN美乐MEILE.033.040梦寐MENGMEI .043南声NANSHENG .056.079青岛QINGDAO 如意RUYI神彩SHENCAI山茶SHANGCAI .056.079上海SHANGHAI韶峰SHAOFENG沈阳SHENGYAN塞格SAIGE松柏SONGBA 016.025 三元SANYUAN .01泰山TAISHAN天鹅TIANE威牌WEIPAI 016.025 翔宇XIANGYU西湖XIHU厦华XIAHUA雪莲XUELIAN星海XINGHAI幸福XINGFU 016.025万能遥控器使用方法代码自定义搜索万能遥控器的代码自定义搜索的方法:1、左手先按住“设置”键不松手,再用右手按一下“电源”键,指示灯变成长亮。
万能电视遥控器代码表国内电视:长虹000. 008. 009. 091. 092. 093. 010. 011. 014. 016 .026. 028. 033. 051. 088.100.157.158.159. 160. 161. 180 .181. 185 .186 .191. 192 .210. 211. 212. 229. 230 .231 .232康佳011 .017 .029 .032 .034. 054 .067 .069 .071 .075 .076 .077 .078 .079 .080 .081 107 113 117. 173 .174. 175. 176. 189. 201. 202. 203. 217 .218. 220. 226 .267.236创维011. 025.033.045.046.060 .070. 017 .072. 073. 074. 079. 083.010 .107. 108 .109 162 163 .164 .165 .166 .167. 168. 169. 177. 224.225. 235. 246熊猫001. 011. 016. 021. 022. 023 .024 .025. 026. 028 .033 .040 .043. 053. 056.009. 057. 058 051. 061. 062.073. 079. 089. 091 .124 .125 .234.237. 238. 239 .240.241.242. 243. 244 245 247. 248 .249 .250. 251TCL 051.053 .068. 071 .073. 082 .083.084 .085. 110 .111 .170 .171. 172.178. 179 .187.188.197 .198.199. 200 .233海尔103 .112 .118 .119. 150. 151 .152 .153 .154 .155 .156. 182. 183. 184. 193. 194 .213 .228海信000. 006 .007. 008. 010 .014 .015. 025. 045. 046 .103. 105. 107 .115 .116 .128. 129.130.131 138 .139.150 .151 .152 .153 .154 .155 .156 .182 .183 .184 .193 .194 .213 .228金星007. 008. 011 .013. 024. 025. 032. 033 .039 .051 .065 .071 .073. 079 .091 .097 .138福日007 .011 .015 .023.024. 028. 033. 034. 040. 043. 053. 056. 060 .061 .065 .079安华ANHUA017. 001. 032. 047百花BAIHUA 016. 025 .033 .053. 056. 079百合花BAIHEHUA023. 024. 040. 043百乐BAILE 016. 025. 012 .019. 026. 027.028. 029 .030. 031. 042宝声BAOSHENG 011. 025. 016北京008 .012.011. 019 .016. 023. 024. 025. 027 .028.029 .030. 031. 033 .044 .043 .050 .053 .056 .026 .079.091 .039. 042.051. 021. 122 .126宝花石BaoHuaShi 033.053.056. 079彩虹CAIHONG 011. 025. 016彩星CAIXING 023. 024. 040 .043长城011 .016 .017. 023 .024 .025.033. 040 .043 .053. 056 .001 .012. 029 .027 .026.028 .029.030031 .042. 079海虹HAIHONG 016 .025 .026 .027. 028 .029 .030海乐HAILE 032. 047海燕HAIY AN 011. 023. 024 .033. 040. 043.053 .056. 079环宇HUANY 011.015. 023. 024. 033 .040. 043. 053. 056 .009. 057. 058虹美HONGMEI 003. 011. 016 .018 .023. 024. 025 .033 .040. 043. 056. 009.057 .058. 079红岩HONGY AN 011.033. 053. 056. 079菊花JUHUA011.023.024.033.040.43.053.056.079金海JINHAI 009.057.058金凤JINFENG 001.011.021.022金塔JINTA016.023.024.025.033.040.043.053.056.009.057.058.079金鹊JINQUE 011.025.016金雀JINQUE 032.033.053.056.079嘉华JIAHUA017.047.001.032昆仑KUNLUN 001.011.021.022.033.025.012.042.040.039凯歌KAIGE 011.016.023.024.025.033.040.043.053.056.079康力KANGLI 027.012.019.025.026.028.030.031.033.120康虹KANGHONG 009.058.057康立KANGLI 016.023024.025.040.043.011.026.029.042.005康艺KANGYI 016.025.033.053.056.079.121孔雀KONGQUE 011.016.023.024.025.033.040.041.043.124快乐KUAILE 016.025.033.053.056.079乐华ROWA011.016.023.024.025.040.043.096.127龙江LONGJIANG 011.033.053.056.079利华LIHUA011牡丹MUDAN 001.002.011.016.020.021.022.025.032.033.040.043.053.056.059.063.065.079美乐MEILE 011.023.024.033.040.043.053.056.009.057.058.079梦寐MENGMEI 023.024.040.043南声NANSHENG 011.033.053.056.079青岛QINGDAO 001.011.021.022.033.053.056.079如意RUYI 011.015.023.024.040.043神彩SHENCAI 007.016.025.033.053.056.079山茶SHANGCAI 011.033.053.056.079上海SHANGHAI 011.016.017.022.023.024.025.033.040.043.0053.056.009.057.058.079.123 韶峰SHAOFENG 011.015.000.006.007.023沈阳SHENGY AN 011.016.025.046.045.033塞格SAIGE 011.025.016松柏SONGBA016.025三元SANYUAN 003.011.016.018.023.024.025.040.043三键SANJIAN 033.053.056.079泰山TAISHAN 011.016.025.042.038.031.030.029.028.027天鹅TIANE 003.011.018通广TONGGUANG 033.053.056.079威牌WEIPAI 016.025翔宇XIANGYU 016.025.032西湖XIHU 011.023.024.033.038.040.43.053.079.098厦华XIAHUA011.016.024.027.025.033.053.054.055.056.06.098.080.095.079.073雪莲XUELIAN 023.024.040.043.009.057.058星海XINGHAI 016.025.033.053.056.079襄阳XIANGY ANG 033.053.056.079幸福XINGFU 016.025新日松009.057.058XINRISONG莺歌016.023.024.025.040.043YINGGE宇航016.025YUHANG永固016.23.024.025.040.043YONGGU永宝009.057.058.888.033.053.056.079YONGBAO珠海016.025.042ZHUHAI赣新011.017.023.024.040.041.043GANXIN华发HUAFA 007.016.025华强HUAQIANG 033.053.056.07 9杂牌机036.044.114ZAPAIJI飞跃011.016.023.024.025.040.043FEIYUE飞浪016.025FEILANG南宝016.025.033.053.056.009.057.058.059NANBAO飞燕033.053.056.079FEIY AN新思达123XINSIDA彩凌102CAILING高路华000.006.007.008.010.016.025.033.053.055.056.045.046.048.073.099 CONROWA豁达特技032.001.017.047.HUODA TEJI奥林匹亚033.053.056.079AOLINPIKE成都011.025CHENGDU长风011.053.056.045.046.024.079.033CHANGFENG长飞011.016.025.042.123CHANGFEI长海011.025.016.123CHANGHAI春兰142CHUNLAN春风016.025.033.053.056.079.124CHUNFENG春笋011.025.016.CHUNSUN东宝016.025.033.053.056.079.101.103TOBO东大016.025.DONGDA东海016.025.DONGHAI飞鹿011.016.025FEILU黄河011.016.023.024.025.040.043.125HUANGHE黄海美016.025HUANGHAIMEI黄山011.016.023.024.025.032.033..40.043.053.056.079HUANGSHAN黄龙016.025HUANGLONG华日007.033.053.056.079HUARIDS6315三合一万能型电视遥控器代码表(续一)国外电视:索尼SONY041 049.005.106松下(乐声)PANASONIC(NAYIONAL)020.001.002.014.015.021.022059.066.196.204.205.206.208.214.215.216.221.222夏普SHARP003.018.016.025.135.136.137三菱MITSUBISHI011.051.东芝TOSHIBA000.014.016.027.033.053.056.007.008.015.028.030.089.090.091.079NEC089.014三星SAMSUNG008.011.016.021.025.037..039.040.043.050.033.024051.091.123.113胜利JVC004三洋SANYO008.000.007.014.015.033.035.053.056.079.105.132.133.134 高土达GOLDSTAR009.019.023.024.040.043.098.140飞利浦PHILIPS013.023.024.039.040.043141爱华AIWA009.057.058JVC089日电NEC006.011.016.004.025.033.053.056.024.079大宇DAYU012.042.031LG040.043.140WARUMAIA031.012.042狮龙SHERWOOD016.025雅佳AKAI033.053.056.079皇冠033.053.056.012.019.025.026.027.028.029.030.031.042.079 IMPERIAL-COWN富土通FUJITSU048富丽FULI047尼康NIKON009.057.058优拉纳斯YONLANASI011.023.024.040.043奥林普AOLINGPU104佳丽彩JIALICAI016.025.028.033.053.056.079.124VCD部分:奇声QiSheng IRC-3039.IRC3030D, 300影之宝YingZhiBao , 301索尼SONY, VCP-K10, 302东大DONGDA, 303杂牌机ZAPAIJI, 304奇声QiSheng, 305杂牌机ZAPAIJI,306新科Shinco, RC-006 , 307奇声QiSheng,IRC3020A, 308万利达MALA TA, VCP-N28P, 309步步高BBK ,RCU-H, 310万利达MALA TA, VCP-N28F, 311新科Shinco, RC-12G, 312索尼SONY, RMT-M40A, 313索尼SONY, RMT-D109E, 314杂牌机ZAPAIJI, 315杂牌机ZAPAIJI,ANB-999, 316杂牌机ZAPAIJI,317杂牌机ZAPAIJI ,VCD-A300,318杂牌机ZAPAIJI,319RMS,VD-30A ,320奇声QiSheng,IRC-3000, 320杂牌机ZAPAIJI,321杂牌机ZAPAIJI, 多用2220-001, 322亿通YITONG, Rm2004,323DONGAN, 324奇声QiSheng,IRC-3028,325新科Shinco,RC-002 RC-12S,326新科Shinco ,RC-16H RC-012 RC-260,327长虹CHANGHONG,VK1A,328长虹CHANGHONG,329步步高BBK,DF058(A),330杂牌机ZAPAIJI,A9815,331健伍JIANGWU,RC-P0501,332安侨ANQIAO,RC-375DV,333帝禾DIW A,334日立HITACHI,SV-RMW1,335金格JINGE,336杂牌机ZAPAIJI,337厦新AMOI,RC-010 RC-010G,338飞利浦PHILIPS,339厦新AMOI,RC-012,340杂牌机ZAPAIJI,DVD,341长虹CHANGHONG ,VR4A,342爱多IDALL ,IV-730BK,343乐华ROWA,IV-830BK,343步步高BBK,AB007K,344厦新AMOI,RC-003,345步步高BBK,AB007K ,346新科Shinco,RC-08C,347爱多IDALL ,IV-820BK,348松下PANASONIC,RAK-SL429WH,349万利达MALA TA,UCP-N28K,350松下PANASONIC,RAK-SL208WH RAK-SLA04SH,351 万利达MALA TA,VCP-N30B,352松下PANASONIC,RAK-LX140WH,353万利达MALA TA,VCP-N28 VCP- N30,354厦新AMOI,355杂牌机ZAPAIJI,036飞利浦PHILIPS,357爱多IDALL,IV-3DBK,358东芝TOSHIBA,359爱华AIWA,360先科XIANKE,361先科XIANKE,362万利达MALA TA,VCP-N28B,363兆维ZHAOWEI,364长虹CHANGHONG,364杂牌机ZAPAIJI,365蚬华XIANHUA,VP-101D,366马士兰MaShiLan,RC500LV,367东芝TOSHIBA,VC-659 ,368爱多IDALL,RM-1,369东芝TOSHIBA,SE-R0037,370爱华AIWA,RC-8A T05,371先锋XIANFENG,CU-CLD151 CU-CLD145,372爱多IDALL,IV-620 ,373东芝TOSHIBA,RM-L8,374JVC,RM-RMV5U,375天龙TIANLONG,RC-543,376东鹏DONGPENG,CVD-970,377夏普SHARP,MV-K7000,378彩尼CAINI,VCD,379VICTOM,RM-SVD701,380杂牌机ZAPAIJI,381PHISONEET,382JVC,XL-M705,383RMS,384爱多IDALL ,308 320 330 350 385先锋XIANFENG,CU-DV003,386步步高BBK,AB903K,387金正NINTAUS,GVD-8801 N350D N350,388杂牌机ZAPAIJI,389金正NINTAUS,VCD-J301、J303、J306、J308 390 F100、J7836H.VCD-N135 步步高BBK AB-001A AB-007B 391新科Shinco,RC-007 RC-12E RC-12F RC-005RC-12B VCD-719 ,392爱多IDALL,IV-361BK 360BK,393索尼SONY,394厦新AMOI,RC-001,395健伍JIANGWU,RC-L0200 RC-L0300,396三星SAMSUNG,397金正NINTAUS ,VCD-J7001H VCD-6803H,398金正NINTAUS,PDVD-N768 DVD-N700 DVD-N701 DVDN926F,399DS6315三合一万能型电视遥控器代码表(续三)DVD部分:新科Shinco 409.460.461.462.463.465.466.467.468.469.470先科XIANKE 402.413.438.471.472.473.474.475步步高BBK 406.412.416.421.440.476.477.478.479.480.481.482万视达Malata 403.417.419.432.483.484.485金正NINTAUS 404.408.423.428.486.487.488厦新AMOI 107 114 189 190清华同方TSINGHUA TONGFANG 405.491德赛DEISAI 401.410.492.493.494奇声QiSheng 411.495.496.497.498.499TCL 400.430创维SKYWORTH-RGB 422.424帝禾Dlwa ,433飞乐FEIYUE ,429.492科泰KETAI ,434松鼎SongDing ,431爱浪AILANG,435. 439华宝HUABAO ,437熊猫PANDA,415TOSHIBA,418索尼SONY,456三水SHANSHUI,420SINGER ,425大宇DAYU,426主人ZHUREN ,427巨大JIUDA,436LG,441松下Panasonic ,442三星SAMSUNG ,443先峰XIANFENG,,444JVC,445万能遥控器的代码自定义搜索的方法:1、左手先按住“设置”键不松手,再用右手按一下“电源”键,指示灯变成长亮。
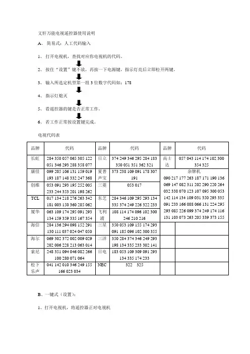
文轩万能电视遥控器使用说明 A 、 简易式:人工代码输入1、 打开电视机,查找对应你电视机的代码。
2、 按住“设置”键不放,再按一下电源键,指示灯亮后立即松开两键。
3、 输入所选定机型第一组3位数字代码如:1784、 指示灯熄灭5、 看遥控器的键是否正常工作。
6、 若工作正常按设置键完成。
电视代码表 品牌 代码品牌代码品牌代码长虹 284 350 057 065 305 122 051 346 293 288 358 077 日立 374 249 346 295 284 183350 051 351 362 321 高士达057 043 114 174 102 300354 325康佳 099 205 106 131 159 019 193 187 148 332 247 368 夏普声宝 373 238 109 091 178 307191 杂牌机090 217 177 263 187 171 190 136 069 147 082 311 202 290 220 264 032 338 070 123 107 095 300 053 142 114 134 109 031 350 293 335 091 233 166 088 066 131 224 295 293 085 226 099 374 249 174 116 131 103 073 263 205 339 373 155 创维 053 091 293 195 252 005 233 244 353 201 198 262 三菱053 017TCL 017 134 218 276 263 342 181 003 150 360 285 062 东芝 284 346 109 295 293 134335 374 249 226 322 233 厦华 063 109 174 295 091 293 134 159 359 335 167 354 飞利浦108 114 174 096 102 300246 210 216海信 284 136 294 098 152 291 130 111 037 024 047 050 三星 350 053 109 155 174 293091 185 096 102 300 355 海尔 069 302 372 002 009 029 202 006 228 213 063 014 三洋 350 284 374 346 249 293198 134 335 233 302 141 索尼 248 351 094 046 082 266100 280 071 064 日电 183 053 109 309 091 293134 335 174 233 松下乐声041 142 010 346 249 155166 023 034NEC322 325B 、一键式(设置):1、打开电视机,将遥控器正对电视机2、长按住“设置”键不放约4秒左右,指示灯开始闪耀。
大众合众合c h u n g h o p 万能电视遥控器代码表及使用方法说明书Pleasure Group Office【T985AB-B866SYT-B182C-BS682T-STT18】大众合、众合c h u n g h o p万能电视遥控器代码表及使用方法说明书国内电视:长虹 000. 008. 009. 091. 092. 093. 010. 011. 014. 016 .026. 028011 .017 .029 .032 .034. 054 .067 .069 .071 .075 .076 .077 .078 .079 .080 .081 107 113 117. 173 .174. 175. 176. 189. 201. 202. 203. 217 .218. 220. 226 .创维011. 025.033014 .015. 025011 .013. 024. 025. 032. 033 .039 .051 .065 .071 .073. 079 .091 .097 .138福日007 .011 .015 .023.024. 028. 033. 034. 040. 043. 053. 056. 060 .061 .065 .079安华ANHUA 017. 001. 032. 047百花BAIHUA 016. 025 .033 .053. 056. 079百合花BAIHEHUA 023. 024. 040. 043百乐BAILE 016. 025. 012 .019. 026. . 029 .030. 031. 042宝声BAOSHENG 011. 025. 016北京 008 .012.011. 019 .016. 023011 .016 .017. 023 .024 .025.033. 040 .043 .053. 056 .001 .012. 029 .027 . .031 .042. 079海虹HAIHONG016 .025 .026 .027. 028 .029 .030海乐HAILE 032. 047海燕HAIYAN 011. 023. 024 .033. 040. .056. 079环宇HUANY011.015. 023. 024. 033 .040. 043. 053. 056 .009. 057. 058虹美HONGMEI003. 011. 016 .018 .023. 024. 025 .033 .040. 043. 056. 009.057 .058. 079红岩HONGYAN011.033. 053. 056. 079菊花JUHUA金凤JINFENG.022金塔JINTA.032昆仑KUNLUN.利华LIHUA 011 牡丹MUDAN .043 南声NANSHENG .青岛QINGDAO .上海SHANGHAI 松柏SONGBA三元SANYUAN西湖XIHU万能遥控器使用方法代码自定义搜索万能遥控器的代码自定义搜索的方法:1、左手先按住“设置”键不松手,再用右手按一下“电源”键,指示灯变成长亮。
电视的万能遥控器代码同时按住设置健+开关健红灯亮后在把代码输进去一组一组试代码:创维代码:011 025 033 045 046 060 070 071 072 073074 079 083 101 107 108 109 113 151 162 163 172190 207 215 216 217 223 227 241 242 243 244 245 246 247 259 260更多:国内电视:长虹 000. 008. 009. 091. 092. 093. 010. 011. 014. 016 .026. 028. 033. 0 51. 088.100.157.158.159. 160. 161. 180 .181. 185 .186 .191. 192 .210. 211. 212. 229. 230 .231 .232康佳 011 .017 .029 .032 .034. 054 .067 .069 .071 .075 .076 .077 .078 .079 .080 .081 107 113 117. 173 .174. 175. 176. 189. 201. 202. 203. 217 .218. 220. 226 .267.236创维 011. 025.033.045.046.060 .070. 017 .072. 073. 074. 079. 083.010 .1 07. 108 .109 162 163 .164 .165 .166 .167. 168. 169. 177. 224.225. 2 35. 246熊猫 001. 011. 016. 021. 022. 023 .024 .025. 026. 028 .033 .040 .043. 0 53. 056.009. 057. 058 051. 061. 062.073. 079. 089. 091 .124 .125 .2 34.237. 238. 239 .240.241.242. 243. 244 245 247. 248 .249 .250. 251 TCL 051.053 .068. 071 .073. 082 .083.084 .085. 110 .111 .170 .171. 17 2.178. 179 .187.188.197 .198.199. 200 .233海尔 103 .112 .118 .119. 150. 151 .152 .153 .154 .155 .156. 182. 183. 1 84. 193. 194 .213 .228海信 000. 006 .007. 008. 010 .014 .015. 025. 045. 046 .103. 105. 107 .1 15 .116 .128. 129.130.131 138 .139.150 .151 .152 .153 .154 .155 .156 .182 .183 .184 .193 .194 .213 .228金星 007. 008. 011 .013. 024. 025. 032. 033 .039 .051 .065 .071 .073. 0 79 .091 .097 .138福日 007 .011 .015 .023.024. 028. 033. 034. 040. 043. 053. 056. 060 .061 .065 .079安华ANHUA 017. 001. 032. 047百花BAIHUA 016. 025 .033 .053. 056. 079百合花BAIHEHUA 023. 024. 040. 043百乐BAILE 016. 025. 012 .019. 026. 027.028. 029 .030. 031. 042宝声BAOSHENG 011. 025. 016北京 008 .012.011. 019 .016. 023. 024. 025. 027 .028.029 .030. 031. 033 .044 .043 .050 .053 .056 .026 .079.091 .039. 042.051. 021. 122 .126宝花石BaoHuaShi 033.053.056. 079彩虹CAIHONG 011. 025. 016彩星 CAIXING 023. 024. 040 .043长城 011 .016 .017. 023 .024 .025.033. 040 .043 .053. 056 .001 .012. 029 .027 .026.028 .029.030031 .042. 079海虹HAIHONG 016 .025 .026 .027. 028 .029 .030海乐HAILE 032. 047海燕HAIYAN 011. 023. 024 .033. 040. 043.053 .056. 079环宇HUANY 011.015. 023. 024. 033 .040. 043. 053. 056 .009. 057. 058虹美HONGMEI 003. 011. 016 .018 .023. 024. 025 .033 .040. 043. 056. 009. 057 .058. 079红岩HONGYAN 011.033. 053. 056. 079菊花JUHUA 011.023.024.033.040.43.053.056.079金海 JINHAI 009.057.058金凤JINFENG 001.011.021.022金塔JINTA 016.023.024.025.033.040.043.053.056.009.057.058.079金鹊 JINQUE 011.025.016金雀JINQUE 032.033.053.056.079嘉华JIAHUA 017.047.001.032昆仑KUNLUN 001.011.021.022.033.025.012.042.040.039凯歌KAIGE 011.016.023.024.025.033.040.043.053.056.079康力KANGLI 027.012.019.025.026.028.030.031.033.120康虹KANGHONG 009.058.057康立KANGLI 016.023024.025.040.043.011.026.029.042.005康艺KANGYI 016.025.033.053.056.079.121孔雀KONGQUE 011.016.023.024.025.033.040.041.043.124快乐KUAILE 016.025.033.053.056.079乐华ROWA 011.016.023.024.025.040.043.096.127龙江LONGJIANG 011.033.053.056.079利华LIHUA 011牡丹MUDAN 001.002.011.016.020.021.022.025.032.033.040.043.053.056.059 .063.065.079美乐MEILE 011.023.024.033.040.043.053.056.009.057.058.079梦寐MENGMEI 023.024.040.043南声NANSHENG 011.033.053.056.079青岛QINGDAO 001.011.021.022.033.053.056.079如意RUYI 011.015.023.024.040.043神彩SHENCAI 007.016.025.033.053.056.079山茶SHANGCAI 011.033.053.056.079上海SHANGHAI 011.016.017.022.023.024.025.033.040.043.0053.056.009.057.0 58.079.123韶峰SHAOFENG 011.015.000.006.007.023沈阳SHENGYAN 011.016.025.046.045.033塞格SAIGE 011.025.016松柏SONGBA 016.025三元SANYUAN 003.011.016.018.023.024.025.040.043三键SANJIAN 033.053.056.079泰山TAISHAN 011.016.025.042.038.031.030.029.028.027天鹅TIANE 003.011.018通广TONGGUANG 033.053.056.079威牌WEIPAI 016.025翔宇XIANGYU 016.025.032西湖XIHU 011.023.024.033.038.040.43.053.079.098厦华XIAHUA 011.016.024.027.025.033.053.054.055.056.06.098.080.095.079.0 73雪莲XUELIAN 023.024.040.043.009.057.058星海XINGHAI 016.025.033.053.056.079襄阳XIANGYANG 033.053.056.079幸福XINGFU 016.025新日松 009.057.058XINRISONG莺歌 016.023.024.025.040.043YINGGE宇航 016.025YUHANG永固 016.23.024.025.040.043YONGGU永宝 009.057.058.888.033.053.056.079YONGBAO珠海 016.025.042ZHUHAI赣新 011.017.023.024.040.041.043GANXIN华发HUAFA 007.016.025华强HUAQIANG 033.053.056.07 9杂牌机 036.044.114ZAPAIJI飞跃 011.016.023.024.025.040.043FEIYUE飞浪016.025FEILANG南宝016.025.033.053.056.009.057.058.059NANBAO飞燕033.053.056.079FEIYAN新思达123XINSIDA彩凌102CAILING高路华000.006.007.008.010.016.025.033.053.055.056.045.046.048.073.099 CONROWA豁达特技032.001.017.047.HUODATEJI奥林匹亚033.053.056.079AOLINPIKE成都011.025CHENGDU长风011.053.056.045.046.024.079.033CHANGFENG长飞011.016.025.042.123CHANGFEI长海011.025.016.123CHANGHAI春兰142CHUNLAN春风016.025.033.053.056.079.124CHUNFENG春笋011.025.016.CHUNSUN东宝016.025.033.053.056.079.101.103TOBO东大016.025.DONGDA东海016.025.DONGHAI飞鹿011.016.025FEILU黄河011.016.023.024.025.040.043.125HUANGHE黄海美016.025HUANGHAIMEI黄山011.016.023.024.025.032.033..40.043.053.056.079 HUANGSHAN黄龙016.025HUANGLONG华日007.033.053.056.079HUARIDS6315三合一万能型电视遥控器代码表(续一)国外电视:索尼SONY 041 049.005.106松下(乐声)PANASONIC(NAYIONAL)020.001.002.014.015.021.022059.066.196.204.205.206.208.214.215.216.22 1.222夏普SHARP 003.018.016.025.135.136.137三菱MITSUBISHI 011.051.东芝TOSHIBA000.014.016.027.033.053.056.007.008.015.028.030.089.090.091.079NEC 089.014三星SAMSUNG008.011.016.021.025.037..039.040.043.050.033.024051.091.123.113胜利JVC 004三洋SANYO 008.000.007.014.015.033.035.053.056.079.105.132.133.134高土达GOLDSTAR 009.019.023.024.040.043.098.140飞利浦PHILIPS 013.023.024.039.040.043141爱华AIWA 009.057.058JVC 089日电NEC 006.011.016.004.025.033.053.056.024.079大宇DAYU 012.042.031LG 040.043.140WARUMAIA 031.012.042狮龙SHERWOOD 016.025雅佳AKAI 033.053.056.079皇冠033.053.056.012.019.025.026.027.028.029.030.031.042.079IMPERIAL-COWN富土通FUJITSU 048富丽FULI 047尼康NIKON 009.057.058优拉纳斯YONLANASI 011.023.024.040.043奥林普AOLINGPU 104佳丽彩JIALICAI 016.025.028.033.053.056.079.124 VCD部分:奇声QiSheng IRC-3039.IRC3030D, 300影之宝YingZhiBao , 301索尼SONY, VCP-K10, 302东大DONGDA, 303杂牌机ZAPAIJI, 304奇声QiSheng, 305杂牌机ZAPAIJI,306新科Shinco, RC-006 , 307奇声QiSheng,IRC3020A, 308万利达MALATA, VCP-N28P, 309步步高BBK ,RCU-H, 310万利达MALATA, VCP-N28F, 311新科Shinco, RC-12G, 312索尼SONY, RMT-M40A, 313索尼SONY, RMT-D109E, 314杂牌机ZAPAIJI, 315杂牌机ZAPAIJI,ANB-999, 316杂牌机ZAPAIJI,317杂牌机ZAPAIJI ,VCD-A300,318杂牌机ZAPAIJI,319RMS,VD-30A ,320奇声QiSheng,IRC-3000, 320杂牌机ZAPAIJI,321杂牌机ZAPAIJI, 多用2220-001, 322亿通YITONG, Rm2004,323DONGAN, 324奇声QiSheng,IRC-3028,325新科Shinco,RC-002 RC-12S,326新科Shinco ,RC-16H RC-012 RC-260,327长虹CHANGHONG,VK1A, 328长虹CHANGHONG,329步步高BBK,DF058(A),330杂牌机ZAPAIJI, A9815, 331健伍JIANGWU, RC-P0501, 332安侨ANQIAO,RC-375DV, 333帝禾DIWA,334日立HITACHI,SV-RMW1,335金格JINGE,336杂牌机ZAPAIJI,337厦新AMOI,RC-010 RC-010G,338飞利浦PHILIPS,339厦新AMOI,RC-012,340杂牌机ZAPAIJI,DVD,341长虹CHANGHONG ,VR4A,342爱多IDALL ,IV-730BK,343乐华ROWA,IV-830BK,343步步高BBK,AB007K,344厦新AMOI,RC-003,345步步高BBK,AB007K ,346新科Shinco,RC-08C,347爱多IDALL ,IV-820BK,348松下PANASONIC,RAK-SL429WH,349万利达MALATA,UCP-N28K,350松下PANASONIC,RAK-SL208WH RAK-SLA04SH, 351万利达MALATA,VCP-N30B,352松下PANASONIC,RAK-LX140WH,353万利达MALATA,VCP-N28 VCP- N30,354厦新AMOI,355杂牌机ZAPAIJI,036飞利浦PHILIPS,357爱多IDALL,IV-3DBK,358东芝TOSHIBA,359爱华AIWA,360先科XIANKE,361先科XIANKE,362万利达MALATA,VCP-N28B,363兆维ZHAOWEI,364长虹CHANGHONG,364杂牌机ZAPAIJI,365蚬华XIANHUA,VP-101D,366马士兰MaShiLan,RC500LV,367东芝TOSHIBA,VC-659 ,368爱多IDALL,RM-1,369东芝TOSHIBA,SE-R0037,370爱华AIWA,RC-8AT05,371先锋XIANFENG,CU-CLD151 CU-CLD145,372爱多IDALL,IV-620 ,373东芝TOSHIBA,RM-L8, 374JVC,RM-RMV5U,375天龙TIANLONG,RC-543,376东鹏DONGPENG,CVD-970,377夏普SHARP,MV-K7000,378彩尼CAINI,VCD,379VICTOM,RM-SVD701,380杂牌机ZAPAIJI,381PHISONEET,382JVC,XL-M705,383RMS,384爱多IDALL ,308 320 330 350 385先锋XIANFENG,CU-DV003,386步步高BBK,AB903K,387金正NINTAUS,GVD-8801 N350D N350,388杂牌机ZAPAIJI,389金正NINTAUS,VCD-J301、J303、J306、J308 390 F100、J7836H.VCD-N135步步高BBK AB-001A AB-007B 391新科Shinco,RC-007 RC-12E RC-12F RC-005RC-12B VCD-719 , 392爱多IDALL,IV-361BK 360BK,393索尼SONY,394厦新AMOI,RC-001,395健伍JIANGWU,RC-L0200 RC-L0300,396三星SAMSUNG, 397金正NINTAUS ,VCD-J7001H VCD-6803H,398金正NINTAUS,PDVD-N768 DVD-N700 DVD-N701 DVDN926F,399。
大众合、众合chunghop万能电视遥控器代码表及使用方法说明书众合chunghop万能电视遥控器代码表及使用方法说明书一、简介众合chunghop万能电视遥控器是一款适用于各类电视设备的通用遥控器。
本说明书将介绍众合chunghop万能电视遥控器的代码表、基本操作方法以及常见问题解答等内容,以帮助用户正确使用和维护遥控器。
二、代码表众合chunghop万能电视遥控器的代码表是一份记录了各个电视品牌及型号对应代码的清单。
用户需要根据自己的电视品牌及型号,在代码表中查找相应的代码,以便使遥控器与电视正确配对。
以下是代码表的示例:品牌型号代码-----------------------------------SONY KDL-32BX320 30216SHARP LC-50LE650U 71244TCL L32D12 87632:::请注意,在查询代码时,应先选择相应的电视品牌,然后从该品牌的代码列表中找到对应的型号。
三、使用方法1、配对遥控器a) 按住遥控器上的“SET”按键,直到指示灯亮起,并保持亮起状态。
b) 输入电视对应的四位代码,然后松开“SET”按键。
c) 若指示灯闪烁三次,表示配对成功,遥控器已与电视成功绑定。
2、基本操作a) 电源开关:按下“POWER”按键,可打开或关闭电视的电源。
b) 音量调节:使用“VOL+”和“VOL-”按键可调节电视的音量。
c) 频道切换:使用“CH+”和“CH-”按键可切换电视的频道。
:::4、常见问题解答以下是针对众合chunghop万能电视遥控器常见问题的解答:Q: 遥控器无法正常使用,指示灯不亮。
A: 请检查遥控器的电池是否放置正确,如有必要请更换电池。
Q: 配对成功后,遥控器仍无法控制电视。
A: 请确认所输入的代码是否正确,如需修改代码,请重新进行配对操作。
更多问题解答和操作指南,请参阅附件中的详细说明书。
附件:1、众合chunghop万能电视遥控器代码表2、众合chunghop万能电视遥控器详细说明书法律名词及注释:1、代码表:一份记录了各个电视品牌及型号对应代码的清单。
CHUNGHOP RC309万能电视遥控器说明书和代码表一、产品简介R309系类是由众合电子实业出品的一款万能电视机遥控器.基本上能遥控市面上绝大部分牌子,不同型号,不同制作年份的电视机。
封装式芯片,过千种型号电视机简单设置后可直接使用。
另配备多种简易适用机型快速对应模式,所有机型一网打尽.换电记忆功能,全新大容量低功耗遥控器专用芯片,更加节能耐用.是电视机遥控器遗失、损坏、替换的理想选择,给您的生活带来更多的方便!具体型号有R309、R309C、R309V、R309cx、R309sp、RC309等多种型号,同时也提供了6种颜色供消费者选择,分别是:黑色、银色、紫色、橙色、桃红色、绿色。
缤纷色彩,满足不同爱好的消费者。
二、样机图三、设置方法本类型的遥控器有三种方法(A、B、C),请任选其一进行操作A:人工输入代码法1。
打开电视机,使电视机处于正常开机状态,从代码表中找到对应品牌;例如,索尼电视的代码有:005。
041.049。
094.106……。
2。
按下遥控器“设置键”约3秒,指示灯亮起后松开;3。
依次输入三位数为一组的代码,例如,索尼的第一组代码为005,代码输入后,指示灯继续亮起,等待继续输入;4.测试其他按键的功能是否正常(设置键和数字键除外);5.操作正常,则按“设置键”退出,不正常就重复步骤3-4,直到直到合适的代码。
B、人工搜索代码法1。
打开电视机,将遥控器正对着电视机。
找到对应您电视机品牌品牌符号,例如索尼“8”;2。
按住“设置键"和“品牌符号键”直到指示灯亮起后松开;3.按一下“音量+"键并松开,注意电视机音量符号是否出现,如果没有出现,重复此步骤直到出现音量增加的符号,立即按一下“设置键",指示灯熄灭;4. 测试遥控器的按键是否正常,不能,则重复步骤2-4.C、一键快搜法1。
打开电视机,使电视机处于开机状态,将遥控器正对着电视机;2.按住遥控器的“设置键”不放,约6秒后,指示灯不断闪烁,当电视机出现音量符号时松开;3。
万能电视遥控器代码表和使用万能电视遥控器代码表和使用1. 找到对应电视机品牌的品牌符号,例如:索尼“8”,手动打开电视机,是电视机处于正常的播放状态2. 同时按住“设置”键和“8”键,直到指示灯亮起后放开3. 正对着电视机,按一下放一下“音量+”键,当电视机上出现音量符号时,则立即按一下“设置”键,指示灯熄灭(备注:按“音量+”键最多按40次)4. 测试遥控器的其他按键是否正常工作。
正常,则设置完毕,若不正常,从第二步重新开始设置方法二:全自动搜索代码法1. 让电视机处于正常播放状态,将遥控器正对着电视机,按住遥控器的“设置”键不放,直至工作指示灯亮起后放开2. 按一次“电源”键,指示灯闪烁,进入自动搜索状态,当电视机的屏幕上出现音量符号时,立即按一下遥控器的任意一个键,以锁定此代码。
指示灯亮起(停止闪烁)3. 检查遥控器的其他按键(电源,音量+,音量—三键除外)是否有效;有效,按一次“设置”键,指示灯熄灭,搜索代码完毕。
若无效,则重复步骤2方法三:人工搜索代码法1. 手动打开电视机,是电视机处于正常的播放状态2. 按住“设置”键不放,直至指示灯亮起后放开3. 正对着电视机,一下一下按“音量+”键。
(按一下“音量+”键,放一下手)4. 当电视机上出现音量增大的符号时,按一下“设置”键,指示灯熄灭(备注:按“音量+”键最多按350次)5. 测试遥控器的其他按键是否正常工作。
正常,则设置完毕,若不正常,从第二步重新开始设置方法四:输入代码法1. 手动打开电视机,查找对应您电视机品牌的代码。
例如:厦华2. 按住“设置”键不放,直至指示灯亮起3. 输入所选机型第一组三位数字代码。
如:厦华0114. 指示灯熄灭5. 测试遥控器的其他按键是否正常工作。
正常,则设置完毕,若不正常,则从第二步重新开始重新输入第二组代码...............国内电视:长虹000. 008. 009. 091. 092. 093. 010. 011. 014. 016 .026. 028. 033. 051. 088.100.157.158.159. 160. 161. 180 .181. 185 .186 .191. 192 .210. 211. 212. 229. 230 .231 .232康佳011 .017 .029 .032 .034. 054 .067 .069 .071 .075 .076 .077 .078 .079 .080 .081 107 113 117. 173 .174. 175. 176. 189. 201. 202. 203. 217 .218. 220. 226 .267.236 创维011. 025.033.045.046.060 .070. 017 .072. 073. 074. 079. 083.010 .107. 108 .109 162 163 .164 .165 .166 .167. 168. 169. 177. 224.225. 235. 246熊猫001. 011. 016. 021. 022. 023 .024 .025. 026. 028 .033 .040 .043. 053. 056.009. 057. 058 051. 061. 062.073. 079. 089. 091 .124 .125 .234.237. 238. 239 .240.241.242. 243. 244 245 247. 248 .249 .250. 251 TCL 051.053 .068. 071 .073. 082 .083.084 .085. 110 .111 .170 .171. 172.178. 179 .187.188.197 .198.199. 200 .233海尔103 .112 .118 .119. 150. 151 .152 .153 .154 .155 .156. 182. 183. 184. 193. 194 .213 .228海信000. 006 .007. 008. 010 .014 .015. 025. 045. 046 .103. 105. 107 .115 .116 .128. 129.130.131138 .139.150 .151 .152 .153 .154 .155 .156 .182 .183 .184 .193 .194 .213 .228宝声011. 025. 016金星007. 008. 011 .013. 024. 025. 032. 033 .039 .051 .065 .071 .073.079 .091 .097 .138福日007 .011 .015 .023.024. 028. 033. 034. 040. 043. 053. 056. 060 .061 .065 .079 安华017. 001. 032. 047 百花016. 025 .033 .053. 056. 079 百合花023. 024. 040. 043 百乐016. 025. 012 .019. 026. 027.028. 029 .030. 031. 042北京008 .012.011. 019 .016. 023. 024. 025. 027 .028.029 .030. 031.033 .044 .043 .050 .053 .056 .026 .079.091 .039. 042.051. 021. 122 .126 宝花石033.053.056. 079 彩虹011. 025. 016 彩星023. 024. 040 .043长城011 .016 .017. 023 .024 .025.033. 040 .043 .053. 056 .001 .012.029 .027 .026.028 .029.030.031 .042. 079海虹016 .025 .026 .027. 028 .029 .030 海乐032. 047 黄山011.016.023.024.025.032.033..40.043.053.056.079海燕011. 023. 024 .033. 040. 043.053 .056. 079 奥林匹亚033.053.056.079 长风011.053.056.045.046.024.079.033环宇011.015. 023. 024. 033 .040. 043. 053. 056 .009. 057. 058 华日007.033.053.056.079虹美003. 011. 016 .018 .023. 024. 025 .033 .040. 043. 056. 009.057 .058. 079 红岩011.033. 053. 056. 079 菊花011.023.024.033.040.43.053.056.079金海009.057.058 金凤001.011.021.022 金鹊011.025.016 嘉华JIAHUA017.047.001.032金雀032.033.053.056.079 金塔016.023.024.025.033.040.043.053.056.009.057.058.079昆仑001.011.021.022.033.025.012.042.040.039 康虹009.058.057 黄河011.016.023.024.025.040.043.125凯歌011.016.023.024.025.033.040.043.053.056.079 康力027.012.019.025.026.028.030.031.033.120康立016.023024.025.040.043.011.026.029.042.005 康艺016.025.033.053.056.079.121 黄海美016.025孔雀011.016.023.024.025.033.040.041.043.124 快乐016.025.033.053.056.079 豁达特技032.001.017.047乐华011.016.023.024.025.040.043.096.127 龙江011.033.053.056.079春风016.025.033.053.056.079.124利华011 牡丹001.002.011.016.020.021.022.025.032.033.040.043.053.056.059.063.065.079 黄龙016.025美乐011.023.024.033.040.043.053.056.009.057.058.079 梦寐023.024.040.043东宝016.025.033.053.056.079.101.103 南声011.033.053.056.079青岛001.011.021.022.033.053.056.079长飞011.016.025.042.123春兰142 如意011.015.023.024.040.043神彩007.016.025.033.053.056.079长海011.025.016.123飞鹿011.016.025山茶011.033.053.056.079韶峰011.015.000.006.007.023松柏SONGBA 016.025春笋011.025.016上海011.016.017.022.023.024.025.033.040.043.0053.056.009.057.058.079.123塞格SAIGE 011.025.016沈阳011.016.025.046.045.033三元003.011.016.018.023.024.025.040.043 三键033.053.056.079东海016.025泰山011.016.025.042.038.031.030.029.028.027 天鹅003.011.018 通广033.053.056.079威牌016.025翔宇016.025.032 西湖011.023.024.033.038.040.43.053.079.098星海016.025.033.053.056.079东大016.025厦华011.016.024.027.025.033.053.054.055.056.06.098.080.095.079.073 雪莲023.024.040.043.009.057.058襄阳033.053.056.079 幸福016.025 新日松009.057.058 莺歌016.023.024.025.040.043 宇航016.025永固016.23.024.025.040.043 永宝009.057.058.888.033.053.056.079 珠海016.025.042华发HUAFA 007.016.025 赣新011.017.023.024.040.041.043 华强HUAQIANG 033.053.056.079 杂牌机036.044.114飞浪016.025飞跃011.016.023.024.025.040.043 南宝016.025.033.053.056.009.057.058.059 飞燕033.053.056.079 新思达123彩凌102 高路华000.006.007.008.010.016.025.033.053.055.056.045.046.048.073.099成都011.025 万能遥控器使用方法代码自定义搜索,万能遥控器的代码自定义搜索的方法:1、左手先按住“设置”键不松手,再用右手按一下“电源”键,指示灯变成长亮。
电视的万能遥控器代码同时按住设置健+开关健红灯亮后在把代码输进去一组一组试代码:创维代码:011 025 033 045 046 060 070 071 072 073074 079 083 101 107 108 109 113 151 162 163 172190 207 215 216 217 223 227 241 242 243 244 245 246 247 259 260更多:国内电视:长虹 000. 008. 009. 091. 092. 093. 010. 011. 014. 016 .026. 028. 033. 0 51. 088.100.157.158.159. 160. 161. 180 .181. 185 .186 .191. 192 .210. 211. 212. 229. 230 .231 .232康佳 011 .017 .029 .032 .034. 054 .067 .069 .071 .075 .076 .077 .078 .079 .080 .081 107 113 117. 173 .174. 175. 176. 189. 201. 202. 203. 217 .218. 220. 226 .267.236创维 011. 025.033.045.046.060 .070. 017 .072. 073. 074. 079. 083.010 .1 07. 108 .109 162 163 .164 .165 .166 .167. 168. 169. 177. 224.225. 2 35. 246熊猫 001. 011. 016. 021. 022. 023 .024 .025. 026. 028 .033 .040 .043. 0 53. 056.009. 057. 058 051. 061. 062.073. 079. 089. 091 .124 .125 .2 34.237. 238. 239 .240.241.242. 243. 244 245 247. 248 .249 .250. 251 TCL 051.053 .068. 071 .073. 082 .083.084 .085. 110 .111 .170 .171. 17 2.178. 179 .187.188.197 .198.199. 200 .233海尔 103 .112 .118 .119. 150. 151 .152 .153 .154 .155 .156. 182. 183. 1 84. 193. 194 .213 .228海信 000. 006 .007. 008. 010 .014 .015. 025. 045. 046 .103. 105. 107 .1 15 .116 .128. 129.130.131 138 .139.150 .151 .152 .153 .154 .155 .156 .182 .183 .184 .193 .194 .213 .228金星 007. 008. 011 .013. 024. 025. 032. 033 .039 .051 .065 .071 .073. 0 79 .091 .097 .138福日 007 .011 .015 .023.024. 028. 033. 034. 040. 043. 053. 056. 060 .061 .065 .079安华ANHUA 017. 001. 032. 047百花BAIHUA 016. 025 .033 .053. 056. 079百合花BAIHEHUA 023. 024. 040. 043百乐BAILE 016. 025. 012 .019. 026. 027.028. 029 .030. 031. 042宝声BAOSHENG 011. 025. 016北京 008 .012.011. 019 .016. 023. 024. 025. 027 .028.029 .030. 031. 033 .044 .043 .050 .053 .056 .026 .079.091 .039. 042.051. 021. 122 .126宝花石BaoHuaShi 033.053.056. 079彩虹CAIHONG 011. 025. 016彩星 CAIXING 023. 024. 040 .043长城 011 .016 .017. 023 .024 .025.033. 040 .043 .053. 056 .001 .012. 029 .027 .026.028 .029.030031 .042. 079海虹HAIHONG 016 .025 .026 .027. 028 .029 .030海乐HAILE 032. 047海燕HAIYAN 011. 023. 024 .033. 040. 043.053 .056. 079环宇HUANY 011.015. 023. 024. 033 .040. 043. 053. 056 .009. 057. 058虹美HONGMEI 003. 011. 016 .018 .023. 024. 025 .033 .040. 043. 056. 009. 057 .058. 079红岩HONGYAN 011.033. 053. 056. 079菊花JUHUA 011.023.024.033.040.43.053.056.079金海 JINHAI 009.057.058金凤JINFENG 001.011.021.022金塔JINTA 016.023.024.025.033.040.043.053.056.009.057.058.079金鹊 JINQUE 011.025.016金雀JINQUE 032.033.053.056.079嘉华JIAHUA 017.047.001.032昆仑KUNLUN 001.011.021.022.033.025.012.042.040.039凯歌KAIGE 011.016.023.024.025.033.040.043.053.056.079康力KANGLI 027.012.019.025.026.028.030.031.033.120康虹KANGHONG 009.058.057康立KANGLI 016.023024.025.040.043.011.026.029.042.005康艺KANGYI 016.025.033.053.056.079.121孔雀KONGQUE 011.016.023.024.025.033.040.041.043.124快乐KUAILE 016.025.033.053.056.079乐华ROWA 011.016.023.024.025.040.043.096.127龙江LONGJIANG 011.033.053.056.079利华LIHUA 011牡丹MUDAN 001.002.011.016.020.021.022.025.032.033.040.043.053.056.059 .063.065.079美乐MEILE 011.023.024.033.040.043.053.056.009.057.058.079梦寐MENGMEI 023.024.040.043南声NANSHENG 011.033.053.056.079青岛QINGDAO 001.011.021.022.033.053.056.079如意RUYI 011.015.023.024.040.043神彩SHENCAI 007.016.025.033.053.056.079山茶SHANGCAI 011.033.053.056.079上海SHANGHAI 011.016.017.022.023.024.025.033.040.043.0053.056.009.057.0 58.079.123韶峰SHAOFENG 011.015.000.006.007.023沈阳SHENGYAN 011.016.025.046.045.033塞格SAIGE 011.025.016松柏SONGBA 016.025三元SANYUAN 003.011.016.018.023.024.025.040.043三键SANJIAN 033.053.056.079泰山TAISHAN 011.016.025.042.038.031.030.029.028.027天鹅TIANE 003.011.018通广TONGGUANG 033.053.056.079威牌WEIPAI 016.025翔宇XIANGYU 016.025.032西湖XIHU 011.023.024.033.038.040.43.053.079.098厦华XIAHUA 011.016.024.027.025.033.053.054.055.056.06.098.080.095.079.0 73雪莲XUELIAN 023.024.040.043.009.057.058星海XINGHAI 016.025.033.053.056.079襄阳XIANGYANG 033.053.056.079幸福XINGFU 016.025新日松 009.057.058XINRISONG莺歌 016.023.024.025.040.043YINGGE宇航 016.025YUHANG永固 016.23.024.025.040.043YONGGU永宝 009.057.058.888.033.053.056.079YONGBAO珠海 016.025.042ZHUHAI赣新 011.017.023.024.040.041.043GANXIN华发HUAFA 007.016.025华强HUAQIANG 033.053.056.07 9杂牌机 036.044.114ZAPAIJI飞跃 011.016.023.024.025.040.043FEIYUE飞浪016.025FEILANG南宝016.025.033.053.056.009.057.058.059NANBAO飞燕033.053.056.079FEIYAN新思达123XINSIDA彩凌102CAILING高路华000.006.007.008.010.016.025.033.053.055.056.045.046.048.073.099 CONROWA豁达特技032.001.017.047.HUODATEJI奥林匹亚033.053.056.079AOLINPIKE成都011.025CHENGDU长风011.053.056.045.046.024.079.033CHANGFENG长飞011.016.025.042.123CHANGFEI长海011.025.016.123CHANGHAI春兰142CHUNLAN春风016.025.033.053.056.079.124CHUNFENG春笋011.025.016.CHUNSUN东宝016.025.033.053.056.079.101.103TOBO东大016.025.DONGDA东海016.025.DONGHAI飞鹿011.016.025FEILU黄河011.016.023.024.025.040.043.125HUANGHE黄海美016.025HUANGHAIMEI黄山011.016.023.024.025.032.033..40.043.053.056.079 HUANGSHAN黄龙016.025HUANGLONG华日007.033.053.056.079HUARIDS6315三合一万能型电视遥控器代码表(续一)国外电视:索尼SONY 041 049.005.106松下(乐声)PANASONIC(NAYIONAL)020.001.002.014.015.021.022059.066.196.204.205.206.208.214.215.216.22 1.222夏普SHARP 003.018.016.025.135.136.137三菱MITSUBISHI 011.051.东芝TOSHIBA000.014.016.027.033.053.056.007.008.015.028.030.089.090.091.079NEC 089.014三星SAMSUNG008.011.016.021.025.037..039.040.043.050.033.024051.091.123.113胜利JVC 004三洋SANYO 008.000.007.014.015.033.035.053.056.079.105.132.133.134高土达GOLDSTAR 009.019.023.024.040.043.098.140飞利浦PHILIPS 013.023.024.039.040.043141爱华AIWA 009.057.058JVC 089日电NEC 006.011.016.004.025.033.053.056.024.079大宇DAYU 012.042.031LG 040.043.140WARUMAIA 031.012.042狮龙SHERWOOD 016.025雅佳AKAI 033.053.056.079皇冠033.053.056.012.019.025.026.027.028.029.030.031.042.079IMPERIAL-COWN富土通FUJITSU 048富丽FULI 047尼康NIKON 009.057.058优拉纳斯YONLANASI 011.023.024.040.043奥林普AOLINGPU 104佳丽彩JIALICAI 016.025.028.033.053.056.079.124 VCD部分:奇声QiSheng IRC-3039.IRC3030D, 300影之宝YingZhiBao , 301索尼SONY, VCP-K10, 302东大DONGDA, 303杂牌机ZAPAIJI, 304奇声QiSheng, 305杂牌机ZAPAIJI,306新科Shinco, RC-006 , 307奇声QiSheng,IRC3020A, 308万利达MALATA, VCP-N28P, 309步步高BBK ,RCU-H, 310万利达MALATA, VCP-N28F, 311新科Shinco, RC-12G, 312索尼SONY, RMT-M40A, 313索尼SONY, RMT-D109E, 314杂牌机ZAPAIJI, 315杂牌机ZAPAIJI,ANB-999, 316杂牌机ZAPAIJI,317杂牌机ZAPAIJI ,VCD-A300,318杂牌机ZAPAIJI,319RMS,VD-30A ,320奇声QiSheng,IRC-3000, 320杂牌机ZAPAIJI,321杂牌机ZAPAIJI, 多用2220-001, 322亿通YITONG, Rm2004,323DONGAN, 324奇声QiSheng,IRC-3028,325新科Shinco,RC-002 RC-12S,326新科Shinco ,RC-16H RC-012 RC-260,327长虹CHANGHONG,VK1A, 328长虹CHANGHONG,329步步高BBK,DF058(A),330杂牌机ZAPAIJI, A9815, 331健伍JIANGWU, RC-P0501, 332安侨ANQIAO,RC-375DV, 333帝禾DIWA,334日立HITACHI,SV-RMW1,335金格JINGE,336杂牌机ZAPAIJI,337厦新AMOI,RC-010 RC-010G,338飞利浦PHILIPS,339厦新AMOI,RC-012,340杂牌机ZAPAIJI,DVD,341长虹CHANGHONG ,VR4A,342爱多IDALL ,IV-730BK,343乐华ROWA,IV-830BK,343步步高BBK,AB007K,344厦新AMOI,RC-003,345步步高BBK,AB007K ,346新科Shinco,RC-08C,347爱多IDALL ,IV-820BK,348松下PANASONIC,RAK-SL429WH,349万利达MALATA,UCP-N28K,350松下PANASONIC,RAK-SL208WH RAK-SLA04SH, 351万利达MALATA,VCP-N30B,352松下PANASONIC,RAK-LX140WH,353万利达MALATA,VCP-N28 VCP- N30,354厦新AMOI,355杂牌机ZAPAIJI,036飞利浦PHILIPS,357爱多IDALL,IV-3DBK,358东芝TOSHIBA,359爱华AIWA,360先科XIANKE,361先科XIANKE,362万利达MALATA,VCP-N28B,363兆维ZHAOWEI,364长虹CHANGHONG,364杂牌机ZAPAIJI,365蚬华XIANHUA,VP-101D,366马士兰MaShiLan,RC500LV,367东芝TOSHIBA,VC-659 ,368爱多IDALL,RM-1,369东芝TOSHIBA,SE-R0037,370爱华AIWA,RC-8AT05,371先锋XIANFENG,CU-CLD151 CU-CLD145,372爱多IDALL,IV-620 ,373东芝TOSHIBA,RM-L8, 374JVC,RM-RMV5U,375天龙TIANLONG,RC-543,376东鹏DONGPENG,CVD-970,377夏普SHARP,MV-K7000,378彩尼CAINI,VCD,379VICTOM,RM-SVD701,380杂牌机ZAPAIJI,381PHISONEET,382JVC,XL-M705,383RMS,384爱多IDALL ,308 320 330 350 385先锋XIANFENG,CU-DV003,386步步高BBK,AB903K,387金正NINTAUS,GVD-8801 N350D N350,388杂牌机ZAPAIJI,389金正NINTAUS,VCD-J301、J303、J306、J308 390 F100、J7836H.VCD-N135步步高BBK AB-001A AB-007B 391新科Shinco,RC-007 RC-12E RC-12F RC-005RC-12B VCD-719 , 392爱多IDALL,IV-361BK 360BK,393索尼SONY,394厦新AMOI,RC-001,395健伍JIANGWU,RC-L0200 RC-L0300,396三星SAMSUNG, 397金正NINTAUS ,VCD-J7001H VCD-6803H,398金正NINTAUS,PDVD-N768 DVD-N700 DVD-N701 DVDN926F,399。
万能型电视遥控器代码表(2008-07-25 22:38:55)标签:杂谈万能型电视遥控器代码表(转)万能型电视遥控器代码表留作备份。
已经修了一个了。
家里的遥控器别再坏了。
先按住“set”键不放,再按下“power”键,然后释放就好了........要不会用的话就看后面,有使用说明书的罗..........国内电视:长虹 000. 008. 009. 091. 092. 093. 010. 011. 014. 016 .026. 028. 033. 051. 08 8.100.157.158.159. 160. 161. 180 .181. 185 .186 .191. 192 .210. 211. 212. 229. 230 .231 .232康佳 011 .017 .029 .032 .034. 054 .067 .069 .071 .075 .076 .077 .078 .079 . 080 .081 107 113 117. 173 .174. 175. 176. 189. 201. 202. 203. 217 .218. 22 0. 226 .267.236创维 011. 025.033.045.046.060 .070. 017 .072. 073. 074. 079. 083.010 .107. 10 8 .109 162 163 .164 .165 .166 .167. 168. 169. 177. 224.225. 235. 246熊猫 001. 011. 016. 021. 022. 023 .024 .025. 026. 028 .033 .040 .043. 053. 05 6.009. 057. 058 051. 061. 062.073. 079. 089. 091 .124 .125 .234.237. 238. 239 .240.241.242. 243. 244 245 247. 248 .249 .250. 251TCL 051.053 .068. 071 .073. 082 .083.084 .085. 110 .111 .170 .171. 172.178. 179 .187.188.197 .198.199. 200 .233海尔 103 .112 .118 .119. 150. 151 .152 .153 .154 .155 .156. 182. 183. 184. 19 3. 194 .213 .228海信 000. 006 .007. 008. 010 .014 .015. 025. 045. 046 .103. 105. 107 .115 .11 6 .128. 129.130.131 138 .139.150 .151 .152 .153 .154 .155 .156 .182 .183 .184 . 193 .194 .213 .228金星 007. 008. 011 .013. 024. 025. 032. 033 .039 .051 .065 .071 .073. 079 .091 . 097 .138福日 007 .011 .015 .023.024. 028. 033. 034. 040. 043. 053. 056. 060 .061 .065 .079安华ANHUA 017. 001. 032. 047百花BAIHUA 016. 025 .033 .053. 056. 079百合花BAIHEHUA 023. 024. 040. 043百乐BAILE 016. 025. 012 .019. 026. 027.028. 029 .030. 031. 042宝声BAOSHENG 011. 025. 016北京 008 .012.011. 019 .016. 023. 024. 025. 027 .028.029 .030. 031. 033 .044 . 043 .050 .053 .056 .026 .079.091 .039. 042.051. 021. 122 .126宝花石BaoHuaShi 033.053.056. 079彩虹CAIHONG 011. 025. 016彩星 CAIXING 023. 024. 040 .043长城 011 .016 .017. 023 .024 .025.033. 040 .043 .053. 056 .001 .012. 029 .0 27 .026.028 .029.030031 .042. 079海虹HAIHONG 016 .025 .026 .027. 028 .029 .030 028 077海乐HAILE 032. 047海燕HAIYAN 011. 023. 024 .033. 040. 043.053 .056. 079环宇HUANY 011.015. 023. 024. 033 .040. 043. 053. 056 .009. 057. 058虹美HONGMEI 003. 011. 016 .018 .023. 024. 025 .033 .040. 043. 056. 009.057 .058. 079红岩HONGYAN 011.033. 053. 056. 079菊花JUHUA 011.023.024.033.040.43.053.056.079金海 JINHAI 009.057.058金凤JINFENG 001.011.021.022金塔JINTA 016.023.024.025.033.040.043.053.056.009.057.058.079金鹊 JINQUE 011.025.016金雀JINQUE 032.033.053.056.079嘉华JIAHUA 017.047.001.032昆仑KUNLUN 001.011.021.022.033.025.012.042.040.039凯歌KAIGE 011.016.023.024.025.033.040.043.053.056.079康力KANGLI 027.012.019.025.026.028.030.031.033.120康虹KANGHONG 009.058.057康立KANGLI 016.023024.025.040.043.011.026.029.042.005康艺KANGYI 016.025.033.053.056.079.121孔雀KONGQUE 011.016.023.024.025.033.040.041.043.124快乐KUAILE 016.025.033.053.056.079乐华ROWA 011.016.023.024.025.040.043.096.127龙江LONGJIANG 011.033.053.056.079利华LIHUA 011牡丹MUDAN 001.002.011.016.020.021.022.025.032.033.040.043.053.056.05 9.063.065.079美乐MEILE 011.023.024.033.040.043.053.056.009.057.058.079梦寐MENGMEI 023.024.040.043南声NANSHENG 011.033.053.056.079青岛QINGDAO 001.011.021.022.033.053.056.079如意RUYI 011.015.023.024.040.043神彩SHENCAI 007.016.025.033.053.056.079山茶SHANGCAI 011.033.053.056.079上海SHANGHAI 011.016.017.022.023.024.025.033.040.043.0053.056.009.057.058. 079.123韶峰SHAOFENG 011.015.000.006.007.023沈阳SHENGYAN 011.016.025.046.045.033塞格SAIGE 011.025.016松柏SONGBA 016.025三元SANYUAN 003.011.016.018.023.024.025.040.043三键SANJIAN 033.053.056.079泰山TAISHAN 011.016.025.042.038.031.030.029.028.027天鹅TIANE 003.011.018通广TONGGUANG 033.053.056.079威牌WEIPAI 016.025翔宇XIANGYU 016.025.032西湖XIHU 011.023.024.033.038.040.43.053.079.098厦华XIAHUA 011.016.024.027.025.033.053.054.055.056.06.098.080.095.079.073 雪莲XUELIAN 023.024.040.043.009.057.058星海XINGHAI 016.025.033.053.056.079襄阳XIANGYANG 033.053.056.079幸福XINGFU 016.025新日松 009.057.058XINRISONG莺歌 016.023.024.025.040.043YINGGE宇航 016.025YUHANG永固 016.23.024.025.040.043YONGGUCHUNLAN春风016.025.033.053.056.079.124CHUNFENG春笋011.025.016.CHUNSUN东宝016.025.033.053.056.079.101.103TOBO东大016.025.DONGDA东海016.025.DONGHAI飞鹿011.016.025FEILU黄河011.016.023.024.025.040.043.125HUANGHE黄海美016.025HUANGHAIMEI黄山011.016.023.024.025.032.033..40.043.053.056.079HUANGSHAN黄龙016.025HUANGLONG华日007.033.053.056.079HUARIDS6315三合一万能型电视遥控器代码表(续一)041 049.005.106松下(乐声)PANASONIC(NAYIONAL)020.001.002.014.015.021.022059.066.196.204.205.206.208.214.215.216.221.222夏普SHARP 003.018.016.025.135.136.137三菱MITSUBISHI 011.051.东芝TOSHIBA 000.014.016.027.033.053.056.007.008.015.028.030.089.090.091.079 NEC 089.014三星SAMSUNG 008.011.016.021.025.037..039.040.043.050.033.024051.091.123.113 胜利JVC 004三洋SANYO 008.000.007.014.015.033.035.053.056.079.105.132.133.134高土达GOLDSTAR 009.019.023.024.040.043.098.140飞利浦PHILIPS 013.023.024.039.040.043141爱华AIWA 009.057.058JVC 089日电NEC 006.011.016.004.025.033.053.056.024.079大宇DAYU 012.042.031LG 040.043.140WARUMAIA 031.012.042狮龙SHERWOOD 016.025雅佳AKAI 033.053.056.079皇冠033.053.056.012.019.025.026.027.028.029.030.031.042.079 IMPERIAL-COWN富土通FUJITSU 048富丽FULI 047尼康NIKON 009.057.058优拉纳斯YONLANASI 011.023.024.040.043奥林普AOLINGPU 104佳丽彩JIALICAI 016.025.028.033.053.056.079.124VCD部分:奇声QiSheng IRC-3039.IRC3030D, 300影之宝YingZhiBao , 301索尼SONY, VCP-K10, 302东大DONGDA, 303杂牌机ZAPAIJI, 304奇声QiSheng, 305杂牌机ZAPAIJI,306新科Shinco, RC-006 , 307奇声QiSheng,IRC3020A, 308万利达MALATA, VCP-N28P, 309步步高BBK ,RCU-H, 310万利达MALATA, VCP-N28F, 311新科Shinco, RC-12G, 312索尼SONY, RMT-M40A, 313索尼SONY, RMT-D109E, 314杂牌机ZAPAIJI, 315杂牌机ZAPAIJI,ANB-999, 316杂牌机ZAPAIJI,317杂牌机ZAPAIJI ,VCD-A300,318杂牌机ZAPAIJI,319RMS,VD-30A ,320奇声QiSheng,IRC-3000, 320杂牌机ZAPAIJI,321杂牌机ZAPAIJI, 多用2220-001, 322亿通YITONG, Rm2004,323DONGAN, 324奇声QiSheng,IRC-3028,325新科Shinco,RC-002 RC-12S,326新科Shinco ,RC-16H RC-012 RC-260,327长虹CHANGHONG,VK1A,328长虹CHANGHONG,329步步高BBK,DF058(A),330杂牌机ZAPAIJI,A9815,331健伍JIANGWU,RC-P0501,332安侨ANQIAO,RC-375DV,333帝禾DIWA,334日立HITACHI,SV-RMW1,335金格JINGE,336杂牌机ZAPAIJI,337厦新AMOI,RC-010 RC-010G,338飞利浦PHILIPS,339厦新AMOI,RC-012,340杂牌机ZAPAIJI,DVD,341长虹CHANGHONG ,VR4A,342爱多IDALL ,IV-730BK,343乐华ROWA,IV-830BK,343步步高BBK,AB007K,344厦新AMOI,RC-003,345步步高BBK,AB007K ,346新科Shinco,RC-08C,347爱多IDALL ,IV-820BK,348松下PANASONIC,RAK-SL429WH,349万利达MALATA,UCP-N28K,350松下PANASONIC,RAK-SL208WH RAK-SLA04SH,351 万利达MALATA,VCP-N30B,352松下PANASONIC,RAK-LX140WH,353万利达MALATA,VCP-N28 VCP- N30,354厦新AMOI,355杂牌机ZAPAIJI,036飞利浦PHILIPS,357爱多IDALL,IV-3DBK,358东芝TOSHIBA,359爱华AIWA,360先科XIANKE,361先科XIANKE,362万利达MALATA,VCP-N28B,363兆维ZHAOWEI,364长虹CHANGHONG,364杂牌机ZAPAIJI,365蚬华XIANHUA,VP-101D,366马士兰MaShiLan,RC500LV,367东芝TOSHIBA,VC-659 ,368爱多IDALL,RM-1,369东芝TOSHIBA,SE-R0037,370爱华AIWA,RC-8AT05,371先锋XIANFENG,CU-CLD151 CU-CLD145,372爱多IDALL,IV-620 ,373东芝TOSHIBA,RM-L8, 374JVC,RM-RMV5U,375天龙TIANLONG,RC-543,376东鹏DONGPENG,CVD-970,377夏普SHARP,MV-K7000,378彩尼CAINI,VCD,379VICTOM,RM-SVD701,380杂牌机ZAPAIJI,381PHISONEET,382JVC,XL-M705,383RMS,384爱多IDALL ,308 320 330 350 385先锋XIANFENG,CU-DV003,386步步高BBK,AB903K,387金正NINTAUS,GVD-8801 N350D N350,388杂牌机ZAPAIJI,389金正NINTAUS,VCD-J301、J303、J306、J308 390 F100、J7836H.VCD-N135步步高BBK AB-001A AB-007B 391新科Shinco,RC-007 RC-12E RC-12F RC-005RC-12B VCD-719 ,392 爱多IDALL,IV-361BK 360BK,393索尼SONY,394厦新AMOI,RC-001,395健伍JIANGWU,RC-L0200 RC-L0300,396三星SAMSUNG,397金正NINTAUS ,VCD-J7001H VCD-6803H,398金正NINTAUS,PDVD-N768 DVD-N700 DVD-N701 DVDN926F,399DS6315三合一万能型电视遥控器代码表(续三)DVD部分:新科Shinco 409.460.461.462.463.465.466.467.468.469.470先科XIANKE 402.413.438.471.472.473.474.475步步高BBK 406.412.416.421.440.476.477.478.479.480.481.482 万视达Malata 403.417.419.432.483.484.485金正NINTAUS 404.408.423.428.486.487.488厦新AMOI 107 114 189 190清华同方TSINGHUA TONGFANG 405.491德赛DEISAI 401.410.492.493.494奇声QiSheng 411.495.496.497.498.499TCL 400.430创维SKYWORTH-RGB 422.424帝禾Dlwa , 433飞乐FEIYUE ,429.492科泰KETAI ,434松鼎SongDing , 431爱浪AILANG,435. 439华宝HUABAO ,437熊猫PANDA ,415TOSHIBA ,418索尼SONY , 456三水SHANSHUI,420SINGER ,425大宇DAYU,426主人ZHUREN , 427巨大JIUDA,436LG,441松下Panasonic ,442三星SAMSUNG ,443先峰XIANFENG,,444JVC,445怕各位大大不会用,特找来说明书...........万用型电视遥控器使用手册一、电池的安装按图示箭头方向推开电池盖,参照电池盒内“﹢”“﹣”的极性符号,正确装上两节A A型(五号)碱性电池,合上电池盖。
万能电视遥控器代码表国内电视:长虹000. 008. 009. 091. 092. 093. 010. 011. 014. 016 .026. 028. 033. 051. 088.100.157.158.159. 160. 161. 180 .181. 185 .186 .191. 192 .210. 211. 212. 229. 230 .231 .232康佳011 .017 .029 .032 .034. 054 .067 .069 .071 .075 .076 .077 .078 .079 .080 .081 107 113 117. 173 .174. 175. 176. 189. 201. 202. 203. 217 .218. 220. 226 .267.236创维011. 025.033.045.046.060 .070. 017 .072. 073. 074. 079. 083.010 .107. 108 .109 162 163 .164 .165 .166 .167. 168. 169. 177. 224.225. 235. 246熊猫001. 011. 016. 021. 022. 023 .024 .025. 026. 028 .033 .040 .043. 053. 056.009. 057. 058 051. 061. 062.073. 079. 089. 091 .124 .125 .234.237. 238. 239 .240.241.242. 243. 244 245 247. 248 .249 .250. 251TCL 051.053 .068. 071 .073. 082 .083.084 .085. 110 .111 .170 .171. 172.178. 179 .187.188.197 .198.199. 200 .233海尔103 .112 .118 .119. 150. 151 .152 .153 .154 .155 .156. 182. 183. 184. 193. 194 .213 .228海信000. 006 .007. 008. 010 .014 .015. 025. 045. 046 .103. 105. 107 .115 .116 .128. 129.130.131 138 .139.150 .151 .152 .153 .154 .155 .156 .182 .183 .184 .193 .194 .213 .228金星007. 008. 011 .013. 024. 025. 032. 033 .039 .051 .065 .071 .073. 079 .091 .097 .138福日007 .011 .015 .023.024. 028. 033. 034. 040. 043. 053. 056. 060 .061 .065 .079安华ANHUA017. 001. 032. 047百花BAIHUA 016. 025 .033 .053. 056. 079百合花BAIHEHUA023. 024. 040. 043百乐BAILE 016. 025. 012 .019. 026. 027.028. 029 .030. 031. 042宝声BAOSHENG 011. 025. 016北京008 .012.011. 019 .016. 023. 024. 025. 027 .028.029 .030. 031. 033 .044 .043 .050 .053 .056 .026 .079.091 .039. 042.051. 021. 122 .126宝花石BaoHuaShi 033.053.056. 079彩虹CAIHONG 011. 025. 016彩星CAIXING 023. 024. 040 .043长城011 .016 .017. 023 .024 .025.033. 040 .043 .053. 056 .001 .012. 029 .027 .026.028 .029.030031 .042. 079海虹HAIHONG 016 .025 .026 .027. 028 .029 .030海乐HAILE 032. 047海燕HAIY AN 011. 023. 024 .033. 040. 043.053 .056. 079环宇HUANY 011.015. 023. 024. 033 .040. 043. 053. 056 .009. 057. 058虹美HONGMEI 003. 011. 016 .018 .023. 024. 025 .033 .040. 043. 056. 009.057 .058. 079红岩HONGY AN 011.033. 053. 056. 079菊花JUHUA011.023.024.033.040.43.053.056.079金海JINHAI 009.057.058金凤JINFENG 001.011.021.022金塔JINTA016.023.024.025.033.040.043.053.056.009.057.058.079金鹊JINQUE 011.025.016金雀JINQUE 032.033.053.056.079嘉华JIAHUA017.047.001.032昆仑KUNLUN 001.011.021.022.033.025.012.042.040.039凯歌KAIGE 011.016.023.024.025.033.040.043.053.056.079康力KANGLI 027.012.019.025.026.028.030.031.033.120康虹KANGHONG 009.058.057康立KANGLI 016.023024.025.040.043.011.026.029.042.005康艺KANGYI 016.025.033.053.056.079.121孔雀KONGQUE 011.016.023.024.025.033.040.041.043.124快乐KUAILE 016.025.033.053.056.079乐华ROWA011.016.023.024.025.040.043.096.127龙江LONGJIANG 011.033.053.056.079利华LIHUA011牡丹MUDAN 001.002.011.016.020.021.022.025.032.033.040.043.053.056.059.063.065.079美乐MEILE 011.023.024.033.040.043.053.056.009.057.058.079梦寐MENGMEI 023.024.040.043南声NANSHENG 011.033.053.056.079青岛QINGDAO 001.011.021.022.033.053.056.079如意RUYI 011.015.023.024.040.043神彩SHENCAI 007.016.025.033.053.056.079山茶SHANGCAI 011.033.053.056.079上海SHANGHAI 011.016.017.022.023.024.025.033.040.043.0053.056.009.057.058.079.123 韶峰SHAOFENG 011.015.000.006.007.023沈阳SHENGY AN 011.016.025.046.045.033塞格SAIGE 011.025.016松柏SONGBA016.025三元SANYUAN 003.011.016.018.023.024.025.040.043三键SANJIAN 033.053.056.079泰山TAISHAN 011.016.025.042.038.031.030.029.028.027天鹅TIANE 003.011.018通广TONGGUANG 033.053.056.079威牌WEIPAI 016.025翔宇XIANGYU 016.025.032西湖XIHU 011.023.024.033.038.040.43.053.079.098厦华XIAHUA011.016.024.027.025.033.053.054.055.056.06.098.080.095.079.073雪莲XUELIAN 023.024.040.043.009.057.058星海XINGHAI 016.025.033.053.056.079襄阳XIANGY ANG 033.053.056.079幸福XINGFU 016.025新日松009.057.058XINRISONG莺歌016.023.024.025.040.043YINGGE宇航016.025YUHANG永固016.23.024.025.040.043YONGGU永宝009.057.058.888.033.053.056.079YONGBAO珠海016.025.042ZHUHAI赣新011.017.023.024.040.041.043GANXIN华发HUAFA 007.016.025华强HUAQIANG 033.053.056.07 9杂牌机036.044.114ZAPAIJI飞跃011.016.023.024.025.040.043FEIYUE飞浪016.025FEILANG南宝016.025.033.053.056.009.057.058.059NANBAO飞燕033.053.056.079FEIY AN新思达123XINSIDA彩凌102CAILING高路华000.006.007.008.010.016.025.033.053.055.056.045.046.048.073.099 CONROWA豁达特技032.001.017.047.HUODA TEJI奥林匹亚033.053.056.079AOLINPIKE成都011.025CHENGDU长风011.053.056.045.046.024.079.033CHANGFENG长飞011.016.025.042.123CHANGFEI长海011.025.016.123CHANGHAI春兰142CHUNLAN春风016.025.033.053.056.079.124CHUNFENG春笋011.025.016.CHUNSUN东宝016.025.033.053.056.079.101.103TOBO东大016.025.DONGDA东海016.025.DONGHAI飞鹿011.016.025FEILU黄河011.016.023.024.025.040.043.125HUANGHE黄海美016.025HUANGHAIMEI黄山011.016.023.024.025.032.033..40.043.053.056.079HUANGSHAN黄龙016.025HUANGLONG华日007.033.053.056.079HUARIDS6315三合一万能型电视遥控器代码表(续一)国外电视:索尼SONY041 049.005.106松下(乐声)PANASONIC(NAYIONAL)020.001.002.014.015.021.022059.066.196.204.205.206.208.214.215.216.221.222夏普SHARP003.018.016.025.135.136.137三菱MITSUBISHI011.051.东芝TOSHIBA000.014.016.027.033.053.056.007.008.015.028.030.089.090.091.079NEC089.014三星SAMSUNG008.011.016.021.025.037..039.040.043.050.033.024051.091.123.113胜利JVC004三洋SANYO008.000.007.014.015.033.035.053.056.079.105.132.133.134 高土达GOLDSTAR009.019.023.024.040.043.098.140飞利浦PHILIPS013.023.024.039.040.043141爱华AIWA009.057.058JVC089日电NEC006.011.016.004.025.033.053.056.024.079大宇DAYU012.042.031LG040.043.140WARUMAIA031.012.042狮龙SHERWOOD016.025雅佳AKAI033.053.056.079皇冠033.053.056.012.019.025.026.027.028.029.030.031.042.079 IMPERIAL-COWN富土通FUJITSU048富丽FULI047尼康NIKON009.057.058优拉纳斯YONLANASI011.023.024.040.043奥林普AOLINGPU104佳丽彩JIALICAI016.025.028.033.053.056.079.124VCD部分:奇声QiSheng IRC-3039.IRC3030D, 300影之宝YingZhiBao , 301索尼SONY, VCP-K10, 302东大DONGDA, 303杂牌机ZAPAIJI, 304奇声QiSheng, 305杂牌机ZAPAIJI,306新科Shinco, RC-006 , 307奇声QiSheng,IRC3020A, 308万利达MALA TA, VCP-N28P, 309步步高BBK ,RCU-H, 310万利达MALA TA, VCP-N28F, 311新科Shinco, RC-12G, 312索尼SONY, RMT-M40A, 313索尼SONY, RMT-D109E, 314杂牌机ZAPAIJI, 315杂牌机ZAPAIJI,ANB-999, 316杂牌机ZAPAIJI,317杂牌机ZAPAIJI ,VCD-A300,318杂牌机ZAPAIJI,319RMS,VD-30A ,320奇声QiSheng,IRC-3000, 320杂牌机ZAPAIJI,321杂牌机ZAPAIJI, 多用2220-001, 322亿通YITONG, Rm2004,323DONGAN, 324奇声QiSheng,IRC-3028,325新科Shinco,RC-002 RC-12S,326新科Shinco ,RC-16H RC-012 RC-260,327长虹CHANGHONG,VK1A,328长虹CHANGHONG,329步步高BBK,DF058(A),330杂牌机ZAPAIJI,A9815,331健伍JIANGWU,RC-P0501,332安侨ANQIAO,RC-375DV,333帝禾DIW A,334日立HITACHI,SV-RMW1,335金格JINGE,336杂牌机ZAPAIJI,337厦新AMOI,RC-010 RC-010G,338飞利浦PHILIPS,339厦新AMOI,RC-012,340杂牌机ZAPAIJI,DVD,341长虹CHANGHONG ,VR4A,342爱多IDALL ,IV-730BK,343乐华ROWA,IV-830BK,343步步高BBK,AB007K,344厦新AMOI,RC-003,345步步高BBK,AB007K ,346新科Shinco,RC-08C,347爱多IDALL ,IV-820BK,348松下PANASONIC,RAK-SL429WH,349万利达MALA TA,UCP-N28K,350松下PANASONIC,RAK-SL208WH RAK-SLA04SH,351 万利达MALA TA,VCP-N30B,352松下PANASONIC,RAK-LX140WH,353万利达MALA TA,VCP-N28 VCP- N30,354厦新AMOI,355杂牌机ZAPAIJI,036飞利浦PHILIPS,357爱多IDALL,IV-3DBK,358东芝TOSHIBA,359爱华AIWA,360先科XIANKE,361先科XIANKE,362万利达MALA TA,VCP-N28B,363兆维ZHAOWEI,364长虹CHANGHONG,364杂牌机ZAPAIJI,365蚬华XIANHUA,VP-101D,366马士兰MaShiLan,RC500LV,367东芝TOSHIBA,VC-659 ,368爱多IDALL,RM-1,369东芝TOSHIBA,SE-R0037,370爱华AIWA,RC-8A T05,371先锋XIANFENG,CU-CLD151 CU-CLD145,372爱多IDALL,IV-620 ,373东芝TOSHIBA,RM-L8,374JVC,RM-RMV5U,375天龙TIANLONG,RC-543,376东鹏DONGPENG,CVD-970,377夏普SHARP,MV-K7000,378彩尼CAINI,VCD,379VICTOM,RM-SVD701,380杂牌机ZAPAIJI,381PHISONEET,382JVC,XL-M705,383RMS,384爱多IDALL ,308 320 330 350 385先锋XIANFENG,CU-DV003,386步步高BBK,AB903K,387金正NINTAUS,GVD-8801 N350D N350,388杂牌机ZAPAIJI,389金正NINTAUS,VCD-J301、J303、J306、J308 390 F100、J7836H.VCD-N135 步步高BBK AB-001A AB-007B 391新科Shinco,RC-007 RC-12E RC-12F RC-005RC-12B VCD-719 ,392爱多IDALL,IV-361BK 360BK,393索尼SONY,394厦新AMOI,RC-001,395健伍JIANGWU,RC-L0200 RC-L0300,396三星SAMSUNG,397金正NINTAUS ,VCD-J7001H VCD-6803H,398金正NINTAUS,PDVD-N768 DVD-N700 DVD-N701 DVDN926F,399DS6315三合一万能型电视遥控器代码表(续三)DVD部分:新科Shinco 409.460.461.462.463.465.466.467.468.469.470先科XIANKE 402.413.438.471.472.473.474.475步步高BBK 406.412.416.421.440.476.477.478.479.480.481.482万视达Malata 403.417.419.432.483.484.485金正NINTAUS 404.408.423.428.486.487.488厦新AMOI 107 114 189 190清华同方TSINGHUA TONGFANG 405.491德赛DEISAI 401.410.492.493.494奇声QiSheng 411.495.496.497.498.499TCL 400.430创维SKYWORTH-RGB 422.424帝禾Dlwa ,433飞乐FEIYUE ,429.492科泰KETAI ,434松鼎SongDing ,431爱浪AILANG,435. 439华宝HUABAO ,437熊猫PANDA,415TOSHIBA,418索尼SONY,456三水SHANSHUI,420SINGER ,425大宇DAYU,426主人ZHUREN ,427巨大JIUDA,436LG,441松下Panasonic ,442三星SAMSUNG ,443先峰XIANFENG,,444JVC,445万能遥控器的代码自定义搜索的方法:1、左手先按住“设置”键不松手,再用右手按一下“电源”键,指示灯变成长亮。
大众合众合chunghop万能电视遥控器代码表及使用方法说明书1大众合、众合c h u n g h o p万能电视遥控器代码表及使用方法说明书国内电视:长虹000. 008. 009. 091. 092. 093. 010. 011. 014. 016 .026. 028. 033. 051. 088.100.157.158.159. 160. 161. 180 .181. 185 .186 .191. 192 .210. 211. 212. 229. 230 .231 .232康佳011 .017 .029 .032 .034. 054 .067 .069 .071 .075 .076 .077 .078 .079 .080 .081 107 113 117. 173 .174. 175. 176. 189. 201. 202. 203. 217 .218. 220. 226 .267.236创维011. 025.033.045.046.060 .070. 017 .072. 073. 074. 079. 083.010 .107. 108 .109 162 163 .164 .165 .166 .167. 168. 169. 177. 224.225. 235. 246熊猫001. 011. 016. 021. 022. 023 .024 .025. 026. 028 .033 .040 .043. 053. 056.009. 057. 058 051. 061. 062.073. 079. 089. 091 .124 .125 .234.237. 238. 239 .240.241.242. 243. 244 245 247. 248 .249 .250. 251TCL 051.053 .068. 071 .073. 082 .083.084 .085. 110 .111 .170 .171. 172.178. 179 .187.188.197 .198.199. 200 .233海尔103 .112 .118 .119. 150. 151 .152 .153 .154 .155 .156. 182. 183. 184. 193. 194 .213 .228海信000. 006 .007. 008. 010 .014 .015. 025. 045. 046 .103. 105. 107 .115 .116 .128. 129.130.131 138 .139.150 .151 .152 .153 .154 .155 .156 .182 .183 .184 .193 .1 94 .213 .228金星007. 008. 011 .013. 024. 025. 032. 033 .039 .051 .065 .071 .073. 079 .091 .097 .138福日007 .011 .015 .023.024. 028. 033. 034. 040. 043. 053. 056. 060 .061 .065 .079安华ANHUA 017. 001. 032. 047百花BAIHUA 016. 025 .033 .053. 056. 079百合花BAIHEHUA 023. 024. 040. 043百乐BAILE 016. 025. 012 .019. 026. 027.028. 029 .030. 031. 042 宝声BAOSHENG 011. 025. 016北京008 .012.011. 019 .016. 023. 024. 025. 027 .028.029 .030. 031. 033 .044 .043 .050 .053 .056 .026 .079.091 .039. 042.051. 021. 122 .126宝花石BaoHuaShi 033.053.056. 079彩虹CAIHONG 011. 025. 016彩星CAIXING 023. 024. 040 .043长城011 .016 .017. 023 .024 .025.033. 040 .043 .053. 056 .001 .012. 029 .027 .026.028 .029.030031 .042. 079海虹HAIHONG 016 .025 .026 .027. 028 .029 .030海乐HAILE 032. 047海燕HAIYAN 011. 023. 024 .033. 040. 043.053 .056. 079环宇HUANY 011.015. 023. 024. 033 .040. 043. 053. 056 .009. 057. 058虹美HONGMEI 003. 011. 016 .018 .023. 024. 025 .033 .040. 043. 056. 009.057 .058. 079红岩HONGYAN 011.033. 053. 056. 079菊花JUHUA 011.023.024.033.040.43.053.056.079金海JINHAI 009.057.058金凤JINFENG 001.011.021.022金塔JINTA 016.023.024.025.033.040.043.053.056.009.057.058.079 金鹊JINQUE 011.025.016金雀JINQUE 032.033.053.056.079嘉华JIAHUA 017.047.001.032昆仑KUNLUN 001.011.021.022.033.025.012.042.040.039凯歌KAIGE 011.016.023.024.025.033.040.043.053.056.079康力KANGLI 027.012.019.025.026.028.030.031.033.120康虹KANGHONG 009.058.057康立KANGLI 016.023024.025.040.043.011.026.029.042.005康艺KANGYI 016.025.033.053.056.079.121孔雀KONGQUE 011.016.023.024.025.033.040.041.043.124快乐KUAILE 016.025.033.053.056.079乐华ROWA 011.016.023.024.025.040.043.096.127龙江LONGJIANG 011.033.053.056.079利华LIHUA 011牡丹MUDAN 001.002.011.016.020.021.022.025.032.033.040.043.053.056.059.063.065.079美乐MEILE 011.023.024.033.040.043.053.056.009.057.058.079梦寐MENGMEI 023.024.040.043南声NANSHENG 011.033.053.056.079青岛QINGDAO 001.011.021.022.033.053.056.079如意RUYI 011.015.023.024.040.043神彩SHENCAI 007.016.025.033.053.056.079山茶SHANGCAI 011.033.053.056.079上海SHANGHAI 011.016.017.022.023.024.025.033.040.043.0053.056.009.057.058.079.123韶峰SHAOFENG 011.015.000.006.007.023沈阳SHENGYAN 011.016.025.046.045.033塞格SAIGE 011.025.016松柏SONGBA 016.025三元SANYUAN 003.011.016.018.023.024.025.040.043三键SANJIAN 033.053.056.079泰山TAISHAN011.016.025.042.038.031.030.029.028.027天鹅TIANE 003.011.018通广TONGGUANG 033.053.056.079威牌WEIPAI 016.025翔宇XIANGYU 016.025.032西湖XIHU 011.023.024.033.038.040.43.053.079.098厦华XIAHUA 011.016.024.027.025.033.053.054.055.056.06.098.08 0.095.079.073雪莲XUELIAN 023.024.040.043.009.057.058星海XINGHAI 016.025.033.053.056.079襄阳XIANGYANG 033.053.056.079幸福XINGFU 016.025万能遥控器使用方法代码自定义搜索万能遥控器的代码自定义搜索的方法:1、左手先按住“设置”键不松手,再用右手按一下“电源”键,指示灯变成长亮。
THL32BF6C万能遥控代码
方法一:
1. 将电视机打开,遥控器对准电视,按住【设置】键不放(约几秒),直至指示灯亮起后松开。
2. 接着每按一次【音量+】键或【音量—】键,遥控器会发射一次码,且指示灯会闪烁一次,反复此操作,直至电视机上出现【音量】符号,然后按一下【设置】键完成,此时指示灯灭。
3. 检查各键功能是否正常,如有不正常重新设置,直至找到最正确的代码。
注:【音量+】键是向前搜索,【音量—】键是向后搜索,搜索中可相互切换,如用【音量+】在搜索时,出现【音量】符号时没有及时停止,可用【音量—】及时找回。
方法二:
1. 从代码表中查出代表要遥控的电视机相应的三位数代码。
2. 按住【设置】键不放(约几秒)直至指示灯亮起,松开【设置】键。
3. 输入查出的三位数代码,每输入一位数,指示灯闪烁一下,三维数字输入完毕,指示灯灭,设置完毕。
注:若是查出的代码不止一组,先选用第一组代码,若是电视机品牌不在此代码表中,则试试第一种或第三种方法。
若是出现连续闪
烁二次或二次以上,则表示输入的代码错误,需要重新输入三位数代码。
方法三:
1. 将电视机打开,遥控器对准电视机,按住【设置】键不放(约几秒),直至指示灯亮起并松开。
2. 按一下【电源】键,指示灯不断闪烁,进入自动化搜索,当电视机出现【静音】符号时,立即按两次【设置】键,指示灯灭,搜索代码完毕。
3. 检查各键功能是否正常,如有不正常,则重新设置,直至找到最正确的代码。
万能电视遥控器代码表及
使用方法说明书
This model paper was revised by the Standardization Office on December 10, 2020
大众合、众合chunghop万能电视遥控器代
码表及使用方法说明书
作者:佚名来源:本站整理发布时间:2009-8-1 16:33:52[] []
大众合、众合chunghop万能电视遥控器代码表及使用方法说明书
国内电视:
长虹 000. 008. 009. 091. 092. 093. 010. 011. 014. 016 .026. 028. 033. 051. .159. 160. 161. 180 .181.
185 .186 .191. 192 .210. 211. 212. 229. 230 .231 .232
康佳 011 .017 .029 .032 .034. 054 .067 .069 .071 .075 .076 .077 .078 .079 .080 .081 107 113 117. 1
73 .174. 175. 176. 189. 201. 202. 203. 217 .218. 220. 226 .
创维 011. 025.033. .070. 017 .072. 073. 074. 079. .107. 108 .109 162 163 .164 .165 .166 .167. 168.
169. 177. . 235. 246
熊猫 001. 011. 016. 021. 022. 023 .024 .025. 026. 028 .033 .040 .043. 053. . 057. 058 051. 061. . 07
9. 089. 091 .124 .125 .. 238. 239 . 243. 244 245 247. 248 .249 .250. 251
TCL .068. 071 .073. 082 . .085. 110 .111 .170 .171. . 179 . .. 200 .233 海尔 103 .112 .118 .119. 150. 151 .152 .153 .154 .155 .156. 182. 183. 184. 193. 194 .213 .228
海信 000. 006 .007. 008. 010 .014 .015. 025. 045. 046 .103. 105. 107 .115 .116 .128. 138 . .151 .15
2 .15
3 .15
4 .15
5 .15
6 .182 .183 .184 .193 .194 .213 .228
金星 007. 008. 011 .013. 024. 025. 032. 033 .039 .051 .065 .071 .073. 079 .091 .097 .138 福日 007 .011 .015 .023.024. 028. 033. 034. 040. 043. 053. 056. 060 .061 .065 .079
安华ANHUA 017. 001. 032. 047
百花BAIHUA 016. 025 .033 .053. 056. 079
百合花BAIHEHUA 023. 024. 040. 043
百乐BAILE 016. 025. 012 .019. 026. . 029 .030. 031. 042
宝声BAOSHENG 011. 025. 016
北京 008 .012.011. 019 .016. 023. 024. 025. 027 . .030. 031. 033 .044 .043 .050 .053 .056 .026 . .03
9. . 021. 122 .126
宝花石BaoHuaShi 079
彩虹CAIHONG 011. 025. 016
彩星 CAIXING 023. 024. 040 .043
长城 011 .016 .017. 023 .024 .025.033. 040 .043 .053. 056 .001 .012. 029 .027 . .
031 .042. 079
海虹HAIHONG 016 .025 .026 .027. 028 .029 .030
海乐HAILE 032. 047
海燕HAIYAN 011. 023. 024 .033. 040. .056. 079
环宇HUANY 011.015. 023. 024. 033 .040. 043. 053. 056 .009. 057. 058 虹美HONGMEI 003. 011. 016 .018 .023. 024. 025 .033 .040. 043. 056. 009.057 .058. 079
红岩HONGYAN 011.033. 053. 056. 079
菊花JUHUA 011.023.024..
金海 JINHAI 009.057.058
金凤JINFENG 001.011.021.022
金塔JINTA 016.023.024...
金鹊 JINQUE 011.025.016
金雀JINQUE .079
嘉华JIAHUA 017.047.001.032
昆仑KUNLUN 001.011.021..
凯歌KAIGE 011.016.023..
康力KANGLI ..
康虹KANGHONG 009.058.057
康立KANGLI ..005
康艺KANGYI 016.025.033.
孔雀KONGQUE 011.016.023..
快乐KUAILE 016.025.033.
乐华ROWA 011.016.023..
龙江LONGJIANG 011.033.053.
利华LIHUA 011
牡丹MUDAN 001.002.011....
美乐MEILE 011.023.024 (079)
梦寐MENGMEI 023.024.040.043 南声NANSHENG 011.033.053. 青岛QINGDAO 001.011.021..079 如意RUYI 011.015.023.
神彩SHENCAI 007.016.025.
山茶SHANGCAI 011.033.053. 上海SHANGHAI 011.016.017... 韶峰SHAOFENG 011.015.000. 沈阳SHENGYAN 011.016.025.
塞格SAIGE 011.025.016
松柏SONGBA
三元SANYUAN 003.011.016..
三键SANJIAN
泰山TAISHAN 011.016.025..
天鹅TIANE 003.011.018
通广TONGGUANG
威牌WEIPAI
翔宇XIANGYU 016.025.032
西湖XIHU 011.023.024..
厦华XIAHUA 011.016.024 (073)
雪莲XUELIAN 023.024.040.
星海XINGHAI 016.025.033.
襄阳XIANGYANG
幸福XINGFU
万能遥控器使用方法代码自定义搜索
万能遥控器的代码自定义搜索的方法:
1、左手先按住“设置”键不松手,再用右手按一下“电源”键,指示灯变成长亮。
2、输入三个“0”,使指示灯熄灭,这时遥控器的代码为“000”
3、再重复第一条所说,使指示灯长亮
4、将遥控器对准电视机的接收窗,开始按遥控器的“音量+”键,按一下数一下写数字,“1、2、3、4、5、6、 (3)
00”,耐心点,直接接某一个数字后,电视机出现了“音量指示线”,就松开遥控器按钮,并记下该数字,这个数字就是
你的电视机的“代码”。
5、按一下“设置”键,指示灯熄灭。
6、试验一下代码:重复第一条,使灯长亮,输入代码(三位数)
注意:代码必须是三位数,例如,如果代码为“8”,则是“008”,如果代码是“68”则是“068”,如果代码为“156”则是
“156”。