铁路桥梁曲线布置
- 格式:doc
- 大小:28.50 KB
- 文档页数:3
铁路曲线桥布置铁路曲线桥布置基本原理梁和桥台在曲线上的布置形式桥梁位于曲线上,线路中线为具有⼀定半径的圆曲线或缓和曲线,⽽预制梁的中线为直线,这就要求梁中线必须随着线路中线的弯曲形成与线路曲线基本相符的连续折线,如下图所⽰。
这条连续折线称为曲线桥梁的⼯作线,其顶点为相邻两梁中线的交点,相邻两交点之间的⽔平距离,称为交点距,亦称墩中⼼距或跨距,以L表⽰。
在曲线桥上,桥梁⼯作线为折线,线路中线为曲线,两者并不重合,列车通过时,桥梁必然承受偏⼼荷载离⼼⼒作⽤。
为了使桥梁承受较⼩的偏⼼荷载,桥梁设计中,每孔梁中⼼线的两个端点并不位于线路中⼼线上,⽽必须将梁的中线向曲线外侧移动⼀段距离。
根据跨长及曲线半径,梁中线向曲线外侧所移动的距离,可以等于以梁长为弦线的中⽮值,此布置⽅式称为切线布置,如图(a)所⽰;也可以等于该中⽮值的⼀半,称为平分中⽮布置,如图(b)所⽰。
两种布置形式⽐较,平分中⽮布置较为有利,铁路曲线桥基本上都采⽤这种布置形式。
偏距E 的计算在曲线桥上,梁的中线由弦线位置,向曲线外侧移动的⼀段距离称为偏距,并以E 表⽰。
由于曲线半径很⼤,相邻两跨梁中线的偏转⾓很⼩,故可以认为偏距E 就是桥梁⼯作线各转折点相对线路中线外移的距离。
圆的周长=π*D=2πR 将圆⼼⾓分成360份,每1份的弧长为 1*2πR/360,如果圆⼼⾓度是n 度,对应的弧长为n*2πR/360 即:弧长L=n*2πR/360=n*πR/180 n 为圆⼼⾓圆⼼⾓n=360*L/(2πR )=180*L/(πR )圆周⾓A=n/2=90*L/(πR )在圆曲线上,切线布置的梁,其外失距为: E=R-R*cos(90*L/π/R) 或E=L 2/8R若为平分中⽮布置,其偏距为:RL E 162在缓和曲线上,切线布置的梁,其外失距为:图1-1-2028l l R L E i ?=若为平分中⽮布置,则偏距为:0216l l R L E i ?=式中,L 为交点距也等于弧长、R 为圆曲线半径、l i 为ZH (或HZ )⾄计算点的距离、l 0为缓和曲线长。
浅谈铁路曲线桥坐标及相关参数计算————————————————————————————————作者:————————————————————————————————日期:浅谈铁路曲线桥坐标及相关参数计算井昭义中交一公局张呼客专五标一分部【摘要】铁路曲线桥与直线桥相比桥墩、台坐标计算要复杂得多,涉及的内容也较多,本文结合张呼铁路工程实例,对铁路曲线桥坐标、参数计算提出了具体建议。
【关键词】铁路;曲线桥;坐标、参数计算;新建张家口至呼和浩特铁路站前工程ZHZQ-5合同段一分部管段DK167+550~DK179+950,起于集宁新区六间房村,而后经察哈尔右翼前旗止于卓资山县芦家卜子村,全长12.4km,特大桥2137.66m/2座、大桥706.44m/2座、中桥112.6m/1座,其中曲线桥3座,直线桥2座。
直线桥坐标计算较为简单,在此不进行详细说明,下面以西土外大桥为例进行曲线桥坐标、参数计算。
西土外大桥位于内蒙古乌兰察布市西土坑村西南,起止里程为DK178+163.13~DK178+373.97,桥中心里程为DK178+268.55,全长210.84m,孔跨类型为6-32.6m简支梁。
桥台采用双线矩形空心桥台,桥墩1~5号墩采用圆端形实体桥墩,桥墩台桩基础采用钻孔灌注桩,1~5墩范围简支梁固定支座设于每孔跨的小里程侧,横向活动支座均设置于线路右侧。
曲线布置采用平分中矢法,按左线中心线里程进行计算、绘图,左右线线间距4.6m,桥墩中心线与线路中心线之间的距离等于曲线偏距E。
相关设计数据如下图所示:设在曲线上的简支梁桥,每孔梁仍是直的,于是各孔梁中线的连接线为折线,以适应梁上曲线线路需要,而线路中线为曲线,两者并不重合,简支梁中心线总是偏在线路中线内侧,当列车通过时,桥梁必然承受偏心荷载。
为使桥梁承受较小的偏心荷载,桥梁设计中,每孔梁中心线的两个端点并不位于线路中心线上,而是将梁的中线向曲线外侧移动一段距离。
小半径曲线双线T梁横向湿接缝布置形式研究摘要:对于双线T梁桥梁,横向存在三处湿接缝,常规的调整方式有两种:①仅调整中央湿接缝,两侧湿接缝宽度不变;②根据△调整中央湿接缝,根据2E 调整两侧湿接缝。
计算采用BSAS计算软件进行分析,研究了不同湿接缝布置形式对于双线小半径曲线T梁支反力、预应力刚束布置等的影响。
针对T梁适用最小曲线半径R<1000m时,横向湿接缝加宽形式影响较大的现象,提出小半径曲线上双线T梁横向布置采用加宽各湿接缝(②)的布置形式的建议,以使结构受力更为合理,造价更为经济。
关键词:小半径曲线;双线T梁;横向湿接缝1.概述铁路专用线是近几年快速发展的铁路建设形式之一,同时国家颁布了《铁路专用线设计规范(试行)》[1],在实际应用中,为了达到更加经济、合理的使用需求,铁路专用线桥梁常常面临小半径曲线工况,研究小小半径曲线双线T梁横向湿接缝布置形式有很强的紧迫性和必要性。
目前使用的铁路简支T梁均由多片(单线2片,双线4片)预制后张法T梁组成,吊装到位后现场浇筑横隔板及桥面板连接湿接缝。
其布置形式如下(1)单线(2)双线图1 铁路简支T梁湿接缝布置形式在曲线段落,由于存在曲线加宽(加宽值为2E)及线间距加宽(双线并行情况下存在,值设为△),需要相应调整T梁的横向布置以满足适用要求。
对于单线桥梁,调整中央湿接缝,使调整后的宽度满足适用要求即可。
对于双线桥梁,由于其横向存在三处湿接缝,常规的调整方式有两种:①仅调整中央湿接缝,两侧湿接缝宽度不变;②根据△调整中央湿接缝,根据2E调整两侧湿接缝。
位于曲线上的简支梁,由于线路中线和梁中线的偏移、离心力的作用,导致的每片梁各截面的弯矩和剪力较直线上梁增大(或减小)[2]。
当曲线半径小时,每片梁间各截面的弯矩和剪力愈加明显,影响也不可忽略。
本文以32m双线简支T梁为例,就上文中两种不同湿接缝布置形式,对曲线半径600m≤R≤1200m工况下的受力及影响进行了研究,并以直线梁受力进行了对比。
第一部分桥梁在曲线上的布置一、梁的布置与基本概念1梁的布置设在曲线上的钢筋混凝土简支梁式桥,每孔梁仍是直的,于是各孔梁中线的连接线成为折线,以适应梁上曲线线路之需要。
但若按图1所示布置,使线路中线与梁的中线在梁端相交,则由图可以看出,线路中线总是偏在梁跨中线的外侧,当列车过桥时,外侧那片梁必然受力较大;况且列车运行时要产生离心力,使外侧的一片梁受力较大的现象更加严重。
为了使两片梁受力较为均衡,合理的布置方案应把梁的中线向曲线外侧适当移动。
一般情况下梁的布置有两种方案:⑴平分中矢布置:在跨中处梁的中线平分矢距f,即梁的中线与线路中线的偏距f1=f/2;在桥墩中线处梁的中线与线路中线的偏距E=f/2。
这种布置的特点是内外侧两片梁的偏距相同(f1=E=f/2),故两片梁的人行道加宽值相等。
⑵切线布置:在跨中处梁的中线与线路中线相切,即偏距f1=0;在桥墩中心处梁的中线与线路中线的偏距为E=f。
12图1 梁的中线连成折线示意1----线路中线 2-----梁的中线2基本概念桥梁工作线:在曲线上的桥,各孔梁中心线的连线是一折线,称桥梁工作线,与线路中线不一致,如图2,AB-BC是桥梁工作线,abc是线路中线。
桥墩中心:两相邻梁中心线之交点是桥墩中心,如图2中的A,B及C各点。
基本概念中所述均指桥墩无预偏心的情况(见桥墩布置图3);有预偏心时见桥墩布置图4,桥墩中心在偏距的基础上再向曲线外侧偏移一距离,偏移距离详见设计图。
桥墩轴线:过桥墩中心作一直线平分相邻二孔梁中心线的夹角,这个角平分线即桥墩横轴(又称横向中线),如图2中的Bb;过桥墩中心作桥墩横轴的垂线为桥墩纵轴(又称纵向中线)。
桥墩中心里程:桥墩横轴与线路中线之交点称桥墩中心在线路中线上的对应点,如图2中的a、b及c点。
桥墩中心里程即以其对应点的里程表示之。
偏距E:桥墩中心与其对应点之间的距离称为偏距,如图2的Aa、Bb及Cc;偏距的大小由梁长及曲线半径决定之。
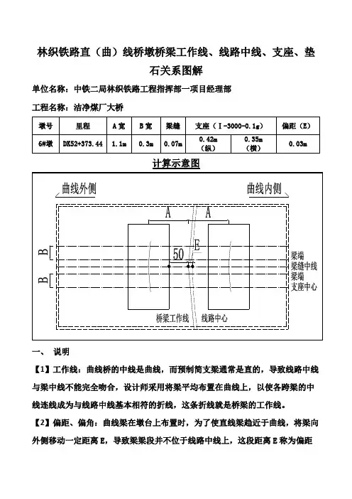
林织铁路直(曲)线桥墩桥梁工作线、线路中线、支座、垫
石关系图解
单位名称:中铁二局林织铁路工程指挥部一项目经理部
工程名称:洁净煤厂大桥
计算示意图
一、说明
【1】工作线:曲线桥的中线是曲线,而预制简支梁通常是直的,导致线路中线与梁中线不能完全吻合,设计师采用将梁平均布置在曲线上,以使各跨梁的中线连线成为与线路中线基本相符的折线,这条折线就是桥梁的工作线。
【2】偏距、偏角:曲线梁在墩台上布置时,为了使直线梁趋近于曲线,将梁向外侧移动一定距离E,导致梁梁段并不位于线路中线上,这段距离E称为偏距
(偏距E值由各工点桥梁曲线布置表查取)。
【3】曲线桥梁支座的布置:从理论角度将一个直线桥墩上的所有垫石均呈矩形布置(各垫石相互平行),而曲线桥的所有垫石则呈扇形布置。
但是,无论在直线或曲线桥上,桥梁支座垫石的横轴始终与桥梁工作线(即直线简支梁的纵轴)垂直。
第一部分桥梁在曲线上的布置一、梁的布置与基本概念1梁的布置设在曲线上的钢筋混凝土简支梁式桥,每孔梁仍是直的,于是各孔梁中线的连接线成为折线,以适应梁上曲线线路之需要。
但若按图1所示布置,使线路中线与梁的中线在梁端相交,则由图可以看出,线路中线总是偏在梁跨中线的外侧,当列车过桥时,外侧那片梁必然受力较大;况且列车运行时要产生离心力,使外侧的一片梁受力较大的现象更加严重。
为了使两片梁受力较为均衡,合理的布置方案应把梁的中线向曲线外侧适当移动。
一般情况下梁的布置有两种方案:⑴平分中矢布置:在跨中处梁的中线平分矢距f,即梁的中线与线路中线的偏距f1=f/2;在桥墩中线处梁的中线与线路中线的偏距E=f/2。
这种布置的特点是内外侧两片梁的偏距相同(f1=E=f/2),故两片梁的人行道加宽值相等。
⑵切线布置:在跨中处梁的中线与线路中线相切,即偏距f1=0;在桥墩中心处梁的中线与线路中线的偏距为E=f。
12图1 梁的中线连成折线示意1----线路中线 2-----梁的中线2基本概念桥梁工作线:在曲线上的桥,各孔梁中心线的连线是一折线,称桥梁工作线,与线路中线不一致,如图2,AB-BC是桥梁工作线,abc是线路中线。
桥墩中心:两相邻梁中心线之交点是桥墩中心,如图2中的A,B及C各点。
基本概念中所述均指桥墩无预偏心的情况(见桥墩布置图3);有预偏心时见桥墩布置图4,桥墩中心在偏距的基础上再向曲线外侧偏移一距离,偏移距离详见设计图。
桥墩轴线:过桥墩中心作一直线平分相邻二孔梁中心线的夹角,这个角平分线即桥墩横轴(又称横向中线),如图2中的Bb;过桥墩中心作桥墩横轴的垂线为桥墩纵轴(又称纵向中线)。
桥墩中心里程:桥墩横轴与线路中线之交点称桥墩中心在线路中线上的对应点,如图2中的a、b及c点。
桥墩中心里程即以其对应点的里程表示之。
偏距E:桥墩中心与其对应点之间的距离称为偏距,如图2的Aa、Bb及Cc;偏距的大小由梁长及曲线半径决定之。
第一部分桥梁在曲线上的布置一、梁的布置与基本概念1梁的布置设在曲线上的钢筋混凝土简支梁式桥,每孔梁仍是直的,于是各孔梁中线的连接线成为折线,以适应梁上曲线线路之需要。
但若按图1所示布置,使线路中线与梁的中线在梁端相交,则由图可以看出,线路中线总是偏在梁跨中线的外侧,当列车过桥时,外侧那片梁必然受力较大;况且列车运行时要产生离心力,使外侧的一片梁受力较大的现象更加严重。
为了使两片梁受力较为均衡,合理的布置方案应把梁的中线向曲线外侧适当移动。
一般情况下梁的布置有两种方案:⑴平分中矢布置:在跨中处梁的中线平分矢距f,即梁的中线与线路中线的偏距f1=f/2;在桥墩中线处梁的中线与线路中线的偏距E=f/2。
这种布置的特点是内外侧两片梁的偏距相同(f1=E=f/2),故两片梁的人行道加宽值相等。
⑵切线布置:在跨中处梁的中线与线路中线相切,即偏距f1=0;在桥墩中心处梁的中线与线路中线的偏距为E=f。
(f=R-R*COS(α/2))12图1 梁的中线连成折线示意1----线路中线 2-----梁的中线2基本概念桥梁工作线:在曲线上的桥,各孔梁中心线的连线是一折线,称桥梁工作线,与线路中线不一致,如图2,AB -BC是桥梁工作线,abc是线路中线,E=F/2*1/COS(α/2)桥墩中心:两相邻梁中心线之交点是桥墩中心,如图2中的A,B及C各点。
基本概念中所述均指桥墩无预偏心的情况(见桥墩布置图3);有预偏心时见桥墩布置图4,桥墩中心在偏距的基础上再向曲线外侧偏移一距离,偏移距离详见设计图。
桥墩轴线:过桥墩中心作一直线平分相邻二孔梁中心线的夹角,这个角平分线即桥墩横轴(又称横向中线),如图2中的Bb;过桥墩中心作桥墩横轴的垂线为桥墩纵轴(又称纵向中线)。
桥墩中心里程:桥墩横轴与线路中线之交点称桥墩中心在线路中线上的对应点,如图2中的a、b及c点。
桥墩中心里程即以其对应点的里程表示之。
偏距E:桥墩中心与其对应点之间的距离称为偏距,如图2的Aa、Bb及Cc;偏距的大小由梁长及曲线半径决定之(E=L2/16R,L梁长,R曲线半径)。
工程测量学试题及答案1、提高点位平面放样精度的措施有非常多,请列举三种措施盘左盘右分中法、归化法放样,采纳高精度的全站仪;2、线路断链分为长链和短链两种类型,产生线路断链的基本缘故要紧有外业断链和内业断链;3、隧道贯穿误差分为横向贯穿误差,纵向贯穿误差,高程贯穿误差;4、隧道洞内操纵测量普通采纳单导线、导线环、交叉导线(4、主副导线) 等导线形式。
1.导线操纵点补测和位移办法可采纳(交合法,导线测量法),位移和补测的导线点的高程可用(水准测量)和(三角高程测量)的办法举行测定2。
当路基填挖到一定的高度和深度后,会浮现导线点之偶尔导线点与线路中线之间别通视的事情,能够挑选通视条件好的地势(自由设站)测站,测站坐标能够按(交合法)或(导线测量法)确定。
3。
隧道洞内施工时以(隧道中心)为依据举行的,所以需要依照(隧道中线)操纵隧道掘进方向。
4。
路基横断面的超高方式:(线路中线,分隔带边缘线,线路内测)等。
5。
曲线隧道洞内施工时需要注意(线路中线)与隧道结构中心线的别同,所以需要依照(隧道结构中心线)操纵隧道掘进方向。
6。
要建立路基三维模型,需要从(线路平面中心线,线路纵断面,线路横断面)等三个角度去建立。
依照设计资料提供的(路基横断面、设计纵断面)等资料,并采纳(线性插值)的办法能够绘制任意路基横断面设计线,再利用全站仪(对边测量)测量办法能够得到该路基横断面。
7。
导线操纵点的补测和位移办法可采纳(交会法、导线法),移位和补测的导线点的高程可用(水准测量和三角高程测量)的办法举行测定。
8。
当路基填挖到一定高度和深度后,会浮现导线点之偶尔导线点与线路中线点之间别通视事情,能够选择通视条件良好的地势(自由设站)测站,测站坐标能够按(交会法或导线法)办法确定。
9。
列出两种提高桥涵结构物平面点位放样精度的办法有(角度分中法放样、归化法放样)10。
路基施工施工时,列出三种电位高程放样的办法(水准放样法、GPS高程放样法、三角高程放样法)简答题1。
浅谈铁路曲线桥梁墩台支座垫石坐标计算方法张燕陈雄文摘要:桥梁墩、台及支承垫石中心坐标的准确计算和测设是桥梁施工成败的核心技术之一。
本文重点介绍了铁路曲线桥梁墩、台定位的相关计算问题,并以兰渝铁路LYS-13标段张家磨房大桥为实例,详细阐述了曲线桥梁墩、台支承垫石中心的坐标计算,供大家参考学习。
关键词:曲线桥梁墩台支座定位1 引言我公司承担的兰渝铁路LYS-13标段南充东至高兴段,有17座桥梁,13座桥梁位于半径1200m到7000m的曲线上,简支T梁均采用平分中矢的方式布置。
施工中过程中,需要在曲线上进行大量的支座垫石放样,但直线桥和曲线桥放样有着一定的差别,现场施工放样常常由于概念不清、思路不明导致出错,造成架桥工作不能顺利开展和成本的增加。
现以兰渝铁路张家磨房大桥施工放样为例,对曲线桥梁支座垫石放样进行详细阐述。
2 曲线桥梁的几个概念2.1 桥梁工作线曲线桥的中线是曲线,而预制梁通常是直的,导致线路中线与梁中线不能完全吻合,设计时采用将梁平均布置在曲线上,以使各跨梁的中线连线成为与线路中线基本相符的折线,这条折线就是桥梁的工作线。
2.2 偏距与偏角曲线梁在墩台上布置时,为了使直线梁趋近于曲线,将梁向外侧移动一定距离E,致使梁两端并不位于线路中线上,这段距离E就称为偏距,对于平分中矢法,偏距E就等于中矢值的一半,对于切线布置法E就等于中矢值。
而相邻两跨梁中心线的交角则称为偏角。
图1 平分中矢布置图2 切线布置2.3 曲线桥梁支座垫石的布置从理论角度讲一个直线桥墩上的所有垫石均呈矩形布置(各垫石相互平行),而曲线桥的所有垫石则呈扇形布置。
但是,无论在直线桥或是曲线桥上,桥梁支座垫石的横轴线始终与桥梁工作线(即直线简支梁的纵轴线)垂直,其几何关系如图所示。
3 支座垫石坐标计算3.1 墩台中心坐标及桥梁工作线的坐标方位角计算以ZH 点作为坐标原点,切线方向为x 轴,直径方向为y 轴,建立直角坐标系统,这里我们定义为 “本坐标系统”。
铁路桥梁一般设计原则一、一般桥涵设计原则(一) 桥涵水文、孔径设计原则1、大中桥冲刷采用《铁路工程水文勘测设计规范》公式计算;对于平原及山区稳定河段或卵石河床,一般冲刷可采用包氏公式计算。
2、岩石河床的冲刷深度,可参照《桥渡水文》手册“岩石上桥墩基础冲刷及基底埋置深度参考数据表”确定。
3、对于洪水已达桥台的桥梁,必须进行桥台冲刷计算。
4、桥台锥体坡脚处建桥前的天然流速,一般不宜大于2.0m/s,否则应增加桥长。
(二) 桥梁布置一般原则1、计算立交桥净高时,无论铁路在上在下,均应考虑墩台沉降及铁(公) 路抬高的可能,铁路留0.1~0.2m,公路留0.2~0.3m。
2、当跨越的铁路或道路位于曲线时,立交桥下净空除按铁路或道路的曲线规定加宽外,还应考虑超高的影响。
同时还应考虑铁(道) 路纵坡的影响。
3、山区地形复杂,地面纵横坡陡峻,桥梁布置应注意桥基和山体的稳定性,尽量避免在山坡堆积层上布置墩台。
4、为避免修建桥头大锥体,宜适当延长桥孔,采用挖方台。
5、墩台位置应按桥址地形图和大比例尺的局部地形图,及带地质资料的辅助断面确定,防止基础悬空,或地基软硬不一。
横断面没有地质资料的工点,参照地质孔平行推算各层承载力。
6、墩台设置应注意土体稳定,相邻两墩台的基底高程,不宜相差过大,建在非岩石地基上的明挖基础,相邻两基础底相互之间的连线与水平线的夹角不得大于土的内摩擦角,并不得大于30度。
7、跨越高等级公路时,路基边坡尽量不设置桥墩。
桥墩基础施工时尽可能不破坏公路路肩。
承台可斜交设置。
8、跨路进行净空检算时,应检查吊篮是否影响净空,困难条件下可不设。
9、除受控制点影响外,尽量按等跨布置。
10、为避免引起线间距的增加,桥梁尽量不采用错线布置。
11、跨越高速公路及其连接线的桥梁,桥墩设在边坡上时,应征得高速公路管理部门的意见;连续梁采用悬浇法施工时,应与公路管理部门协商挂篮下通行高度,并取得书面意见,否则挂篮下净高按线路专业提供的永久高度计。
第一部分桥梁在曲线上的布置一、梁的布置与基本概念1梁的布置设在曲线上的钢筋混凝土简支梁式桥,每孔梁仍是直的,于是各孔梁中线的连接线成为折线,以适应梁上曲线线路之需要。
但若按图1所示布置,使线路中线与梁的中线在梁端相交,则由图可以看出,线路中线总是偏在梁跨中线的外侧,当列车过桥时,外侧那片梁必然受力较大;况且列车运行时要产生离心力,使外侧的一片梁受力较大的现象更加严重。
为了使两片梁受力较为均衡,合理的布置方案应把梁的中线向曲线外侧适当移动。
一般情况下梁的布置有两种方案:⑴平分中矢布置:在跨中处梁的中线平分矢距f,即梁的中线与线路中线的偏距f1=f/2;在桥墩中线处梁的中线与线路中线的偏距E=f/2。
这种布置的特点是内外侧两片梁的偏距相同(f1=E=f/2),故两片梁的人行道加宽值相等。
⑵切线布置:在跨中处梁的中线与线路中线相切,即偏距f1=0;在桥墩中心处梁的中线与线路中线的偏距为E=f。
(f=R-R*COS(α/2))12图1 梁的中线连成折线示意1----线路中线 2-----梁的中线2基本概念桥梁工作线:在曲线上的桥,各孔梁中心线的连线是一折线,称桥梁工作线,与线路中线不一致,如图2,AB -BC是桥梁工作线,abc是线路中线,E=F/2*1/COS(α/2)桥墩中心:两相邻梁中心线之交点是桥墩中心,如图2中的A,B及C各点。
基本概念中所述均指桥墩无预偏心的情况(见桥墩布置图3);有预偏心时见桥墩布置图4,桥墩中心在偏距的基础上再向曲线外侧偏移一距离,偏移距离详见设计图。
桥墩轴线:过桥墩中心作一直线平分相邻二孔梁中心线的夹角,这个角平分线即桥墩横轴(又称横向中线),如图2中的Bb;过桥墩中心作桥墩横轴的垂线为桥墩纵轴(又称纵向中线)。
桥墩中心里程:桥墩横轴与线路中线之交点称桥墩中心在线路中线上的对应点,如图2中的a、b及c点。
桥墩中心里程即以其对应点的里程表示之。
偏距E:桥墩中心与其对应点之间的距离称为偏距,如图2的Aa、Bb及Cc;偏距的大小由梁长及曲线半径决定之(E=L2/16R,L梁长,R曲线半径)。
铁路桥梁曲线布置中:平分中矢法和切线法
相关概念
这只有在曲线桥中才会出现这个名词的:
由于曲线桥的路线中线是曲线,而所用的梁是直的,因此路线中线与梁的中线不能完全吻合。
梁在曲线上的布置,是使个梁跨的中线联结起来,成为与路中线基本相符的折线,这条折线成为桥梁的工作线。
墩、台中心一般就位于这条折线转折角的顶点上。
在桥梁设计中,梁中心线的两端并不是位于路线中线上,而是向外侧移动了一段距离E,E称为偏距。
如果偏距E为梁长为弦线中失值的一半,这种布梁方法称为平分中矢布置。
如果E等于中失值,称为切线布置。
偏移距的算法
曲线桥的墩位中心是不在线路中线上,偏距E的计算方法如下:先确定梁的布置是切线布置,还是平分中矢布置,计算公式不同哟。
1. 圆曲线:切线布置 E=L*L/(8*R),
平分中矢布置 E=L*L/(16*R)
2. 缓和曲线:切线布置 E=L*L*t/(8*R*l)
平分中矢布置:E=L*L*t/(16*R*l)
其中:R-圆曲线半径,
L-交点距,
l- 缓和曲线长,
t-计算点至ZH(HZ)的距离。
关于连续梁与简支梁过渡墩的布置
连续梁在曲线上,由于梁可以弯做,所以它下面的墩子是用不着外偏的,但是它相邻孔的简支梁下面的墩却要外偏,如果曲线半径很小,这个偏值很大,这样就造成了连续梁下面的墩子不偏,相邻孔简支梁的墩子外偏,显然简支梁无法架梁了,因为没有了梁缝。
还是求高人解答。
这个问题本来是我看上面的问题时在筑龙论坛看到的,也没注意。
后来我负责的一个桥也有这个问题才注意的。
图纸上写的是:联间墩的简支梁支座根据该侧偏角、偏距确定,连续梁支座按照径向布置确定。
这个可能干过的都觉得很明确了,但我不敢确定,后来问了总工和设计院的才确定的。
呵呵。
就是过渡墩不用偏,简支侧支座要偏移。
至于曲线半径大小,是否需要进行偏移,要看偏距大小和验标的要求了,桩基,墩身,支座的要求都是不同的。