皮下注射技术操作规范
- 格式:docx
- 大小:10.50 KB
- 文档页数:4
皮下肌肉注射流程及标准
皮下肌肉注射流程及标准
一、准备工作
1、拆开包装、安装所需的注射器;
2、将类固醇类药品的密封拆除;
3、取出正确剂量,将药品置于室温下漩消;
4、熏陶过程:医护人员需要及时给患者宣讲注射知识,以缓解不适;
5、将针头消毒;
二、注射过程
1、准确定位皮肤:仔细观察患者皮肤,确定注射点位置,选择巴氏肌;
2、夹紧肉芽:将手指压在注射点,使皮下血管凸起;
3、注射器的操作及注射:准备好注射器,拧紧螺母,应轻松自如地拧
螺母,防止药液排泄,注射速度要缓慢;
4、抽针
5、处理废弃物,记录实施情况
三、注意事项
1、要加强消毒措施:在行护理之前,要按照规定进行器械消毒,以确保质量安全;
2、要做好观察:护士要定期观察肌肉、眼膜和肌背皮下静脉的反应;
3、要及时处理红肿注射引起的不适;
4、要学会正确使用注射器;
5、要恪守护理规范:要完整记录病人的药物使用信息,并及时反馈护士间。
皮下注射的操作步骤及评分标准皮下注射是一种常见的药物给予方式,适用于多种药物的给药。
正确的操作步骤和评分标准对于保证药物的有效性和患者的安全至关重要。
本文将介绍皮下注射的操作步骤,并给出相应的评分标准。
一、皮下注射的操作步骤1. 准备工作在进行皮下注射前,需要进行以下准备工作:a. 确认患者的身份,核对患者的医嘱。
b. 检查药品的有效期和药物配制是否正确。
c. 洗手并佩戴洁净的手套。
2. 选择注射部位选择合适的注射部位对于皮下注射的成功至关重要。
常用的注射部位包括腹部、上臂外侧、大腿外侧和臀部。
在选择注射部位时,需要考虑以下因素:a. 距离神经、血管和骨骼的安全距离。
b. 注射部位的皮肤状态,避免破损或感染区域。
c. 患者的个人喜好和舒适度。
3. 注射器和针头的准备在注射前,需要准备好合适的注射器和针头。
根据药物的剂量,选择合适大小的注射器,并根据需要更换合适长度和粗细的针头。
确保注射器和针头是无损坏的。
4. 皮肤消毒保持注射部位的清洁非常重要。
用消毒剂擦拭注射部位,通常采用酒精棉球或碘酒进行皮肤消毒,消毒时需要注意以下事项:a. 从注射部位的中央开始,向外作圆周状擦拭。
b. 使用消毒剂时,避免触摸已消毒过的区域。
c. 等待足够的时间,以确保消毒剂起到充分杀菌的作用。
5. 注射操作a. 用非主手将皮肤拉紧,以提供注射部位的稳定性。
b. 使用主手将针头以30至45度的角度插入皮肤下,并确保穿过角质层。
c. 慢慢地注射药物,保持轻而均匀的推进力度。
d. 注射完毕后,保持注射器的位置稳定,维持数秒钟以确保药物的吸收。
6. 针头拔出和压迫止血a. 缓慢拔出针头,同时用干净的棉球或医用棉球迅速且轻柔地在注射部位进行轻压,以防止渗血。
b. 用棉球保持一段时间,确保止血。
7. 处理废弃物按照医疗废物管理的相关规定,将使用过的针头和注射器放置在废弃物容器中。
二、皮下注射的评分标准为了确保皮下注射的质量和安全,需要对注射操作进行评分。
皮下注射操作规程【定义】皮下注射法(hypodermic injection,HD)将少量药液或生物制剂注入皮下组织的方法。
【目的】1.注入小计量药物,用于不宜口服给药而需在一定时间内发生药效时。
2.预防接种。
3.局部供药,如局部麻醉。
【评估】1.患者的用药史与过敏史。
2.了解注射部位有无破损、疖肿及皮下脂肪硬化、萎缩等情况。
3.所用药物可能产生的疗效、不良反应及发生不良反应的应对措施。
【计划】1.用物准备治疗盘一套,2ml注射器或专用注射器及针头,注射卡,医嘱用药。
2.患者准备向患者解释,取得配合;按需要询问药物过敏史;选择合适的注射部位。
3.环境准备按无菌要求,保持整洁、安静、光线适宜,必要时用屏风遮挡患者。
【实施】1.操作步骤2.健康教育(1)讲解药物的药名、作用,告知患者做好药疗效果观察。
(2)对需长期皮下注射者,应有计划加以培训,使患者或家属能够熟练操作。
【评价】1.正确执行无菌技术操作及查对制度。
2.步骤清晰,操作规范。
3.治疗性沟通有效,患者感觉安全并积极配合。
皮下注射操作流程皮下注射操作评分标准科室:姓名/考号:考官:肌肉注射操作规程【定义】肌肉注射法(intramuscular injection,IM)将一定量的无菌药液注入肌肉组织达到治疗疾病的一种方法。
【目的】注入药物,用于不宜或不能口服或静脉注射,且要求比皮下注射更快发生疗效时。
【评估】1.注射部位皮肤与肌肉情况。
2.患者对注射给药计划的了解、认识及合作程度。
3.所用药物可能产生的疗效与不良反应。
【计划】1.用物准备治疗盘内盛消毒用物、无菌棉签、注射器、弯盘、砂轮、按医嘱备药、包布垫、注射卡。
如注射用药为油剂或混悬液,需备较粗(7号)针头等。
2.患者准备向患者解释,取得配合;按需要询问药物过敏史;选择合适的注射部位。
3.环境准备保持安静、清洁、温度适宜,必要时用屏风或拉帘遮挡。
【实施】1.操作步骤2、健康教育(1)讲解药物的药名、作用,告知患者做好药疗效果观察。
抗生素皮下注射护理规范1. 概述本文档旨在规范抗生素皮下注射的护理操作,以确保患者的安全和护理质量。
请护理人员仔细遵守以下规范和步骤。
2. 注射前准备在进行抗生素皮下注射之前,护理人员必须完成以下准备工作:- 检查医嘱是否正确并与患者核对患者信息。
- 检查药品的有效期和规格,确保使用合适的抗生素。
- 检查患者是否对抗生素过敏,如有过敏史应及时告知医生。
- 准备所需的器械和物品,包括消毒剂、注射器、棉签等。
3. 操作步骤按照以下步骤进行抗生素皮下注射:1. 患者准备:告知患者进行皮下注射,并让患者采取合适的体位。
2. 卫生措施:洗手并戴上手套,保持操作区域清洁。
3. 皮肤消毒:用消毒剂消毒注射部位,按照正确的消毒方法进行操作。
4. 技术操作:- 使用注射器抽取正确剂量的抗生素。
- 抬起皮肤形成皱褶,用快速而稳定的手法将注射器的针头插入皮下组织。
- 缓慢注射抗生素,确保药液均匀分布。
5. 把针头从皮下组织抽出,并用棉球或消毒棉签轻轻按压注射部位,以促进吸收和预防渗血。
6. 处理废弃物:将用过的注射器和棉球等废弃物按规定的方式处理。
4. 注意事项在进行抗生素皮下注射过程中,需要注意以下事项:- 严格掌握注射剂量和注射频率,不得随意更改医嘱。
- 注意选择合适的注射部位,避开受损或有炎症的皮肤区域。
- 监测患者的反应和不良反应,如出现过敏反应应立即停止注射并通知医生。
- 定期更换注射部位,避免对同一部位反复注射造成组织损伤。
- 做好抗生素的记录,包括药品名称、剂量、注射时间和部位等信息。
5. 结束语抗生素皮下注射是常见的护理操作,正确的护理规范能够提高护理质量和患者安全。
护理人员应当不断研究和提升自己的技能,做好抗生素皮下注射的护理工作。
> 注意:以上内容仅供参考,具体操作应根据医院的规章制度和医嘱要求进行。
三甲医院皮下注射技术操作规范【皮下注射技术服务规范】一、工作目标遵医嘱准确为患者皮下注射,操作规范,确保患者安全。
二、工作规范要点1.遵循查对制度,符合无菌技术、标准预防、安全给药原则。
2.告知患者,做好准备。
评估患者病情、过敏史、用药史,以及注射部位皮肤情况。
3.告知患者药物名称及注意事项,取得患者配合。
4.选择合适的注射器及注射部位。
需长期注射者,有计划地更换注射部位。
5.注射中、注射后观察患者反应、用药效果及不良反应。
6.皮下注射胰岛素时,嘱患者注射后15min开始进食,避免不必要的活动,注意安全。
三、结果标准1.患者/家属知晓护士告知的事项,对服务满意。
2.护士操作过程规范、准确。
【皮下注射技术操作流程】一、操作目的1.不能或不宜经口服给药时采用。
2.预防接种。
3.用于局部给药。
二、实施要点(一)评估患者1.询问、了解患者身体情况,向患者解释,取得患者配合。
2.了解患者有无药物过敏史及注射部位皮肤状况。
(二)用物准备治疗车1个、治疗盘1个、1~2ml一次性注射器(1~2个)、消毒液、棉签、按需备砂轮或启瓶器、垃圾桶1个、锐器桶1个、速干洗手液1瓶,按医嘱备好药液并放在无菌盘内。
(三)操作要点1.查对医嘱,选择合适注射器,按无菌技术要求抽吸药液,做好准备。
2.携用物至床旁,“三查七对”,解释,协助患者取适当体位。
3.选择并暴露合适的注射部位,消毒注射部位皮肤。
4.再次查对,按无菌操作原则排尽注射器内空气。
5.一手绷紧皮肤,另一手持注射器,以食指固定针栓使针头与皮肤呈30°~40°角,迅速刺入针头的2/3固定针栓。
6.抽动活塞,无回血即缓慢推入药液。
7.注射完毕以棉签轻压针刺处,快速拔针。
8.再次查对,整理用物及床单元,记录。
三、指导患者1.向患者解释操作目的及注意事项,取得配合。
2.皮下注射胰岛素后,告知患者减少活动,防止跌倒,15~30min后开始进食。
四、注意事项1.尽量避免应用刺激性较强的药物做皮下注射。
颞浅动脉旁皮下注射技术操作规范
一、操作目的
将药物注射于颞浅动脉旁,减少药物的用量,减少副作用,增大局部药物浓度,增加疗效,用于缺血性视神经、视网膜、脉络膜病变。
二、评估要点
1、评估患者有无药物过敏史。
2、了解患者视力及眼底检查情况。
3、了解患者的心理反应,有无害怕、紧张等情绪。
三、物品准备
治疗盘、无菌治疗巾、2ml注射器、4-5号直针头、棉签、无菌纱布一块、
0.2%活力碘、75%乙醇、砂轮、弯盘、治疗执行单。
四、操作要点
1、注射前向患者或家属解释颞浅动脉旁皮下注射的目的和注意事项,缓解患者紧张情绪,取得患者的配合。
2、操作者洗手,戴口罩,备药液。
3、患者取坐位或平卧头侧位(头侧向患眼反方向)。
4、实施颞浅动脉旁皮下注射操作。
(1)在患侧太阳穴处常规消毒皮肤。
(2)左手绷紧皮肤,右手持注射器距外眦部旁开2cm处,呈30-40度角行皮下注射。
回抽无回血后缓慢推药,拔针后用干棉签按压针眼5分钟,防止出血。
5、注意观察用药后反应。
五、指导要点
1、颞侧注射部位会出现较大皮丘,应嘱患者勿紧张,会自行吸收。
2、告知患者注射复力樟柳碱后少数人会出现轻度口干的不良反应,15至20分钟消失。
六、注意事项
1、严格执行无菌操作规程。
2、注射部位选择要精准,注射过深易引起血肿,注射过浅药物不宜吸收,并加重疼痛。
3、有过敏史、脑出血、眼出血急性期禁用。
362。
皮下注射技术操作并发症的预防与处理规范皮下注射是一种常见的药物给予途径,常见于日常医疗护理中。
理解皮下注射技术、注意注射操作规范以及并发症的预防与处理,对提高注射效果、保证患者安全非常重要。
一、皮下注射技术操作规范1.查明患者身份:在给予皮下注射前,核对患者身份和医嘱,确保给予正确的药物。
2.液体药物准备:按照医嘱,准备所需的药物和注射器。
确保使用正确浓度的药物。
3.注射部位选择:常见的皮下注射部位有上臂、腹部和大腿。
选择注射部位前要注意以下几点:-避免静脉注射部位;-避免坚硬、红肿、疼痛或有创伤的部位;-对于多次注射的患者应尽量选择不同的部位轮流注射,以防局部反应的发生。
4.皮肤准备:用无菌棉球蘸取75%酒精在注射部位进行消毒,实施消毒时应从注射点向周围扩散,使酒精在皮肤上完全干燥。
5.张力:用拇指和食指轻抓皮肤,在注射部位形成一个皱褶,增加注射穿刺的容易度。
6.注射技术:使用一次性注射器,抓握好注射器,穿刺方向应与皮肤皱褶平行,迅速插入皮下组织。
一旦进入皮下组织,手指轻放在注射器柱塞上,缓慢推进注射器柱塞,注射药物。
7.在注射完成后,将棉球放在注射部位上轻压,以减少局部出血。
1.局部疼痛和出血:多数情况下,局部疼痛和出血是可以避免的。
在注射前,确认注射部位没有血管,避免静脉穿刺。
注射完成后要适度轻压注射部位,帮助止血。
如果出现局部肿胀、疼痛和持续性出血,应立即停止注射,迅速拔针,轻轻用棉球按压出血部位。
出血时间超过10分钟或疼痛严重者需要及时报告医生。
2.感染:皮下注射操作前要进行手部卫生洗手。
皮肤必须使用无菌棉球蘸取酒精进行消毒,消毒后必须等待皮肤完全干燥后再进行注射操作。
注射操作时,避免直接触摸注射器的针头。
如果发现局部感染症状,例如红肿、热痛、化脓和引流,需要立即停止注射,报告医生并给予相应的处理。
3.药品泄漏和故障:在皮下注射时,如遇药物泄漏到皮肤上,要擦拭干净,重新准备药物,换注射器进行注射。
皮下注射操作标准
皮内注射(青霉素)操作标准
姓名日期考核者分数
肌肉注射操作标准
静脉注射操作标准
静脉输液操作标准
静脉采血技术标准
微量血糖检测操作标准
密闭式安全型(BDY)留置针静脉输液操作标准
皮下注射操作标准
体温测量操作标准
血氧饱和度检测操作标准
口腔护理操作标准
胃肠减压技术操作标准
口服给药操作标准
氧气吸入操作标准(中心供氧)
雾化吸入(超声法)操作标准
咽拭子标本采集操作标准
无菌技术操作标准
洗胃(洗胃机)操作标准
物理降温(温水或乙醇擦浴)操作标准
物理降温(冷湿敷)操作标准
膀胱冲洗(三腔尿管)操作标准
导尿技术操作标准
灌肠技术操作标准
鼻饲技术操作标准
换药技术操作标准
非同步心脏电除颤术操作标准
听诊胎心音技术操作标准
成人(单人)徒手心肺复苏操作标准
会阴消毒操作标准
压疮的预防及护理操作标准
T管引流护理操作标准
患者约束发操作标准
会阴湿热敷疗法
姓名日期考核者。
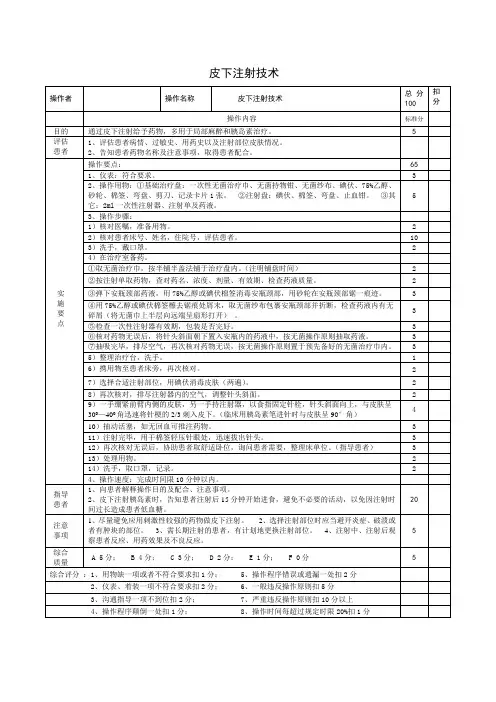
皮下注射技术操作规范(一)操作要点与评价标准
[注释]评分等级:I级表示操作熟练、规范,无污染,与患者沟通自然,语言通俗易懂;II级表示操作欠熟练、规范,有1~2处缺项、污染,与患者沟通欠自然;III级表示操作不熟练、规范,有3处以上缺项、污染,与患者沟通少。
(二)应掌握的知识点
1.皮下注射的目的
(1)注入小剂量药物,用于不宜口服给药而需在一定时间内发生药
效时。
(2)预防接种(如各种菌苗、疫苗)。
(3)局部麻醉。
(4)胰岛素或脱敏治疗。
2.注意事项
(1)注射前详细询问患者的用药史。
(2)尽量避免应用刺激性较强的药物做皮下注射。
(3)选择注射部位时应当避开炎症、破溃或者有肿块的部位。
(4)经常注射者应每次更换注射部位。
(5)对过于消瘦者,可捏起局部组织,适当减小穿刺角度,进针角
度不宜超过45°,以
免刺入肌层。
皮下注射技术操作规范(一)操作要点与评价标准
[注释]评分等级:I级表示操作熟练、规范,无污染,与患者沟
通自然,语言通俗易懂;II级表示操作欠熟练、规范,有1~2处缺项、污染,与患者沟通欠自然;III级表示操作不熟练、规范,有3 处以上缺项、污染,与患者沟通少。
(二)应掌握的知识点
1.皮下注射的目的
(1) 注入小剂量药物,用于不宜口服给药而需在一定时间内发生药效时。
⑵预防接种(如各种菌苗、疫苗)。
(3)局部麻醉。
(4)胰岛素或脱敏治疗。
2 .注意事项
(1) 注射前详细询问患者的用药史。
(2) 尽量避免应用刺激性较强的药物做皮下注射。
(3) 选择注射部位时应当避开炎症、破溃或者有肿块的部位。
(4) 经常注射者应每次更换注射部位。
(5) 对过于消瘦者,可捏起局部组织,适当减小穿刺角度,进针角度不宜超过
45°,以
免刺入肌层。