混凝土-单向板肋梁楼盖课程设计
- 格式:docx
- 大小:312.25 KB
- 文档页数:11
混凝土单向板肋梁楼盖课程设计混凝土单向板肋梁楼盖是一种经济高效的结构形式,适用于中小跨度建筑的屋面和楼板。
课程设计的目标是通过学习混凝土结构的基本原理和设计方法,掌握混凝土单向板肋梁楼盖的设计流程和计算方法。
一、课程设计的内容:1. 混凝土结构基本原理的回顾:包括混凝土材料的性能及其力学性质,混凝土结构的受力特点和受力机理等。
2. 混凝土单向板肋梁的结构形式、构造及工作原理。
3. 设计准备工作:包括建筑结构荷载的估算、楼盖的平面布置和初始尺寸的确定等。
4. 梁板系统的设计:包括肋梁的选择、布置和尺寸的确定,板的选择和尺寸的确定等。
5. 肋梁和板的设计计算:包括肋梁的受力分析和抗弯承载力计算,板的受力分析和抗弯承载力计算等。
6. 编制施工图纸:包括楼盖的整体布置图、肋梁和板的详图等。
二、课程设计的步骤:1. 学生自主学习混凝土结构的基本原理和混凝土单向板肋梁楼盖的设计方法。
2. 分组进行设计,每个小组确定一个设计实例,并进行设计准备工作。
3. 进行梁板系统的设计计算,包括肋梁和板的尺寸的确定。
4. 进行肋梁和板的设计计算,包括肋梁的受力分析和抗弯承载力计算,板的受力分析和抗弯承载力计算等。
5. 编制施工图纸,包括楼盖的整体布置图、肋梁和板的详图等。
6. 开展小组讨论和答辩,学生对设计结果进行评价和讨论。
三、课程设计的评价方法:1. 设计报告的撰写质量:包括设计过程的描述、设计计算的准确性和合理性,以及施工图纸的规范性等。
2. 设计结果的合理性和经济性:设计结果是否满足结构的力学要求,以及材料的使用是否合理和经济。
3. 学生的设计能力和创新能力:学生是否能够独立进行设计,解决设计中的问题,并能提出合理的改进措施。
4. 学生的团队合作能力和表达能力:学生能否积极参与小组讨论,团队合作是否协调,学生的表达能力是否清晰和准确。
通过混凝土单向板肋梁楼盖课程设计,学生将能够掌握混凝土结构设计的基本原理和方法,提高结构设计的能力和综合素质。
混凝土课程设计单向板肋梁楼盖设计电算
本设计采用单向板肋梁结构,为满足设计要求,采用电算软件进行设计。
1. 材料参数
混凝土强度等级:C30 级
钢筋强度等级:HRB400
板厚:120mm
肋厚:50mm
砂浆厚度:30mm
2. 荷载参数
设计荷载
屋面活荷载:0.5kN/m2
屋面自重:0.2kN/m2
地震作用:0.1kN/m2
3. 构造分析
(1)单向板肋梁结构
本设计采用单向板肋梁结构,该结构具有承载能力强、受力均匀等优点。
在结构设计时,板的受弯承载能力和肋的受剪承载能力是关键,肋的数量应根据受力情况进行确定,一般肋距不应超过板厚的2.5倍。
(2)局部受力分析
局部受力分析是单向板肋梁结构设计的重要环节,本设计中,采用电算软件进行局部受力分析。
在此过程中,需要输入的参数包括荷载、结构材料性质等,软件将按照规定方法自动计算出结构各部位的应力和应变分布。
4. 结果分析
根据电算软件计算结果,本设计所采用的单向板肋梁结构能够满足设计要求,并且具有优良的承载能力和受力均匀性。
5. 总结
本设计采用单向板肋梁结构,结构设计采用电算软件进行局部受力分析,从而能够满足设计要求。
该结构具有承载能力强、受力均匀等优点,适合用于楼盖等大型构造物的设计和施工。
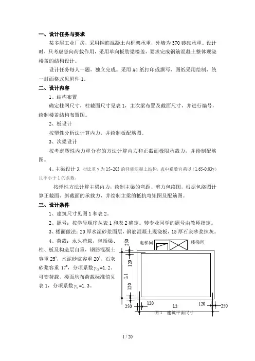
一、设计任务与要求某多层工业厂房,采用钢筋混凝土内框架承重,外墙为370砖砌承重。
设计时,只考虑竖向荷载作用,采用单向板肋梁楼盖,要求完成钢筋混凝土整体现浇楼盖的结构设计。
设计任务每人一题,独立完成。
采用A4纸打印或撰写,图纸采用绘制,统一封面格式见附件1。
二、设计内容 1、结构布置确定柱网尺寸,柱截面尺寸见表1,主次梁布置及截面尺寸,并进行编号,绘制楼盖结构布置图。
2、板设计按塑性分析法计算内力,并绘制板配筋图。
3、次梁设计按考虑塑性内力重分布的方法计算内力和正截面极限承载力,并绘制配筋图。
4、主梁设计3. 对比重γ为15~203的轻质混凝土结构,表中系数宜乘以(1.65-0.03γ)且不小于1的系数。
按弹性方法计算主梁内力,绘制主梁的弯距、剪力包络图,根据包络图计算正截面、斜截面的承载力,并绘制主梁的抵抗弯矩图及配筋图。
三、设计条件1、建筑尺寸见图1和表2。
2、题号:按学号顺序从表1和表2确定。
转专业同学的题号由教师指定。
3、楼面做法:20厚水泥砂浆面层,钢筋混凝土现浇板,15厚石灰砂浆抹灰。
4、荷载:永久荷载,包括梁、柱、板及构造层自重,钢筋混凝土容重253,水泥砂浆容重203,石灰砂浆容重173,分项系数G γ=1.2。
可变荷载,楼面均布荷载标准值见表1,分项系数k γ=1.3。
表1 柱截面尺寸及混凝土强度等级表2 班级序号对应的题号、设计尺寸及可变荷载5、材料梁、板混凝土强度等级见表1。
主梁、次梁受力钢筋采用335级钢筋,其他均用300级钢筋。
四、进度安排结构计算 3天绘制结构配筋图 2天计算书、图纸整理 1天————————————————————合计教学周 1周 6天五、指导教师意见附件2评分标准一.设计资料设计使用年限50年,结构安全等级为二级,环境类别为一类.楼面做法:20厚水泥砂浆面层,钢筋混凝土现浇板,15厚石灰砂浆抹灰;荷载:永久荷载,包括梁、柱、板及构造层自重,钢筋混凝土容重253,水泥砂浆容重203,石灰砂浆容重173,分项系数r1.2。
钢筋混凝土课程设计题目:现浇钢筋混凝土单向板肋梁楼盖系别:建筑工程系班级:11级土木工程1班姓名:叶学号:14指导老师:董吉武2013年6月1日现浇钢筋混凝土单向板肋梁楼盖计算书目录一、原始资料 .................. 错误!未定义书签。
二、楼盖梁板布置.............. 错误!未定义书签。
三、单向板设计 ................ 错误!未定义书签。
四、次梁设计 .................. 错误!未定义书签。
五、主梁设计 .................. 错误!未定义书签。
六、施工图说明 ................ 错误!未定义书签。
七、参考文献 .................. 错误!未定义书签。
八、课程设计总结.............. 错误!未定义书签。
一、原始资料1.设计题目:设计某工业厂房现浇整体式钢筋混凝土肋形楼盖2.荷载取值:学号A2(mm) B7(mm)楼面活荷载q114 6600 8400 4.5kN/m2其中纵向尺寸为5×A,横向尺寸为3×B;楼盖尺寸A、B由指导老师给定;其中纵墙厚度为370mm,横墙厚度为240mm;轴线通过各墙体截面中心线。
楼面采用水磨石面层,自重标准值为0.65kN/m2;顶棚为混合砂浆抹灰20mm厚,自重标准值17kN/m3;钢筋混凝土自重标准值按25kN/m3计算。
3.建筑材料:①外围墙体为砖墙:采用MU10烧结普通砖、M5混合砂浆砌筑。
②混凝土强度等级:C25。
③钢筋选取:梁中受力钢筋选用HRB400,其他钢筋全部选用HPB300.④楼面:采用水磨石面层⑤顶棚:混合砂浆抹灰20mm厚4.工程做法:①结构平面布置图:柱网、主梁、次梁及板的布置②板的强度计算(按塑性内力重分布计算)③次梁强度计算(按塑性内力重分布计算)④主梁强度计算(按弹性理论计算)5. 结构施工图:①结构平面布置图(1:100) ②板的配筋图(1:50)③次梁和主梁配筋图纵剖面图(1:50或1:40),要求注明梁跨、入墙深度、支座宽度、钢筋编号及受力筋的弯起、切断点位置、箍筋直径和间距;横剖面图(1:25或1:20),要求注明截面尺寸及钢筋编号。
钢筋混凝土单向板肋梁楼盖课程设计报告1. 引言本报告是针对钢筋混凝土单向板肋梁楼盖的课程设计,旨在通过对该结构的设计、分析和计算过程的阐述,展示该设计的合理性和可行性。
本设计报告主要包括以下几个部分:结构概述、荷载计算、构件设计与分析、梁板节点及连接设计、施工及安装。
2. 结构概述本楼盖结构为钢筋混凝土单向板肋梁楼盖,采用跨度均布等截面的预制板肋梁构件。
结构整体均布荷载代表了一般建筑的设计情况,旨在确保结构的安全稳定。
3. 荷载计算在本设计中,对楼盖结构的荷载进行了详细计算。
荷载包括常用荷载和特殊荷载两部分。
常用荷载主要包括自重、楼面活荷载和雪荷载等,特殊荷载主要包括风荷载和地震荷载等。
经过计算,得出了各部分荷载的数值,并根据相关规范和设计规定进行了工况组合,最终得到荷载作用下的最不利组合。
4. 构件设计与分析本楼盖采用钢筋混凝土单向板肋梁作为承载结构,需要根据荷载计算结果进行构件的设计和分析。
4.1 单向板设计单向板的设计主要包括板的几何尺寸确定、受力分析和钢筋设计。
根据板的受力特点,合理确定板的厚度和跨度,然后进行弯矩、剪力和挠度等受力分析。
4.2 肋梁设计肋梁是单向板的主要构件,其设计包括几何尺寸确定、受力分析和钢筋设计。
通过合理确定肋梁的几何参数,进行弯矩、剪力和挠度等受力分析,并进行钢筋配筋设计。
5. 梁板节点及连接设计梁板节点的设计是钢筋混凝土单向板肋梁楼盖设计中重要的一部分。
节点的设计应满足结构的刚度和强度要求,并确保节点的可施工性。
本设计中,根据节点的受力特点,选择适当的节点形式,并进行相应的强度和刚度计算。
设计中应考虑节点的承载力、刚度、连接形式等因素,并根据相关规范和设计规定进行设计。
6. 施工及安装在这一部分,对钢筋混凝土单向板肋梁楼盖的施工过程进行详细的描述。
包括梁板制造、预应力张拉、场地布置、施工步骤等内容。
同时,还需要考虑安装过程中的安全问题,采取相应的安全措施,以确保施工过程的顺利进行。
现浇钢筋混凝土单向板肋梁楼盖设计1.设计资料1、荷载楼面水泥砂浆面层厚20mm(γ=20kN/m 2);楼面可变荷载标准值q=7kN/m 2、梁、板均用20mm 厚纸石灰砂浆抹底(γ=17kN/m 3)。
2、材料:混凝土: C20;钢筋:板—HPB235级钢筋;主梁、次梁受力钢筋采用HRB335级钢筋房屋的安全等级二级,设计使用年限50年,环境类别一类。
3、墙厚240mm ,板伸入墙体120mm ,次梁伸入墙体240mm ,柱截面300mm×300mm 。
4、2主梁沿横向布置,次梁沿纵向布置。
主梁跨度为6.6m ,次梁的跨度为6.9m ,主梁每跨内布置两根次梁,板的跨度为2.2m ,2o l /1o l =6.9/2.2=3.13,因此按单向板设计。
按跨高比条件,要求板厚h ≥2200/40=55mm ,对工业建筑的楼盖板,要求h ≥80mm ,取板厚h=80mm 。
次梁截面高度应满足h=o l /18~o l /12=6900/18~6900/12=384~575mm 。
考虑到楼面可变荷载比较大,取h=550mm 。
截面宽度取b=200mm主梁截面高度应满足h=o l /14~o l /8=6600/15~6600/10=440~660mm 。
取h=650mm 截面宽度为b=300mm楼盖结构平面布置图3.板的设计3.1荷载板的永久荷载标准值80mm现浇钢筋混凝土板 0.08×25=2kN/2m20mm厚楼面水泥砂浆面层 0.02×20=0.4kN/2m20mm板底混合砂浆抹灰 0.02×17=0.34kN/2mm小计 2.74kN/2板的可变标准荷载值 7kN/2mm,所以可变荷载分项系数应取永久荷载分项系数取1.2,因楼面可变荷载标准值大于4.0kN/21.3。
于是板的永久荷载设计值 g=2.74×1.2=3.288kN/2m可变荷载设计值 q=7×1.3=9.1kN/2m荷载总设计值 g+q=12.388kN/2m3.2计算简图次梁截面为200mm×550mm,现浇板在墙上的支承长度不小于100mm,取板在墙上的支承长度为120mm。
钢筋混凝土课程设计计算书单向板肋梁楼盖设计一、设计题目单向板肋梁楼盖设计二、设计内容1、结构布置:布置主次梁和选择构件截面尺寸并绘制楼盖结构平面布置图。
2、梁板的设计1)板的设计考虑塑性内力重分布的方法计算板的内力和板的正截面承载力并绘制板的配筋图。
2)次梁设计考虑塑性内力重分布的方法计算次梁的内力和次梁的正截面、斜截面承载力并绘制次梁的配筋图。
3)主梁设计按弹性方法计算主梁的内力和根据包络图计算主梁正截面、斜截面承载力并绘制主梁的配筋图。
3、绘制结构施工图绘制楼盖结构平面布置图,板配筋布置图及主梁、次梁配筋详图,并作钢筋明细表,最后完成楼盖施工图两张三、设计资料1、结构形式某仓库为内框架承重体系的多层砖混结构并采用整体式钢筋混凝土单向板肋梁楼盖。
外墙为240mm厚砖砌体,内框架为400×400mm钢筋混凝土柱。
2、楼面构造35mm厚水磨石地面(20mm厚面层,15mm厚水泥砂浆打底),板底有12mm厚石灰砂浆抹灰,现浇钢筋混凝土楼板。
3、荷载永久荷载:包括梁、楼板及构造层自重。
钢筋混凝土容重为25KN/m3,水泥砂浆容重20KN/m3,石灰砂浆容重17KN/m3,水磨石地面容重0.65KN/m3,分项系数γG=1.2;可变荷载:楼面均布活荷载标准值7.2KN/m2,分项系数γQ=1.34、材料选用: (1)混凝土:C30(2)钢筋:板 HPB300 梁 主筋HRB335,箍筋HPB300 1、平面结构布置:(1)主梁横向布置,次梁沿纵向布置。
主梁的跨度为6.9m ,次梁的跨度为5m 。
主梁每跨内布置二根次梁,板的跨度为2.3m ,217.23.2521>==l l 按单向板设计。
(2)按高跨比条件,当板厚mm l h 5.57402300401==⨯≥时,满足刚度要求,可不验算挠度。
对于工业建筑的楼盖板,要求h≥80mm ,取板厚h =80mm 。
图1 平面结构布置图(3)次梁的截面高度应满足()mm mm l h 417278185000125000)181121(-=⎪⎭⎫ ⎝⎛-=-=,取h =400mm 则取b =200mm 。
混凝土结构设计课程设计–整体式单向板肋梁楼盖1. 课程设计概述本次课程设计的任务是设计一个混凝土结构的整体式单向板肋梁楼盖。
该楼盖包括两个部分:一层地面的停车场和上方的公寓。
整个楼盖跨度较大,需要考虑选用何种材料和结构形式。
设计任务涉及到多方面的知识,包括荷载计算、结构形式的选择、截面设计等内容。
2. 设计荷载设计荷载是指在设计结构时需要承载的外部荷载,也是本次课程设计的重点之一。
荷载的计算需要考虑多种因素,包括自重、雪荷载、风荷载、人员活载和车辆荷载等。
在本次设计中,我们假设设计地区为中国南方地区,按照国家标准《建筑结构荷载标准》(GB50009-2012)中的规定进行荷载计算。
设计荷载的详细计算过程在此不作过多赘述。
3. 结构形式的选择在本次课程设计中我们选用整体式单向板肋梁结构。
这种结构形式具有结构高度低、选用方便等特点,适用于跨度较大的建筑物。
在选定结构形式之后,我们需要进行截面设计,以确保结构的强度、刚度和稳定性。
4. 截面设计整体式单向板肋梁结构的截面设计涉及到板、肋、梁的尺寸和配筋参数等内容。
在本设计中,为了实现截面的合理设计,我们采用了软件进行结构分析和计算,最终输出设计结果。
具体的设计细节和流程如下。
4.1. 整体式单向板设计板是整体式单向板肋梁结构中的主要构件之一,其设计需要考虑荷载、结构高度等因素。
在本设计中,板厚度选用10cm,混凝土等级为C30,钢筋混凝土板配筋率为0.5%。
4.2. 肋设计肋的设计主要考虑肋高度和肋跨度两个因素。
在本设计中,肋高度选用25cm,肋跨度选用4m。
钢筋混凝土肋配筋率为1.5%。
4.3. 梁设计梁是整体式单向板肋梁结构中的次要构件,其设计主要考虑梁高度和梁跨度。
在本设计中,梁高度选用40cm,梁跨度选用7m。
梁采用双筋矩形截面设计,钢筋混凝土梁配筋率为2%。
5. 梁柱节点设计梁柱节点是指梁与柱之间连接的部分,其设计需要考虑梁、柱的受力情况。
本设计中采用钢筋混凝土柱,柱径选用45cm,钢筋混凝土柱配筋率为2%。
课程设计某工业厂房现浇钢筋混凝土单向板肋梁楼盖设计学生姓名:学院:专业班级:专业课程:指导教师:2014 年 6 月27 日某工业厂房现浇钢筋混凝土单向板肋梁楼盖设计计算书某工业厂房的建筑平面如图1所示,环境类别为一类,楼梯设置在旁边的附属房屋内。
楼面均布可变荷载标准值为6.5 kN/m2,楼盖拟采用现浇钢筋混凝土单向板肋梁楼盖。
试进行设计,其中板、次梁按考虑塑性内力重分布设计,主梁内力按弹性理论计算。
图1 建筑平面一、设计资料1. 楼面做法水磨石面层,钢筋混凝土现浇板,20mm混合砂浆抹底。
2. 材料混凝土强度等级C30;梁钢筋采用HRB400级钢筋,板采用HPB300级钢筋。
二、楼盖的结构平面布置1.主梁沿横向布置,次梁沿纵向布置。
主梁的跨度为6.6 m,次梁的跨度为6.0m,主梁每跨内布置两根次梁,板的跨度为6.6/3=2.2 m,l02/l01=6.0/2.2=2.7,因此可按单向板设计。
2. 板厚按跨高比条件,要求板厚h≥2200/30=73mm,对工业建筑的楼盖板,要求h≥70mm,取板厚=80mm。
3. 次梁截面次梁截面高度应该满足h=l0/18~l0/12=6000/18~6000/12=334~500mm。
考虑到楼面的可变荷载比较大,取h=450mm。
截面面宽度取b=200mm。
4. 主梁截面主梁截面高度应满足h=l0/15~l0/10=6600/15~6600/10=440~660mm,取h=650mm。
截面面宽度取b=300mm。
楼面结构平面布置图如图2所示。
图2 结构平面布置图三、板的设计1. 荷载板的永久荷载标准值水磨石面层0.65 kN/m280mm钢筋混凝土板0.08×25=2.0 kN/m220mm混合砂浆0.02×17=0.34 kN/m2 小计 2.99 kN/m2板的可变荷载标准值 6.5 kN/m 2永久荷载分项系数取1.2;因楼面可变荷载标准值大于4.0 kN/m 2,所以可变荷载分项系数应取1.3。
钢筋混凝土单向板肋梁楼盖课程设计任务方案
设计方案:
1. 任务概述:设计一栋钢筋混凝土单向板肋梁楼盖结构,包括结构荷载计算、板肋梁尺寸选取、钢筋配筋设计等内容。
2. 结构荷载计算:根据设计要求和规范要求,确定楼盖的设计荷载,包括恒载、活载和风荷载等。
对楼盖荷载进行分析和计算,并提取各种荷载组合。
3. 板肋梁尺寸选取:根据楼盖的跨度、受力情况和使用要求,选取合适的板肋梁尺寸。
考虑到板肋梁的刚度和强度要求,进行初始尺寸的初步选取。
4. 钢筋配筋设计:根据所选取的板肋梁尺寸和荷载情况,进行钢筋配筋的设计。
包括确定钢筋的布置和配筋率,并进行受弯、剪力和扭转的校核计算。
5. 设计总校核:对设计结果进行总体检查和校核,确保各项设计指标满足规范和要求。
6. 绘制施工图:根据设计结果,绘制分部图、节点图和放样图等,作为施工图纸提供参考。
7. 编写设计报告:总结设计过程和结果,说明设计依据和各项设计参数,给出设计的可行性和优越性的分析。
8. 评审与修改:将设计报告提交给相关专家进行评审,并根据评审意见进行修改和完善设计方案。
9. 施工阶段的技术支持:设计师在施工期间提供必要的技术支持,解答相关问题和提供解决方案。
10. 最终结果验收:完成施工后,对楼盖结构进行验收,确保设计的合理性和稳定性。
这个是单向板肋梁楼盖的课程设计任务方案,希望能对你有所帮助。
一 设计资料单向板肋梁板楼盖课程设计,采用整体式钢筋混凝土结构,楼盖粱格布置如图1.1所示。
(1)楼面构造层做法:20mm 厚的水泥砂浆地面,钢筋混凝土现浇板,15mm 厚石灰砂浆粉刷(1) 活荷载:标准值为5KN/m 2(2) 恒载分项系数为1.2;活荷载分项系数为1.3. (3) 材料选择:混凝土 采用C25(2211.9/, 1.27/c t f N mm f N mm ==) 钢筋 梁中受力纵筋采用HRB300级(230/y f N m m =)其余采用HPB300级(2270/y f N mm =)二 板的计算板按考虑塑性内力重分布方法计算。
板的212.873l l =<,宜按双向板设计,本设计按单向板设计,沿长边方向不少于短边方向的25%的受力钢筋。
板的厚度按构造要求取h=80mm (157.540lmm h =<)。
次梁截面高度取h=450(144015lmm h =<),截面高度b=200m 。
板尺寸及支承情况如图2.1所示。
(1)荷载 恒载标准值20mm 厚水泥砂浆面层 320.0220/0.4/m kN m kN m ⨯= 80mm 厚钢筋混凝土板 320.0825/ 2.0/m kN m kN m ⨯= 15mm 厚石灰砂浆粉刷 320.01517/0.255/m kN m kN m ⨯= 22.655/k g kN m = 线恒载设计值 1.2 2.655/ 3.186/g kN m kN m =⨯= 线活载设计值 1.35/ 6.5/q kN m kN m =⨯= 合计 9.686kN/m 即每米板宽 11.09/g q kN m += (2)内力计算计算跨度边跨0.20.082.30.122.12222nh m ml m m m+=--+=0.20.122.30.122.142.12222na m ml m m m m+=--+=>取02.12l m =。
【精品】钢筋混凝土单向板肋梁楼盖课程设计一、背景介绍钢筋混凝土单向板肋梁楼盖课程设计是一种新型的建筑技术,它可以把房屋构建在大地上。
该类建筑结构利用钢筋混凝土单向板肋梁楼盖在柱体上,用来取代复杂的混凝土楼板结构,不仅能够节省时间,而且可以大大改善施工质量,使建筑物更为完善。
二、技术特点钢筋混凝土单向板肋梁楼盖课程设计主要采用钢筋混凝土、铸钢技术以及其他材料来构建一种加固施工工艺,可以进行抗震跨度更大的钢筋混凝土结构。
它不但降低了钢筋的使用量,同时降低了建筑结构的重量,抗震性能更强,耐久性更耐用,可以更大程度地改善建筑物的外观,延长使用寿命。
三、施工技术1、钢筋混凝土单向板肋梁楼盖课程设计首先需要测绘出楼房的地面轮廓及抗震要求,以便绘制出相关的施工图纸。
2、施工轻脆式抗震结构,需要先混凝土砼,然后设置钢筋排列,对梁上钢筋穿孔,用线材绑扎。
3、安装抗震肋梁,先弹出地基孔洞,将支柱和抗震肋梁置于其中,安装完成后,浇入混凝土固定和补强支柱。
4、安装钢筋混凝土呼梁,先将钢筋缠绕在受肋梁支撑部位,浇入混凝土后,再把衬套、搭拉筋抗震置于受力部位,把与现浇板连接的螺栓穿入其中。
5、喷水浇筑,以保证混凝土的均匀性,以及抗震性能。
四、技术优势1、钢筋和混凝土部分采用新型型材,材料具有良好的塑性强度,可以大大缩减设计的复杂程度,使施工工期更短。
2、受力部位采用新型弹套搭拉筋加固,可以提高建筑材料的抗震能力,使结构更加坚固耐用。
3、抗震跨度更大,钢筋更少,施工性能更强,优势也更明显,抗震能力得到明显提升。
五、安全把关在钢筋混凝土单向板肋梁楼盖课程设计施工过程中,安全把关仍然非常重要,以免发生意外伤害等情况。
施工现场应确保坚实的护栏,及时解决积水污水等不良环境,并及时采取措施,整理变更施工异常,以确保安全有关要求被遵守。
同时,在施工中,应加强检查,遵守工艺流程,以确保工程质量。
钢筋混凝土单向板肋梁楼盖课程设计钢筋混凝土单向板肋梁楼盖是一种常见的建筑构件,所用材料质量良好,受力特性稳定,在现代建筑结构中有着广泛的应用。
本文以钢筋混凝土单向板肋梁楼盖的课程设计为主题,总结和分析钢筋混凝土单向板肋梁楼盖的构造原理、施工方法及其分析,为建筑结构中此类构件的设计提供参考。
一、钢筋混凝土单向板肋梁楼盖构造原理钢筋混凝土单向板肋梁楼盖由梁、柱、肋板和楼盖组成,中间的梁是支承楼盖的支撑构件,而柱是支承梁的柱,楼盖主要用于形成房屋顶部的屋面,肋板是梁和楼盖之间的平衡器,它们一般采用钢筋混凝土结构,在构造中,钢筋与混凝土所形成的共同单元,得以最大程度的利用结构材料的力学性能。
二、钢筋混凝土单向板肋梁楼盖施工方法1.钢筋混凝土单向板肋梁楼盖施工前,应对梁、肋板、楼盖进行满足要求的计算,图纸设计等。
2.检查材料的质量,确保材料的质量达到规定的标准。
3.组装梁,焊接完成,加固更加稳定。
4.安装肋板,钻孔,焊接完成。
5.安装楼盖,完成封闭。
6.完成水泥浇筑,形成完整的钢筋混凝土单向板肋梁楼盖。
三、钢筋混凝土单向板肋梁楼盖力学分析1.算梁的抗弯承载力:采用矩形截面,结合最大弯矩原理和弹性理论计算梁的抗弯承载力。
2.算肋板的抗压及抗拉承载力:采用快速分层法计算肋板的抗压及抗拉承载力。
3.算楼盖的抗压承载力:采用有限元计算方法,根据楼盖的结构形式和材料性质,进行局部分析和整体分析,确定其承载能力。
四、结论1.筋混凝土单向板肋梁楼盖是一种常见的建筑构件,具有良好的材料质量和受力性能,有着广泛的应用。
2.施工中,应充分考虑原材料的质量、构造原理、施工方法以及力学分析等多方面,确保钢筋混凝土单向板肋梁楼盖的安全可靠。
本文总结了钢筋混凝土单向板肋梁楼盖的构造原理、施工方法及其力学分析,为该类结构的设计提供参考,以期能够更好的为建筑结构的安全可靠性提供保障。
1、设计资料 (2)(1)楼面做法 (2)(2)需要材料 (2)2、平面布置 (2)3、板设计 (2)(1)荷载 (2)(2)计算简图 (3)(3)板的弯矩系数 (3)(4)承载力计算 (3)4、次梁设计 (4)(1)荷载设计值 (4)(2)计算简图 (4)(3)内力计算 (4)(4)承载力计算 (5)5、主梁设计 (6)(1)荷载设计值 (6)(2)计算简图 (7)(3)内力设计图及包络图 (7)(4)承载力设计 (10)1、设计资料(1)楼面做法1.铺6~10厚地砖楼面,干水泥擦缝2.5厚1∶2.5水泥砂浆粘结层(内掺建筑胶)3.20厚1∶3干硬性水泥沙浆结合层(内掺建筑胶)4.水泥浆一道(内掺建筑胶)5.钢筋混凝土楼板(2)需要材料2、平面布置主梁横向布置,次梁纵向布置,主梁跨度6000mm,次梁跨度5700mm,主梁每跨间布置2跟次梁6000/3=2000mm,2< 5.72<3,可按单向板布置。
按跨高比条件,板厚h≥20003=70mm,对工业建筑,h≥70mm,取h=80mm;次梁截面高度应满足h=l018~l012=317~475mm,取h=450mm,b=200mm;主梁截面高度应满足h=l015~l010=400~600mm,取h=600mm,b=300mm。
3、板设计(1)荷载1、0.01×20=0.2kN m2⁄2、0.005×20=0.1kN m2⁄3、0.02×20=0.4kN m2⁄4、 0.05kN m2⁄5、0.08×25=2kN m2⁄6、0.015×17=0.255kN m2⁄小计 3.01kN m2⁄可变荷载标准值 8kN m2⁄永久荷载设计值g=3.01×1.3=3.9kN m2⁄可变荷载设计值q=8×1.5=12kN m2⁄荷载总设计值 g+q=16kN m2⁄(2)计算简图边跨l 01=l n +h2=2000−150−100+802=1790mm中间跨l 02=l n =2000−100×2=1800mmA(3)板的弯矩系数∝m 分别为:边支座0,边跨111,离端第二支座−111,中跨中116,中间支座−114。
M 1=l 01211(g +q )=4.7kN m 2⁄ M 2=M 3=l 022(g +q )=3.2kN m 2⁄ M B =−l 01211(g +q )=−4.7kN m 2⁄M C =−l 02214(g +q )=3.7kN m 2⁄(4)承载力计算环境类别一级,C30混凝土,板的最小保护层厚度c=15mm ,假定纵向钢筋直径d=10mm ,板厚80mm ,则截面有效高度h 0=h −c −d2=80−15−102=60mm,板宽b=1000mm ,C30混凝土α1=1.0,f c =14.3N mm 2⁄,HPB300钢筋,f y =270N mm 2⁄。
计算表明,支座截面δ均小于0.35,符合塑性内力重分布的原则。
A smin bh =2511000×80=0.3%,比值大于0.45f tf y=0.45×1.43270=0.24%,且大于0.2%,满足最小配筋率要求。
4、次梁设计(1)荷载设计值永久荷载设计值 3.01×1.3×2=7.83kN m2⁄次梁自重 0.2(0.45-0.08)×25×1.3=2.41kN m2⁄次梁粉刷 2×0.015(0.45-0.08)×17×1.3=0.33kN m2⁄小计 g=10.57kN m2⁄可变荷载设计值 q=12×2=24kN m2⁄荷载总设计值 g+q=24+10.57=34.57KN m2⁄(2)计算简图按塑性内力重分布设计。
主梁截面300mm×600mm,计算跨度:边跨l01=1.025l n=1.025×(5700−300)=5535mm;中间跨l02=l n=(5700−300)=5400mm。
A(3)内力计算M1=l01211(g+q)=96.28kN m2⁄M2=M3=l022(g+q)=63.94kN m2⁄M B=−l01211(g+q)=−96.28kN m2⁄M C=−l02216(g+q)=−73.08kN m2⁄V A=0.45(g+q)l n1=84.01kN m2⁄V Bl=0.60(g+q)l n1=112.01kN m2⁄V Br =0.55(g +q )l n2=102.67kN m 2⁄ V C =0.55(g +q )l n2=102.67kN m 2⁄ (4)承载力计算b f ’=l 3=54003=1800mm b f ’=b +s n =200+1800=2000mm∴b f ’=1800mm环境类别一级,C30混凝土,假设箍筋直径10mm ,a s =40mm ,钢筋按单排布置,α1=1.0,βc =1,f c =14.3N mm 2⁄,f t =1.43N mm 2⁄,纵向钢筋采用HRB400钢筋,f y =360N mm 2⁄,f yv =360N mm 2⁄,h 0=h −a s =450−40=410mmα1f c b f ′h f ′(h 0−0.5h f ′)=1×14.3×1800×80(410−0.5×80)=762kN ·m按第一类T 形截面设计计算结果表明,支座截面的δ均小于0.35,符合塑性内力重分布的原则,A smin bh=509200×450=0.57%,比值大于0.45f t f y=0.45×1.43360=0.18%,且大于0.2%,满足最小配筋率要求。
斜截面受剪承载力 验算截面尺寸h w =h 0−h f ′=410−80=330mmh w b =380200=1.9<4.0对B支座左边截面尺寸验算0.25βcf c bh0=0.25×1.0×14.3×200×410=293kN>V max=112.01kN故截面尺寸满足要求验算是否需要计算配筋0.7f t bh0=0.7×1.43×200×410=82.08kN<V max=112.01kN 故按计算配筋Bl:A svs ≥V−0.7f t bh0f yv h0=(112.01−82.08)×103270×410=0.27mm2mm⁄ρsv,min=0.24f tf yv =0.24×1.43270=0.127%,选A6的双肢箍s≤A sv0.27=nA sv0.27=2×28.30.27=209.6mm因此箍筋选用A6@200的双肢箍Br:A svs ≥V−0.7f t bh0f yv h0=(103.43−82.08)×103270×410=0.193mm2mm⁄ρsv,min=0.24f tf yv =0.24×1.43270=0.127%,选A6的双肢箍s≤A sv0.193=nA sv0.193=2×28.30.193=293.26mm因此箍筋选用A6@200的双肢箍C:A svs ≥V−0.7f t bh0f yv h0=(103.43−82.08)×103270×410=0.186mm2mm⁄ρsv,min=0.24f tf yv =0.24×1.43270=0.127%,选A6的双肢箍s≤A sv0.186=nA sv0.186=2×28.30.186=304.3mm因此箍筋选用A6@200的双肢箍5、主梁设计主梁按弹性方法计算(1)荷载设计值次梁传来的荷载 10.57×5.7=60.25kN 主梁自重(含粉刷)((0.60-0.08)×0.3×2×25+(0.60-0.08)×2×0.015×2×17)×1.3=10.83kN恒荷载设计值 G=60.25+10.83=71.08kN 活荷载设计值 Q=24×5.7=136.8kN(2)计算简图主梁端部支承在外纵墙上,支承长度为300mm,中间支承在400mm×400mm的混凝土柱上,主梁按连续梁计算,其计算跨度:边跨:l n1=6000−150−200=5650mml01=l n1+a2+b2=6000mml01=1.025l n+b2=5991.25mm≈6000mm 取l01=6000mm(3)内力设计图及包络图(4)承载力设计①正截面受弯承载力跨内按T形截面计算,因跨内没有间距小于主梁的次梁,翼缘计算宽度按l3=63=2m和b+s n=6m中的较小值确定,取b f′=2m,一类环境,箍筋直径A8,a s=60mm,h0=h−a s=540mm。
判断T形截面类型:α1f c b f′h f′(h0−h f′)=1×14.3×2000×80(540−80)=1144kN·m>M1max =341.27kN·mB支座边缘的弯矩设计值M B=M Bmax−V0b=−369.14+238.3×0.4=−321.49kN·m 截面 1 B 2弯矩设计值341.27 -321.49 192.73 -80.6αs =Mα1f c b f‘h02或(αs =Mα1f c bh02)0.041 0.257 0.023 0.010ε=1−√1−2αs0.042 0.303 0.023 0.010γs=1+√1−2αs20.979 0.849 0.99 1.00验算截面尺寸:h w=h0−h f′=560−80=480mm,因h wb =480300=1.6<40.25βcf c bh0=0.25×1.0×14.3×300×540=579.2kN>V max 故截面尺寸满足要求验算是否需要计算配筋0.7f t bh0=0.7×1.43×300×540=162N<V max故按计算配筋先弯起钢筋再计算箍筋先弯起2C22,弯起角为45°。
Vsb=0.8fyvAsbsin45°=0.8×360×760×sin45°=219kNv cs=v−v sb=269.4−219=50.4kNA sv≥V−0.7f t bh0yv0=<0ρsv,min=0.24f tf yv =0.24×1.43270=0.127%,按最小配筋率配筋,取b=200mmA ss=b×ρsv,min=0.254选A8的双肢箍s≤A sv0.254=nA sv0.254=2×50.30.254=400mm因此选A8@200的箍筋次梁两侧附加横向钢筋的计算:次梁传来的集中力F l=60.25+136.8=197.05kNh1=600−450=150mm;附加箍筋布置范围s=2h1+3b=2×150+3×200=900mm取附加钢筋B10@200双肢箍,则在长度s内可布置附加钢筋的排数m=900200+1= 6排,次梁两侧各布置三排。