锅炉液位控制系统审批稿
- 格式:docx
- 大小:284.93 KB
- 文档页数:5
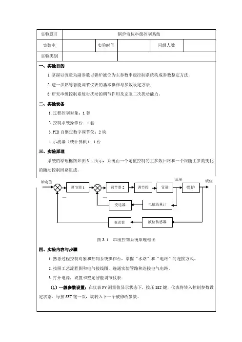
锅炉液位控制系统一.锅炉液位控制系统原理概述锅炉是电厂和化工厂里常见的生产蒸汽的设备。
为了保证锅炉的正常运行,需要维持锅炉液位为正常标准值。
锅炉液位过低,易烧干锅而发生严重事故;锅炉液位过高,则易使蒸汽带水并有溢出危险。
因此,必须通过调节器严格控制锅炉液位的高低,以保证锅炉正常安全的运行。
常见的锅炉液位控制系统示意图如图1-1所示。
图1-1锅炉液位控制系统示意图当蒸汽的耗气量与锅炉进水量相等时,液位保持为正常标准值。
当锅炉的给水量不变,而蒸汽负荷突然增加或减少时,引起锅炉液位发生变化。
不论出现哪种情况,只要实际液位高度与正常给定液位之间出现了偏差,调节器均应立即进行控制,去开打或关小给水阀门,使液位恢复到给定值。
二.一阶单回路控制系统分析单回路系统是由四个基本环节组成,即被控对象(或被控过程)、测量变送装置、调节器和执行机构(本系统为调节阀)。
有时为了分析方便起见,往往把执行机构、被控对象和测量变送装置合在一起,称之为广义对象。
这样系统就归结为调节器和广义对象两部分。
然而,一般来说,还是把系统看成上述四个基本环节所组成。
假定有如3-3图所示的水槽,流入量和流出量分别为q1和q2,我们的任务是维持水槽的液位不变。
为了控制液位,就要选择相应的变送器、控制器、和控制阀,并按图3-4所示的原理图构成单回路控制系统。
图3-3 水槽示意图图3-4水槽液位控制系统上图中表示变送器,LC表示液位控制器,sp代表控制器的给定值。
由图3-4我们可以得出单回路控制系统方块图(原理图)如图3-5所示:图3-5单回路控制系统方块图图3-5是锅炉液位控制系统的方框图。
图中,锅炉为被控对象,其输出为被控参数液位,作用于锅炉上的扰动是指给水压力变化的产生的内外扰动;测量变送器为差压变送器,用来测量锅炉液位,并转变为一定的信号输至调节器;调节器是锅炉液位控制系统中的调节器,有电动,气动等形式,在调节器内将测量液位与给定液位进行比较,得出偏差值,然后根据偏差情况按一定的控制律[如比例(P),比例-积分(PI),比例-积分-微分(PID)等]发出相应的输出信号去推动调节阀动作;调节阀在控制系统中执行元件作用,根据控制信号对锅炉的进水量进行调节,阀门的运动取决于阀门的特性,有的阀门与输入信号成正比关系,有的阀门与输入信号成某种曲线关系变化。
锅炉液位控制系统设计实验报告实验目的:1. 掌握锅炉液位控制系统的工作原理,了解常见的液位控制方案。
2. 学习液位传感器的基本原理,并设计并实现一个基于差压传感器的锅炉液位控制系统。
3. 通过实验验证液位控制系统的有效性和稳定性。
实验仪器和设备:1. 差压传感器2. 显示仪3. PLC 控制器4. 冷却塔5. 水泵6. 液压系统7. 电气保护仪实验原理:锅炉液位控制系统的工作原理基于液位的测量和比较,以及相应的控制电路。
常见的液位控制方案有多种,例如浮球传感器、差压传感器、超声波探测器等。
本实验设计并实现的液位控制系统基于差压传感器。
差压传感器是一种能测量液面压力差的传感器,其工作原理基于两个相隔一定距离的孔洞,分别在液位两侧,当液面高低不一时,两孔洞的压力就会不同,导致差压的产生。
根据流体力学原理,液位高度与产生的差压成线性关系,因此通过测量差压即可得知液位高度。
液位控制系统的核心控制器是 PLC 控制器。
PLC 控制器负责对液位信号进行采集和处理,并根据实际需求输出控制信号,控制阀门、水泵等设备的运行。
实验步骤:1. 搭建实验装置:将差压传感器安装在锅炉的水箱上,保证传感器的两个孔洞分别在水面上下两侧,连接传感器与示数仪。
将 PLC 控制器与传感器和执行器(水泵、阀门等)进行连线。
2. PLC 编程:编写 PLC 控制器的程序,实现对液位的控制和保护。
程序中应包含液位传感器的采集功能,液位数据的处理和比较功能,以及对执行器的控制指令。
另外,还需要设置自动保护功能,当液位过高或过低时及时切断加热器、泵等设备的供电,保证设备的安全运行。
3. 实验测试:在实验时,首先注入一定量的水,打开水泵进行循环水处理,同时启动加热器加热。
然后,由 PLC 控制器对液位信号进行采集和处理,控制水泵的开关以维持液位在一定范围内。
实验过程中,应注意观察液位变化和执行器运行状态,并及时调整控制参数。
实验结果与分析:本实验实现了基于差压传感器的锅炉液位控制系统,并通过PLC 控制器对液位信号进行采集和处理,控制水泵的开关以维持液位在一定范围内。
摘要集散控制系统(Distributed control system)是以微处理器为基础的对生产过程进行集中监视、操作、管理和分散控制的集中分散控制系统,简称DCS系统。
该系统将若干台微机分散应用于过程控制,全部信息通过通信网络由上位管理计算机监控,实现最优化控制,整个装置继承了常规仪表分散控制和计算机集中控制的优点,克服了常规仪表功能单一,人-机联系差以及单台微型计算机控制系统危险性高度集中的缺点,既实现了在管理、操作和显示三方面集中,又实现了在功能、负荷和危险性三方面的分散。
DCS系统在现代化生产过程控制中起着重要的作用。
关键字:集散控制系统;微处理器;最优化控制目录1. 概述 (1)2.通用版及嵌入版MCGS组态软件 (5)2.1锅炉液位控制工程文件建立 (5)2.2锅炉液位控制画面设计 (11)3.被控对象设计 (17)3.1实验装置简介 (17)3.2被控对象特性说明(过程工艺分析) (18)3.3被控对象的结构设计 (18)3.4被控对象工艺流程图 (19)4.控制系统设计 (19)4.1控制系统原理分析及控制方案设计 (19)4.2一次仪表选型设计 (21)4.3 DCS选型设计 (25)5.DCS组态设计 (26)5.1 DCS硬件组态设计 (26)5.2 DCS软件组态设计 (28)5.3 DCS系统闭环运行调试结果分析与说明 (32)5.设计总结与体会 (34)6.参考文献 (35)1. 概述集散控制系统(Distributed control system)是以微处理器为基础的对生产过程进行集中监视、操作、管理和分散控制的集中分散控制系统,简称DCS系统。
该系统将若干台微机分散应用于过程控制,全部信息通过通信网络由上位管理计算机监控,实现最优化控制,整个装置继承了常规仪表分散控制和计算机集中控制的优点,克服了常规仪表功能单一,人-机联系差以及单台微型计算机控制系统危险性高度集中的缺点,既实现了在管理、操作和显示三方面集中,又实现了在功能、负荷和危险性三方面的分散。
摘要集散控制系统(Distributed control system)是以微处理器为基础的对生产过程进行集中监视、操作、管理和分散控制的集中分散控制系统,简称DCS系统。
该系统将若干台微机分散应用于过程控制,全部信息通过通信网络由上位管理计算机监控,实现最优化控制,整个装置继承了常规仪表分散控制和计算机集中控制的优点,克服了常规仪表功能单一,人-机联系差以及单台微型计算机控制系统危险性高度集中的缺点,既实现了在管理、操作和显示三方面集中,又实现了在功能、负荷和危险性三方面的分散。
DCS系统在现代化生产过程控制中起着重要的作用。
关键字:集散控制系统;微处理器;最优化控制目录1. 概述 (1)2.通用版及嵌入版MCGS组态软件 (3)2.1锅炉液位控制工程文件建立 (3)2.2锅炉液位控制画面设计 (8)3.被控对象设计 (12)3.1实验装置简介 (12)3.2被控对象特性说明(过程工艺分析) (13)3.3被控对象的结构设计 (13)3.4被控对象工艺流程图 (14)4.控制系统设计 (14)4.1控制系统原理分析及控制方案设计 (14)4.2一次仪表选型设计 (15)4.3 DCS选型设计 (18)5.DCS组态设计 (18)5.1 DCS硬件组态设计 (18)5.2 DCS软件组态设计 (19)5.3 DCS系统闭环运行调试结果分析与说明 (22)5.设计总结与体会 (24)6.参考文献 (25)1. 概述集散控制系统(Distributed control system)是以微处理器为基础的对生产过程进行集中监视、操作、管理和分散控制的集中分散控制系统,简称DCS系统。
该系统将若干台微机分散应用于过程控制,全部信息通过通信网络由上位管理计算机监控,实现最优化控制,整个装置继承了常规仪表分散控制和计算机集中控制的优点,克服了常规仪表功能单一,人-机联系差以及单台微型计算机控制系统危险性高度集中的缺点,既实现了在管理、操作和显示三方面集中,又实现了在功能、负荷和危险性三方面的分散。
锅炉液位控制完整系统原理概述一、引言锅炉液位控制是锅炉运行中非常重要的一个环节,液位控制的稳定与否直接影响到锅炉的安全运行和能效。
本文将对锅炉液位控制的完整系统原理进行概述,包括液位测量、液位控制、液位保护等方面的内容。
二、液位测量液位测量是锅炉液位控制的基础,常用的液位测量方法有以下几种:1. 磁翻板液位计:通过浮子的上下浮动来实现液位的测量,浮子上的磁性翻板会随着液位的变化而翻转,通过磁力作用在指示器上显示液位高低。
2. 高频电容液位计:利用电容的原理来测量液位,通过电容传感器和电容变送器将液位信号转化为标准的电流或电压信号。
3. 微波液位计:采用微波的传输特性来测量液位,通过发射器和接收器之间的微波信号的传播时间来确定液位高低。
三、液位控制液位控制是为了保持锅炉液位在设定范围内,常用的液位控制方法有以下几种:1. 水位比例控制:根据锅炉负荷的变化,通过调节给水阀的开度来控制锅炉液位,使其保持在设定的比例范围内。
2. 水位偏差控制:通过调节给水阀的开度,使锅炉液位与设定值之间的偏差保持在一定范围内,以实现液位的控制。
3. 水位PID控制:采用PID控制算法,通过对液位偏差、变化率和积分值进行综合调节,实现锅炉液位的精确控制。
四、液位保护液位保护是为了防止锅炉液位过低或过高而导致的安全事故,常用的液位保护方法有以下几种:1. 低液位保护:当锅炉液位低于设定值时,自动停止给水,避免锅炉缺水运行,同时发出警报信号。
2. 高液位保护:当锅炉液位高于设定值时,自动停止给水,避免锅炉溢水运行,同时发出警报信号。
3. 过低液位保护:当锅炉液位过低时,自动停止燃烧器的工作,避免燃烧器在缺水状态下继续燃烧,造成锅炉事故。
4. 过高液位保护:当锅炉液位过高时,自动停止给水和燃烧器的工作,避免锅炉溢水和燃烧器在过高液位下继续燃烧,造成锅炉事故。
五、总结锅炉液位控制完整系统的原理概述了液位测量、液位控制和液位保护等方面的内容。
基于组态软件的锅炉液位掌握系统概述本次实习,我们做了一个小型的锅炉液位掌握系统,用试验室的设施模拟工业现场的锅炉掌握系统。
在做试验之前,先分析系统组成,各模块的功能,对系统的工艺有肯定的熟悉,知道了系统的原理后在水槽中加满水,上电之前要对电气设施做好电气检查和机械检查,确保操作的平安。
开动电机之前将没用的阀门关闭,打开图中需要的阀门。
其工作过程为电动机将水槽中的水经V39抽到高处水塔的小水塔中,待小水塔中的水满后会自动溢出到大的水塔中,确保了高处的水塔中水的压力恒定。
大水塔中的水会由溢水管流入水槽中,高处的水塔的压力由LT-I即:DBYG 压力变送器测得。
水经V33后由主路的QS智能型电动调整阀或经旁路的电磁阀、V30流过,再通过FE—1即电磁流量传感器后又经V51进入锅炉中,在锅炉底部有LT—2即DBYG压力变送器测的锅炉底部的压力。
加热的水在经V21、FE—2 (LDG—电磁流量传感器)、V35、V25后进入水槽中。
图形如下所示:——Lα∣:——一概述图1锅炉介绍1.1锅炉简介锅炉是采用燃料或其他能源的热能,把水加热成为热水或蒸汽的机械设施。
锅炉包括锅和炉两大部分,锅的原义是指在火上加热的盛水容器,炉是指燃烧燃料的场所。
锅炉产生的热水或蒸汽可直接为生产和生活供应所需的热能,也可通过蒸汽动力装置转换为机械能,或再通过发电机将机械能转换为电能。
供应热水的锅炉称为热水锅炉,主要用于生活,工业生产中也有少量应用。
产生蒸汽的锅炉称为蒸汽锅炉,又叫蒸汽发生器,常简称为锅炉,是蒸汽动力装置的重要组成部分,多用于火电站、船舶、机车和工矿企业。
锅炉承受高温高压,平安问题非常重要。
因此,对锅炉的材料选用、设计计算、制造和检验等都制订有严格的法规。
L 2锅炉的规格锅炉规格表示锅炉生产蒸汽或加热水的力量及水平。
蒸汽锅炉的规格以单位时间内产生蒸汽的数量及蒸汽参数表示,热水锅炉的规格以单位时间内水的吸热量及热水参数表示。
过程控制系统实验报告专业 xxxxxx班级 xxxxxxxxx学生姓名 xxxxxx学号 xxxxxxxx锅炉汽包水位控制系统设计一、控制要求设计一个汽包水位控制系统;使汽包水位维持在90CM;稳态误差±0;5CM;以满足生产要求..二、完成的主要任务1.掌控锅炉生产蒸汽工及其工作流程2.对被控对象进行特性分析;画出汽包水位控制系统方框图和流程图3.选择被控参数和被控变量;说明其选择依据4.设计控制系统方案;如何选择检测仪表;说明其选择原则和仪表性能指标5.说明单回路控制系统4个环节的工作形式对控制过程6.对控制进行PID控制说明其参数整定理论7.对锅炉汽包水位进行simulink仿真;对参数进行整定;其仿真图要满足动态性能指标8.总结实验课程设计的经验和收获过程控制系统实验报告............................... - 0 -第一章锅炉汽包水位控制系统的组成原理............ - 3 -1.1 概述............................................ - 3 -1.2 锅炉生产蒸汽工艺简述 ............................ - 4 -1.3 锅炉生产蒸汽工作流程 ............................ - 4 - 第二章锅炉汽包水位控制系统的方案设计............... - 5 -2.1 对被控对象进行特性分析 ............................ - 5 -2.2汽包水位控制系统方框图和流程图..................... - 5 -2.2.1 液位控制系统的方框图.................................. - 5 -2.2.2 液位控制系统的方案图.................................. - 6 -2.3选择被控参数和被控变量............................. - 7 -2.4选择检测仪表;说明其选择原则和仪表性能指标 .......... - 7 -2.4.1传感器、变送器选择 ..................................... - 8 -2.4.2执行器的选择........................................... - 8 -2.4.3关于给水调节阀的气开气关的选择.. ....................... - 8 -2.4.4 关于给水调节阀型号的选择.. ............................. - 9 -2.4.5 给水流量蒸汽流量..................................... - 9 -2.5 四个环节的工作形式对控制过程............................... - 9 -第三章PID控制.................................... - 10 -3.1对控制进行PID控制.......................................... - 10 -3.2整定PID理论参数............................................ - 11 -第四章仿真...................................... - 12 -4.1对锅炉汽包水位进行simulink仿真................... - 12 -4.2对系统参数进行整定................................ - 14 -第四章结束语...................................... - 10 -第一章锅炉汽包水位控制系统的组成原理1.1概述随着电子产品的降价及自动化生产线工艺控制连续稳定优势的凸现;越来越多的企业准备将自己的核心生产线改成全自动化生产线或者对个别关键工艺参数采用自动控制..工业应用自控技术在中国的推广使用较晚;但近年来发展较快..国内现在做汽包水位自动控制系统方面的设计公司很多;但由于能够集工艺要求、自动化技术和电气技术三者于一体的设计不多;所以人们清楚地认识到自动控制技术在工业应用中的重要地位和作用..从传统的控制方式来看;结构简单成本低的方案不能有效的控制锅炉汽包“虚假水位”现象;而能够在一定程度上控制“虚假现象”;系统却过于复杂;成本较高..故三种基本结构应运而生:单冲量调节系统结构;单级三冲量调节系统结构;串级三冲量调节系统结构..低负荷阶段;由于疏水和排污等因素的影响;给水和蒸汽流量存在着严重的不平衡;而且流量太小时;测量误差大;故在低负荷阶段;一般采用单冲量调节方式..单冲量水位控制系统是以汽包水位作为唯一的控制信号;冲量即变量..单冲量水位控制系统由汽包、变送器、调节器、执行器及调节阀等组成;系统框图如下所示:图1.1 液位控制系统方框图1.2锅炉生产蒸汽工艺简述水位控制系统的任务是使给水量与锅炉蒸汽量相适应;维持汽包水位在工艺规定的范围内..汽包水位反映了锅炉蒸汽流量与给水量之间的平衡关系;是锅炉运行中非常重要的监控参数..汽包水位过高;会影响汽水分离的效果;使蒸汽带液;过热器结垢;影响过热器的效率;如果使带液蒸汽进入汽轮机;会损坏汽轮机叶片..如果水位过低;会破坏水循坏而损坏锅炉;尤其是大型锅炉;一旦停止给水;汽包存水会在很短时间内完全汽化而造成重大事故;甚至引起爆炸..因此汽包水位需要严格控制..1.3锅炉生产蒸汽工作流程锅炉是工业过程中不可缺少的动力设备;锅炉的任务是根据外界负荷的变化;输送一定质量气压;气温和相应数量的蒸汽..锅炉是由“锅”和“炉”俩部分组成..“锅”就是锅炉的汽水系统;如图所示..由省煤器3、汽包4、下降管8、过热器5、上升管7、给水调节阀2、给水母管1及蒸汽母管6等组成..锅炉的给水用给水泵打入省煤器;在省煤器中;水吸收烟气的热量;使温度升高到本身压力下的沸点;成为饱和水然后引入汽包..汽包中的水经下降管进入锅炉底部的下联箱;又经炉膛四周的水冷壁进入上联箱;随即又回入汽包..水在水冷壁管中吸收炉内火焰直接辐射的热;在温度不变的情况下;一部分蒸发成蒸汽;成为汽水混合物..汽水混合物在汽包中分离成水和汽;水和给水一起在进入下降管参加循环;汽则由汽包顶部的管子引往过热器;蒸汽在过热器中吸热、升温到规定温度;成为合格蒸汽送入蒸汽母管..“炉”就是锅炉的燃烧系统;由炉膜、烟道、吸燃器、空气预热器等组成..锅炉燃料燃烧所需的空气由送风机送入;通过空气预热机;在空气预热机中吸收烟气热量;成为热空气后;与燃料按一定的比例进入炉膛燃烧;生成的热量传递给蒸汽发生系统;产生饱和蒸汽..然后经过过热器;形成一定的过热蒸汽;汇集到蒸汽母管..具有一定的压力的过热蒸汽;经过负荷设备调节阀供负荷设备使用..与此同时;燃烧过程中产生的烟气;其中含有大量余热;除了将饱和蒸汽变成过热蒸汽外;还预热锅炉给水和空气;最后经烟囱排入大气..第二章锅炉汽包水位控制系统的方案设计2.1 对被控对象进行特性分析在设计锅炉汽包水位控制的过程中首先从汽包锅炉入手;汽包锅炉有自然循环方式和强制循环方式两种;汽包锅炉自动控制的任务与直流锅炉几乎一样;也是主要包括四个方面:1保证系统安全运行;2保持燃烧的经济性;3保持炉膛负压在一定范围内;4运行中保证气轮机所需的蒸汽量;过热蒸汽压力和蒸汽温度的恒定..无论上一自然循环还是强制循环锅炉;其给水控制的任务都是为了保证锅炉负荷和给水的平衡关系..但是;汽包锅炉由于有了汽包的存在;使锅炉的运行方式、锅炉的结构、工作原理与直流锅炉不同;这就使实现控制的方式;采用被调量都有所区别..2.2汽包水位控制系统方框图和流程图2.2.1液位控制系统的方框图单冲量水位控制系统以汽包水位作为唯一的控制信号;冲量即变量..水位测量信号H的偏差;通过执行器去控经变送器送到水位调节器;调节器根据汽包水位测量值H与0制给水调节阀以改变给水量;保持汽包水位在允许的范围内..系统方框图如下所示..图2.1 液位控制系统方框图这种控制系统结构简单;是典型的单回路控制系统..采用单冲量控制系统;进行PID调节一般就能满足生产要求..2.2.2液位控制系统的方案图以汽包水位为被控参数;给水量作为控制变量可构成如图所示的单回路水位控制系统;工程上也称为单冲量控制系统..这种系统的优点是所用设备少;结构简单;参数整定和使用维护方便..在如图所示的单冲量控制系统中;当锅炉蒸汽负荷流量突然大幅度增加时;由于假水位现象;调节器不但不及时开大给水阀来增加给水量;反而去关小调节阀的开度;减小给水量..这样由于蒸汽量增加、给水量减少使汽包存水量减少..等到假水位消失后;汽包水位会严重下降;甚至会使汽包水位降到危险的程度;以至发生事故..对于负荷变动较大的大、中型锅炉;单冲量控制系统不能保证水位稳定;难以满足水位控制要求和生产安全..而对小型锅炉;由于蒸汽负荷变化时假水位的现象并不明显;如果在配上相应的一些联锁报警装置;这种单冲量控制系统也能满足生产的要求;并保证安全生产..图2.2 液位控制系统方案图 2.3选择被控参数和被控变量被控参数:能在生产过程中借助自动控制保持恒定值或按一定规律变化的变量.. 控制变量:用来克服干扰对被控参数的影响;实现控制作用的变量..又称为操纵变量..最常见的操纵变量是介质的流量;也有以转速、电压等作为操纵变量的..本次实验设计的控制变量为出口流体的流量..控制变量的确定被控变量选定以后;应对工艺进行分析;找出所有影响被控变量的因素..在这些变量中;有些是可控的;有些是不可控的..1、在诸多影响被控变量的因素中选择一个对被控变量影响显著且便于控制的变量;作为控制变量;2、其它未被选中的因素则视为系统的干扰..2.4选择检测仪表;说明其选择原则和仪表性能指标调节器的选型与调节规律的选择对过程控制系统的控制品质有至关重要的影响;也是过程控制系统设计的核心内容之一..调节器的输出决定于被控参数的测量值与设定值之差;被控参数的测量值与设定值变化;对输出的作用方向是相反的..过程控制中;对于调节器的正反作用的定义为:当设定值不变时;随着测量值的增加;调节器的输出也增加;则称为“正作用”方式;同样;当测量值不变;设定值减小时;调节器输出增加;称为“正作用”方式..调节阀正、反作用方式的选择是在调节阀气开、气关方式确定之后进行的;其确定原则是使整个单回路构成负反馈系统..图2.2 液位控制系统流程图2.4.1传感器、变送器选择传感器、变送器完成对被控参数的检测;并将测量信号传送至控制器..测量信号是调节器进行控制的依据;被控参数迅速、准确地测量是实现高性能控制的重要条件..测量不准确或不及时;会产生失调、误调或调节不及时..因此;传感器、变送器的选择是过控系统设计中重要的一环..2.4.2执行器的选择过程控制使用最多的是由执行机构和调节阀组成的执行器..A 、调节阀工作区间的选择B 、调节阀的流量特性选择C 、调节阀的气开、气关作用方式选择2.4.3关于给水调节阀的气开气关的选择关于给水调节阀的气开气关的选择;一般都是从安全角度考虑的..如果高压蒸汽供给蒸汽透平压缩机的重要负荷;为保护这些设备以选用气开F .C 阀为宜..如果蒸汽作为工艺生产中的热源时;为保护锅炉;以选用气关F .O 阀为宜..综合起来考虑;一般选带保”+”-位装置F.IJ的给水阀;即事故状态该阀停在原位..2.4.4 关于给水调节阀型号的选择关于给水调节阀型号的选择..由于流经给水阀的除氧水压力为6.0MPa 温度为104℃ ;极宜产生汽蚀现象..对于轻度汽蚀;一般给水阀的阀芯阀座选用司钛莱合金堆焊即可..对于重度汽蚀;一般给水阀选用多级高压调节阀;使高压除氧水在流过调节阀多级节流孔后逐渐降压;而每级阀芯上只承担一部分压差;使节流后的压力在阀的部分恢复不到流体的饱和蒸汽压力;可以有效的避免汽蚀现象;也有效的防止了汽蚀引起的噪声振动和对阀芯阀座的侵蚀..2.4.5 给水流量蒸汽流量给水流量蒸汽流量的一次元件如果选用节流装置;则差压变送器输出的信号需经开方器后再输入到加法器进行信号叠加..这样可以减少非线性对系统调节品质的影响..若是选用流量变送器则不必加开方器..它们的显示仪表的量程应选择的相同;其范围应比额定蒸汽负荷大一些;以保证锅炉在额定负荷下的给水流量有波动的余地..2.5 四个环节的工作形式对控制过程确定调节系统的方案时;要根据对象的特性和工艺要求;选择合适的调节规律;使组成的调节系统满足预期的品质指标..调节器的调节规律;即它的输出量与输入量偏差值之间的函数关系..P = f e调节器的作用是根据偏差;按规定的调节规律产生输出信号;推动执行机构;对生产过程进行调节..1、比例控制P适用于控制通道滞后较小、负荷变化不大、工艺上没有提出无差要求的系统;2、比例积分控制PI适用于控制通道滞后较小、负荷变化不大、工艺参数不允许有余差的系统..3、比例微分控制PD适用于控制通道滞后较大的系统..例如加热较慢的温度控制系统..4、比例积分微分控制PID适用于容量滞后较大、负荷变化大、控制质量要求较高的系统;应用最普遍的是温度控制系统与成分控制系统..第三章PID控制3.1对控制进行PID控制求出系统的传递函数;画出液位控制系统方框图..在稳定状态下;水位测量信号等于给定值;水位调节器的输出;蒸汽流量及给水流量等三个信号;通过加法器得到的输出电流为:I0= K1 I1-K2 I2+ K3 I3式中;I1 为液位调节器的输出电流;I2 为蒸汽流量变送器的电流;I3 为给水流量变送器的电流;K1 、K2 、K3 分别为加法器各通道的衰减系数..设计K2 I2= K3 I3此时I0 正是调节阀处于正常开度时所需要的电流信号为了安全调节阀必须用气关阀 ..假定在某一时刻;蒸汽负荷突然增加;蒸汽流量变送器的输出电流I2 相应增加;加法器的输出电流I0 就减少; 从而开大给水调节阀..但是与此同时出现了假水位现象;水位调节器输出电流I1 将增大..由于进入加法器的两个信号相反; 蒸汽流量变送器的输出电流I2 会抵消一部分假水位输出电流I1 ; 所以; 假水位所带来的影响将局部或全部被克服..待假水位过去;水位开始下降;水位调节器输出电流I1 开始减小; 此时; 它与蒸流量信号变化的方向相反; 因此加法器的输出电流I0 减小; 意味着要求增加给水量; 以适应新的负荷需要并补充水位的不足..图3.1 液位控制系统方框图3.2整定PID理论参数调节器参数的工程整定方法在控制系统设计或安装完毕后;被控对象、测量变送器和执行器这三部分的特性就完全确定了;不能任意改变..只能通过控制器参数的工程整定;来调整控制系统的稳定性和控制质量..控制器参数的整定;就是按照已定的控制方案;求取使控制质量最好的控制器参数值..具体来说;就是确定最合适的控制器比例度P、积分时间TI;和微分时间TD..1稳定边界法临界比例度法属于闭环整定方法;根据纯比例控制系统临界振荡试验所得数据临界比例度Pm和振荡周期Tm;按经验公式求出调节器的整定参数..1 若置调节器Ti→∞;Td=0;比例度P →较大值;将系统投入运行..2 逐渐减小P ;加干扰观察;直到出现等幅减振荡为止..记录此时的临界值Pm和Tm..yT图3.2 液位控制系统图根据Pm 和Tm;按经验公式计算出控制器的参数整定值第四章仿真4.1对锅炉汽包水位进行simulink仿真稳定边界法:图4.1比例控制图图4.4 比例控制 simulink仿真结果图4.3系统PID仿真图图4.4 PID控制simulink仿真结果4.2对系统参数进行整定1 置调节器Ti→∞; Td=0;比例度P →较大值;将系统投入运行..2 逐渐减小P ;加干扰观察;直到出现等幅减振荡为止..记录此时的临界值Pm和Tm..3根据Pm和Tm;按经验公式计算出控制器的参数整定值..在控制系统设计或安装完毕后;被控对象、测量变送器和执行器这三部分的特性就完全确定了;不能任意改变..只能通过控制器参数的工程整定;来调整控制系统的稳定性和控制质量..控制器参数的整定;就是按照已定的控制方案;求取使控制质量最好的控制器参数值..具体来说;就是确定最合适的控制器比例度P、积分时间TI;和微分时间TD..1稳定边界法临界比例度法属于闭环整定方法;根据纯比例控制系统临界振荡试验所得数据临界比例度Pm和振荡周期Tm;按经验公式求出调节器的整定参数..1 若置调节器Ti→∞;Td=0;比例度P →较大值;将系统投入运行..2 逐渐减小P ;加干扰观察;直到出现等幅减振荡为止..记录此时的临界值Pm和Tm..第五章结束语这次的锅炉汽包水位控制系统设计;把课堂上学到的东西用了出来;因为每台锅炉都不一样;不能全部说清楚..这次课程设计是使用常规仪表对锅炉汽包水位进行自动控制的典型的方案;让我从中体会到了过程控制的内涵..也为接下来的考试打下了基础..同时感谢老师的精心指导;让我能顺利完成这次课程设计..。
天津理工大学自动化学院专业设计报告题目:工业锅炉除氧器液位控制DCS系统设计学生姓名赵明学号20081001届2012 班级08电气5班指导教师张惊雷专业电气工程及其自动化说明1. 专业设计文本材料包括设计报告、任务书、指导书三部分,其中任务书、指导书由教师完成。
按设计报告、任务书、指导书顺序装订成册。
2. 学生根据指导教师下达的任务书、指导书完成专业设计工作,合作完成的专业设计,要在设计报告概述中明确说明分工。
3. 设计报告内容建议主要包括:设计概述、设计原理、设计方案分析、软硬件具体设计、调试分析、总结以及参考资料等内容,不同类型的设计可有所区别。
4. 设计报告字数应在3000-4000字,图纸设计应采用电子绘图、且符合相应符合国标,文字规范借鉴参考毕业设计要求。
5.专业设计成绩由平时表现(50%)、设计报告(30%)和答辩成绩(20%)组成。
专业设计应给出适当的评语。
专业设计评语及成绩汇总表工业锅炉除氧器液位控制DCS系统设计前言集散控制系统(Distributed control system):是以微处理器为基础的对生产过程进行集中监视、操作、管理和分散控制的集中分散控制系统,简称DCS系统。
该系统将若干台微机分散应用于过程控制,全部信息通过通信网络由上位管理计算机监控,实现最优化控制,整个装置继承了常规仪表分散控制和计算机集中控制的优点,克服了常规仪表功能单一,人-机联系差以及单台微型计算机控制系统危险性高度集中的缺点,既实现了在管理、操作和显示三方面集中,又实现了在功能、负荷和危险性三方面的分散。
DCS系统在现代化生产过程控制中起着重要的作用。
集散控制系统的基本组成:现场控制级、过程控制级、过程管理级、经营管理级DCS系统的硬件结构DCS的硬件系统主要由集中操作管理装置、分散过程控制装置和通信接口设备等组成。
通过通信网络将这些硬件设备连接起来,共同实现数据采集、分散控制和集中监视、操作及管理等功能。
控制仪表课程设计--锅炉液位DCS控制系统设计报告控制仪表与装置课程设计DCS课程设计内容摘要以过程控制实验室的“EFPT过程控制实验装置”为被控对象、“SUPCON JX-300 DCS”为控制装置,构成一个闭环系统,本课程设计将完成该闭环系统的下列一系列工程性设计:(1) 被控对象特性设计组态;(2) 控制系统一次仪表选型设计;(3) 控制系统设计;(4) DCS控制装置的I/O点配置与组态设计;(5) DCS控制回路组态设计;(6) DCS操作站组态设计;(7) DCS系统闭环运行调试。
设计报告目录11. 设计任务和要求----------------------------------------------------------------------32. 课程设计小组成员名单及分工-------------------------------------------------43. 被控对象的结构设计和模拟特性简要说明--------------------------------44. “EFPT过程控制实验装置”阀门状态表----------------------------------45. 一次仪表选型表-----------------------------------------------------------------------56. 带测控点的工艺管道流程图(P&ID图)----------------------------------67. 控制系统一次仪表和DCS I/O点接线图-------------------------------------6 8. DCS卡件配置图------------------------------------------------------------------------6 9. DCS系统(控制站卡件及设计小组各操作站)地址配置表---------7 10. DCSI/O点位号、注释、量程、单位、报警限及配电设置表-------8 11. 控制回路方框图------------------------------------------------------------------------8 12. 操作小组设计及操作权限设计说明课程设计总结-----------------------8 13. 控制过程截图----------------------------------------------------------------------------9 14. DCS系统闭环运行调试结果分析与说明-----------------------------------10 15. 课程设计总结--------------------------------------------------------------------------11 16. 主要参考资料--------------------------------------------------------------------------11一、设计任务和要求(1) 被控对象特性设计组态2通过“EFPT过程控制实验装置”的管道和阀门的开/闭状态,构造一个实验者所希望实现的对象特性,用于本课程设计的控制系统被控对象。
热电厂中压锅炉水位双冲量控制系统一、系统概况锅炉是我国工业生产和生活上应用面最广、数量最多的热力设备。
由干锅炉往往负荷变化大、起停频繁依靠人工操作很难保证其安全、稳定地在经济工况下长期运行,所以必须装备自动控制设备。
工业锅炉的汽包液位是正常运行的主要指标之一。
液位过高会影响水汽分离,产生蒸汽带液现象;液位过低会影响锅炉的汽水自然循环,如不及时调节就会使汽包里的水全部汽化掉,可能导致锅炉烧坏或爆炸事故。
所以在锅炉运行中保持汽包液位是十分重要的,对锅炉设备的自动控制首先是从汽包液位的自动调节开始。
锅炉是一个复杂的被控对象,主要输入变量包括符合的蒸汽需求量、给水量、燃料量、减温水量、送风量和引风量等;主要输出变量有锅筒水位、蒸汽压力、过热蒸汽温度、炉膛负压、过剩空气(烟气含氧量)等,图1所示为输入变量与输出变量之间的相互关系。
如果蒸汽符合变化或给水量发生变化,会引起锅筒水位、蒸汽压力和过热蒸汽温度等的变化;而燃料量的变化不仅影响蒸汽压力,还会影响锅筒水位、过热蒸汽温度、过剩空气和炉膛负压、可见,锅炉是一个具有多输入、多输出且变量之间相互关联的被控对象。
图1 锅炉的输入输出变量示意图锅炉汽包液位是锅炉运行中一个重要的监控参数,反映了锅炉负荷与给水的平衡关系,要求汽包液位控制在一定范围内。
锅炉汽水系统结构如图2所示。
图2 锅炉汽水系统1—给水泵;2—给水母管;3—调节阀;4—省煤器5—锅炉汽包;6—下降管;7—上升管;8—蒸汽母管锅筒水位是保证锅炉安全运行的重要标志。
水位过低时,如果负荷(蒸汽用量)较大,水的汽化速度又快,使锅筒内的水量变化速度较快,一旦锅筒内的水全部汽化,会导致锅炉烧坏,甚至爆炸;水位过高,影响锅筒的汽水分离,产生蒸汽带液现象,使过热器关闭结果导致损坏,同时过热蒸汽温度下降,容易损坏汽轮机叶片,影响机组运行的安全和经济性。
因此,必须严格控制锅筒水位的高低。
锅筒水位的最大特点是水中央夹带着大量蒸汽气泡。
锅炉液位控制系统 YKK standardization office【 YKK5AB- YKK08- YKK2C- YKK18】
锅炉液位控制系统
一.锅炉液位控制系统原理概述?
锅炉是电厂和化工厂里常见的生产蒸汽的设备。
为了保证锅炉的正常运行,需要维持锅炉液位为正常标准值。
锅炉液位过低,易烧干锅而发生严重事故;锅炉液位过高,则易使蒸汽带水并有溢出危险。
因此,必须通过调节器严格控制锅炉液位的高低,以保证锅炉正常安全的运行。
常见的锅炉液位控制系统示意图如图1-1所示。
图1-1锅炉液位控制系统示意图
当蒸汽的耗气量与锅炉进水量相等时,液位保持为正常标准值。
当锅炉的给水量不变,而蒸汽负荷突然增加或减少时,引起锅炉液位发生变化。
不论出现哪种情况,只要实际液位高度与正常给定液位之间出现了偏差,调节器均应立即进行控制,去开打或关小给水阀门,使液位恢复到给定值。
?
二.一阶单回路控制系统分析
单回路系统是由四个基本环节组成,即被控对象(或被控过程)、测量变送装置、调节器和执行机构(本系统为调节阀)。
有时为了分析方便起见,往往把执行机构、被控对象和测量变送装置合在一起,称之为广义对象。
这样系统就归结为调节器和广义对象两部分。
然而,一般来说,还是把系统看成上述四个基本环节所组成。
??
假定有如3-3图所示的水槽,流入量和流出量分别为q1和q2,我们的任务是维持水槽的液位不变。
为了控制液位,就要选择相应的变送器、控制器、和控制阀,并按图3-4所示的原理图构成单回路控制系统。
图3-3 水槽示意图
图3-4水槽液位控制系统
上图中表示变送器,LC表示液位控制器,sp代表控制器的给定值。
由图3-4我们可以得出单回路控制系统方块图(原理图)如图3-5所示:
图?3-5单回路控制系统方块图
图3-5是锅炉液位控制系统的方框图。
图中,锅炉为被控对象,其输出为被控参数液位,作用于锅炉上的扰动是指给水压力变化的产生的内外扰动;测量变送器为差压变送器,用来测量锅炉液位,并转变为一定的信号输至调节器;调节器是锅炉液位控制系统中的调节器,有电动,气动等形式,在调节器内将测量液位与给定液位进行比较,得出偏差值,然后根据偏差情况按一定的控制律[如比例(P),比例-积分(PI),比例-积分-微分(PID)等]发出相应的输出信号去推动调节阀动作;调节阀在控制系统中执行元件作用,根据控制信号对锅炉的进水量进行调节,阀门的运动取决于阀门的特性,有的阀门与输入信
号成正比关系,有的阀门与输入信号成某种曲线关系变化。
大多数调节阀呈为气动薄膜调节阀,若采用电动调节器,则调节器与气动调节阀之间应有电-气转换器。
气动调节阀的气动阀门分为气开与气关两种。
气开阀指当调节器输出增加时,阀门开大;气关阀指当调节器输出增加时,阀门保持打开位置,以保证汽鼓不致烧干损坏。
一阶单回路控制系统的工艺流程图如图3-6
图?3-6?一阶单回路控制系统工艺流程图
一阶单回路控制系统的接线图
图3-7一阶单回路控制系统接线图
三.结论
本系统采用水位调节控制。
锅炉为被控对象,其输出为被控参数液位,作用于锅炉上的扰动是指给水压力变化的产生的内外扰动;测量变送器为差压变送器,用来测量锅炉液位,并转变为一定的信号输至调节器,在调节器内将测量
液位与给定液位进行比较,得出偏差值,然后根据偏差情况按比例(P),比例-积分(PI),比例-积分-微分(PID)等控制规律发出相应的输出信号去推动调节阀动作。
?
它是电厂和化工厂里常见的生产蒸汽的设备,由于该系统很方便,很简单,所以被广泛的应用于工业生产中,并取得了明显的经济效益和安全保证。