电工基础公开课
- 格式:doc
- 大小:28.59 KB
- 文档页数:5
电工基础课程公开课教案高压电器:交流1200V以上、直流1500V以上。
按照操作方式:手动电器:刀开关、按钮、转换开关自动电器:低压断路器、接触器、继电器低压配电电器:刀开关、低压断路器、熔断器等。
低压控制电器:接触器、继电器、控制器、按钮等。
二、开关电器1、闸刀开关2、组合开关3、自动开关三、熔断器1、熔断器结构、功能熔断器主要作短路或过载保护用,串联在被保护的线路中。
线路正常工作时如同一根导线,起通路作用;当线路短路或过载时熔断器熔断,起到保护线路上其他电器设备的作用。
结构:内部装有石英砂或细铜丝(有些是磷片)功能:短路保护,石英砂遇到过热电流时能迅速降温,散热,灭弧,起到短路保护的作用。
电气容量选择:熔断器的选用一般为电路上限电流的2倍左右。
符号: FU2、熔断器的选择选择熔体额定电流的方法如下:(1)电灯支线的熔体:熔体额定电流≥支线上所有电灯的工作电流之和。
(2)一台电动机的熔体:熔体额定电流≥电动机的起动电流÷2.5如果电动机起动频繁,则为:熔体额定电流≥电动机的起动电流÷(1.6~2)(3)几台电动机合用的总熔体:熔体额定电流=(1.5~2.5)×容量最大的电动机的额定电流+其余电动机的额定电流之和四、接触器结构:线圈通电(110V)产生磁力,吸合衔铁,带动节点闭合。
功能:用来频繁地接通或断开交直流主电路及大容量控制电路的一种自动切换电器。
注:中间继电器与接触器功能与原理基本相同,但容量小,不能混用。
符号: KM 主触点线圈常开触点常闭触电五、热继电器结构:内部有曲样电阻,遇热弯曲,断开电路功能:主要用于负载的过载保护、断相保护、电流不平衡的保护以及其它电气设备发热状态的控制,其常闭触点串接在带负载的启动回路中。
符号:FR 热元件常闭触点六、时间继电器功能:用于需要按时间顺序进行控制的电气控制系统中,它接受控制信号后,能够按要求延时动作。
符号: KT(a) (b) (c) (d) (e)(a) —— 线圈(b) —— 常开触点(通电延时) (c) —— 常闭触点 (通电延时) (d) —— 常开触点 (断电延时) (e) —— 常开触点 (断电延时)六、主令电器 1、按钮功能:控制电路中,发出手动指令去控制其它电器。
电工基础周绍敏教案一、教学目标:本教案旨在帮助学生全面了解电工基础知识,包括电流、电压、电阻等基本概念及其计算方法,掌握电路中串联和并联电阻的计算方法,了解电功率和电能的概念及其计算,以及基本的电工安全知识。
二、教学内容:1. 电流的概念与计算方法- 介绍电流的基本概念和单位- 讲解欧姆定律及其公式,引导学生运用欧姆定律计算电流2. 电压的概念与计算方法- 介绍电压的基本概念和单位- 讲解电压与电势差的区别与联系- 引导学生运用电压公式计算电压3. 电阻的概念与计算方法- 介绍电阻的基本概念和单位- 讲解电阻与电阻率的关系- 引导学生运用电阻公式计算电阻4. 串联电阻的计算方法- 讲解串联电路的概念与特点- 引导学生掌握串联电阻的计算方法和公式5. 并联电阻的计算方法- 讲解并联电路的概念与特点- 引导学生掌握并联电阻的计算方法和公式6. 电功率与电能的概念与计算方法- 介绍电功率和电能的基本概念和单位- 引导学生掌握电功率和电能的计算方法和公式7. 电工安全知识- 讲解电工工作中的常见危险因素- 引导学生学习电工安全的基本措施和注意事项三、教学步骤:1. 导入(5分钟)- 引导学生回顾上节课所学内容,了解电流、电压、电阻的基本概念和单位。
2. 电流与电压的讲解(15分钟)- 通过实例引导学生理解电流与电压的概念及其计算方法。
3. 电阻的讲解(15分钟)- 解释电阻的概念和单位,并与电阻率进行对比。
- 引导学生运用电阻公式计算电阻。
4. 串联电阻的计算(15分钟)- 讲解串联电路的概念和特点。
- 引导学生掌握串联电阻的计算方法和公式。
5. 并联电阻的计算(15分钟)- 讲解并联电路的概念和特点。
- 引导学生掌握并联电阻的计算方法和公式。
6. 电功率与电能的计算(15分钟)- 介绍电功率和电能的概念和单位。
- 引导学生掌握电功率和电能的计算方法和公式。
7. 电工安全知识讲解(15分钟)- 讲解电工工作中的常见危险因素,并提供相关的安全措施和注意事项。
电工实习公开课教案第一章:电工基础知识1.1 电学基本概念电流、电压、电阻的概念与关系欧姆定律的应用1.2 电路的基本元件电阻、电容、电感的特性与识别开关、保险丝的作用与使用方法1.3 电路的基本连接方式串联电路与并联电路的特点与应用串并联电路的识别与分析方法第二章:电工工具与设备2.1 电工工具的使用螺丝刀、扳手、钳子的选用与使用方法电笔、试电器的使用与注意事项2.2 常用电工设备断路器、接触器的结构与作用电动机的基本原理与接线方法2.3 安全用电常识触电的危害与预防措施漏电保护器的作用与使用方法第三章:照明电路的安装与维护3.1 照明电路的基本组成灯具、开关、电线的关系与接法照明电路的电压与电流要求3.2 照明电路的安装步骤电线剥皮、接线、绝缘裹扎的方法与注意事项开关、插座的安装位置与接线方法3.3 照明电路的维护与检修常见照明电路故障的排查与修复方法更换灯泡、开关的操作步骤与注意事项第四章:电工测量与测试4.1 测量工具的使用数字万用表的功能与使用方法电能表的结构与使用注意事项4.2 测量电路参数电压、电流、电阻的测量方法与步骤测量结果的记录与分析4.3 电路故障的检测与排除常见电路故障的诊断方法与步骤故障电路的修复与测试第五章:家庭电器维修技巧5.1 常见家庭电器的基本原理电视、冰箱、洗衣机的工作原理与电路结构家电电路的电压与电流要求5.2 家电维修工具与方法家电维修的基本步骤与注意事项拆卸、焊接、绝缘修复的操作技巧5.3 家庭电器常见故障与维修电视图像故障、冰箱制冷不足、洗衣机漏水的修复方法家电维修案例分析与经验分享第六章:配电盘与控制系统6.1 配电盘的结构与功能配电盘的组成部分及其作用断路器、接触器、继电器等电器元件的识别与使用6.2 控制系统的原理与应用简单的控制系统组成开关、按钮、信号灯等控制元件的使用方法6.3 配电盘的安装与调试配电盘的安装位置与接线要求控制系统的基本接线与调试步骤第七章:变压器与电机7.1 变压器的基本原理变压器的工作原理与分类变压器的使用与维护方法7.2 电动机的结构与原理电动机的类型与工作原理电动机的接线、启动与停止控制7.3 电机控制系统电机控制系统的组成与功能启动、停止、正反转控制电路的设计与安装第八章:电缆与线路敷设8.1 电缆的类型与规格电缆的构造与性能电缆的选用与敷设要求8.2 电线线路的敷设方法布线的原则与注意事项槽管、穿管、直埋等敷设方式的操作步骤8.3 电缆线路的维护与检修电缆线路的常见故障与诊断电缆线路的修复与测试方法第九章:PLC 控制系统9.1 PLC 基础PLC 的概念、结构与工作原理PLC 的编程软件使用与编程语言9.2 PLC 控制系统的设计与应用PLC 控制系统的硬件组成PLC 控制程序的编写与调试方法9.3 PLC 控制系统的维护与故障排除PLC 控制系统的日常维护与保养故障诊断与维修方法第十章:电工实训项目案例分析10.1 案例分析的目的与意义案例分析在电工实训中的应用案例分析的方法与步骤10.2 典型电工实训项目案例照明电路设计、安装与维护案例电动机控制电路的设计与安装案例案例分析报告的结构与内容重点解析本文档详细编写了一个电工实习公开课的教案,共包含十个章节。
电工电子技术公开课教案第一章:电工基础1.1 电流、电压和电阻的概念电流:电荷的定向移动形成电流,单位是安培(A)。
电压:电势差,单位是伏特(V)。
电阻:阻碍电流流动的性质,单位是欧姆(Ω)。
1.2 欧姆定律欧姆定律:电流I等于电压U除以电阻R,即I = U/R。
1.3 串并联电路串联电路:元件依次连接,电流相同,电压分配。
并联电路:元件并行连接,电压相同,电流分配。
第二章:电子元件2.1 半导体基础导体、绝缘体和半导体:导电性能不同的材料。
PN结:P型和N型半导体的结合,形成二极管。
2.2 二极管结构、符号和性质:单向导电性,正向导通,反向截止。
应用:整流、稳压、调制等。
2.3 晶体管结构、符号和性质:三极管,控制电流的放大作用。
应用:放大、开关、稳压等。
第三章:基本电路分析3.1 交流电路交流电:电压和电流随时间变化的电。
频率、周期和相位:交流电的基本参数。
3.2 频率响应滤波器:根据频率选择通过的信号。
放大器:增加信号的幅值。
3.3 谐振电路串联谐振和并联谐振:谐振条件、谐振特点。
第四章:电子测量技术4.1 测量仪器示波器:显示电压随时间变化的图形。
信号发生器:产生不同频率和幅值的信号。
4.2 测量方法直流测量和交流测量:测量电压、电流、电阻等。
测量误差和精度:仪器的误差和测量结果的精度。
4.3 数据处理平均值、均方根值和峰-峰值:描述信号的统计量。
信号处理和分析:滤波、放大、采样等。
第五章:电工电子应用实例5.1 照明电路灯泡的选择、接线和保护。
5.2 电源电路稳压电源:线性稳压电源和开关稳压电源。
5.3 充电电路充电器:适配器和充电电池的充电电路。
5.4 传感器应用温度传感器、压力传感器等:将非电量转换为电信号。
5.5 家庭电器电冰箱、洗衣机、空调等家用电器的工作原理和电路。
第六章:电机及其控制6.1 电动机的基础直流电动机和交流电动机的结构与原理。
电动机的分类:异步电动机、同步电动机、步进电动机等。
电工基础公开课教案电工基础公开课教案1【教学目标】知识传授目标:1.了解电路的基本组成及各部分的作用;2.理解电动势、电位、电功率的概念;3.掌握电压、电流的概念;理解电压、电流的参考方向;能力培养目标:培养学生的观察能力和理论联系实际的能力【教学重点】重点:电压、电流和电功率的定义、方向的理解和掌握【难点分析】难点:电流和电压的参考方向【学情分析】电路的组成比较简单,学生在实际生产和生活中接触较多,选择实际画面进行多媒体投影讲解,但电压和电动势的形成、方向等比较抽象,单纯从理论上讲解学生不易理解,从实验入手,以多媒体动画进行模拟,能降低其理论难度,增强学生的视觉感受,从而解决其关键点,突破教学难点。
【教学方法】讲授法、对比法、实验法、讨论法【教具资源】多媒体课件、直流电源、电阻、开关、导线若干【课时安排】2学时(80分钟)【教学过程】一、导入新课联系生活实际引导同学们说出电路的组成,利用多媒体课件投影实际电路的画面,激发学生的学习兴趣,集中学生的注意力。
二、讲授新课教学环节1:电路的基本结构(一)电路的组成和功能教师活动:引导学生联系实际说出实际生活中的电路例子,多媒体演示实际电路;学生活动:联系实际总结一般电路的组成及各部分的作用;能力培养:锻炼学生的观察能力和综合概括能力。
(二)电路的状态和电路图教师活动:实验演示照明电路的各种状态后多媒体动画分析;学生活动:联系实际和实验总结电路的三种状态,练习画简单的电路图;教学环节2:电路的基本物理量(一)电流教师活动:实验演示,辅助投影多媒体动画,引导学生分析;学生活动:分组讨论电流的形成和参考方向,总结电流参考方向的意义。
(二)电压教师活动:实验演示,辅助投影多媒体动画,引导学生分析;学生活动:启发学生采用类比法对比电流,分组讨论、总结电压定义和参考方向的意义。
(三)电动势教师活动:多媒体动画演示电源的作用本质,引出电动势的概念;学生活动:参考多媒体演示分析、总结电动势的定义、公式和方向。
电工基础公开课时间:2016年5月5日授课人:胡清听课人:电工组老师、学校副校长、办公室内容记录:一、板书授课内容:二、教学过程:(一)讲解:本节授课主要内容:基尔霍夫第一定律现在我们来看下面这个图:方法,这就是这节课我们要学习的内容—新课讲授:在学习基尔霍夫第一定律之前,先了解几个基本概念。
一.基本概念:1.支路:电路中的每一分支叫做一条支路,一般是由一个或 几个电路元件相互串联而成。
2.节点:三条或三条以上支路的汇交点。
3.回路:电路中任何一个闭合路径叫做回路。
在每次所选用的回路中,至少包含一个没有选用过的新支路时,称这些回路为独立回路.4.网孔:内部不包含其他支路的回路。
电路中网孔数等于独立回路数.(网孔一定是回路,但回路不一定是网孔)二.基尔霍夫第一定律(KCL )——节点电流定律基尔霍夫第一定理的内容是德国物理学家基尔霍夫根据电荷守恒以节点为研究对象得到的。
如图二所示,A 点为某电路中的一个节点,以A 点为研究对象12345,,,,I I I I I 参考方向如图所示。
由于节它不可能积累电荷,电荷又是守恒的,那么有12435I I I I I ++=+ (1)124350I I I I I ++--= (2)流出节点的电流如果假设流入节点的电流为正,流出节点的电流为负,可得基尔霍夫第一定律的另一种表述:对电路中任一节点,流进该节点电流的代数和等于0,其一般形式为:0I =∑三)、实验注意事项1.用到电流插座。
2.所有需要测量的电压值,均以电压表测量的读数为准。
U1、U2也需测量,不应取电源本身的显示值。
3. 防止稳压电源两个输出端碰线短路。
4. 用指针式电压表或电流表测量电压或电流时,如果仪表指针反偏,则必须调换仪表极性,重新测量。
此时指针正偏,可读得电压或电流值。
若用数显电压表或电流表测量,则可直接读出电压或电流值。
但应注意:所读的电流值的正确正、负号应根据设定的电流参考方向来判断。
中职电工基础教案一、教案概述本教案旨在为中职电工专业学生提供电工基础知识的系统学习和培训,以培养学生的电工技能和实践能力。
通过本教案的学习,学生将掌握电工基本理论知识、电路图的绘制和分析、电器设备的安装和调试等技能,为他们将来的就业和工作打下坚实基础。
二、教学目标1. 理论知识:了解电工的基本概念、电路基本理论和常见电器设备的工作原理。
2. 技能培养:掌握电路图的绘制、电路的分析和故障排除、电器设备的安装和调试等操作技能。
3. 实践能力:通过实验和实际操作训练,培养学生的动手能力和解决问题的能力。
三、教学内容1. 电工基础概念1.1 电压、电流和电阻的基本概念和单位。
1.2 电流的方向和符号表示。
1.3 电路的基本组成和符号表示。
1.4 简单直流电路和交流电路的区别。
2. 电路图的绘制和分析2.1 电路图的绘制规则和符号表示方法。
2.2 串联、并联和混联电路的分析方法。
2.3 电路中的电压和电流的计算方法。
3. 电器设备的工作原理和安装调试3.1 常见电器设备的工作原理和组成结构。
3.2 电器设备的安装和接线方法。
3.3 电器设备的调试和故障排除方法。
四、教学方法1. 理论讲解:通过课堂讲解和案例分析,向学生介绍电工基础知识的核心概念和理论原理。
2. 实验操作:通过实验室实践,让学生亲自动手操作电路和电器设备,在实践中掌握电工技能。
3. 讨论交流:鼓励学生积极参与课堂讨论和问答环节,提高学生的思维能力和问题解决能力。
4. 案例分析:通过分析实际案例,引导学生将理论知识应用到实际问题的解决中,培养学生的综合素质。
五、教学评估1. 平时表现:包括学生的课堂参与和讨论情况、实验操作的准确性和熟练程度等。
2. 期中考试:进行理论知识和实际操作技能的考核。
3. 期末考试:对全年的教学内容进行综合考核,以评估学生的学习成果。
六、教学资源1. 教材:《电工基础教程》。
2. 实验设备:电器设备模拟实验室、电路图绘制软件等。
电工技术基础与技能公开课教案授课题目2.3电阻的并联上课教师曹相灯教学时数2授课类型理论课教学目的1.熟练掌握电阻并联的性质和作用。
2.理解并联分流和功率分配的原理。
3.掌握电流表扩大量程的方法和计算。
教学重点、难点1.电阻并联的性质和作用。
2.电流表扩大量程的方法和计算。
教学方法、手段讲授法、分析法教具或设备灯泡、导线、开关、电流、表万用表、木工板安全事项应急疏散和安全用电教学过程课前复习:1.影响电阻大小的三个因数。
2.串联电路中电流、电压的基本特点。
3.串联电路的总电阻。
4.串联电路的应用电阻的并联一、定义1.电阻的并联:把若干个电阻一端连接在一起,另一端连接在一起。
2.特点:①电路中各支路两端的电压相等;②电路中总电流等于各支路的电流之和。
③.总电阻设电压为U,根据欧姆定律,则I =RU;I 1 1R U;I 22R U ;;I nnR U 因为 II 1I 2I 3I n所以R111R 21R 31R nR 1 结论:并联电路总电阻的倒数等于各个电阻的倒数之和。
3.电流分配 U I 1 R 1;U I 2 R 2;U I 3 R 3;;U I n R nI 1 R 1I 2 R 2I 3 R 3I n R n U 结论:并联电路中通过各个电阻的电流与它的阻值成反比。
当只有两只电阻并联时I 1212R R R +I ;I 2211R R R +I4.功率分配P kU I k k2R U P 1R 1P 2 R 2P 3 R 3P n R n结论:并联电路中各个电阻消耗的功率与它的阻值成反比。
例1:R 124,R 2 = 8,U 12V ,求总电阻及各电阻上的电流。
例2:5个25的电阻并联,总电阻为多少? 例3:两只电阻并联,其中R 1为100,通过R 1的电流I 1为0.4A ,通过整个并联电路的电流I 为1A ,求R 2和通过R 2的电流I 2。
例4:在240V 的线路上并接15、30、40电热器各一个,求(1)各电热器上的电流; (2)总电流及总电阻;(3)总功率及各电热器消耗的电功率。
电工基础公开课 5日2016年5月时间:
授课人:胡清听课人:电工组老师、学校副校长、办公室内容记录:一、板书授课内容:二、教学过程:基尔霍夫第一定律本节授课主要内容:(一)讲解:
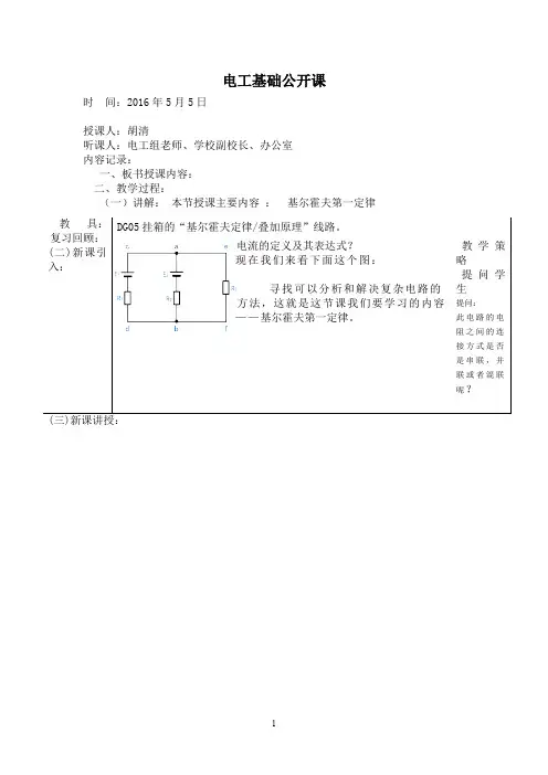
教具: DG05挂箱的“基尔霍夫定律/叠加原理”线路。
复习回顾:电流的定义及其表达式?教学策
新课引(二)略现在我们来看下面这个图:入:提问学
生寻找可以分析和解决复杂电路的方法,这就是这节课我们要学习的内容提问:—基尔霍夫第一定律。
—此电路的电阻之间的连接方式是否是串联,并联或者混联?呢(三)新课讲授:
在学习基尔霍夫第一定律之前,先了解几个基本概念。
一.基本概念:
1.支路:电路中的每一分支叫做一条支路,一般是由一个或
几个电路元件相互串联而成。
2.节点:三条或三条以上支路的汇交点。
3.回路:电路中任何一个闭合路径叫做回路。
在每次所选用的回路中,至少包含一个没有选用过的新支路时,称这些回路为独立回路.
4.网孔:内部不包含其他支路的回路。
电路中网孔数等于独立回路数.(网孔一
定是回路,但回路不一定是网孔)
二.基尔霍夫第一定律(KCL)——节点电流定律
基尔霍夫第一定理的内容是德国物理学家基尔霍夫根据电荷守恒以节点为研
究对象得到的。
如图二所示,A点为某电路中的一个节点,以A点为研究对象
I,I,I,I,I参考方向如图所示。
我们来分析这个图,与该节点相连的支路电流分
别为由于节53214I点实质上是导线的汇交点,它不可能积累电荷,电荷又是守恒
的,那么有2 多少电荷流入节点就有多少电荷流出节点,即有多少电流流入节点
就有I多少电流流出节即:I13I?I?I?I?I (1)
54231?I?I?I?0I?I或 (2) 24531I I节点电流之间的这种关系就是基尔霍夫第一定律所描述的内容。
45流出
节点的电流定律内容:对电路中任一节点,流进节点的电流之和等于
图二之和。
可得基尔霍夫第一定律的另一种表述:流出节点的电流为负,如果假设流入节
点的电流为正,?I?0其一般形式为:0对电路中任一节点,流进该节点电流的
代数和等于,
三)、实验注意事项
1.用到电流插座。
2.所有需要测量的电压值,均以电压表测量的读数为准。
U、U也需测量,不
应取电源21本身的显示值。
3. 防止稳压电源两个输出端碰线短路。
4. 用指针式电压表或电流表测量电压或电流时,如果仪表指针反偏,则必须调换仪表极性,重新测量。
此时指针正偏,可读得电压或电流值。
若用数显电压表或电流表测量,则可直接读出电压或电流值。
但应注意:所读的电流值的正确正、负号应根据设定的电流参考方向来判断。
四)、实验报告
1. 根据实验数据,选定节点A,验证KCL的正确性。
2. 将支路和闭合回路的电流方向重新设定,重复上项验证。
3. 误差原因分析。
4课后评议:
李洪:教学过程
学生观看互动时间少、缺少思考的局面。
教学环节全面,教学目的要明确。
刘校长:
实验展示方式考虑学生观察是否清楚,语言指导时慢点。
袁宁:
1、布置的课后练习比较单一;
2、上课提问时要选择不同程度的学生检查知识掌握情况,不能就那几个成绩好点的。
李华:
1、引入新课板书时,黑板上所做图示的图标要给学生讲解明白,如:支路和回路,学生学完后不一定能分出来,
板书课题
提问:判断图一有几条支路?有几个节点?有几个回路?有几个网孔?
强调注意
教师巡视指导
学生分析实验数据。