维保记录范本-自动扶梯和自动人行道
- 格式:doc
- 大小:239.00 KB
- 文档页数:7
自动扶梯与自动人行道重大修理自检记录第一部分:自检前的准备工作
1.确认修理的自动扶梯与自动人行道的具体位置,并查看设备的使用年限和维护记录。
2.查看安全警示标识是否完整可见,是否贴有最新的维护信息。
3.确保工作区域的安全,设置警戒标示牌,并随时注意可能出现的危险因素。
第二部分:自检具体内容
1.检查扶梯的金属外壳是否完好,无腐蚀和裂纹。
同时,检查扶梯槽部分是否有起伏变化。
2.检查扶梯链条的张紧度和润滑情况。
链条应紧固适当,且需要定期清洁和润滑。
3.检查扶梯缓冲器的工作情况。
通过观察和模拟测试,确保缓冲器能够正常工作,提供安全的紧急停车功能。
4.检查扶梯的轨道导向系统,确保导轨不变形,导向链条顺畅。
如有问题,应及时更换和维修。
5.检查扶梯的限位器和安全装置是否正常。
限位器应能够准确感知到扶梯的起停位置,并及时切断电源,以防止意外事故发生。
6.检查手轴和步道的亮度和灯光是否正常。
亮度应符合标准,确保乘客在扶梯运行过程中能够清晰地看到前方。
第三部分为1200字以上的内容,请提供相关信息。
档案号:省市(县)--维保-- 单项工程维保管理档案扶梯维修保养记录工程名称电/扶梯共台第号梯月份记录电/扶梯维保第月份记录记录期限:年月日至年月日沈阳博林特电梯有限公司工程概况用户名称:地址:联系人:电话:梯量:直梯台扶梯台计台记录梯号:记录梯型:记录梯种:记录时间: 年月日月份记录保养型式:无偿□有偿□保养年限:起止日期:年月日至年月日维保单位(维保员): 电话:责任监理: 电话:区域部长:电话: 1售后服务的基本原则可靠的售后服务是保证电梯运行质量的重要手段,为塑造公司现代企业形象,创造优质电梯产品,追求不断寻找差距,始终保持用户百分之百的满意,科学管理、服务至上的理念,在电梯售后维保服务期内,博林特维保服务必须遵循以下基本原则。
1.建立以区域部长为总负责,地区项目监理为责任人,地区维保员为维修保养的具体实施者的“三方”监控管理模式。
2.若电梯发生故障,在接到召修信息后,维保人员于30分钟内赶到现场进行抢修或应急处理。
3.对电梯的运行进行每5天为一个周期的巡回检查和维护,控制电梯运行质量。
4.对电梯实行每15天为一周期的维护、保养,专业维保人员严格按公司《维保管理制度》和《维保作业指导规范》实施。
5.专业维保人员每三个月向业主方汇报并提交一份《电梯目前运行情况报告》。
6.业主方在电梯的使用和运行时间上有特殊要求,公司专业维保人员必须严格遵守业主方的时间安排进行维修、保养工作。
7.在产品售后服务期结束前,专业维保人员为业主方电梯进行一次综合性检查、测试、检修,并向业主方提交《综合检查测试报告》。
2说明1.本册记录为一梯一册单梯记录,记录周期为三个月由区域部长定期(三个月)收集,上报安装公司存档。
2.本记录中执行表格内容必须根据检查结果如实填写,严禁虚假。
3.本记录中表格由维保责任人或维保责任单位用黑色碳素笔填写,字迹工整、整洁、保存完整、严禁缺页。
4.《电/扶梯定期检查维护报告》填写周期为5天,由维保员或责任项目监理、其它维保单位(安装队或代理商)如实填写检查、维护结果,并经业主单位签字确认。
整理自动扶梯自动人行道整机安装检查记录自动扶梯和自动人行道是现代城市交通工具和公共场所的重要组成部分,其正常运行对于保障乘客的安全和流畅出行有着重要意义。
因此,在安装这些设备时,必须进行严格的检查,确保其符合安全标准和规定。
下面是一份自动扶梯和自动人行道整机安装检查记录的模板,可供参考。
一、工程基本信息1.工程名称:2.工程地点:3.设备型号:4.设备制造商:5.设备安装单位:6.安装日期:7.检查日期:二、检查内容A.设备基本信息1.设备外观检查-检查扶梯/人行道整机表面是否平整,无明显划痕或损伤。
-检查扶梯/人行道外观颜色是否一致。
-检查扶梯/人行道所处位置是否与图纸一致。
2.安全警示标识检查-检查设备是否配备了必要的安全警示标识,如“禁止逆行”、“请勿儿童独自乘坐”等。
-检查安全警示标识的位置是否明显,易于被乘客注意到。
B.电气系统检查1.输电线路检查-检查设备的输电线路是否符合电气安装规范,如导线的粗细、色彩搭配等。
-检查线路的绝缘性能是否合格,是否存在接地故障。
2.控制系统检查-检查设备控制系统的布线是否规范,各线缆应牢固固定,防止松动。
-检查设备控制系统的电气元件是否正常工作,如按钮、指示灯等。
C.机械系统检查1.扶梯/人行道链条检查-检查链条的材质和规格是否符合设计要求。
-检查链条的张紧力是否适当,过紧或过松都会影响设备的正常运行。
2.传动系统检查-检查传动系统的零部件是否完好,如齿轮、皮带等。
-检查传动系统的润滑情况,确保运行顺畅,无异常噪音。
3.踏板/人行道板面检查-检查踏板/人行道板面的平整度,是否有凹陷或松动。
-检查踏板/人行道板面的防滑性能,是否符合安全标准要求。
D.安全系统检查1.安全触手检查-检查安全触手的灵敏度,确保在乘客意外摔倒时能及时停止设备。
-检查安全触手的位置是否合适,是否能够被乘客轻松触及。
2.紧急停止系统检查-检查紧急停止按钮的位置是否合适,易于被乘客发现并操作。
自动人行道电梯和自动扶梯日常维护保养记录日期:xxxx年xx月xx日设备:自动人行道电梯维护保养记录:1.清洁:定期清洁电梯的外观和内部装饰。
使用柔软的布料和中性清洁剂,避免使用腐蚀性或有刺激性的清洁剂。
2.电气系统:检查电气系统是否正常工作,包括运行按钮、指示灯、紧急停车开关等,确保其灵敏和可靠性。
如发现任何故障或异常,应立即报修并停止使用电梯。
3.机械系统:检查电梯的机械运转是否正常,包括传动系统、刹车系统、导轨系统等。
对于润滑部件,及时添加适量的润滑油。
4.安全装置:定期检查电梯的安全装置是否正常,如紧急停车装置、缓冲装置、轻触保护装置等。
确保这些装置对乘客的安全起到有效的保护作用。
5.紧固件:定期检查电梯的紧固件是否牢固,包括螺丝、螺母、销子等。
如发现松动现象,应及时紧固。
6.紧急救援:进行紧急救援演练,包括启动紧急停车装置、应急通信设备的测试等。
检查应急按钮和通信设备是否正常工作。
7.指标和标识:检查电梯内外的指标和标识是否清晰可见。
如果有任何损坏或模糊不清的情况,应及时更换或修复。
8.定期维保:按照设备维修保养手册或制造商的要求,定期进行维保工作。
包括润滑、清洁、更换磨损部件等。
尤其是关键部件的维保,要做到及时和有效。
备注:设备维护保养记录应于每次维保后填写完整,记录维保的具体内容、维保人员、时间等。
同时做好记录的归档和保管工作。
设备:自动扶梯维护保养记录:1.清洁:定期清洁扶梯的外观和搭乘面,清除积尘和脏物。
使用柔软的刷子和清洁剂,不使用有刺激性的清洁剂。
2.电气系统:检查扶梯的电气系统是否正常工作,包括指示灯、运行按钮等。
如发现故障或异常情况,应及时报修并停止使用扶梯。
3.传动系统:检查扶梯的传动系统是否正常运转,包括链条、链轮等。
如有松动、磨损或缺失,及时进行修复或更换。
4.安全装置:定期检查扶梯的安全装置是否正常,如扶手链断裂装置、紧急停车装置等,确保其稳定和安全。
5.润滑:对扶梯的传动链条、滚轮等部件进行润滑,使用适量的润滑油。
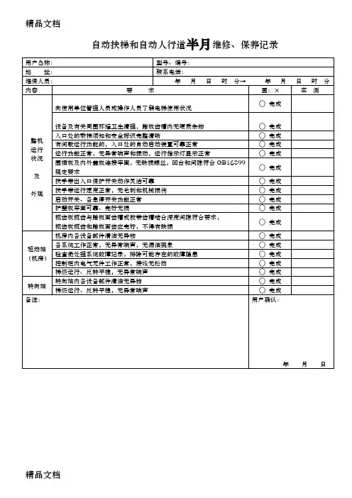
电梯周期平时保护养护项目表自动扶梯和自感人行道基本状况及技术参数电梯基本状况及技术参数使用单位使用地址设施注册代码设施编号制造单位平时保护养护单位梯种型号角度额定速度m/s提高升度m梯级宽度mm半月平时保护养护内容与要求序号内容及要求是/否1分别机房、各驱动和转向站应洁净无杂物2两头和中间紧迫泊车按钮功能正常有效3自动运转功能正常4上下机房照明应完整无缺5减速箱油位,油量应在油标尺上下极限地点之间,无渗油6飞轮速度传感器,功能靠谱,洁净感觉面,感觉空隙2mm---3mm7制动机械装置洁净和润滑,动作灵巧8主制动器动作靠谱9 制动带,检查磨损状况,制动衬厚度应≮ 1.5mm 制动带松开时部应摩擦制动盘10 制动触点功能靠谱11 制动带监控器,洁净感觉面,功能靠谱12 附带制动器,洁净和润滑,功能靠谱制动距离,空载向下运转制动距离为:0.5m/s 0.2m--- 1.00m 13 0.65 m/s 0.3m--- 1.30m0.75 m/s 0.35m--- 1.50m 14控制柜及主要电源开关接线应坚固15电机通风口应洁净16主驱动链张紧,松边下垂量 10mm---15mm17主驱动链表面油污清理和润滑18主驱动链保护装置,链条滑块应洁净,厚度≮ 13mm19主驱动链断裂开关功能靠谱,开关空隙为 2mm20围裙扳光栅探头表面应洁净,功能靠谱21梯级、踏板与围裙板任一侧水平空隙≯4mm双侧之和≯ 7mm22 自感人行道的围裙板设置在踏板或胶带之上时,踏板与围裙板之间垂直距离≯ 4mm23踏板或胶带的横向摇动时,侧边与围裙板垂直投影不该产生空隙24梳齿板应完整无缺25梳齿板照明应完整无缺26梳齿板梳齿与踏板面齿槽啮合深度≮ 6mm,空隙≯ 4mm27梳齿板梳齿与胶带齿槽啮合深度≮ 4mm,空隙≯ 4mm28梳齿板开关动作靠谱29扶手带进口处保护开关动作灵巧靠谱30自动润滑系统工作正常保护养护人员(署名)养护日期保用单位电梯安全管日期理人员确认(署名)经洁净、检查、润滑、调整、改换部件等养护工作后功能正常的项目,在是 /否一栏内划“√”;有不正常项目但不影响正常安全使用而要求此外安排办理的划“X”;无此项划“ / ”,有数据要求的填写实测数据。
自动扶梯、自动人行道日常维护保养见证记录参考文本西安市特种设备协会电梯日常维护保养见证记录填写说明为规范电梯维护保养行为,指导帮助电梯维保单位完善维保记录,提高电梯维保工作质量,根据国家质检总局发布的《电梯维护保养规则》TSG T5002-2017关于电梯维护保养项目(内容)和要求,我们编制了《乘客电梯、载货电梯日常维护保养见证记录》、《自动扶梯、自动人行道日常维护保养见证记录》的参考文本。
并将有关填写要求说明如下:一、《乘客电梯、载货电梯日常维护保养见证记录》包括曳引与强制驱动电梯,液压驱动电梯记录在电梯概况中需增加油缸数量、顶升型式等技术参数,液压驱动电梯及杂物电梯维保单位可按照《电梯维护保养规则》TSG T5002-2017的维护保养项目(内容)和要求另行制定记录文本。
二、电梯的维保项目分为半月、季度、半年、年度维保等四类。
季度维护保养项目(内容)和要求除符合《电梯维护保养规则》的半月维护保养的项目(内容)和要求外,还应当符合《电梯维护保养规则》的季度维护保养的项目(内容)和要求。
半年维护保养项目(内容)和要求除符合《电梯维护保养规则》的季度维护保养的项目(内容)和要求外,还应当符合《电梯维护保养规则》的半年维护保养的项目(内容)和要求。
年度维护保养项目(内容)和要求除符合《电梯维护保养规则》的半年维护保养的项目(内容)和要求外,还应当符合《电梯维护保养规则》的年度维护保养的项目(内容)和要求。
现场维保时,如果发现电梯存在的问题需要通过增加维保项目(内容)予以解决的,维保单位应当相应增加并且及时修订维保计划与方案。
三、如果某些电梯没有表中的项目(内容),如有的电梯不含有某种部件,项目(内容)可适当进行调整。
维护保养项目(内容)和要求中对测试、试验有明确规定的,应当按照规定进行测试、试验,没有明确规定的,一般为检查、调整、清洁和润滑。
维护保养基本要求中,规定为“符合标准值”的,是指符合对应的国家标准、行业标准和制造单位要求。
自动扶梯和自动人行道电梯日常维护保养记录记录日期:2024年7月1日设备名称:自动扶梯1号维护保养人员:李工维护保养内容:1.检查扶梯运行时是否存在异常声音或振动,经过观察未发现异常情况。
2.清理扶梯滚轮和导轨上的积尘,保持其干净。
3.检查扶梯链条的松紧度,调整松紧度到适当的程度。
4.润滑扶梯链条,使用适量的润滑油进行喷润滑。
5.检查扶梯的安全开关是否灵敏,通过测试确认其正常工作。
6.检查扶梯的防护装置是否完好,包括护栏和安全警示标志。
7.检查扶梯的照明设备是否正常,更换需要更换的照明灯。
8.检查扶梯的紧急停机装置是否正常,经过测试确认其正常工作。
记录日期:2024年7月5日设备名称:自动人行道电梯1号维护保养人员:王工维护保养内容:1.检查人行道运行时是否存在异常声音或振动,经过观察未发现异常情况。
2.清理人行道滚轮和导轨上的积尘,保持其干净。
3.检查人行道链条的松紧度,调整松紧度到适当的程度。
4.润滑人行道链条,使用适量的润滑油进行喷润滑。
5.检查人行道的安全开关是否灵敏,通过测试确认其正常工作。
6.检查人行道的防护装置是否完好,包括护栏和安全警示标志。
7.检查人行道的照明设备是否正常,更换需要更换的照明灯。
8.检查人行道的紧急停机装置是否正常,经过测试确认其正常工作。
记录日期:2024年7月10日设备名称:自动扶梯2号维护保养人员:李工维护保养内容:1.检查扶梯运行时是否存在异常声音或振动,经过观察未发现异常情况。
2.清理扶梯滚轮和导轨上的积尘,保持其干净。
3.检查扶梯链条的松紧度,调整松紧度到适当的程度。
4.润滑扶梯链条,使用适量的润滑油进行喷润滑。
5.检查扶梯的安全开关是否灵敏,通过测试确认其正常工作。
6.检查扶梯的防护装置是否完好,包括护栏和安全警示标志。
7.检查扶梯的照明设备是否正常,更换需要更换的照明灯。
8.检查扶梯的紧急停机装置是否正常,经过测试确认其正常工作。
记录日期:2024年7月15日设备名称:自动人行道电梯2号维护保养人员:王工维护保养内容:1.检查人行道运行时是否存在异常声音或振动,经过观察未发现异常情况。
自动扶梯和自动人行道日常维护保养记录日期:2024年10月1日时间:9:00-10:00地点:XX商场项目一:外观检查在开始维护保养之前,我们首先对自动扶梯和自动人行道的外观进行了全面的检查。
我们检查了扶梯和人行道的表面是否平整,是否有破损和脏污,是否有明显的裂缝和松动的部件。
所有表面都没有问题,并及时清洗了扶梯和人行道的表面。
项目二:安全带检查接下来,我们检查了自动扶梯和自动人行道的安全带是否完好,并测试了其工作状态。
我们确保安全带没有磨损、干裂或断裂,能够正常地张紧和放松。
测试结果显示,所有安全带工作正常,无需更换。
项目三:链轮和链条润滑为了确保自动扶梯的正常运转,我们对链轮和链条进行了润滑。
我们使用了专用的链条润滑剂,并确保每个链条的润滑情况。
在检查过程中,我们发现了一个链轮的润滑情况不佳,我们及时给予了维修,并更换了润滑剂。
项目四:电源系统检查电源系统是自动扶梯和自动人行道的核心部件,我们对其进行了全面的检查。
我们检查了电源线是否损坏,电源开关是否正常,电压是否稳定等。
检查结果显示,电源系统正常工作,没有任何问题。
项目五:遥控器功能测试为了确保自动扶梯和自动人行道的远程控制功能正常,我们测试了遥控器的功能。
我们使用遥控器开关了自动扶梯和自动人行道,测试了其正常启动、停止和调速的功能。
测试结果显示,遥控器正常工作,所有功能都正常。
项目六:安全报警系统测试安全报警系统是自动扶梯和自动人行道的重要保护措施,我们对其进行了测试。
我们模拟了一个紧急情况,并触发了安全报警系统。
测试结果显示,安全报警系统正常工作,能够及时响应并停止运行。
根据以上的维护保养记录,自动扶梯和自动人行道的运行状态良好,各项功能正常。
我们建议继续进行定期的维护保养,以确保其长期的正常运行和安全使用。
自动扶梯和自动人行道施工过程自检原始记录1.施工前准备1.1安排施工区域,确保无障碍并符合安全要求。
1.2验收所需的设备和材料,包括扶梯步、扶手、链条等。
1.3检查施工设备的正常运行情况,如电源供应、控制系统。
1.4检查施工人员是否具备相关技能和证书。
2.扶梯框架安装2.1检查扶梯井道的尺寸和垂直度,确保符合设计要求。
2.2清理井道内的杂物和灰尘。
2.3安装扶梯主机和驱动装置,并固定好螺栓。
2.4安装扶梯框架,检查固定是否牢固,并使用水平仪进行调整。
2.5安装扶梯链板和链轮,检查链条张紧度和链轮间隙是否合适。
3.扶梯步和扶手安装3.1检查扶梯步的尺寸和表面质量,确保无缺陷。
3.2按照设计要求安装扶梯步,检查连接是否牢固。
3.3安装扶手,检查扶手的高度和水平度。
3.4检查扶手链的张紧度和链轮间隙。
4.控制系统安装4.1安装控制盒和面板,检查电缆连接是否正确。
4.2安装按钮和指示灯,检查按钮的灵敏度和指示灯的亮度。
4.3进行电气连通性测试,确保控制系统正常工作。
4.4进行紧急停机装置测试,确保在紧急情况下能够迅速停机。
5.安全装置检测5.1检查安全警示灯和声音警报器是否正常工作。
5.2进行扶手链断裂检测,测试警示器是否能够立即停机。
5.3进行急停开关测试,确保在发生意外情况时能够迅速停机。
5.4进行超载测试,确保当承载量超过额定负载时能够自动停机。
6.运行和调试6.1完成施工后清理,确保施工现场干净整洁。
6.2启动扶梯并进行试运行,检查各个部件的工作情况。
6.3调整扶梯的速度和坡度,确保符合设计要求。
6.4进行负载测试,检查扶梯在额定负载下的运行情况。
6.5检查扶梯运行过程中是否有异常声音或振动。
7.现场验收7.1对施工质量进行自检,确保符合相关标准和规范。
7.2提供施工记录和自检记录作为参考。
7.3邀请监理和建设单位进行验收。
7.4整理施工现场,并清理残留材料和设备。
以上是自动扶梯和自动人行道施工过程自检的原始记录,记录了每个环节的自检情况,以确保施工质量和安全性。
附件3自动扶梯及自动人行道维护保养作业记录使用单位:型号:注册代码:维保主管:维保单位:(盖章)贵州省特种设备行业协会制目录一、基本情况………………………………………………二、半月维护保养情况记录(20次)……………………三、季度维护保养情况(2次)…………………………四、半年维护保养情况(1次)…………………………五、年度维护保养情况(1次)…………………………六、维修配件更换确认表…………………………………七、维保单位服务质量调查表……………………………附:故障召修处理单(样表)填写须知一、本记录为自动扶梯及自动人行道维修保养指导性文件。
维修保养单位应根据产品的特点增加相应记录项目,其项目不能少于本记录的内容。
二、记录栏有问题的必须用文字如实填写并注明处理结果,正常的打“√”,无此项的打“/”,☆为重要项目。
三、自动扶梯及自动人行道定期检验之前,维保单位应按“年度维护保养作业记录”的要求做好自检工作。
四、本维保作业记录实行每台自动扶梯及自动人行道一年一本。
记录表格一式两联,维保单位、使用单位各一联。
五、填写内容应完整,字体应清晰、端正;注意保持记录清洁,不得污损、撕毁。
六、记录为考核的原始资料,须妥善保管。
七、本记录保存年限四年。
半月维护保养情况记录年月日季度维护保养情况记录年月日半年度维护保养情况记录年月日年度维护保养情况记录年月日维修配件更换确认表维保单位服务质量调查表维保单位名称:投寄地址:邮编:收件人:市(州)质量技术监督局特种设备安全监察科(处)电话:附:故障召修处理单维保主管:维修作业人员:。
JR08-02自动扶梯、自感人行道施工过程检查记录使用单位:记录编号:安装单位:设备号:××××××××填表要求1封面a)使用单位:填写使用单位旳详细名称或工程旳详细名称。
b)记录编号:按年号(2位),月份(2位),次序号(2位)。
如:04-08-01(表达2023年8月第1个记录)。
c)安装单位:填写详细安装(施工)单位名称。
d)设备号:填写详细自动扶梯、自感人行道旳编号。
2表格中旳检查成果栏目填写规定:a)凡有数据规定旳项目必须填写实际测量旳数据。
b)没有数据规定旳项目符合规定旳用“√”表达,不符合规定旳用“×”表达。
c)在实际检查未波及到表格所列旳项目时,可将此项目用斜画线在检查成果栏目中划除。
d)填写内容必须真实可靠,数据精确,文字清晰、论述体现明确,无错别字和不规范旳语言。
3检查人员签字栏由检查(检查)人员签字,并填写详细旳检查时间。
4阐明:检查项目带“※”为质量控制点JR08-02-01JR08-02-02自动扶梯、自感人行道安装与土建交接预检记录检测项目设计规定检测数据容许偏差水平基准线标识机房宽度机房深度支承宽度支承长度中间支承强度支承水平间距扶梯提高高度支承预埋铁尺寸提高设备预留措施!检查意见检查人员签字年月日技检部经理签字年月日JR08-02-03JR08-02-04JR08-02-05JR08-02-06JR08-02-07JR08-02-08。
体系编号:
(公司名称)
电梯日常维护保养记录
(自动扶梯/自动人行道)
电梯基本情况及技术参数
石家庄市质量技术监督局编制
编制及填写说明
1、本记录适用于自动扶梯和自动人行道的日常维护保养。
2、本记录的维保项目及基本要求A类项按照国家质量监督检验检疫总局制定的《电梯使用管理与维护保养规则》(TSG T5001-2009)制定,属于强制性周期保养项目。
B类项为电梯维保单位根据电梯制造单位要求或本单位维保工艺要求增加的项目(项目编号前需增加“B-”标识),电梯维保单位可根据不同型号电梯的要求在空白表格处增加相应项目。
3、维保项目(内容)和要求中对测试、试验有明确规定的,应当按照规定进行测试、试验,没有明确规定,一般为检查、调整、清洁和润滑。
4、维保基本要求,规定为“符合标准”的,有国家标准应当符合国家标准,没有国家标准的应当符合行业标准、企业标准。
5、维保基本要求,规定为“制造单位要求”的,按照制造单位的要求,其他没有明确的“要求”,应当为安全技术规范、标准或者制造单位等的要求。
6、已完成保养、更换部件和经测试、试验功能正常的项目,在相应周期栏中划“√“,保养中发现不正常项目和需调整或更换部件的项目,在相应周期栏中划”ד,并在备注栏中说明,无此项目的划”/“。
7、现场维保时,如果发现电梯存在的问题需要通过增加维保项目(内容)予以解决,应当相应增加并且及时调整维保计划与方案,相关情况应在备注栏中说明。
8、本记录“日常维护保养记录”页一式两联,每次完成保养工作,记录填写完整后,需经保养人员和使用单位安全管理人员签字,手写联由保养公司存档(整本保存,保存期限至少4年),复写联交客户存档。
日常维护保养记录-自动扶梯/自动人行道(半月/季度/半年)
维护保养记录-自动扶梯/自动人行道(年度)。