catia工程图制图规范
- 格式:docx
- 大小:23.40 KB
- 文档页数:4
Q/SQR奇瑞汽车有限公司发布前言本标准以符合国家标准和行业标准为前提,规定了奇瑞公司CATIA制图线型、线宽及CATIA绘图的相关规定。
本标准适用于奇瑞公司CA TIA绘图。
同时在格式和内容的编排上均符合GB/T1.1和GB/T1.2的规定。
此次修订相对于上一版本的主要变更如下:1.对图框的格式和具体的填写要求做了更新.2.对技术要求的书写要求作了更新。
3. 填入了密级标识的要求。
本标准由奇瑞汽车有限公司乘用车工程研究院提出。
本标准由奇瑞汽车有限公司乘用车工程研究院归口。
本标准起草单位:奇瑞汽车有限公司乘用车工程研究院。
本标准主要起草人:高发华、马保林、于闯子、周胜斌、郑勇、刘自苗、张川本标准历次版本代号为:Q/SQR.04.333—2005、Q/SQR.04.333—2006 00版、本标准实施之日起,所有新建00版本图纸实施。
5.2 常用规范5.2.1字体5.2.1.1SICH字体,标5.2.1.2 “参照5.2.1.15.2.1.3 图框相应的密级,并在相应的位置填入保密的年限。
5.2.2 箭头类型箭头选用封闭填充型箭头,箭头的包含角为20°,箭头长度为3.175,实心。
(选中尺寸标注按右键—Properities—Dimension Line—Symbols:选Filled Arrow)。
5.2.3 视图要求所有视图应放置在工作视图(working views)里;标题栏、公差表、技术要求放置在背景视图(background)里。
5.2.4 打印图纸按照Q/SQR.04.300的规定;对外发放的电子文件采用PDF格式。
5.3 三维模型5.3.1归档的模型必须经过清理,删去所有不必要的信息。
5.3.2所有造型时的辅助信息放在独立的Open body中。
5.3.3结构树上的数据元素应加注说明。
5.3.4三维模型与二维图必须相关。
关于如何在catia工程图中定义新的制图标准。
在catia v5R14工程图中默认的标注标准有JIS、ISO、ANSI等,但是没有国标GB。
其实可以通过自定义来得到自己想要的标注标准。
看好了,下面就是定义的步骤。
1.在window开始中的catia./Tools下找到Environment Editor,双击运行。
2.更改其中的两个参数。
CATReferenceSettingPath 和CATCollectionStandard。
这两个参数原本都是空值,可以按上图的路径设定,当然也可以是其他的路径。
其中CATReferenceSettingPath参数控制是否允许或是不允许修改Catia中的
options中的参数。
而CATCollectionStandard参数的设定可以使用户获得修改和定制工程图中“标准”(Standard)的权限。
3.现在可以以管理员模式启动catia了。
在windows运行中输入:CNEXT –admin
4.现在进入catia可以发现options中以前灰色的小锁是不是都变成了绿色的小锁?现在就可以自由的设定所有参数的修改权限了。
5.退出options,再进入工具菜单栏下的标准(standard)设置,现在就可以定制GB了。
可以按国标定制标注的形式,线条的粗细,箭头的大小,字体等等。
大家可以试一试,定制出自己需要的标准了。
CATIA(V5R22)工程制图应用规范编制:校对:审核:标准化:批准:2019-06-20发布2019-06-20实施前言ICATIA(V5R22)工程制图应用规范1范围本标准规定了XXX有限公司的CATIA工程制图相关要求。
本标准适用于XXX有限公司的CATIA工程制图(合作单位提供的工程图纸需满足本标准要求)。
2规范性引用文件下列文件中的部分条款通过本标准的引用而成为本标准的条款。
凡是注日期的引用文件,仅注日期的版本适用于本文件。
凡是不注日期的引用文件,其最新版本(包括所有的修改单)适用于本文件。
GB/T 324 焊缝符号表示法GB/T 1182产品几何技术规范(GPS)几何公差形状、方向、位置和跳动公差标注GB/T 1800.1 产品几何技术规范(GPS)极限与配合第1部分:公差、偏差和配合的基础GB/T 4457.4 机械制图图样画法图线GB/T 5185 焊接及相关工艺方法代号GB/T 10609.1 技术制图标题栏GB/T 10609.2 技术制图明细栏GB/T 13361技术制图通用术语GB/T 14689 技术制图图纸幅面和格式GB/T 14690 技术制图比例GB/T 14691 技术制图字体GB/T 15751 技术产品文件计算机辅助设计与制图词汇GB/T 16672 焊缝—工作位置—倾角和转角的定义GB/T 17450 技术制图图线GB/T 18229CAD工程制图规则GB/T 19418 钢的弧焊接头缺陷质量分级指南3术语和定义本文件适用于GB/T 13361界定的术语和定义。
4图幅图幅只允许采用GB/T 14689中规定的部分带有装订边的图纸幅面,见图1及表1。
图1 带有装订边的图纸幅面表1 幅面规格单位为:mm5属性(参数)设置图纸检入PLM系统,需对图纸的属性(参数)进行完善,详细内容参见表2。
表2 属性的定义及填写要求表2 属性的定义及填写要求(续)6工程图标题栏及表格在工程制图中,需要用表格形式来表达的内容(如标题栏、明细栏等),每个框的内容需要做到上下左右居中。
CATIA制图国标GB设置CA TIA制图GB设置安装CA TIA后,在制图时能够符合国标需进行的相关设置我公司CA TIA制图标准参照Q/SQR.04.333—2006计算机设置设置方法如下:1.我的电脑-工具-文件夹选项-查看-勾选在地址栏中显示全部路径2.设置CA TIA图标属性,以进入Administrator状态,但先不启动CA TIA。
方法如下:桌面上CA TIA图标右键-属性-快捷方式-目标做一下更改:红字部分如:"E:\Dassault Systemes\B15\intel_a\code\bin\CA TSTART.exe" -run "CNEXT.exe " -env ldh -direnv "C:\Documents and Settings\Administrator\Application Data\DassaultSystemes\CA TEnv" -nowindow改为:"E:\Dassault Systemes\B15\intel_a\code\bin\CA TSTART.exe" -run "CNEXT.exe -admin" -env ldh -direnv "C:\Documents and Settings\Administrator\Application Data\DassaultSystemes\CA TEnv" -nowindow启动CA TIA V5 Administrator 模式,设定共享的设定环境的步骤于C:\Documents and Settings\All Users\Application Data\DassaultSystemes 目录下建立ReferenceSettingPath 数据夹于C:\Documents and Settings\All Users\Application Data\DassaultSystemes 路径下建立CollectionStandard数据夹2.于C:\Documents and Settings\All Users\Application Data\DassaultSystemes\ReferenceSettingPath 目录下建立B14 的数据夹,此数据夹是用来储存CA TIA V5 管理者的共享设定,一般User 无法更改这些设定值3.开启C:\Documents and Settings\All Users\Application Data\DassaultSystemes\CA TEnv\CA TIA_P3.V5R10.B14.txt4.修改CA TUserSettingPath=CSIDL_APPDA TA\DassaultSystemes\CA TSettings为CA TUserSettingPath=CSIDL_APPDA TA\DassaultSystemes\CA TSettings\B14,如果同时安装多个版本的CA TIA这个动作是必要的,避免设定混乱,确时的路径为C:\Documents and Settings\登入名称\Application Data\DassaultSystemes\CA TSettings\B145.增加CA TReferenceSettingPath= 的路径C:\Documents and Settings\All Users\Application Data\DassaultSystemes\ReferenceSettingPath\B14,此设定即指定管理者模式时CA TIA V5的设定文件储存的路径,CA TIA V5 会先读取此处的设定才会读取CA TUserSettingPath路径中的设定6. 加入CA TCollectionStandard= 的路径为C:\Documents and Settings\All Users\Application Data\DassaultSystemes\CollectionStandard7. 存档二、CA TIA标准设置进入CA TIA管理模式后修改CA TIA制图标准为国标工具-标准更改类别为drafting 直接修改文件ISO.xml需要修改的有:样式、常规、修饰和维,其他可以默认ISO1. 样式其中(1)修改A4 ISO为常用的纵向(2) 修改长度/距离、角度、半径、直径等Symbol s中Symbol1和Symbol2箭头Type为FilledArrow,Font中Size为4(3)修改文字(3.1)更改字大小为常用4号字(3.2)更改字间间隙,否则字间隙较小。
标准CATIA工程图设计规范1图纸幅面和格式用计算机绘制工程图时,其图纸幅面和格式按照GB/T 14689的有关规定。
遵循A4纵向,A0、A1、A2、A3横向,图幅比例1:1,图面应保留装订线。
1.1在工程制图中所用到的有装订边的图纸幅面形式见图1。
基本尺寸见表1。
图1纸边界线用细实线绘制,线宽为0.13mm。
图框线用粗实线绘制,线宽为0.35mm。
1.2 附加符号——对中符号为了使图样复制和微缩摄影时定位方便,对表1所列的各号图纸,均应在图纸各边长的的中点处分别画出对中符号。
对中符号用粗实线绘制,线宽为0.35mm,长度从纸边界开始至伸入图框内5mm,如图2所示。
对中符号的位置误差应不大于0.5mm。
当对中符号处在标题栏范围内时,则伸入标题栏部分省略不画,如图2所示。
图22 比例用计算机绘制工程图样时的比例大小应按照GB/T 14690中规定。
2.1在工程图中需要按比例绘制图形时,按表2中规定的系列选用适当的比例。
表22.2 必要时,也允许选取表3中的比例。
表32.3 标注方法1) 比例符号应以“:”表示。
比例的表示方法如1:1、1:500、20:1等。
2) 比例一般应标注在标题栏中的比例栏内。
必要时可在视图名称的下方或右侧标注比例,如:1:2I 100:1向A 1:5.2B B -200:1墙板位置图平面图1:1003 字体工程图中所用的字体应按GB/T 14691要求,并应做到字体端正、笔画清楚、排列整齐、间隔均匀。
3.1工程图的字体与图纸幅面之间的大小关系参见表4。
表4 mm3.2工程图中字体的最小字(词)距、行距以及间隔线或基准线与书写字体之间的最小距离见表53.3工程图中的字体选用范围见表6。
表64 图线4.1 图线的颜色4.2 线宽5 剖面符号工程图中剖切面的剖面区域的表示见表10。
6 标题栏工程图中的标题栏,应遵守GB/T 10609.1中的有关规定。
6.1 基本要求6.1.1 每张工程图均应配置标题栏并应配置在图框的右下角。
CATIA(V5R22)工程制图应用规范编制:校对:审核:标准化:批准:2019-06-20发布2019-06-20实施前言ICATIA(V5R22)工程制图应用规范1范围本标准规定了XXX有限公司的CATIA工程制图相关要求。
本标准适用于XXX有限公司的CATIA工程制图(合作单位提供的工程图纸需满足本标准要求)。
2规范性引用文件下列文件中的部分条款通过本标准的引用而成为本标准的条款。
凡是注日期的引用文件,仅注日期的版本适用于本文件。
凡是不注日期的引用文件,其最新版本(包括所有的修改单)适用于本文件。
GB/T 324 焊缝符号表示法GB/T 1182产品几何技术规范(GPS)几何公差形状、方向、位置和跳动公差标注GB/T 1800.1 产品几何技术规范(GPS)极限与配合第1部分:公差、偏差和配合的基础GB/T 4457.4 机械制图图样画法图线GB/T 5185 焊接及相关工艺方法代号GB/T 10609.1 技术制图标题栏GB/T 10609.2 技术制图明细栏GB/T 13361技术制图通用术语GB/T 14689 技术制图图纸幅面和格式GB/T 14690 技术制图比例GB/T 14691 技术制图字体GB/T 15751 技术产品文件计算机辅助设计与制图词汇GB/T 16672 焊缝—工作位置—倾角和转角的定义GB/T 17450 技术制图图线GB/T 18229CAD工程制图规则GB/T 19418 钢的弧焊接头缺陷质量分级指南3术语和定义本文件适用于GB/T 13361界定的术语和定义。
4图幅图幅只允许采用GB/T 14689中规定的部分带有装订边的图纸幅面,见图1及表1。
图1 带有装订边的图纸幅面表1 幅面规格单位为:mm5属性(参数)设置图纸检入PLM系统,需对图纸的属性(参数)进行完善,详细内容参见表2。
表2 属性的定义及填写要求表2 属性的定义及填写要求(续)6工程图标题栏及表格在工程制图中,需要用表格形式来表达的内容(如标题栏、明细栏等),每个框的内容需要做到上下左右居中。
CATIA制图按GB设置:安装CATIA后,在制图时能够符合国标需进行的相关设置我公司CATIA制图标准参照Q/SQR.04.333—2006计算机设置设置方法如下:1.我的电脑-工具-文件夹选项-查看-勾选在地址栏中显示全部路径2.设置CATIA图标属性,以进入Administrator状态,但先不启动CATIA。
方法如下:桌面上CATIA图标右键-属性-快捷方式-目标做一下更改:红字部分如:"E:\Dassault Systemes\B15\intel_a\code\bin\CATSTART.exe" -run "CNEXT. exe " -env ldh -direnv "C:\Documents and Settings\Administrator\Applicatio n Data\DassaultSystemes\CATEnv" -nowindow改为:"E:\Dassault Systemes\B15\intel_a\code\bin\CATSTART.exe" -run "CNEXT.ex e -admin" -env ldh -direnv "C:\Documents and Settings\Administrator\Appl ication Data\DassaultSystemes\CATEnv" -nowindow启动 CATIA V5 Administrator 模式,设定共享的设定环境的步骤于 C:\Documents and Settings\All Users\Application Data\DassaultSystemes 目录下建立 ReferenceSettingPath 数据夹于 C:\Documents and Settings\All Users\Application Data\DassaultSystemes 路径下建立 CollectionStandard数据夹2.于 C:\Documents and Settings\All Users\Application Data\DassaultSystemes \ReferenceSettingPath 目录下建立 B14 的数据夹,此数据夹是用来储存 CATIA V5 管理者的共享设定,一般 User 无法更改这些设定值3.开启C:\Documents and Settings\All Users\Application Data\DassaultSystem es\CATEnv\CATIA_P3.V5R10.B14.txt4.修改 CATUserSettingPath=CSIDL_APPDATA\DassaultSystemes\CATSettings为 CA TUserSettingPath=CSIDL_APPDATA\DassaultSystemes\CATSettings\B14,如果同时安装多个版本的 CATIA 这个动作是必要的,避免设定混乱,确时的路径为 C:\Documents and Se ttings\登入名称\Application Data\DassaultSystemes\CATSettings\B145.增加 CATReferenceSettingPath= 的路径 C:\Documents and Settings\All Users\ Application Data\DassaultSystemes\ReferenceSettingPath\B14,此设定即指定管理者模式时CATIA V5的设定文件储存的路径,CATIA V5 会先读取此处的设定才会读取 CATUserS ettingPath路径中的设定6. 加入 CATCollectionStandard= 的路径为 C:\Documents and Settings\All Users\ Application Data\DassaultSystemes\CollectionStandard7. 存档二、CATIA标准设置进入CATIA管理模式后修改CATIA制图标准为国标工具-标准更改类别为drafting 直接修改文件ISO.xml需要修改的有:样式、常规、修饰和维,其他可以默认ISO1. 样式其中(1)修改A4 ISO为常用的纵向(2) 修改长度/距离、角度、半径、直径等Symbols中Symbol1和Symbol2箭头Type为Fil ledArrow,Font中Size为4(3.1)更改字大(3.2)更改字间间隙,否则字间隙较小。
CATIA V5 制图规范(范本)1 适用范围本文规范了运用CATIA V5 进行建模、绘制二维图纸等工作时所应遵循的一些要求。
2 引用标准本文参考引用的标准有:中华人民共和国国家标准GB 4457~4460-84 和GB 131-83:机械制图美国国家标准协会(ANSI)标准Y14.5M-1982:形位公差标准3 定义及术语H 点–座椅设计中决定假人或乘客位置的关键点。
CATIA –特定的功能(Computer-Graphics Aided Three- Dimensional Interactive Application 计算机辅助三维交互应用系统),输入和概念用大写字母;4 模型通用要求4.1 概述4.1.1 目的本部分内容规范了用户在使用CATIA V5 进行建模工作时,所应遵循的一些通用要求。
其中详细规范了在建立模型时点、曲面、实体的使用要求和模型的定义,同时也规范了模型的发放状态和模型检查要求等。
4.1.2 通用规范在本规范发放之前建立的模型可以不按本规范执行。
在本规范发放之后建立的所有模型必须按本规范执行。
4.2 建模规则4.2.1 坐标系在进行建模时,首先要确定坐标系。
坐标系是模型定位和尺寸度量的基准。
在并行设计时,应该对参加设计的不同设计者或所有的设计组使用的坐标系加以统一规范,以保证模型的大小和位置一致性;同时又要有一定的灵活性,以方便设计者使用。
本规范中规定了两种坐标系:车身坐标系、局部坐标系。
4.2.1.1 车身坐标系运用CATIA V5 建模时,规范将CATIA V5 系统坐标系设为车身坐标系。
在发放数据时,该坐标系为当前坐标系。
各坐标轴所代表的方向若客户有要求则按客户要求,若客户没有要求则按如下规范:X 轴代表车身长度方向,其中+X 方向定义为车头指向车尾;Y 轴代表车身宽度方向,其中+Y 方向定义为面向汽车行驶方向的右手方向;Z 轴代表车身高度方向,其中+Z 方向定义为向上方向。
CATIA软件绘标准规范CATIA软件绘制标准规范CATIA是一种广泛应用于机械设计和制造行业的三维建模软件。
为了保证设计图纸的准确性和一致性,制定绘制标准规范至关重要。
本文将介绍CATIA软件下的标准规范,以帮助设计师和工程师们在使用CATIA软件时达到统一的绘图标准。
一、图纸设置在开始绘图之前,首先要进行图纸设置。
打开CATIA软件后,选择“纸张设置”选项。
在纸张设置窗口中,可以选择图纸的大小、方向和比例。
根据实际需要,选择合适的纸张尺寸和横竖方向,并设置正确的比例,通常选用1:1的比例以保持图纸的准确性。
二、图层管理良好的图层管理可以帮助我们更好地组织和控制图纸上的不同元素。
在CATIA软件中,可以通过图层管理功能进行图层的创建、编辑和设置。
设计师可以根据需要创建不同类型的图层,并对每个图层进行相应的设置。
例如,可以为投影、尺寸、注释等元素分别创建不同的图层,并根据需要进行隐藏或显示。
三、线型和线宽在绘图过程中,正确选择线型和线宽是保证图纸美观和易读性的关键。
CATIA软件提供了丰富的线型和线宽选项。
在绘图时,设计师可以根据实际需要选择合适的线型,例如实线、虚线、点线等,并通过设置线宽来控制线的粗细。
通常,主要的物体轮廓线选择实线,辅助线选择虚线,尺寸标注线选择细线,以便在视觉上能够清晰地区分各种线条。
四、尺寸标注尺寸标注是绘制图纸时必不可少的一环。
在CATIA软件中,可以通过选择合适的标注工具进行尺寸标注。
在标注时,需要注意以下几点:1. 尺寸标注应该清晰、准确地表示设计要求,标注文字应与实际尺寸一致。
2. 标注线应清晰可辨,与标注文字关联紧密,避免遮挡其他图形。
3. 标注文字应位于标注线的中间或末端,与标注线成水平或垂直排列。
五、视图投影在CATIA软件中,通过选择不同的视图投影方式可以呈现出不同的视图效果。
常用的视图投影方式包括:正交投影、轴测投影等。
在选择视图投影方式时,需要根据所绘物体的特点和设计要求来确定最合适的视图投影方式。
CATIA制图按GB设置:安装CATIA后,在制图时能够符合国标需进行的相关设置我公司CATIA制图标准参照Q/SQR.04.333—2006计算机设置设置方法如下:1.我的电脑-工具-文件夹选项-查看-勾选在地址栏中显示全部路径2.设置CATIA图标属性,以进入Administrator状态,但先不启动CATIA。
方法如下:桌面上CATIA图标右键-属性-快捷方式-目标做一下更改:红字部分如:"E:\Dassault Systemes\B15\intel_a\code\bin\CATSTART.exe"-run "CNEXT.exe " -env ld h -direnv "C:\Documents and Settings\Administrator\Application Data\DassaultSystemes\CA TEnv" -nowindow改为:"E:\Dassault Systemes\B15\intel_a\code\bin\CATSTART.exe"-run "CNEXT.exe-admin" -en v ldh -direnv "C:\Documents and Settings\Administrator\Application Data\DassaultSysteme s\CATEnv" -nowindow启动 CATIA V5 Administrator 模式,设定共享的设定环境的步骤于 C:\Documents and Settings\All Users\Application Data\DassaultSystemes 目录下建立 Ref erenceSettingPath 数据夹于 C:\Documents and Settings\All Users\Application Data\DassaultSystemes 路径下建立 Col lectionStandard数据夹2.于 C:\Documents and Settings\All Users\Application Data\DassaultSystemes\ReferenceSet tingPath 目录下建立 B14 的数据夹,此数据夹是用来储存 CATIA V5 管理者的共享设定,一般 Us er 无法更改这些设定值3.开启C:\Documents and Settings\All Users\Application Data\DassaultSystemes\CATEnv\CATI A_P3.V5R10.B14.txt4.修改 CATUserSettingPath=CSIDL_APPDATA\DassaultSystemes\CATSettings为 CATUserSettingPa th=CSIDL_APPDATA\DassaultSystemes\CATSettings\B14,如果同时安装多个版本的 CATIA 这个动作是必要的,避免设定混乱,确时的路径为 C:\Documents and Settings\登入名称\Application Dat a\DassaultSystemes\CATSettings\B145.增加 CATReferenceSettingPath= 的路径 C:\Documents and Settings\All Users\Application Data\DassaultSystemes\ReferenceSettingPath\B14,此设定即指定管理者模式时CATIA V5的设定文件储存的路径,CATIA V5 会先读取此处的设定才会读取 CATUserSettingPath路径中的设定6. 加入 CATCollectionStandard= 的路径为 C:\Documents and Settings\All Users\Application Data\DassaultSystemes\CollectionStandard7. 存档二、CATIA标准设置进入CATIA管理模式后修改CATIA制图标准为国标工具-标准更改类别为drafting直接修改文件ISO.xml需要修改的有:样式、常规、修饰和维,其他可以默认ISO1. 样式其中(1)修改A4 ISO为常用的纵向(2) 修改长度/距离、角度、半径、直径等Symbols中Symbol1和Symbol2箭头Type为FilledArr ow,Font中Size为4(3)修改文字(3.1)更改字大(3.2)更改字间间隙,否则字间隙较小。
CATIA制图规则1 范围本标准规定了在CATIA软件下绘制二维图样的基本要求,给出了CATIA绘图的一般规范性操作。
本标准适用于使用CATIA软件绘制的航空产品图样,也适用于使用CATIA软件绘制的其它工程图样。
2 规范性引用文件下列文件中的条款通过本标准的引用而成为本标准的条款。
凡是注日期的引用文件,其随后所有的修改单(不包含勘误的内容)或修订版均不适用于本标准,然而,鼓励根据本标准达成协议的各方研究是否可使用这些文件的最新版本。
凡是不注日期的引用文件,其最新版本适用于本标准。
GB/T 4457~4460 机械制图HB 5859.1 飞机制图HB 6189 飞机图样简化规定HB 6881 计算机制图规定HB 7729 航空产品CAD文件管理规定HB 7730 图层定义与管理HB XXXX-XXXX CATIA建模要求HB XXXX-XXXX CATIA文字与尺寸标注3 术语和定义HB××××.1-××××《CATIA建模要求 第1部分:通用要求》确立的以及下列术语和定义适用于本标准。
3.1视图 view二维图样中各自独立,且相互存在一定关联关系,表达构件形状特征的图形。
是图样各种画法所产生图形的总称。
注: 本术语是根据CATIA使用特点,对GB4458.1中“视图”定义的外延。
3.2投影视图 Projection构件向投影面投影所得的图形。
注: 本术语与GB4458.1中“视图”定义是一致的,相应的将投影视图分为基本投影视图、方向投影视图、斜方向投影视图、局部投影视图和旋转投影视图等。
3.3图样修饰 drawing dress up通过使用CATIA的图形创建、编辑和修饰等功能对CATIA所创建的图形补充完善以及根据要求直接对图形的属性进行调整的过程。
3.4子图 detail sheetCATIA二维图样中的一种功能,用于存贮通用图形及图形符号库的创建,并能被视图所引用。
CATIA 制图按GB 设置:安装CATIA 后,在制图时能够符合国标需进行的相关设置我公司CATIA 制图标准参照Q/SQR.04.333 —2006计算机设置设置方法如下:1. 我的电脑-工具-文件夹选项-查看-勾选在地址栏中显示全部路径2. 设置CATIA 图标属性,以进入Administrator 状态,但先不启动CATIA 。
方法如下:桌面上CATIA 图标右键-属性-快捷方式-目标做一下更改:红字部分如:"E:\Dassault Systemes\B15\intel_a\code\bin\CATSTART.exe" -run "CNEXT. exe " -env ldh -direnv "C:\Documents and Settings\Administrator\Application Data\DassaultSystemes\CATEnv" -nowindow改为:"E:\Dassault Systemes\B15\intel_a\code\bin\CATSTART.exe" -run "CNEXT.ex e -admin" -env ldh -direnv "C:\Documents and Settings\Administrator\Appl ication Data\DassaultSystemes\CATEnv" -nowindow启动CATIA V5 Administrator 模式,设定共享的设定环境的步骤于C:\Documents and Settings\All Users\Application Data\DassaultSystemes目录下建立ReferenceSettingPath 数据夹于C:\Documents and Settings\All Users\Application Data\DassaultSystemes路径下建立CollectionStandard 数据夹2. 于C:\Documents and Settings\All Users\Application Data\DassaultSystemes\ReferenceSettingPath 目录下建立B14 的数据夹,此数据夹是用来储存CATIA V5 管理者的共享设定,一般User 无法更改这些设定值3. 开启C:\Documents and Settings\All Users\Application Data\DassaultSystemes\CATEnv\CATIA_P3.V5R10.B14.txt4. 修改CATUserSettingPath=CSIDL_APPDATA\DassaultSystemes\CATSettings 为CA TUserSettingPath=CSIDL_APPDATA\DassaultSystemes\CATSettings\B14 ,如果同时安装多个版本的CATIA 这个动作是必要的,避免设定混乱,确时的路径为C:\Documents and Se 登入名称\Application Data\DassaultSystemes\CATSettings\B145. 增加CATReferenceSettingPath= 的路径Application Data\DassaultSystemes\ReferenceSettingPath\B14 ,此设定即指定管理者模式时CATIA V5 的设定文件储存的路径,CATIA V5 会先读取此处的设定才会读取CATUserS ettingPath 路径中的设定6. 加入CATCollectionStandard= 的路径为Application Data\DassaultSystemes\CollectionStandard7. 存档二、CATIA 标准设置进入CATIA 管理模式后修改CATIA 制图标准为国标工具-标准更改类别为drafting 直接修改文件ISO.xml需要修改的有:样式、常规、修饰和维,其他可以默认ISO1. 样式其中(1)修改A4 ISO 为常用的纵向(2) 修改长度/ 距离、角度、半径、直径等Symbols 中Symbol1 和Symbol2 箭头Type 为Fil ledArrow ,Font 中Size 为4(3.1 )更改字大(3.2) 更改字间间隙, 否则字间隙较小。
Q/SQRCATIA制图规范奇瑞汽车有限公司发布前言本标准以符合国家标准和行业标准为前提,规定了奇瑞公司CATIA制图线型、线宽及CATIA画图的相关规定。
本标准适用于奇瑞公司CATIA画图。
同时在格式和内容的编排上均符合GB/和GB/2002的规定。
这次修订相对于上一版本的主要变更如下:——第4条增加了关于所有零件必需位于整车坐标的要求。
——第条取消了图层规定增加了线型、线宽的要求。
——第5.2.1条增加了对公差标注的特殊要求:“公差标注时采用SSS1字体。
”——第5.2.2条增加了对箭头画法的要求。
——第5.2.4条增加了对外发放电子文件以PDF格式文件外发的要求。
——取消了第6条关于数据互换的要求。
本标准由奇瑞汽车有限公司汽车工程研究院提出。
本标准由奇瑞汽车有限公司汽车工程研究院归口。
本标准起草单位:奇瑞汽车有限公司汽车工程研究院。
本标准主要起草人:多发华、马保林、于闯子、周胜斌、郑勇、刘自苗、张川、张俊CATIA制图规范1 范围本标准规定了CATIA制图线型、线宽及画图规范。
本标准适用于奇瑞公司CATIA画图。
2 规范性引用文件下列文件中的条款通过本标准的引用而成为本标准的条款。
凡是注日期的引用文件,其随后所有的修改单(不包括勘误的内容)或修订版均不适用于本标准,但是,鼓励按照本标准达到协议的各方研究是不是可利用这些文件的最新版本。
凡是不注日期的引用文件,其最新版本适用于本标准。
GB/T 131 机械制图表面粗糙度符号、代号及其注法GB 技术制图题目栏GB/T 14689 技术制图图纸幅面和格式QC/T 490-2000 汽车车身制图Q/ 焊缝符号表示方式Q/ UG制图规范3 术语CATProductCATIA装配件文件扩展名。
3.2CATPartCATIA三维模型文件扩展名。
3.3CATDrawingCATIA图纸文件扩展名。
4 坐标系的肯定坐标系采用QC/T 490-2000中规定的坐标系,所有零件必需位于整车坐标。
CATIA制图GB设置安装CATIA后,在制图时能够符合国标需进行的相关设置我公司CATIA制图标准参照Q/SQR.04.333—2006一、计算机设置(必须完全按照该步骤完成,这是成功的关键)设置方法如下:1.我的电脑-工具-文件夹选项-查看-勾选在地址栏中显示全部路径2.设置CATIA图标属性,以进入Administrator状态,但先不启动CA TIA。
方法如下:桌面上CATIA图标右键-属性-快捷方式-目标做一下更改:红字部分如:"E:\Dassault Systemes\B15\intel_a\code\bin\CATSTART.exe" -run "CNEXT.exe "-env ldh -direnv "C:\Documents and Settings\Administrator\Application Data\DassaultSystemes\CATEnv" -nowindow改为:"E:\Dassault Systemes\B15\intel_a\code\bin\CATSTART.exe" -run"CNEXT.exe -admin"-env ldh -dir env "C:\Documents and Settings\Administrator\Application Data\DassaultSystemes\CATEnv" -nowindo w启动CATIA V5 Administrator 模式,设定共享的设定环境的步骤1.于C:\Documents and Settings\All Users\Application Data\DassaultSystemes 目录下建立ReferenceSettingPath数据夹于C:\Documents and Settings\All Users\Application Data\DassaultSystemes 路径下建立CollectionStandard数据夹2.于C:\Documents and Settings\All Users\Application Data\DassaultSystemes\ReferenceSettingPath目录下建立B14的数据夹,此数据夹是用来储存CATIA V5 管理者的共享设定,一般User 无法更改这些设定值3.开启C:\Documents and Settings\All Users\Application Data\DassaultSystemes\CATEnv\CATIA_P3.V5R1 0.B14.txt4.修改CATUserSettingPath=CSIDL_APPDATA\DassaultSystemes\CATSettings为CATUserSettingPath= CSIDL_APPDATA\DassaultSystemes\CATSettings\B14,如果同时安装多个版本的CATIA 这个动作是必要的,避免设定混乱,确时的路径为C:\Documents and Settings\登入名称\App lication Data\DassaultSystemes\CATSettings\B145.增加CATReferenceSettingPath=的路径C:\Documents and Settings\All Users\Application Data\Das saultSystemes\ReferenceSettingPath\B14,此设定即指定管理者模式时CATIA V5的设定文件储存的路径,CATIA V5 会先读取此处的设定才会读取CATUserSettingPath 路径中的设定6.加入CATCollectionStandard= 的路径为C:\Documents and Settings\All Users\Application Data\Dassaul tSystemes\CollectionStandard7. 存档二、CATIA标准设置进入CATIA管理模式后修改CATIA制图标准为国标工具-标准更改类别为drafting 直接修改文件ISO.xml需要修改的有:样式、常规、修饰和维,其他可以默认ISO1. 样式其中(1)修改A4 ISO为常用的纵向(2) 修改长度/距离、角度、半径、直径等Symbols中Symbol1和Symbol2箭头Type为FilledArrow,Font中Size为4(3)修改文字(3.1)更改字大小为常用4号字(3.2)更改字间间隙,否则字间隙较小。
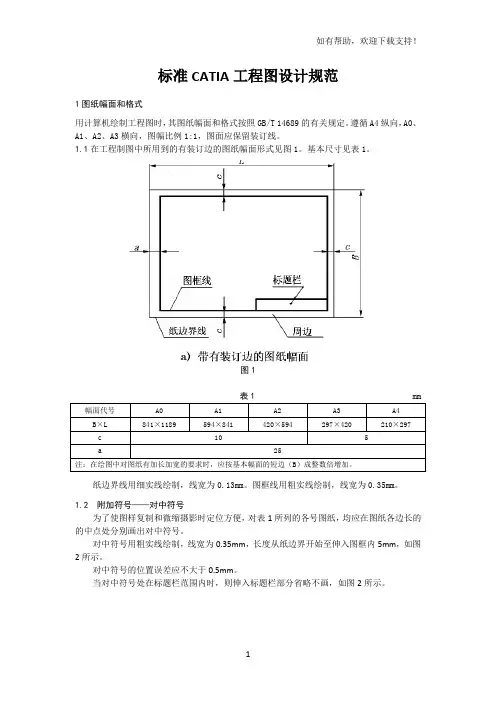
标准CATIA工程图设计规范
1图纸幅面和格式
用计算机绘制工程图时,其图纸幅面和格式按照GB/T 14689的有关规定。
遵循A4纵向,A0、A1、A2、A3横向,图幅比例1:1,图面应保留装订线。
1.1在工程制图中所用到的有装订边的图纸幅面形式见图1。
基本尺寸见表1。
图1
纸边界线用细实线绘制,线宽为0.13mm。
图框线用粗实线绘制,线宽为0.35mm。
1.2 附加符号——对中符号
为了使图样复制和微缩摄影时定位方便,对表1所列的各号图纸,均应在图纸各边长的的中点处分别画出对中符号。
对中符号用粗实线绘制,线宽为0.35mm,长度从纸边界开始至伸入图框内5mm,如图2所示。
对中符号的位置误差应不大于0.5mm。
当对中符号处在标题栏范围内时,则伸入标题栏部分省略不画,如图2所示。
图2
2 比例
用计算机绘制工程图样时的比例大小应按照GB/T 14690中规定。
2.1在工程图中需要按比例绘制图形时,按表2中规定的系列选用适当的比例。
表2
2.2必要时,也允许选取表3中的比例。
表3
2.3 标注方法
1) 比例符号应以“:”表示。
比例的表示方法如1:1、1:500、20:1等。
2) 比例一般应标注在标题栏中的比例栏内。
必要时可在视图名称的下方或右侧标注比例,
如:
1:2I 100:1向A 1
:5.2B B 200:1墙板位置图
平面图1:100
3 字体
工程图中所用的字体应按GB/T 14691要求,并应做到字体端正、笔画清楚、排列整齐、间隔均匀。
3.1工程图的字体与图纸幅面之间的大小关系参见表4。
表4 mm
3.2工程图中字体的最小字(词)距、行距以及间隔线或基准线与书写字体之间的最小距离见表5
3.3 工程图中的字体选用范围见表6。
表6
4 图线 4.1 图线的颜色
4.2 线宽
5 剖面符号
工程图中剖切面的剖面区域的表示见表10。
6 标题栏
工程图中的标题栏,应遵守GB/T 10609.1中的有关规定。
6.1 基本要求
6.1.1 每张工程图均应配置标题栏并应配置在图框的右下角。
6.1.2 标题栏中的字体,签字除外应符合1.3中的要求。
6.1.3 题栏的线型应按1.4中规定的粗实线和细实线的要求绘制。
6.1.4 标题栏中的日期应按照“年.月.日”的规定格式填写。
例:
6.2 标题栏的组成
标题栏一般由更改区、签字区、其他区、名称及代号区组成,见图3。
工程图中标题栏的格式见图4和图5。
6.2.1 更改区:一般由更改标记、处数、更改日期、申请单编号、更改内容、签名等组成。
6.2.2 签字区:一般由设计、校对、审核、工艺、标准、批准、签名和年月日等组成。
6.2.3 其他区:一般由图样名称、材料标记等组成。
6.2.4 名称及代号区:一般由单位名称、图样代号、版本号、车型、比例和共页第页等组成。
6.3 标题栏的填写
,也可根据实际情况顺延,或放在图样中其他地方,但应有表头。
更改标记:按照有关规定或要求填写更改标记。
处数:填写同一标记所表示的更改数量。
更改日期:更改时间。
申请单编号:填写更改所依据的文件号。
更改内容:填写变更内容。
签名:填写变更人的姓名。
6.3.2 签字区:签字区一般按设计、校对、审核、工艺、标准、批准等有关标准签署姓名和日期。
6.3.3 其他区
材料标记:按照相应标准或规定填写所使用的材料。
6.3.4 名称及代号区
单位名称:填写绘制图样的单位的名称或单位代号。