医用雾化器产品的主要技术指标
- 格式:pdf
- 大小:92.61 KB
- 文档页数:2
2.性能指标2.1雾化率: 0.2mL/min~0.8mL/min(2%的生理盐水)2.2雾化器工作气流:5 ~10 L/min(升/分钟)2.3雾化器工作气压:7.5Psi~ 20 Psi (51.7KPa ~ 137.9KPa )2.4雾化器负载噪音:≤ 65dB(A计权)。
2.5 残液量:≤ 1.2g(克)。
2.6连续工作时间:雾化器在常温下,采用交流电源供电,连续工作4小时,雾化器应能正常工作。
2.7异常状态压力范围:30 to 58 Psi (207 to 400 KPa)。
2.8外观与结构2.8.1雾化器外观应整洁,色泽均匀,无伤痕、划痕、裂纹等缺陷,面板上文字和标志应清晰可见。
2.8.2雾化器外壳应无气泡、起泡、开裂、变形以及灌注物溢出现象。
2.8.3雾化器开关、电源线、外壳应安装牢固、可靠,紧固部位应无松动。
2.8.4雾化器雾化配件与雾化器主机连接使用时应牢固、可靠,配合部位应不易松脱。
2.8.5雾化器雾化配件应干净,整洁,无毛刺和破损。
2.8.6雾化罐,气管,面罩,咬嘴,鼻插应干净,整洁,无毛刺和破损。
2.9环境试验要求按GB/T 14710-2009中气候环境Ⅱ组、机械环境Ⅱ组的规定及补充表1进行。
表 1 环境试验要求及检测项目2.10咬嘴、面罩:具有医疗器械注册证。
2.11等效体积粒径分布直径0.5μm-5μm 的雾粒所占比例大于 60%。
2.12电气安全电气安全应符合 GB 9706.1-2007《医用电气设备第 1 部分:安全通用要求》的要求。
2.13电磁兼容性电磁兼容性应符合 YY 0505-2012《医用电气设备第 1-2 部分:安全通用要求并列标准电磁兼容要求和试验》的要求。
医用雾化器产品的主要技术指标给出医用雾化器需要考虑的基本技术性能指标,制造商可参考相应的行业标准,根据自身产品的技术特点制定相应的性能指标。
如行业标准中有不适用条款,企业在标准的编制说明中必须说明理由。
鉴于目前压缩式雾化器没有相应的行业标准,故推荐审评人员参考下面的相关技术指标。
1.超声雾化器主要技术性能要求一般应包括以下内容:(1)超声振荡频率:雾化器超声工作频率与标称频率的偏差:≤±10%。
(2)最大雾化率:雾化器的最大雾化率必须不小于其企业标准、使用说明书(或铭牌)上的规定。
(奥咨达医疗器械咨询)(3)雾化器水槽内温度:雾化器水糟内水温≤60℃。
(4)整机噪声试验:雾化器正常工作时的整机噪声:≤50dB(A计权)。
(5)雾化量调节性:雾化器的雾化率宜能调节。
(6)低水位提示装置:雾化器宜具备低水位提示或停机装置。
(7)风量调节装置:雾化器宜在适当部位安装风量调节装置。
(8)定时误差:雾化器宜有定时控制装置,其控制时间与标称时间的偏差不大于10%。
(9)连续工作时间:雾化器在常温下,采用交流电源供电时,连续工作4小时以上,仪器应能正常工作;如采用直流电源供电时,连续工作1小时以上,产品标准规定的时间雾化器应能正常工作。
如制造商在产品标准中规定了连续工作时间,则依据产品标准规定。
(10)外观与结构:雾化器外观应整洁,色泽均匀,无伤痕、划痕、裂纹等缺陷。
面板上的文字和标志应清晰可见;雾化器塑料件应无气泡、起泡、开裂、变形以及灌注物溢出现象;雾化器的控制和调节机构应安装牢固、可靠,紧固部位应无松动;雾化器的水槽、管道应无泄漏。
(11)环境试验:应根据产品特点,在企业标准中按GB/T14710规定气候环境和机械环境试验的组别,并在随机文件中说明。
试验时间、恢复时间及检测项目按表1的补充规定执行。
(只专注于医疗器械领域)(12)吸嘴、吸入面罩:若吸嘴或吸入面罩具有医疗器械注册证,应验证相关注册证件;若吸嘴或吸入面罩不具有医疗器械注册证,制造商应公布吸嘴、吸入面罩材料的具体成分或者提供其材质的相关证明,依据GB/T16886.1标准对其进行细胞毒性、刺激性、致敏的评价,并要求其微生物指标应符合GB15980标准的要求。
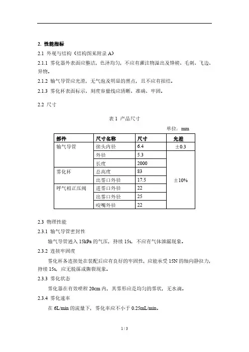
2. 性能指标2.1 外观与结构(结构图见附录A)2.1.1 雾化器外表面应整洁,色泽均匀,不应有灌注物溢出及锋棱、毛刺、飞边、异物。
2.1.2 输气导管应光滑,无气泡及明显的黑点,且不应有扭结。
2.1.3 雾化杯表面标示、刻度容量线应清晰、准确、牢固。
2.2 尺寸表1 产品尺寸单位:mm2.3 物理性能2.3.1 输气导管密封性输气导管通入15kPa的气压,持续15s,不应有气体泄漏现象。
2.3.2 连接牢固度雾化杯各连接处在装配后应有良好的牢固性,应能承受15N的轴向静拉力,持续15s,应无脱落或撕裂现象。
2.3.3 雾化状态雾化器在有效喷程20cm内,其雾形应是均匀的雾状,无水滴。
2.3.4 雾化速率在6L/min的流量下,雾化率应不小于0.25mL/min。
2.3.5 雾粒直径分布雾化器产生的雾粒的中位粒径D50=2.2μm,其误差不超过±25%。
2.3.6 等效体积粒径分布小于Φ5μm的雾粒所占比例应不小于70%。
2.3.7 残液量雾化完后残液量应≤1.4mL。
2.3.8 呼气相正压阀2.3.8.1 气阻气阻可调,旋钮旋至最紧位置,气流阻力为(25±4)cmH2O,旋至最松位置时,气流阻力应为(1±1)cmH2O。
2.3.8.2 6%(鲁尔)圆锥接头(如有)6%(鲁尔)圆锥接头应符合GB/T 1962.2-2001的要求。
2.3.8.3 圆锥接头与咬嘴连接的连接口应是一符合YY/T 1040.1-2015的22mm内圆锥的接头。
2.3.9容量允差雾化杯中需测定的刻度容量允差应为对应刻度的±15%。
2.3.10 耐弯曲性输气导管经弯曲试验,应不发生打折现象。
2.4 化学性能2.4.1 还原物质检验液与空白对照液比较,消耗高锰酸钾标准滴定溶液[c(1/5KMnO4)=0.01mol/L]总量应不超过2.0mL。
2.4.2 重金属含量检验液呈现的颜色应不超过质量浓度ρ(Pb2+)=1μg/m L的标准对照液。
1.性能指标1.1.外观与结构1.1.1.压缩式雾化器外观应整洁,色泽均匀,无伤痕、划痕、裂纹等缺陷,面板上文字和标志应清晰可见。
1.1.2.压缩式雾化器塑料件应无气泡、起泡、开裂、变形以及灌注物溢出现象。
1.1.3.压缩式雾化器的药液杯、送气管应无泄漏。
1.1.4.压缩式雾化器的按键机构应安装牢固、可靠,紧固部位应无松动。
1.2.性能1.2.1.气体流量气体流量应不少于6.5L/min。
1.2.2.喷雾速率喷雾速率应不小于0.16mL/min。
1.2.3.最大容量药液杯标称容量应符合表2的规定表 1 药液杯最大容量1.2.4.压力范围a)正常状态压力:正常工作条件下,压缩式雾化器所产生的压力范围应在60kPa~155kPa以内。
b)异常状态压力:当压缩式雾化器发生异常情况,压缩式雾化器所产生的最大压力应该在160kPa~350kPa以内,且不发生管体破裂现象。
1.2.5.残液量雾化完成后,药液杯内残液量应不大于1.0 mL。
1.2.6.雾粒直径分布1.2.6.1.压缩式雾化器生产的雾粒等效体积粒径分布曲线应在随机文件中公布。
1.2.6.2.测量条件应在说明书中公布,包括气温、空气湿度、溶液成分及其温度。
1.2.6.3.直径小于5μm的雾粒所占比例应≥60%。
1.2.6.4.中位粒径应为3.6μm±2μm。
1.2.7.整机噪声压缩式雾化器正常工作时的整机噪音应不大于70dB(A计权)。
1.2.8.连续工作时间压缩式雾化器在常温下,连续工作4小时以上,压缩式雾化器应能正常工作。
1.2.9.电源适应能力在额定电压±10%的范围内,压缩式雾化器应能正常工作。
1.2.10.配件通用性附录B清单包含的药液杯均能搭配主机使用。
1.3.环境试验压缩式雾化器应符合GB/T 14710-2009《医用电器环境要求及试验方法》中气候环境试验II组,机械环境试验II组及表3的要求。
运输试验、电源电压适应能力试验应分别符合GB/T 14710-2009《医用电器环境要求及试验方法》中4章、5章的规定。
2. 性能指标2.1 尺寸一次性使用医用雾化器的基本尺寸见表 2。
表2产品规格2.2 外观2.2.1面罩的表面应光洁、罩体透明、无机械杂质、异物、扭纹,色泽均匀,无明显气泡,无划痕等缺陷。
2.2.2 雾化杯的文字和标示、刻度容量线应清晰、准确、牢固。
2.2.3 松紧带应无橡皮筋外露现象。
2.3 物理性能要求2.3.1 加液量雾化杯最大加液量应为12mL±0.8mL。
2.3.2 连接牢固度2.3.2.1 雾化杯与导管接头连接处应能承受 15N 的轴向静拉力。
2.3.2.2 松紧带与面罩连接后,应能承受 10N 的垂直静拉力。
2.3.3 雾化状态:雾化杯在有效喷程 30cm 内,其雾形应呈均匀的雾状,无水滴。
2.3.4 雾化率:雾化器在压力范围60kPa-240kPa,气源流量≥ 6L/min的流量下,雾化率≥0.34mL/min。
2.3.5 雾粒等效体积粒径分布<Φ5um 的雾粒所占比例≥60%。
中位粒径为: 4.0μm,其误差不超过±25%。
2.3.6 耐温性能面罩应能承受 0℃和 60℃的温度,历时 60 分钟,产品不允许有变形、破损、无异味,并能正常使用。
2.3.7 残液量雾化器在压力范围60kPa-240kPa,气源流量≥6L/min的流量下,雾化杯雾化完后残留量≤1.2mL。
2.3.8微粒含量:面罩微粒污染指数应≤90。
2.4 化学性能2.4.1 重金属总含量≤10ug/ml。
2.4.2 酸碱度:浸出液与同批空白对照液相比,pH 值之差应不超过 1.5。
2.4.3 还原物质还原物质(易氧化物)的含量以消耗高锰酸钾溶液的量表示。
按照GB/T14233.1-2008中5.2.2试验时,20ml检验液所消耗的高锰酸钾溶液的量应小于等于2ml。
2.4.4不挥发物(蒸发残渣)测定按GB/T 14233.1-2008中5.5的方法测定计算,总量应不超过 10mg。
2.4.5环氧乙烷残留量一次性使用医用雾化器经环氧乙烷灭菌后,出厂时残留量应≤10μg/g。
2.1外观结构2.1.1产品各组件应整洁、塑化均匀,无气泡、起泡、开裂、变形以及灌注物溢出现象;表面刻度标示清晰可见;2.1.2产品应呈半透明状,透过容量刻度部位可清晰观察到其液面的位置,容量范围为 2~8ml;2.1.3松紧带应无橡皮筋外露现象。
2.2尺寸2.3物理性能2.3.1 装量雾化杯最大装液量应为8mL±0.8mL。
2.3.2 无泄漏雾化杯进气口与导管连接处无泄漏。
2.3.3 连接强度2.3.3.1雾化杯与导管接头连接处应能承受 15N 的轴向静拉力,持续 15s,应无撕裂及脱落。
2.3.3.2松紧带与面罩连接后,应能承受 10N 的垂直静拉力,持续 15s,应无脱落。
2.3.4 雾化状态雾化杯在有效喷程 7cm 内,其雾形应呈均匀的雾状,无水滴。
2.3.5 雾化率在 10L/min 的流量下,雾化率≥0.2mL/min。
2.3.6 雾化杯产生的雾粒直径分布<Φ5μm 的雾粒所占比例≥60%。
2.3.7 微粒含量面罩微粒污染指数应≤90。
2.3.8 耐温性能面罩应能承受0℃和60℃的温度,历时 60 分钟,产品不允许有变形、破损,无异味,并能正常使用。
2.3.9 残留量残液量应≤0.7ml。
2.4化学性能2.4.1重金属含量按规定方法测试,铅、锌、锡、铁的总含量≤5μg/ml,镉的含量应≤0.1μg/ml。
2.4.2酸碱度产品浸出液与同批空白对照液的 PH 值之差不得超过 1.5。
2.4.3还原物质产品浸出液与同批空白对照液相比,0.002mol/L 高锰酸钾溶液消耗量不得超过2.0ml。
2.4.4不挥发物产品浸出液与同批空白对照液相比,不挥发物不得大于 10mg。
2.4.5环氧乙烷残留量产品采用环氧乙烷灭菌,出厂时,环氧乙烷残留量不得大于10μg/g。
2.5生物性能2.5.1产品应无菌。
2.5.2产品细菌内毒素含量应小于20EU/套。
2.性能指标2.1外观与结构一次性使用雾化器外观应整洁,色泽均匀,无毛边、气泡、起泡、划痕、裂纹等现象。
2.2 尺寸2.2.1 面罩DFS-DN-I(儿童型):长64.1±6mm,宽81.2±6mm,高39.7±6mm,接口内径:20.1± 0.2mm。
DFS-DN-II(成人型): 长83.1±6mm,宽105.7±6mm,高63.8±6mm,接口内径:20.1 ±0.2mm。
2.2.2 吸嘴长:64.5±2mm,宽:30.2±1mm,接口内径:20.1±0.2mm。
2.2.3 送气管长:1600±50 mm,软管外径:5.9±0.5mm,接口内径6.9±0.5mm。
2.2.4 雾化杯长:92.5±5mm,底部外径:36.0±1mm,气管接口外径:6.1±0.2mm,呼吸接口外径:20.1±0.2mm;容量:标记有刻度范围 2mL~8mL,允差为±标记刻度的 10%。
2.2.5 面罩带长:430±30mm,带宽:5.0±3.0mm。
2.3 使用性能2.3.1面罩带应调节方便,能可靠地绑定面罩,应能承受不小于15N的轴向静拉力,持续 30s而无断裂及脱离。
2.3.2面罩、吸嘴、送气管和雾化杯之间连接应牢固,应能承受不小于15N的轴向静拉力,持续30s而无断裂及脱离。
2.3.3连接密封性:送气管与雾化杯连接处应有良好密封性、无泄漏。
2.4 雾化性能当空气流量为 6L/min 时,最大喷雾速率应≥0.25ml/min。
2.5 残液量雾化杯的残液量应≤1mL。
2.6雾粒等效体积粒径分布Φ≤5μm的雾粒所占比例大于 60%;雾粒的中位粒径为2.5μm,其误差应不超过± 25%。
2.7无菌一次性使用雾化器应无菌。
雾化机颗粒大小标准
医用雾化机有两个关键指标,一是平均颗粒大小,二是有效吸入颗粒的占比是多少。
合格的雾化机产生的颗粒平均直径要在1—5微米之间,因为儿童的气道更窄,肺部未发育完全,这个区间的药水颗粒才能直达病灶,起到抗炎平喘化痰的作用。
一般来说,雾化颗粒直径大小和药物沉积位置关系如下:
5–10μm:主要沉积于大传导气管及口咽部;
小于5μm:主要沉积于肺部;
小于3μm:50%-60%沉积在肺部;
小于0.5μm:随呼气排出体外。
由此可见,雾化颗粒不是越大越好,也不是越小越好。
治疗下呼吸道的有效雾化颗粒直径应在0.5~10μm,以3~5μm为佳。
以上内容仅供参考,如需更多关于雾化机的信息,建议查看产品说明书或咨询医生。
2.性能指标2.1外观2.1.1雾化器观应端正、平整,色泽应均匀,应无污渍、伤痕、裂纹、划痕、飞边、黑点、气泡及锋棱;空气导管应无扭结。
2.1.2雾化器的文字和标记、刻度容量线应清晰、准确、牢固。
2.1.3松紧带应无橡皮筋外露现象。
2.2尺寸2.3性能2.3.1装量:雾化器最大装液量应为8ml±0.8ml。
2.3.2雾化器及连接管应无泄漏。
2.3.3连接牢固性2.3.3.1雾化器各连接处应能承受 15N 的轴向静拉力,持续 15s,应无撕裂及脱离。
2.3.3.2松紧带与面罩连接后,应能承受 10N 的垂直静拉力,持续 15s,应无脱离。
2.3.4雾化状态雾化器在有效喷程 10cm 内,其雾应呈均匀的雾状,无水滴。
2.3.5雾化量在 8000ml/min 的流量下,雾化器的雾化量应不小于 0.2ml/min。
2.3.6雾化杯产生的雾粒直径分布φ1μm-φ5μm 的雾粒所占比例大于 60%。
2.3.7 残液量应不超过 1.0ml。
2.3.8 耐受压力导管产生的最大压力在 150kPa~400kPa,雾化器应不发生管体破裂现象。
2.4 无菌产品经环氧乙烷灭菌,应无菌。
2.5环氧乙烷残留量雾化器经环氧乙烷灭菌,其环氧乙烷残留量≤10ug/g。
2.6化学性能2.6.1 酸碱度溶出液与同批空白液作对照,pH 值之差应不超过 1.5。
2.6.2 重金属检验液呈现的颜色应不超过ρ(Pb2+)=1 μg/mL 的标准对照液。
2.6.3还原物质溶出液与同批空白液作对照,0.002mol/L 高锰酸钾溶液消耗量不得超过2.0ml。
2.6.4不挥发物50ml 检验液蒸发残渣的总量应不超过 2.0mg。
2. 性能指标2.1外观与结构2.1.1 雾化器外观应整洁,色泽均匀,无伤痕、划痕、裂纹等缺陷;2.1.2 面板上的文字和标志应清晰可见;2.1.3 雾化器塑料件应无气泡、起泡、开裂、变形以及灌注物溢出现象;2.1.4 雾化器各部件应安装牢固、可靠,紧固部位应无松动。
2.2 气体流量雾化器工作时,气体流量应≥8L/min。
2.3 压力2.3.1 压力范围正常工作条件下,雾化器所产生的最大工作压力应在60kPa~130kPa范围内。
2.3.2 异常状态压力当本体发生异常情况下,雾化器所产生的最大压力应在150kPa~400kPa范围内,且不应发生管体破裂现象。
2.4 雾化率雾化器的雾化率应≥0.2mL/min。
2.5 连续工作时间雾化器在常温下,采用交流电源供电时,连续工作4小时以上,雾化器应能正常工作。
2.6 残液量雾化完成后,雾化杯内残液量应≤1mL。
2.7 噪声雾化器正常工作时的整机噪声应≤70dB(A计权)。
2.8 雾化粒径2.8.1 等效体积粒径分布小于Φ5μm的雾粒所占比例应>55%。
2.8.2 中位粒径雾粒的中位粒径为2.5μm,其误差应不超过±25%。
2.9环境试验雾化器的环境试验应符合GB/T 14710-2009《医用电器环境要求及试验方法》中气候环境试验Ⅱ组、机械环境试验Ⅱ组和表1的规定;运输试验、电源电压适应能力试验分别符合GB/T 14710-2009《医用电器环境要求及试验方法》中4章、5章的规定。
2.10电气安全要求应符合GB 9706.1-2007《医用电气设备第 1 部分:安全通用要求》的要求。
2.11 电磁兼容应符合YY 0505-2012《医用电气设备第1-2部分:安全通用要求并列标准:电磁兼容要求和试验》的要求。
2.12雾化器配套要求2.12.1无菌雾化器配套使用的雾化杯、软管、面罩应为外购件无菌一次性使用产品。
2.12.2环氧乙烷残留量出厂时其环氧乙烷残留量应不大于10μg/g。
医用雾化器国标摘要:一、医用雾化器国标简介1.医用雾化器的定义与作用2.我国医用雾化器国标的发展历程二、医用雾化器国标的主要内容1.分类与型号2.技术要求a.结构与性能b.安全要求c.试验方法d.检验规则e.标志、包装、运输、贮存三、医用雾化器国标的重要意义1.保障医用雾化器的安全性和有效性2.促进我国医用雾化器行业的规范发展3.提升医疗机构的诊疗水平四、医用雾化器国标在实际应用中的案例分析1.临床应用案例2.生产与监管案例正文:医用雾化器国标是我国针对医用雾化器产品制定的权威技术标准,旨在规范医用雾化器的生产、使用和管理,保障医疗质量和患者安全。
一、医用雾化器国标简介医用雾化器是一种将药物溶液雾化成微小颗粒的设备,通过吸入途径将药物送达呼吸道和肺部,以达到治疗疾病的目的。
我国医用雾化器国标经历了多次修订和完善,现行的标准为GB/T 19635-2018《医用雾化器》。
二、医用雾化器国标的主要内容1.分类与型号:根据雾化器的工作原理、结构和用途,将其分为不同类别和型号。
2.技术要求:详细规定了雾化器的结构与性能、安全要求、试验方法、检验规则等方面的技术要求。
3.标志、包装、运输、贮存:明确了雾化器的标志、包装、运输和贮存条件,以确保产品在运输和使用过程中的安全。
三、医用雾化器国标的重要意义1.保障医用雾化器的安全性和有效性:国标对雾化器的技术要求进行了严格规定,确保产品在临床应用中的安全性和疗效。
2.促进我国医用雾化器行业的规范发展:国标的实施有助于提高行业整体水平,推动企业技术创新和产品质量提升。
3.提升医疗机构的诊疗水平:医用雾化器在呼吸系统疾病、皮肤病等领域的应用越来越广泛,国标的实施有助于医疗机构提高诊疗水平,为患者提供更好的医疗服务。
四、医用雾化器国标在实际应用中的案例分析1.临床应用案例:某医疗机构采用符合国标的医用雾化器对患者进行治疗,取得了良好的疗效,患者满意度高。
2.生产与监管案例:某雾化器生产企业严格按照国标生产产品,经过国家质量监督部门的严格检测,产品质量和安全性得到了保障,市场占有率不断提高。
斯莱达一次性使用医用雾化器技术要求1. 引言斯莱达一次性使用医用雾化器是一种用于雾化给药的医疗设备,可以将液体药物转化为细小的颗粒,通过呼吸系统送达到病患的肺部。
本文档旨在阐述斯莱达一次性使用医用雾化器的技术要求,包括设备特性、使用指导和质量控制等方面。
2. 设备特性斯莱达一次性使用医用雾化器的技术要求主要包括以下几个方面:2.1 雾化效率雾化效率是指设备将液体药物转化为雾化颗粒的能力。
斯莱达一次性使用医用雾化器的雾化效率应达到预定标准,确保药物能够有效地被患者吸入。
2.2 雾化颗粒大小控制雾化颗粒的大小对于药物的吸入效果有着重要的影响。
斯莱达一次性使用医用雾化器应能够控制雾化颗粒的大小,使其符合临床使用要求。
2.3 安全性和可靠性斯莱达一次性使用医用雾化器的设计应具备良好的安全性和可靠性,确保在使用过程中不会对患者造成二次感染或其他不良影响。
此外,设备应具备一定的耐用性,能够在正常使用条件下保持长期稳定的性能。
2.4 操作便捷性斯莱达一次性使用医用雾化器的操作应简便易学,方便医务人员进行实际操作。
同时,设备的结构设计应合理,易于清洁和维护,以提高设备的使用寿命和性能稳定性。
3. 使用指导为了正确、安全地使用斯莱达一次性使用医用雾化器,医务人员应遵循以下使用指导:3.1 设备准备在使用雾化器之前,需要对设备进行准备工作。
首先,检查设备的完整性和包装是否完好。
确保设备没有损坏或漏洞。
其次,检查设备标签上的有效期和批号等信息,确保设备处于有效期内。
最后,准备所需的雾化药物、雾化介质和其他辅助材料。
3.2 使用步骤根据医嘱和使用需求,将雾化药物放入设备的容器中。
接下来,将设备连接到合适的雾化源(如氧气源或空气压缩机等)。
按照设备的说明书或标识,进行设备的操作设置,如调节雾化流量、雾化时间等。
最后,将设备与患者呼吸系统相连,并按照医嘱进行雾化给药。
3.3 使用注意事项在使用斯莱达一次性使用医用雾化器时,需要注意以下事项:•注意设备的清洁和消毒,避免交叉感染。
性能指标2.1外观与结构2.1.1雾化器外观应整洁,色泽均匀,无伤痕、划痕、裂纹等缺陷。
2.1.2雾化器面板上的文字和标志应清晰可见;2.1.3雾化器塑料件应无气泡、起泡、开裂、变形以及灌注物溢出现象;2.1.4雾化器的控制和调节机构应安装牢固、可靠,紧固部位应无松动;2.2性能要求2.2.1气体流量≥2L/min2.2.2雾化率0.05~0.6mL/min2.2.3压力范围a)正常工作条件下,雾化器产生的压力应在30kPa~80kPa范围内。
b)当雾化器发生异常情况下,雾化器产生的最大压力应在80kPa~200kPa范围内。
2.2.4残液量应≤0.8ml。
2.2.5连续工作时间雾化器在常温下,采用满电的内部电源供电时,雾化器应能正常连续工45分钟以上。
2.2.6雾化器产生的雾粒直径分布a)Ф1µm~Ф5µm的雾粒所占比例应不小于45%。
b)中位粒径为5μm,误差为±25%。
2.3噪声雾化器的噪声应不大于60dB(A)。
2.4电气安全要求应符合GB9706.1-2007《医用电气设备第一部分:安全通用要求》的要求。
2.5环境试验要求产品应符合GB/T14710-2009《医用电气环境要求及试验方法》中气候环境试验II组,机械环境试验II组的要求和表2的要求。
产品的运输试验、电源电压适应能力试验应分别符合GB/T14710-2009中第4章、第5章和表2的要求。
2.6电磁兼容应符合YY0505-2012《医用电气设备第1-2部分:安全通用要求并列标准:电磁兼容要求和试验》的要求。
2.7雾化器接触药液部件:雾化杯的化学性能2.7.1酸碱度检验液与空白液PH值之差应不超过1.5。
2.7.2重金属检验液呈现的颜色应不超过质量浓度p(Pb2+)=1μg/ml的标准对照液。
2.7.3还原物质(易氧化物)检验液和空白液消耗高猛酸钾溶液[c(kMnO4)]=0.002mol/L]的体积之差不超过2mL2.7.4不挥发物检验液和空白液蒸发后的质量之差不超过5mg/100mL2.8微生物指标细菌菌落总数应≤20cfu/g,并不得检出大肠菌群、致病性化脓菌(致病性化脓菌指绿脓杆菌、金黄色葡萄球菌与溶血性链球菌)及真菌。
2.性能指标2.1外观与结构2.1.1医用压缩式雾化器外观应整洁,色泽均匀,无伤痕、划痕、裂纹等缺陷,面板上的文字和标志应清晰可见。
2.1.2医用压缩式雾化器塑料件应无气泡、起泡、开裂、变形以及灌注溢出现象。
2.1.3医用压缩式雾化器的控制和调节机构应安装牢固、可靠,紧固部位应无松动。
2.2气体流量气体流量应:≥3.5L/min。
2.3压力范围2.3.1正常工作条件下,医用压缩式雾化器产生的压力应在 60kPa~130kPa 范围内;2.3.2异常工作条件下,医用压缩式雾化器产生的最大的极限压力应在 150kPa~400kPa 范围内,且不发生管体破裂现象。
2.4雾化速率雾化速率应≥0.215 mL/min。
2.5残液量残液量应≤1.5mL。
2.6整机噪音试验距离为 1m 时,在安静的环境下测试,医用压缩式雾化器带负载运转噪音应不大于 65dB(A)。
2.7连续工作时间在常温下,采用交流电源供电时,可连续工作 4 小时,应能正常工作;2.8雾粒等效体积粒径分布、中位粒径2.8.1中位粒径雾化杯雾粒的中位粒径为:4.50μm,其误差应不超过±25%;2.8.2雾粒等效体积粒径分布雾化杯雾粒等效体积粒径分布:小于等于6μm的雾粒所占比例应不小于50% ;2.9化学性能配套使用的雾化杯、输气导管、面罩(儿童型、成人型)、咬嘴与药液接触部件应满足以下化学性能要求:2.9.1酸碱度经测定,样品浸提液与空白对照液 PH 值之差应不大于 1.5。
2.9.2重金属含量经测定,检验液所呈现的颜色不超过质量浓度 p(Pb2+)=1ug/mL 的标准对照液。
2.9.3还原物质(易氧化物)经测定,样品浸提液与空白对照液所消耗高锰酸钾[c(KMnO₄)=0.002mol/L]的体积之差不大于 1.5ml。
2.9.4不挥发物(蒸发残渣)按GB/T14233.1-2008 中5.5 检测时,50ml 检验液中,不挥发物总量不得超过 2mg。
手持式医用超声雾化器适用范围:将液态药物雾化供患者吸入1. 产品型号/规格及其划分说明1.1型号命名1.2产品组成该产品由主机、雾化附件组成,其中雾化附件包括:一次性使用牙垫(咬口器)或咬嘴、连接线、一次性使用吸氧面罩或面罩。
1.3规格型号表1规格型号2. 性能指标2.1工作条件2.1.1 环境条件a)环境温度:5℃~40℃;b)相对湿度:≤80%;c)大气压力:860hPa~1060hPa。
2.1.2 电源条件直流电压3V。
2.2 外观2.2.1 手持式医用超声雾化器外观应整洁,色泽均匀,无伤痕、划痕、裂纹等缺陷,面板上文字和标志应清晰可见。
2.2.2 手持式医用超声雾化器塑料件应无气泡、起泡、开裂、变形以及灌注物溢出现象。
2.2.3 手持式医用超声雾化器的储液室、管道应无泄漏。
2.2.4 手持式医用超声雾化器的控制机构应安装牢固、可靠,紧固部位应无松动。
2.3 主要性能2.3.1 医用雾化器超声工作频率与标称频率的偏差:≤±l0%,中位粒径为14μm 的雾化片标称频率为120kHz;中位粒径为7μm的雾化片标称频率为110kHz。
2.3.2 雾化率≥0.2ml/min。
2.3.3医用雾化器正常工作时的整机噪声:≤50dB(A计权)。
2.3.4连续工作时间:在常温下,连续工作1小时以上(电源持续供电下),医用雾化器应能正常工作。
2.3.5稳定性:在额定电压±10%范围内,机器应能正常工作。
2.4 控制功能:手持式医用超声雾化器具备水位为零时机器自动停机的功能。
2.5一次性使用吸氧面罩或面罩及一次性使用牙垫(咬口器)或咬嘴:应为具有医疗器械注册证的产品,或应有医用级塑料材质证明。
2.6 电气安全应符合GB 9706.1-2007《医用电气设备第1部分:安全通用要求》的规定中见附录A电气安全基本特征。
2.7 环境试验应符合GB/T 14710-2009中气候环境Ⅱ组,机械环境Ⅱ组及附录B《环境试验项目及要求》的规定。
2.性能指标2.1外观2.1.1压缩式雾化器外观应整洁,色泽应均匀,无伤痕、划痕、裂纹、黑点、气泡,文字、标记,应清晰可见。
2.1.2紧固件连接应牢固可靠,不得有松动。
2.1.3电动机的活塞缸应无机油作润滑。
2.2尺寸压缩式雾化器出气嘴(锥形圆柱)的最大直径为9.0 mm±1.0 mm。
2.3连接牢固性2.3.1压缩式雾化器的出气嘴与机身之间的连接,应能承受水平方向或竖直方向50N 的推力/拉力,持续 30s,无断裂或脱离。
2.3.2与压缩式雾化器的出气嘴配套使用的应用部件-输氧管,两者之间的连接应能承受水平方向或竖直方向,10N 的推力/拉力,持续 30s,无断裂或脱离。
2.4零压流量压缩式雾化器正常运转 5 分钟后(不连接应用部件-雾化杯),出气流量应不小于 7.0 L/min。
2.5额定容积流量2.5.1压缩式雾化器正常工作 5 分钟后,出气流量应不小于 4.5 L/min。
2.5.2压缩式雾化器(EM99-002)连续正常工作 48h 后,出气流量应不小于 4.5 L/min。
2.6额定工作压力2.6.1压缩式雾化器正常工作 5 分钟后,出气压力应不小于 90 kPa。
2.6.2压缩式雾化器(EM99-002)连续正常工作48h 后,出气压力应不小于90 kPa。
2.7雾化率和残液量压缩式雾化器配套相应耗材一起使用时,雾化率应≥0.20 ml/min,残液量应小于 1.0 ml。
2.8雾粒直径分布压缩式雾化器配套相应耗材一起使用时,小于φ5μm 的雾粒所占比例应大于 55%;雾粒的中位粒径为 2.9μm,误差应不超过±25%。
2.9噪声测试在距离压缩式雾化器1m 的任意点处测得的压缩式雾化器稳态噪声应不超过58 dB(A 计权)。
2.10安全要求2.10.1如由于某种故障或某种不可预知的因素,电动机不工作,使线圈的温度达到130℃±10℃,压缩式雾化器的温度保护器应熔断,使线圈不能加热,设备外壳的温度不超过50℃。
医用雾化器国标
【原创实用版】
目录
1.医用雾化器的定义和作用
2.我国医用雾化器行业的发展状况
3.医用雾化器国标的制定和意义
4.医用雾化器国标的主要内容
5.医用雾化器国标对行业的影响和前景
正文
医用雾化器是一种将液体药物通过雾化技术转变为微小颗粒,以便患者通过呼吸道吸入治疗的设备。
它在医疗领域中被广泛应用,是呼吸系统疾病治疗中的重要手段之一。
近年来,随着我国医疗行业的快速发展,医用雾化器行业也取得了长足的进步。
为了规范和提升医用雾化器的质量,我国已经制定了医用雾化器国标。
这个国标的制定,对于推动我国医用雾化器行业的发展,保障患者的使用安全,提高治疗效果具有重要的意义。
医用雾化器国标的主要内容包括产品的定义、分类、技术要求、试验方法、检验规则和标志、包装、运输和储存等方面。
其中,技术要求是国标的核心内容,包括雾化器的雾化颗粒大小、雾化速率、药物残留量、耐久性等关键指标。
医用雾化器国标的实施,对我国医用雾化器行业产生了深远的影响。
首先,国标提高了行业门槛,使得一些小型、低质量的生产企业难以生存,有利于行业的优胜劣汰。
其次,国标为医用雾化器的研发、生产、检验和销售提供了统一的标准,有利于提高产品质量,保障患者的使用安全。
最后,国标对医用雾化器的进出口贸易也产生了影响,提高了我国产品在国
际市场上的竞争力。
总的来说,医用雾化器国标的制定和实施,对于推动我国医用雾化器行业的健康发展,提高产品质量,保障患者权益具有重要的作用。
医用雾化器产品的主要技术指标
给出医用雾化器需要考虑的基本技术性能指标,制造商可参考相应的行业标准,根据自身产品的技术特点制定相应的性能指标。
如行业标准中有不适用条款,企业在标准的编制说明中必须说明理由。
鉴于目前压缩式雾化器没有相应的行业标准,故推荐审评人员参考下面的相关技术指标。
1、超声雾化器主要技术性能要求一般应包括以下内容:
(1)超声振荡频率:雾化器超声工作频率与标称频率偏差:≦±10%
(2)最大雾化率:雾化器的最大雾化率必须不小于其企业标准、使用说明书(或铭牌)上的规定。
(3)雾化器水槽内温度:雾化器水槽内温度≦60℃。
(4)整机噪声试验:雾化器正常工作时的整机噪声:≦50dB(A计权)。
(5)雾化量调整节性:雾化器的雾化率宜能调节。
(6)低水位提示装置:雾化器宜具备低水位提示或停机装置。
(7)风量调节装置:雾化器宜在适当部位安装风量调节装置。
(8)定时误差:雾化器宜有定时控制装置,其控制时间与标称时间的偏差不大于10%。
(9)连续工作时间:雾化器在常温下,采用交流电源供电时,连续工作4小时以上,仪器应能正常工作:如采用直流电源供电时,连续工作1小时以上,产品标准规定的时间雾化器应能正常工作。
如制造商在产品标准中规定了连续工作时间,则依据产品标准规定。
(10)外观与结构:雾化器外观应整洁,色泽均匀,无伤痕、划痕、裂纹等缺陷。
面板上的文字和标志应清晰可见;雾化器塑料件应无气泡、起泡、开裂、变形以及灌注物溢出现象;雾化器的控制和调节机构应安装牢固、可靠,紧固部位应无松动;雾化器的水槽、管道应无泄漏。
(11)环境试验:应根据产品特点,在企业标准中按GB/T14710规定气候环境和机械环境试验的组别,并在随机文件中说明。
试验时间、恢复时间及检测项目按表1的补充规定执行。
(12)吸嘴、吸入面罩:若吸嘴或吸入面罩具有医疗器械注册证,应验证相关注册证件;若吸嘴或吸入面罩不具有医疗器械注册证,制造商应公布吸嘴或吸入面罩具材料的具体成份或者提供其材质的相关证明,依据GB/T16886.1标准对其进行细胞毒性、刺激性、致敏的评价,并要求其微生物指标应符合GB15980标准的要求。
(13)等效体积粒径公布:与实际颗粒具有相同体积的同物质的球形颗粒的直径叫做等效体积粒径。
按照激光散射法或EN13544-1规定的瀑布撞击法检测,等效体积粒径分布符合制造商的规定。
(14)安全性能要求:应符合GB9706.1、YY0505的全部要求。
2、医用压缩式雾化器主要技术要求一般应包括以下内容:
(1)气体流量:气体流量的数值应符合制造商规定。
(2)压力范围:正常状态压力:正常工作条件下,本体所产生的压力应该在制造商规定的范围以内(如60kPa~130kPa)。
异常状态压力:当本体发生异常情况,本体所产生的最大压力应该在制造商规定的范围以内(如150kPa~400kPa)且不
发生管体破裂现象。
(3)喷雾速率:应符合制造商的规定。
(4)残液量:应符合制造商的规定。
(5)整机噪音试验:吸入器正常工作时的整机噪音应符合制造商规定的噪声要求。
(6)连续工作时间:雾化器在常温下,采用交流电源供电时,连续工作4小时以上,仪器应能正常工作;如采用直流电源供电时,连续工作1小时以上,产品标准规定的时间雾化器应能正常工作。
如制造商在产品标准中规定了连续工作时间,则依据产品标准规定。
(7)外观与结构:雾化器外观应整洁,色泽均匀,无伤痕、划痕、裂纹等缺陷。
面板上的文字和标志应清晰可见;雾化器塑料件应无气泡、超泡、开裂、变形以及灌注物溢出现象;雾化器的控制和调节机构应安装牢固、可靠、紧固部位应无松动。
(8)环境试验:应根据产品特点,在企业标准中按GB/T14710规定气候环境和机械环境试验的组别,并在随机文件中说明。
试验时间、恢复时间及检测项目按表1的补充规定执行。
(9)吸嘴、吸入面罩:若吸嘴或吸入面罩具有医疗器械注册证,应验证相关注册证件;若吸嘴或吸入面罩不具有医疗器械注册证,制造商应公布吸嘴、吸入面罩具材料的具体成份或者提供其材质的相关证明,依据GB/T16886.1标准对其进行细胞毒性、刺激性、致敏的评价,并要求其微生物指标应符合GB15980标准的要求。
(10)等效体积粒径公布:与实际颗粒具有相同体积的同物质的球形颗粒的直径叫做等效体积粒径。
按照激光散射法或EN13544-1规定的瀑布撞击法检测,等效体积粒径分布符合制造商的规定。
(11)安全性能要求:应符合GB9706.1、YY0505-2005的全部要求。
产品的检测要求
产品的检测包括出厂检验和型式检验。
超声雾化器出厂前逐台检测产品主要项目至少包括:最大雾化率、雾化器水槽内温度、整机噪声试验、雾化量调节性、低水位报警装置、风量调节装置、定时误差、连续工作时间、外观和调节机构,应符合标准的要求。
压缩式雾化器出厂前应逐台检测产品主要项目至少包括:喷雾速率、残液量、气体流量、噪音、外观与结构,应符合标准的要求。
型式检验项目为标准中全部要求。