甬统表(全套)
- 格式:doc
- 大小:5.16 MB
- 文档页数:366
甬统表C01—1工程概况表本表由施工单位填写。
填表:年月日甬统表C01—2本表由施工单位填写,监理机构审查签认后,建设单位、施工单位、监理单位各保存一份.甬统表C01—3技术交底记录本表由施工单位填写,交底人员与接受交底人员各保存一份。
甬统表C01-4图纸会审记录本表由施工单位整理、汇总,建设单位、监理单位、设计单位、施工单位各保存一份。
甬统表C01—5设计变更通知单本表由设计单位完成,设计单位、建设单位、监理单位、施工单位各保存一份。
甬统表C01-6工程洽商记录本表由提出洽商单位填写,建设单位、监理单位、设计单位、施工单位各保存一份。
甬统表C01-7见证取样送检记录本表由施工单位填写,施工单位、监理单位、见证单位各保存一份.制表:年月日甬统表C01—8施工日志本表应装订成册,页号打印好,不得撕掉缺页,以便查对,由施工单位填写保存。
甬统表C01—9工程定位测量记录本表由测量单位填写,建设单位、监理单位、施工单位各保存一份。
甬统表C01-10基槽验线记录本表由施工单位填写保存。
甬统表C01-11楼层平面放线记录本表由施工单位填写并保存。
甬统表C01-13工序质量检查表(施工检查记录)本表由施工单位自控使用.甬统表C01—14隐蔽工程验收记录基础主体部分设计单位要参加。
甬统表C01-15交接检记录本表由移交单位填写,移交、接收和监理单位各保存一份。
甬统表C01—16预 检记 录本表由施工单位自控使用.甬统表C01-17楼层标高抄测记录本表由施工单位填写并保存。
甬统表C01-18建筑物标高、垂直度(全高)测量记录本表由施工单位填写,建设单位、监理单位、施工单位各保存一份。
甬统表C01—19施工组织设计(方案)报审表工程名称:编号:本表由施工单位填写,监理机构签认后交施工单位保存.甬统表C01—20分包单位资格报审表工程名称: 编号:本表由施工单位填报,经项目监理机构审查签认后,建设单位、监理单位、施工单位各存一份。
工程概况表工程名称:编号:本表由施工单位填写。
填表: 年月日施工现场质量管理检查记录工程名称: 开工日期:年月日本表由施工单位填写,监理机构审查签认后,建设单位、施工单位、监理单位各保存一份。
技术交底记录工程名称: 编号:本表由施工单位填写,交底人员与接受交底人员各保存一份.图纸会审记录工程名称: 编号:本表由施工单位整理、汇总,建设单位、监理单位、设计单位、施工单位各保存一份。
设计变更通知单工程名称:编号:本表由设计单位完成,设计单位、建设单位、监理单位、施工单位各保存一份。
工程洽商记录工程名称:编号:本表由提出洽商单位填写,建设单位、监理单位、设计单位、施工单位各保存一份。
见证取样送检记录工程名称:编号:本表由施工单位填写,施工单位、监理单位、见证单位各保存一份.制表:年月日施工日志工程名称:页号:本表应装订成册,页号打印好,不得撕掉缺页,以便查对,由施工单位填写保存。
工程定位测量记录本表由测量单位填写,建设单位、监理单位、施工单位各保存一份.基槽验线记录本表由施工单位填写保存.楼层平面放线记录本表由施工单位填写并保存。
工序质量检查表(施工检查记录)本表由施工单位自控使用。
甬统表C01-14隐蔽工程验收记录本表由施工单位填写,建设单位、施工单位、监理单位各保存一份.基础部分勘察单位要参加,基础主体部分设计单位要参加。
甬统表C01-15交接检记录本表由移交单位填写,移交、接收和监理单位各保存一份。
预检记录本表由施工单位自控使用。
楼层标高抄测记录本表由施工单位填写并保存.建筑物标高、垂直度(全高)测量记录本表由施工单位填写,建设单位、监理单位、施工单位各保存一份.施工组织设计(方案)报审表工程名称:编号:本表由施工单位填写,监理机构签认后交施工单位保存.分包单位资格报审表工程名称:编号:本表由施工单位填报,经项目监理机构审查签认后,建设单位、监理单位、施工单位各存一份。
工程材料/构配件/设备供应单位资格报审表工程名称:编号:本表由施工单位填报,经项目监理机构审查签认后,建设单位、监理单位、施工单位各存一份。
甬统表 A B C 类表(全版)目录A类表A06﹣1《工程项目概况表》A06﹣2《工程材料、设备试验报告(由建设单位负责部分)汇总表》A06﹣3《单位(子单位)工程质量竣工验收记录》A08﹣1《工程资料》封面A08﹣2《工程资料卷内目录(总目录)》A08﹣3《分项目录(主要材料、设备材料)》A08﹣4《分项目录(施工记录资料)》A08﹣5《混凝土(砂浆)抗压强度报告目录》A08﹣6《施工试验及检测资料目录》A08﹣7《工程安全和功能检测资料目录》A08﹣8《工程资料备考表》A08﹣9《工程资料移交书》A08﹣10《工程资料移交目录》A08﹣11《城市建设档案》封面A08﹣12《城建档案卷内目录(总目录)》A08﹣13《城建档案案卷审核备考表》A08﹣14《城市建设档案移交目录》A08﹣15《城市建设档案移交书》B类表B01﹣1《项目监理机构组建报告》B01﹣2《总监理工程师授权书》B01﹣3《专业监理工程师授权书》B01﹣4《总监理工程师更换通知》B01﹣5《监理月报》B01﹣6《监理工程师通知单》B01﹣7﹣1《工程监理档案卷内目录》B01﹣7﹣2《工程监理档案卷内备考表》B01﹣7《工程监理档案》B01﹣8《工程监理档案移交目录》B01﹣9《监理工作联系单》B01﹣10《会议纪要》B01﹣11《工程变更单》B01﹣12《工程竣工移交证书》B01﹣13《监理工作总结报告》B02﹣1《工程暂停令》B02﹣2《监理抽查记录表》B02﹣3《不合格项处置记录表》B02﹣4《监理日记》B02﹣5《旁站监理记录》B02﹣6《平行检验监理记录(通用)》B02﹣7《沉管灌注桩施工旁站监理记录附表》B02﹣8《锤击静压桩施工旁站监理记录附表》B02﹣9《钻孔灌注桩成孔旁站监理记录附表》B02﹣10《钻孔灌注桩混凝土灌注旁站监理记录附表》B02﹣11《混凝土强度回弹平行检验监理记录》B02﹣12《钢管承重支模系统平行检验监理记录》B02﹣13《工程材料构配件设备报审台账》B02﹣14《施工试验报审台账》B02﹣15《工程验收汇总台账》B02﹣16《工程质量评估报告》B03﹣1《工程款支付证书》B03﹣2《费用索赔审批书》B03﹣3《工程临时延期审批表》B03﹣4《工程最终延期审批表》C类表C01﹣1《工程概况表》C01﹣2《施工现场质量管理检查记录》C01﹣3《技术交底记录》C01﹣4《图纸会审记录》C01﹣5《设计变更通知单》C01﹣6《工程洽商记录》C01﹣7《见证取样送检记录》C01﹣8《施工日志》C01﹣9《工程定位测量记录》C01﹣10《基槽验线记录》C01﹣11《楼层平面放线记录》C01﹣12《工程沉降测观记录》C01﹣13《工序质量检查表(施工检查记录)》C01﹣14《隐蔽工程验收记录》C01﹣15《交接检记录》C01﹣16《预检记录》C01﹣17《楼层标高抄测记录》C01﹣18《建筑物标高、垂直度(全高)测量记录》C01﹣19《施工组织设计(方案)报审表》C01﹣20《分包单位资格报审表》C01﹣21《工程材料构配件设备供应单位资格报审表》C01﹣22《试验单位资格报审表》C01﹣23《工程材料构配件设备报审表》C01﹣24《主要施工机械、设备报审表》C01﹣25《施工测量放线报验表》C01﹣26《检验批、分项、子分部(分部)工程质量报验表》C01﹣27《建筑施工安全检查报验表》C01﹣28《工程质量安全问题(事故)报告》C01﹣29《工程质量安全问题(事故)技术处理方案报审表》C01﹣30《监理工程师通知回复单》C01﹣31《工程竣工报验单》C01﹣32《______报验申请表》C01﹣33《工程开工报审表》C01﹣34《工程临时最终延期申请表》C01﹣35《工程复工报审表》C01﹣36《施工进度计划报审表》C01﹣37《工程变更、洽商费用报审表》C01﹣38《费用索赔申请表》C01﹣39《工程款支付申请表》C01﹣40《单位工程(工程项目)竣工报告》C02﹣1《材料、构配件进场验收记录》C02﹣2《设备开箱检验记录表》C02﹣3《钢材力学、工艺性能检测复试报告》C02﹣4《钢筋焊接复试检测报告》C02﹣5《水泥物理力学性能检测报告》C02﹣6《建筑用砂检测报告》C02﹣7《建筑用碎(卵)石检测报告》C02﹣8《混凝土外加剂试验报告》C02﹣9《粉煤灰试验报告》C02﹣10《轻骨料试验报告》C02﹣11《烧结普通砖强度检测报告》C02﹣12《烧结多孔砖强度检测报告》C02﹣13《烧结空心砖和空心砌块抗压强度检测报告》C02﹣14《混凝土普通砖强度检测报告》C02﹣15《混凝土多孔砖强度检测报告》C02﹣16《混凝土小型空心砌块抗压强度检测报告》C02﹣17《预应力钢绞线复试报告》C02﹣18《建筑防水涂料物理性能复试报告》C02﹣19《防水卷材物理性能复试报告》C02﹣20《高分子防水卷材物理性能复试报告》C02﹣21《焊条、焊剂试验报告》C02﹣22《基坑支护变形监测记录》C02﹣23《地基验槽记录》C02﹣24《地基处理记录》C02﹣25《地基钎探记录》C02﹣26《灌注桩基施工记录》C02﹣27《人工挖孔桩施工记录》C02﹣28《钻孔施工记录表》C02﹣29《钻孔灌注桩清孔记录表》C02﹣30《灌注桩施工记录表》C02﹣31《扩头灌注桩施工记录表》C02﹣32《钻孔灌注桩水下混凝土灌注记录表》C02﹣33《振动灌注桩施工记录表》C02﹣34《高压喷射注浆地基施工记录》C02﹣35《深层水泥搅拌桩施工记录》C02﹣36《重锤夯实施工记录》C02﹣37《重锤夯实试夯记录》C02﹣38《强夯施工记录表》C02﹣39《强夯原始记录》C02﹣40《振冲地基施工记录》C02﹣41《锤击钢筋混凝土预制桩施工记录》C02﹣42《静压预应力管桩(预制桩)施工记录》C02﹣43《试打桩记录》C02﹣44《桩基工程质量验收记录》C02﹣45《混凝土浇灌申请书》C02﹣46《预拌混凝土运输单》C02﹣47《预拌混凝土现场坍落度测试记录》C02﹣48《混凝土开盘鉴定》C02﹣49《混凝土施工记录》C02﹣50﹣1《大体积混凝土测温记录》C02﹣50《混凝土养护测温记录》C02﹣51《混凝土拆模申请表》C02﹣52《结构吊装记录》C02﹣53《地下工程防水效果检查记录》C02﹣54﹣1《预应力筋张拉记录(二)》C02﹣54《预应力筋张拉记录(一)》C02﹣55《有粘结预应力灌浆记录》C02﹣56﹣1《钢结构高强度螺栓连接施工记录》C02﹣56《钢结构安装施工记录》C02﹣57《网架(索膜)施工记录》C02﹣58《幕墙注胶检查记录》C02﹣59《锚杆、土钉抗拔力试验报告》C02﹣60《地基承载力试验报告》C02﹣61《单桩竖向抗压静载检测报告》C02﹣62《单桩竖向抗压静载试验报告》C02﹣63《单桩水平静载检测报告》C02﹣64《单桩水平静载试验报告》C02﹣65《单桩竖向抗拔静载检测报告》C02﹣66《钻芯法检测现场操作记录》C02﹣67《钻芯法检测芯样综合柱状图》C02﹣68《基桩低应变法检测报告》C02﹣69《基桩高应变法检测报告》C02﹣70《基桩高应变法检测现场记录》C02﹣71《土工击实试验报告》C02﹣72《回填土试验报告》C02﹣73《砂浆配合比试验通知单》C02﹣74《砌筑砂浆强度检测报告》C02﹣75《砌筑砂浆试块强度统计、评定记录》C02﹣76《混凝土配合比试验通知单》C02﹣77《混凝土试块抗压强度检测报告》C02﹣78《混凝土试块抗折强度检测报告》C02﹣79《混凝土试块抗渗检测报告》C02﹣80﹣1《结构实体同条件养护、混凝土试块强度统计、评定记录》C02﹣80《混凝土试块强度统计、评定记录》C02﹣81《结构混凝土实体钢筋保护层厚度检测报告》C02﹣82《混凝土芯样检测报告》C02﹣83《混凝土回弹检测报告》C02﹣84《现浇混凝土楼板厚度检测报告》C02﹣85《现浇结构楼层标高检测报告》C02﹣86《现浇结构轴线位置检测报告》C02﹣87《植筋抗拉拔检测报告》C02﹣88《钢筋混凝土实体结构检测报告》C02﹣89《钢结构焊缝超声波检测报告》C02﹣90《金属表面磁粉探伤检测报告》C02﹣91《高强度螺栓连接副预拉力检测报告》C02﹣92《螺栓连接副拉力荷载检测报告》C02﹣93《螺栓连接副施工扭矩检测报告》C02﹣94《高强度大六角螺栓连接副扭矩系数检测报告》C02﹣95《高强度螺栓连接摩擦面抗滑移系数检测报告》C02﹣96《高强度螺栓表面硬度检测报告》C02﹣97《钢网架球节点螺栓螺纹拉力荷载检测报告》C02﹣98《钢网架球节点杆件拉力荷载检测报告》C02﹣99《钢结构焊钉弯曲试验报告》C02﹣100《钢结构主体结构整体垂直度检测报告》C02﹣101《钢结构主体结构整体平面弯曲检测报告》C02﹣102《钢结构涂层厚度检测报告》C02﹣103《砂浆和砌体强度原位检测报告》C02﹣104《砌筑砂浆贯入法检测报告》C02﹣105《防水工程试水检查记录》C02﹣106《检测报告(外窗三性)》C02﹣107《烟道、风道、垃圾道检查记录》C02﹣108《外墙饰面砖粘结强度试验报告》C02﹣109《室内空气质量检测报告》C02﹣110《土壤氡浓度检测报告》C02﹣111《溶剂型涂料环境指标检测报告》C02﹣112《溶剂型胶粘剂环境指标检测报告》C02﹣113《水性涂料环境指标检测报告》C02﹣114《水性胶粘剂环境指标检测报告》C02﹣115《水性处理剂环境指标检测报告》C02﹣116《人造板游离甲醛含量检测报告(环境测试舱法)》C02﹣117《人造板游离甲醛含量检测报告(穿孔法)》C02﹣118《饰面人造板、人造板游离甲醛含量检测报告(干燥器法)》C02﹣119《建筑材料放射性核素限量检测报告》C02﹣120《绝热制品物理性能检测报告》C02﹣121《脚手架用钢管力学、工艺性能及外径和壁厚检测报告》C02﹣122《钢管脚手架扣件检测报告》C02﹣123《______检验批质量验收记录》C02﹣124《______分项工程质量验收记录》C02﹣125《______分部(子分部)工程验收记录》C02﹣126《单位(子单位)工程质量竣工验收记录》C02﹣127《单位(子单位)工程质量控制资料核查记录》C02﹣128《单位(子单位)工程安全和功能检验资料核查及主要功能抽查记录》C02﹣129《单位(子单位)工程观感质量检查记录》C03﹣1《排水管道灌水(通水)试验记录》C03﹣2《给水管道通水试验记录》C03﹣3《卫生器具满水、通水试验记录》C03﹣4《管道(设备)强度(严密性)试验记录》C03﹣5《管道系统冲洗记录》C03﹣6《排水管道通球试验记录》C03﹣7《室内消火栓试射试验记录》C03﹣8《补偿器预拉伸(预压缩)记录》C03﹣9《水泵试运转记录》C03﹣10《锅炉烘炉、煮炉和试运行记录》C03﹣11《采暖系统试运行调试记录》C03﹣12《锅炉报警及连锁保护装置试验记录》C04﹣1《高压电气设备及布线系统交接试验记录》C04﹣2《低压电气动力设备试运行记录》C04﹣3《双电源自动切换试验记录》C04﹣4《漏电保护器模拟动作试验记录》C04﹣5《电气接地电阻测试记录》C04﹣6《电气接地装置隐蔽记录》C04﹣7《线路绝缘电阻测试记录》C04﹣8《电缆敷设绝缘电阻测试记录》C04﹣9《线路、插座、开关接线检查记录》C04﹣10《建筑物照明全负荷通电试运行记录》C04﹣11《大型照明灯具吊环承载力试验记录》C04﹣12《漏电开关模拟试验记录》C04﹣13《大容量电器线路结点温度测量记录》C05﹣1《风管漏光检测记录》C05﹣2《风管漏风检测记录》C05﹣3《洁净室测试记录》C05﹣4《现场组装除尘器、空调机漏风检测记录》C05﹣5《风机试运转记录》C05﹣6《房间室内风量温度测量记录》C05﹣7《管网风量平衡调试记录》C05﹣8《管道(设备)强度、严密性试验记录》C05﹣9《管道(设备)吹污冲洗试验记录》C05﹣10《管道(设备)真空试验记录》C05﹣11《空调制冷系统试运转调试记录》C05﹣12《空调水系统试运转调试记录》C05﹣13《制冷系统气密性试验记录》C05﹣14《防排烟系统联合试运行记录》C05﹣15《氨制冷剂系统、燃气管道焊缝检查记录》C05﹣16《阀门强度和严密性试验记录》C05﹣17《水泵试运转记录》C05﹣18《绝热材料点燃试验记录》C05﹣19《制冷机组、单元式空调机组试运转记录》C05﹣20《通风空调系统无生产负荷联合试运转记录》C06﹣1《电梯机房、井道建筑、安装交接检记录》C06﹣2《自动扶梯、自动人行道建筑安装交接检记录》C06﹣3《电梯承重梁、起重吊环埋设检查记录》C06﹣4《轿厢平层准确度测量记录》C06﹣5《电梯层门安全装置检验记录》C06﹣6《电梯噪声测试记录》C06﹣7﹣1《电梯运行试验曲线图》C06﹣7《电梯运行试验记录》C06﹣8《自动扶梯、自动人行道整机运行试验记录》C06﹣9《电梯验收整体功能检验记录》C06﹣10《自动扶梯、自动人行道验收整体功能检验记录》C07﹣3《智能系统工序交接检查记录表》C07﹣4《智能系统施工现场质量管理检查记录表》C07﹣5《智能系统隐蔽工程(随工检查)记录》C07﹣6《智能系统工程安装观感功能验收记录》C07﹣7《智能系统试运行记录》C07﹣8《智能系统分项工程质量检测记录表》C07﹣9《智能系统子系统检测记录表》C07﹣10《智能系统强制性条文检测记录表》C07﹣11《智能系统(分部工程)检测汇总表》C07﹣12《智能系统竣工验收汇总》C07﹣13《火灾自动报警系统调试记录表》C07﹣14《火灾自动报警系统竣工验收记录表》C07﹣15《火灾自动报警系统运行日登记表》C08﹣1《宁波市建筑工程质量监督登记表》C08﹣2《建设单位质量行为监督检查记录表》C08﹣3《勘察设计单位质量行为监督检查记录表》C08﹣4《施工单位质量行为监督检查记录表》C08﹣5《监理单位质量行为监督检查记录表》C08﹣6《检测单位质量行为监督检查记录表》C08﹣7《地基与基础工程质量监督检查记录表》C08﹣8《主体结构 1. 混凝土结构工程质量监督检查记录表》C08﹣9《主体结构 2. 砌体结构工程质量监督检查记录表》C08﹣10《主体结构 3. 钢结构工程监督检查记录表》C08﹣11《给水、排水及采暖工程质量监督检查记录表》C08﹣12《电气工程质量监督检查记录表》C08﹣13《通风、空调工程质量监督检查记录表》C08﹣14《电梯工程质量监督检查记录表》C08﹣15《智能建筑工程质量监督检查记录表》C08﹣16《建筑装饰装修工程质量监督检查记录表》C08﹣17《使用功能和室内环境质量监督检查记录表》C08﹣18《建筑屋面工程质量监督检查记录表》C08﹣19《监督抽样检测记录表》C08﹣20《建筑工程质量整改通知书》C08﹣21《建筑工程质量监督检查记录》C08﹣22《建筑工程项目质量问题(事故)报告表》C08﹣23《建筑工程质量问题(事故)整改报告表》C08﹣24《工程竣工验收监督记录表》C08﹣25《工程项目违反强制性条文登记台账》C08﹣26《参建各方和有关机构不良行为记录台账》C08﹣27《监督执法处罚台账》C08﹣28《工程质量投诉受理、处理台账》甬统表A06-1工程项目概况表编号:本表由建设单位填写并保存。
工程概况表工程名称:编号:本表由施工单位填写. 填表:年月日施工现场质量管理检查记录工程名称:开工日期:年月日本表由施工单位填写,监理机构审查签认后,建设单位、施工单位、监理单位各保存一份。
技术交底记录工程名称:编号:本表由施工单位填写,交底人员与接受交底人员各保存一份。
图纸会审记录工程名称:编号:本表由施工单位整理、汇总,建设单位、监理单位、设计单位、施工单位各保存一份。
设计变更通知单工程名称: 编号:本表由设计单位完成,设计单位、建设单位、监理单位、施工单位各保存一份.工程洽商记录工程名称:编号:本表由提出洽商单位填写,建设单位、监理单位、设计单位、施工单位各保存一份。
见证取样送检记录工程名称:编号:本表由施工单位填写,施工单位、监理单位、见证单位各保存一份。
制表:年月日施工日志工程名称:页号:本表应装订成册,页号打印好,不得撕掉缺页,以便查对,由施工单位填写保存。
工程定位测量记录本表由测量单位填写,建设单位、监理单位、施工单位各保存一份。
基槽验线记录本表由施工单位填写保存.楼层平面放线记录本表由施工单位填写并保存.工序质量检查表(施工检查记录)本表由施工单位自控使用。
甬统表C01-14隐蔽工程验收记录本表由施工单位填写,建设单位、施工单位、监理单位各保存一份。
基础部分勘察单位要参加,基础主体部分设计单位要参加。
甬统表C01—15交接检记录本表由移交单位填写,移交、接收和监理单位各保存一份.预检记录本表由施工单位自控使用。
楼层标高抄测记录本表由施工单位填写并保存。
建筑物标高、垂直度(全高)测量记录本表由施工单位填写,建设单位、监理单位、施工单位各保存一份。
施工组织设计(方案)报审表工程名称: 编号:本表由施工单位填写,监理机构签认后交施工单位保存。
分包单位资格报审表工程名称:编号:本表由施工单位填报,经项目监理机构审查签认后,建设单位、监理单位、施工单位各存一份。
工程材料/构配件/设备供应单位资格报审表工程名称: 编号:本表由施工单位填报,经项目监理机构审查签认后,建设单位、监理单位、施工单位各存一份。
目录1、甬统表A08-1:工程资料 (15)2、甬统表A08-2:工程资料卷内目录(总目录) (16)3、甬统表A08-3:分项目录(主要材料、设备资料) (17)4、甬统表A08-4:分项目录(施工记录资料) (18)5、甬统表A08-5:混凝土(砂浆)抗压强度报告目录 (19)6、甬统表A08-6:施工试验及检测资料目录 (20)7、甬统表A08-7:工程安全和功能检测资料目录 (21)8、甬统表A08-12:城建档案卷内目录(总目录) (26)9、甬统表A08-13:城建档案案卷审核备考表 (27)10、甬统表A08-14:城市建设档案移交目录 (28)11、甬统表A08-15:城市建设档案移交书 (29)12、甬统表B01-13-1:目录 (47)13、甬统表B02-13:工程材料/构配件/设备报审台帐 (56)14、甬统表B02-14:施工试验报审台帐 (57)15、甬统表B02-15:工程验收汇总台帐 (58)16、甬统表B02-16:工程质量评估报告 (59)17、甬统表B02-16-1:目录 (60)18、甬统表C01-1:工程概况表 (65)19、甬统表C01-2:施工现场质量管理检查记录 (66)20、甬统表C01-3:技术交底记录 (67)21、甬统表C01-4:图纸会审记录 (68)22、甬统表C01-5:设计变更通知单 (69)23、甬统表C01-7:见证取样送检记录 (71)24、甬统表C01-8:施工日志 (72)25、甬统表C01-9:工程定位测量记录 (73)26、甬统表C01-13:工序质量检查表(施工检查记录) (77)27、甬统表C01-14:隐蔽工程验收记录 (78)28、甬统表C01-15:交接检记录 (79)29、甬统表C01-16:预检记录 (80)30、甬统表C01-19:施工组织设计(方案)报审表 (83)31、甬统表C01-20:分包单位资格报审表 (84)32、甬统表C01-21:工程材料/构配件/设备供应单位资格报审表 (85)33、甬统表C01-22:试验单位资格报审表 (86)34、甬统表C01-23:工程材料/构配件/设备报审表 (87)35、甬统表C01-24:主要施工机械、设备报审表 (88)36、甬统表C01-25:施工测量放线报验表 (89)37、甬统表C01-26:检验批、分项、子分部(分部)工程质量报验表 (90)38、甬统表C01-27:建筑施工安全检查报验表 (91)39、甬统表C01-28:工程质量/安全问题(事故)报告 (92)40、甬统表C01-29:工程质量/安全问题(事故)技术处理方案报审表 (93)41、甬统表C01-30:监理工程师通知单回复单 (94)42、甬统表C01-31:工程竣工报验单 (95)43、甬统表C01-32:报验申请表 (96)44、甬统表C01-33:工程开工报审表 (97)45、甬统表C01-34:工程临时/最终延期申请表 (98)46、甬统表C01-35:工程复工报审表 (99)47、甬统表C01-36:施工进度计划报审表 (100)48、甬统表C01-37:工程变更、洽商费用报审表 (101)49、甬统表C01-40:单位工程(工程项目)竣工报告 (104)50、甬统表C02-1:材料、构配件进场验收记录 (105)51、甬统表C02-51:混凝土拆模申请表 (156)52、甬统表C02-87:植筋抗拉拔检测报告 (195)53、甬统表C02-123:检验批质量验收记录 (245)54、甬统表C02-124:分项工程质量验收记录 (246)55、甬统表C02-125:分部(子分部)工程验收记录 (247)56、甬统表C02-126:单位(子单位)工程质量竣工验收记录 (248)57、甬统表C02-127:控制资料核查记录 (249)工程资料名称:案卷题名:编制单位:主管:编制完成日期:年月日保管期限:密级:保存档号:共册第册甬统表A08-2工程资料卷内目录(总目录)工程名称:编号:填表人:年月日甬统表A08-3分项目录(主要材料、设备资料)适用于结构、安装及主要装饰材料资料目录。
工程概况表工程名称:编号:本表由施工单位填写。
填表:年月日施工现场质量管理检查记录工程名称:开工日期:年月日技术交底记录工程名称:编号:图纸会审记录工程名称:编号:设计变更通知单工程名称:编号:工程洽商记录工程名称:编号:见证取样送检记录工程名称:编号:本表由施工单位填写,施工单位、监理单位、见证单位各保存一份。
制表:年月日施工日志工程名称:页号:工程定位测量记录基槽验线记录楼层平面放线记录工序质量检查表(施工检查记录)甬统表C01-14隐蔽工程验收记录甬统表C01-15交接检记录预检记录楼层标高抄测记录建筑物标高、垂直度(全高)测量记录施工组织设计(方案)报审表工程名称:编号:分包单位资格报审表工程名称:编号:工程材料/构配件/设备供应单位资格报审表工程名称:编号:试验单位资格报审表工程材料/构配件/设备报审表主要施工机械、设备报审表工程名称:编号:本表由施工单位填报,经项目监理机构审查签认后,建设单位、监理单位、施工单位各存一份。
施工测量放线报验表工程名称:编号:检验批、分项、子分部(分部)工程质量报验表建筑施工安全检查报验表工程质量/安全问题(事故)报告工程名称:编号:工程质量/安全问题(事故)技术处理方案报审表本表由施工单位填写,经项目监理机构、设计单位审查签认后,建设单位、设计单位、监理单位、施工单位各存一份。
监理工程师通知回复单工程名称:编号:工程竣工报验单工程名称:编号:甬统表C01-32报验申请表工程名称:编号:工程开工报审表工程名称:编号:工程临时/最终延期申请表工程名称:编号:工程复工报审表工程名称:编号:施工进度计划报审表甬统表C01-37工程变更、洽商费用报审表费用索赔申请表工程名称:编号:工程款支付申请表工程名称:编号:单位工程(工程项目)竣工报告工程名称:编号:材料、构配件进场验收记录工程名称:编号:设备开箱检验记录表工程名称:编号:混凝土外加剂试验报告粉煤灰试验报告轻骨料试验报告预应力钢铰线复试报告焊条、焊剂试验报告工程名称:编号:基坑支护变形监测记录工程名称:编号:甬统表C02-23地基验槽记录地基处理记录工程名称:坎东小学实验楼、报告厅、连廊编号:地基钎探记录工程名称:编号:。
甬统表A06-1工程项目概况表编号:本表由建设单位填写并保存。
甬统表A06-2工程材料、设备试验报告(由建设单位负责部分)汇总表填表人:年月日本表由建设单位填写,建设单位、施工单位、监理单位各保存一份。
甬统表A06-3单位(子单位)工程质量竣工验收记录本表由监理单位填写,竣工验收组通过验收,由责任主体分别签认,并加盖公章,作为竣工备案的主要材料。
本表由建设单位保存。
甬统表A08-1工程资料名称:案卷题名:编制单位:主管:编制完成日期:年月日保管期限:密级:保存档号:共册第册甬统表A08-2工程资料卷内目录(总目录)填表人:年月日甬统表A08-3分项目录(主要材料、设备资料)适用于结构、安装及主要装饰材料资料目录。
填表人:年月日甬统表A08-4分项目录(施工记录资料)填表人:年月日甬统表A08-5混凝土(砂浆)抗压强度报告目录填表人:年月日甬统表A08-6施工试验及检测资料目录填表人:年月日甬统表A08-7工程安全和功能检测资料目录填表人:年月日甬统表A08-8工程资料备考表甬统表A08-9工程资料移交书我单位按有关规定向办理工程资料移交手续。
共计册。
其中图样材料册,文字材料册,其他材料张( )。
附:工程资料移交目录移交单位(公章):接收单位(公章):单位负责人:单位负责人:技术负责人:技术负责人:移交人:接收人:移交日期:年月日由分包单位向总包单位移交,由施工单位或监理单位向建设单位移交有关工程资料用。
甬统表A08-10工程资料移交目录工程名称:编号:综合卷指文字和图样材料混装的案卷。
填表人:年月日甬统表A08-11档案馆代号:城市建设档案名称:案卷题名:编制单位:技术主管:编制完成日期:年月日保管期限:密级:保存档号:共册第册甬统表A08-12城建档案卷内目录(总目录)工程名称:编号:填表人:年月日甬统表A08-13城建档案案卷审核备考表由建设单位向城建档案馆移交。
甬统表A08-14城市建设档案移交目录综合卷指文字和图样材料混装的案卷。
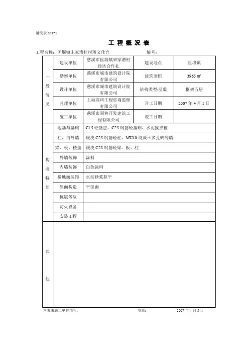
工程概况表工程名称:匡堰镇宋家漕村村落文化宫编号:本表由施工单位填写。
填表: 2007年4月5日施工现场质量管理检查记录工程名称:慈溪市宗汉街道马家路村三产服务用房开工日期:2010年1月1日本表由施工单位填写,监理机构审查签认后,建设单位、施工单位、监理单位各保存一份.技术交底记录工程名称:编号:本表由施工单位填写,交底人员与接受交底人员各保存一份。
图纸会审记录工程名称:编号:本表由施工单位整理、汇总,建设单位、监理单位、设计单位、施工单位各保存一份。
设计变更通知单工程名称:编号:本表由设计单位完成,设计单位、建设单位、监理单位、施工单位各保存一份.工程洽商记录工程名称:编号:本表由提出洽商单位填写,建设单位、监理单位、设计单位、施工单位各保存一份.见证取样送检记录工程名称: 编号:本表由施工单位填写,施工单位、监理单位、见证单位各保存一份。
制表:年月日甬统表C01-8施工日志工程名称: 页号:本表应装订成册,页号打印好,不得撕掉缺页,以便查对,由施工单位填写保存。
工程定位测量记录本表由测量单位填写,建设单位、监理单位、施工单位各保存一份.基槽验线记录本表由施工单位填写保存。
楼层平面放线记录本表由施工单位填写并保存。
工序质量检查表(施工检查记录)本表由施工单位自控使用。
甬统表C01—14隐蔽工程验收记录本表由施工单位填写,建设单位、施工单位、监理单位各保存一份。
基础部分勘察单位要参加, 基础主体部分设计单位要参加.甬统表C01-15交接检记录本表由移交单位填写,移交、接收和监理单位各保存一份。
预检记录本表由施工单位自控使用.楼层标高抄测记录本表由施工单位填写并保存。
甬统表C01—18建筑物标高、垂直度(全高)测量记录本表由施工单位填写,建设单位、监理单位、施工单位各保存一份。
施工组织设计(方案)报审表工程名称:编号:本表由施工单位填写,监理机构签认后交施工单位保存。
分包单位资格报审表工程名称:坎东小学多功能楼编号:本表由施工单位填报,经项目监理机构审查签认后,建设单位、监理单位、施工单位各存一份。
工程概况表工程名称:匡堰镇宋家漕村村落文化宫编号:本表由施工单位填写. 填表:2007年4月5日施工现场质量管理检查记录工程名称:慈溪市宗汉街道马家路村三产服务用房开工日期:2010年1月1日本表由施工单位填写,监理机构审查签认后,建设单位、施工单位、监理单位各保存一份.技术交底记录工程名称: 编号:本表由施工单位填写,交底人员与接受交底人员各保存一份。
图纸会审记录工程名称: 编号:本表由施工单位整理、汇总,建设单位、监理单位、设计单位、施工单位各保存一份.设计变更通知单工程名称:编号:本表由设计单位完成,设计单位、建设单位、监理单位、施工单位各保存一份。
工程洽商记录工程名称: 编号:本表由提出洽商单位填写,建设单位、监理单位、设计单位、施工单位各保存一份。
见证取样送检记录工程名称:编号:本表由施工单位填写,施工单位、监理单位、见证单位各保存一份.制表:年月日施工日志工程名称: 页号:本表应装订成册,页号打印好,不得撕掉缺页,以便查对,由施工单位填写保存.工程定位测量记录本表由测量单位填写,建设单位、监理单位、施工单位各保存一份。
甬统表C01—10基槽验线记录本表由施工单位填写保存。
楼层平面放线记录本表由施工单位填写并保存。
工序质量检查表(施工检查记录)本表由施工单位自控使用。
甬统表C01-14隐蔽工程验收记录本表由施工单位填写,建设单位、施工单位、监理单位各保存一份。
基础部分勘察单位要参加,基础主体部分设计单位要参加。
甬统表C01-15交接检记录本表由移交单位填写,移交、接收和监理单位各保存一份。
预检记录本表由施工单位自控使用.楼层标高抄测记录本表由施工单位填写并保存。
建筑物标高、垂直度(全高)测量记录本表由施工单位填写,建设单位、监理单位、施工单位各保存一份.施工组织设计(方案)报审表工程名称:编号:本表由施工单位填写,监理机构签认后交施工单位保存.分包单位资格报审表工程名称:坎东小学多功能楼编号:本表由施工单位填报,经项目监理机构审查签认后,建设单位、监理单位、施工单位各存一份.工程材料/构配件/设备供应单位资格报审表工程名称:慈溪市西门小学扩建工程编号:本表由施工单位填报,经项目监理机构审查签认后,建设单位、监理单位、施工单位各存一份.试验单位资格报审表本表由施工单位填报,经项目监理机构审查签认后,建设单位、监理单位、施工单位各存一份。
宁波市专用表格,,宁波跟别的地方不一样甬统表C08-1宁波市建筑工程质量监督登记表工程名称:建设单位:宁波市建筑工程安全质量监督总站制说明一、工程质量监督登记由建设单位办理。
二、办理工程质量监督登记时应提交下列文件资料:1. 项目立项批文、规划许可证(复印件、原件核对);2. 勘察、设计、施工、监理单位中标通知书(复印件、原件核对);3. 勘察、设计、施工、监理合同及单位资质证书(复印件、原件核对) ;4. 施工图设计审查批准书(原件);5. 其他规定需要的文件资料。
三、符合《宁波市工程建设项目实施过程强化监控管理办法(试行)》规定且已办理施工合同备案的工程,办理工程质量监督登记时提交下列文件资料:1. 施工、监理合同(复印件、原件核对);2. 施工图设计审查批准书(原件)。
四、本表一律用钢笔或碳素笔填写,内容要具体、真实、完整,字迹要端正,清楚。
五、本表要一式三份,建设单位一份,市安质总站二份。
宁波市建筑工程质量监督登记表建设单位公章年月日附件(一)附资料清单附件(二)勘察人员情况登记表勘察单位(公章)资质:资质证书号:法人代表:联系电话:项目负责人:联系电话:附件(三)设计人员情况登记表设计单位(公章)资质:资质证书号:法人代表:联系电话:项目负责人:联系电话:附件(四)建设单位现场质量管理人员情况登记表建设单位(公章)法人代表:联系电话:项目负责人:联系电话:附件(五)施工单位现场质量管理人员情况登记表施工单位(公章)资质:资质证书号:法人代表:联系电话:质量(技术)负责人:联系电话:附件(六)监理人员情况登记表监理单位(公章)资质:资质证书号:法人代表:联系电话:技术负责人:联系电话:甬统表C08-1-9附件(七)建筑工程项目明细表注:1.结构类型主要分为砖混、框架、框剪、框筒、钢结构、排架等。
2.工程类别主要分为住宅、公共建筑、厂房等。
甬统表C08-2建设单位质量行为监督检查记录表工程名称:建设单位:监督存档勘察设计单位质量行为监督检查记录表工程名称:勘察单位:建设单位:监督存档施工单位质量行为监督检查记录表工程名称:勘察单位:建设单位:监督存档监理单位质量行为监督检查记录表工程名称:监理单位:监督存档检测单位质量行为监督检查记录表检测单位:监督存档甬统表C08-7地基与基础工程质量监督检查记录表工程名称:建设单位:施工单位:设计单位:监理单位:分包单位:监督存档甬统表C08-8主体结构1.混凝土结构工程质量监督检查记录表工程名称:建设单位:施工单位:设计单位:监理单位:监督存档甬统表C08-9主体结构2.砌体结构工程质量监督检查记录表工程名称:建设单位:施工单位:设计单位:监理单位:监督存档甬统表C08-10主体结构3.钢结构工程监督检查记录表工程名称:建设单位:施工单位:设计单位:监理单位:分包单位:监督存档甬统表C08-11给水、排水及采暖工程质量监督检查记录表工程名称:建设单位:施工单位:设计单位:监理单位:分包单位:监督存档甬统表C08-12电气工程质量监督检查记录表工程名称:建设单位:施工单位:设计单位:监理单位:分包单位:监督存档甬统表C08-13通风、空调工程质量监督检查记录表工程名称:建设单位:施工单位:设计单位:监理单位:分包单位:监督存档甬统表C08-14电梯工程质量监督检查记录表工程名称:建设单位:施工单位:设计单位:监理单位:分包单位:监督存档甬统表C08-15智能建筑工程质量监督检查记录表工程名称:建设单位:施工单位:设计单位:监理单位:分包单位:监督存档甬统表C08-16建筑装饰装修工程质量监督检查记录表工程名称:建设单位:施工单位:设计单位:监理单位:分包单位:监督存档甬统表C08-17使用功能和室内环境质量监督检查记录表工程名称:建设单位:施工单位:设计单位:监理单位:分包单位:监督存档甬统表C08-18建筑屋面工程质量监督检查记录表工程名称:建设单位:施工单位:设计单位:监理单位:分包单位:监督存档甬统表C08-19监督抽样检测记录表工程名称:编号:监督存档甬统表C08-20建筑工程质量整改通知书质监[ ]( )第号:我站于年月日对工程进行了质量监督检查,发现存在以下问题:1.2.3.4.5.6.现责令你单位立即会同有关单位作全面检查、整改,并在年月日前将整改落实情况书面报送我站。
目录1、甬统表A08-1:工程资料 (15)2、甬统表A08-2:工程资料卷内目录(总目录) (16)3、甬统表A08-3:分项目录(主要材料、设备资料) (17)4、甬统表A08-4:分项目录(施工记录资料) (18)5、甬统表A08-5:混凝土(砂浆)抗压强度新报告目录……………………………………………………196、甬统表A08-6:施工试验及检测资料目录 (20)7、甬统表A08-7:工程安全和功能检测资料目录 (21)8、甬统表A08-12:城建档案卷内目录(总目录) (26)9、甬统表A08-13:城建档案案卷审核备考表 (27)10、甬统表A08-14:城市建设档案移交目录 (28)11、甬统表A08-15:城市建设档案移交书 (29)12、甬统表B01-13-1:目录 (47)13、甬统表B02-13:工程材料/构配件/设备报审台帐 (56)14、甬统表B02-14:施工试验报审台帐 (57)15、甬统表B02-15:工程验收汇总台帐 (58)16、甬统表B02-16:工程质量评估新报告 (59)17、甬统表B02-16-1:目录 (60)18、甬统表C01-1:工程概况表 (65)19、甬统表C01-2:施工现场质量管理检查记录 (66)20、甬统表C01-3:技术交底记录 (67)21、甬统表C01-4:图纸会审记录 (68)22、甬统表C01-5:设计变更通知单 (69)23、甬统表C01-7:见证取样送检记录 (71)24、甬统表C01-8:施工日志 (72)25、甬统表C01-9:工程定位测量记录 (73)26、甬统表C01-13:工序质量检查表(施工检查记录) (77)27、甬统表C01-14:隐蔽工程验收记录 (78)28、甬统表C01-15:交接检记录 (79)29、甬统表C01-16:预检记录 (80)30、甬统表C01-19:施工组织设计(方案)报审表 (83)31、甬统表C01-20:分包单位资格报审表 (84)32、甬统表C01-21:工程材料/构配件/设备供应单位资格报审表 (85)33、甬统表C01-22:试验单位资格报审表 (86)34、甬统表C01-23:工程材料/构配件/设备报审表 (87)35、甬统表C01-24:主要施工机械、设备报审表 (88)36、甬统表C01-25:施工测量放线报验表 (89)37、甬统表C01-26:检验批、分项、子分部(分部)工程质量报验表 (90)38、甬统表C01-27:建筑施工安全检查报验表 (91)39、甬统表C01-28:工程质量/安全问题(事故)新报告…………………………………………………9240、甬统表C01-29:工程质量/安全问题(事故)技术处理方案报审表 (93)41、甬统表C01-30:监理工程师通知单回复单 (94)42、甬统表C01-31:工程竣工报验单 (95)43、甬统表C01-32:报验申请表 (96)44、甬统表C01-33:工程开工报审表 (97)45、甬统表C01-34:工程临时/最终延期申请表 (98)46、甬统表C01-35:工程复工报审表 (99)47、甬统表C01-36:施工进度计划报审表 (100)48、甬统表C01-37:工程变更、洽商费用报审表 (101)49、甬统表C01-40:单位工程(工程项目)竣工新报告 (104)50、甬统表C02-1:材料、构配件进场验收记录 (105)51、甬统表C02-51:混凝土拆模申请表 (156)52、甬统表C02-87:植筋抗拉拔检测新报告 (195)53、甬统表C02-123:检验批质量验收记录 (245)54、甬统表C02-124:分项工程质量验收记录 (246)55、甬统表C02-125:分部(子分部)工程验收记录 (247)56、甬统表C02-126:单位(子单位)工程质量竣工验收记录 (248)57、甬统表C02-127:控制资料核查记录 (249)工程资料名称:案卷题名:编制单位:主管:编制完成日期:年月日保管期限:密级:保存档号:共册第册甬统表A08-2工程资料卷内目录(总目录)。
工程项目概况表
本表由建设单位填写并保存。
工程材料、设备试验报告(由建设单位负责部分)汇总表
填表人:年月日本表由建设单位填写,建设单位、施工单位、监理单位各保存一份。
单位(子单位)工程质量竣工验收记录
本表由监理单位填写,竣工验收组通过验收,由责任主体分别签认,并加盖公章,作为竣工备案的主要材料。
本表由建设单位保存。
工程资料
名称:
案卷题名:
编制单位:
主管:
编制完成日期:年月日
保管期限:密级:
保存档号:
共册第册
工程资料卷内目录
(总目录)
填表人:年月日
甬统表A08-3
分项目录
(主要材料、设备资料)
工程名称:编号:
适用于结构、安装及主要装饰材料资料目录。
填表人:年月日
分项目录
(施工记录资料)
填表人:年月日
混凝土(砂浆)抗压强度报告目录
工程名称:编号:
填表人:年月日
施工试验及检测资料目录
工程名称:编号:
填表人:年月日
工程安全和功能检测资料目录
工程名称:编号:
填表人:年月日
工程资料备考表
工程名称:编号:
工程资料移交书
我单位按有关规定向办理工程资料移交手续。
共计册。
其中图样材料册,文字材料册,其他材料张( )。
附:工程资料移交目录
移交单位(公章):接收单位(公章):
单位负责人:单位负责人:
技术负责人:技术负责人:
移交人:接收人:
移交日期:年月日
由分包单位向总包单位移交,由施工单位或监理单位向建设单位移交有关工程资料用。
工程资料移交目录
工程名称:编号:
综合卷指文字和图样材料混装的案卷。
填表人:年月日
档案馆代号:
城市建设档案
名称:
案卷题名:
编制单位:
技术主管:
编制完成日期:年月日
保管期限:密级:
保存档号:
共册第册
城建档案卷内目录
(总目录)
填表人:年月日
城建档案案卷审核备考表
工程名称:编号:
由建设单位向城建档案馆移交。
城市建设档案移交目录
工程名称:编号:
综合卷指文字和图样材料混装的案卷。
填表人:年月日
城市建设档案移交书
我单位根据有关规定向城市建设档案馆移交工程建设档案共计册。
其中:图样材料册,文字材料册,其他材料张()。
工程微缩品档案,卷片共盘,开窗卡张,其中母片卷片盘,开窗卡张;拷贝片盘(张)。
微缩原件共册,其中文字材料册,图样材料册,其他材料册。
附:城市建设档案移交目录一式三份,共张。
移交单位:接收单位:
单位负责人:单位负责人:
移交人:接收人:
移交日期:年月日
项目监理机构组建报告
工程名称:编号:
本表由监理机构填写,监理机构、建设单位各存一份。
总监理工程师授权书
工程名称:编号:
本表由监理机构填写,监理机构、建设单位各存一份。
专业监理工程师授权书
工程名称:编号:
本表由监理机构填写,监理机构、建设单位,施工单位各存一份。
总监理工程师更换通知
工程名称:编号:
本表由监理机构填写,监理机构、建设单位,施工单位各存一份。
编号:
监理月报
第期
年月日至年月日
工程名称
监理合同编号
内容提要:
一、本月工程概况
二、工程形象进度完成情况
三、工程质量情况
四、工程签证情况
五、合同其他事项处理情况
六、本月监理工作小结
七、下月监理工作打算
总监理工程师
项目监理机构(章)
报告日期年月日
每月5日由监理单位形成上月的监理月报。
监理月报除监理单位自留外,应抄送建设单位、施工单位、当地政府质量监督部门各一份,抄送当地政府质量监督部门的监理月报可以是涉及工程质量情况的部分。
甬统表B01-6
监理工程师通知单
工程名称:编号:
本表由项目监理机构填写,交被通知单位,并抄送有关单位。
工程监理档案
工程名称:
监理合同编号:
案卷题名:
档号:
共卷,第卷
编制人:
总监理工程师:
编制日期:年月日
保管期限:年月日至年月日
工程监理档案卷内目录
填表人:年月日
工程监理档案卷内备考表
工程监理档案移交目录
移交人:年月日填表人:年月日
监理工作联系单
工程名称:编号:
本表由监理机构填写,有关单位各存一份。
会议纪要
工程名称:编号:
本表由监理机构记录,必要时与会单位签名后,有关单位各存一份。
工程变更单
工程名称:编号:
本表由设计单位填写,建设单位、设计单位、监理机构、施工单位各存一份。
工程竣工移交证书
工程名称:编号:
本表由监理机构填写,建设单位、监理单位、施工单位各存一份。
监理工作总结报告
工程名称
建设单位
施工单位
设计单位
总监理工程师
项目监理机构(章)
报告日期年月日
目录
一、工程概况
二、监理组织机构、监理人员和投入的监理设施
三、监理合同履行情况
㈠目标控制情况
⒈工程质量目标控制情况
⒉工程进度目标控制情况
⒊工程投资目标控制情况
㈡委托监理合同纠纷的处理情况
四、监理工作成效
㈠目标完成情况
⒈工程质量目标控制情况
⒉工程进度目标控制情况
⒊工程投资目标控制情况
㈡合理化建议产生的实际效果情况
五、施工过程中出现的问题及其处理情况和建议
六、工程照片(有必要时)
工程暂停令
工程名称:编号:
本表由监理机构填写,建设单位、监理单位、施工单位各存一份。
监理抽查记录表
工程名称:编号:
本表由监理机构填写,建设单位、监理单位、施工单位各存一份。
如不合格填写《不合格项处置记录表》。
不合格项处置记录表
工程名称:编号:
监理日记
工程名称:
监理合同编号:
年月日至年月日
总监理工程师:
项目监理机构:
监理日记
高℃下午(晴、阴、雨、雪)年月日星期气温最气候:下午(晴、阴、雨、雪)
旁站监理记录
工程名称:编号:
本表由监理机构填写,与质检员双方签字后监理单位保存。
平行检验监理记录(通用)
工程名称:编号:
本表由监理机构填写,与质检员双方签字后,监理单位保存。
钢管承重支模系统平行检验监理记录
工程名称:编号:
本表由监理机构填写,与质检员双方签字后,监理单位保存。
工程材料/构配件/设备报审台帐
工程名称:编号:
本表由监理机构内部使用。
施工试验报审台账
工程名称:编号:
本表由监理机构内部使用。
工程验收汇总台账
工程名称:编号:
本表由监理机构内部使用。
工程质量评估报告
工程名称
建设单位
施工单位
设计单位
总监理工程师
项目监理机构(章)
报告日期年月日
目录
一、工程概况
二、对施工现场质量管理体系、质量管理行为检查情况评述
三、质量控制资料验收情况
四、检验批、分项、分部(子分部)、单位(子单位)工程施工质量验收情况
五、分部(子分部)、单位(子单位)工程有关安全和功能检测验收情况及检测资料的完整性核查情况
六、观感质量验收情况
七、施工过程中质量问题(事故)及处理结果
八、工程施工质量验收意见
甬统表B03-1
工程款支付证书
工程名称:编号:
本表由监理机构填报,建设单位、监理单位、施工单位各存一份。