监控摄像头到底能看多远和多宽
- 格式:docx
- 大小:20.61 KB
- 文档页数:4
监控摄像头焦距与距离一、监控摄像头镜头可视角度表二、监控摄像头镜头可视距离表 1、镜头的焦距,视场大小及镜头到被摄取物体的距离的计算如下; f=w*D/W f=h*D/h f:镜头焦距w:图象的宽度(被摄物体在ccd靶面上成象宽度) W:被摄物体宽度 D:被摄物体至镜头的距离 h:图象高度(被摄物体在ccd靶面上成像高度)视场(摄取场景)高度 H:被摄物体的高度 ccd靶面规格尺寸: 单位mm 规格 W H 1/3" 4.8 3.6 1/2" 6.4 4.8 2/3" 8.8 6.6 1" 12.7 9.6由于摄像机画面宽度和高度与电视接收机画面宽度和高度一样,其比例均为4:3,当L不变,H或W增大时,f变小,当H或W不变,L增大时,f增大。
镜头参数 3.6/4MM6MM8MM12MM16MM25MM60MM镜头角度75.7/69.650.0度38.5度26.2度19.8度10.6度 5.3度最佳距离10米内20米内30米内40米内50米内60米内80米内镜头大小的主要区别是:镜头越小看的越近,但是视觉范围越宽;镜头越大看的越远,但是视觉范围越窄.选择镜头要点:1、镜头大小可以自由选择.根据摄像头监控的实际距离,参照上表选择相对合适的镜头毫米数.同系列产品镜头大小不影响价格。
例如:宝贝名称为10米摄像机,而您的实际距离是25米.那么您可以选择8MM的镜头,产品价格不变,同样,宝贝名称为50米摄像机,而您的实际距离是35米,那么您可以选择12MM的镜头,产品价格不变。
2、镜头毫米数所对应的最佳距离,指的是发现距离.有客户问3.6MM的镜头,能看清10米内的人吗?回答是肯定的.这里说的"看清",是说的看清人的大致面貌和活动.如果要求看清楚人脸的话,选择更大的镜头.如图:图中3个人的大致面貌和活动可以清楚的看到,如果是您熟悉的人,您一眼就可以认出来.如果是陌生人,您就没办法清楚的辨认五官。
监控摄像头到底能看多远和多宽
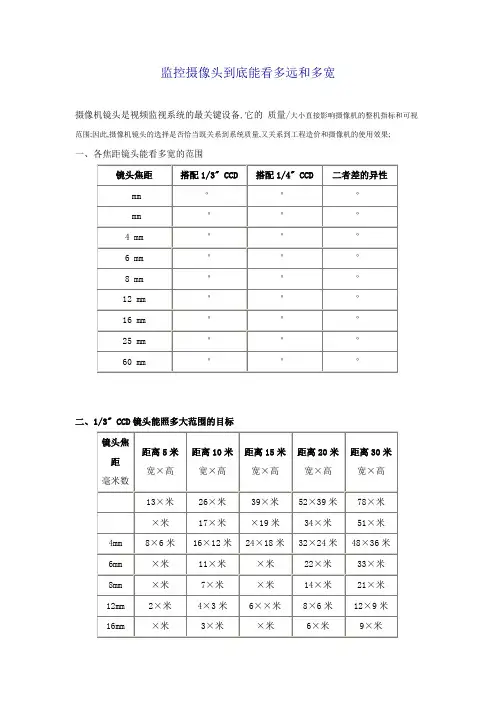
摄像机镜头是视频监视系统的最关键设备,它的质量/大小直接影响摄像机的整机指标和可视范围;因此,摄像机镜头的选择是否恰当既关系到系统质量,又关系到工程造价和摄像机的使用效果;
一、各焦距镜头能看多宽的范围
二、1/3" CCD镜头能照多大范围的目标
三、1/3" CCD镜头最远能看清多少米的物体
、6MM、8MM、12MM、16MM、25MM乘上就是最远多少米距离了最远距离为7米;
最远距离为9米;
4MM最远距离为10米;
6MM最远距离为15米;
8MM最远距离为20米;
12MM最远距离为30米;
16MM最远距离为40米;
25MM最远距离为60米;。
⽹络摄像头的监视范围要如何计算?⽹络摄像头的监视范围要如何计算?下⾯是某位学霸安防技术员给出的计算⽅法:主要参数:1、图像传感器:1/2.7'' 200万像素逐⾏扫描CMOS;2、焦距:3.3mm~12mm;3、视⾓范围:96°~35°(16:9) 79.3°~27.2°(4:3)咱们就拿这个摄像机来说说,镜头与场景之间的那些关系。
主要测试安装环境如下:半球摄像机安装⾼度为:H=3m,⾛廊的宽度W为:2m;摄像机镜头的安装⾓度为0°(即镜头⽔平);监视器显⽰⽐例:4:3,摄像机模式设置为:4:3;主要监视⽬标W'*H'=2m宽*3⽶⾼的完整⾛廊范围。
既然是算法,肯定有计算依据喽:计算公式⽔平视场⾓:α=2arctan(w/2f)、垂直视场⾓:β=2arctan(h/2f),其中w为视场宽度,h为视场⾼度,f为镜头的焦距。
虽然通过计算⽽出来的视场⾓⽐实际视场⼩⼀点,但差别可以忽略。
这⾥我们以计算的视场⾓来描述摄像机的监控范围。
1/2.7''CMOS成像尺⼨为:w*h=5.27mm*3.96mm。
于是乎通过计算我们得出:焦距为3.3mm时:⽔平视场⾓:α1=2arctan(5.27mm/2*3.3mm)=77.2°垂直视场⾓:β1=2arctan(3.96mm/2*3.3mm)=61.9°①垂直⽅向上,能看到完整⾛廊的最⼩距离(距离摄像机的⽔平距离)为:dvmin=H/tan(β1/2)=3000mm/tan(61.9°/2) =5000mm=5⽶;②⽔平⽅向上,能看到完整⾛廊的最⼩距离(距离摄像机的⽔平距离)为:dhmin=W/2*tan(α1/2)=2000mm/2*tan(77.2°/2)=1253mm=1.25⽶。
由于dvmin>dhmin,因此,焦距为3.3mm时,监控范围为距离摄像机监控⽅向5⽶以外的⾛廊区域。
6mm最佳监控距离
6mm监控镜头的最佳监控距离在5\~10米。
6mm的镜头属于中焦镜头,适合监控中短距离,照射距离在10米左右。
不同镜头推荐的监控距离为:
的镜头可以用在储藏间等狭小空间的监控环境中,最佳监控距离3m以内;4mm的镜头可以用在小商铺或者家庭等室内环境中,最佳监控距离3\~5m;8mm的镜头可以用在室外的道路、胡同等场景下,最佳监控距离
10\~20m;12mm的镜头主可以用来监控特定位置,比如一些特定的出入
口等,最佳监控距离20\~30m。
此外,镜头的焦距、视场角和监控距离有直接关系。
镜头越小看的越近,但是视觉范围越宽;镜头越大看的越远,但是视觉范围越窄。
所以具体适用的距离也会有所不同,需要以设备的实际参数为准。
普通监控摄像头监控的距离和广角范围(监控摄像头距离与范围)在购买摄像头时,经常可以看到有多种焦距的镜头可以选择。
比如2.8mm、4.0mm、6.0mm、8.0mm等。
这些焦距到底代表了什么意思呢?其实,它代表了摄像头可以监控的角度和距离。
也就决定了它的使用场景。
1、摄像头焦距代表的监控范围摄像头的焦距其实就是从镜头到焦点的距离。
这个焦距越大代表摄像头监控的角度越窄,监控的距离越远。
相反,焦距越小代表摄像头监控的角度越宽,监控距离越近。
市面上一般有2.8mm、4mm、6mm、8mm等4种镜头。
从上图可以看到,2.8mm镜头的监控角度为102°,距离为5米。
4mm镜头的监控角度缩小为79°,距离增加到12米。
6mm镜头的监控角度缩小为51°,距离增加到18米。
8mm镜头监控角度进一步缩小为38°,监控距离却增加到了24米。
2、摄像头焦距代表了最清晰点前面说的摄像头监控距离都是能看清图像的最大距离。
而现实中,我们需要清晰的画面。
而分辨清晰不清晰,我们可以通过白天能看清楚人脸或车牌的细节作为判断依据。
从上图来看,2.8mm镜头的最清晰点位3米左右;4mm镜头的最清晰点在6米左右;6mm镜头的最清晰点在9米左右;而8mm镜头的最清晰点在12米左右;3、摄像头焦距代表了监控场景由于摄像头焦距决定了监控范围。
所以,也就决定了他们的监控场景。
2.8mm镜头比较适合应用在类似电梯、小房间等距离要求不高,角度要求较大的场景。
4mm镜头可以用在普通家庭的客厅、卧室都没问题。
6mm镜头比较适合放在狭长的走廊上。
而8mm镜头则比较适合监控长长的围墙、或者道路。
总结摄像头的焦距直接决定了监控的范围,也就决定了它的使用场景。
在现实生活中,我们应该根据需要监控的范围和实际使用情况来选择对应的焦距的镜头。
答:简单的说,摄像头所拍摄的范围及角度和视力正常的人眼力极为相似,也就是说,从摄像头传送到屏幕的画面,就和正常人眼扫射同一场景的情形几乎是一样的(可视距离约在20-30公尺)。
假设摄像头被放在屋子一角,那么它所拍摄到的结果会和一个人站在同一定点所看到的结果一样。
因此,您可以不必担心所购买的摄像头是不是只能拍摄到另一个地方,或是两侧的视野角度太窄的问题,因为摄像头都是做成“广角”镜头,拍摄到的结果和由人眼看到的结果几乎没什么两样。
摄像头可拍摄的角度,与其所装配的镜头有极大的关系,镜头的规格“专业”的分类是以焦距为单位,大概的定义如下:(此专业的分类和我们平时所认定的规格有些差距,如我们称25mm为望远镜头,但就专业的摄影角度而言,只能算是标准镜头)鱼眼镜头如:6mm 超广角镜头如:1.8/2.4mm 广角镜头如:2.8/3.5mm 标准镜头如:50/55mm 望远镜头如:80/105/135/200mm 超望远镜头如:400/600/800/1000mm 注:镜头焦距的计算方式为镜头镜片组之中心(镜头是由多片镜片所组成,每一片镜片皆有其特殊功能)到焦点(底片)之长度,如55mm即镜片中心到感光组件上焦点为55mm。
所以大致上,广角镜头的长度小于标准镜头,标准镜头的长度又小于望远镜头。
不同的焦距长度,其拍摄的角度又有?煌 堑墓叵等缦拢?焦距长度(f)摄角(θ)焦距长度(f)摄角(θ)15mm 111° 85mm 29° 17mm 104° 100mm 24° 20mm 94° 135mm 18° 24mm 84° 200mm 12° 28mm 75° 300mm 8° 35mm 64°600mm 4.1° 55mm 43° 800mm 3.1° 58mm 41° 120mm 2.1°一般针孔摄影头所使用的镜头焦距,大多小于“鱼眼镜头”,因此可看到的范围相当大,甚至有的拍摄角度可以到达180°,不过虽然可视的角度变大了,但是影像中的对焦也跟着缩小所以虽然理论上,针孔摄影机的对焦范围由数公分到无限远处,但是无限远处的东西太小了,若针孔摄影头本身的分辨率不够高的话,太远的物体就看不到了;所以说摄像头的可视距离,与摄像头本身的分辨率成正必比。
监控摄像头焦距与距离一、监控摄像头镜头可视角度表二、监控摄像头镜头可视距离表三、计算监控摄像头的有效距离(一)、公式计算法:视场和焦距的计算视场系指被摄取物体的大小,视场的大小是以镜头至被摄取物体距离,镜头焦头及所要求的成像大小确定的。
1、镜头的焦距,视场大小及镜头到被摄取物体的距离的计算如下;f=wL/Wf=hL/hf:镜头焦距w:图象的宽度(被摄物体在ccd靶面上成象宽度)W:被摄物体宽度L:被摄物体至镜头的距离h:图象高度(被摄物体在ccd靶面上成像高度)视场(摄取场景)高度H:被摄物体的高度ccd靶面规格尺寸:单位mm规格W H1/3" 4.8 3.61/2" 6.4 4.82/3" 8.8 6.61" 12.7 9.6由于摄像机画面宽度和高度与电视接收机画面宽度和高度一样,其比例均为4:3,当L不变,H或W增大时,f变小,当H或W不变,L增大时,f增大。
2、视场角的计算如果知道了水平或垂直视场角便可按公式计算出现场宽度和高度。
水平视场角β(水平观看的角度)β=2tg-1= 垂直视场角q(垂直观看的角度)q=2tg-1= 式中w、H、f同上水平视场角与垂直视场角的关系如下:q=或=q 表2中列出了不同尺寸摄像层和不同焦距f时的水平视场角b的值,如果知道了水平或垂直场角便可按下式计算出视场角便可按下式计算出视场高度H和视场宽度W. H=2Ltg、W=2Ltg 例如;摄像机的摄像管为17mm(2/3in),镜头焦距f为12mm,从表2中查得水平视场角为40℃而镜头与被摄取物体的距离为2m,试求视场的宽度w。
W=2Ltg=2×2tg=1.46m 则H=W=×1.46=1.059m 焦距f越和长,视场角越小,监视的目标也就小。
(二)、图解法如前所示,摄像机镜头的视场由宽(W)。
高(H)和与摄像机的距离(L)决定,一旦决定了摄像机要监视的景物,正确地选择镜头的焦距就由来3个因素决定;*.欲监视景物的尺寸*.摄像机与景物的距离*.摄像机成像器的尺士:1/3"、1/2"、2/3"或1"。
在安装监控工程时,人们除了关注红外摄像机的清晰度外,还应注意它的监控距离和监控范围。
我们去安防市场选购摄像机时,应到施工现场考察一下,测量一下监控距离有多远,监控范围有多宽,得到这些数据后,我们就能轻易的选购合适到摄像机。
那么红外摄像机在工作过程中能看多远,能看多广?到底由什么决定了?一般来说它是由镜头决定。
红外摄像机的监控范围和监控距离这两个参数是相互对立的,正所谓鱼与熊掌不可兼得,监控范围扩大了,监控距离就变近了,反之,监控距离远了,监控范围就变小了。
我们在选择摄像机监控距离和范围时,需要根据实际监控环境来决定,对于需要大范围监控的环境来说,选择广角镜头很不错,对于需要远距离监控的环境来说选择长焦镜头很合适。
镜头焦距直接决定红外摄像机监控距离和监控范围,因此,我们要知道摄像机的距离时,只需要看看它的镜头参数即可。
目前市场上市场上的红外摄像机有几种镜头,有的是支持变焦的,有的是固定镜头,对于变焦镜头来说,灵活性比较大,能够适应更多的监控环境。
固定镜头有固定的焦距,监控距离和监控范围不变,只能根据监控环境选择镜头。
红外摄像在白天监控时,我们可以根据镜头参数来判定它的监控距离,但是在夜晚监控的话,这个方法就不大准确了。
除了镜头焦距外,红外灯板的照射距离也是影响红外摄像机监控距离的重要因素,红外灯板的发射功率越大,摄像机的夜视距离就越远。
下面我们以1/3 CCD 板为例给大家列举一些常见镜头焦段的监控距离。
2.8MM的镜头能监控3米,3.6mm的镜头能监控6米,4.0MM的镜头能监控7米距离,6.0MM的镜头能监控11米左右,8.0MM的镜头则可监控20米,12.0mm的镜头可达40米,16.0mm的镜头可达60米,25.0mm的镜头可达100米。
监控摄像头焦距与距离一、监控摄像头镜头可视角度表二、监控摄像头镜头可视距离表三、计算监控摄像头的有效距离(一)、公式计算法:视场和焦距的计算视场系指被摄取物体的大小,视场的大小是以镜头至被摄取物体距离,镜头焦头及所要求的成像大小确定的。
1、镜头的焦距,视场大小及镜头到被摄取物体的距离的计算如下;f=wL/Wf=hL/hf:镜头焦距w:图象的宽度(被摄物体在ccd靶面上成象宽度)W:被摄物体宽度L:被摄物体至镜头的距离h:图象高度(被摄物体在ccd靶面上成像高度)视场(摄取场景)高度H:被摄物体的高度ccd靶面规格尺寸:单位mm规格W H1/3" 4.8 3.61/2" 6.4 4.82/3" 8.8 6.61" 12.7 9.6由于摄像机画面宽度和高度与电视接收机画面宽度和高度一样,其比例均为4:3,当L不变,H或W增大时,f变小,当H或W不变,L增大时,f增大。
2、视场角的计算如果知道了水平或垂直视场角便可按公式计算出现场宽度和高度。
水平视场角β(水平观看的角度)β=2tg-1= 垂直视场角q(垂直观看的角度)q=2tg-1= 式中w、H、f同上水平视场角与垂直视场角的关系如下:q=或=q 表2中列出了不同尺寸摄像层和不同焦距f时的水平视场角b的值,如果知道了水平或垂直场角便可按下式计算出视场角便可按下式计算出视场高度H和视场宽度W. H=2Ltg、W=2Ltg 例如;摄像机的摄像管为17mm(2/3in),镜头焦距f为12mm,从表2中查得水平视场角为40℃而镜头与被摄取物体的距离为2m,试求视场的宽度w。
W=2Ltg=2×2tg=1.46m 则H=W=×1.46=1.059m 焦距f越和长,视场角越小,监视的目标也就小。
(二)、图解法如前所示,摄像机镜头的视场由宽(W)。
高(H)和与摄像机的距离(L)决定,一旦决定了摄像机要监视的景物,正确地选择镜头的焦距就由来3个因素决定;*.欲监视景物的尺寸*.摄像机与景物的距离*.摄像机成像器的尺士:1/3"、1/2"、2/3"或1"。
监控摄像头焦距与距离一、监控摄像头镜头可视角度表二、监控摄像头镜头可视距离表计算监控摄像头的有效距离三、(一)、公式计算法:视场和焦距的计算视场系指被摄取物体的大小,视场的大小是以镜头至被摄取物体距离,镜头焦头及所要求的成像大小确定的。
、镜头的焦距,视场大小及镜头到被摄取物体的距离的计算如下;1.f=wL/Wf=hL/hf:镜头焦距w:图象的宽度(被摄物体在ccd靶面上成象宽度)W:被摄物体宽度L:被摄物体至镜头的距离h:图象高度(被摄物体在ccd靶面上成像高度)视场(摄取场景)高度H:被摄物体的高度ccd靶面规格尺寸:单位mm规格W H1/3 4.8 3.61/2 6.4 4.82/3 8.8 6.61 12.7 9.6由于摄像机画面宽度和高度与电视接收机画面宽度和高度一样,其比例均为4:3,当L不变,H 或W增大时,f变小,当H或W不变,L增大时,f增大。
2、视场角的计算如果知道了水平或垂直视场角便可按公式计算出现场宽度和高度。
水平视场角β(水平观看的角度)β=2tg-1= 垂直视场角q(垂直观看的角度)q=2tg-1= 式中w、H、f同上水平视场角与垂直视场角的关系如下:q=或=q 表2中列出了不同尺寸摄像层和不同焦距f时的水平视场角b的值,如果知道了水平或垂直场角便可按下式计算出视场角便可按下式计算出视场高度H和视场宽度W. H=2Ltg、W=2Ltg 例如;摄像机的摄像管为17mm(2/3in),镜头焦距f为12mm,从表2中查得水平视场角为40℃而镜头与被摄取物体的距离为2m,试求视场的宽度w。
W=2Ltg=2×2tg=1.46m 则H=W=×1.46=1.059m 焦距f越和长,视场角越小,监视的目标也就小。
(二)、图解法如前所示,摄像机镜头的视场由宽(W)。
高(H)和与摄像机的距离(L)决定,一旦决定了摄像机要监视的景物,正确地选择镜头的焦距就由来3个因素决定;*.欲监视景物的尺寸*.摄像机与景物的距离*.摄像机成像器的尺士:就?、就土、尲?或就。
监控镜头毫米数与距离对照表1/3" CCD 搭配镜头拍摄范围的尺寸如下表所示:备注:同样毫米数的镜头搭配 1/4"的CCD 芯片拍摄的范围和角度稍微窄一点 ,但是拍摄画面中的物体看起 来要大一点.表中的数据为水平方向的视场角度 ,如果摄像机装在高处往低处监看时 ,视场角和拍摄范围 要稍微大一些,但拍摄画面中的物体要稍微小一点镜头大小的主要区别是:镜头越小看的越近,但是视觉范围越宽;镜头越大看的越远,但是视觉范围越窄 我们宝贝分类里面,半球型摄像头可以选配3.6MM 或者6MM 的镜头;30米以内红外防水摄像机可以选配 3.6MM 6MM 或者8MM 的镜头;■■■■镜头焦距■■■ J ■■ ■■ ■ ■ ■■■■ ■■■ ■ ■■■■ 搭配 1/3" CCD■ ■■■........................・・・m n ・・・ ■■ ■■ ■■■« 搭配 1/4" CCD■ :■■■■ ■1 ・・・ in ・ !!!■■■■ 二者的角度差异2.8 mm89.9 °75.6 °14.3 °3.6 mm75.7 °62.2 °13.5 °4 mm69.9 °57.0 °12.9 °j6 mm50.0 °39.8 °10.2 °aa 」亠B8 mm38.5 °30.4 ° 8.1 °12 mm26.2 °20.5 °5.7 °16 mm19.8 °15.4 °4.4 °!25 mm10.6 °8.3 °2.3 °60 mm5.3 °4.1 °1.2 °CCD 的尺寸大小密不可分,下表为镜头毫米数与搭配的摄像机拍摄的视角与镜头的毫米数、 角的对应关系,可供大家参考:CCD 拍摄视30米以上红外防水摄像机可以选配4MM 6MM 8MM 12MM 16MM 25MM的镜头..(这些镜头都是全金属的大CS 镜头)客户选择镜头要点: 1. 镜头大小可以自由选择.根据摄像头监控的实际距离 ,参照上表选择相对合适的镜头毫米数 .同系列产品镜头大小不影响价格.例如:宝贝名称为10米摄像机,而您的实际距离是25米.那么您可以选择8MM 勺镜头,产品价格不变. 同样,宝贝名称为50米摄像机,而您的实际距离是 35米,那么您可以选择12MM 的镜头,产品价格不变 2. 镜头毫米数所对应的最佳距离,指的是发现距离.有客户问3.6MM 的镜头,能看清10米内的人吗?回答是肯定的.这里说的"看清",是说的看清人的大致面貌和活动 .如果要求看清楚人脸的话 ,建议您选择更大的镜头.如:3个人的大致面貌和活动可以清楚的看到 ,如果是您熟悉的人 您就没办法清楚的辨认五官 .这个镜头是3.6MM 的,看的距离是在 以清楚的看出.但是视觉范围就很窄.上图右边的部分就看不到了如您所需监控的范围较小,建议您对照表格选择大一个规格的镜头 况下,目标物体看起来放的更大 ,细节看的更清楚,视觉效果更好如您所需监控的范围较广,建议您对照表格选择规格相对大的镜头 .在清晰度(芯片线数)相同的情况下这样您会感官上觉得目标物体更清晰,您一眼就可以认岀来.如果是陌生人, 10米左右.如果您换成16MM 勺镜头,就可 .这也就是大镜头与小镜头的根本区.这样在清晰度(芯片线数)相同的情。
监控焦距4mm6mm8mm有什么区别
答案:
1、视角宽度不同:摄像头4mm6mm8mm的区别是视角宽度不同,mm数量越小,同样的距离下的面积越大。
2、用处不同:4mm摄像头拥有最大广角,可以看更广的范围,比较适合监控室近距离场景,常见用于:看家护院、店铺、教室等室内场所。
6mm摄像头可以看得更远,更适合用于路口、别墅监控。
8mm摄像头适合用于较远距离监控,如工厂、养殖场、鱼塘、校园等大空间区域。
摄像头焦距选择方法:
如果摄像头和监控物体之间的距离不变,那焦距越大,人的细节越清楚,视角越小,适合拍摄近距离的景象。
焦距越小,视野越广,但细节越看不清,越适合拍摄远的景象。
选焦距一点也不难。
粗略选的话,只需要知道要看多远的物体,是想看细节、轮廓还是活动,相应地把距离乘以2,乘以1或除以2,就得到了相应的毫米数。
精确选的话,需要知道物体离摄像头多远,景物多宽,镜头是多少尺寸的,然后按公式计算。
比如4毫米的镜头可以用在小商铺或者家庭等室内环境中,最佳监控距离3至5米。
解析智能监控摄像头的监控可视范围及距离
很多在使用或将要使用摄像头的人可能心理都会有疑问,我这个摄像头能监控多大的范围呢?其实智能摄像机监控范围大小和使用的监控摄像机头有着很大的关系,不同摄像头搭配不同的镜头,监控范围也不尽相同。
摄像机镜头是视频监视系统的最关键设备,镜头的质量/大小直接影响摄像头的可视范围。
因此,因此了解智能摄像机不同焦距监控范围很重要。
一、各焦距镜头可视范围及可视距离
摄像头常用的镜头有2.8mm、3.6mm、4mm、6mm、8mm、12mm、16mm、25mm,那他们所能看到的角度范围及最远能看清多少米的物体呢?
就家用摄像头而言,一般镜头焦距大多采用2.8mm至3.6mm居多,焦距镜头越大,岁可视距离较远,但可视范围会大大缩减,对家用摄像头却不适应。
二、和目各型号摄像机镜头范围
也许有人问了,我们家摄像头的镜头焦距是多少,怎么看?完全看不懂怎么办?木关系,来来,以和目智能摄像机为例,小编专门给大家整理出来了一个和目监控摄像机的监控范围及可视距离。
如下表所示:
了解了和目的监控范围及可视记录,我们就可以根据这个范围来合理安装和目智能摄像头,用最优的角度看护我们的家庭了哟!。
监控摄像头焦距与距离一、监控摄像头镜头可视角度表二、监控摄像头镜头可视距离表三、计算监控摄像头的有效距离(一)、公式计算法:视场和焦距的计算视场系指被摄取物体的大小,视场的大小是以镜头至被摄取物体距离,镜头焦头及所要求的成像大小确定的。
1、镜头的焦距,视场大小及镜头到被摄取物体的距离的计算如下;f=wL/Wf=hL/hf:镜头焦距w:图象的宽度(被摄物体在ccd靶面上成象宽度)W:被摄物体宽度L:被摄物体至镜头的距离h:图象高度(被摄物体在ccd靶面上成像高度)视场(摄取场景)高度H:被摄物体的高度ccd靶面规格尺寸:单位mm规格W H1/3" 4.8 3.61/2" 6.4 4.82/3" 8.8 6.61" 12.7 9.6由于摄像机画面宽度和高度与电视接收机画面宽度和高度一样,其比例均为4:3,当L不变,H或W增大时,f变小,当H或W不变,L增大时,f增大。
2、视场角的计算如果知道了水平或垂直视场角便可按公式计算出现场宽度和高度。
水平视场角β(水平观看的角度)β=2tg-1= 垂直视场角q(垂直观看的角度)q=2tg-1= 式中w、H、f同上水平视场角与垂直视场角的关系如下:q=或=q 表2中列出了不同尺寸摄像层和不同焦距f时的水平视场角b的值,如果知道了水平或垂直场角便可按下式计算出视场角便可按下式计算出视场高度H和视场宽度W. H=2Ltg、W=2Ltg 例如;摄像机的摄像管为17mm(2/3in),镜头焦距f为12mm,从表2中查得水平视场角为40℃而镜头与被摄取物体的距离为2m,试求视场的宽度w。
W=2Ltg=2×2tg=1.46m 则H=W=×1.46=1.059m 焦距f越和长,视场角越小,监视的目标也就小。
(二)、图解法如前所示,摄像机镜头的视场由宽(W)。
高(H)和与摄像机的距离(L)决定,一旦决定了摄像机要监视的景物,正确地选择镜头的焦距就由来3个因素决定;*.欲监视景物的尺寸*.摄像机与景物的距离*.摄像机成像器的尺士:1/3"、1/2"、2/3"或1"。
监控摄像头能看的距离与宽度主要与监控镜头的毫米数及所使用感光芯片的大小决定。
监控镜头是监控摄像头的最关键部件,它的质量和大小直接影响摄像摄像头的整机指标和可视范围。
因此,监控镜头的选择是否恰当既关系到监控系统质量,又关系到工程造价和监控摄像头的使用效果。
目前,市面上监控镜头的大小主要有:2.8mm、3.6mm、4mm、6mm、8mm、12mm等。
监控感光芯片目前主要有1/3CCD/CMOS、1/4CCD/CMOS两大类,其中模拟监控摄像头多采用CCD感光芯片,网络监控摄像头多采用CMOS感光芯片,现在市面上CMOS的价格往往比CCD的价格便宜很多。
针对很多朋友的咨询关于“监控摄像头到底能看多远和多宽”的解答我们可以用一个表的形式呈献给大家,参考如下:一、各焦距镜头能看多宽的范围镜头焦距搭配1/3" CCD搭配1/4" CCD二者差的异性2.8 mm 89.9°75.6°14.3°3.6 mm 75.7 °62.2°13.5°4 mm 69.9 ° 57.0° 12.9° 6 mm 50.0 ° 39.8° 10.2°8 mm 38.5 ° 30.4° 8.1°12 mm 26.2 ° 20.5° 5.7° 二、1/3" CCD 镜头能照多大范围的目标镜头焦距 (毫米数)距离5米 (宽×高) 距离10米 (宽×高) 距离15米 (宽×高) 距离20米 (宽×高) 距离30米 (宽×高) 2.8mm 13×9.8米 26×19.5米 39×29.3米 52×39米 78×58.5米3.6mm 8.5×6.4米 17×12.8米 25.5×19米 34×25.5米 51×38.3米 4mm 8×6米 16×12米 24×18米 32×24米 48×36米 6mm 5.5×4.1米 11×8.3米 16.5×12.4米 22×16.5米 33×24.8米 8mm 3.5×2.6米 7×5.3米 10.5×7.9米 14×10.5米 21×15.8米 12mm 2×1.5米 4×3米 6××4.5米 8×6米 12×9米 三、1/3" CCD 镜头最远能看清多少米的物体3.6MM 、6MM 、8MM 、12MM 乘上2.4就是最远多少米距离了2.8MM 最远距离为7米;3.6MM 最远距离为9米。
监控摄像头能看的距离与宽度主要与监控镜头的毫米数及所使用感光芯片的大小决定。
监控镜头是监控摄像头的最关键部件,它的质量和大小直接影响摄像摄像头的整机指标和可视范围。
因此,监控镜头的选择是否恰当既关系到监控系统质量,又关系到工程造价和监控摄像头的使用效果。
目前,市面上监控镜头的大小主要有:2.8mm、3.6mm、4mm、6mm、8mm、12mm 等。
监控感光芯片目前主要有1/3CCD/CMOS、1/4CCD/CMOS 两大类,其中模拟监控摄像头多采用CCD感光芯片,网络监控摄像头多采用CMOS感光芯片,现在市面上CMOS的价格往往比CCD的价格便宜很多。
针对很多朋友的咨询关于“监控摄像头到底能看多远和多宽”的解答我们可以用一个表的形式呈献给大家,参考如下:一、各焦距镜头能看多宽的范围镜头焦距搭配1/3" CCD搭配1/4" CCD二者差的异性2.8 mm 89.9°75.6°14.3°3.6 mm 75.7 °62.2°13.5°4 mm 69.9 °57.0°12.9°6 mm 50.0 °39.8°10.2°8 mm 38.5 °30.4°8.1°12 mm 26.2 ° 20.5°5.7° 二、1/3" CCD 镜头能照多大范围的目标镜头焦距 (毫米数)距离5米 (宽×高) 距离10米 (宽×高) 距离15米 (宽×高) 距离20米(宽×高)距离30米 (宽×高) 2.8mm 13×9.8米 26×19.5米 39×29.3米 52×39米78×58.5米 3.6mm 8.5×6.4米 17×12.8米 25.5×19米 34×25.5米51×38.3米 4mm 8×6米 16×12米 24×18米 32×24米48×36米 6mm 5.5×4.1米 11×8.3米 16.5×12.4米 22×16.5米33×24.8米 8mm 3.5×2.6米 7×5.3米 10.5×7.9米 14×10.5米21×15.8米 12mm 2×1.5米 4×3米 6××4.5米 8×6米 12×9米 三、1/3" CCD 镜头最远能看清多少米的物体3.6MM 、6MM 、8MM 、12MM 乘上2.4就是最远多少米距离了2.8MM 最远距离为7米;3.6MM 最远距离为9米。