热处理基本知识.ppt
- 格式:ppt
- 大小:242.00 KB
- 文档页数:35
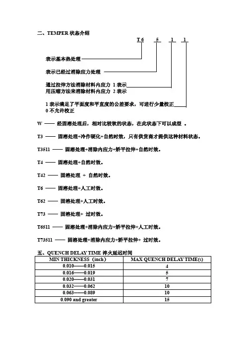
二、TEMPER状态介绍
表示基本热处理
1
0不允许校正
W ——经固溶处理后,相对比较软的状态,在此状态下可以成型。
T3 ——固溶处理+冷作硬化+自然时效,只有供货商才提供这种材料状态。
T3511 ——固溶处理+消除内应力+矫平拉伸+自然时效。
T4 ——固溶处理+自然时效。
T42 ——固溶处理+ 自然时效。
T6 ——固溶处理+人工时效。
T62 ——固溶处理+人工时效。
T73 ——固溶处理+ 过时效。
T6511 ——固溶处理+消除内应力+矫平拉伸+人工时效。
T73511 ——固溶处理+消除内应力+矫平拉伸+ 过时效。
三、PRECIPITATION TREATMENT (AGING) FOR FAMILIAR MATERIAL
常用材料的不同状态转换
NOTE : “A”指ANNEAL (退火)
“T6”与“T62”和“T4”与“T42”之间可以互替。
热处理基本知识及工艺原理1. 热处理的基础热处理听起来很高大上,其实说白了就是给金属“洗澡”,不过这澡可不是一般的洗澡,它是通过加热和冷却,让金属变得更结实、更耐用。
就像人要适当运动一样,金属也需要“锻炼”才能有更好的表现。
大家常常听到的“热处理”这两个字,实际上是金属加工中的一个重要环节,尤其是在制造一些需要承受高强度和高温的零件时,它的重要性就显得尤为突出。
1.1 热处理的类型热处理可分为几种主要的类型,比如淬火、回火、退火、正火等等。
这些名字听起来有点像高深的武功秘籍,但其实它们各有各的妙处。
淬火就像是给金属来个猛击,迅速让它从热状态转为冷状态,达到硬化的效果;而回火则是帮金属放松一下,避免太过刚强造成的脆弱。
退火则是金属的“慢养”,通过长时间的加热和缓慢冷却,让金属的内部结构得到调整。
正火呢,就像是在金属身上做个深层按摩,让它恢复到最佳状态。
1.2 热处理的原理那热处理的原理又是什么呢?其实也不复杂。
热处理过程中,金属的内部原子结构会发生变化,就像是大海中的波涛汹涌,时而平静,时而激烈。
加热的时候,原子就像聚会的朋友,欢快地跳动;冷却时,它们就得迅速找到自己的位置,有时候甚至会出现“打架”的情况,这就影响了金属的强度和韧性。
2. 热处理的工艺2.1 工艺步骤热处理的工艺流程一般包括加热、保温和冷却三个步骤。
先是加热,像开车一样,把温度开到理想值,这个过程要慢慢来,别着急;接着就是保温,保持一段时间,让金属的“细胞”好好“吸收养分”;最后是冷却,冷却的方法可以是水、油,甚至空气,各种各样的方式让金属在不同的环境中“转身”。
这整个流程下来,金属的性能就提升了好几个档次。
2.2 影响因素当然,热处理的效果也受很多因素影响,比如温度、时间、冷却速度等。
就好比炒菜,如果温度掌握不好,时间控制不当,最终的味道可就大相径庭了。
为了得到理想的效果,工艺参数的选择可得仔细斟酌。
3. 热处理的应用热处理在我们生活中无处不在,特别是在汽车、航空、机械等行业,都是大显身手的地方。