给水排水管道工程施工及验收规范——表格Word版
- 格式:docx
- 大小:135.23 KB
- 文档页数:20
给水排水管道工程施工及验收规范GB50268——20082008—10-15发布,2009—05—01实施。
发布公告:其中,第1。
03、3.1.9、3。
1.15、3.2.8、9.1.10、9。
1.11条为强制性条文,必须严格执行.原《给水排水管道工程施工及验收规范》GB50268—97和《市政排水管渠工程质量检验评定标准》CJJ3—90同时作废.目次1 总则2 术语3 基本规定3。
1 施工基本规定3。
2 质量评定基本规定4 土石方与地基处理4。
1 一般规定4。
2 施工降排水4。
3 沟槽开挖与支护4。
4 地基处理4。
5 沟槽回填4。
6 质量验收标准5 开槽施工管道主体结构5.1 一般规定5.2 管道基础5。
3 钢管安装5.4 钢管内外防腐5。
5 球墨铸铁管安装5.6 钢筋混凝土管及预(自)应力混凝土管安装5.7 预应力钢筒混凝土管安装5。
8 玻璃钢管安装5。
9 硬聚氯乙烯管、聚乙烯管及其复合管安装5.10 质量验收标准6 不开槽施工管道主体结构6.1 一般规定6。
2 工作井6.3 顶管6。
4 质构6。
5 浅埋暗挖6.6 定向钻及夯管6.7 质量验收标准7 沉管和桥管施工主体结构7.1 一般规定7.2 沉管7。
3 桥管7.4 质量验收标准8 管道附属构筑物8.1 一般规定8。
2 井室8。
3 支墩8。
4 雨水口8。
5 质量验收标准9 管道功能性试验9.1 一般规定9。
2 压力管道水压试验9.3 无压管道的闭水试验9。
4 无压管道的闭气试验9.5 给水管道冲洗与消毒附录A 给排水管道工程分项、分部、单位工程划分附录B 分项、分部、单位工程质量验收记录附录C 注水法试验附录D 闭水法试验附录E 闭气法试验附录F 混凝土结构无压管道渗水量测与评定方法附录G 钢筋混凝土结构外观质量缺陷评定方法附录H 取氨酯(PU)涂层本规范用用词说明附:条文说明1 总则1。
0.1 为加强给水、排水(以下简称给排水)管道工程施工管理,规范施工技术,统一施工质量检验、验收标准,确保工程质量,制定本规范。
降水与排水工程检验批质量验收记录010202□□单位(子单位)工程名称分部(子分部)工程名称验收部位施工单位工程经理分包单位分包工程经理施工执行标准名称及编号施工质量验收规*的规定施工单位检查评定记录监理〔建立〕单位验收记录1排水沟坡度1~2‰2井管〔点〕垂直度1%3井管〔点〕间距〔与设计相比〕≤150%4井管〔点〕插入深度〔与设计相比〕≤200mm5过滤砂砾料填灌〔与计算值相比〕≤5mm6井点真空度:轻型井点喷射井点>60kpa>93kpa一般项目7电渗井点阴阳极距离:轻型井点喷射井点80~100mm120~150mm专业工长(施工员)施工班组长施工单位检查评定结果工程专业质量检查员:年月日监理(建立)单位验收结论专业监理工程师:〔建立单位工程专业技术负责人〕年月日渗排水、盲沟排水工程检验批质量验收记录010512□□单位(子单位)工程名称分部(子分部)工程名称验收部位施工单位工程经理分包单位分包工程经理施工执行标准名称及编号施工质量验收规*的规定施工单位检查评定记录监理〔建立〕单位验收记录1反滤层质量第6.1.8条主控项目2集水管埋深及坡度第6.1.9条1渗排水层构造第6.1.10条2渗排水层铺设第6.1.11条一般项目3盲沟构造第6.1.12条专业工长(施工员)施工班组长施工单位检查评定结果工程专业质量检查员: 年 月 日监理(建立)单位验收结论专业监理工程师:〔建立单位工程专业技术负责人〕年 月 日排〔雨〕水管道灌水试验记录质控〔水〕表-1 共 页 第 页单位〔子单位〕工程名称施工单位试验日期排水管在设计图上编号排水管灌水高度〔部位或管段〕灌水持续时间〔min〕管内液面情况外观检查处理情况结论专业监理工程师施工质检员施工员〔建立单位工程专业技术负责人〕单位试验员排水管道通水能力试验记录质控〔水〕表-2 共页第页单位〔子单位〕工程名称施工单位试验日期排水管始讫层次试验情况管路编号修复情况出现问题后结论质 检 员施 工 员专业监理工程师〔建立单位工程专业技术负责人〕施工单位试 验 员排水管道通球试验记录质控〔水〕表4.2.6-3 共 页 第 页单位〔子单位〕工程名称施工单位试验日期管道编号试验部位管径〔mm 〕球径〔mm 〕试 验 情 况出现问题后修复情况结论质 检 员施 工 员专业监理工程师〔建立单位工程专业技术负责人〕施工单位试 验 员水泵试运转测试检查记录质控〔水〕表 共 页 第 页单位〔子单位〕工程名称施工单位试运转日期设备名称型号规格安装位号制造厂名出厂日期水泵扬程出口压力间 隙轴向倾斜要求值〔滴〕径向位移联轴器用手盘动滴水情况填 料室每分钟实测值〔滴〕最高温度〔℃〕室内温度轴承温度机身温度阀门工作情况额定电压值(V)实 测I A实测电压值(V)I B 额定电流值(A)电 流值(A)I C电 动 机 绝 缘 电 阻 值相间绝缘电阻值〔MΩ〕相对地绝缘电阻值〔MΩ〕A - BB – CC – AA – EB – EC – E外 壳 接 地 电 阻 值〔Ω〕实测值其他试运转情况结论质 检 员施 工 员专业监理工程师〔建立单位工程专业技术负责人〕施工单位试 验 员雨水管道及配件安装工程检验批质量验收记录050202□□单位〔子单位〕工程名称分部〔子分部〕工程名称验收部位施工单位工程经理分包单位分包工程经理施工执行标准名称及编号施工质量验收规*的规定施工单位检查评定记录监理〔建立〕单位验收记录1室内雨水管道灌水试验第5.3.1条2塑料雨水管安装伸缩节第5.3.2条〔1〕管径50mm 20‰〔2〕管径75mm 15‰〔3〕管径100mm 8‰〔4〕管径125mm 6‰〔5〕管径150mm5‰3地下埋设雨水管道最小坡度〔6〕管径200~400mm4‰主控项目4悬吊雨水管最小坡度≤5‰1雨水管不得与生活污水管道连接第条2雨水斗管安装第条管径≤150 ≯15m 3悬吊式雨水管道检查口间距管径≥200 ≯20m焊口平直度管壁厚10mm 以内管壁厚1/4高 度焊缝加强面宽 度+1mm 深 度小于0.5mm 连续长度25mm4焊口允许偏差咬边长 度总长度〔两侧〕小于焊缝长度的10%一般项目5雨水管道安装的允许偏差同室内排水管第条专业工长〔施工员〕施工班组长施工单位检查评定结果工程专业质量检查员: 年 月 日监理〔建立〕单位验收结论专业监理工程师:〔建立单位工程专业技术负责人〕年 月 日分部工程质量验收记录〔建筑给水、排水及采暖〕质控〔水〕表4.2.9-8 05□□工程名称构造质式验收部位层 数建筑面积施工日期验收日期施工单位技术部门负责人质量部门负责人分包单位分包单位负责人分包技术负责人序号项目验收记录验收结论室内给水系统 □室内排水系统□室内热水供给系统 □卫生器具安装 □室内采暖系统□建筑中水系统及游泳池系统 □1子分部工程名称供热锅炉及辅助设备安装□共子分部,经查子分部,符合规*及设计要求子分部2质 量 控 制 资 料共项,经核查符合要求项,经核定符合规*要求项3安 全 和 功 能 检验〔检测〕报告共抽查项,符合要求项,经返工处理符合要求项4观 感 质 量共抽查项,符合要求项,不符合要求项综合验收意 见分包单位工程经理: 年 月 日施工单位工程经理: 年 月 日设计单位工程负责人:年 月 日验收单位监理〔建立〕单 位总监理工程师:〔建立单位工程负责人〕年 月 日室外给水管道安装工程检验批质量验收记录050601□□单位〔子单位〕工程名称分部〔子分部〕工程名称验收部位施工单位工程经理分包单位分包工程经理施工执行标准名称及编号施工质量验收规*的规定施工单位检查评定记录监理〔建立〕单位验收记录1埋地管道覆土深度第条2给水管道不得直接穿越污染源第条3管道上可拆和易腐件,不埋在土中第条4管井内安装与井壁的距离第条5管道的水压试验第条6埋地管道的防腐第条主控工程7管道冲洗和消毒第条1管道和支架的涂漆第条2阀门、水表安装位置第条3给水与污水管平行铺设的最小间距第条4管道连接符合规*要求第9.2.12,第9.2.13,第9.2.14,第9.2.15,第9.2.16,第埋地100mm 铸铁管敷设在沟槽内50mm 埋地100mm 坐标钢管、塑料管、复合管敷设在沟槽内或架空40mm 埋地±50mm铸铁管敷设在地沟内±30mm埋地±50mm 标高钢管、塑料管、复合管敷设在沟槽内或架空±30mm 铸铁管直段〔25m 以上〕起点~终点40mm一般项目5管道安装允许偏差水平管纵横向弯曲钢管、塑料管、复合管直段〔25m 以上〕起点~终点30mm 施工单位检查评定结果专业工长〔施工员〕施工班组长工程专业质量检查员:年月日监理〔建立〕单位验收结论专业监理工程师:〔建立单位工程专业技术负责人〕年月日管沟及井室工程检验批质量验收记录050603□□单位〔子单位〕工程名称分部〔子分部〕工程名称验收部位施工单位工程经理分包单位分包工程经理施工执行标准名称及编号施工质量验收规*的规定施工单位检查评定记录监理〔建立〕单位验收记录1管沟的基层处理和井室的地基设计要求2各类井盖的标识应清楚,使用正确第条3通车路面上的各类井盖安装第条主控工程4重型井圈与墙体结合部处理第条1管沟及各类井室的位置、坐标,沟底标高设计要求2管沟的回填要求第条一般3管沟岩石基底要求第条4管沟回填的要求第条5井室内施工要求第条项目6井室内应严密,不透水第条专业工长〔施工员〕施工班组长施工单位检查评定结果工程专业质量检查员:年月日监理〔建立〕单位验收结论专业监理工程师:〔建立单位工程专业技术负责人〕年月日室外排水管道安装工程检验批质量验收记录050701□□单位〔子单位〕工程名称分部〔子分部〕工程名称验收部位施工单位工程经理分包单位分包工程经理施工执行标准名称及编号施工质量验收规*的规定施工单位检查评定记录监理〔建立〕单位验收记录主控1管道坡度符合设计要求、严禁无坡或倒坡设计要求工程2灌水试验和通水试验第条1排水铸铁管的水泥捻口第条2排水铸铁管除锈、涂漆第条3承插接口安装方向第条4砼管或钢筋砼管抹带接口的要求第条埋地100mm 坐标敷设在沟槽内50mm 埋地±20mm 标高敷设在沟槽内±20mm 每5m 长10mm 一般项目5允许偏差水平管道纵横向弯曲全长〔两井间〕30mm专业工长〔施工员〕施工班组长施工单位检查评定结果工程专业质量检查员:年月日监理〔建立〕单位验收结论专业监理工程师:〔建立单位工程专业技术负责人〕年月日室外排水管沟及井池工程检验批质量验收记录050702□□单位〔子单位〕工程名称分部〔子分部〕工程名称验收部位施工单位工程经理分包单位分包工程经理施工执行标准名称及编号施工质量验收规*的规定施工单位检查评定记录监理〔建立〕单位验收记录1沟基的处理和井池的底板设计要求主控工程2检查井、化粪池的底板及进出口水管标高设计要求1井池的规格、尺寸和位置,砌筑、抹灰第条一般项目2井盖标识、选用正确第条施工单位检查评定结果专业工长〔施工员〕施工班组长工程专业质量检查员:年月日监理〔建立〕单位验收结论专业监理工程师:〔建立单位工程专业技术负责人〕年月日室外供热管道及配件安装工程检验批质量验收记录050801□□单位〔子单位〕工程名称分部〔子分部〕工程名称验收部位施工单位工程经理分包单位分包工程经理施工执行标准名称及编号施工质量验收规*的规定施工单位检查评定记录监理〔建立〕单位验收记录1平衡阀及调节阀安装位置及调试第条2直埋无补偿供热管道预热伸长及三通加固第条3补偿器位置和预拉伸、支架位置和构造第条4检查井、入口管道布置方便操作维修第条5直埋管道及接口现场发泡保温处理第条6管道系统的水压试验第条,第条7管道冲洗第条主控工程8通热试运行调试第条1管道的坡度设计要求2除污器构造、安装位置第条3管道的焊接第条,第条4管道安装对应位置尺寸第11.211、条5管道防腐应符合规*第条敷设在沟槽内及架空20坐标〔mm 〕埋地50敷设在沟槽内及架空±10标高〔mm 〕埋地±15管径≤100mm 1每1m管径>100m 1.5管径≤100mm ≯13水平管道纵、横方向弯曲〔mm 〕全长〔25mm 〕管径>100m ≯25管径≤100mm 8%椭圆率管径>100m 5%管径≤100mm 4一般项目6安装允许偏差折皱不平度〔mm 〕管径125~200mm 5管径250~400mm7厚度+0.1δ,-0.05δ卷材57管道保温允许偏差外表平整度〔mm 〕涂抹10专业工长〔施工员〕施工班组长施工单位检查评定结果工程专业质量检查员:年月日监理〔建立〕单位验收结论专业监理工程师:〔建立单位工程专业技术负责人〕年月日。
给水排水管道工程施工及验收规范范本(doc 46页)给水排水管道工程施工及验收规范(GB50268-2008)浙江省统一配套用表1、给水、排水管道工程施工及验收规范统一用表编制依据(1)《给水排水管道工程施工及验收规范》GB50268-2008(2)《给水排水构筑物工程施工及验收规范》GB50141-2008(3)城镇道路工程施工与质量验收规范实施手册(4)《地下防水工程质量验收规范》GB50208-2002(5)混凝土结构工程施工质量验收规范GB50204-2002(6)《建筑地基基础工程施工质量验收规范》GB50202-2002(7)《城市桥梁工程施工与质量验收规范》GJJ2-20082给水、排水管道工程施工质量检验控制用表2.1分项、分部、单位工程质量验收表式2.1.1单位(子单位)工程质量竣工验收记录2.1.2分部(子分部)工程检验记录2.1.3分项工程质量验收记录注:本表由施工单位制表人填写,监理工程师(建设单位项目负责人)组织施工单位项目技术负责人及质量检查员等进行验收,并应按上表进行记录。
(此处增加了“质量检查员”,以突出质量检查员的质量责任。
)(关键分项工程要求设计单位参加时,增加设计单位参加人员签字。
)2.1.5检验批质量检验记录表B.0.1编号:000000□□注:本表由施工项目专业质量检查员(制表人)填写,监理工程师(建设单位项目技术负责人)组织项目专业质量检查员等进行验收,并应按上表进行记录。
编号前两位00为分部编号,中间两位00为子分部编号,后两位00为分项工程编号,□□为检验批编号,凡是没有子分部的分部工程其中间编号全为“00”以满足编码框架需要。
2.2单位(子单位)分部(子分部)分项工程、检验批编码表给水排水管道工程单位、分部、分项、检验批划分编码框架单位(子单位)工程名称:开(挖)槽施工管道工程大型顶管工程大型桥管工程盾构管道工程浅埋暗挖管道工程大型沉管工程(可分为一种或几种组合为一个单位工程)3 分项工程检验批质量验收记录表目录沟槽(基坑)土方开挖 (286)沟槽(基坑)支护 (287)沟槽(基坑)回填 (288)管道基础 (289)钢管接口连接 (290)金属类管道铺设 (291)钢管(水泥砂浆)内防护层 (292)钢管(环氧涂料)内防护层 (293)钢管外保护层 (294)钢管阴极保护 (295)球墨铸铁管接口连接 (296)钢筋混凝土管类接口连接 (297)钢筋混凝土类管道铺设 (298)化学建材管接口连接 (299)柔性管道铺设 (300)管渠基础地基 (301)管渠模板 (302)管渠钢筋制作 (303)管渠钢筋安装 (304)管渠现浇混凝土 (305)管渠变形缝 (306)管渠构件预制 (307)管渠预制构件安装 (308)管渠砖石砌筑 (309)沉井围护结构 (310)沉井模板 (311)沉井钢筋加工 (312)沉井钢筋安装 (313)沉井混凝土制作 (314)沉井下沉及封底 (315)沉井井内结构 (316)直线顶管管道施工 (317)曲线顶管管道施工 (318)垂直顶升管道施工 (319)盾构管片制作 1 (320)盾构管片制作 2 (321)盾构管片制作 3 (322)盾构掘进和管片拼装 1 (323)盾构掘进和管片拼装 2 (324)盾构施工钢筋混凝土二次衬砌 (325)浅埋暗挖管道的土层开挖 (326)浅埋暗挖管道的初期衬砌 1 (327)浅埋暗挖管道的初期衬砌 2 (328)浅埋暗挖管道的防水层 (329)浅埋暗挖管道的二次衬砌 (330)定向钻施工管道 (331)夯管施工管道 (332)沉管基槽浚挖用管基处理 (333)组对拼装管道沉放 (334)预制钢筋混凝土管节制作 (335)钢筋混凝土管节接口预制加工 (336)预制钢筋混凝土管得沉放 (337)沉管的稳管及回填 (338)桥管管道安装 1 (339)桥管管道安装 2 (340)现浇混凝土井室 (341)砖砌井室 (342)预制拼装井室 (343)雨水口及支连管安装 (344)检查井盖安装 (345)管道支墩安装 (346)给水排水管工程施工与质量验收规范(GB50268-2008)浙江省统一配套用表3.1土方开挖3.1.1沟槽(基坑)土方开挖检验批质量验收记录表B.0.1 编号:010001□□注:本表由施工项目专业质量检查员填写,监理工程师(建设单位项目技术负责人)组织项目专业质量检查员等进行验收,并应按上表进行记录。
沟槽开挖与地基基础检验批验收记录
管道基础检验批质量验收记录
钢管接口连接检验批质量验收记录
钢管内防腐层检验批质量验收记录
钢管外防腐层检验批质量验收记录
钢管阴极保护工程检验批质量验收记录
球墨铸铁管接口检验批质量验收记录
钢筋混凝土管、预(自)应力混凝土管、预应力钢筒混凝土
接口连接检验批质量验收记录
化学建材管接口连接检验批质量验收记录
管道铺设检验批质量验收记录
工作井检验批质量验收记录
顶管管道检验批质量验收记录
垂直顶升管道检验批质量验收记录
盾构管片制作检验批质量验收记录
盾构掘进和管片拼装检验批质量验收记录
盾构施工管道的钢筋混凝土二次衬砌检验批质量验收记录
浅埋暗挖管道的土层开挖检验批质量验收记录
浅埋暗挖管道的初期衬砌应检验批质量验收记录
浅埋暗挖管道的防水层检验批质量验收记录
浅埋暗挖管道的二次衬砌检验批质量验收记录
定向钻施工管道检验批质量验收记录
夯管施工管道检验批质量验收记录
沉管基槽浚挖及管基处理检验批质量验收记录
组对拼装管道(段)的沉放检验批质量验收记录
沉放的预制钢筋混凝土管节制作检验批质量验收记录
沉放的预制钢筋混凝土管节接口预制加工(水力压接法)
检验批质量验收记录
预制钢筋混凝土管的沉放检验批质量验收记录
沉管的稳管及回填应符合检验批质量验收记录
桥管管道检验批质量验收记录
井室检验批质量验收记录
雨水口及支、连管检验批质量验收记录
支墩检验批质量验收记录。
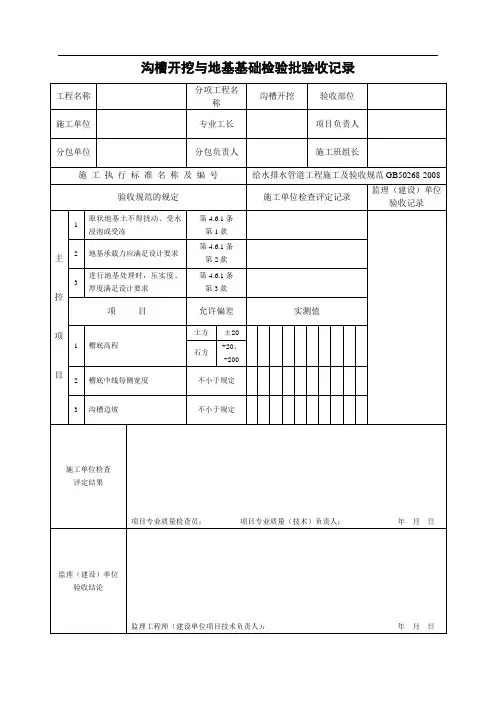
给水排水管道工程施工及验收规范(GB50268-2008). 专业word可编辑.沟槽(基坑)土方开挖检验批质量检验记录表A.0.1 编号:010001□□工程名称分部工程名称分项工程名称施工单位专业工长项目经理分包单位分包项目经理施工班组长工程数量验收部位项目技术负责人交方班组接方班组检查日期年月日检查项目序号检查内容检验依据/允许偏差(规定值或±偏差值)检查数量检查结果/ 实测点偏差值或实测值范围点数 1 2 3 4 5 6 7 8 9 10 应测点数合格点数合格率(%)主控项目1 原状地基土观察、检查原状地基土不得扰动、受水浸泡或受冻全数见施工记录:2 地基承载力满足设计要求全数检验报告编号:3 压实度、厚度检查压实度、厚度满足设计要求全数检验报告编号:一般项目1 槽底高程(mm)土方±20 两井之间 3石方+20,-200 两井之间 32槽底中线每侧宽度(mm)不小于规定两井之间 63 沟槽边坡不陡于规定两井之间 6平均合格率(%)施工单位检查评定结论项目专业质量检查员:(签字). 专业word可编辑.监理( 建设) 单位意见监理工程师:(签字)(或建设单位项目专业技术负责人): (签字)年月日注:1、本表由施工项目专业质量检查员填写,监理工程师(建设单位项目技术负责人)组织项目专业质量检查员等进行验收,并应按上表进行记录。
沟槽(基坑)支护检验批质量检验记录表A.0.1 编号:010002□□工程名称分部工程名称分项工程名称施工单位专业工长项目经理分包单位分包项目经理施工班组长工程数量验收部位项目技术负责人交方班组接方班组检查日期年月日检查项目序号检查内容检验依据/允许偏差(规定值或±偏差值)检查数量检查结果/ 实测点偏差值或实测值范围点数 1 2 3 4 5 6 7 8 9 10 应测点数合格点数合格率(%)主控项目1 支撑方式、支撑材料支撑方式、材料符合设计要求查记录2支护结构强度、刚度、稳定性符合设计要求支护结构强度、刚度、稳定性符合设计要求检查施工方案及施工记录3 压实度、厚度检查压实度、厚度满足设计要求观察全数一般项目1支撑形式支撑不得妨碍下管和稳管观察全数支撑构件安装构件安装应牢固、安全可靠,位置正确观察全数2 中心线净宽每侧的净宽不应小于施工方案的净宽要求10m 1. 专业word可编辑.3 钢板桩轴线位移(mm)≯5010m 1 垂直度≯1.5%平均合格率(%)施工单位检查评定结论项目专业质量检查员:(签字)监理( 建设) 单位意见监理工程师:(签字)(或建设单位项目专业技术负责人): (签字)年月日注:1、本表由施工项目专业质量检查员填写,监理工程师(建设单位项目技术负责人)组织项目专业质量检查员等进行验收,并应按上表进行记录。
给水排水管道工程施工及验收规范(GB50268-2008)沟槽(基坑)土方开挖检验批质量检验记录开槽施工检验批质量检验记录编号:020101□□/020201□□/020301□□/020401□□砖砌井室检验批质量检验记录表A.0.1 编号:030002□□钢管接口连接检验批质量检验记录表A.0.1 编号:020102□□ 021301□□金属类管道铺设检验批质量检验记录表A.0.1 编号:020103□□ 020303□□钢管内防护层(水泥砂浆)检验批质量检验记录表A.0.1 编号:020104□□ 021203□□ 021303□□钢管内防护层(环氧涂料)检验批质量检验记录表A.0.1 编号:020104□□ 021203□□ 021303□□钢管外防护层检验批质量检验记录表A.0.1 编号:020104□□ 021203□□ 021303□□钢管阴极保护检验批质量检验记录表A.0.1 编号:020107□□ 020904□□ 021206□□ 021306□□球墨铸铁管接口连接检验批质量检验记录表A.0.1 编号:020108□□化学建材管接口连接检验批质量检验记录表 A.0.1 编号:020402□□ 021201□□注:1、本表由施工项目专业质量检查员填写,监理工程师(建设单位项目技术负责人)组织项目专业质量检查员等进行验收,并应按上表进行记录。
柔性管道铺设检验批质量检验记录表A.0.1 编号:020403□□灌渠基础检验批质量检验记录表A.0.1 编号:020501□□ 020601□□ 020701□□灌渠模板检验批质量检验记录表A.0.1 编号:020502□□注:1、本表由施工项目专业质量检查员填写,监理工程师(建设单位项目技术负责人)组织项目专业质量检查员等进行验收,并应按上表进行记录。
灌渠钢筋制作检验批质量检验记录注:1、本表由施工项目专业质量检查员填写,监理工程师(建设单位项目技术负责人)组织项目专业质量检查员等进行验收,并应按上表进行记录。
沟槽开挖与地基基础检验批验收记录管道基础检验批质量验收记录给水排水-005 钢管接口连接检验批质量验收记录钢管内防腐层检验批质量验收记录钢管外防腐层检验批质量验收记录钢管阴极保护工程检验批质量验收记录球墨铸铁管接口检验批质量验收记录钢筋混凝土管、预(自)应力混凝土管、预应力钢筒混凝土接口连接检验批质量验收记录化学建材管接口连接检验批质量验收记录管道铺设检验批质量验收记录工作井检验批质量验收记录顶管管道检验批质量验收记录垂直顶升管道检验批质量验收记录盾构管片制作检验批质量验收记录盾构掘进和管片拼装检验批质量验收记录盾构施工管道的钢筋混凝土二次衬砌检验批质量验收记录浅埋暗挖管道的土层开挖检验批质量验收记录浅埋暗挖管道的初期衬砌应检验批质量验收记录浅埋暗挖管道的防水层检验批质量验收记录浅埋暗挖管道的二次衬砌检验批质量验收记录定向钻施工管道检验批质量验收记录夯管施工管道检验批质量验收记录沉管基槽浚挖及管基处理检验批质量验收记录组对拼装管道(段)的沉放检验批质量验收记录沉放的预制钢筋混凝土管节制作检验批质量验收记录沉放的预制钢筋混凝土管节接口预制加工(水力压接法)检验批质量验收记录预制钢筋混凝土管的沉放检验批质量验收记录沉管的稳管及回填应符合检验批质量验收记录桥管管道检验批质量验收记录井室检验批质量验收记录雨水口及支、连管检验批质量验收记录支墩检验批质量验收记录工程名称分项工程名称砼支墩验收部位施工单位专业工长项目负责人分包单位分包负责人施工班组长施工执行标准名称及编号给水排水管道工程施工及验收规范GB50268-2008验收规范的规定施工单位检查评定记录监理(建设)单位验收记录主控项目1所用的原材料质量应符合国家有关标准的规定和设计要求第8.5.3条第1款2支墩地基承载力、位置符合设计要求;支墩无位移、沉降第8.5.3条第2款3砌筑水泥砂浆强度、结构混凝土强度符合设计要求第8.5.3条第3款一般项目1混凝土支墩应表面平整、密实;砖砌支墩应灰缝饱满,无通缝现象,其表面抹灰应平整、密实第8.5.3条第4款2支墩支承面与管道外壁接触紧密,无松动、滑移现象第8.5.3条第5款检查项目允许偏差(㎜)实测值3 平面轴线位置(轴向、垂直轴向)154 支撑面中心高程±155 结构断面尺寸(长、宽、厚)±10,0共实测点,其中合格点,不合格点,合格率%施工单位检查评定结果项目专业质量检查员:项目专业质量(技术)负责人:年月日监理(建设)单位验收结论监理工程师(建设单位项目技术负责人):年月日。
给水排水管道工程施工及验收规范沟槽开挖的允许偏差序检查项目允许偏差 ( mm )检查数量检查方法号范围点数1槽底高程土方± 20两井之间3用水准仪测量石方+ 20、- 2002槽底中线每侧宽度不小于规定两井之间6挂中线用钢尺量测,每侧计 3 点3沟槽边坡不陡于规定两井之间6用坡度尺量测,每侧计 3 点刚性管道沟槽回填土压实度最低压实度 ( % )检查数量序号项目重型击实标轻型击实标检查方法准准范围点数1 23石灰土类垫层9395100m胸腔管侧8790沟槽部分管顶以上 500mm87± 2( 轻型 )每在路其余部分≥ 90( 轻型 ) 或按设计要求层用环刀法基范每检查或采用围外农田或绿地范围表层 500mm 不宜压实,预留沉降量,表两井侧现行国家标范围内面整平之间一准《土工试验胸腔管侧8790或组方法标准》部分管顶以上 250mm87± 2( 轻型 )1000沟槽( 每GB/T 50123m2在路由路快速路及主干路9598组 3中其他方法≤点 )基范槽底9395次干路围内算起8009092支路的深>快速路及主干路9395度范800次干路9092围~支路8790( mm 1500)快速路及主干路8790>次干路87901500支路8790注:表中重型击实标准的压实度和轻型击实标准的压实度,分别以相应的标准击实试验法求得的最大干密度为100%。
柔性管道沟槽回填土压实度槽内部位压实度( % )管道管底基础≥ 90基础管道有效支撑角范围≥ 95管道两侧≥ 95管顶以上管道两侧≥ 90 500mm管道上部85± 2管顶 500~1000mm≥ 90回填材料中、粗砂中、粗砂、碎石屑,最大粒径小于40mm 的砂砾或符合要求的原土原土回填检查数量范围点数——每100m每层每侧两井之一组间或每( 每组1000m23 点 )检查方法用环刀法检查或采用现行国家标准《土工试验方法标准》GB/T 50123中其他方法注:回填土的压实度,除设计要求用重型击实标准外,其他皆以轻型击实标准试验获得最大干密度为100%。
给水排水管道工程施工及验收规范(GB50268-2008)沟槽(基坑)土方开挖检验批质量检验记录表A。
0.1编号:010001□□沟槽(基坑)支护检验批质量检验记录表 A.0.1沟槽(基坑)回填检验批质量检验记录表A。
0。
1编号:010003□□开槽施工检验批质量检验记录表A.0。
1编号:020101□□/020201□□/020301□□/020401□□钢筋混凝土管接口连接检验批质量检验记录表A。
0。
1 编号:020202□□020302□□钢筋混凝土类管道铺设检验批质量检验记录表A.0。
1编号:02020砖砌井室检验批质量检验记录表A。
0。
1编号:03000钢管接口连接检验批质量检验记录表A。
0。
1编号:020102□□021301□□金属类管道铺设检验批质量检验记录表A.0。
1编号:020103□□020303□□钢管内防护层(水泥砂浆)检验批质量检验记录表A.0。
1编号:020104钢管内防护层(环氧涂料)检验批质量检验记录表A。
0.1 编号:020104□□钢管外防护层检验批质量检验记录表A.0.1 编号:020104□□021203钢管阴极保护检验批质量检验记录表A.0。
1编号:020107□□020904□□球墨铸铁管接口连接检验批质量检验记录表 A.0.1化学建材管接口连接检验批质量检验记录号:020402□□021201□□注:1、本表由施工项目专业质量检查员填写,监理工程师(建设单位项目技术负责人)组织项目专业质量检查员等进行验收,并应按上表进行记录。
柔性管道铺设检验批质量检验记录表A。
0.1编号:020403□□灌渠基础检验批质量检验记录表A。
0.1 编号:020501□□0灌渠模板检验批质量检验记录表A。
0。
1 编号:020502□□注:1、本表由施工项目专业质量检查员填写,监理工程师(建设单位项目技术负责人)组织项目专业质量检查员等进行验收,并应按上表进行记录。
灌渠钢筋制作检验批质量检验记录表A。
《给水排水工程施工及验收规范》
(CJJ82-2012)表格
给水排水工程施工及验收规范 (CJJ82-2012) 表格
本文档旨在为给水排水工程施工和验收提供规范和指导。
根据《给水排水工程施工及验收规范》(CJJ82-2012)的要求,以下是一些相关的表格。
1. 水源及供水工程信息
2. 给水设备信息
2.1 水泵信息
2.2 水箱信息
3. 排水设备信息3.1 排水管道信息
3.2 排水泵信息
4. 工程验收信息
以上是《给水排水工程施工及验收规范》(CJJ82-2012)表格中的一些示例。
根据具体项目的需要,可根据该规范中的要求进行进一步补充和调整。
给水排水管道工程施工及验收规范
沟槽开挖的允许偏差
刚性管道沟槽回填土压实度
100%。
柔性管道沟槽回填土压实度
管道基础的允许偏差
水泥砂浆防腐层厚度及表面缺陷的允许偏差
液体环氧涂料内防腐层厚度及电火花试验规定
2 凡漏点检测不合格的防腐层都应补涂,直至合格。
外绝缘防腐层厚度、电火花检漏、粘结力验收标准
管道铺设的允许偏差(mm)
工作井施工的允许偏差
顶管施工贯通后管道的允许偏差
i
R为曲线顶管的设计曲率半径(mm)。
水平管道内垂直顶升施工的允许偏差
管片的钢模制作的允许偏差
单块管片尺寸的允许偏差
管片水平组合拼装检验的允许偏差
12
钢筋混凝土管片的钢筋骨架制作的允许偏差
在盾尾内管片拼装成环的允许偏差
管道贯通后的允许偏差
钢筋混凝土衬砌施工质量的允许偏差
土层开挖的允许偏差
钢格栅、钢架的加工与安装的允许偏差
钢筋网加工、铺设的允许偏差
初期衬砌喷射混凝土质量的允许偏差
度的1/2;厚度总平均值不小于设计厚度;
2 每20m管道检查一个断面,每断面以拱部中线开始,每间隔2~3m设一个点,但每一检查断面的拱部不
应少于3个点,总计不应少于5个点。
防水层铺设质量的允许偏差
二次衬砌模板安装质量的允许偏差
二次衬砌混凝土施工的允许偏差
定向钻施工管道的允许偏差
i
夯管贯通后的管道的允许偏差
i
2 D i≤700mm时,检查项目1和2可直接测量管道两端,检查项目3可检查施工记录。
沉管基槽浚挖及管基处理的允许偏差
沉管下沉铺设的允许偏差
钢筋混凝土管节预制的允许偏差
端部钢壳端面加工成型的允许偏差
橡胶圈外观质量要求
钢筋混凝土管沉放的允许偏差
钢管预拼装尺寸的允许偏差
桥管管道安装的允许偏差
井室的允许偏差
雨水口、支管的允许偏差
管道支墩的允许偏差
(注:可编辑下载,若有不当之处,请指正,谢谢!)。