{推荐}市政给排水工程验收表格
- 格式:doc
- 大小:788.00 KB
- 文档页数:41
单位工程竣工验收报审表工程名称:山西法官培训学院培训基地项目给水支线工程单位(子单位)工程质量竣工验收记录编号:单位(子单位)工程质量控制资料核查表○1管节、管件、管道设备及管配件等;钢材、水泥、砂石、混凝土、砖、混凝土预制构件单位(子单位)工程观感质量核查表单位(子单位)工程结构安全和使用功能性检测记录表分部工程报验表工程名称:山西法官培训学院培训基地项目给水支线工程注:本表一式三份,项目监理机构、建设单位、施工单位各一份。
土方工程分部(子分部)工程质量验收记录报审、报验表工程名称:山西法官培训学院培训基地项目给水支线工程沟槽开挖分项工程质量验收记录报审、报验表工程名称:山西法官培训学院培训基地项目给水支线工程沟槽开挖及地基处理工程检验批质量验收记录报审、报验表工程名称:山西法官培训学院培训基地项目给水支线工程沟槽开挖及地基处理工程检验批质量验收记录编号:002报审、报验表工程名称:山西法官培训学院培训基地项目给水支线工程沟槽开挖及地基处理工程检验批质量验收记录编号:003报审、报验表工程名称:山西法官培训学院培训基地项目给水支线工程沟槽开挖及地基处理工程检验批质量验收记录报审、报验表工程名称:山西法官培训学院培训基地项目给水支线工程沟槽开挖及地基处理工程检验批质量验收记录报审、报验表工程名称:山西法官培训学院培训基地项目给水支线工程沟槽开挖及地基处理工程检验批质量验收记录编号:006报审、报验表工程名称:山西法官培训学院培训基地项目给水支线工程沟槽开挖及地基处理工程检验批质量验收记录报审、报验表工程名称:山西法官培训学院培训基地项目给水支线工程沟槽回填分项工程质量验收记录报审、报验表工程名称:山西法官培训学院培训基地项目给水支线工程沟槽回填(柔性管道)工程检验批质量验收记录报审、报验表工程名称:山西法官培训学院培训基地项目给水支线工程沟槽回填(柔性管道)工程检验批质量验收记录报审、报验表工程名称:山西法官培训学院培训基地项目给水支线工程沟槽回填(柔性管道)工程检验批质量验收记录报审、报验表工程名称:山西法官培训学院培训基地项目给水支线工程沟槽回填(柔性管道)工程检验批质量验收记录。
单位(子单位)工程质量竣工验收记录编号:
单位(子单位)工程质量控制资料核查表
编号:
单位(子单位)工程观感质量核查表编号:
单位(子单位)工程结构安全和使用功能性检测记录表编号:
分部(子分部)工程质量验收记录编号:
分项工程质量验收记录编号:
沟槽开挖与地基处理工程检验批质量验收记录编号:
沟槽支护工程检验批质量验收记录编号:
沟槽回填(刚性管道)工程检验批质量验收记录Ⅰ编号:
沟槽回填(刚性管道)工程检验批质量验收记录Ⅱ编号:
沟槽回填(柔性管道)工程检验批质量验收记录编号
管道基础工程检验批质量验收记录编号
钢管接口连接工程检验批质量验收记录编号:
钢管内防腐层工程检验批质量验收记录编号
钢管内防腐层工程检验批质量验收记录编号:
钢管外防腐层工程检验批质量验收记录编号:
钢管阴极保护工程检验批质量验收记录编号:
球墨铸铁管接口连接工程检验批质量验收记录编号:
钢筋混凝土管、预(自)应力混凝土管、预应力钢筒混凝土管接口连接工程检验批质量验收记录
编号:
化学建材管接口连接工程检验批质量验收记录编号:
管道铺设工程检验批质量验收记录编号:
井室工程检验批质量验收记录编号:
雨水口及支、连管工程检验批质量验收记录编号:
工程检验批质量验收记录编号:
(以上未列项目执行此表格)。
降水与排水工程检验批质量验收记录010202□□单位(子单位)工程名称分部(子分部)工程名称验收部位施工单位工程经理分包单位分包工程经理施工执行标准名称及编号施工质量验收规*的规定施工单位检查评定记录监理〔建立〕单位验收记录1排水沟坡度1~2‰2井管〔点〕垂直度1%3井管〔点〕间距〔与设计相比〕≤150%4井管〔点〕插入深度〔与设计相比〕≤200mm5过滤砂砾料填灌〔与计算值相比〕≤5mm6井点真空度:轻型井点喷射井点>60kpa>93kpa一般项目7电渗井点阴阳极距离:轻型井点喷射井点80~100mm120~150mm专业工长(施工员)施工班组长施工单位检查评定结果工程专业质量检查员:年月日监理(建立)单位验收结论专业监理工程师:〔建立单位工程专业技术负责人〕年月日渗排水、盲沟排水工程检验批质量验收记录010512□□单位(子单位)工程名称分部(子分部)工程名称验收部位施工单位工程经理分包单位分包工程经理施工执行标准名称及编号施工质量验收规*的规定施工单位检查评定记录监理〔建立〕单位验收记录1反滤层质量第6.1.8条主控项目2集水管埋深及坡度第6.1.9条1渗排水层构造第6.1.10条2渗排水层铺设第6.1.11条一般项目3盲沟构造第6.1.12条专业工长(施工员)施工班组长施工单位检查评定结果工程专业质量检查员: 年 月 日监理(建立)单位验收结论专业监理工程师:〔建立单位工程专业技术负责人〕年 月 日排〔雨〕水管道灌水试验记录质控〔水〕表-1 共 页 第 页单位〔子单位〕工程名称施工单位试验日期排水管在设计图上编号排水管灌水高度〔部位或管段〕灌水持续时间〔min〕管内液面情况外观检查处理情况结论专业监理工程师施工质检员施工员〔建立单位工程专业技术负责人〕单位试验员排水管道通水能力试验记录质控〔水〕表-2 共页第页单位〔子单位〕工程名称施工单位试验日期排水管始讫层次试验情况管路编号修复情况出现问题后结论质 检 员施 工 员专业监理工程师〔建立单位工程专业技术负责人〕施工单位试 验 员排水管道通球试验记录质控〔水〕表4.2.6-3 共 页 第 页单位〔子单位〕工程名称施工单位试验日期管道编号试验部位管径〔mm 〕球径〔mm 〕试 验 情 况出现问题后修复情况结论质 检 员施 工 员专业监理工程师〔建立单位工程专业技术负责人〕施工单位试 验 员水泵试运转测试检查记录质控〔水〕表 共 页 第 页单位〔子单位〕工程名称施工单位试运转日期设备名称型号规格安装位号制造厂名出厂日期水泵扬程出口压力间 隙轴向倾斜要求值〔滴〕径向位移联轴器用手盘动滴水情况填 料室每分钟实测值〔滴〕最高温度〔℃〕室内温度轴承温度机身温度阀门工作情况额定电压值(V)实 测I A实测电压值(V)I B 额定电流值(A)电 流值(A)I C电 动 机 绝 缘 电 阻 值相间绝缘电阻值〔MΩ〕相对地绝缘电阻值〔MΩ〕A - BB – CC – AA – EB – EC – E外 壳 接 地 电 阻 值〔Ω〕实测值其他试运转情况结论质 检 员施 工 员专业监理工程师〔建立单位工程专业技术负责人〕施工单位试 验 员雨水管道及配件安装工程检验批质量验收记录050202□□单位〔子单位〕工程名称分部〔子分部〕工程名称验收部位施工单位工程经理分包单位分包工程经理施工执行标准名称及编号施工质量验收规*的规定施工单位检查评定记录监理〔建立〕单位验收记录1室内雨水管道灌水试验第5.3.1条2塑料雨水管安装伸缩节第5.3.2条〔1〕管径50mm 20‰〔2〕管径75mm 15‰〔3〕管径100mm 8‰〔4〕管径125mm 6‰〔5〕管径150mm5‰3地下埋设雨水管道最小坡度〔6〕管径200~400mm4‰主控项目4悬吊雨水管最小坡度≤5‰1雨水管不得与生活污水管道连接第条2雨水斗管安装第条管径≤150 ≯15m 3悬吊式雨水管道检查口间距管径≥200 ≯20m焊口平直度管壁厚10mm 以内管壁厚1/4高 度焊缝加强面宽 度+1mm 深 度小于0.5mm 连续长度25mm4焊口允许偏差咬边长 度总长度〔两侧〕小于焊缝长度的10%一般项目5雨水管道安装的允许偏差同室内排水管第条专业工长〔施工员〕施工班组长施工单位检查评定结果工程专业质量检查员: 年 月 日监理〔建立〕单位验收结论专业监理工程师:〔建立单位工程专业技术负责人〕年 月 日分部工程质量验收记录〔建筑给水、排水及采暖〕质控〔水〕表4.2.9-8 05□□工程名称构造质式验收部位层 数建筑面积施工日期验收日期施工单位技术部门负责人质量部门负责人分包单位分包单位负责人分包技术负责人序号项目验收记录验收结论室内给水系统 □室内排水系统□室内热水供给系统 □卫生器具安装 □室内采暖系统□建筑中水系统及游泳池系统 □1子分部工程名称供热锅炉及辅助设备安装□共子分部,经查子分部,符合规*及设计要求子分部2质 量 控 制 资 料共项,经核查符合要求项,经核定符合规*要求项3安 全 和 功 能 检验〔检测〕报告共抽查项,符合要求项,经返工处理符合要求项4观 感 质 量共抽查项,符合要求项,不符合要求项综合验收意 见分包单位工程经理: 年 月 日施工单位工程经理: 年 月 日设计单位工程负责人:年 月 日验收单位监理〔建立〕单 位总监理工程师:〔建立单位工程负责人〕年 月 日室外给水管道安装工程检验批质量验收记录050601□□单位〔子单位〕工程名称分部〔子分部〕工程名称验收部位施工单位工程经理分包单位分包工程经理施工执行标准名称及编号施工质量验收规*的规定施工单位检查评定记录监理〔建立〕单位验收记录1埋地管道覆土深度第条2给水管道不得直接穿越污染源第条3管道上可拆和易腐件,不埋在土中第条4管井内安装与井壁的距离第条5管道的水压试验第条6埋地管道的防腐第条主控工程7管道冲洗和消毒第条1管道和支架的涂漆第条2阀门、水表安装位置第条3给水与污水管平行铺设的最小间距第条4管道连接符合规*要求第9.2.12,第9.2.13,第9.2.14,第9.2.15,第9.2.16,第埋地100mm 铸铁管敷设在沟槽内50mm 埋地100mm 坐标钢管、塑料管、复合管敷设在沟槽内或架空40mm 埋地±50mm铸铁管敷设在地沟内±30mm埋地±50mm 标高钢管、塑料管、复合管敷设在沟槽内或架空±30mm 铸铁管直段〔25m 以上〕起点~终点40mm一般项目5管道安装允许偏差水平管纵横向弯曲钢管、塑料管、复合管直段〔25m 以上〕起点~终点30mm 施工单位检查评定结果专业工长〔施工员〕施工班组长工程专业质量检查员:年月日监理〔建立〕单位验收结论专业监理工程师:〔建立单位工程专业技术负责人〕年月日管沟及井室工程检验批质量验收记录050603□□单位〔子单位〕工程名称分部〔子分部〕工程名称验收部位施工单位工程经理分包单位分包工程经理施工执行标准名称及编号施工质量验收规*的规定施工单位检查评定记录监理〔建立〕单位验收记录1管沟的基层处理和井室的地基设计要求2各类井盖的标识应清楚,使用正确第条3通车路面上的各类井盖安装第条主控工程4重型井圈与墙体结合部处理第条1管沟及各类井室的位置、坐标,沟底标高设计要求2管沟的回填要求第条一般3管沟岩石基底要求第条4管沟回填的要求第条5井室内施工要求第条项目6井室内应严密,不透水第条专业工长〔施工员〕施工班组长施工单位检查评定结果工程专业质量检查员:年月日监理〔建立〕单位验收结论专业监理工程师:〔建立单位工程专业技术负责人〕年月日室外排水管道安装工程检验批质量验收记录050701□□单位〔子单位〕工程名称分部〔子分部〕工程名称验收部位施工单位工程经理分包单位分包工程经理施工执行标准名称及编号施工质量验收规*的规定施工单位检查评定记录监理〔建立〕单位验收记录主控1管道坡度符合设计要求、严禁无坡或倒坡设计要求工程2灌水试验和通水试验第条1排水铸铁管的水泥捻口第条2排水铸铁管除锈、涂漆第条3承插接口安装方向第条4砼管或钢筋砼管抹带接口的要求第条埋地100mm 坐标敷设在沟槽内50mm 埋地±20mm 标高敷设在沟槽内±20mm 每5m 长10mm 一般项目5允许偏差水平管道纵横向弯曲全长〔两井间〕30mm专业工长〔施工员〕施工班组长施工单位检查评定结果工程专业质量检查员:年月日监理〔建立〕单位验收结论专业监理工程师:〔建立单位工程专业技术负责人〕年月日室外排水管沟及井池工程检验批质量验收记录050702□□单位〔子单位〕工程名称分部〔子分部〕工程名称验收部位施工单位工程经理分包单位分包工程经理施工执行标准名称及编号施工质量验收规*的规定施工单位检查评定记录监理〔建立〕单位验收记录1沟基的处理和井池的底板设计要求主控工程2检查井、化粪池的底板及进出口水管标高设计要求1井池的规格、尺寸和位置,砌筑、抹灰第条一般项目2井盖标识、选用正确第条施工单位检查评定结果专业工长〔施工员〕施工班组长工程专业质量检查员:年月日监理〔建立〕单位验收结论专业监理工程师:〔建立单位工程专业技术负责人〕年月日室外供热管道及配件安装工程检验批质量验收记录050801□□单位〔子单位〕工程名称分部〔子分部〕工程名称验收部位施工单位工程经理分包单位分包工程经理施工执行标准名称及编号施工质量验收规*的规定施工单位检查评定记录监理〔建立〕单位验收记录1平衡阀及调节阀安装位置及调试第条2直埋无补偿供热管道预热伸长及三通加固第条3补偿器位置和预拉伸、支架位置和构造第条4检查井、入口管道布置方便操作维修第条5直埋管道及接口现场发泡保温处理第条6管道系统的水压试验第条,第条7管道冲洗第条主控工程8通热试运行调试第条1管道的坡度设计要求2除污器构造、安装位置第条3管道的焊接第条,第条4管道安装对应位置尺寸第11.211、条5管道防腐应符合规*第条敷设在沟槽内及架空20坐标〔mm 〕埋地50敷设在沟槽内及架空±10标高〔mm 〕埋地±15管径≤100mm 1每1m管径>100m 1.5管径≤100mm ≯13水平管道纵、横方向弯曲〔mm 〕全长〔25mm 〕管径>100m ≯25管径≤100mm 8%椭圆率管径>100m 5%管径≤100mm 4一般项目6安装允许偏差折皱不平度〔mm 〕管径125~200mm 5管径250~400mm7厚度+0.1δ,-0.05δ卷材57管道保温允许偏差外表平整度〔mm 〕涂抹10专业工长〔施工员〕施工班组长施工单位检查评定结果工程专业质量检查员:年月日监理〔建立〕单位验收结论专业监理工程师:〔建立单位工程专业技术负责人〕年月日。
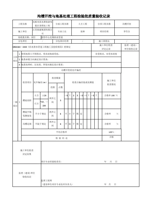
单位(子单位)工程质量竣工验收记录编号:工程名称 施工单位 项目经理类型 技术负责人 项目技术负责人验收记录工程造价开工日期 竣工日期 序号 项目 验收结论共 分部,经查 分部 分部1 2分部工程符合标准及设计要求质量控制 资料核查共 项,经审查符合要求 经核定符合规范规定项, 项安全和主要使共核查 项,符合要求 项,符合要求项, 用功能核查及抽查 3共抽查项, 项经返工处理符合要求结果观感质量 检验 共抽查 项,符合要求 项,4 5不符合要求项综合验收 结论建设单位设计单位 施工单位 监理单位(公章)参加 验收 单位(公章) (公章) (公章)项目负责人项目负责人 项目负责人 项目负责人年 月 日年 月 日 年 月 日 年月 日单位(子单位)工程质量控制资料核查表编号:工程名称 施工单位序 资料名称 份数 核查意见号○1管节、管件、管道设备及管配件等;○ 2防腐层材料、阴极保护设 材质质量 保证资料13 备及材料;○钢材、焊材、水泥、砂石、橡胶止水圈、混凝土、砖、 混凝土外加剂、钢制构件、混凝土预制构件○1管道接口连接质量检测(钢管焊接无损探伤检验、法兰或压兰螺2栓拧紧力矩检测、熔焊检验);○内外防腐层(包括补口、补伤)3 4 防腐检测;○预水压试验;○混凝土强度、混凝土抗渗、混凝土抗 2 施工检测冻、砂浆强度、钢筋焊接;○ 5回填土压实度;○6柔性管道环向变形7检测;○不开槽施工土层加固、支护及施工变形等测量;○ 8管道设9 10备安装测试;○阴极保护安装测试;○桩基完整性检测、地基处理 检测○1管道水压试验;○给水管道冲洗消毒;○管道位置及高程;○浅 埋暗挖管道、盾构管片拼装变形测量;○5混凝土结构管道渗漏水调7阴2 34 结构安全和使 用功能性检测3 46 查;○管道及抽升泵站设备(或系统)调试、电气设备电试;○ 8极保护系统测试;○桩基动测、静载试验○1控制桩(副桩)、永久(临时)水准点测量复核;○2施工放样复施工测量3核;○竣工测量○1施工组织设计(施工方案)、专题施工方案及批复;○2焊接工艺评定及作业指导书;○图纸会审、施工技术交底;○ 4设计变更、技 3 施工技术 管理5 6术联系单;○质量事故(问题)处理;○ 6材料、设备进场验收;计5 7量仪器校核报告;○工程会议纪要;○施工日记8○1验收批、分项、分部(子分部) 、单位(子单位)工程质量验收验收记录2记录;○隐蔽验收记录○1接口组对拼装、焊接、拴接、熔接;○ 2地基基础、地层等加固处3 理;○桩基成桩;○支护结构施工;○沉井下沉;○混凝土浇筑;45 67 8施工记录 竣工图○7管道设备安装;○顶进(掘进、钻进、夯进);○沉管沉放及桥8 9 10管吊装;○焊条烘陪、焊接热处理;○ 11防腐层补口补伤等结论: 结论:施工项目经理:总监理工程师:年月日年月日单位(子单位)工程观感质量核查表编号:工程名称 施工单位 序号 检查项目抽查质量情况好中差管道、管道附件位、 附属构筑物位置1 2 3管道设备 附属构筑物管道工程大口径管道(渠、廊);管道内部、管廊内管道安装4 5地上管道 (桥管、架空管、虹吸管 )及承重结构6 7回填土 管道结构 8防水、防腐 管缝(变形缝)进、出洞口 工作坑(井) 管道线形9 顶管、盾 构、浅埋暗 挖、定向 钻、 10 11 12 13 14 15夯管附属构筑物 下部结构地面建筑水泵机电设备、管道安装及基础支架 16抽升泵站17 18防水、防腐 附属设施、工艺观感质量综合评定结论:结论:施工项目经理:总监理工程师:年月日年月日单位(子单位)工程结构安全和使用功能性检测记录表编号:工程名称施工单位序资料核查意见功能抽查结果安全和功能检查项目号1 压力管道水压试验(无压力管道严密性试验)记录给水管道冲洗消毒记录及报告234阀门安装及运行功能调试报告及抽查检验其他管道设备安装测试报告及功能检测5 6管道位置高程及管道变形测量及汇总阴极保护安装及系统调测报告及抽查检验防腐绝缘检测汇总及抽查检验78 钢管焊接无损检测报告汇总9 混凝土试块抗压强度试验汇总10 混凝土试块抗渗、抗冻试验汇总1112131415地基基础加固检测报告桥管桩基础动测或静载试验报告混凝土结构管道渗漏水调查记录抽升泵站的地面建筑其他结论:结论:施工项目经理:总监理工程师:年月日年月日分部(子分部)工程质量验收记录编号:工程名称施工单位分包单位分部工程名称技术部门负责人分包单位负责人质量部门负责人分包技术负责人序号分项工程名称验收批数施工单位检查评定验收意见123456789质量控制资料安全和功能检验(检测)报告观感质量验收分包单位项目经理年年年月月月日日日施工单位项目经理验收单位设计单位项目负责人监理单位建设单位总监理工程师年年月月日日项目负责人(专业技术负责人)分项工程质量验收记录编号:工程名称 施工单位 分包单位分项工程名称验收批数项目经理项目技术负责人 施工班组长分包单位负责人 施工单位检查 评定结果序号 验收批名称、部位监理(建设)单位验收结论1 2 3 4 5 6 7 8 9 10 11 12 13 14 15 16 17 18 19 20验收 结 论检查 结论施工项目 监理工程师:技术负责人:(建设项目专业技术负责人)年 月 日 年月 日沟槽开挖与地基处理工程检验批质量验收记录编号:工程名称分部工程名称 专业工长分项工程名称 项目经理施工单位验收批名称、部位 分包单位分包项目经理施工班组长 施工单位检查 评定记录监理(建设) 单位验收记录GB50268-2008《给水排水管道工程施工及验收规范》 的规定1 原状地基土不得扰动、受水浸泡或受冻; 主 控 项2 3地基承载力应满足设计要求;目地基处理时,压实度、厚度应满足设计要求;应测点,实测点。
施工组织设计审批表年月日工程名称施工单位有关部门会签意见:结论:审批单位(盖章)审批人施工图设计文件会审记录填表人:施工技术交底记录年月日单位工程质量评定表工程名称:施工单位:序号部位(工序)名称合格率(%)质量等级备注平均合格率(%)评定意见评定等级(单位盖章)单位工程技术负责人:项目负责人:质检员:年月日工程部位质量评定表施工单位:工程名称:部位名称:如不慎侵犯了你的权益,请联系我们告知!()工序质量评定表单位工程名称:部位名称:工序名称:桩号位置:管径㎜施工项目技术负责人:施工员:质检员:年月日市政工程 工报告 填报单位:工程编号: 工程名称工程地点施工单位 负 责 人: 计划 开工日期年 月 日 设计单位 负 责 人: 竣工日期 年 月 日 建设单位 项目联系人: 实际 开工日期年 月 日 监理单位 总 监: 竣工日期年 月 日施工现场地址通讯电话:工程预(决)算设计(计划)工程数量实际完成工程数量备 注施工单位合同法人(公章) 审批单位(公章)人负责人(签名): 经办人:开竣施工负责人: 经办人: 填表日期: 年月日工序质量评定汇总表工程名称: 部位名称: 工序名称:工程技术负责人: 施工负责人: 质检员:工序隐蔽工程检查记录注:①项由施工单位填写;②~④由监理单位填写。
土基压实度汇总表注:工程所有填、挖土方,包括路基、沟槽填土、填浜、桥接坡等“每层”含义为20㎝压实厚度一层划分。
混凝土强度(性能)试验汇总表工程名称:施工单位:施工项目技术负责人: 填表人: 年月日砂浆试块强度试验汇总表单位工程名称: 共页第页序号试验编号制作日期部位名称砂浆强度达到设计强度(%)备注设计要求试验结果施工项目技术负责人: 填表人: 年月日无压力管道严密性试验记录混凝土浇注记录施工单位:注:本记录每浇注一次混凝土,记录一张。
施工项目技术负责人填表路床工序质量评定表单位工程名称:部位名称:桩号位置:工程技术负责人:施工负责人:质检员:年月日注:快速路和主干路挖方地段重型压实度为93%(CJJI—90P10表3·3·3).沥青混凝土面层工序质量评定表单位工程名称:部位名称:桩号位置:工程技术负责人:施工负责人:质检员:年月日注:①标准质量密度采用马歇尔稳定仪或30Mpa成型法测定;②弯沉值单位:㎜/100。
分部(子分部)工程质量验收记录编号:沟槽开挖工程检验批质量验收记录工程名称名山区百丈镇场镇基础设施项目分部工程名称土石方与地基处理分项工程名称沟槽开挖与支护施工单位长胜天建筑工程有限公司专业工长项目经理验收批名称、部位施工执行标准GB50268-2008《给水排水管道工程施工及验收规》施工班组长质量验收规的规定施工单位检查评定记录监理(建设)单位验收记录主控项目1 原状地基土不得扰动、受水浸泡或受冻;2 地基承载力应满足设计要求;3 地基处理时,压实度、厚度应满足设计要求;一般项目4沟槽开挖的允许偏差检查项目允许偏差(㎜)检查数量检查点偏差值或实测值围点数槽底高程土方±20两井之间石方+20、-200槽底中线每侧宽度不小于规定(700)两井之间沟槽边坡不陡于规定(1:0.5)两井之间共检测点,其中合格点,不合格点,合格率%施工单位检查评定结果项目专业质量检查员:项目技术负责人:年月日监理(建设)单位验收结论监理工程师(建设单位项目专业技术负责人)年月日省工程质量安全监督总站制沟槽回填(柔性管道)工程检验批质量验收记录编号:工程名称分部工程名称分项工程名称施工单位专业工长项目经理检验批名称、部位施工执行标准GB50268-2008《给水排水管道工程施工及验收规》施工班组长质量验收规的规定施工单位检查评定记录监理(建设)单位验收记录主控项目1 回填材料符合设计要求;2 沟槽不得带水回填,分层回填密实。
3柔性管道的变形率不得超出设计要求或回填至设计高程时,应在12~24h测量并记录管道变形率,管道变形率应符合设计要求;设计无要求时,变形率应不超过3%;变形率超过5%须返工。
4 回填土压实度应符合设计要求。
5 回填符合设计高程,表面平整。
6 回填时管道及附属物无损伤、沉降、位移。
一般项目4刚性管道沟槽回填土压实度检查项目压实度(%)检查数量检查点偏差值或实测值围点数管道基础管底基础90管道有效支撑角围95管顶以上500mm管道两侧95管道上部85±2管顶500~1000mm 90共检测点,其中合格点,不合格点,合格率%施工单位检查评定结果项目专业质量检查员:项目技术负责人:年月日监理(建设)单位验收结论省工程质量安全监督总站制沟槽回填(刚性管道)工程检验批质量验收记录Ⅰ编号:工程名称名山区百丈镇场镇基础设施项目分部工程名称土石方与地基处理分项工程名称沟槽回填施工单位长胜天建筑工程有限公司专业工长项目经理检验批名称、部位施工执行标准GB50268-2008《给水排水管道工程施工及验收规》施工班组长质量验收规的规定施工单位检查评定记录监理(建设)单位验收记录主控项目1 回填材料符合设计要求;2 沟槽不得带水回填,回填应密实;3 回填土压实度应符合设计或规要求。
目录安装工程主要设备、材料合格证 (5)()管道系统试压记录 (6)UPVC管道系统试压记录 (7)聚丙烯管道系统试压记录 (8)铝塑复合管道系统试压记录 (9)室外燃气管道试压记录 (10)室外燃气管道气密性试验 (11)室外给水管道试验记录(放水法) (12)室外给水管道试验记录(注水法) (13)室内燃气管道试验记录 (14)燃气表严密性试验记录 (15)散热器试验记录 (16)阀门试验记录 (17)设备试压记录 (18)自动喷水灭火系统试压记录表 (19)气体灭火剂输送管道试验记录 (20)焊工合格证书登记表 (21)焊口检查记录总汇 (22)焊缝外观质量检查记录 (23)金属管道超声波检验报告 (24)金属管道磁粉检验报告 (25)金属管道渗透检验报告 (26)气体灭火系统灭火剂贮存容器检查记录 (27)气体灭火系统选择阀、液体单向阀、高压软管 (28)气体单向阀、组合分配系统集流管试验记录 (28)卫生器具检查记录 (29)金属管道承插接口检查记录 (30)()管道隐蔽工程检查记录 (31)气体灭火系统隐蔽工程中间验收记录 (32)室外排水井内管顶高程竣工测量记录 (33)室外给水管管顶高程竣工测量记录 (34)管道补偿装置安装记录 (35)保温检查记录 (36)()管道吹洗记录 (37)自动灭火系统管网冲吹记录表 (38)给水系统消毒记录 (39)脱脂记录 (40)室内排水管道灌水试验记录 (41)室内排水管道通水试验记录 (42)室内排水管道通球检查记录 (43)室外排水管道闭水法试验 (44)室外砼排水管道闭气试验记录 (45)自动喷水灭火系统联动试验记录表 (46)设备开箱检查记录 (47)锅炉技术资料审核记录 (48)设备基础检查记录 (49)快装锅炉安装找平找正记录 (51)设备垫铁安装记录 (52)设备找正、找平记录 (53)设备精平记录 (54)水位表安装记录 (55)安全阀调试记录 (56)水泵检查运转记录 (57)风机检查运转记录 (58)()#蒸汽锅炉保护装置安装记录 (59)()#锅炉本体()小时热态试运记录 (60)锅炉煮炉记录 (61)锅炉烘炉记录 (62)室内给水管道及配件安装工程检验批质量验收记录表 (63)室内消火栓系统安装工程检验批质量验收记录表 (64)给水设备安装工程检验批质量验收记录表 (65)室内排水管道及配件安装工程检验批质量验收记录表 (66)雨水管道及配件安装工程检验批质量验收记录表 (67)室内热水管道及配件安装工程检验批质量验收记录表 (68)热水供应系统辅助设备安装工程检验批质量验收记录表 (69)卫生器具及给水配件安装工程检验批质量验收记录表 (70)卫生器具排水管道安装工程检验批质量验收记录表 (71)室内采暖管道及配件安装工程质量检验表 (72)室内采暖辅助设备及散热器及金属辐射板 (73)安装工程检验批质量验收记录表 (73)低温热水地板辐射采暖安装工程检验批质量验收记录表 (74)室外给水管道安装工程检验批质量验收记录表 (75)室外消防水泵结合器及消火栓 (76)安装工程检验批质量验收记录表 (76)管沟及井室检验批工程质量验收记录表 (77)室外排水管道安装工程检验批质量验收记录表 (78)室外排水管沟及井池工程检验批质量验收记录表 (79)室外供热管道及配件安装工程检验批质量验收记录表 (80)建筑中水系统及游泳池水系统安装工程 (81)检验批质量验收记录表 (81)锅炉安装工程检验批质量验收记录表 (82)锅炉辅助设备安装工程检验批质量验收记录表 (83)工艺管道安装工程检验批质量验收记录表 (84)锅炉安全附件安装工程检验批质量验收记录表 (85)热站安装工程检验批质量验收记录表 (86)安装工程主要设备、材料合格证()管道系统试压记录UPVC管道系统试压记录聚丙烯管道系统试压记录B-1-4铝塑复合管道系统试压记录B-1-5室外燃气管道试压记录B-1-6室外燃气管道气密性试验B-1-7室外给水管道试验记录(放水法)B-1-8室外给水管道试验记录(注水法)B-1-9室内燃气管道试验记录B-1-10燃气表严密性试验记录B-1-11散热器试验记录B-1-12阀门试验记录B-1-13设备试压记录B-1-14自动喷水灭火系统试压记录表B-1-15气体灭火剂输送管道试验记录B-1-16焊工合格证书登记表B-1-17焊口检查记录总汇B-1-18焊缝外观质量检查记录B-1-19技术负责人:质检员:班(组)长:金属管道超声波检验报告B-1-21金属管道磁粉检验报告B-1-22金属管道渗透检验报告B-1-23气体灭火系统灭火剂贮存容器检查记录B-1-24气体灭火系统选择阀、液体单向阀、高压软管气体单向阀、组合分配系统集流管试验记录卫生器具检查记录注:支托架:检查牢固(∨)不牢固(×)金属管道承插接口检查记录B-1-27技术负责人质检员班(组)长()管道隐蔽工程检查记录B-1-28气体灭火系统隐蔽工程中间验收记录室外排水井内管顶高程竣工测量记录B-1-30室外给水管管顶高程竣工测量记录B-1-31管道补偿装置安装记录保温检查记录()管道吹洗记录自动灭火系统管网冲吹记录表B-1-35给水系统消毒记录脱脂记录室内排水管道灌水试验记录室内排水管道通水试验记录B-1-39室内排水管道通球检查记录B-1-40室外排水管道闭水法试验室外砼排水管道闭气试验记录自动喷水灭火系统联动试验记录表B-1-43设备开箱检查记录锅炉技术资料审核记录设备基础检查记录。
给排水工程验收单验收单编号:2021001验收日期:2021年1月15日一、工程基本信息项目名称:xxx小区排水管道改造工程施工单位:xxx建筑工程有限公司监理单位:xxx工程监理有限责任公司验收单位:xxx小区业主委员会二、工程概况本次排水管道改造工程旨在解决xxx小区排水问题,提升小区内排水设施的安全性和可靠性。
改造范围包括主干管道、支线管道及相关附属设施的更新和维修。
三、验收内容根据设备安装及施工图纸要求以及工程规划方案,对以下工程进行了验收:1. 主干管道主干管道经过清理疏通后,安装了新的阀门、管道连接件,并进行了密封测试。
根据测试结果,管道密封性良好,无渗漏现象。
2. 支线管道支线管道采用新型耐腐蚀材料制作,连接紧密,无渗漏现象。
各支线管道按照规划方案进行布置,位置合理。
3. 排水设备排水设备包括水泵、阀门等,在施工过程中按照规划要求进行了安装。
排水设备的安装位置合理,操作简便,符合相关标准要求。
4. 排水井排水井经过清理和维修后,井盖严密,无异味及渗漏现象。
井内设备运转正常,达到设计要求。
四、验收结论经过对xxx小区排水管道改造工程的全面检查和测量,现确认以下结论:1. 所有工程内容按照设计方案和施工图纸要求进行了施工,工程质量符合相关标准和规范要求。
2. 管道连接紧密,无渗漏现象,排水系统运行良好。
3. 排水设备经过测试和调试,正常运行,满足小区排水需求。
基于以上验收结果,xxx小区业主委员会决定通过对xxx小区排水管道改造工程进行验收,确认工程质量合格,可以投入使用。
五、验收人员签字项目业主代表签字:日期:施工单位代表签字:日期:监理单位代表签字:日期:。
市政给排水工程验收表
格p
施工技术交底记录
年月日
工程名称部位
工序名称
交底内容:
交底单位接收单位
交底人接收人
单位工程质量评定表
工程名称:施工单位:
质量等级备注序号部位(工序)名称合格率
(%)
单位工程技术负责人:项目负责人:质检员:年月日
工程部位质量评定表施工单位:
工程名称:部位名称:
施工项目技术负责人:质检员:施工负责人:年月日
()工序质量评定表单位工程名称:部位名称:工序名称:桩号位置:管径㎜
施工项目技术负责人:施工员:质检员:年月日
市政工程工报告填报单位:工程编号:
工程名称工程地点
施工单位负责人:计
划开工日期年月日
设计单位负责人:竣工日期年月日
建设单位项目联系人:实
际开工日期年月日
监理单位总监:竣工日期年月日施工现场地址通讯电话:工程预(决)算
设计(计划)工程数量实际完成工程数量
备
注
施工单位合同法人(公章)审批单位(公章)人
负责人(签名):经办人:
施工负责人:经办人:填表日期:年月日
工序质量评定汇总表
工程名称:部位名称:工序名称:
桩号合格率备注
工程技术负责人:施工负责人:质检员:
工序隐蔽工程检查记录
注:①项由施工单位填写;②~④由监理单位填写。
土基压实度汇总表
负责人:填表人:日期:注:工程所有填、挖土方,包括路基、沟槽填土、填浜、桥接坡等“每层”含义为20㎝压实厚度一层划分。
混凝土强度(性能)试验汇总表
工程名称:施工单位:
施工项目技术负责人: 填表人: 年月日
砂浆试块强度试验汇总表单位工程名称:共页第页
施工项目技术负责人:填表人:年月日
无压力管道严密性试验记录
混凝土浇注记录施工单位:
注:本记录每浇注一次混凝土,记录一张。
施工项目技术负责人填表。