江苏省粉尘涉爆企业安全生产专项检查表(试行)
- 格式:doc
- 大小:106.50 KB
- 文档页数:6
南京粉尘涉爆企业安全生产专项检查表检查对象对南京市内所有涉及粉尘涉爆的企业进行检查,包括但不限于以下行业:•煤矿•炼油厂•化工厂•粉尘工厂•焊接行业检查内容1.企业安全管理制度是否完备,各项操作规程是否符合国家、行业标准,是否建立应急预案并进行演练。
2.设备设施是否符合国家、行业标准,设备是否定期检修维护,设备管理是否健全。
3.人员是否经过安全培训,是否掌握危险因素,并能正确使用安防设备。
4.环境风险控制是否有效,安全检查、监测是否到位。
5.企业是否建立安全生产责任制,各岗位职责是否明确,事故现场处置是否规范。
检查标准针对以上检查内容,我们将按照以下标准进行评分:•优秀:符合国家、行业标准,设施设备运行正常,安全生产责任制到位,安全管理规程完备,每年定期进行演习。
•良好:设备运行正常,员工日常行为安全意识强且职业技能齐全,发现问题及时整改。
•一般:设备管理不到位、设施设备不符合标准、人员缺乏安全知识、安全管理规程有缺陷、生产环境存在一定安全隐患、未建立健全安全生产责任制。
•较差:存在一定安全风险隐患,未进行应急演练,管理制度明显缺失,建筑布局不合理。
检查要求对于检查中发现的问题,将按照以下要求进行处理:•对于红线问题,一定要立即整改,并报告督查部门。
重复发现两次及以上的企业,将被列入安全生产失信黑名单。
•对于存在安全风险的企业,要及时通报督查部门,并限期整改,下次检查时将对问题整改情况进行复查。
•对于轻微问题,要及时整改,并做好记录,以备下次检查参考。
检查周期将按照安全生产风险等级划分,对于高、中、低三个等级的企业分别采取不同的检查周期。
具体周期安排如下:•高风险企业:每6个月进行一次全面检查;•中风险企业:每年进行一次全面检查,并不定期进行抽查检查;•低风险企业:每两年进行一次全面检查,并不定期进行抽查检查。
总结本次专项检查旨在加强南京市涉爆粉尘企业的安全生产管理和监管,对问题发现及时整改,保护人民群众的生命财产安全和城市稳定发展。
附件2南京市粉尘涉爆企业安全生产专项检查表1 / 92 / 94 / 95 / 96 / 97 / 9注:上表中黑体部分(序号7、10、11、12、13、14、18、27、32、39)作为重点检查内容,应有明确的结论。
8 / 9检查表引用依据:1、《中华人民共和国安全生产法》简称《安法》2、《江苏省安全生产条例》简称《生产条例》3、《严防企业粉尘爆炸五条规定》(国家安全监管总局令第68号)简称68号令4、《粉尘防爆安全规程》(GB15577-2007)简称GB155775、《企业主要负责人保护员工生产安全六条规定》(苏安〔2014〕26号)简称苏安〔2014〕26号6、《企业安全生产风险公告六条规定》(国家安全生产监督管理总局令第70号)简称70号令7、《生产经营单位安全培训规定》(国家安全生产监督管理总局令第3号)简称3号令8、《企业安全生产应急管理九条规定》(国家安全生产监督管理总局令第74号)简称74号令9、《关于进一步加强隐患排查治理体系建设检查督查通知》(苏安监〔2014〕39号)简称苏安监〔2014〕39号10、《建筑设计防火规范》(GB50016-2014)简称GB50016《建规》11、《爆炸危险环境电力装置设计规范》(GB 50058-2014)简称GB 5005812、《爆炸危险场所防爆安全导则》(GB/T29304-2012)简称GB/T2930413、《铝镁粉加工粉尘防爆安全规程》(GB 17269-2003)简称GB 1726914、《粉尘爆炸危险场所用除尘系统安全技术规范》(AQ 4273-2016)简称:AQ427315、《铝镁制品机械加工粉尘防爆安全技术规范》(AQ 4272-2016)简称AQ 427216、《危险场所电气防爆安全规范》(AQ3009-2007)简称AQ300917、《爆炸性环境第一部分通用要求》(GB3836.1-2010)简称GB3836.118、《粉尘爆炸危险场所用收尘器防爆导则》(GB/T17919-2008)简称GB/T1791919、《工贸企业有限空间作业安全管理与监督暂行规定》(国家安全监管总局令第59号)简称59号令20、《国务院安委会办公室关于深入开展铝镁制品机加工企业安全生产专项治理的通知》(安委办〔2012〕38号)简称安委办〔2012〕38号19、《个体防护装备选用规范》(GB/T 11651-2008)简称GB/T 1165120、《建筑灭火器配置设计规范》(GB 50014-2005)简称GB 5001421、《采暖通风与空气调节设计规范》(GB 50019-2003)简称GB 5001922、《建筑物防雷设计规范》(GB50057-2010)简称GB5005723、《继续深入开展全市粉尘涉爆企业安全生产专项治理工作实施方案》(宁安委办〔2016〕43号)简称宁安委办〔2016〕43号。
附件:江苏省粉尘涉爆企业安全生产专项检查表(试行)说明:1.粉尘是指粒径小于75μm的固体悬浮物。
粉尘类型:涉爆粉尘可以分为铝粉、镁粉、铁粉、锌粉、钛粉、锆粉、炭黑粉等金属粉尘;煤粉、焦炭粉、木炭粉等燃料粉尘;玉米粉、黄豆粉、面粉、淀粉、糖粉、奶粉等农产品粉尘;血粉、鱼骨粉、烟草、棉花、茶叶粉、纤维粉、木粉、纸粉等纤维鱼粉类粉尘;聚苯乙烯粉、橡胶塑料粉等合成树脂类粉尘、染料粉等化学类粉尘以及其他类粉尘。
具体填写请填写具体粉尘名称,比如铝粉。
2. 所属行业:产生涉爆粉尘的行业可以分为冶金煤粉制备、金属制品加工、粮食加工、饲料加工、食品加工、纺织品加工 、皮革羽毛制品加工、木材家具加工、纸制品加工、橡胶及塑料加工、烟草加工、其他。
检查表引用依据:1、《中华人民共和国安全生产法》简称《安法》2、《江苏省安全生产条例》简称《生产条例》3、《严防企业粉尘爆炸五条规定》(国家安全监管总局令第68号)简称68号令4、《粉尘防爆安全规程》(GB15577-2007)简称GB155775、《企业主要负责人保护员工生产安全六条规定》(苏安〔2014〕26号)简称苏安〔2014〕26号6、《企业安全生产风险公告六条规定》(国家安全生产监督管理总局令第70号)简称70号令7、《生产经营单位安全培训规定》(国家安全生产监督管理总局令第3号)简称3号令8、《企业安全生产应急管理九条规定》(国家安全生产监督管理总局令第74号)简称74号令9、《关于进一步加强隐患排查治理体系建设检查督查通知》(苏安监〔2014〕39号)简称苏安监〔2014〕39号10、《建筑设计防火规范》(GB50016-2014)简称GB50016《建规》11、《爆炸危险环境电力装置设计规范》(GB 50058-2014)简称GB 5005812、《爆炸危险场所防爆安全导则》(GB/T29304-2012)简称GB/T2930413、《铝镁粉加工粉尘防爆安全规程》(GB 17269-2003)简称GB 1726914、《危险场所电气防爆安全规范》(AQ3009-2007)简称AQ300915、《爆炸性环境 第一部分 通用要求》(GB3836.1-2010)简称GB3836.116、《粉尘爆炸危险场所用收尘器防爆导则》(GB/T17919-2008)简称GB/T1791917、《工贸企业有限空间作业安全管理与监督暂行规定》(国家安全监管总局令第59号)简称59号令18、《国务院安委会办公室关于深入开展铝镁制品机加工企业安全生产专项治理的通知》(安委办〔2012〕38号)简称安委办〔2012〕38号19、《个体防护装备选用规范》(GB/T 11651-2008)简称GB/T 1165120、《建筑灭火器配置设计规范》(GB 500140-2005)简称GB 50014021、GB 50019-2003 《采暖通风与空气调节设计规范》简称GB 5001922、《建筑物防雷设计规范》(GB50057-2010)简称GB50057。
完整版)粉尘涉爆企业检查表房相连时,应设置防火墙隔离。
办公场所应符合相关标准规范要求,如防火、通风、照明等。
应设置灭火器、烟雾探测器等消防设施,并定期检查维护。
5消防设施厂房内应设置灭火器、消防栓、烟雾探测器等消防设施,并按照相关标准规范要求进行定期检查维护。
应设置灭火器、烟雾探测器等消防设施,并定期检查维护。
如有自动灭火设备,应按照规定进行定期检查和维护。
6安全管理企业应建立健全安全管理制度,制定应急预案,并组织实施。
应定期进行安全培训和演练,提高员工安全意识和应急处置能力。
应建立健全安全管理制度,制定应急预案,并组织实施。
应定期进行安全培训和演练,提高员工安全意识和应急处置能力。
如发现安全隐患,应及时整改并记录,确保安全生产。
在邻近建筑物进行房贴时,其耐火等级应不低于二级,并且必须采用耐火极限不低于3小时的不燃烧体防爆墙进行隔离,并设置独立的安全出口。
有爆炸危险的工艺设备应该设置在建筑物外的露天场所。
对于在厂房内有粉尘爆炸危险的工艺设备,应该设置在建筑物内较高的位置,并且靠近工艺布置外墙。
如果必须在建筑内设置有爆炸危险的工艺设备,那么必须采取爆炸防护措施,例如惰化、爆炸抑制、爆炸泄压或者抗爆强度设计。
对于占地面积大于3000平方米的甲、乙、丙类厂房或占地面积大于1500平方米的乙、丙类仓库,应该设置环形消防车道。
如果确实有困难,那么应该沿建筑物的两个长边设置消防车道。
消防车道的净宽度和净空高度均不应小于4米。
对于具有火灾危险的生产厂区、厂房等的入口处或防火区内,必须设置“禁止烟火”、“禁止吸烟”、“禁止放易燃物”、“禁止带火种”、“当心火灾-易燃物”、“当心火灾-氧化物”和“当心爆炸-爆炸性物质”等标志。
必须按照标准规范设计、安装、使用和维护通风除尘系统。
每班必须按规定检测和规范清理粉尘。
在除尘系统停运期间和粉尘超标时,严禁作业,并停产撤人。
通风除尘系统可以有效降低作业场所粉尘浓度,减少作业现场粉尘沉积。
(6) 煤炭与碳素类粉尘褐煤、烟煤、无烟煤、活性炭、炭黑、焦炭、石油焦、泥炭、油页岩等。
(7) 化学粉尘制药行业粉尘、医药中间体,除草剂、杀虫剂、农药中间体,抗氧化剂,缓释剂,羧甲基纤维素、甲基纤维素、己二酸、蒽醌、抗坏血酸、乙酸钙、硬脂酸钙、硬脂酸钠、硬脂酸铅、多聚甲醛、抗坏血酸钠等。
(8) 纺织纤维棉、亚麻、羊毛、羽绒,涤纶、氨纶、腈纶等。
表2:涉及粉尘爆炸的行业(1)木材加工与家具生产。
例如:板材、地板、木质门窗生产与加工、家具、组合橱柜等生产企业。
(2) 粮食加工与储运例如:粮库,淀粉、面粉、饲料等生产企业。
(3) 金属粉体生产铝粉、镁粉、钛粉、锆粉、钴粉、锌粉等粉体生产(4) 金属加工例如:汽车/摩托车/自行车/轮椅/童车零部件、轮毂、刹车片、气缸、变速箱、装饰格栅、笔记本/平板电脑/手机框架、锁具、把手、气动阀门、五金日用品、镁铝钛合金加工等生产企业。
(5) 港口装卸与仓储例如:粮食码头、煤码头、硫磺码头及其仓储系统。
(6) 纺织例如:棉纺制品、亚麻制品、成衣、被服、羽绒服、卫生巾与护垫、尿不湿、袜子、帽子、围巾等生产企业。
(7) 发电与建材煤粉制备系统例如:火力发电厂、水泥厂、煤化工、炼铁厂等煤粉制备系统,焦炭生产系统。
(8) 塑料、树脂和橡胶生产与加工塑料、树脂原料生产企业,塑料制品、树脂制品、橡胶制品、塑料管材、塑料板材、轮胎、电路板、风力发电风叶等生产企业,粉末喷涂、喷塑、喷漆等表面处理企业。
(9) 轻工造纸企业(办公用纸、包装材料、纸板、壁纸),糖类(砂糖、白糖、红糖、麦芽糖、葡萄糖、果糖、乳糖)、冲调饮品(奶粉、咖啡),酒类(白酒、啤酒、麦芽、酒曲),调味品(酱油、食醋、味精、鸡精、汤料),茶叶、烟草等生产企业。
(9) 化工例如医药、农药、染料、硫磺、硫酸、煤化工等。
(10) 固体废弃物处理打印机、复印机、计算机、PCB电路板等废弃物处理企业。
表 3 常见可燃粉尘处理工艺除尘、投料、打包、机械输送、气力输送、制粉、破碎、粉碎、研磨、球磨、清选、筛分、风选、熔融雾化、喷雾造粒、混合、压片、流化床干燥、喷雾干燥、旋转干燥、气流干燥、铣屑、锯切、砂光、刷光、。
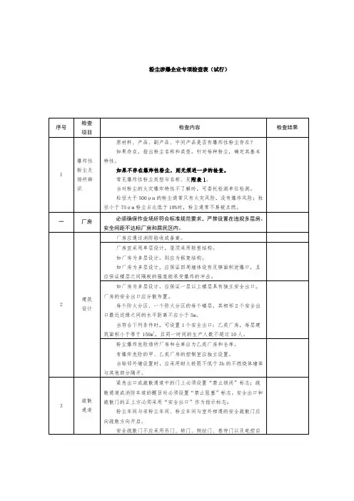
粉尘涉爆企业专项检查表(试行)粉尘涉爆企业专项检查表(试行)检查序号检查内容检查结果工程原材料、产品、副产品、中间产品是否有爆炸性粉尘存在?如果存在,指出粉尘名称和类型。
针对每种粉尘,确定其基本爆炸性特性。
粉尘及如果不存在爆炸性粉尘,则无须进一步的检查。
1场所辨常见爆炸性粉尘类型与名称、见附表1。
识当对粉尘的火灾爆炸特性不了解时,可委托检测单位检测。
粒径大于500μm的粉尘通常只有火灾风险,没有爆炸风险;粒径小于75μm粉尘占比低于10%时,粉尘通常不易被点燃。
必须确保作业场所符合标准规范要求,严禁设置在违规多层房、一厂房安全间距不达标厂房和居民区内。
厂房应通过消防验收或备案。
建筑厂房宜采用单层设计,屋顶采用轻型结构。
2设计如厂房为多层设计,则应为框架结构。
如厂房为多层设计,应保证四周墙体设有足够面积泄爆口,且应保证楼层之间隔板的强度能承受爆炸的冲击。
如厂房为多层设计,应保证一层以上楼层具有独立安全出口。
厂房的安全出口应分散布置。
每个防火分区、一个防火分区的每个楼层,其相邻2个安全出口最近边缘之间的水平距离不应小于5m。
当符合下列条件时,可设置1个安全出口:乙类厂房,每层建筑面积小于等于150m2,且同一时间的生产人数不超过10人。
粉尘爆炸危险场所厂房和仓库应为乙类厂房和仓库。
有爆炸危险的甲、乙类厂房的控制室应独立设置。
当贴邻外墙设置时,应采用耐火极限不低于3h的不燃烧体墙体与其他部分隔开。
紧急出口或疏散通道中的门上必须设置“禁止锁闭”标志;疏散通道或消防车道的醒目处必须设置“禁止阻塞”标志。
安全出口和疏散门的正上方必须采用“安全出口”作为指示标志;疏散3粉尘车间与非粉尘车间、粉尘车间与室外相通的安全疏散门应通道向疏散方向开启。
安全疏散门不应采用吊门、转门、侧拉门、卷帘门以及电控自动门。
序号检查工程检查内容检查结果4防火粉尘爆炸危险作业场所的厂房应与其他厂房或建(构)筑物分间距离,其防火安全间距应符合GB 50016 的相关规定。
附件 2南京市粉尘涉爆企业安全生产专项检查表企业名称区(开发园区)企业地址检查人员企业规模检查检查项目序号内容安全生产责任1 一制、基础管管理2 理制度规上□规下□企业总人数:检查重点内容建立覆盖全员的安全生产责任制;明确规定主要负责人、管理人员、有关部门等安全生产职责。
建立培训教育、劳动防护、危险作业审批(有限空间、动火等)、消防安全、安全用电、设备管理、现场管理、安全检查等制度。
建立粉尘爆炸危险作业场所安全操作规程,至少包括通风除尘系统使用维护、粉尘清理作业、打磨抛光作业、物料粉碎研磨作业、检维修作业、动火作业等。
主要负责人手机号码安全负责人联系电话粉尘类型所属行业检查时间联系电话单班直接从事粉粉尘作业场所尘作业人员数量人员最大数量检查依据存在问题《安法》第19 条、22条《生产条例》;68号令1 / 9检查 检查 检查重点内容检查依据存在问题项目序号内容存在粉尘爆炸危险作业场所的企业主要负责人和安全生产管理人员必须具备相应的粉尘防爆安全生产知识和管 《安法》 第 24 条、理能力。
企业必须对所有员工进行安全生产和粉尘防爆教25 条、 41 条;培训育,普及粉尘防爆知识和安全法规,使员工了解本企业粉 GB 15577 第 4.43教育条;尘爆炸危险场所的危险程度和防爆措施;对粉尘爆炸危险岗位的员工应进行专门的安全技术和业务培训, 并经考试 68 号令条文释义合格,方准上岗。
企业应建立隐患排查治理制度,结合本单位粉尘爆炸危险场所的特点,制定本企业粉尘防爆安全防控措施和检查《安法》第 38 条、风险 表。
组织开展班组、车间、企业危险源辨识,合理确定企GB15577第 4.3 条、4苏安监〔 2014〕 40 管理业和车间(或工段)检查频次,并做好记录。
对排查出的隐患要录入隐患自查自报系统,并向从业人员通报, 及时 号落实整改,消除隐患,形成闭环管理。
企业应根据相关规定, 结合企业特点, 编制粉尘爆炸专项应急救援预案, 组织进行应急救援预案演练, 确保相关人 应急5员掌握应急预案内容。
附件:
江苏省粉尘涉爆企业安全生产专项检查表(试行)
说明:
1.粉尘是指粒径小于75μm的固体悬浮物。
粉尘类型:涉爆粉尘可以分为铝粉、镁粉、铁粉、锌粉、钛粉、锆粉、炭黑粉等金属粉尘;煤粉、焦炭粉、木炭粉等燃料粉尘;玉米粉、黄豆粉、面粉、淀粉、糖粉、奶粉等农产品粉尘;血粉、鱼骨粉、烟草、棉花、茶叶粉、纤维粉、木粉、纸粉等纤维鱼粉类粉尘;聚苯乙烯粉、橡胶塑料粉等合成树脂类粉尘、染料粉等化学类粉尘以及其他类粉尘。
具体填写请填写具体粉尘名称,比如铝粉。
2. 所属行业:产生涉爆粉尘的行业可以分为冶金煤粉制备、金属制品加工、粮食加工、饲料加工、食品加工、纺织品加工、皮革羽毛制品加工、木材家具加工、纸制品加工、橡胶及塑料加工、烟草加工、其他。
检查表引用依据:
1、《中华人民共和国安全生产法》简称《安法》
2、《江苏省安全生产条例》简称《生产条例》
3、《严防企业粉尘爆炸五条规定》(国家安全监管总局令第68号)简称68号令
4、《粉尘防爆安全规程》(GB15577-2007)简称GB15577
5、《企业主要负责人保护员工生产安全六条规定》(苏安〔2014〕26号)简称苏安〔2014〕26号
6、《企业安全生产风险公告六条规定》(国家安全生产监督管理总局令第70号)简称70号令
7、《生产经营单位安全培训规定》(国家安全生产监督管理总局令第3号)简称3号令
8、《企业安全生产应急管理九条规定》(国家安全生产监督管理总局令第74号)简称74号令
9、《关于进一步加强隐患排查治理体系建设检查督查通知》(苏安监〔2014〕39号)简称苏安监〔2014〕39号
10、《建筑设计防火规范》(GB50016-2014)简称GB50016《建规》
11、《爆炸危险环境电力装置设计规范》(GB 50058-2014)简称GB 50058
12、《爆炸危险场所防爆安全导则》(GB/T29304-2012)简称GB/T29304
13、《铝镁粉加工粉尘防爆安全规程》(GB 17269-2003)简称GB 17269
14、《危险场所电气防爆安全规范》(AQ3009-2007)简称AQ3009
15、《爆炸性环境第一部分通用要求》(GB3836.1-2010)简称GB3836.1
16、《粉尘爆炸危险场所用收尘器防爆导则》(GB/T17919-2008)简称GB/T17919
17、《工贸企业有限空间作业安全管理与监督暂行规定》(国家安全监管总局令第59号)简称59号令
18、《国务院安委会办公室关于深入开展铝镁制品机加工企业安全生产专项治理的通知》(安委办〔2012〕38号)简称安委办〔2012〕38号
19、《个体防护装备选用规范》(GB/T 11651-2008)简称GB/T 11651
20、《建筑灭火器配置设计规范》(GB 500140-2005)简称GB 500140
21、GB 50019-2003 《采暖通风与空气调节设计规范》简称GB 50019
22、《建筑物防雷设计规范》(GB50057-2010)简称GB50057。