成套配电柜、控制柜(屏、台)和动力、照明配电箱(盘)及控制柜安装检验批质量验收记录
- 格式:docx
- 大小:20.75 KB
- 文档页数:2
成套配电柜控制柜和动力照明配电箱安装照明配电箱检验批质量验收记录照明配电箱是城市建设中不可或缺的一部分,它是用来将电力供应到建筑物的照明灯具、插座等设备的电源箱。
照明配电箱的安装和验收工作对于保障建筑物的安全和正常使用具有重要意义。
下面我们来详细描述成套配电柜、控制柜和动力、照明配电箱的安装和质量验收记录。
【安装记录】1.安装前准备1)仔细查看各种照明配电箱的规格、型号和数量,与施工图纸核对无误。
2)将成套配电柜、控制柜和动力、照明配电箱等设备存放在干燥、通风的地方,避免与湿气和腐蚀性物质接触。
3)清理施工现场,确保安装环境整洁、安全。
2.安装过程1)根据施工图纸要求,选择合适的位置进行安装,确保配电箱与配电设备之间的连接线路短、粗,防止能量损耗。
2)安装配电箱的支架或支撑架,确保箱体稳固固定。
3)将配电箱准确地固定在支架或支撑架上,并使用水平尺进行调整,确保配电箱安装水平、牢固。
4)配电箱之间的间距应符合设计要求,并保持间距均匀,便于操作和维修。
3.线路接线1)先将主开关和断路器等设备连接到电源线路。
2)根据施工图纸要求,将照明灯具、插座等设备的线路与相应的回路开关进行连接。
3)仔细检查每个接线点,确保接触良好,不得出现松动、插歪、接触不良等情况。
4.配电箱密封1)安装好所有的线路后,将配电箱的门盖严密关闭,使用密封胶条将门缝紧密封闭,防止灰尘、湿气等进入箱体。
施工单位:xxx 监理单位:xxx 建设单位:xxx工程名称:xxx 工程编号:xxx施工日期:年月日至年月日1.检验内容对成套配电柜、控制柜和动力、照明配电箱的安装质量进行验收检查。
2.检验标准根据国家相关标准和设计文件中规定的要求对照明配电箱的安装质量进行评定。
3.检验项目及结果项目名称安装要求验收结果配电箱安装位置按设计要求安装合格配电箱支架或支撑架稳固牢固合格配电箱水平调整安装水平合格配电箱间距符合设计要求合格线路接线规范密实合格密封情况密封严密合格4.检验结论经过对成套配电柜、控制柜和动力、照明配电箱的安装质量进行严格检查,各项指标均达到设计要求,安装质量良好,符合国家相关标准和设计文件的要求。
成套配电柜控制柜和动力照明配电箱安装检验批验收记录我们将按照以下步骤进行成套配电柜、控制柜(屏、台)和动力、照明配电箱(盘)安装检验批验收记录。
1.验收人员准备:确保验收人员熟悉相关的安装要求和验收标准,包括相关的技术规范、图纸和设计文件。
2.安装准备:确定每个配电柜、控制柜和配电箱的位置和布局,并确保安装现场符合相关的安全要求。
安装人员应按照设计要求和施工图纸进行安装。
3.安装检查:检查每个配电柜、控制柜和配电箱的安装质量。
包括以下内容:-安装位置是否准确,间距是否符合要求。
-安装是否平整牢固,螺栓是否拧紧。
-配线槽和接线端子是否安装正确,并且接线端子是否紧固可靠。
-配电柜内部的导线是否整齐、有序,并且符合设计要求。
4.验收测试:按照设计要求进行各种功能测试和安全测试,包括以下内容:-接地测试:使用接地电阻测试仪检测所有金属部件的接地电阻,确保符合相关标准。
-对地绝缘测试:使用绝缘电阻测试仪对所有电缆进行测试,确保对地绝缘符合要求。
-过电压保护测试:对过电压保护装置进行测试,确保在发生过电压时能够及时切断电源。
-短路保护测试:对短路保护装置进行测试,确保在发生短路时能够及时切断电源。
5.验收记录:将每个配电柜、控制柜和配电箱的安装和验收结果记录在验收表中。
该记录应包括以下内容:-设备的型号、规格和数量。
-安装的日期、地点和安装人员。
-检查和测试的结果。
-验收人员的签字和日期。
6.验收报告:根据以上记录,编写验收报告,对整个安装过程进行总结和评价。
报告应包括以下内容:-安装质量的总体评价。
-安装过程中出现的问题和处理方法。
-各个配电柜、控制柜和配电箱的详细检查和测试结果。
-验收人员的建议和意见。
以上是成套配电柜、控制柜和动力、照明配电箱安装检验批验收记录的一般步骤和要点。
根据具体的项目和要求,还可以根据需要增加其他的检查和测试内容。
成套配电柜、控制柜(屏台)和动力,照明配电箱(盘)与控制柜安装
分项工程质量验收记录(统表2)
电缆电线导管敷设分项工程质量验收记录DQ1.4
电线电缆敷设分项工程质量验收记录DQ1.4
电缆头制作接线与线路绝缘测试分项工程质量验收记录DQ1.4
配电箱、柜安装分项工程质量验收记录DQ1.4
灯具安装分项工程质量验收记录DQ1.4
插座开关风扇安装分项工程质量验收记录DQ1.4
建筑照明通电试运行分项工程质量验收记录DQ1.4
桥架安装分项工程质量验收记录DQ1.4
接地装置安装分项工程质量验收记录DQ1.4
防雷接地引下线敷设分项工程质量验收记录DQ1.4
接闪器安装分项工程质量验收记录DQ1.4
等电位安装分项工程质量验收记录DQ1.4。
成套配电柜、控制柜(屏、台)和动力、照明配电箱(盘)安装工程检验批质量验收记录表GB50303-2002(Ⅱ)低压成套柜(屏、台)060401说明(Ⅱ)060401 主控项目:1、柜、屏、台、箱、盘的金属框架及基础型钢必须接地(PE)或接零(PEN)可靠;装有电器的可开启门,门和框架的接地端子间应用裸编织铜线连接,且有标识。
2、低压成套配电柜、控制柜(屏、台)和动力、照明配电箱(盘)应有可靠的电击保护。
柜(屏、台、箱、盘)内保护导体应有裸露的连接外部保护导体的端子,当设计无要求时,柜(屏、台、箱、盘)内保护导体最小截面积S P不应小于表6.1.2的规定。
3、手车、抽出式成套配电柜推拉应灵活,无卡阻碰撞现象动触头与静触头的中心线应一致,且触头接触紧密,投入时,接地触头先于主触头接触;退出时,接地触头后于主触头脱开。
4、低压成套配电柜交接试验,必须符合本规范第4.1.5条的规定。
5、柜、屏、台、箱、盘间线路的线间和线对地间绝缘电阻值,馈电线路必须大于0.5MΩ;二次回路必须大于1MΩ。
6、柜、屏、台、箱、盘间二次回路交流工频耐压试验,当绝缘电阻值大于10MΩ时,用2500V兆欧表摇测1min,应无闪络击穿现象;当绝缘电阻在1~10MΩ时,做1000v交流工频耐压试验,时间1min,应无闪络击穿现象。
7、直流屏试验,应将屏内电子器件从线路上退出检测主回路线间和线对地间绝缘电阻值应大于0.5MΩ,直流屏所附蓄电池组的充、放电应符合产品技术文件要求;整流器的控制调整和输出特性试验应符合产品技术文件要求。
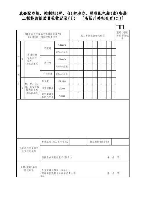
一般项目:1、柜、屏、台、箱、盘相互间或与基础型钢应用镀锌螺栓连接,且防松零件齐全。
2、柜、屏、台、箱、盘安装垂直度允许偏差为1.5‰,相互间接缝不应大于2mm,成列盘面偏差不应大于5mm。
3、柜、屏、台、箱、盘内检查试验应符合下列规定⑴控制开关及保护装置的规格、型号符合设计要求;⑵闭锁装置动作准确、可靠;⑶主开关的辅助开关切换动作与主开关动作一致;⑷柜、屏、台、箱、盘上的标识器件标明被控设备编号及名称,或操作位置,接线端子有编号。
配电柜、控制柜(屏、台)和动力、照明配电箱(盘)安装检验批质量验收记录表—(II)低压成套柜、屏、台
1. 检验批信息
项目内容
工程名称XXX工程
构件名称低压成套柜、屏、台
规格型号XXX型号
安装地点XXX地点
检验批次第1批
检验日期20XX年XX月XX日
2. 检查项目及结果
2.1 外观质量
1.开关柜表面光洁度:合格
2.开关柜构架、箱体、门板等零部件安装平整:合格
3.开关柜材料齐整完整,无残缺、凹陷等缺陷:合格
4.防护网安装牢固、整洁:合格
2.2 机电性能
1.进线柜及母排:A相 Voltage:220V、Current:20A, B相
Voltage:220V、Current:20A,C相 Voltage:220V、Current:20A:合格
2.主配电柜断路器使用:合格
3.整个配电柜的电源线路自黑色接口板进入各分支线路自白色接口板
出去:合格
2.3 保护性能
1.配电柜的接地线内阻:≤2Ω,合格
2.配电柜进出线接头压紧可靠,铜片表面清洁、光亮、接触良好,无氧
化、腐蚀等现象:合格
3.负荷开关使用情况:合格
3. 检验结果
经检验,本批次低压成套柜、屏、台的外观、机电性能和保护性能检查合格。
同时,该批次产品的生产、加工、装配、调试和出厂检验工作严格按照相关规定执行,符合有关标准要求。
4. 参考标准
1.《低压成套开关设备和控制设备通用技术条件》
2.《低压开关设备和控制设备安装及使用导则》
5. 检验员
检验员签字:XXX
6. 备注
无。
成套配电柜控制柜和动力照明配电箱及控制柜安装检验批质量验收记录一、项目基本信息项目名称:XX建筑工程验收时间:XXXX年XX月XX日施工单位:XX建设有限公司监理单位:XX监理有限公司验收单位:XX电力设计院二、工程概况本次验收的项目为成套配电柜、控制柜和动力、照明配电箱及控制柜安装工程。
其安装范围为XX建筑工程的动力、照明配电系统及控制系统。
1.安装材料的验收a)成套配电柜、控制柜和配电箱等设备的材质、规格、型号、数量是否符合设计要求;b)设备的外观是否完好无损,是否有明显的划痕、损坏等状况。
2.安装过程的验收a)成套配电柜、控制柜和配电箱等设备的安装是否符合图纸要求;b)安装是否符合施工规范要求;c)安装是否牢固可靠;d)安装过程中是否存在安全隐患。
3.安装记录的验收a)安装过程是否有实际记录,包括日期、施工人员等;b)安装记录中是否有安装误差的修正过程、调试等信息。
4.试运行的验收a)进行试运行前是否做了必要的漏电、短路等安全检查;b)试运行时设备是否正常运行;c)设备运行是否稳定,有无异常声音、异味等。
5.安全防护设施的验收a)是否按照国家标准和规范要求设置了必要的防护设施,如接地、绝缘等;b)防护设施是否有效,是否存在安全隐患。
四、验收结论根据以上安装质量验收记录,现对本次项目进行综合评定,结论如下:1.本次成套配电柜、控制柜和动力、照明配电箱及控制柜安装工程,安装质量符合设计要求和施工规范要求。
2.安装过程中符合安全要求,安全防护设施设置合理,不存在安全隐患。
3.设备试运行正常,运行稳定,没有发现异常情况。
以上结论经验收单位认可。
五、问题和不足在验收过程中发现以下问题和不足:1.部分设备外观存在小划痕,影响美观。
2.部分安装记录不完整,未记录安装误差的修正过程和设备调试情况。
以上问题和不足需施工单位进行整改。
六、整改要求1.施工单位应对设备外观划痕进行修复,使外观恢复完好。
2.施工单位应对安装记录进行补充,完善记录内容。
建筑电气工程检验批质量验收记录
成套配电柜、控制柜(屏、台)
和动力、照明配电箱(盘)安装检验批质量验收记录(首页)
建筑电气工程检验批质量验收记录
成套配电柜、控制柜(屏、台) 和动力、照明配电箱(盘)安『
检验批质量验收记录(中1页)
柜、屏、台、箱、盘内检查试验应符合下列规定:
1.控制开关及保护装置的规格、型号符合设计要求;
2.闭锁装置动作准确、可靠;
3.主开关的辅助开关切换动作与主开关动作一致;
4.柜、屏、台、箱、盘上的标识器件标明被控设备编号及名称,或操作位置,接线端子有编号,且清
晰、工整、不易脱色。
5.回路中的电子元件不应参加交流工频耐压试验;48V及以
下回路可不做交流工频耐压试验。
建筑电气工程检验批质量验收记录
成套配电柜、控制柜(屏、台).
和动力、照明配电箱(盘)安装检验批质量验收记录(中2页)
工程名称:株洲城市主要街道夜景艺术照明工程C标段
成套配电柜、控制柜(屏、台)
和动力、照明配电箱(盘)安装检验批质量验收记录(尾页)
注:规范中黑体字为强制性条文。
检查批的质量验收记录由施工项目专业质量检查员填写,监理工程师组织项目专业质量检查员等进行验收。
(注:范文素材和资料部分来自网络,供参考。
只是收取少量整理收集费用,请预览后才下载,期待你的好评与关注)。
成套配电柜控制柜和动力照明配电箱安装检验批质量验收记录一、前期准备1.检查施工方案和图纸,确保安装的配电柜位置符合要求。
2.检查材料清单,确保配电柜、控制柜和配电箱的规格、型号等与合同要求一致。
3.检查施工人员持证上岗情况,确保施工人员具备相应的操作技能和安全意识。
4.确定检验人员,并对其进行相关培训,使其了解验收的流程和要求。
二、安装检验过程1.安装前的准备工作:(1)检查现场环境是否清洁,确保无杂物和水淹情况,以免影响安装质量。
(2)检查场地的通风、排水等设施是否满足要求。
(3)核实验收人员的身份,确保落实责任。
2.安装过程:(1)按照施工方案和图纸要求,合理布置配电柜、控制柜和配电箱的位置。
(2)对配电柜、控制柜和配电箱进行安装,注意固定牢固,并确保布线连接正确。
(3)安装完毕后,进行清洁工作,确保无埋藏杂物和灰尘。
3.调试测试:(1)进行线路接地测试,确保接地电阻符合要求。
(2)进行线路绝缘测试,确保线路绝缘阻抗满足要求。
(3)进行电气性能测试,确保设备正常运行。
4.安全验收:(1)检查安装的配电柜、控制柜和配电箱是否牢固、合理。
(2)检查布线是否规范,接线是否正确。
(3)检查接地装置是否符合要求。
(4)检查标志、警示标识是否齐全、清晰。
以上检查工作,可制作检查表格,便于记录。
1.验收日期:_______年_______月_______日。
2.验收单位:_________。
3.验收人员:_________。
4.验收内容:(1)配电柜、控制柜和配电箱安装是否合理、牢固。
(2)布线是否规范、接线是否正确。
(3)接地装置是否符合要求。
(4)标志、警示标识是否齐全、清晰。
5.验收结果:(1)验收通过。
(2)验收不通过,具体原因:________________。
6.验收意见及处理:(1)对通过的部分可略过。
(2)对不通过的部分,应详细记录不通过的原因,并针对相应问题提出改进意见。
7.验收结论:根据以上验收情况,经过合理判定,对本次安装进行验收结论的明确。