超声波探头-UTIII
- 格式:doc
- 大小:186.00 KB
- 文档页数:13
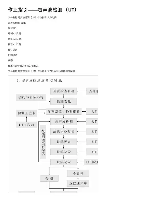
作业指引——超声波检测(UT)⽂件名称超声波检测(UT)作业指引发布时间超声波检测(UT)作业指引编制⼈: ⽇期:审核⼈: ⽇期:批准⼈: ⽇期:修订记录⽇期修订状态修改内容修改⼈审核⼈批准⼈⽂件名称超声波检测(UT)作业指引发布时间1.质量控制流程图⽂件名称超声波检测(UT)作业指引发布时间2.检测⼈员超声波检测⼈员必须持有中国船级社(CCS)颁发的资格证书,并在有效期范围内;签发报告、资料审核⼈员,必须持有国家技术监督局颁发的超声波探伤Ⅱ级或Ⅲ级资格证书,并在有效期内。
3.探伤仪、探头和系统性能3.1.探伤仪:采⽤A型脉冲反射式超声波探伤仪,其⼯作频率范围为1~5MHz,仪器⾄少在荧光屏满刻度的80%范围内呈线性显⽰。
探伤仪应具有80dB以上的连续可调衰减器,步进级每档不⼤于2dB,其精度为任意相邻12dB误差在±1dB以内,最⼤累计误差不超过1dB。
⽔平线性误差不⼤于1%,垂直线性误差不⼤于5%,其余指标应符合ZBY230的规定。
3.2.探头:3.2.1.本⼯程超声波检测使⽤的探头有单直探头、单斜探头等,具体划分应符合ZBY344的规定。
3.2.2.晶⽚有效⾯积⼀般不应超过50mm2,且任⼀边长不应⼤于25mm。
3.2.3.单斜探头声束轴线⽔平偏离⾓不应⼤于2°,主声束垂直⽅向不应有明显的双峰。
3.3.超声探伤仪和探头的系统性能:3.3.1.在达到所探⼯件的最⼤检测声程时,其有效灵敏度与量应⼤于或等于10dB。
3.3.2.仪器和探头的组合频率与⼯称误差不得⼤于±10%。
3.3.3.仪器和直探头组合的始脉冲宽度:对于频率为5MHz的探头,其占宽不得⼤于10mm;对于频率为2.5MHz的探头,其占宽不得⼤于15mm。
3.3.4.直探头的远场分辨⼒应⼤于或等于30dB,斜探头的远场分辨⼒应⼤于或等于6dB。
3.3.5.仪器和探头的系统性能应按ZBJ04001和ZBJ231的规定进⾏测试。
超声波检测(UT)的简要介绍——安维士超声波探伤(UT)是利用超声能透入金属材料的深处,并由一截面进入另一截面时,在界面边缘发生反射的特点来检查零件缺陷的一种方法,属于无损检测五大常规方法之一。
当超声波束自零件表面由探头通至金属内部,遇到缺陷与零件底面时就分别发生反射波,在荧光屏上形成脉冲波形,根据这些脉冲波形来判断缺陷位置和大小。
超声波检测方法可按以下方式分类按原理分可分为:脉冲反射法、衍射时差法、穿透法、共振法按显示方式分可分为:A型、B型、C型、D型、S型、P型。
按波形分可分为:纵波法、横波法、表面波法、板波法、爬波法按探头数目分可分为:单探头法、双探头法、多探头法按探头与试件的接触方式分可分为:接触法、液浸法、电磁耦合法按人工干预的程度分可分为:手工检测、自动检测每一个具体的超声检测方法都是上述不同分类方式的一种组合,如最常使用的:单探头横波脉冲反射接触法(A型显示)。
每一种检测方法都有其特点和局限性,针对每一检测对象所采用的不同的检测方法,是根据检测目的及被检工件的形状尺寸、材质等特征来进行选择的。
下面简单介绍下脉冲反射法。
超声波探头发射脉冲波到被检工件内,通过观察来自内部缺陷或工件底面反射波的情况来对试件进行检测的方法,称为脉冲反射法。
脉冲反射法可按检测方法分为缺陷回波法、底面回波高度法、底面多次回波法。
缺陷回波法:通过材料内部缺陷反射的声压幅度的大小来确定缺陷的大小。
a)无缺陷b)有缺陷底面回波高度法:当试件的材质和厚度不变时,底面回波高度应基本不变的,如果试件中有缺陷,则底面回波高度会下降甚至消失。
a)无缺陷b)有缺陷底面多次回波法:通过反射底波次数的减少来判断是否存在缺陷。
主要用于厚度不大,形状简单,探测面和底面平行的试件检测。
a)无缺陷b)小缺陷c)大缺陷作者杨年高级工程师南京安维士传动技术股份有限公司。
标题:UT超声波锻件检测标准大全一、引言超声波检测技术作为一种非破坏性检测方法,在锻件行业中得到广泛应用。
本文将介绍UT超声波锻件检测的标准要求,以帮助相关从业人员更好地进行检测工作。
二、UT超声波锻件检测标准的基本原理1. 超声波检测原理:简要介绍超声波在锻件检测中的基本原理和传播特性。
2. 检测设备:介绍UT超声波检测所需的设备和仪器,包括超声波探头、脉冲发生器、接收器等。
三、UT超声波锻件检测标准的技术要求1. 锻件准备:包括清洗、表面处理等操作,确保检测的准确性和可靠性。
2. 探头选择:根据锻件的材质、形状和尺寸等特点,选择合适的超声波探头。
3. 检测参数设置:确定合适的超声波检测参数,包括频率、幅度、增益等。
4. 检测范围和位置:明确需要检测的区域和位置,包括表面、内部等。
5. 检测方法:介绍UT超声波锻件检测的常用方法,如直接法、反射法、透射法等。
6. 缺陷评定标准:制定合理的缺陷评定标准,根据缺陷类型和大小进行判定。
四、UT超声波锻件检测标准的操作规程1. 检测前准备:包括设备校验、探头检查、标定等操作。
2. 检测步骤:按照预定的检测方法和参数,进行锻件的超声波检测。
3. 数据处理与分析:对检测到的数据进行处理和分析,判断是否存在缺陷。
4. 缺陷评定与报告:根据缺陷评定标准,对检测结果进行评定,并生成检测报告。
五、UT超声波锻件检测标准的质量控制要求1. 设备校验和维护:定期对设备进行校验和维护,确保其正常工作。
2. 检测人员培训:对从业人员进行培训,使其熟悉检测方法和操作规程。
3. 质量管理:建立完善的质量管理体系,包括记录、追溯和审查等。
六、UT超声波锻件检测标准的应用案例1. 锻件表面缺陷检测:以常见的表面缺陷为例,介绍如何应用UT超声波检测方法进行检测。
2. 锻件内部缺陷检测:以裂纹、夹杂等内部缺陷为例,介绍如何应用UT超声波检测方法进行检测。
七、结论本文详细介绍了UT超声波锻件检测的标准要求,包括技术要求、操作规程、质量控制要求等。
第一节超声波探头一. 以构造分类1. 直探头: 单晶纵波直探头双晶纵波直探头2. 斜探头:单晶横波斜探头1< L< n ,双晶横波斜探头单晶纵波斜探头L< 1 为小角度纵波斜探头L在1附近为爬波探头爬波探头;沿工件表面传输的纵波,速度快、能量大、波长长探测深度较表面波深,对工件表面光洁度要求较表面波松。
(频率2.5MHZ波长约2.4mm讲义附件11、12、17题部分答案)。
3. 带曲率探头: 周向曲率径向曲率。
周向曲率探头适合--- 无缝钢管、直缝焊管、筒型锻件、轴类工件等轴向缺陷的检测。
工件直径小于2000mm寸为保证耦合良好探头都需磨周向曲率。
径向曲率探头适合--- 无缝钢管、钢管对接焊缝、筒型锻件、轴类工件等径向缺陷的检测。
工件直径小于600mm时为保证耦合良好探头都需磨径向曲率。
4. 聚焦探头: 点聚焦线聚焦。
5. 表面波探头:(当纵波入射角大于或等于第二临界角, 既横波折射角度等于900形成表面波).沿工件表面传输的横波,速度慢、能量低、波长短探测深度较爬波浅,对工件表面光洁度要求较爬波严格。
第一章“波的类型”中学到:表面波探伤只能发现距工件表面两倍波长深度内的缺陷。
(频率2.5MHZ波长约1.3mm讲义附件11、12题部分答多晶/ I \ 钛酸顿钛酸铅钻钛酸铅I 特点 发射灵僵度高I I n逆压电效应 在交变电场作屈下,产生伸缩变形. 电能转声能发射超声菠d33= t/U 在压电晶片上加 U 这么大的应力,压电晶片在厚度上发生了t 的变化量,d33越大,发射灵敏度越高(82页最下一行错)。
2.压电电压常数g33:g33=UP/P 在压电晶片上加P 这么大的应力.在压电晶片上产生 UP 这么 大的电压,g33越大,接收灵敏度越高。
3.介电常数:=Ct/A C-电容、t-极板距离(晶片厚度)、A-极板面积(晶片面积); C 小f 小f 充、放电时间短.频率咼。
4.机电偶合系数K:表示压电材料机械能(声能)与电能之间的转换效率。
ut超声波检测步骤
UT(超声波检测)通常包括以下步骤:
1. 准备工作:确定检测对象、检测目的,并确保测试设备的正常工作状态。
2. 样品准备:对待检测的物体进行清洁和处理,确保表面平整和光滑。
3. 发射超声波:使用超声波发射器将超声波引入待检测物体中。
发射器通常通过传感器或探头与物体表面接触。
4. 接收超声波:使用超声波接收器捕获从待检测物体内部反射回来的超声波信号。
接收器通常与发射器位于同一传感器或探头中。
5. 数据处理:接收到的超声波信号传送到数据处理器中进行处理和分析。
数据处理器可能会将原始数据转换为图形化显示,进一步分析超声波信号的特征。
6. 结果评估:根据数据处理结果,对待检测物体的状态进行评估。
检测人员根据结果判断物体是否存在缺陷、损坏或其他异常。
7. 记录和报告:将检测结果进行记录并生成报告。
报告中应包括检测的详细信息,检测方法,检测结果和建议。
需要注意的是,这只是UT超声波检测的一般步骤,具体操作可能会根据不同的应用和设备而有所差异。
EN1712:1997+A1:2002目录页码EN1712:1997前言 (2)EN1712:1997/A1:2002前言 (2)1范围 (3)2引用标准 (3)3缺陷显示评定 (3)3.1一般 (3)3.2灵敏度调整 (4)3.3参考等级 (4)3.4评定等级 (5)3.5记录等级 (5)3.6缺陷显示长度的测量 (5)4验收等级 (5)4.1一般 (5)4.2纵向显示 (6)4.3横向显示 (6)4.4串列技术检出的显示 (6)4.5线性排列显示和组合显示 (7)4.6合格缺陷显示的累计长度 (7)5检测报告 (7)附录A(提示的)验收等级 (8)附录B(标准的)固定振幅电平方法 (12)附录ZA(提示的)符合欧盟指令基本要求或其他条款的本欧洲标准中的条款 (13)EN1712:1997+A1:2002 1范围本欧洲标准规定了铁素体钢中的全溶透焊缝的超声验收等级2和3,它们与EN25817标准中的指令等级B和C相对应。
标准也可使用其他验收等级。
与EN25817标准中的等级D相对应的验收等级未包含在本标准中,是因为对此焊缝质量不建议使用超声检测。
这些验收等级适用于依据EN12062中提到的标准所进行的检测。
然而,它们可配合其他规则应用于灵敏度调整的同类参考反射体所用的地方,但是合同当事人应约定。
本标准适用于检测厚度为8mm到100mm的全溶透铁素体钢焊缝。
同时本标准也可用于厚度大于100mm的其他类型的焊缝,材料,但是应用时必须考虑部件的几何和声学性能,同时设定足够的灵敏度使本标准的验收等级可以应用。
本欧洲标准中使用的探头的公称频率在2MHz和5MHz之间,除非频率衰减或要求较高分辨率需要其他频率。
需认真地考虑这些验收等级和本范围外的频率的使用。
2引用标准本欧洲标准包含注明日期或不注日期的标准,以及其它出版物的条款。
在文本中适当的位置引用这些EN1714焊缝无损检验焊缝的超声检验EN12062焊缝无损检验金属材料总则EN25817钢电弧焊焊缝缺陷质量等级导则(ISO5817:1992)3缺陷显示评定3.1一般缺陷显示评定应在检出的缺陷显示上进行,检测应依据EN1714进行。
■UT-P33 INSTRUCTION MANUAL 使用说明书目录一、简述 (1)二、规格 (1)三、操作环境及状况 (2)四、操作程序 (2)▉维护 (3)▉清洁 (3)▉保固 (3)▉维修 (3)CONTENTS1、Features (4)2、Specifications (4)3、Operating environmental conditions (5)4、Operating procedure (6)▉Maintenance (7)▉Cleaning (7)▉Warranty (7)▉Repair (7)一、简述:UT-P33差分探头提供一个安全的仪器给所有的示波器使用,它可以转换由高输入的差分电压(≤14KVPEAK TO PEAK)进入一个低电压(≤7V),并且显示波形在示波器上,使用频率高达70MHz,非常适合大电力测试、研发、维修使用。
差分探头输出标示是设计在操作示波器1MΩ的输入阻抗的相对衰减量,当使用50Ω匹配器进衰减量刚好为2倍量。
UT-P33差分探头,也建议选购本公司生产的PL-10阻抗转换器,可以延伸差分探头的应用范围-可以在电表上观测更精确的实际测量电压值(示波器精确度为1%,数位电表约精准10倍)。
二、规格:(1)频宽:DC-50MHz(1:100)DC-70MHz(1:1000)(2)衰减:x100,x1000(3)精确度:±1%(测量10V以上)(4)输入电压范围(DC+AC PEAK TO PEAK)≤1.4KVforx100,(约490V RMS或DC)≤14KVforx1000,(约4900V RMS或DC)(5)允许最高输入电压:最高差分电压:14KV(DC+AC PEAK TO PEAK)输入端及接地端间最高电压:5KV RMS(6)输入阻抗:差分:20MΩ/0.5pF单端到接地端间的输入阻抗:10MΩ/1pF(7)输出电压:≤7V(8)输出阻抗:50Ω(9)上升时间:5ns for x10007ns for x100(10)噪声抑制率:60Hz:>80dB;100Hz:>60dB;1MHz:>50dB(11)指定外接6V DC电源(12)耗电:最大耗电量150mA(0.9瓦特)三、操作环境及状况(1)尺寸及重量:245mm x84mm x36mm;(2)电子安全规范IEC1010-1双绝缘安装类目Ⅲ污染程度2相关电压或最大接地:5KV RMSCE:EN50081-1及50082-1四、操作程序将BP-250与UT-P33的输出端连接,并与示波器连结。
2015年UT3级开卷(部分)工艺分析题综合题一:筒体环缝焊接前,需先把坡口边缘的复合层去除,然后焊接,焊后进行无损检测,合格后再进行补堆焊。
筒体由复合钢板(堆焊层)做的,规格:基板80mm+复合层4mm。
(1)按《TSG R0004-2009 固定式压力容器安全技术监察规程》和JB/T4730.3-2005,写出UT 应采用的检测技术级别和合格级别,确定检测用探头和试块,并画出扫查示意图。
有以下探头2.5Pφ20,2.5Pφ25, 2.5FG4, 2.5FG40,说明所选探头,试块方法和如何调节灵敏度。
复合板:100%UT复合合缝:100%UT+20%RT,B-II级合格。
对复合钢板的UT,采用2.5PFG4探头,从堆焊层侧检测,采用T3b试块。
(2)对该复合板能否按JB/T4730.3-2005 附录F 规定的方法测定声能传输损耗差?如果可以,应如何操作?如果不可以,请说明理由并给出一种可行的方法。
不可以,因为附录F规定的方法是基于同材质进行测定的,而复合板是两种不同声速的材质,在复合界面处声波会产生畸变。
(3)如果检测采用CSK-IIA 试块,请确定其最小所需尺寸,并叙述DAC 曲线的制作方法。
尺寸至少是60X80X200mm,以1/4T和2/1T孔制作DAC曲线,判废线、定量线、评定线分别是:(4)卷成筒体焊接时复合层切开成48°的一个斜面倒角来方便基板的焊接,用k2探头检测时,发现有回波,说明产生原因,该回波应该在示波屏的什么深度位置显示。
复合层异质界面产生的回波,入射到熔合面发生反射、折射和波形转换的假信号,在采用深度2:1定位,约在40mm处显示。
由于粗晶结构对超声波的衰减很大,林状回波的出现也会降低信噪比,当超声波穿过异种金属焊缝界面时所产生的折射会使超声传播路径发生畸变,焊缝的粗大晶粒和各向异性也会使超声传播路径发生畸变,这些因素都会给超声检测和缺陷定位造成困难。
(5)从理论上分析说明该回波的波形有哪些特征。
一、判断题(每题1.5分,共30分)1、钢材中加入适量的Ni及Mn时,可以提高其耐腐蚀性。
(×)2、钢中铁素体组织是属于塑性、韧性良好,而强度和硬度稍低。
(○)3、低温压力容器焊接过程中角焊缝允许咬边存在。
(×)4、为防止钢材在低温下发生脆性破坏,一般说来,钢材的最低允许工作温度应高于无塑性转变温度。
. (○)5、消除应力退火时钢材的组织发生变化,应力的消除主要是靠在500~650℃的温度下保温及其后缓冷过程中产生的塑性变形或蠕变变形带来的应力松驰来实现的。
(×)6、奥氏体不锈钢焊接接头中,晶间腐蚀仅发生在焊缝表面或熔合线上,而热影响区则不会发生。
(×)7、低合金钢焊接时,热影响区有比较大的淬硬倾向是低合金钢焊接的重要特点之一。
(○)8、因为放射性同位素时刻不停地衰变并放出射线,所以射线的能量随着时间的推延而逐渐减弱。
(×)9、由于最小可见对比度随黑度的增大而增大,所以底片黑度过大会对缺陷识别产生不利的影响。
(○)10、各种压力容器封头中,受力状态最好的封头是标准椭圆封头。
(×)11、当工件外径相同,通过电流相同时,两端接触直接通电法和中心导体法在工件外表面产生的磁场强度相等。
(○)12、TOFD成像检测技术适用于各种缺陷尺寸的精确测定。
(×)13、一般来说,液体表面张力系数随温度上升而上升。
(×)14、渗透探伤前,对试件进行预清洗的最好办法是蒸汽除油。
(○)15、涡流检测是以电磁感应原理为基础的,因而它适用于各种导电材质试件的探伤。
(○)16、声发射检测无法探测静态缺陷。
(○)17、DL/T 820-2002《管道焊接接头超声波检验技术规程》适用于检验铁素体类钢的管道焊接接头,不适用于检验奥氏体钢类焊接接头。
(×)18、锅炉是利用各种燃料、电或者其它能源,将所盛装的液体加热到一定的参数,并承载一定压力的密闭设备。
超声检测ut工作原理
超声检测UT(Ultrasonic Testing)工作原理是利用超声波进入物体后遇到缺陷或被测物件的底面等异质界面,发生反射的特性进行检测。
具体来说,超声波探头发射的超声波脉冲通过声耦合介质(如机油或水等)进入材料,并在材料中传播。
当遇到声阻抗不同的异质界面时,就会产生反射。
反射的声波被探头接收并转变为电信号,经仪器放大后显示在示波器的荧光屏上。
根据缺陷反射波在荧光屏上的位置和幅度,可以测定缺陷的位置和大致尺寸。
超声检测UT具有无损、高效、高精度、高灵敏度等优点,因此在工业生产和质量控制中得到了广泛应用。
它可以检测各种材料,如金属、玻璃、陶瓷、复合材料等内部的缺陷、裂纹、气孔、夹杂物等,也可以测量厚度、硬度等参数。
以上内容仅供参考,如需获取更多信息,建议查阅相关文献或咨询专业人士。
ut超声波检测步骤
UT超声波检测是一种非破坏性检测方法,可以用于检测材料
内部的缺陷。
下面将介绍UT超声波检测的步骤。
第一步:准备工作
在进行UT超声波检测之前,需要准备一些工作。
首先需要确
定要检测的材料和检测的位置。
其次需要选择合适的探头和超声波仪器。
最后需要对仪器进行校准,以确保检测结果的准确性。
第二步:表面处理
在进行UT超声波检测之前,需要对被检测材料进行表面处理。
通常情况下,需要将被检测表面清洁干净,并去除表面的涂层和氧化层等。
第三步:涂抹耦合剂
在进行UT超声波检测之前,需要在探头和被检测表面之间涂
抹一层耦合剂。
耦合剂可以帮助超声波传递到被检测物体内部,并提高检测的准确性。
第四步:进行扫描
在进行UT超声波检测时,需要将探头贴近被检测表面,并沿
着被检测物体进行扫描。
在扫描过程中,超声波会穿过被检测物体,并在内部发生反射、折射等现象。
这些现象会被探头接收到,并转化为电信号,最终形成超声波图像。
第五步:分析结果
在进行UT超声波检测后,需要对结果进行分析。
通常情况下,可以通过观察超声波图像来确定被检测物体内部的缺陷位置、大小、形状等信息。
同时还需要对数据进行处理,以进一步提高检测结果的准确性。
总结:
以上就是UT超声波检测的步骤。
UT超声波检测是一种非常
重要的非破坏性检测方法,可以广泛应用于航空、航天、汽车、电力、建筑等领域。
在进行UT超声波检测时,需要注意安全
和准确性,并对仪器进行定期维护和校准,以确保其正常使用。
超声探伤仪校验规程1.目的:确保UT检测的质量活动所使用的超声探伤仪性能的符合性和有效性。
2.范围:本校验属于仪器使用性能年度例行校验,适用于A型脉冲反射式超声探伤仪的校准和检定,有效期为一年。
3.引用标准3.1《A型脉冲反射式超声探伤仪通用技术条件》(JB/T10061-1999)3.2《无损检测名词术语》(JB3111-82)3.3《压力容器无损检测》(JB4730-94)3.4《超声探伤用探头性能测试方法》(JB/T10062-1999)3.5《超声探伤用1号标准试块技术条件》(JB/T10063-1999)3.6《A型脉冲反射式超声波系统工作性能测试方法》(JB/T9214-1999)4.职责4.1应由总师负责领导,并负责对校验报告的签发。
4.2由UTⅢ级人员负责组织指导校验人员实施校验,并负责校验报告的审核。
4.3校验人员应由UTⅢ级人员提出,并报站长批准。
校验人员应熟悉A型脉冲反射式超声探伤仪的结构、工作原理和使用方法,熟悉本规程的引用标准,能正确按本规程方法进行校验工作,编制校验报告。
5.校验用标准试块及器具(应是计量部门检定合格的)5.1各种不同频率的常用直探头和斜探头(不须检定)5.2CSK-IA标准试块。
5.3不同规格的对比试块(均为炭钢锻制件)5.3.1JB4730-94规定的阶梯试块(DB-D1试块)φ)5.3.2Z20-1(251⨯⨯22580Φφ)Z20-2(25⨯⨯22580Φ2φ)Z20-4(25⨯⨯80Φ22545.4探头压块:保持探头在试块上的固定压力、重量为1kg6.校验6.1垂直线性误差测试:6.1.1测试设备a.各种频率的常用直探头b.对比试块:Z20-2或Z20-4c.探头压块6.1.2测试步骤a.连接探头与仪器“发”位置,并用探头压块将探头固定在Z20-2试块上并对准Φ2孔,调节探伤仪使示波屏上显示的孔的反射波幅度为垂直刻度的100%(满刻度),且衰减器至少有30d B余量;b.调节衰减器,依次记下每衰减2d B时孔波幅度的百分数,直至衰减到26d B,然后将孔波幅度实测值与表中的理论值相比较,取最大正偏差d(+)与最大负偏差d.在工作频率范围内,改用不同频率的探头,重复b 、c 方法进行测试。
超声波检测讲义(UT)超声波探伤是利用超声波在物质中的传播、反射和衰减等物理特性来发现缺陷的一种探伤方法。
与射线探伤相比,超声波探伤具有灵敏度高、探测速度快、成本低、操作方便、探测厚度大、对人体和环境无害,特别对裂纹、未熔合等危险性缺陷探伤灵敏度高等优点。
但也存在缺陷评定不直观、定性定量与操作者的水平和经验有关、存档困难等缺点。
在探伤中,常与射线探伤配合使用,提高探伤结果的可靠性。
超声波检测主要用于探测试件的内部缺陷。
1、超声波:频率大于20KH Z的声波。
它是一种机械波。
探伤中常用的超声波频率为0.5~10MHz,其中2~2.5MHz被推荐为焊缝探伤的公称频率。
机械振动:物体沿着直线或曲线在某一平衡位置附近作往复周期性的运动,称为机械振动。
振幅A、周期T、频率f。
波动:振动的传播过程称为波动。
C=λ*f2、波的类型:(1)纵波L:振动方向与传播方向一致。
气、液、固体均可传播纵波。
(2)横波S:振动方向与传播方向垂直的波。
只能在固体介质中传播。
(3)表面波R:沿介质表面传播的波。
只能在固体表面传播。
(4)板波:在板厚与波长相当的薄板中传播的波。
只能在固体介质中传播。
3、超声波的传播速度(固体介质中)(1) E:弹性横量,ρ:密度,σ:泊松比,不同介质E、ρ不一样,波速也不一样。
(2)在同一介质中,纵波、横波和表面波的声速各不相同 C L>C S>C R钢:C L=5900m/s, C S=3230m/s,C R=3007m/s4、波的迭加、干涉、衍射⑴波的迭加原理当几列波在同一介质中传播时,如果在空间某处相遇,则相遇处质点的振动是各列波引起振动的合成,在任意时刻该质点的位移是各列波引起位移的矢量和。
几列波相遇后仍保持自己原有的频率、波长、振动方向等特性并按原来的传播方向继续前进,好象在各自的途中没有遇到其它波一样,这就是波的迭加原理,又称波的独立性原理。
⑵波的干涉两列频率相同,振动方向相同,位相相同或位相差恒定的波相遇时,介质中某些地方的振动互相加强,而另一些地方的振动互相减弱或完全抵消的现象叫做波的干涉现象。
UT300/ UT301/ UT310超声波测厚仪说明对比UT300超声波测厚仪产品描述:UT300超声波测厚仪根据超声波脉冲反射原理来进行厚度测量的,当探头发射的超声波脉冲通过被测物体到达材料分界面时,脉冲被反射回探头,通过精确测量超声波在材料中传播的时间来确定被测材料的厚度。
凡能使超声波以一恒定速度在其内部传播的各种材料均可采用此原理测量,如金属类、塑料类、陶瓷类、玻璃类。
可以对各种板材和加工零件作精确测量,另一重要方面是可以对生产设备中各种管道和压力容器进行监测,监测它们在使用过程中受腐蚀后的减薄程度。
广泛应用于石油、化工、冶金、造船、航空、航天等各个领域。
UT300超声波测厚仪(标准型)技术参数:测量范围:-(钢)测量精度:显示分辨率:声速调节范围:1000-9999m/s工件表面温度:不超过60℃管材测量下限:ф15mm×(钢)报警功能:可设置限界,对限界外的测量值能自动蜂鸣报警数据输出:RS232接口,可与微型打印机或PC连接数据存储:500个测量值和5个声速值测量单位:可选择mm/inch电压指示:低电压指示最小厚度捕捉模式:可选择显示当前厚度值或最小厚度值工作时间:可达100小时(无背光时)外型尺寸:152mm×74mm×35mm重量:370g标准配置:主机、探头(5MHz)、耦合剂、仪器箱、随机资料可选附件:粗晶探头、微晶探头、高温探头、微型打印机、打印线缆、数据管理软件、通讯线缆UT301超声波测厚仪产品描述:UT301超声波测厚仪根据超声波脉冲反射原理来进行厚度测量的,当探头发射的超声波脉冲通过被测物体到达材料分界面时,脉冲被反射回探头,通过精确测量超声波在材料中传播的时间来确定被测材料的厚度。
凡能使超声波以一恒定速度在其内部传播的各种材料均可采用此原理测量,如金属类、塑料类、陶瓷类、玻璃类。
可以对各种板材和加工零件作精确测量,另一重要方面是可以对生产设备中各种管道和压力容器进行监测,监测它们在使用过程中受腐蚀后的减薄程度。
第一节超声波探头一.以构造分类1.直探头: 单晶纵波直探头双晶纵波直探头2.斜探头: 单晶横波斜探头α1<αL<αⅡ,双晶横波斜探头单晶纵波斜探头αL<α1为小角度纵波斜探头αL在α1附近为爬波探头爬波探头;沿工件表面传输的纵波,速度快、能量大、波长长探测深度较表面波深,对工件表面光洁度要求较表面波松。
(频率2.5MHZ波长约2.4mm,讲义附件11、12、17题部分答案)。
3.带曲率探头: 周向曲率径向曲率。
周向曲率探头适合---无缝钢管、直缝焊管、筒型锻件、轴类工件等轴向缺陷的检测。
工件直径小于2000mm时为保证耦合良好探头都需磨周向曲率。
径向曲率探头适合---无缝钢管、钢管对接焊缝、筒型锻件、轴类工件等径向缺陷的检测。
工件直径小于600mm时为保证耦合良好探头都需磨径向曲率。
4.聚焦探头: 点聚焦线聚焦。
5.表面波探头:(当纵波入射角大于或等于第二临界角,既横波折射角度等于900形成表面波).沿工件表面传输的横波,速度慢、能量低、波长短探测深度较爬波浅,对工件表面光洁度要求较爬波严格。
第一章“波的类型”中学到:表面波探伤只能发现距工件表面两倍波长深度内的缺陷。
(频率2.5MHZ波长约1.3mm,讲义附件11、12题部分答案)。
二.以压电晶体分类:三.压电材料的主要性能参数:1.压电应变常数d33:d33=∆t/U在压电晶片上加U这么大的应力,压电晶片在厚度上发生了∆t的变化量,d33越大,发射灵敏度越高(82页最下一行错)。
2.压电电压常数g33:g33=UP/P在压电晶片上加P这么大的应力.在压电晶片上产生UP这么大的电压,g33越大,接收灵敏度越高。
3.介电常数ε:ε=Ct/A[C-电容、t-极板距离(晶片厚度)、A-极板面积(晶片面积)]; C小→ε小→充、放电时间短.频率高。
4.机电偶合系数K:表示压电材料机械能(声能)与电能之间的转换效率。
对于正压电效应:K=转换的电能/输入的机械能。
对于逆压电效应:K=转换的机械能/输入的电能.晶片振动时,厚度和径向两个方向同时伸缩变形,厚度方向变形大,探测灵敏度高,径向方向变形大,杂波多,分辨力降低,盲区增大,发射脉冲变宽.(讲义附件16、19题部分答案)。
声速: 3240 M/S 工件厚度: 16.00MM 探头频率: 2.500MC探头K值: 1.96 探头前沿: 7.00MM 坡口类型: X坡口角度: 60.00 对焊宽度: 2.00MM 补偿: -02 dB判废: +05dB 定量: -03dB 评定: -09 dB焊口编号: 0000 缺陷编号: 1. 检测日期: 05.03.09声速: 3240 M/S 工件厚度: 16.00 MM 探头频率: 5.00 MC探头K值: 1.95 探头前沿: 7.00 MM 坡口类型: X坡口角度: 60.00 对焊宽度: 2.00 MM 补偿: -02 dB判废: +05 dB 定量: -03 dB 评定: -09 dB焊口编号: 0000 缺陷编号: 1. 检测日期: 05.03.095.机械品质因子 m:θm=E贮/E损,压电晶片谐振时,贮存的机械能与在一个周期内(变形、恢复)损耗的能量之比称……损耗主要是分子内摩擦引起的。
θm大,损耗小,振动时间长,脉冲宽度大,分辨力低。
θm小,损耗大,振动时间短,脉冲宽度小,分辨力高。
6.频率常数Nt:Nt=tf0,压电晶片的厚度与固有频率的乘积是一个常数,晶片材料一定,厚度越小,频率越高. (讲义附件16、19题部分答案)。
7.居里温度Tc:压电材料的压电效应,只能在一定的温度范围内产生,超过一定的温度,压电效应就会消失,使压电效应消失的温度称居里温度(主要是高温影响)。
8.超声波探头的另一项重要指标:信噪比---有用信号与无用信号之比必须大于18 dB。
(为什么?)四.探头型号(应注意的问题)1.横波探头只报K值不报频率和晶片尺寸。
2.双晶探头只报频率和晶片尺寸不报F(菱形区对角线交点深度)值。
例:用双晶直探头检12mm厚的板材,翼板厚度12mm的T型角焊缝,怎样选F值?讲义附件(2题答案)。
五.应用举例:1.斜探头近场N=a⨯b⨯COSβ/πλCOSα。
λ =C S/ƒ.直探头近场N=D2/4λ。
λ=C L/ƒ.2.横波探伤时声束应用范围:1.64N-3N。
纵波探伤时声束应用范围:≥3N。
双晶直探头探伤时,被检工件厚度应在F菱形区内。
3.K值的确定应能保证一次声程的终点越过焊缝中心线,与焊缝中心线的交点到被检工件内表面的距离应为被检工件厚度的三分之一。
4.检测16mm厚的工件用5P 9×9 K2、2.5P9X9K2、2.5P13X13K2那一种探头合适(聚峰斜楔).以5P9X9K2探头为例。
(1).判断一次声程的终点能否越过焊缝中心线?(焊缝余高全宽+前沿)/工件厚度(2).利用公式:N׳(工件内剩余近场长度)=N(探头形成的近场长度)—N״(探头内部占有的近场长度) =axbxcosβ/πxλxcosα–Ltgα/tgβ,计算被检工件内部占有的近场长度。
讲义附件(14题答案)。
A.查教材54页表:COSβ/COSα、tgα/tgβ与K值的关系材料K值 1.0 1.5 2.0 2.5 3有机玻璃COSβ/ COSα0.88 0.78 0.68 0.6 0.52 聚砜COSβ/ COSα0.83 0.704 0.6 0.51 0.44 有机玻璃tgα /tgβ0.75 0.66 0.58 0.5 0.44 聚砜tgα /tgβ0.62 0.52 0.44 0.38 0.33查表可知cosβ/cosα=0.6, tgα/tgβ=0.44, 计算可知α=41.35°.B.λ=C s/ƒ=3.24/5=0.65mmC.参考图计算可知:tgα=L1/4.5, L1=tg41.35°X4.5=0.88X4.5=3.96mm.cosα=2.5/L2, L2=2.5/cos41.5°=2.5/0.751=3.33mm,L=L1+L2=7.3mm, Ltgα/tgβ=7.3×0.44=3.21mm,(N״)由(1)可知,IS=35.8mm, 2S=71.6mmN=axbxcosβ/πxλxcosα=9×9×0.6/3.14×0.65=23.81mm,1.64N=39.1mm, 3N=71.43mm.工件内部剩余的近场(N׳)=N-N״=20.6mm(此范围以内均属近场探伤).(1.64N-N״)与IS比较, (3N-N״)与2S比较,使用2.5P13X13K2探头检测16mm厚工件,1.64N与3N和5P9X9K2探头基本相同,但使用中仍存在问题,2.5P9X9K2探头存在什么问题?一.探伤过程中存在的典型问题:不同探头同一试块的测量结果反射体深度1#探头2#探头横波折射角声程横波折射角声程mm ( 0 ) mm ( 0 )mm20 21.7 21.7 32.8 24.340 24.4 45.0 32.5 49.860 25.8 70 30.9 75.680 28.9 101.8 29.1 102.0注:1.晶片尺寸13⨯13 2.晶片尺寸10⨯20.试验中发现:同一探头(入射角不变)在不同深度反射体上测得的横波折射角不同,进一步试验还发现,折射角的变化趋势与晶片的结构尺寸有关,对不同结构尺寸的晶片,折射角的变化趋势不同,甚至完全相反,而对同一晶片,改变探头纵波入射角,其折射角变化趋势基本不变,上表是两个晶片尺寸不同的探头在同一试块上测量的结果.1#探头声束中心轨迹 2#探头声束中心轨迹1.纵波与横波探头概念不清.第一临界角:由折射定律SinαL/C L1=SinβL/C L2,当C L2>C L1时,βL>αL,随着αL增加,βL也增加,当αL增加到一定程度时,βL=900,这时所对应的纵波入射角称为第一临界角αI,αI=Sin-1C L1/C L2=Sin-12730/5900=27.60,当αL<αI时,第二介质中既有折射纵波L''又有折射横波S''.第二临界角:由折射定律SinαL/C L1=SinβS/C S2, 当Cs2>C L1时,βS>αL,随着αL增加,βS也增加,当αL增加一定程度时,βS=900,这时所对应的纵波入射角称为第二临界角αⅡ.αⅡ=Sin-1C L1/C S2=Sin-12730/3240=57.70.当αL=αI--αⅡ时,第二介质中只有折射横波S'',没有折射纵波L'',常用横波探头的制作原理。
利用折射定律判断1#探头是否为横波探头。
A.存横波探伤的条件:Sin27.60/2730=Sinβ/3240,Sinβ=Sin27.60⨯3240/2730=0.55,β=33.360,K=0.66。
B.折射角为21.70时:Sinα/2730=Sin21.70/3240,Sinα=Sin21.70⨯2730/3240,α=18.150,小于第一临界角27.60。
折射角为28.90时:Sinα/2730=Sin28.90/3240,Sinα= Sin28.90⨯2730/3240,α=240,也小于第一临界角27.60。
C.如何解释1#探头随反射体深度增加,折射角逐渐增大的现象,由A、B 可知,1#探头实际为纵波斜探头,同样存在上半扩散角与下半扩散角,而且上半扩散角大于下半扩散角。
(讲义附件9题答案)。
纵波入射角αL由00逐渐向第一临界角αI(27.60)增加时,第二介质中的纵波能量逐渐减弱,横波能量逐渐增强,在声束的一定范围内,θ下区域内的纵波能量大于θ上区域内的纵波能量,探测不同深度的孔,实际上是由θ下区域内的纵波分量获得反射回波最高点。
由超声场横截面声压分布情况来看,A点声压在下半扩散角之内,B点声压在上半扩散角之内,且A点声压高于B点声压。
再以近场长度N的概念来分析,2.5P 13⨯13 K1探头N=36.5mm,由此可知反射体深度20mm时,声程约21.7mm,β=21.70时N=40.07mm为近场探伤。
在近场内随着反射体深度增加声程增大,A点与B点的能量逐渐向C点增加,折射角度小的探头角度逐渐增大,折射角度大的探头角度逐渐减少。
2.盲目追求短前沿:以2.5P 13⨯13 K2探头为例,b=15mm与b=11mm,斜楔为有机玻璃材料;(1).检测20mm厚,X口对接焊缝,缺陷为焊缝层间未焊透.(2).信噪比的关系:有用波与杂波幅度之比必须大于18dB.(3).为什么一次标记点与二次标记点之间有固定波?由54页表可知:COSβ/COSα=0.68,K2探头β=63.44︒,COS63.44︒=0.447,COSα=0.447/0.68=0.66,COSα=6.5/LX,前沿LX=6.5/0.66=9.85mm。