施工组织流水施工的组织方式与工期计算终审稿)
- 格式:docx
- 大小:252.67 KB
- 文档页数:12
流水施工组织方式一、概述在建筑施工过程中,如何合理组织施工流程,成为了影响施工效率的关键因素之一。
流水施工是一种常见的组织方式,即以流水线的形式进行施工,通过统筹规划,优化施工流程,提高施工效率,降低施工成本。
本文将深入探讨流水施工的基本概念、流程规划、施工管理等方面。
二、流水施工的基本概念流水施工是一种将施工过程中的各个环节串联起来,形成一个流程,以达到高效率和高质量的施工方式。
其基本概念包括以下三个方面:1、流水线施工流水施工是基于流水线指定的生产过程和工序,由施工人员依次完成各项工作任务。
流水线上每个岗位的工作任务都固定不变,施工人员一旦掌握其对应的工作技能,便可快速、高效地完成自己的工作。
2、信息流和物流的协同配合在流水施工中,信息流和物流的协同配合很重要。
信息流主要指施工流程信息的传递,包括施工计划、设计图纸、工作指导书等。
物流主要指施工过程中涉及到的材料、设备和工具的物流运作,如后续工序所需的材料和工具等。
信息流和物流的协同运作可以避免因工期延误而影响施工质量和进度的问题。
3、精益施工 philosophy流水施工的核心在于实施精益施工理念,通过优化施工过程、降低工人负担、提高效率,实现生产效率和质量的最大化。
精益施工要求精益生产的思路,以及对施工过程中所有问题的预见和解决。
三、流水施工的流程规划流水施工的流程规划包括主要的工作流程、工作路径和各岗位的工作内容。
1、工作流程流水施工工作流程主要分为以下几个过程:•先期准备:对施工区域进行整理,防护,交通道路、设备符合施工要求,预先准备所需工具和材料。
•施工前期:现场人员协调工作,准确勘测,依据施工计划,先后布置工作并安排好所需材料。
•施工中期:按照计划及时组织好人员,保证各个岗位的工作齐心协力,快速完成各项工作。
•施工后期:在整段施工完毕之后,做好检查工作,处理尾差和尾款问题,并对施工过程、材料等进行整理和存档。
2、工作路径流水施工的工作路径较为固定,以保证施工的连贯性和高效性,主要包括理论路径和实际路径。
流水施工得组织方式与工期计算建筑工程得流水施工要求有一定得节拍,才能步调与谐,配合得当。
流水施工得节奏就是由流水节拍所决定得。
由于建筑工程得多样性,各分部分项得工程量差异较大,要使所有得流水施工都组织成统一得流水节拍就是很困难得。
在大多数情况下,各施工过程得流水节拍不一定相等,甚至一个施工过程本身在各施工段上得流水节拍也不相等。
因此形成了不同节奏特征得流水施工。
在节奏性流水施工中,根据各施工过程之间流水节拍得特征不同,流水施工可分为:等节拍流水施工;异节拍流水施工与无节奏流水施工三大类。
一、等节拍流水施工定义:就是指同一施工过程在各施工段上得流水节拍都相等,并且不同施工过程之间得流水节拍也相等得一种流水施工方式,也称为全等节拍流水或同步距流水。
节拍均为2天,组织等节拍流水施工,计算工期。
组织步骤:1、确定施工顺序,分解施工过程。
2、确定项目施工起点流向,划分施工段。
3、根据等节拍流水施工要求,计算流水节拍数值。
4、确定流水步距,K=t5、计算流水施工得工期。
工期计算:T=(m+n-1)×K=(4+4-1)×2=14 (天)二、异节拍流水施工定义:就是指同一施工过程在各施工段上得流水节拍都相等,但不同施工过程之间得流水节拍不完全相等得一种流水施工方式。
分为:一般异节拍流水与成倍节拍流水。
(一)一般异节拍流水施工定义:就是指同一施工过程在各施工段上得流水节拍相等,不同施工过程之如:某工程划分为A、B、C、D四个施工过程,分四个施工段组织流水施工,各施工过程得流水节拍分别为:tA =3,tB=4,tC=5,tD=3;试求该工程得工期。
组织步骤:1、确定流水施工顺序,分解施工过程。
2确定施工起点流向,划分施工段。
3确定流水节拍。
4确定流水步距。
5确定计划总工期工期计算:流水步距K A,B =t A =3天;K B,C =t B =4天;K C,D =m ×t C -(m -1)×t D =4×5-(4-1)×3=11(天)工期T=∑K+t n =(3+4+11)+(4×3)=30 (天)(二) 成倍节拍流水定义:就是指同一施工过程在各个施工段上得流水节拍相等,不同施工 过t A =2,t B =6,t C =4 试组织等步距得异节拍流水施工。
流水施工原理一、掌握流水施工参数的概念知识点:流水施工的参数为了说明组织流水施工时,各施工过程在时间和空间上的开展情况及相互依存关系,这里引入一些描述工艺流程、空间布置和时间安排等方面的状态参数-—流水施工参数,包括工艺参数、空间参数和时间参数。
(一)工艺参数工艺参数是指组织流水施工时,用以表达流水施工在施工工艺方面进展状态的参数,通常包括施工过程和流水强度两上参数。
1。
施工过程组织建设工程流水施工时,根据施工组织及计划安排需要而将计划任务划分成的子项称为施工过程。
施工过程的数目一般用小写n来表示,它是流水施工的确要参数之一。
根据性质和特点不同,施工过程一般分为三类,即建造类施工过程、运输类施工过程和制备类施工过程。
(1)建造类施工过程,是指在施工对象的空间上直接进行砌筑、安装与加工,最终形成建筑产品的施工过程。
(2)运输因施工过程,是指将建筑材料、各类构配件、成品、制品和设备等运到工地仓库或施工现场使用地点的施工过程.(3)制备类施工过程,是指为了提高建筑产品生产的工厂化、机械化程度和生产能力而形成的施工过程。
如砂浆、混凝土、各类制品、门窗等的制备过程和混凝土构件的预制过程。
由于建造类施工过程占有施工对象的空间,直接影响工期的长短,因此必须列入施工进度计划,并在其中大多作为主导施工过程或关键的工作。
运输类与制备类施工过程一般不占有施工对象的工作面,不影响工期,故不需要列入流水施工进度计划之中,只有当其占有施工对象的工作面,影响工期时,才列入施工进度计划中。
2.流水强度流水强度是指流水施工的某施工过程(专业工作队)在单位时间内完成的工程量,也称为流水能力或生产能力。
流水强度通常用大写V来表示。
表示:V——某施过程(队)的流水强度Ri-—投入该施工过程的第i 种资源量(施工机械台数或工人数)Si--投入该施工过程的第i 种资源的产量定额X—-投入该过程的资源种类数(二)空间参数空间参数是指在组织流水施工时,用以表达流水施工在空间布置上开展状态的参数.1。
施工组织流水施工的组织方式与工期计算集团标准化小组:[VVOPPT-JOPP28-JPPTL98-LOPPNN]流水施工的组织方式与工期计算建筑工程的流水施工要求有一定的节拍,才能步调和谐,配合得当。
流水施工的节奏是由流水节拍所决定的。
由于建筑工程的多样性,各分部分项的工程量差异较大,要使所有的流水施工都组织成统一的流水节拍是很困难的。
在大多数情况下,各施工过程的流水节拍不一定相等,甚至一个施工过程本身在各施工段上的流水节拍也不相等。
因此形成了不同节奏特征的流水施工。
在节奏性流水施工中,根据各施工过程之间流水节拍的特征不同,流水施工可分为:等节拍流水施工;异节拍流水施工和无节奏流水施工三大类。
一、等节拍流水施工定义:是指同一施工过程在各施工段上的流水节拍都相等,并且不同施工过程之间的流水节拍也相等的一种流水施工方式,也称为全等节拍流水或同步距流水。
为2天,组织等节拍流水施工,计算工期。
组织步骤:1、确定施工顺序,分解施工过程。
2、确定项目施工起点流向,划分施工段。
3、根据等节拍流水施工要求,计算流水节拍数值。
4、确定流水步距,K=t5、计算流水施工的工期。
工期计算:T=(m+n-1)×K=(4+4-1)×2=14 (天)二、异节拍流水施工定义:是指同一施工过程在各施工段上的流水节拍都相等,但不同施工过程之间的流水节拍不完全相等的一种流水施工方式。
分为:一般异节拍流水和成倍节拍流水。
(一)一般异节拍流水施工定义:是指同一施工过程在各施工段上的流水节拍相等,不同施工过程之间的流过程的流水节拍分别为:tA =3,tB=4,tC=5,tD=3;试求该工程的工期。
组织步骤:1、确定流水施工顺序,分解施工过程。
2确定施工起点流向,划分施工段。
3确定流水节拍。
4确定流水步距。
5确定计划总工期工期计算:流水步距K A,B =t A =3天;K B,C =t B =4天;K C,D =m ×t C -(m -1)×t D =4×5-(4-1)×3=11(天)工期T=∑K+t n =(3+4+11)+(4×3)=30 (天)(二) 成倍节拍流水定义:是指同一施工过程在各个施工段上的流水节拍相等,不同施工 过程的流水如:某项目有A,B,C 三个施工过程组成,流水节拍分别是t A =2,t B =6,t C =4 试组织等步距的异节拍流水施工。
建筑第三节流水施 工的 组织方式按照流水节拍的 节奏特征,流水作业主要包括全等节拍流水作业、成倍节拍流 水作业和分别流水作业三种方式。
一、全等节拍流水施 工1.组织全等节拍流水施 工的 条件当所有的 施 工过程在各个施 工段上的 流水节拍彼此相等,这时组织的 流水施 工 方式称为全等节拍流水。
组织这种流水,首先,尽量使各施 工段的 工程量基本相等; 其次,要先确定主导施 工过程的 流水节拍;第三,使其它施 工过程的 流水节拍与主 导施 工过程的 流水节拍相等,做到这一点的 办法主要是调节各专业队的 人数。
2 .组织方法(1)确定项目施 工起点流向,分解施 工过程。
(2)确定施 工顺序,划分施 工段。
(3)确定流水节拍。
根据全等节拍流水要求,应使各流水节拍相等。
(4)确定流水步距, k=t 。
(5)计算流水施 工的 工期。
流水施 工的 工期可按下式进行计算T=(j m+n- 1) K+ Z1- C · Σ Σ ·式中,为流水施 工总 工期;为施 工层数;为施 工段数;为施 工过程数;k为流水步距; z1为两施 工过程在同一层内的 技术组织间歇时间;c 为同一层内两 施 工过程间的 平行搭接时间。
T j m n (6)绘制流水施 工指示图表。
3 .应用举例(1)单层无技术间歇和搭接。
【例3-2】某分部 工程由四个分项 工程组成,划分成五个施 工段,流水节拍均为3天, 无技术组织间歇,试确定流水步距,计算 工期,并绘制流水施 工进度表。
【解】由已知条件知,宜组织全等节拍流水。
1.确定流水步距。
由全等节拍专业流水的 特点知: k=t =3天 2.计算 工期。
T=( m+n- 1)· k =( 5+4- 1)×3=24天 3.绘制流水施 工进度表。
如图3- 4。
图3-4 等节拍专业流水施工进度【例3-3】某二层现浇钢筋混凝土工程,有支模板、绑扎钢筋和浇混凝土三个施工过程,即 n=3。
工程组织流水施工方案一、前言工程组织流水施工是指在工程施工过程中,按照周密的计划和合理的安排进行生产经营或工作的一种模式,采取流水线生产方式,从而提高生产效率和降低成本。
本方案旨在通过合理安排施工流程、优化调度方案、提高工人生产效率,从而实现施工的高效率、高质量、低成本。
以下将从施工组织、流水作业、调度安排等方面详细探讨工程组织流水施工方案。
二、施工组织1.组织架构工程组织流水施工的组织架构应当清晰、合理,明确各岗位职责和工作职责。
主要包括总包部门、质量管理部门、安全管理部门、技术管理部门、物资管理部门、施工调度部门等多个部门。
其中,总包部门负责整体施工组织和管理,质量、安全、技术、物资管理部门分别负责各自领域的管理工作,施工调度部门负责施工流水线的调度和安排。
2.流水作业制度施工组织流水作业制度是施工组织流水施工的重要环节。
对于建筑施工而言,可以将施工分为土建、钢筋、混凝土、砌筑、抹灰、粉刷、装饰等多个流程,根据施工工序的特点和要求进行流水作业。
在进行流水作业时,应根据各工序的相对前后顺序和技术要求进行合理搭配,确保施工流水线的连续性和稳定性。
3.施工调度对于施工组织流水施工而言,施工调度是至关重要的环节。
施工调度的主要目的是将各工序的施工时间进行合理安排,最大限度地降低施工周期,提高施工效率。
在进行施工调度时,需要充分考虑各工序之间的技术依赖关系和制约关系,同时需要与材料供应、设备调配、人员安排等方面相互协调,确保施工流水线的畅通和高效。
三、流水作业1.流水生产线在工程组织流水施工中,应当将施工现场划分为不同的生产区域,根据各工序的特点和要求进行生产线的布置和设置。
流水生产线应当具备合理的流程和顺序,确保各工序之间的衔接和协调,同时应当设置相关的标识和导向,以指导施工人员的流程操作和作业。
2.设备和工具在工程组织流水施工中,需要充分考虑设备和工具的搭配和调配。
对于某些需要特殊设备和工具的工序,应当提前做好准备工作,并安排专职人员进行操作。
流水施工道理之杨若古兰创作一、把握流水施工参数的概念常识点:流水施工的参数为了说明组织流水施工时,各施工过程在时间和空间上的开展情况及彼此依存关系,这里引入一些描述工艺流程、空间安插和时间安插等方面的形态参数——流水施工参数,包含工艺参数、空间参数和时间参数.(一)工艺参数工艺参数是指组织流水施工时,用以表达流水施工在施工工艺方面进展形态的参数,通常包含施工过程和流水强度两上参数.1.施工过程组织建设工程流水施工时,根据施工组织及计划安插须要而将计划任务划分成的子项称为施工过程.施工过程的数目普通用小写n来暗示,它是流水施工的确要参数之一.根据性质和特点分歧,施工过程普通分为三类,即建造类施工过程、运输类施工过程和制备类施工过程.(1)建造类施工过程,是指在施工对象的空间上直接进行砌筑、安装与加工,终极构成建筑产品的施工过程.(2)运输因施工过程,是指将建筑材料、各类构配件、成品、成品和设备等运到工地仓库或施工现场使用地点的施工过程.(3)制备类施工过程,是指为了提高建筑产品生产的工厂化、机械化程度和生产能力而构成的施工过程.如砂浆、混凝土、各类成品、门窗等的制备过程和混凝土构件的预制过程.因为建造类施工过程据有施工对象的空间,直接影响工期的是非,是以必须列入施工进度计划,并在其中大多作为主导施工过程或关键的工作.运输类与制备类施工过程普通不据有施工对象的工作面,不影响工期,故不须要列入流水施工进度计划当中,只要当其据有施工对象的工作面,影响工期时,才列入施工进度计划中.2.流水强度流水强度是指流水施工的某施工过程(专业工作队)在单位时间内完成的工程量,也称为流水能力或生产能力.流水强度通经常使用大写V来暗示.暗示:V——某施过程(队)的流水强度Ri——投入该施工过程的第i 种资本量(施工机械台数或工人数)Si——投入该施工过程的第i 种资本的产量定额X——投入该过程的资本品种数(二)空间参数空间参数是指在组织流水施工时,用以表达流水施工在空间安插上开展形态的参数.1.工作面工作面是指在某专业工种的工人或某种施工机械进行施工的活动空间.工作面的大小,标明能安插施工人数或机械台数的多少.每个功课的工人或每台施工机械所需工作面的大小,取决于单位时间内其完成的工程量和平安施工的请求.工作面确定的合理与否,直接影响专业工作队的生产效力.是以,必须合理确定工作面.2.施工段将施工对象在平面或空间上划分成若干个劳动量大致相等的施工段落,称为施工段或流水段.施工段的数目普通用m暗示,它是流水施工的次要参数之一.(1)划分施工段的目的划分施工段的目的就是为了组织流水施工.在组织流水施工时,专业工作队完成一个施工段上的任务后,遵守施工组织顺序又到另一个施工段上功课,发生连续流动施工的后果.在一段情况下,一个施工段在同一时间内,只安插一个专业工作队施工,各专业工作队遵守施工艺顺序顺次投入功课,同一时间内在分歧施工段上平行施工,使流水施工均衡地进行.组织流水施工时,可以划分足够数量的施工段,充分利用工作面,防止窝工,尽能缩短工期.(2)划分施工段的准绳①同一专业工作队在各个施工段上的劳动量应大致相等,相差幅度不宜于超出10%~15%;②每个施工段内要有足够的工作面,以包管响应数量的工人、主导施工机械的生产效力,满足合理劳动组织的请求;③施工段的界限应尽可能与结构界限(如沉降缝、伸缩缝等)相吻合,或设在对建筑结构全体性影响小的部位,以包管建筑结构的全体性;④施工段的数目要满足合理组织流水施工的请求.施工段数目过多,会降低施工速度,耽误工期;施工段过少,晦气于充分利用工作面,可能形成窝工.⑤对于多层建筑物、构筑物或须要分层施工的工程,应即分施工段,又分施工层,各专业工作队顺次完成第一施工层中各施工段任务后,再转入第二施工层的施工段上功课,依此类推.以确保响应专业队在施工段与施工层之间,组织连续、均衡、有节奏地流水施工.(三)时间参数是指在组织流水施工时,用以表达流水施工在时间安插上所处形态的参数,次要包含流水节拍、流水步距和流水施工工期等.1.流水节拍流水节拍是指在组织流水施工时,某个专业工作队在一个施工段上的施工时间.第j个专业工作队在第i个施工段的流水节拍普通用tj,i来暗示(j=1,2……,n;i=1,2,……,m).流水节拍是流水施工的次要参数之一,它标明流水施工的速度和节奏性.流水节拍小,其流水速度快,节奏感强;反之则相反.流水节拍决定着单位时间的资本供应量,同时,流水节拍也是区别流水施工组织方式的特征参数.同一施工过程的流水节拍,次要由所采取的施工方法、施工机械和在工作面答应的前提下投入施工的工人数、机械台数和采取的工作班次等身分确定.有时,为了均衡施工和减少转移施工段时耗费的工时,可以适当调整流水节拍,其数值最好为半个班的整数倍.流水节拍确定方法:(1)定额计算法如果已有定额尺度时,可按公式(2-2)或公式(2-3)确定流水节拍.式中:Sj——第j个专业工作队的计划产量定额;Rj——第j个专业工作队所投入的人工数或机械台数;Nj——第j个专业工作队的工作班次;Qj,i——第j个专业工作队在第i个施工段要完成的工程量或工作量.(2)经验估算法2.流水步距流水步距是指组织流水施工时,相邻两个施工过程(或专业工作队)接踵开始施工的最小间隔时间.流水步距普通用Kj,j+1来暗示,其中j(j=1,2,……,n-1)为专业工作队或施工过程的编号.它是流水施工的次要参数之一.流水步距的数目取决于介入流水的施工过程数.如果施工过程数为n个,则流水步距的总数为n-1个.流水步距的大小取决相邻两个施工过程(或专业工作队)在各个施工段上的流水节拍及流水施工的组织方式.确定流水步距,普通应满足以下基本请求:(1)各施工过程按各自流水速度施工,始终坚持工艺前后顺序;(2)各施工过程的专业工作队投入施工后尽可能坚持连续功课;(3)相邻两个施工过程(或专业工作队)在满足连续施工的条件下,能最大限制地实现全理搭接.3.流水施工工期流水施工工期是指从第一个专业工作队投入流水施工开始,到最初一个专业工作队完成流水施工为止的全部持续时间.因为一项建设工程常常包含有很多流水组,故流水施工工期普通均不是全部工程的总工期.典型题型:1.建设工程组织流水施工时,某专业工作队在单位时间内所完成的工程量称为( C ).A.流水节拍B.流水步距C.流水强度D.流水节奏2.建设工程组织流水施工时,用以表达流水施工在空间安插上上开展形态的参数有(D ).A.流水节拍B.流水步距C.间歇时间D.施工段3.建设工程组织流水施工时,用以表达流水施工在施工工艺方面进展形态的参数之一是( B).A.流水段B.施工过程C.流水节拍D.流水步距4.施工段是用以表达流水施工的空间参数.为了合理地划分施工段,应遵守的准绳包含(BCE ).A.施工段的界限与结构界限有关,但应使同一专业工作队在各个施工段的劳动量大致相等B.每个施工段内要有足够的工作面,以包管响应数量的工人、主导施工机械的生产效力,满足合理劳动组织的请求C.施工段的界限应设在对建筑结构全体性影响小的部位,以包管建筑结构的全体性D.每个施工段要有足够的工作面,以满足同一施工段内组织多个专业工作队同时施工的请求E.施工段的数目要满足合理组织流水施工的请求,并在每个施工段内有足够的工作面二、把握非节奏流水施工的特点、流水步距及流水施工工期的计算方法2.1、非节奏流水施工的特点1.各施工过程在各施工段的流水节拍不全相等;2.相邻施工过程的流水步距不尽相等;3.专业工作队数等于施工过程数;4.各专业工作队能够在施工段上连续功课,但有的施工段之间可能有空闲时间.2.2、流水步距的确定在非节奏流水施工中,通常采取累加数列错位相减取大差法计算流水步距.因为这类方法是由潘特考夫斯基首先提出的,故又称为潘特考夫斯基法.累加数列错位相减取大差法的基本步调:1.对每一个施工过程在各施工段上的流水节拍顺次累加,求得各施工过程流水节拍的累加数列;2.将相邻施工过程流水节拍累加数列中的后者错后一名,相减后求得一个差数列;3.在差数列中取最大值,即为这两个相邻施工过程的流水步距.例:某工程由3个施工过程构成,分为4个施工段进行流水解:(1)求各施工过程流水节拍的累加数列:施工过程Ⅰ:2,5,7,8施工过程Ⅱ:3,5,9,11施工过程Ⅲ:3,7,9,11(2)错位相减求得差数列:2.3、流水施工工期确定流水施工工期可按公式计算:T=∑K+∑tn+∑Z+∑G-∑C式中:T——流水施工工期;∑K——各施工过程(或专业工作队)之间流水步距之和;∑tn——最初一个施工过程(或专业工作队)在各施工段流水节拍之和;∑Z——组织间歇时间之和;∑G——工艺间歇时间之和;∑C——提前拔出时间之和.典型题型:1.建设工程组织非节奏流水施工时的特点包含( BCE).A.各专业工作队不克不及在施工段上连续功课B.各施工过程在各施工段的流水节拍不全相等C.相邻专业工作队的流水步距不尽相等D.专业工作队数小于施工过程数E.有些施工段之间可能有空闲时间2.某分部工程有两个施工过程,各分为4个施工段组织流水施工,流水节拍分别为2、4、3、4天和3、5、4、5天,则流水步距和流水施工工期分别为( B )天.A.2和19 B.3和20C.4和20 D.5和192.4、熟悉固定节拍流水施工特点及流水施工工期的计算方法常识点:(一)固定节拍(等节拍)流水施工的特点1.所有施工过程在各个施工段上的流水节拍均相等;2.相邻施工过程的流水步距相等,且等于流水节拍;3.专业工作队数等于施工过程数,即每一个施工过程成立一个专业工作队,由该队完成响应施工过程所有施工段上的任务;4.各个专业工作队在各施工段上能够连续功课,施工段间没有空闲时间.常识点(二)固定节拍(等节拍)流水施工工期某固定节拍流水施工,有A.B.C.D四个施工过程,施工段数m等于3个施工段,固定节拍流水所有施工过程在各个施工段上的功课时间全部相等,如A在第一个工作段是2天,第二个工作段是2天,第三个工作段是2天;B同样在第一个施工段2天,第二个流水段是2天,第三个流水段是2天,同理C.D一样,在每个施工段上的流水节拍都是2天.相邻的两个施工过程之间的间隔叫流水步距,A和B是两上相邻的两个施工过程,A和B之间的时间间隔是KA,B.KB,C.KC,D.流水工期:T=(n-1)K+mt=(n-1)t+mt=(m+n-1)t1.有间歇时间的固定节拍流水施工所谓间歇时间,是指相邻两个施工过程之间因为工艺或组织安插须要而添加的额外等待时间,包含工艺间歇时间(Gj,j+1)和组织间歇时间(Zj,j+1).某固定节拍流水施工,有A.B.C.D四个施工过程,施工段数m等于3,流水节拍为2天,在C与D之间有工艺间歇时间G.T=(m+n-1)t+GT=(m+n-1)t+∑G+∑Z例:施工过程数n=4,施工段数m=4,流水节拍t=2,流水步距K=t=2,所有组织间歇Z=0,除Ⅱ和Ⅲ之间GⅡ,Ⅲ=1,其余的为0.如许的一个工程要组织固定节拍流水施工,其流水施工总工期是多少?按公式:T=(m+n-1)×t+∑G+∑Z=(4+4-1)×2+1=15天2.有提前拔出时间的固定节拍流水施工所谓提前拔出时间,是指相邻两个专业工作队在同一施工段上共同功课的时间.在工作面答应和资本有包管的前提下,专业工作队提前拔出施工,可以缩短流水施工工期.对于有提前拔出时间的固定节拍流水施工,其流水施工工期T可按公式计算:T=(n-1)t+∑G+∑Z-∑C+m•t=(m+n-1)t+∑G+∑Z-∑C典型题型:1.基础工程划分4个施工过程(挖基槽、作垫层、混凝土浇筑、回填土)在5个施工段组织固定节拍流水施工,流水节拍为3天,请求混凝土浇筑2天后才干进行回填土,该工程的流水工期为(C)天.A.39 B.29 C.26 D.142.5、熟悉成倍节拍流水施工特点及流水施工工期的计算方法常识点(一)加快的成倍节拍流水施工的特点1.同一施工过程在其各个施工段上的流水节拍均相等;分歧施工过程的流水节拍不等,但其值为倍数关系;2.相邻专业工作队的流水步距相等,且等于流水节拍的最大公约数(K);3.专业工作队数大于施工过程数,即有的施工过程只成立一个专业工作队,而对于流水节拍大的施工过程,可按其倍数添加响应专业工作队数目;4.各个专业工作队在施工段上能够连续功课,施工段之间没有空闲时间.常识点(二)加快的成倍节拍流水施工工期T=(n-1)K+mt=(n-1)t+mt=(m+n-1)t典型题型:1.建设工程组织流水施工时,相邻专业工作队之间的流水步距相等,且施工段之间没有空闲时间的是( C).A.非节奏流水施工和加快的成倍节拍流水施工B.普通的成倍节拍流水施工和非节奏流水施工C.固定节拍流水施工和加快的成倍节拍流水施工D.普通的成倍节拍流水施工和固定节拍流水施工2.在流水施工方式中,加快成倍节拍流水施工的特点之一是(A).A.相邻施工过程之间流水步距相等,且等于流水节拍的最大公约数B.相邻施工过程之间流水步距相等,且等于流水节拍的最小公约数C.相邻施工过程之间流水步距不尽相等,但流水步距之间为倍数关系D.相邻施工过程之间流水步距不尽相等,但流水步距是流水节拍的倍数关系3.某分部工程有3个施工过程,各分为3个施工段组织加快的成倍节拍流水施工,各施工过程在各施工段上的流水节拍分别为6、4、6天,则专业工作队数应为(D )个.A.3 B.5 C.6 D.84.某分部工程有3个施工过程,各分为4个流水节拍相等的施工段,各施工过程的流水节拍分别为6、4、4天.如果组织加快的成倍节拍流水施工,则专业工作队数和流水施工工期分别为(D ).A.3个和20天B.4个和25天C.5个和24天 D.7个和20天三、了解组织施工的方式及特点常识点:组织施工的方式考虑工程项目的施工特点、工艺流程、资本利用、平面或空间安插等请求,其施工可以采取顺次、平行、流水等组织方式.1.顺次施工概念:是将拟建工程项目中的每一个施工对象分解为若干个施工过程,按施工工艺请求顺次完成每一个施工过程;当一个施工对象完成后,再按同样的顺序完成下一个施工对象,顺次类推,直至完成所有施工对象.这类方式叫做顺次施工.顺次施工的特点(1)没有充分地利用工作面进行施工,工期长;(2)如果按专业成立工作队,则各专业队不克不及连续功课,有时间间歇,劳动力及施工机具等资本没法均衡使用;(3)如果由一个工作队完成全部施工任务,则不克不及实现专业化施工,晦气于提高劳动生产率和工程质量.(4)单位时间内投入的劳动力、施工机具、材料等资本量较少,有益于资本供应的组织;(5)施工现场的组织、管理比较简单.2.平行施工概念:平行施工方式是组织几个劳动组织不异的工作队,在同一时间、分歧的空间,按施工工艺请求完成各施工对象.平行施工特点:(1)充分利用工作面进行施工,工期短;(2)如果每一个施工对象均按专业成立工作队,则各专业队不克不及连续功课,劳动力及施工机具等资本没法均衡使用;(3)如果由一个工作队完成一个施工对象的全部施工任务,则不克不及实现专业化施工,晦气于提高劳动生产率和工程质量;(4)单位时间内投入的劳动力、施工机具、材料等资本量成倍地添加,晦气资本供应的组织;(5)施工现场的组织、管理比较复杂.3.流水施工概念:流水施工方式是将拟建工程项目中的每一个施工对象分解为若干个施工过程,并按照施工过程成立响应的专业工作队,各专业队按照施工顺序顺次完成各个施工对象的施工过程,同时包管施工在时间和空间上连续、均衡和有节奏的进行,使相邻两专业队能最大限制地搭接功课.流水施工方式的特点:(1)尽可能地利用工作面进行施工,工期比较短;(2)各工作队实现了专业化施工,有益于提高技术水平和劳动生产率,也有益于提高工程质量;(3)专业工作队能够连续施工,同时使相邻专业队的开工时间能够最大限制地搭接;(4)单位时间内投入的劳动力、施工机具、材料等资本量较为均衡,有益于资本供应的组织;(5)为施工现场的文明施工和科学管理创造了有益条件.典型题型:1.建设工程流水施工方式的特点之一是( C).A.单位时间内投入的劳动力较少B.专业工作队能够连续施工C.能够充分地利用工作面进行施工D.施工现场的组织管理比较简单2.建设工程平行施工的特点包含( AD ).A. 可以充分利用工作面进行施工B. 单位时间内投入的资本量较少C. 施工现场的组织管理比较简单D. 劳动力及施工机具等资本没法均衡使用E. 各专业工作队能够连续功课3.某分部工程有3个施工过程,各分为5个流水节拍相等的施工段组织加快的成倍节拍流水施工.已知各施工过程的流水节拍分别为4、6、4天,则流水步距和专业工作队数分别为( D ).A.6天和3个 B.4天和4个C.4天和3个 D.2天和7个4.某分部工程有两个施工过程,分为4个施工段组织流水施工,流水节拍分别为3、4、4、5天和4、3、4、5天,则流水步距为(C )天.A.3 B.4 C.5 D.6。
建筑施工组织流水建筑施工的组织方式及工期计算建筑施工组织流水是指在施工过程中,根据工程的具体要求和施工方法,进行合理的组织、安排和协调工程人力、材料、机械和施工工艺等各项资源,以达到施工质量、进度、安全和经济的目标。
下面将介绍建筑施工的组织方式以及工期计算的方法。
1.建筑施工的组织方式(1)功能线组织方式:功能线是指建筑施工中各项专业施工工序的组织线路,按照功能线组织,能够实现施工工序之间的连续、高效进行。
常见的功能线包括地下工程施工线、地上主体结构施工线、装饰装修施工线等。
这种组织方式适用于较大规模的建筑工程,可以提高施工效率和质量。
(2)作业区域组织方式:按作业区域进行施工组织,将施工现场划分为不同的工区,每个工区进行独立的施工作业。
这种组织方式适用于施工面积较大,工序繁多且相互干扰较大的项目。
通过划分作业区域可以有效控制施工过程中的施工质量和安全。
(3)模块化组织方式:将建筑工程划分为多个相对独立的模块,在施工过程中分别进行施工,最后组装起来。
这种组织方式适用于施工期限紧、施工环境受限等情况。
通过使用模块化组织方式可以提高施工速度和质量。
2.工期计算的方法在建筑施工中,工期计算是对施工活动的时间进行合理安排和控制的过程。
下面介绍两种常用的工期计算方法。
(1)关键路径法(CPM):关键路径法是一种通过网络图来计算工期的方法。
首先,将工程的各个施工工序进行排序,并根据工序之间的先后顺序确定各工序之间的节点关系和时间关系。
然后,根据这些节点和时间关系,画出一个网络图。
最后,通过计算出每个工序的最早开始时间和最晚完成时间,以及整个工程的最早开始时间和最晚完成时间,可以确定出关键路径,即工期最长的路径。
关键路径上的工序不能延误,否则将影响整个工程的工期。
(2)平均负荷法:平均负荷法是一种通过对施工活动的时间进行合理安排和分配的方法。
首先,将施工活动按工序进行排序,并确定每个工序的工期。
然后,根据施工活动的时序关系,将工序进行逐步安排,使得工作处于平衡状态,即在施工过程中各个工序的开始时间和结束时间都能最大限度地重叠。
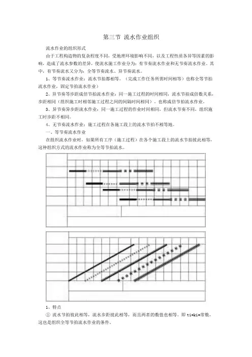
第三节流水作业组织流水作业的组织形式由于工程构造物的复杂程度不同,受地理环境影响不同,以及工程性质各异等因素的影响,造成了流水参数的差异,使流水施工作业分为:有节奏流水作业和无节奏流水作业。
其中,有节奏流水又分为:全等节奏流水、异节奏流水。
1、等节奏流水作业:流水节拍都相等。
(完成工作任务所需时间相等)也称全等节拍流水作业,固定节拍流水作业)2、异节奏等步距成倍节拍流水作业:同一施工过程的时间相同,流水节拍成倍数关系,步距相同(组织施工时相邻施工过程之间的间隔时间相同)。
也称成倍节拍流水作业。
3、异节奏异步距流水作业:同一施工过程的作业时间相同,但流水节奏不同,组织施工时步距不相同。
4、无节奏流水作业:施工过程在各施工段上的流水节拍不相等地。
一、等节奏流水作业在组织流水作业时,如果所有工序(施工过程)在各个施工段上的流水节拍彼此相等,这种组织方式的流水作业称为全等节拍流水。
1、特点① 流水节拍彼此相等,流水步距彼此相等,而且两者的数值也相等。
即ti=ki=常数,这也是组织全等节拍流水作业的条件。
② 按每一道工序各组织一个施工专业队,即施工专业队的数目等于工序数n。
③ 每个施工专业队都能连续作业,施工段没有空闲,实现了连续、均衡而又紧凑的施工,是一种理想的组织方式。
但是实际工程中,这种情况并不多见。
2、等节奏流水作业的组织步骤(1)确定施工起点及流向,分解施工过程。
(2)确定施工顺序,划分施工段。
3、总工期计算(1)有间歇时间的固定节拍流水作业工期Z∑+G∑+1)t-n+(m=t⋅m+Z∑+G∑+1)t-(n=TG为工艺间歇时间,Z为组织间歇时间,n是施工过程数,m是施工段数,t是流水节拍。
例:某分部工程划分为4个施工过程,分4个施工段施工,流水节拍为2天,流水步距为2天,组织间歇为0、0、0天,工艺间歇为0、0、1天,则流水施期为T=(4-1)*2+1+0+4*2=15天(2)有提前插入的固定节拍流水作业工期C G为工艺间歇时间,Z为组织间歇时间,C为提前插入时间∑-Z∑+G∑+1)t-n+(m=C∑-t⋅m+Z∑+G∑+1)t-(n=T例:分部工程划分为4个施工过程,分4个施工段施工,流水节拍为2天,流水步距为2天,组织间歇为0、0、0天,工艺间歇为0、0、1天,提前插入时间为1、1、2天则流水施期为T=(4-1)*2+1+0+4*2-(1+1+2)=11天二.成倍节拍流水作业(1)定义相同工序的流水节拍在所有施工段上都相等,不同工序的流水节拍彼此不相等,但互为整数倍数关系(1除外)。
第三节流水施工的组织方式按照流水节拍的节奏特征,流水作业主要包括全等节拍流水作业、成倍节拍流水作业和分别流水作业三种方式。
一、全等节拍流水施工1.组织全等节拍流水施工的条件当所有的施工过程在各个施工段上的流水节拍彼此相等,这时组织的流水施工方式称为全等节拍流水。
组织这种流水,首先,尽量使各施工段的工程量基本相等;其次,要先确定主导施工过程的流水节拍;第三,使其它施工过程的流水节拍与主导施工过程的流水节拍相等,做到这一点的办法主要是调节各专业队的人数。
2.组织方法(1)确定项目施工起点流向,分解施工过程。
(2)确定施工顺序,划分施工段。
(3)确定流水节拍。
根据全等节拍流水要求,应使各流水节拍相等。
(4)确定流水步距,k=t。
(5)计算流水施工的工期。
流水施工的工期可按下式进行计算T=(j·m+n-1)·K+ΣZ1-ΣC式中,T为流水施工总工期;j为施工层数;m为施工段数;n为施工过程数;k 为流水步距;z1为两施工过程在同一层内的技术组织间歇时间;c为同一层内两施工过程间的平行搭接时间。
(6)绘制流水施工指示图表。
3.应用举例(1)单层无技术间歇和搭接。
【例3-2】某分部工程由四个分项工程组成,划分成五个施工段,流水节拍均为3天,无技术组织间歇,试确定流水步距,计算工期,并绘制流水施工进度表。
【解】由已知条件知,宜组织全等节拍流水。
1.确定流水步距。
由全等节拍专业流水的特点知:k=t=3天2.计算工期。
T=(m+n-1)·k=(5+4-1)×3=24天3.绘制流水施工进度表。
如图3-4。
图3-4等节拍专业流水施工进度【例3-3】某二层现浇钢筋混凝土工程,有支模板、绑扎钢筋和浇混凝土三个施工过程,即n=3。
在竖向上划分为两个施工层,即结构层与施工层相一致。
如流水节拍都是3d(可通过调整劳动力人数来实现),试分别按以下三种情况组织全等节拍流水:(1)施工段数m=4;(2)施工段数m=3;(3)施工段数m=2。
第三节流水施工的组织方式按照流水节拍的节奏特征,流水作业主要包括全等节拍流水作业、成倍节拍流水作业和分别流水作业三种方式。
一、全等节拍流水施工1.组织全等节拍流水施工的条件当所有的施工过程在各个施工段上的流水节拍彼此相等,这时组织的流水施工方式称为全等节拍流水。
组织这种流水,首先,尽量使各施工段的工程量基本相等;其次,要先确定主导施工过程的流水节拍;第三,使其它施工过程的流水节拍与主导施工过程的流水节拍相等,做到这一点的办法主要是调节各专业队的人数。
2.组织方法(1)确定项目施工起点流向,分解施工过程。
(2)确定施工顺序,划分施工段。
(3)确定流水节拍。
根据全等节拍流水要求,应使各流水节拍相等。
(4)确定流水步距,k=t。
(5)计算流水施工的工期。
流水施工的工期可按下式进行计算T=(j·m+n-1)·K+ΣZ1-ΣC式中,T为流水施工总工期;j为施工层数;m为施工段数;n为施工过程数;k为流水步距;z1为两施工过程在同一层内的技术组织间歇时间;c为同一层内两施工过程间的平行搭接时间。
(6)绘制流水施工指示图表。
3.应用举例(1)单层无技术间歇和搭接。
【例3-2】某分部工程由四个分项工程组成,划分成五个施工段,流水节拍均为3天,无技术组织间歇,试确定流水步距,计算工期,并绘制流水施工进度表。
【解】由已知条件知,宜组织全等节拍流水。
1.确定流水步距。
由全等节拍专业流水的特点知:k=t=3天2.计算工期。
T=(m+n-1)·k=(5+4-1)×3=24天3.绘制流水施工进度表。
如图3-4。
图3-4等节拍专业流水施工进度【例3-3】某二层现浇钢筋混凝土工程,有支模板、绑扎钢筋和浇混凝土三个施工过程,即n=3。
在竖向上划分为两个施工层,即结构层与施工层相一致。
如流水节拍都是3d(可通过调整劳动力人数来实现),试分别按以下三种情况组织全等节拍流水:(1)施工段数m =4;(2)施工段数m =3;(3)施工段数m =2。
流水施工原理一、掌握流水施工参数的概念知识点:流水施工的参数为了说明组织流水施工时,各施工过程在时间和空间上的开展情况及相互依存关系,这里引入一些描述工艺流程、空间布置和时间安排等方面的状态参数——流水施工参数,包括工艺参数、空间参数和时间参数。
〔一〕工艺参数工艺参数是指组织流水施工时,用以表达流水施工在施工工艺方面进展状态的参数,通常包括施工过程和流水强度两上参数。
1.施工过程组织建立工程流水施工时,根据施工组织及方案安排需要而将方案任务划分成的子项称为施工过程。
施工过程的数目一般用小写n来表示,它是流水施工确实要参数之一。
根据性质和特点不同,施工过程一般分为三类,即建造类施工过程、运输类施工过程和制备类施工过程。
〔1〕建造类施工过程,是指在施工对象的空间上直接进展砌筑、安装与加工,最终形成建筑产品的施工过程。
〔2〕运输因施工过程,是指将建筑材料、各类构配件、成品、制品和设备等运到工地仓库或施工现场使用地点的施工过程。
〔3〕制备类施工过程,是指为了提高建筑产品生产的工厂化、机械化程度和生产能力而形成的施工过程。
如砂浆、混凝土、各类制品、门窗等的制备过程和混凝土构件的预制过程。
由于建造类施工过程占有施工对象的空间,直接影响工期的长短,因此必须列入施工进度方案,并在其中大多作为主导施工过程或关键的工作。
运输类与制备类施工过程一般不占有施工对象的工作面,不影响工期,故不需要列入流水施工进度方案之中,只有当其占有施工对象的工作面,影响工期时,才列入施工进度方案中。
2.流水强度流水强度是指流水施工的*施工过程〔专业工作队〕在单位时间内完成的工程量,也称为流水能力或生产能力。
流水强度通常用大写V来表示。
表示:V——*施过程〔队〕的流水强度Ri——投入该施工过程的第i 种资源量〔施工机械台数或工人数〕Si——投入该施工过程的第i 种资源的产量定额*——投入该过程的资源种类数〔二〕空间参数空间参数是指在组织流水施工时,用以表达流水施工在空间布置上开展状态的参数。
流水施工的组织方式与工期计算建筑工程的流水施工要求有一定的节拍,才能步调和谐,配合得当。
流水施工的节奏是由流水节拍所决定的。
由于建筑工程的多样性,各分部分项的工程量差异较大,要使所有的流水施工都组织成统一的流水节拍是很困难的。
在大多数情况下,各施工过程的流水节拍不一定相等,甚至一个施工过程本身在各施工段上的流水节拍也不相等。
因此形成了不同节奏特征的流水施工。
在节奏性流水施工中,根据各施工过程之间流水节拍的特征不同,流水施工可分为:等节拍流水施工;异节拍流水施工和无节奏流水施工三大类。
一、等节拍流水施工定义:是指同一施工过程在各施工段上的流水节拍都相等,并且不同施工过程之间的流水节拍也相等的一种流水施工方式,也称为全等节拍流水或同步距流水。
节拍均为2天,组织等节拍流水施工,计算工期。
组织步骤:1、确定施工顺序,分解施工过程。
2、确定项目施工起点流向,划分施工段。
3、根据等节拍流水施工要求,计算流水节拍数值。
4、确定流水步距,K=t5、计算流水施工的工期。
工期计算:T=(m+n-1)×K=(4+4-1)×2=14 (天)二、异节拍流水施工定义:是指同一施工过程在各施工段上的流水节拍都相等,但不同施工过程之间的流水节拍不完全相等的一种流水施工方式。
分为:一般异节拍流水和成倍节拍流水。
(一)一般异节拍流水施工定义:是指同一施工过程在各施工段上的流水节拍相等,不同施工过程之间如:某工程划分为A 、B 、C 、D 四个施工过程,分四个施工段组织流水施工,各施工过程的流水节拍分别为:t A =3,t B =4,t C =5,t D =3;试求该工程的工期。
组织步骤:1、确定流水施工顺序,分解施工过程。
2确定施工起点流向,划分施工段。
3确定流水节拍。
4确定流水步距。
5确定计划总工期工期计算:流水步距K A,B =t A =3天;K B,C =t B =4天;K C,D =m ×t C -(m -1)×t D =4×5-(4-1)×3=11(天)工期T=∑K+t n =(3+4+11)+(4×3)=30 (天)(二) 成倍节拍流水定义:是指同一施工过程在各个施工段上的流水节拍相等,不同施工 过程如:某项目有A,B,C 三个施工过程组成,流水节拍分别是t A =2,t B =6,t C =4 试组织等步距的异节拍流水施工。
流水施工原理一、掌握流水施工参数的概念知识点:流水施工的参数为了说明组织流水施工时,各施工过程在时间和空间上的开展情况及相互依存关系,这里引入一些描述工艺流程、空间布置和时间安排等方面的状态参数——流水施工参数,包括工艺参数、空间参数和时间参数。
(一)工艺参数工艺参数是指组织流水施工时,用以表达流水施工在施工工艺方面进展状态的参数,通常包括施工过程和流水强度两上参数。
1.施工过程组织建设工程流水施工时,根据施工组织及计划安排需要而将计划任务划分成的子项称为施工过程。
施工过程的数目一般用小写n来表示,它是流水施工的确要参数之一。
根据性质和特点不同,施工过程一般分为三类,即建造类施工过程、运输类施工过程和制备类施工过程。
(1)建造类施工过程,是指在施工对象的空间上直接进行砌筑、安装与加工,最终形成建筑产品的施工过程。
(2)运输因施工过程,是指将建筑材料、各类构配件、成品、制品和设备等运到工地仓库或施工现场使用地点的施工过程。
(3)制备类施工过程,是指为了提高建筑产品生产的工厂化、机械化程度和生产能力而形成的施工过程。
如砂浆、混凝土、各类制品、门窗等的制备过程和混凝土构件的预制过程。
由于建造类施工过程占有施工对象的空间,直接影响工期的长短,因此必须列入施工进度计划,并在其中大多作为主导施工过程或关键的工作。
运输类与制备类施工过程一般不占有施工对象的工作面,不影响工期,故不需要列入流水施工进度计划之中,只有当其占有施工对象的工作面,影响工期时,才列入施工进度计划中。
2.流水强度流水强度是指流水施工的某施工过程(专业工作队)在单位时间内完成的工程量,也称为流水能力或生产能力。
流水强度通常用大写V来表示。
表示:V——某施过程(队)的流水强度Ri——投入该施工过程的第i 种资源量(施工机械台数或工人数)Si——投入该施工过程的第i 种资源的产量定额X——投入该过程的资源种类数(二)空间参数空间参数是指在组织流水施工时,用以表达流水施工在空间布置上开展状态的参数。
第1篇一、顺序施工组织方式顺序施工组织方式是指按照施工工艺流程,依次完成各个分部分项工程的施工。
其特点如下:1. 施工顺序明确,易于组织和管理;2. 资源利用较为均衡,有利于资源供应;3. 专业化施工程度较低,劳动生产率相对较低;4. 施工现场组织简单,管理较为容易。
二、平行施工组织方式平行施工组织方式是指在同一施工时段内,对多个分部分项工程同时进行施工。
其特点如下:1. 施工速度快,工期较短;2. 资源利用较为集中,有利于资源供应;3. 专业化施工程度较高,劳动生产率相对较高;4. 施工现场组织复杂,管理难度较大。
三、流水施工组织方式流水施工组织方式是指将施工过程划分为若干个流水段,按照一定的施工顺序,依次完成各个流水段的施工。
其特点如下:1. 施工速度快,工期较短;2. 资源利用较为均衡,有利于资源供应;3. 专业化施工程度较高,劳动生产率相对较高;4. 施工现场组织简单,管理较为容易。
四、立体交叉施工组织方式立体交叉施工组织方式是指在同一施工时段内,对多个施工层同时进行施工。
其特点如下:1. 施工速度快,工期较短;2. 资源利用较为集中,有利于资源供应;3. 专业化施工程度较高,劳动生产率相对较高;4. 施工现场组织复杂,管理难度较大。
五、综合施工组织方式综合施工组织方式是指根据工程项目的实际情况,将上述几种施工组织方式有机结合,形成一种适合该工程项目的施工组织方式。
其特点如下:1. 施工速度快,工期较短;2. 资源利用较为合理,有利于资源供应;3. 专业化施工程度较高,劳动生产率相对较高;4. 施工现场组织复杂,管理难度较大。
总之,选择合适的工程施工组织方式对于提高施工效率、降低施工成本、确保工程质量具有重要意义。
在实际施工过程中,应根据工程项目的特点、施工环境、资源状况等因素,综合考虑,选择最合适的施工组织方式。
第2篇一、依次施工组织方式依次施工组织方式是指按照施工工艺流程,将工程划分为若干个分部分项工程,依次进行施工。
流水施工的组织方式与工期计算建筑工程的流水施工要求有一定的节拍,才能步调和谐,配合得当。
流水施工的节奏是由流水节拍所决定的。
由于建筑工程的多样性,各分部分项的工程量差异较大,要使所有的流水施工都组织成统一的流水节拍是很困难的。
在大多数情况下,各施工过程的流水节拍不一定相等,甚至一个施工过程本身在各施工段上的流水节拍也不相等。
因此形成了不同节奏特征的流水施工。
在节奏性流水施工中,根据各施工过程之间流水节拍的特征不同,流水施工可分为:等节拍流水施工;异节拍流水施工和无节奏流水施工三大类。
一、等节拍流水施工定义:是指同一施工过程在各施工段上的流水节拍都相等,并且不同施工过程之间的流水节拍也相等的一种流水施工方式,也称为全等节拍流水或同步距流水。
如:n m一二三四A2222B2222C2222D2222某工程划分 A、B、C、D 四个施工过程,每个施工过程分四个施工段,流水节拍均为 2天,组织等节拍流水施工,计算工期。
组织步骤:1、确定施工顺序,分解施工过程。
2、确定项目施工起点流向,划分施工段。
3、根据等节拍流水施工要求,计算流水节拍数值。
4、确定流水步距,K=t5、计算流水施工的工期。
工期计算:T=(m+n-1)×K=(4+4-1)×2=14 (天)二、异节拍流水施工定义:是指同一施工过程在各施工段上的流水节拍都相等,但不同施工过程之间的流水节拍不完全相等的一种流水施工方式。
分为:一般异节拍流水和成倍节拍流水。
(一)?? 一般异节拍流水施工定义:是指同一施工过程在各施工段上的流水节拍相等,不同施工过程之间的流水节拍不相等也不成倍数的流水施工方式。
n m一 二三四A3333B4444C5555D3333如:某工程划分为 A、B、C、D 四个施工过程,分四个施工段组织流水施工,各施工过程的流水节拍分别为:tA=3,tB=4,tC=5,tD=3;试求该工程的工期。
组织步骤:1、确定流水施工顺序,分解施工过程。
施工组织流水施工的组织方式与工期计算文稿归稿存档编号:[KKUY-KKIO69-OTM243-OLUI129-G00I-FDQS58-流水施工的组织方式与工期计算建筑工程的流水施工要求有一定的节拍,才能步调和谐,配合得当。
流水施工的节奏是由流水节拍所决定的。
由于建筑工程的多样性,各分部分项的工程量差异较大,要使所有的流水施工都组织成统一的流水节拍是很困难的。
在大多数情况下,各施工过程的流水节拍不一定相等,甚至一个施工过程本身在各施工段上的流水节拍也不相等。
因此形成了不同节奏特征的流水施工。
在节奏性流水施工中,根据各施工过程之间流水节拍的特征不同,流水施工可分为:等节拍流水施工;异节拍流水施工和无节奏流水施工三大类。
一、等节拍流水施工定义:是指同一施工过程在各施工段上的流水节拍都相等,并且不同施工过程之间的流水节拍也相等的一种流水施工方式,也称为全等节拍流水或同步距流水。
如:某工程划分A、B、C、D四个施工过程,每个施工过程分四个施工段,流水节拍均为2天,组织等节拍流水施工,计算工期。
组织步骤:1、确定施工顺序,分解施工过程。
2、确定项目施工起点流向,划分施工段。
3、根据等节拍流水施工要求,计算流水节拍数值。
4、确定流水步距,K=t5、计算流水施工的工期。
工期计算:T=(m+n -1)×K=(4+4-1)×2=14 (天) 二、异节拍流水施工定义:是指同一施工过程在各施工段上的流水节拍都相等,但不同施工过程之间的流水节拍不完全相等的一种流水施工方式。
分为:一般异节拍流水和成倍节拍流水。
(一) 一般异节拍流水施工定义:是指同一施工过程在各施工段上的流水节拍相等,不同施工过程之间的流水节拍不相等也不成倍数的流水施工方式。
如:某工程划分为A 、B 、C 、D 四个施工过程,分四个施工段组织流水施工,各施工过程的流水节拍分别为:t A =3,t B =4,t C =5,t D =3;试求该工程的工期。
组织步骤:1、确定流水施工顺序,分解施工过程。
2确定施工起点流向,划分施工段。
3确定流水节拍。
4确定流水步距。
5确定计划总工期工期计算:流水步距K A,B =t A =3天;K B,C =t B =4天;K C,D =m ×t C -(m -1)×t D =4×5-(4-1)×3=11(天)工期T=∑K+t n =(3+4+11)+(4×3)=30 (天)(二) 成倍节拍流水定义:是指同一施工过程在各个施工段上的流水节拍相等,不同施工 过程的流水节拍之间存在整数倍关系的流水施工方式。
异节拍流水施工。
组织步骤:1、确定流水施工顺序,分解施工过程。
2确定施工起点流向,划分施工段。
3确定流水节拍。
4确定流水步距。
5确定专业工作队数 6确定计划总工期工期计算:b 1=t 1÷K=2÷2=1;b 2=t 2÷K=6÷2=3;b 3=t 3÷K=4÷2=2 n 1=1+2+3=6即:m=n 1=6 工期T=(6+6-1)×2=22 (天) 三无节奏流水施工定义:是指同一施工过程在各施工段上的流水节拍不完全相等的一种流水施工方式,它是流水施工的普遍形式。
如:某工程有A,B,C 三个施工过程,施工时在平面上划分四个施工段,每个施工过程在各施工段上的流水节拍如上图,试组织施工计算工期。
组织步骤:1、确定流水施工顺序,分解施工过程。
2确定施工起点流向,划分施工段。
3按相应的公式计算流水节拍。
4确定相邻两个专业工作队之间的流水步距。
5确定计划总工期工期计算:流水步距计算采用累加数列法(潘特考夫斯基法)计算:: 2, 6, 9, 11KA,B减 3, 6, 8, 103, 3, 3,—10=3(天)KA,B=3(天)同理:KB,C工期计算:T=∑K+t=3+3+4+2+3+2=17(天)n无节奏流水施工不象等节拍流水施工和异节拍流水施工那样有一定的时约束,在进度安排上比较灵活/自由,适用于各种不同结构性质和规模的工程施工组织,实际应用比较广泛。
在上述各种流水施工的基本方法中,等节拍和异节拍流水通常在一个分部或分项工程中,组织流水施工比较容易做到,即比较适用于组织专业流水或细部流水。
但对一个单位工程,特别是一个大型的建筑群来说,要求所划分的各分部/分项工程采用相同的流水参数组织流水施工,往往十分困难,也不容易达到。
因此,到底采用哪一种流水施工的组织形式,除要分析流水节拍的特点外,还要考虑工期要求和项目经理部自身的具体施工条件。
任何一种流水施工的组织形式,仅仅是一种组织管理手段,其最终目的是要实现企业目标—工程质量好、工期短、成本低、效益高和安全施工。
施工段与施工过程数的关系:A.当m>n时,各专业工作队能够连续施工,施工段有空闲;B.当m=n时,各专业工作队能够连续施工,施工段没有空闲;C.当m<n时,专业工作队不能连续施工,施工段没有空闲,使专业工作队窝工。
例3-2:某项目有四个施工段组成,分别由A、B、C、D四个专业工作队完成,在平面上的流水节拍见下表,试确定相邻专业工作队之间的流水步距.i.求各专业工作队的累加数列A: 4 6 9 11B: 3 7 10 14C: 3 5 7 10D: 2 4 5 7ii.错位相减A与B: 4 6 9 11- 3 7 10 144 3 2 1 -14B与C: 3 7 10 14- 3 5 7 103 4 5 7 -10C与D: 3 5 7 10- 2 4 5 73 3 3 5 -7iii.求流水步距因流水步距等于错位相减中数值最大者,故有:无节奏专业流水施工在项目实际施工中,通常每个施工过程在各个施工阶段上的工程量彼此不同,各专业工作队的生产效率差别较大,导致大多数的流水节拍也彼此不相等,不可能组织成等节奏或异节奏专业流水施工。
在这种情况下,往往利用流水施工的基本概念,在保证施工工艺、满足施工顺序要求的前提下,按照一定的计算方法,确定相邻专业工作队之间的流水步距,使其在开工时间上最大限度地、合理地搭接起来,形成每个专业工作队都能够连续作业的流水施工方式,称为无节奏专业流水施工,也叫做分别流水。
(1)特点①每个施工过程在各个施工段上的流水节拍不尽相同;②在多数情况下,流水步距彼此不相等,而且流水步距与流水节拍二者之间存在着某种函数关系;③各专业工作队都能连续施工,个别施工段可能有空闲。
(2)本施工方式的组织步骤①确定施工起点流向,分解施工过程;②确定施工顺序,划分施工段;③按相应的公式计算各施工过程在各个施工段上的流水节拍;④按一定的方法确定相邻两个专业工作队之间的流水步距;⑤计算流水施工的计划工期T——流水施工的计划工期;Kj,j+1——j与j+1两个专业工作队之间的流水步距;tzhi——最后一个施工过程在第i个施工段上的流水节拍;∑Z——技术间歇时间之和;∑Zj,j+1——相邻两个专业工作队j与j+1之间的技术间歇时间之和(1≤j≤n-1);∑Zk,k+1——相邻两个施工层之间的技术间歇之和(1≤k≤r-1);∑G——组织间歇时间总和;∑Gj,j+1——相邻两个专业工作队j与j+1之间的组织间歇时间之和(1≤j≤n-1);∑Gk,k+1——相邻两个施工层之间的组织间歇时间之和(1≤k≤r-1);∑Cj,j+1——相邻两个工作队j与j+1之间的平行搭接时间之和(1≤j≤n-1)。
⑥绘制流水施工进度表(3)举例分析例3-11 某项目经理部拟承建一项工程,该工程有Ⅰ、Ⅱ、Ⅲ、Ⅳ、Ⅴ五个施工过程,施工时在平面上划分成四个施工段,每个施工过程在各个施工段上的流水节拍见表,规定施工过程Ⅱ完成后,其相应施工段至少要养护两2天;施工过程Ⅳ完成后,其相应施工段要留有1天的准备时间,为了尽早完成,允许施工过程Ⅰ与Ⅱ之间搭接施工1天,试编制流水施工方案。
解:根据题设条件,该工程只能组织无节奏专Array业流水施工A.求流水节拍的累加数列Ⅰ: 3 5 7 11Ⅱ: 1 4 9 12Ⅲ: 2 3 6 11Ⅳ: 4 6 9 12Ⅴ: 3 7 9 10B.确定流水步距K1,2 3 5 7 11- 1 4 9 123 4 3 2 -12所以:K1,2=max{3,4,3,2,-12}=4(天)K2,3 1 4 9 12- 2 3 6 111 2 6 6 -11所以:K2,3=max{1,2,6,6,11}=6(天)同理: K3,4=max{2,-1,0,2,-12}=2(天)K4,5=max{4,3,2,3,-10}=4(天)C.确定计划工期Z2,3=2天 G4,5=1天 C1,2=1天T=∑Kj,j+1+∑ti+∑Z+∑G-∑C=(4+6+2+4)+(3+4+2+1)+2+1-1=28(天)分部工程划分为3个施工段,4个施工过程,各过程在各施工段的持续时间如下表所示。
试组织流水施工节拍特点:同一施工过程在各施工段上的流水节拍不完全相等无节奏流水施工特点节拍特征:同一施工过程在各施工段上流水节拍不一定相等步距求解:“逐段累加,错位相减、差之取大”工期特征:T=∑Ki,i+1+TN2,5,6 3,4,5-) 2,3,5 4,7, 9KA,B=max[ 2, 3, 3, -5] = 3天 KB,C=max[ 2, -1, -2, -9] = 2天同理: KC,D=5天 T=∑K+TN=3+2+5+(2+5+3)=20天1.双代号网络图的三要素是指( C )。
A.节点、箭杆、工作作业时间B.紧前工作、紧后工作、关键线路C.工作、节点、线路D.工期、关键线路、非关键线路2.利用工作的自由时差,其结果是( A )。
A.不会影响紧后工作,也不会影响工期B.不会影响紧后工作,但会影响工期C.会影响紧后工作,但不会影响工期D.会影响紧后工作和工期6.网络计划的缺点是( C )。
A.不能反映工作问题的逻辑B.不能反映出关键工作C.计算资源消耗量不便D.不能实现电算化7.某项工作有两项紧后工作C、D,最迟完成时间:C=20天,D=15天,工作持续时间:C=7天,D=12天,则本工作的最迟完成时间是( B )。
A. 13天B. 3天C. 8天D. 15天8.双代号网络图中的虚工作( C )。
A.即消耗时间,又消耗资源B.只消耗时间,不消耗资源C.即不消耗时间,又不消资源D.不消髦时间,又消耗资源9.下列不关虚工序的错误说法是( B )。
A.虚工序只表示工序之间的逻辑关系B.混凝土养护可用虚工序表示C.只有双代号网络图中才有虚工序D.虚工作一般用虚箭线表示10.网络计划中,工作最早开始时间应为( A )。
A.所有紧前工作最早完成时间的最大值B.所有紧前工作最早完成时间的最小值C.所有紧前工作最迟完成时间的最大值D.所有紧前工作最迟完成时间的最大值11.某项工作有两项紧后工作C、D,最迟完成时间:C=30天,D=20天,工作持续时间:C=5天,D=15天,则本工作的最迟完成时间是( B )。