GYF系列消防排烟风机
- 格式:doc
- 大小:108.00 KB
- 文档页数:4
Dz系列通风机和F系列高温消防排烟轴流风机介绍来源:Dz系列通风机采用从声源入手,低转速,高压力系数的设计方法,研制成宽叶片,大弦长,空间扭曲倾斜式叶型,配用风机专用电机,具有明显的噪声低,风量大,耗电省,振动小,外形美观等优点,是一种高效,节能型轴流风机。
广泛适用于厂房,仓库,办公室,住宅等场所的壁式排风,管道送风。
本系列风机有三种型式:DZ-11型壁式,DZ-12型岗位式,ZD-13管道式。
特殊场合按用户要求可加式成网罩,弯头或自垂百叶形式工。
本系列风机一般配用三相电机,按用户要求对0.55KW以下可配用单相电机。
可根据输送介质要求制成防腐,防爆型:FDZ为防腐型轴流通风机,用于输送有腐蚀性的气体;BDZ为防爆型轴流通风机,用于输送易燃易爆的气体。
FBDZ为防腐防爆型轴流通风机,用于输送有腐蚀性且易燃易爆的气体。
Dz系列通风机采用从声源入手,低转速,高压力系数的设计方法,研制成宽叶片,大弦长,空间扭曲倾斜式叶型,配用风机专用电机,具有明显的噪声低,风量大,耗电省,振动小,外形美观等优点,是一种高效,节能型轴流风机。
广泛适用于厂房,仓库,办公室,住宅等场所的壁式排风,管道送风。
本系列风机有三种型式:DZ-11型壁式,DZ-12型岗位式,ZD-13管道式。
特殊场合按用户要求可加式成网罩,弯头或自垂百叶形式工。
本系列风机一般配用三相电机,按用户要求对0.55KW以下可配用单相电机。
可根据输送介质要求制成防腐,防爆型:FDZ为防腐型轴流通风机,用于输送有腐蚀性的气体;BDZ为防爆型轴流通风机,用于输送易燃易爆的气体。
FBDZ为防腐防爆型轴流通风机,用于输送有腐蚀性且易燃易爆的气体。
HTF系列高温消防排烟轴流风机产品型号说明:1、风机的性能表中列出的性能是最高效率范围内的性能,按风量分为五个性能工况点,选用时按性能表为准。
出厂的风机合格品是在额定风量下,全压值误差不超过±5%,性能选用表是标准状态下的性能,无论技术文件或定货要求的性能均以标准状态为准。
消防高温排烟风机图片
HTF系列消防高温排烟风机适用于高层建筑、地下建筑及隧道、烘房等通风换在280℃高温条件下连续运转30分钟以上,介质温度100℃条件下连续运行20小理想的消防必备设施。
消防高温排烟专用风机性能的选择和型号说明
1、风机的性能表中列出的性能是最高效率范围内的性能,按风量分为五个性按性能表为准。
出厂的风机合格品是在额定风量下,全压值误差不超过±5%,准状态下的性能,无论技术文件或定货要求的性能均以标准状态为准。
2、风机安装方式可分为卧式和屋顶式,对风量、全压、安装尺寸等性能都有
3、HTF—Ⅰ、HTF—Ⅱ表示常压型消防高温排烟专用风机,叶型采用轴流式和HTF—Ⅱ(双速)两种;HTF—Ⅲ、HTF—Ⅳ表示中压消防高温排烟专
4、 HTF—X为消音型消防高温排烟专用风机,用户可根据实际需要选用不同
5、HTF—W系列屋顶式消防高温排烟专用风机,用户可根据实际需要选用阻钢制风帽。
6、HTF—D为低压型消防高温排烟专用风机。
7、特别说明:GYF与HTF系列风机是同类产品。
及隧道、烘房等通风换气或高温排烟。
能0℃条件下连续运行20小时/次不损坏,是
能,按风量分为五个性能工况点,选用时压值误差不超过±5%,性能选用表是标标准状态为准。
、安装尺寸等性能都有特殊要求。
风机,叶型采用轴流式:HTF—Ⅰ(单速)压消防高温排烟专
根据实际需要选用不同的种类。
可根据实际需要选用阻燃型玻璃钢风帽或。
屋面消防排烟风机吊装方案一、工程简介吊装的屋面高13米,整个工程占地23000平方米。
具有工程规模大、建筑面积广、同时作业的工作面大、施工质量要求和技术要求高、工期要求比较紧等特点。
本方案编制时,施工现场墙面、屋面已基本就绪,水泥地面已完成。
本工程需机械吊装的设备为排烟风机,将风机吊装至屋面,其风机的主要参数如下:GYF-11-I风量:64085m3/h;风压:610Pa;功率:22KW;转数:960转/分;重量:650Kg。
二、吊装设备的选用根据本工程特点,对本工程需要机械吊装的材料设备选择手动葫芦的吊装方式进行吊装。
手动葫芦的优点是起吊高度合适,适合现场工作环境,占地面积小。
此设备完全可以实现本工程的吊装任务。
三、吊装方法的确定及技术措施1、施工方法的确定根据实际吊装的本体参数、结构特点和施工现场的条件,采用相应的吊装设备和方法,本施工现场由于条件受限,无塔吊,彩钢外墙及屋面已经完善,占地面积大,故采用人力运送至-8#库房6至10轴库区,,再用手动葫芦吊至屋面设备基础(总垂直吊运高度15米)。
2、设备吊点确定和吊耳选型本次吊装采用设备本体上自带的吊耳。
3、吊梁设计校核及吊索具计算选型根据现场情况,利用排烟管道入口进行风机的吊装,在吊装设备之前,必须先根据吊装设备的重量,结构等认真分析计算,设计合理的吊梁,选择合适的吊装机械。
在吊索具选择时,要通过具体的计算公式,对照各种型号钢丝绳的允许应力,方可确定下来。
在计算时要考虑拆减系数、不均衡系数、动载系数和安全系数等。
本次垂直吊装使用手动葫芦竖直提升,采用-16#槽钢根据屋面结构焊制一套适合本次吊装的龙门架。
四、吊装步骤在各项准备工作完成的情况下,开始组织设备的吊装工作。
1、吊装前的准备工作设备在吊装前,必须做好全面仔细的检查核实工作。
检查设备安装基准标记、方位线标记是否正确;检查设备的吊耳是否符合吊装要求。
因为屋面结构为彩钢结构,在吊装前必须对屋面进行全面保护,确保万无一失。
机号D1D2D3A型B型M3M4n-Ф14-Ф2H L M1M2L M1M23.5Ф360Ф390Ф4305204644145204644141602208—Ф11Ф11240 4Ф410Ф450Ф4855254694195254694191802408—Ф11Ф112654.5Ф460Ф500Ф54058052447458052447424030012—Ф11Ф11290 5Ф510Ф550Ф59065059454465059454432040012—Ф11Ф133165.5Ф560Ф600Ф64068062457468062457432040012—Ф11Ф13355 6Ф610Ф650Ф69470063457470063457442050012—Ф11Ф163806.5Ф660Ф700Ф74480073467480073467442050016一Ф11Ф16402 7Ф710Ф750Ф80080072465490082475448060016一Ф11Ф16428 8Ф810Ф850Ф90080072465490082475448060016一Ф13Ф16487 9Ф910Ф950Ф101086078271290082275258070016一Ф13Ф16550 10Ф1010Ф1060Ф111086078271290082275258070020一Ф13Ф16600 11Ф1110Ф1160Ф123090087273290089281265080020一Ф13Ф19650 12Ф1210Ф1260Ф1330115010629821150106298275090020一Ф13Ф19700 13Ф1370Ф1370Ф1434115010629821150106298275090020一Ф13Ф19750 14Ф1410Ф1470Ф15341150106298211501062982850100024—Ф15Ф19800机号D1D2D3A型B型M3M4n-Ф14-Ф2H L M1M2L M1M24Ф410Ф450Ф4856405845341802408—Ф11Ф11265 4.5Ф460Ф500Ф540680624574240 30012—Ф11Ф11290 5Ф510Ф550Ф590700644594700644594320 40012—Ф11Ф13316 5.5Ф560Ф600Ф640725669679320 40012—Ф11Ф13355 6Ф610Ф650Ф694850784724800734674420 50012—Ф11Ф16380 6.5Ф660Ф700Ф744900834774420 50016一Ф11Ф16402 7Ф710Ф750Ф800920844774920844774480 60016一Ф11Ф16428 8Ф810Ф850Ф90070009248541050974904480 60016一Ф13Ф16487 9Ф910Ф950Ф1010105097290211001022952580 70016一Ф13Ф16550 10Ф1010Ф1060Ф11101100102295211001022952580 70020一Ф13Ф16600 11Ф1110Ф1160Ф1230124011521072134072521172650 80020一Ф13Ф19650 12Ф1210Ф1260Ф1330124011521072140013121232750 90020一Ф13Ф19700 13Ф1310Ф1370Ф1434135012621182140013121232750 90020一Ф13Ф19750 14Ф1410Ф1470Ф1534140013121232145013621282850 700024—Ф15Ф19800 15Ф1510Ф1570Ф1640140013121232145013621282850 100924—Ф15Ф19850机号D1D2D3A型B型M3M4n-Ф14-Ф2H L M1M2L M1M23.5Ф360Ф390Ф4305204644145204644141602208—Ф11Ф11240 4Ф410Ф450Ф4855254694195254694191802408—Ф11Ф112654.5Ф460Ф500Ф54058052447458052447424030012—Ф11Ф11290 5Ф510Ф550Ф59065059454465059454432040012—Ф11Ф133165.5Ф560Ф600Ф64065059454468062457432040012—Ф11Ф13355 6Ф610Ф650Ф69465058452470063457442050012—Ф11Ф163806.5Ф660Ф700Ф74480073467480073467442050016一Ф11Ф16402 7Ф710Ф750Ф80080072465490082475448060016一Ф11Ф16428 8Ф810Ф850Ф90080072465490082475448060016一Ф13Ф16487 9Ф910Ф950Ф101080072265290082275258070016一Ф13Ф16550 10Ф1010Ф1060Ф111080072265290082275258070020一Ф13Ф16600 11Ф1110Ф1160Ф123085076268290089281265080020一Ф13Ф19650 12Ф1210Ф1260Ф1330110010129321150106298275090020一Ф13Ф19700 13Ф1310Ф1370Ф1434110010129321150106298275090020一Ф13Ф19750 14Ф1410Ф1470Ф15341150106298211501062982850100024—Ф15Ф19800 15Ф1570Ф1570Ф16401150106298211501062982850100024—Ф15Ф19850CH2M3H H1I型II型III型IV型L M1M256070520520520580180800650 60070525525640640625650790860650 65070580580680680580650190900700 70080650650700700650900230960700 750806806807257256809002301070750 8008070070085085065010002301760750 8508080080090090080010002307210800 9508080090092092080012002601310800 1050808009001000100080013403401450850 1150808609001050705080016703901660850 1250808609001100110080016703901900900 140010090098012401240850186047020501000 150070011501150124012401100186047022001100机号 3.54 4.55 5.5678910111213141516 D13604104605105606107108109101010111012101310141015101610 D243048554059064074480090010101110123013301434153416401740机号 3.54 4.55 5.5678910111213141516 D13604104605105606107108109101010111012101310141015101610XPz系列双速消防高温排烟专用风机电机引出接线图1.安装前应认真检查风叶及机壳有否运输损坏或变形,否则应待修复后方可安装。
#####################地下车库消防排烟系统排烟风量不足解决方案编制人:编制单位:编制日期:2016年05月13日地下车库消防排烟系统风量不足解决方案一、工程情况1、本工程为地下停车库排烟系统,工程位置为##附近,2、地下车库共2层,地下1层设计为地下车库,排烟风量20160M3/h,单层百叶排烟风口800*200的9个,设计风口排烟量2240m3/h;地下2层设计为平时地下车库战时地下人防,地下2层排烟风量30030M3/h,单层百叶排烟风口1000*200的10个,设计风口排烟量3000m3/h。
3、下表根据甲方提供的图纸,图纸设计中的排烟风机参数表:二、现有问题1、排烟系统现场测量数据:风口排烟风速1-2m/s(业主告知)。
2、排烟系统排烟风量太低,不满足消防验收。
三、问题分析1、根据现有规范《汽车库、修车库、停车场设计防火设计规范》GB 50067-2014规定:汽车库的净高小于等于5m大于4m的排烟量按33000m³/h 计算。
2、两台型号相同且转速相等的风机并联后,风量最高时是两台风机风量的90%左右,风压等于单台风机的压力.3、原有地下1层风机GYF-5.5I型风机风量小于规范要求,因而达不到消防排烟验收要求;4、原有地下2层风机GYF-7I型风机风量可以达到规范要求,但风机出口管路较长,而且竖井风道为土建风道,土建风道沿程阻力较大,因而风机风压损失比较大,因此达不到消防排烟验收要求。
四、解决方案根据上述问题分析,本着为业主节约成本考虑,现提出下列解决方案:1、地下2层GYF-7I型两台风机放置在地下一层风机房,代替原有地下1层GYF-5.5I型两台风机(包含原有地下2层排烟风机的控制及动力电箱和电缆等一并放置在地下1层);2、地下二层从新采购、安装两台HYF-9型风机(其中包含排烟风机的控制及动力电箱和电缆等),HYF-9型风机参数:风量:25319m³/h、全压884Pa、转数1450r/min、功率11kw。
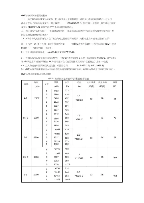
GYF系列消防排烟风机特点
一、由于新型高层建筑功能复杂,起火因素多,火势蔓延快,疏散和扑救难度高的特点,我公司
推岀了符合《高层民用建筑设计防火规范》GB50045-95及《汽车库、修车库、停车场设计防火规范》GB50067--97的第三代GYF系列消防排烟风机。
二、我公司与中国科学院、中国建筑科学院、北京市消防局消防科学院研究所有关专家共同开发
研制岀的高效风机突岀优点:
1、>10号的风机在保证与其它厂家空气动力性能相同情况下,电机容量及转速均比其它厂家降
低一个档次,以11号为例,其它厂家装机容量18.5kw转速1450转分而我公司为15kw,转速960转分,因而更节能,更耐用。
2、我公司所有排烟风机LsA<25dB(国家规定W 35dB)
3、冷却系统可以保证通过风机的烟气》400 C时连续运转》2小时,(国家规定W 280 C , 运行30分钟)GYF型系列消防排风机自94年至今连年在《全国给排水及消防产品展览会》上获一金奖。
4、立式和双速II型消防烟风机荣获二项国家专利( 94 3 02511.7) (95 212969.8)
5、GYF系列消防排烟风机由北京市消防局消防科学研究所监制,并得到全国各省消防部门的认可。
GYF系列消防排烟风机技术参数。
GYF系列消防排烟风机特点
一、由于新型高层建筑功能复杂,起火因素多,火势蔓延快,疏散和扑救难度高的特点,我公司推出了符合《高层民用建筑设计防火规范》GB50045-95及《汽车库、修车库、停车场设计防火规范》GB50067--97的第三代GYF系列消防排烟风机。
二、我公司与中国科学院、中国建筑科学院、北京市消防局消防科学院研究所有关专家共同开发研制出的高效风机突出优点:
1、>10号的风机在保证与其它厂家空气动力性能相同情况下,电机容量及转速均比其它厂家降低一个档次,以11号为例,其它厂家装机容量18.5kw转速1450转\分而我公司为15kw,转速960转\分,因而更节能,更耐用。
2、我公司所有排烟风机LsA<25dB(国家规定≤35dB)
3、冷却系统可以保证通过风机的烟气≥400℃时连续运转≥2小时,(国家规定≤280℃, 运行30分钟)GYF型系列消防排风机自94年至今连年在《全国给排水及消防产品展览会》上获一金奖。
4、立式和双速II型消防烟风机荣获二项国家专利(94 3 02511.7) (95 212969.8)
5、GYF系列消防排烟风机由北京市消防局消防科学研究所监制,并得到全国各省消防部门的认可。
GYF-S1型消防高温排烟双速风机性能参数表
GYF-S2型消防高温排烟双速风机性能参数表。
一.HTF(GYF)系列消防高温排烟轴流通风机概述、特点(1)HTF(GYF)系列消防高温排烟轴流通风机,由xx交通大学和xx亿通风机有限公司联合研制共同开发,具有性能优良,耐高温性能良好,效率高,占地比离心风机少,安装方便等特点。
(2)HTF(GYF)系列消防高温排烟轴流通风机经“国家消防装备质量监督检验中心“检测合格,其性能达到国内领先水平,经全国三十多个省市的消防部门认可。
该风机畅销xx,xx,xx经,xx,xx,xx,xx,xx,xx,xx,xx,xx,xx,xx,xx,xx,xx,xx,xx,xx,xx,xx,xx,xx,xx等全国各省(市),自治区。
(3)耐高温性能优良:风机测试符合GBJ45-82消防规范标准要求,风机采用独特设计,耐高温电机内置,配置电机冷却系统,能在300氏摄度高温条件下连续运行100分钟以上,100氏摄度温度条件下连续20小时/次不损坏,广泛应用于高级民用建筑,烘箱,地下车库,隧道等场合;(4)适用范围广:可以根据高级民用建筑的不同要求,采用变速或多速驱动形式,心达到一机两用(即常用通排风和消防时高温排烟)的目的;叶型分为轴流式(HTF(GYF)-I,II)和混流式HTF(GYF)-IG,亦可制作屋顶式,消音式。
(5)效率高:本系列风机采用先进的CAD软件经多目标优化设计研制开发的新产品,以实测表明风机效率大于80%,部分大机号大于85%,并具有效率曲线平坦的特点,有利于节能;(6)安装方便,占地较离心风机少:该风机基本形式为轴流式风机或混流式风机,可直接与风管连接或墙壁安装,安装形式可采用垂直或水平式。
很大程度上节省了占地面积。
二.HTF(GYF)系列消防高温排烟轴流通风机性能的选择和型号说明三.HTF(GYF)-I型消防高温排烟轴流风机参数表四.HTF(GYF)-II型双速消防高温排烟轴流通风机性能参数表(1)四.HTF(GYF)-II型双速消防高温排烟轴流通风机性能参数表(2) 五.HTF(GYF)-I,II系列消防高温排烟通风机外形及安装尺寸表。
GYF系列消防排烟风机特点
一、由于新型高层建筑功能复杂,起火因素多,火势蔓延快,疏散和扑救难度高的特点,我公司
推岀了符合《高层民用建筑设计防火规范》GB50045-95及《汽车库、修车库、停车场设计防火规范》GB50067--97的第三代GYF系列消防排烟风机。
二、我公司与中国科学院、中国建筑科学院、北京市消防局消防科学院研究所有关专家共同开发
研制岀的高效风机突岀优点:
1、>10号的风机在保证与其它厂家空气动力性能相同情况下,电机容量及转速均比其它厂家降
低一个档次,以11号为例,其它厂家装机容量18.5kw转速1450转分而我公司为15kw,转速960转分,因而更节能,更耐用。
2、我公司所有排烟风机LsA<25dB(国家规定W 35dB)
3、冷却系统可以保证通过风机的烟气》400 C时连续运转》2小时,(国家规定W 280 C , 运行30分钟)GYF型系列消防排风机自94年至今连年在《全国给排水及消防产品展览会》上获一金奖。
4、立式和双速II型消防烟风机荣获二项国家专利( 94 3 02511.7) (95 212969.8)
5、GYF系列消防排烟风机由北京市消防局消防科学研究所监制,并得到全国各省消防部门的认可。
GYF系列消防排烟风机技术参数。
消防排烟风机型号及参数表消防排烟风机概述消防排烟风机是一种通过吸入室安装的风扇,它将外部新鲜空气引入烟囱,从而强制排出控制室内烟雾的烟气。
它的旋转叶片通过电机的动力来吸入和排出空气,以实现烟气的排放。
消防排烟风机还可用于防止烟雾飘散,提供有效的消防通道,减少环境污染或其他潜在的安全隐患。
消防排烟风机型号及参数1、DN500型消防排烟风机:叶轮直径: 500mm; 外壳尺寸: 500*500*350mm; 风机静压: 350Pa; 叶轮通径: 38mm; 最大转速: 2600r/s; 功率: 0.75KW 气量: 35000m3/h;2、DN630型消防排烟风机:叶轮直径: 630mm; 外壳尺寸: 630*630*350mm; 风机静压: 350Pa; 叶轮通径: 38mm; 最大转速: 2200r/s; 功率: 1.1KW 气量: 48000m3/h;3、DN710型消防排烟风机:叶轮直径: 710mm; 外壳尺寸: 710*710*350mm; 风机静压: 350Pa; 叶轮通径: 38mm; 最大转速: 2000r/s; 功率: 1.5KW 气量: 60000m3/h;4、DN800型消防排烟风机:叶轮直径: 800mm; 外壳尺寸: 800*800*350mm; 风机静压: 350Pa; 叶轮通径: 38mm; 最大转速: 1800r/s; 功率: 2.2KW 气量: 70000m3/h;消防排烟风机特点1、外壳采用硬面喷涂或金属喷涂工艺,耐酸碱抗腐蚀,噪音低,运行安静,密封好、无泄泄漏,有效保障了环境的空气品质;2、机组控制由高品质变频器完成,可靠性高,能够有效控制风机的转速,进行输风压力的调节,满足消防排烟的要求;3、满足各种防:火性能认证(UL、EN、DIN)测试;4、超低压突然中断的恢复性能强;5、低温下的性能可靠消防排烟风机可应用范围用于高层、高空或重庆烟雾大环境的烟雾抽放系统配套,特别是大公共建筑、高空酒店、高空购物中心及高空住宅等场所;同时还提供电力、石油、化工、制药、纺织、实验室及其他建筑行业的正压通风配套。
GDF系列离心式管道风机一、GDF系列离心式管道风机简述GDF系列离心式管道风机是在吸收国外先进技术的基础上研制而成的新型风机,采用前向多翼离心叶轮,具有较低的噪声,并经动、静平衡校正。
方形进出风口可直接与风管联接。
具有体积小、重量轻、噪声低、性能优良、运转平稳、安装方便等特点。
可作为国外同类产品的替代品,可广泛应用于宾馆、商场、医院、影剧院、礼堂、大专院校及民用建筑的通风换气。
二、外形及安装尺寸机号 A A1 B B1 Lh10p 8p 6p 4p2.5 480 420 310 250 480 —70 70 703 560 500 360 300 560 —70 70 70箱式离心风机离心鼓风机 HTFC消防排烟风机柜式风机箱•<上一件•下一件>举报价格未设定价格,您可以向供应商询价以得到产品报价发货\物流湖北武汉立即询价收藏商品了解更多产品详情,您可以“查看联系方式或给我留言”品牌:利欧型号:HTFC(DT)气流方向:离心风机材质:铁壳风机风机压力:低压风机类型:抽风机性能:低噪音风机用途:排烟风机SWF系列低噪声高效节能混流风机(正压送风机)一、SWF系列混流式风机概述SWF系列混流式风机具有同机号风量较离心风机大,风压较轴流风机高,可以轴向安装等特点;噪声低、耗电省、高效区宽、安装使用较离心风机方便、运行可靠等。
二、SWF系列混流式风机特点1.结构紧凑、安装方便、运行可靠;该风机在相同风量、风压的情况下均比轴流式或离心式体积小,可直接与风筒连接,水平安装或垂直安装,操作使用方便的特点。
2.噪声低:该风机的外壳经特别设计、可较大地降低外流噪声。
在单位风量、单位风压的工况条件下、比A声级可降低2-3dB(A),同时在较低转速的情况下,可获得较高风机压力。
在工矿企业和高级民用建筑的送排风系统中可代替低压离心风机或代替高压轴流风机而不需要大量消声措施。
3.适用范围广:本系列产品分单速和双速两种型号,可根据不同的使用场合,改变风机的安装角度,改变叶片数和变换转速达到其使用要求。
GYF系列消防排烟风机特点
一、由于新型高层建筑功能复杂,起火因素多,火势蔓延快,疏散和扑救难度高的特点,我公司推出了符合《高层民用建筑设计防火规范》GB50045-95及《汽车库、修车库、停车场设计防火规范》GB50067--97的第三代GYF系列消防排烟风机。
二、我公司与中国科学院、中国建筑科学院、北京市消防局消防科学院研究所有关专家共同开发研制出的高效风机突出优点:
1、>10号的风机在保证与其它厂家空气动力性能相同情况下,电机容量及转速均比其它厂家降低一个档次,以11号为例,其它厂家装机容量18.5kw转速1450转\分而我公司为15kw,转速960转\分,因而更节能,更耐用。
2、我公司所有排烟风机LsA<25dB(国家规定≤35dB)
3、冷却系统可以保证通过风机的烟气≥400℃时连续运转≥2小时,(国家规定≤280℃,
运行30分钟)GYF型系列消防排风机自94年至今连年在《全国给排水及消防产品展览会》上获一金奖。
4、立式和双速II型消防烟风机荣获二项国家专利(94 3 02511.7) (95 212969.8)
5、GYF系列消防排烟风机由北京市消防局消防科学研究所监制,并得到全国各省消防部门的认可。
GYF系列消防排烟风机技术参数
GYF-Ⅰ型消防高温排烟专用风机性能参数表
GYF-II型消防高温排烟专用风机性能参数表。