消防高温排烟轴流通风机
- 格式:docx
- 大小:150.79 KB
- 文档页数:2
轴流风机的型号以及参数轴流风机型号1,T35-11轴流风机T35-11系列11.2号风机T35-11系列10号风机T35-11系列9号风机T35-11系列8号风机T35-11系列号风机T35-11系列6.3号风机T35-11系列5.6号风机T35-11系列5号风机T35-11系列号风机T35-11系列3.55号风机T35-11系列2.8号风机T35-11系列3.15号风机2,SWF低噪声混流式通风机SWF系列13 号风机SWF系列12 号风机SWF系列11 号风机SWF系列10 号风机SWF系列9 号风机SWF系列8 号风机SWF系列7 号风机SWF系列6 号风机SWF 系列5 号风机SWF系列 4.5 号风机SWF系列 4 号风机SWF系列 3.5 号风机SWF系列3 号风机SWF系列 2.5 号风机3,HTF消防高温排烟风机4,GXF SJG斜流式通风机GXF系列13 号风机GXF系列12 号风机GXF系列11 号风机GXF系列10 号风机GXF系列9 号风机GXF系列8 号风机GXF系列7 号风机GXF系列6 号风机GXF 系列5.5 号风机GXF系列 5 号风机GXF系列 4.5 号风机GXF系列 4 号风机5,DZ低噪声轴流风机DZ系列13 号风机DZ系列12 号风机DZ系列11 号风机6,DWT低噪声屋顶通风机DWT系列13 号风机DWT系列12 号风机DWT系列11 号风机DWT系列10 号风机DWT系列9 号风机DWT系列8 号风机DWT系列7 号风机DWT系列 6 号风机DWT系列5.5 号风机DWT系列5 号风机DWT系列4.5 号风机DWT系列4 号风机低噪声轴流风机参数低噪声轴流风机是高效、节能、超低噪声的新型轴流风机。
CDZ是T35-11的换代产品,除具备T35-11轴流风机的特点外,由于采用了宽型前掠式叶片等栅距结构,减少了气流在叶片表面上的分离和气流旋涡的形成,降低了风机内气流的二次损耗,减少了声源的空气动力噪声,气流稳定,对保护环境,节约能源,具有很好的社会经济效益。
Dz系列通风机和F系列高温消防排烟轴流风机介绍来源:Dz系列通风机采用从声源入手,低转速,高压力系数的设计方法,研制成宽叶片,大弦长,空间扭曲倾斜式叶型,配用风机专用电机,具有明显的噪声低,风量大,耗电省,振动小,外形美观等优点,是一种高效,节能型轴流风机。
广泛适用于厂房,仓库,办公室,住宅等场所的壁式排风,管道送风。
本系列风机有三种型式:DZ-11型壁式,DZ-12型岗位式,ZD-13管道式。
特殊场合按用户要求可加式成网罩,弯头或自垂百叶形式工。
本系列风机一般配用三相电机,按用户要求对0.55KW以下可配用单相电机。
可根据输送介质要求制成防腐,防爆型:FDZ为防腐型轴流通风机,用于输送有腐蚀性的气体;BDZ为防爆型轴流通风机,用于输送易燃易爆的气体。
FBDZ为防腐防爆型轴流通风机,用于输送有腐蚀性且易燃易爆的气体。
Dz系列通风机采用从声源入手,低转速,高压力系数的设计方法,研制成宽叶片,大弦长,空间扭曲倾斜式叶型,配用风机专用电机,具有明显的噪声低,风量大,耗电省,振动小,外形美观等优点,是一种高效,节能型轴流风机。
广泛适用于厂房,仓库,办公室,住宅等场所的壁式排风,管道送风。
本系列风机有三种型式:DZ-11型壁式,DZ-12型岗位式,ZD-13管道式。
特殊场合按用户要求可加式成网罩,弯头或自垂百叶形式工。
本系列风机一般配用三相电机,按用户要求对0.55KW以下可配用单相电机。
可根据输送介质要求制成防腐,防爆型:FDZ为防腐型轴流通风机,用于输送有腐蚀性的气体;BDZ为防爆型轴流通风机,用于输送易燃易爆的气体。
FBDZ为防腐防爆型轴流通风机,用于输送有腐蚀性且易燃易爆的气体。
HTF系列高温消防排烟轴流风机产品型号说明:1、风机的性能表中列出的性能是最高效率范围内的性能,按风量分为五个性能工况点,选用时按性能表为准。
出厂的风机合格品是在额定风量下,全压值误差不超过±5%,性能选用表是标准状态下的性能,无论技术文件或定货要求的性能均以标准状态为准。
消防高温排烟风机技术参数
一、排烟风机的技术参数
1.风机类型:消防高温排烟风机主要有离心式排烟风机和轴流式排烟风机两种类型。
离心式排烟风机适用于小型火灾场所,能够获得较高的排烟量;轴流式排烟风机适用于大型火灾场所,能够获得较高的排烟速度。
2.马达功率:排烟风机的马达功率是指驱动风机旋转的功率。
功率大小会直接影响到排烟风机的转速和排烟量。
一般来说,大功率的排烟风机能够获得更高的排烟量。
3.排烟量:排烟量是指排烟风机每秒钟能够排出的烟气体积。
它取决于风机的转速、风机的叶片数、风机的口径等参数。
一般来说,排烟量越大,排烟效果越好。
4.排烟速度:排烟速度是指排烟风机每秒钟将烟气吹出的速度。
它取决于风机的转速、风机的口径以及排烟风机的设计参数等。
一般来说,排烟速度越大,烟气扩散得越快,火灾对人员和财产的危害越小。
5.压力:排烟风机的压力是指风机产生的背压。
他是风机在运行时所需要克服的阻力,直接影响风机的运行效率和排烟能力。
6.噪音:排烟风机在运行时会产生一定的噪音。
噪音大小与风机的转速、风机的结构以及风机的材质等相关。
一般来说,尽量选择噪音较小的排烟风机,以减少对人员的干扰。
7.材质:排烟风机的材质通常采用耐高温、耐腐蚀的材质。
这样可以确保风机在高温环境下长时间稳定运行,不受腐蚀的侵蚀。
以上是消防高温排烟风机的一些常见技术参数。
根据不同的需求,还可以根据场地的大小、火灾的等级等因素选择合适的排烟风机。
使用时要注意安全操作,确保排烟风机的正常运行,提高火灾应对能力,减少潜在的危害。
[资料]各种风机型号介绍大全(图文并茂)-GDF系列离心式管道风机2013-3-7 09:41 上传下载附件 (9.59 KB)一、特点GDF系列离心式管道风机,系本厂吸取国内先进技术的基础上加以改进制成的新型产品,该产品可直接与风管连接,性能好,运行平稳人,噪声低,结构合理紧凑,安装方便,是九十年代填补国内空白替代进口产品。
2013-3-7 09:41 上传下载附件 (73.36 KB) 2013-3-7 09:42 上传下载附件 (56.41 KB) CF系列厨房排烟管道风机2013-3-7 09:43 上传下载附件 (17.09 KB)该系列风机具有管道式外型,电机安装在风机外面,使高温管道的油烟同电机完全隔离,从而确保电机长时间安全运转,使用寿命比其他型式风机有了极大提高。
具有噪声低、耐高温性能优良、效率高、安装清洗方便等特点。
输送介质温度在200℃条件下连续运行60分钟以上,输送介质温度80℃时可长期连续运行不损坏。
主要用于高级民用建筑、厨房、烘箱等高温介质的通风排风。
一方面改变了以往国内无专用厨房风机的局面;别一方面保证了厨房的噪声低、无污染。
CF系列厨房排烟管道风机均为水平方向,且进、出风口都为方形,同管道联接非常方便。
该风机可同高效厨房油烟专用净化器配套使用,也可作为管道风机单独使用。
CF系列厨房排烟管道风机性能参数表(1)2013-3-7 09:47 上传下载附件 (47.87 KB)CF系列厨房排烟管道风机性能参数表(2)2013-3-7 09:47 上传下载附件 (84.37 KB)CF系列厨房排烟管道风机性能参数表(3)2013-3-7 09:48 上传下载附件 (84.05 KB)DJF、SR900人防风机性能参数表一、DJF、SR900人防风机性能参数表2013-3-7 09:50 上传下载附件 (44.36 KB)二、外形示图2013-3-7 09:50 上传下载附件 (25.81 KB)三、人防通风系统及附件介绍2013-3-7 09:51 上传下载附件 (11.2 KB)1、进风消波悬殊摆活门2、LP滤尘器3、手动密封阀门4、预滤器5、软管接头6、过滤吸收器7、电动脚踏(手摇)二用风机8、风量调节阀9、FX-Ⅰ风量显示器(或风量测点)10、FY 自动排气阀a、阻力测点2013-3-7 09:52 上传下载附件 (47.8 KB)2013-3-7 09:53 上传下载附件 (42.39 KB)DWT系列屋顶风机的特点(介绍)2013-3-7 09:53 上传下载附件 (12.96 KB)一、DWT系列屋顶风机特点1、规格型式多,应应范围广:可根据使用场合的压力、风量和噪声的不同要求,选用以下三种型式风机:A、轴流式屋顶风机:型号为DWT-Ⅰ型,宜用于中低压、大流量的使用场合。
前言本标准为推荐性本标准由中华人民共和国公安部南省消防总队提出本标准起草单位:云南省消防总队。
本标准主要起草人:消防排烟风机一、范围本标准规定了消防排烟风机(以下简称消防风机)的分类、要求、实验方法、检测规则、标志、使用说明书、包装、运输和储存等。
本标准适用于建筑物内排烟系统用风机。
消防风机消防风机既是指能在300℃高温条件下连续运行60分钟以上、100℃温度条件下连续20小时/次不损坏的风机。
HTF系列消防高温排烟专用风机性能特点:1.HTF系列高温排烟专用风机具有性能优良,耐高温性能良好、效率高、占地比离心风机少、安装方便等特点2、HTF消防风机耐高温性能优良:风机测试符合GBJ45-82消防规范标准要求,建立高于该标准的企业内控保证体系,能在300℃高温条件下连续运行60分钟以上、100℃温度条件下连续20小时/次不损坏,广泛应用于高级民用建筑,烘箱,地下车库,隧道等地合。
3、HTF消防风机的性能表中列出的性能是最高效率范围内的性能、按风量分为五个性能点,选用时按性能表为准。
出厂的消防风机合格品是在额定风量下,全压值误差不超过±5%、性能选用表是标准状态下的性能。
4、HTF消防风机安装方式可分为卧式和屋顶式,如对风量,全压,安装尺寸等性能有特殊要求时,另行设计生产。
5、HTF-I,HTF-II表示常压型消防高压排烟专用风机,叶型采用轴流式:有HTF-I(单速)消防风机,HTF-II(双速)消防风机两种.6、HTF-X消音型消防高温排烟专用风机,用户可根据实际需求选用不同的种类.7、HTF-W为屋顶式消防高温排烟专用风机,用户可根据实际需选用阻燃型玻璃钢风幢或钢制风帽。
8、HTF-D为低压高温排烟专用消防风机。
二、消防风机的材质要求消防风机材质厚度必须达到3mm以上。
三、消防风机的安装要求1. 风机安装时应对各部件进行全面检查,机件是否完整,各部件联接是否紧固。
2. 消防排烟风机安装时注意保持风机的水平位置,对风机与地基的结合面和出风管的联接等,应调整使之自然吻合不得有强行联接,不允许将管道重量加在风机的部件上。
消防高温排烟风机技术参数消防高温排烟风机是一种专门用于排除火灾现场产生的烟雾和热量的设备。
它通过强大的风力和高效的排烟系统,将烟雾和热气迅速排出火灾现场,有效保护人员安全和减少财产损失。
下面将详细介绍消防高温排烟风机的技术参数。
1.风机类型:消防高温排烟风机根据不同的设计和用途可以分为多种类型,如轴流风机、离心风机、混流风机等。
不同类型的风机具有不同的排烟效果和适用场景,根据具体需要选择合适类型的风机。
2.风机材质:消防高温排烟风机通常采用高温耐烧材料制作,如不锈钢、铝合金等。
这些材料能够抵抗高温和火灾带来的腐蚀,有助于提高风机的使用寿命和安全性能。
3.排风量:消防高温排烟风机的排风量是衡量其性能好坏的重要指标之一、排风量越大,表示风机能够迅速排出更多的烟雾和热量,从而降低火灾蔓延的概率。
一般来说,消防高温排烟风机的排风量在1000立方米/小时以上。
4.风压:消防高温排烟风机的风压表示风机所产生的风力大小。
风压越大,表示风机能够克服更大的阻力,确保烟雾和热气迅速排出火灾现场。
一般来说,消防高温排烟风机的风压在300帕以上。
5.额定功率:消防高温排烟风机的额定功率是指风机在正常运行条件下所消耗的电能。
额定功率越大,表示风机具有更强的动力输出和排烟能力。
一般来说,消防高温排烟风机的额定功率在1千瓦以上。
6. 防爆等级:由于消防高温排烟风机工作环境复杂,存在爆炸危险,因此需要具备一定的防爆能力。
防爆等级是指风机耐受爆炸环境的能力,一般分为多个等级,如防爆等级Exd IIB T4等。
选择防爆等级合适的风机可以有效提高设备的安全性。
7.控制方式:消防高温排烟风机的控制方式多样,如手动控制、远程控制、自动控制等。
手动控制方式一般适用于简单的排烟场景,而远程控制和自动控制方式则能够更快捷、准确地响应火灾现场的状况,实现及时排烟。
8.噪音:消防高温排烟风机在工作过程中会产生一定的噪音。
合理控制噪音水平有助于提高工作环境的安静度,减少对人员的干扰和影响。
一.HTF(GYF)系列消防高温排烟轴流通风机概述、特点(1)HTF(GYF)系列消防高温排烟轴流通风机,由xx交通大学和xx亿通风机有限公司联合研制共同开发,具有性能优良,耐高温性能良好,效率高,占地比离心风机少,安装方便等特点。
(2)HTF(GYF)系列消防高温排烟轴流通风机经“国家消防装备质量监督检验中心“检测合格,其性能达到国内领先水平,经全国三十多个省市的消防部门认可。
该风机畅销xx,xx,xx经,xx,xx,xx,xx,xx,xx,xx,xx,xx,xx,xx,xx,xx,xx,xx,xx,xx,xx,xx,xx,xx,xx等全国各省(市),自治区。
(3)耐高温性能优良:风机测试符合GBJ45-82消防规范标准要求,风机采用独特设计,耐高温电机内置,配置电机冷却系统,能在300氏摄度高温条件下连续运行100分钟以上,100氏摄度温度条件下连续20小时/次不损坏,广泛应用于高级民用建筑,烘箱,地下车库,隧道等场合;(4)适用范围广:可以根据高级民用建筑的不同要求,采用变速或多速驱动形式,心达到一机两用(即常用通排风和消防时高温排烟)的目的;叶型分为轴流式(HTF(GYF)-I,II)和混流式HTF(GYF)-IG,亦可制作屋顶式,消音式。
(5)效率高:本系列风机采用先进的CAD软件经多目标优化设计研制开发的新产品,以实测表明风机效率大于80%,部分大机号大于85%,并具有效率曲线平坦的特点,有利于节能;(6)安装方便,占地较离心风机少:该风机基本形式为轴流式风机或混流式风机,可直接与风管连接或墙壁安装,安装形式可采用垂直或水平式。
很大程度上节省了占地面积。
二.HTF(GYF)系列消防高温排烟轴流通风机性能的选择和型号说明三.HTF(GYF)-I型消防高温排烟轴流风机参数表四.HTF(GYF)-II型双速消防高温排烟轴流通风机性能参数表(1)四.HTF(GYF)-II型双速消防高温排烟轴流通风机性能参数表(2) 五.HTF(GYF)-I,II系列消防高温排烟通风机外形及安装尺寸表。
HTF(A)消防高温排烟轴流风机一、特性及应用HTF(A)消防高温排烟轴流风机采用CAD软件多目标优化设计,选配模压轴流叶轮,内置高温电机,配设专门的电机冷却系统。
选用双速电机直联传动,达到一机两用(即平时送排通风和消防使用时高温排烟),配设电控箱后可远程自动控制。
具有耐高温性能优良、效率高、体积小、安装简便(水平、垂直、吊装均可)等优点,广泛应用于高层建筑、烘房、地下车库、地铁、隧道等场合消防排烟和送排通风。
按GA211-1999消防风机耐高温试验方法,能在400℃高温条件下连续运行100分钟以上,介质温度100℃条件下连续运行20小时/次不损坏,已被全国各大城市消防部门认可采用。
本系列风机可根据安装使用场合的要求,外设消音箱体,制成HTF(A)-X箱形消防排烟风机。
二、型号说明HTF(A) - X - Ⅱ- 8 W代表屋顶式,常规无字符机号(叶轮直径分米数)型号(Ⅰ为单速,Ⅱ为双速,III为高压型)结构形式(X为箱形,常规无字符)消防高温排烟轴流风机三、HTF(A)-Ⅰ(Ⅱ)型性能参数机号NO.转速(r/min风量(m3/h)风压(Pa)单速功率(kW)双速功率(kW)噪声dB(A)重量(kg)3.5 29006122500835002053685521.11.1/0.8576 65 145030602500175051901350.37 72 624 29006500520046004104905201.51.8/1.377 76 14503250260023001021221300.55 73 694.5 29007900580050005105906702.22.4/278 881450 3950 127 0.75 74 80机号NO.转速(r/min)风量(m3/h)风压(Pa)单速功率(kW)双速功率(kW)噪声dB(A)重量(kg)5.5290015200120001090039859262144/3.386 13514507600600054501001481551.5 75 115629001609015102131975106107605.55.5/4.586 16414508045755165991271531901.5 75 1306.514502150018000153004256206805.55.5/488 180960 14235 187 2.2 80 165注:双速风机的重量参考同号中高速风机的重量。
YDT消防排烟风机型号规格手册消防排烟风机,主要是指适用于消防领域的排烟风机。
因为在使用上,该风机有严格的消防要求:1、出厂的风机需要有公安部消防3C认证标识;2、风机所应用的工程项目信息,也需要上报至公安部相应网站进行备案。
消防排烟风机,也称“消防风机、消防高温排烟风机”,其常见的型号分类主要有三种:HTF消防高温排烟风机、PYHL-14A消防排烟风机、HTFC型柜式离心风机。
一、HTF消防高温排烟风机HTF消防高温排烟风机,其全称“HTF消防高温排烟轴流风机”,可以归属于轴流风机的在种类型;也可简称“HTF消防风机、HTF消防排烟风机”。
该风机经“国家消防装备监督质量检验中心”按GA211-2009《消防排烟风机耐高温试验方法》,在耐高温试验中:在介质温度300℃的高温条件下,该风机连续运转60分钟以上;在温度100度的条件下,连续运转20个小时/次。
HTF消防风机主要有“Ⅰ型(单速)、Ⅱ型(双速)”等2种主型。
其中:Ⅰ型单速风机,机号从“3.5-16”共计有17种规格;Ⅱ型双速风机,机号从“5-16”共计14种规格。
二、PYHL-14A消防排烟风机PYHL-14A消防排烟风机,全称为“PYHL-14A消防排烟混流风机”,也称“PYHL-14A消防风机、PYHL-14A风机”;它是HL3-2A低噪声混流风机(普通排烟风机)的升级改进型号。
该风机经“国家消防装备监督质量检验中心”按GA211-2009《消防排烟风机耐高温试验方法》,承受过高温试验:在介质温度280℃的高温条件下,连续运转60分钟以上;100度的条件下,1次连续运转20个小时不损伤。
PYHL-14A消防风机也有“单速和双速”两种主要类型,机号从“2.5A-12.5A”共计21种规格。
三、HTFC型柜式离心风机HTFC型柜式离心风机,全称“HTFC(DT)型柜式离心风机”,也称“HTFC型柜式风机、HTFC型风机、柜式风机”,常称之为“柜式离心风机”。
风机篇一、定额中的项目与风量对应备注:HTF(XPZ、PYHL)是同一系列消防轴流风机,HTFC(DTP)系列是统一的柜式离心风机,定额套用需进行换算,乘以系数1.2!GXF(SJG)系列是混流风机,混流风机按照轴流风机安装相应字母,人工、机械乘以系数1.2;离心式空气轴心直接出去叫离心式,轴流式空气转向90度,混流在两者之间风向角度。
二、风机类型及型号1.离心式通风机离心式通风机是指通风机扇出的风或风流向是由中心向外即离心式,然后集中在一出风口出风的。
一般离心式风机的出风口与电机方向垂直。
1)、HTFC(DT)系列低噪声消防(两用)柜式离心风机分为I。
II。
I为单速,II为双速;2)、GDF系列离心式管道风机①、型号说明②、性能参数(本机有两种形式可选用A、电机内置,B、电机外置)③、外形尺寸(电机内置与外置尺寸相同)2.轴流风机轴流式风机可以简单的认为是风走直线,直进直出。
空气流向与轴平行。
在工程项目中HTF(GYF)系列轴流风机运用较为广泛。
1)、HTF(GYF)系列消防高温排烟轴流通风机HTF(GYF)系列消防高温排烟轴流通风机型号说明2)、Dz系列低噪声轴流式通风机本系列风机有三种型式:DZ-11型壁式,DZ-12型岗位式,ZD-13管道式。
特殊场合按用户要求可加式成网罩,弯头或自垂百叶形式工。
本系列风机一般配用三相电机,按用户要求对0.55KW以下可配用单相电机。
可根据输送介质要求制成防腐,防爆型:FDZ为防腐型轴流通风机,用于输送有腐蚀性的气体;BDZ为防爆型轴流通风机,用于输送易燃易爆的气体。
FBDZ为防腐防爆型轴流通风机,用于输送有腐蚀性且易燃易爆的气体。
3)、SWF系列低噪声混流式通风机混流式通风机与轴流式风机外观大致相似,气流流向大致相同,但是混流式通风机气流流动方向在变化,经常有分流和合流现象出现。
常用到的风机机型有SWF-I(单速)、SWF-II(双速)。
SWF-IV(HLF)系列低噪声混流式风机箱HL3-2A型高效节能混流式通风机HTF(PYHL-14A)型高温排烟混流风机4)、GXF,SJG斜流式通风机斜流风机又名混流风机,外形类似轴流风机,是介于轴流风机和离心风机之间的风机。
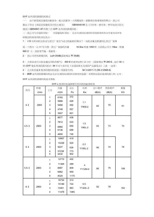
GYF系列消防排烟风机特点
一、由于新型高层建筑功能复杂,起火因素多,火势蔓延快,疏散和扑救难度高的特点,我公司
推岀了符合《高层民用建筑设计防火规范》GB50045-95及《汽车库、修车库、停车场设计防火规范》GB50067--97的第三代GYF系列消防排烟风机。
二、我公司与中国科学院、中国建筑科学院、北京市消防局消防科学院研究所有关专家共同开发
研制岀的高效风机突岀优点:
1、>10号的风机在保证与其它厂家空气动力性能相同情况下,电机容量及转速均比其它厂家降
低一个档次,以11号为例,其它厂家装机容量18.5kw转速1450转分而我公司为15kw,转速960转分,因而更节能,更耐用。
2、我公司所有排烟风机LsA<25dB(国家规定W 35dB)
3、冷却系统可以保证通过风机的烟气》400 C时连续运转》2小时,(国家规定W 280 C , 运行30分钟)GYF型系列消防排风机自94年至今连年在《全国给排水及消防产品展览会》上获一金奖。
4、立式和双速II型消防烟风机荣获二项国家专利( 94 3 02511.7) (95 212969.8)
5、GYF系列消防排烟风机由北京市消防局消防科学研究所监制,并得到全国各省消防部门的认可。
GYF系列消防排烟风机技术参数。
NXT系列高温消防排烟轴流风机 产品介绍和安装使用维护说明书 地址:广东省佛山市南海区狮山广大路 邮编:528225 电话:(0757)86691751 86693200 传真:86693184 86691751 网址:http://www.ntfan.com E-mail:Info@ntfan.com一、NXT系列产品概述 NXT系列产品是南方风机研究所与南方风机厂依据GB50045-95高层民用建筑设计防火规范和地下隧道通风消防排烟的要求,研制出具有当前国际先进水平的国内新一代高效低噪节能产品。
NXT系列产品共有NXT-14、NXT-17(单向轴流风机)、NXT-17R(正反风轴流风机)和射流风机NSL(U单向风和R正反风)四个系列;由NXT-14派生产品有NTF-11系列(斜流风机)、由NXT-17派生产品有WNXT-17(屋顶消防轴流风机)、DNXT-17(对旋单向中高压轴流风机)、BNXT-17防爆轴流风机和由NXT-17R派生产品 DNXT-17R(对旋正反风中高压轴流风机)五个系列。
NXT系列产品中的NXT-17、NXT-17R两个系列在1999年12月已经过广东省科委主持召开的新产品鉴定。
签定“该系列风机主要性能指标国内领先,并达到英国WOODS 公司九十年代末同类产品的先进水平”,该系列产品也已被国家科学技术部评为国家重点新产品。
二、NXT系列产品的使用条件与应用场所 NXT系列产品最大特点:耐高温电机直接处于高温烟气之中,无须另设冷风通道冷却电机。
当输送烟气介质温度为280℃时,能保证连续运行半小时以上;当输送烟气介质温度为250℃时,能保证连续运行一小时以上;当环境介质温度为50℃~80℃时,能保证长期连续运行。
输送气体不允许夹带粘性物质,尘土及硬质颗粒含量不大于100mg/m3。
NXT系列产品可根据用户多用途来选配电机:当配用普通单速或多速电机时,风机当一般空调与通风换气使用;配用耐高温电机时,风机作为消防排烟系统专用;若配用耐高温双速电机时,则风机平时低速运行,作为空调与通风换气使用;一旦失火,火灾烟雾报警器动作,自动打开排烟阀,同时与该风机联动的电气控制系统动作,风机自动转成高速运行,排出烟雾;利于火灾现场人员安全撤离,达到高温消防排烟的作用。
排烟风机型号名称、用途、性能浙江聚英风机工业有限公司是一家专业生产排烟风机的企业。
排烟风机型号主要为以下几大类:消防高温排烟轴流风机HTF(A):HTF(A)系列排烟风机采用CAD软件多目标优化设计,选配模压轴流叶轮,内置高温电机,配设专门的电机冷却系统。
本系列排烟风机可根据安装使用场合的要求,外设消音箱体,制成HTF(A)-X箱形消防排烟风机。
消防高温排烟混流风机HTF(B):HTF(B)系列排烟风机采用CAD软件多目标优化设计,选配模压扭曲翼形锥型叶轮,高温电机全封闭内置,配设专门的电机冷却系统。
HTF(B)型排烟风机(PYHL-14A型)I型单速结构紧凑,节省安装空间。
II型双速在进风口设消声集流器,使风机在低速排风时运转噪音更低。
消防高温排烟轴流风机HTF(A)与消防高温排烟混流风机HTF(B)选用双速电机直联传动,达到一机两用(即平时送排通风和消防使用时高温排烟),配设电控箱后可远程自动控制。
具有耐高温性能优良、风量大、风压高、安装简便等优点,广泛应用于高层建筑、烘房、地下车库、地铁、隧道等场合消防排烟和送排通风。
按GA211-1999消防风机耐高温试验方法,能在400℃高温条件下连续运行100分钟以上,介质温度100℃条件下连续运行20小时/次不损坏,已被全国各大城市消防部门认可采用。
消防高温排烟柜式离心风机HTFC(A):HTFC系列风机系我公司研制成功的一种一机两用、高效率、低噪声柜式离心风机,具有明显的噪声低、耐高温性能优良、结构新颖紧凑、振动小、重量轻、安装维护方便等优点,广泛应用于宾馆、饭店、礼堂、影剧院、地下室、厂矿企业、办公楼等需要消防排烟、厨房排油烟及通风换气的场合(吊装、坐地安装均可),既可送风又可排风,现已畅销全国各地,深受用户好评,是目前高层建筑消防排烟、通风换气的理想产品。
本系列排烟风机分A型和B型两种,电动机安装在箱体外的为A型,经耐高温试验,在烟气温度大于280℃高温情况下,能连续运转40分钟以上,达到消防排烟之目的,配用双速电机后,既可在低速时通风换气,又可在高速时消防排烟,为一机二用;电动机安装在箱体内的为B型,一般作送排通风使用。
HTF(A)系列消防高温排烟轴流通风机一.HTF⑷系列消防高温排烟轴流通风机概述、特点1.HTF(A)系列消防高温排烟轴流通风机,其基本形式为轴流式结构,采用耐高温电机,配有专门的电机冷却系统。
具有性能优良、耐高温性能良好、效率高、占地比离心风机少、安装方便等特点。
2.HTF(A)系列消防高温排烟轴流通风机经“国家消防装备质量监督检验中心”检测合格,其性能达到国内领先水平,经全国三十多个省市的消防部门认可。
该风机畅销北京、天津、上海、重庆、浙江、广东、江苏、山东、河南、河北、安徽、湖南、四川、辽宁、湖北、陕西、吉林、内蒙古、山西、贵州、黑龙江、福建、江西、云南、深圳等全国各省(市)、自治区。
3.耐高温性能优良:风机测试符合GBJ45-82消防规范标准要求,风机采用独特设计,耐高温电机内置,配置电机冷却系统,能在300°C高温下连续运行100分钟以上、100C温度条件下连续20小时/次不损坏,广泛应用于高级民用建筑、烘箱、地下车库、隧道等场合;4.适用范围广:可以根据高级民用建筑的不同要求,采用变速或多速驱动形式,以达到一机两用(即常用通排风和消防时高温排烟)的目的;叶型分为轴流式(HTF(A)-I、II)和混流式HTF(A)-IG,亦可制作屋顶式、消音式。
5.效率高:本系列风机采用先进的CAD软件经多目标优化设计研制开发的新产品,经实测表明风机效率大于80%,部分大机号大于85%,并具有效率曲线平坦的特点,有利于节能;6.安装方便,占地较离心风机少:该风机基本形式为轴流风机或混流式风机,可直接与风管连接或墙壁安装,安装形式可采用直式或水平式。
很大程度上节省了占地面积。
HTF(A)系列消防高温排烟轴流通风机性能的选择和型号说明例HTF(A)—XX—X风机机号L0:低速低压G;混流式I;单睫5K速皿;黑顶我消跡离温排烟通凤机HTF(A)-H-7=章示点独为"0职遽消防萬囲排烟轴流通风机。
《JB/T 10281-2001》消防排烟通风机技术条件前言本标准系依据GB 50045—1995《高层民用建筑设计防火规范》和GB 50067—1997《汽车库、修车库、停车场设计防火规范》中对机械排烟的要求进行编写的。
本标准由全国风机标准化技术委员会提出并归口。
本标准系首次发布。
1 范围本标准规定了消防排烟通风机的定义、技术要求、试验方法、检验规则、标志、包装和运输。
本标准适用于安装在各类建筑物中的机械排烟系统,发生火灾时,起排烟作用的轴流式和离心式通风机。
2 引用标准下列标准所包含的条文,通过在本标准中引用而构成为本标准的条文。
本标准出版时,所示版本均为有效。
所有标准都会被修订,使用本标准的各方应探讨使用下列标准最新版本的可能性。
GA 211—1999 消防排烟风机耐高温试验方法GB/T 1236—2000 工业通风机用标准化风道进行性能试验(idt ISO 5801∶1997)GB/T 2888—1991 风机和罗茨鼓风机噪声测量方法GB/T 3235—1999 通风机基本型式、尺寸参数及性能曲线GB/T 13274—1991 一般用途轴流通风机技术条件GB/T 13275—1991 一般用途离心通风机技术条件GB/T 13306—1991 标牌JB/T 6445—1992 通风机叶轮超速试验JB/T 6886—1993 通风机涂装技术条件JB/T 8689—1998 通风机振动检测及其限值JB/T 8690—1998 工业通风机噪声限值JB/T 9101—1999 通风机转子平衡JB/T 10213—2000 通风机焊接质量检验技术条件JB/T 10214—2000 通风机铆焊件技术条件3 定义本标准采用下列定义。
3. 1 消防排烟通风机设置于建筑物的机械排烟系统内,当建筑物发生火灾时,用以排除烟气的通风设备(该设备平时亦可用于通风换气)。
3. 2 电动机空气冷却系统电动机在较高环境温度下工作时,为保护电动机而设置的强制通风系统。
消防排烟风机型号及参数表消防排烟风机概述消防排烟风机是一种通过吸入室安装的风扇,它将外部新鲜空气引入烟囱,从而强制排出控制室内烟雾的烟气。
它的旋转叶片通过电机的动力来吸入和排出空气,以实现烟气的排放。
消防排烟风机还可用于防止烟雾飘散,提供有效的消防通道,减少环境污染或其他潜在的安全隐患。
消防排烟风机型号及参数1、DN500型消防排烟风机:叶轮直径: 500mm; 外壳尺寸: 500*500*350mm; 风机静压: 350Pa; 叶轮通径: 38mm; 最大转速: 2600r/s; 功率: 0.75KW 气量: 35000m3/h;2、DN630型消防排烟风机:叶轮直径: 630mm; 外壳尺寸: 630*630*350mm; 风机静压: 350Pa; 叶轮通径: 38mm; 最大转速: 2200r/s; 功率: 1.1KW 气量: 48000m3/h;3、DN710型消防排烟风机:叶轮直径: 710mm; 外壳尺寸: 710*710*350mm; 风机静压: 350Pa; 叶轮通径: 38mm; 最大转速: 2000r/s; 功率: 1.5KW 气量: 60000m3/h;4、DN800型消防排烟风机:叶轮直径: 800mm; 外壳尺寸: 800*800*350mm; 风机静压: 350Pa; 叶轮通径: 38mm; 最大转速: 1800r/s; 功率: 2.2KW 气量: 70000m3/h;消防排烟风机特点1、外壳采用硬面喷涂或金属喷涂工艺,耐酸碱抗腐蚀,噪音低,运行安静,密封好、无泄泄漏,有效保障了环境的空气品质;2、机组控制由高品质变频器完成,可靠性高,能够有效控制风机的转速,进行输风压力的调节,满足消防排烟的要求;3、满足各种防:火性能认证(UL、EN、DIN)测试;4、超低压突然中断的恢复性能强;5、低温下的性能可靠消防排烟风机可应用范围用于高层、高空或重庆烟雾大环境的烟雾抽放系统配套,特别是大公共建筑、高空酒店、高空购物中心及高空住宅等场所;同时还提供电力、石油、化工、制药、纺织、实验室及其他建筑行业的正压通风配套。
消防高温排烟风机简介一、用途及特点:耐高温性能优良风机测试符合GB50045-95消防规范测试标准要求,建立高于该标准的企业内控保证体系,能在400℃高温条件下连续运行100min以上,100℃温度条件下连续运行,广泛应用于高级民用建筑、烘箱、地下车库、隧道等场合。
适用范围广可以根据高层民用建筑的不同要求,采用变速或多速驱动形式,以达到一机二用(即常用通排风和消防使用时高温排烟)的目的。
广泛用于有各种高温介质场所的通风换气。
效率高本风机采用先进的CAD系统软件,是经多目标优化设计研制开发的新产品,经实测,风机效率大于80%,部分机号大于85%,并具有效率曲线平坦的特点,有利于节能。
安装方便,占地较离心风机少该风机基本型式为轴流风机,可直接与风管连接和墙壁安装,安装形式可垂直式(垂直式有风帽可做屋顶用)或水平式,很大程度地节省了占地面积,同时,不受机号较大和所需大风量之影响,采用电动机直联方式,使其运行可靠。
二、技术性能:由于配用电动机具有良好绝缘性能,而且采用通风机的主气流和电动机隔离的双流道结构,风机能在介质温度不大于100℃条件下连续运行,温度在400℃左右可连续运行100min以上。
消防排烟通风机执行标准Q/DY003-1998,现对标准规定的主要技术要求作简要介绍:1、标准适用于介质温度不大于280℃、含尘量不大于100mg/m3消防排烟轴流通风机。
2、在额定转速及流量下,通风机的全压效率应不小于70%,通风机的全压偏差不超过额定值的±5%。
3、通风机在额定工况下的比A声压级不大于38 dB(A)。
(A声级与比A声级之间的关系请参见有关标准)4、通风机的叶轮动平衡精度不大于5.6级。
5、通风机的振动精度(均方根速度)应不大于6.3㎜/s。
6、通风机在使用温度280℃时,正常安全运行应不少于30min。
7、通风机在设计中应采用风冷装置,电动机外壳温度不得超过200℃。
8、电动机应采用耐高温电磁线及有关耐高温材料,达到F级绝缘。
消防高温排烟轴流通风
机概述
一.HTF(A)系列消防高温排烟轴流通风机概述、特点
1. HTF(A)系列消防高温排烟轴流通风机,其基本形式为轴流式结构,采用耐高温电机,配有专门的电机冷却系统。
具有性能优良、耐高温性能良好、效率高、占地比离心风机少、安装方便等特点。
2. HTF(A)系列消防高温排烟轴流通风机经“国家消防装备质量监督检验中心”检测合格,其性能达到国内领先水平,经全国三十多个省市的消防部门认可。
该风机畅销北京、天津、上海、重庆、浙江、广东、江苏、山东、河南、河北、安徽、湖南、四川、辽宁、湖北、陕西、吉林、内蒙古、山西、贵州、黑龙江、福建、江西、云南、深圳等全国各省(市)、自治区。
3.耐高温性能优良:风机测试符合GBJ45-82消防规范标准要求,风机采用独特设计,耐高温
电机内置,配置电机冷却系统,能在300℃高温下连续运行100分钟以上、100℃温度条件下连续20小时/次不损坏,广泛应用于高级民用建筑、烘箱、地下车库、隧道等场合;
4.适用范围广:可以根据高级民用建筑的不同要求,采用变速或多速驱动形式,以达到一机两用(即常用通排风和消防时高温排烟)的目的;叶型分为轴流式(HTF(A)-Ⅰ、Ⅱ)和混流式HTF(A)-IG,亦可制作屋顶式、消音式。
5.效率高:本系列风机采用先进的CAD软件经多目标优化设计研制开发的新产品,经实测表明风机效率大于80%,部分大机号大于85%,并具有效率曲线平坦的特点,有利于节能;
6.安装方便,占地较离心风机少:该风机基本形式为轴流风机或混流式风机,可直接与风管连接或墙壁安装,安装形式可采用直式或水平式。
很大程度上节省了占地面积。
1、HTF型消防高温排烟轴流风机概述
??℃高温条件下连续运转60分钟以上,100℃温度条件下连续运转20小时/次不损坏,可用于通风排烟两用。
?? 1.2.产品分类
?? ●按安装方式分:卧式和屋顶式(W型)。
?? ●按风量风压分:常压型有I型、II型(双速);中压型(叶轮为斜流式)有Ⅲ、Ⅳ型(双速);低压型有D 1、D2型。
?? ●按调速方式分:单速、双速、变频(采用变频电机,配变频控制器,实行无级调速,以适应不同工况,建议调节频率锁定在25Hz~50Hz)。
?? 1.3.为适应不同场所噪声要求,风机均可配不同长度消声器,也可做成包覆式。
2、HTF型消防高温排烟轴流风机工作条件
?? 工作温度:-20~+60℃(可连续运转);
?? 耐高温:100℃(可连续运转20小时),300℃(可连续运转60分钟);?? 湿??? 度:<90%;
?? 介质条件:空气(含尘量不超过100mg/m );
?? 工作电源:三相、380V/50Hz。
3、HTF型消防高温排烟轴流风机应用
?? 风机可广泛应用于高层建筑、烘箱、地下车库、隧道等通风排烟场所。
4、HTF型消防高温排烟轴流风机配置
?? 4.1.标准配置
?? ●叶轮;??????? ?? ●冷却叶轮;●机壳(风筒、导叶、内筒、电机支架);???
●底脚;??????
●电机;
●冷却风管。
?? 4.2.备选件及附件(订货时注明是否购买)
?? ※减振设备;??????????? ※控制箱;??????????? ※网罩;???????? ※对接法兰。
5、HTF型消防高温排烟轴流风机加工工艺
?? 5.1.风机叶轮为钢制,轮毂液压拉伸成型,叶片冲压后液压成形,叶片与轮毂焊接装配成形。
叶轮经静、动平衡校正,平衡精度不大于G5.6级。
?? 5.2.外筒法兰为采用整体翻边旋压而成。
6、HTF型消防高温排烟轴流风机性能参数表
Ⅰ型消防高温排烟轴流风机性能参数表(1)
Ⅰ型消防高温排烟轴流风机性能参数表(2)
Ⅱ型消防高温排烟轴流风机性能参数表(1)
Ⅱ型消防高温排烟轴流风机性能参数表(2)
Ⅱ型消防高温排烟轴流风机性能参数表(3)
Ⅲ型消防高温排烟轴流风机性能参数表(1)
Ⅲ型消防高温排烟轴流风机性能参数表(2)
Ⅳ型消防高温排烟轴流风机性能参数表(1)
Ⅳ型消防高温排烟轴流风机性能参数表(2)
?7、HTF-Ⅰ、Ⅱ型消防高温排烟轴流风机外形及安装尺寸
8、HTF-Ⅲ、Ⅳ型消防高温排烟轴流风机外形及安装尺寸
9、HTF-D1型消防高温排烟轴流风机外形及安装尺寸
9、HTF-D2型消防高温排烟轴流风机外形及安装尺寸
10、HTF-W型屋顶式消防高温排烟轴流风机外形及安装尺寸。