四线电阻式触摸屏检验标准
- 格式:doc
- 大小:1.29 MB
- 文档页数:6
文件修订纪录一,目的:1.1,制定10.1英寸~15.6英寸四线电阻式触摸屏检验标准.1.2,规范化四线电阻式触摸屏的检验程序.二,适用范围:2.1,适用于四线电阻式触摸屏原材料验收标准.2.2,适用于四线电阻式触摸屏生产线QC检测验收标准.2.3,适用于四线电阻式触摸屏QA成品出货验收标准三,定义:3.1,缺陷定义3.1.1,致命缺陷(Critical): 是指样品对人身安全会造成伤害威胁或者存在的安全隐患和触犯当地或者国家法律法规的不良事项,简记为C3.1.2,严重缺陷(Major):是指被测样品失去功能或者功能未符合产品特性的或外观边缘严重影响视觉导致客户降低购买欲望的但不造成人身安全威胁、不触犯国家法律或者地方法规且容易被使用者发现的不良类别;简记为MAJ3.1.3, 轻微缺陷(Minor):是指被样品没有以上所描述现象,且不良现象不易被使用者发现的的不良类别。
简记为Min3.2, 术语解析3.2.1,透光率: 透过透明或半透明体的光通量与其入射光通量的百分率.3.2.2,操作力度: 指动作在触摸屏表面的力度.3.2.3触摸屏电阻(P-P): 是指同层ITO X+,X- P-P电阻和同层ITO Y+,Y- 的P-P的电阻值.3.2.4失真度: 是指显示屏通过触摸屏后的色彩以及图像的失真程度.四,检验条件:4.1,检视距离/视角: 人眼垂直于触摸屏距离30厘米, 视角范围:45~135度.4.2,光线强度要求: 800~1000Lux4.3,检验员视力要求: 不允许有色盲,色弱,视力1.0(高括矫正视力)以上.五,检验计划除非特别指定,抽样计划按照AQLII, Maj=0.65, Min=1.0,CR=0,基于《MIL- STD-105E》六,功能检验方法及接受标准操作力度测试使用测试笔作用于触摸屏表面,测试区域会被选择.50~150g使用R0.8的硅胶测试笔.同层ITO膜回路电阻测量X+/X- Y+/Y- 组织参考规格书七,缺陷等级判定标准类别检验项目缺陷描述缺陷判定标准CRI MAJ MIN外观部分脏污表面不允许有脏污X可视区黑点/杂色点D≤0.1mm (30cm处,人眼隐约可见),N≤2,且距离>15mmX D≤0.1mm (30cm处,人眼清晰可见),N≤2,且距离>15mmXD≤0.2mm (50cm处,人眼清晰可见),N≤2,且距离>15mmXD≤0.2mm (50cm处,人眼清晰可见),N>2,且距离>15mmX可视区划线W≤0.02mm, (可忽略)续下表接上表触摸屏端子匹拔出力度<0.5KG X 配力度显示失真透过触摸屏,显示屏视觉失真X 八, 触摸缺陷附图.触摸偏位.——完——。
1目的:掌握触摸屏的检测方法、检测标准,使触摸屏来料更好地符合我公司的品质要求。
2适用范围:适用于电脑电玩厂PDA系列所用的触摸屏。
3检验仪器:专用测试夹具、变压器、游标卡尺、万用表。
4检验项目与技术要求:4.1外观:4.1."1触摸屏无破裂、刮伤、脏污。
4.1."2触摸屏无变形、翘起,斑马纸无破损。
4.1."3触摸屏表面无点状缺陷和线状缺陷,具体要求参见《LCM及触摸屏IQC、QA收货检验标准》文件。
4.2结构尺寸:触摸屏的长度L=89."1±0."2mm,宽度W=69."0±0."2mm,厚度与样板相符,不影响装配。
4.3电气性能及技术要求:4.3."1触摸屏基本功能:点击触摸屏时,触摸屏应有和手写笔一致的响应,且触摸屏上没有明显的划痕。
4.3."2灵敏度:在用20g的力加在手写笔笔头点击触摸屏时,触摸屏应有迅速的响应。
4.3."3线性:用手写笔画圆、直线时,屏上显示的画面应与手写笔划过轨迹一样,位置也必须相同。
4.3."4阻值:用万用表测量X轴电阻RX及Y轴电阻RY应在200-900Ω范围内。
5检验方法:5.1外观:目测法;与样板对照。
5.2结构尺寸:用游标卡尺测量或与样板对比或试装。
5.3电气性能:5.3."1将触摸屏放入专用测试夹具上,并固定好,接上6V/450mA的变压器。
1.1."1开启测试夹具的电源,笔尖定位好后,进入功能菜单栏上的计算程序,在计算程序中连续点击“1”、“2”、“3”、“4”、“5”、“6”、“7”、“8”、“9”、“1”、“2”、“3”、“X”“1”、“0”、“M+”字符后,进入硬件测试中的触摸屏测试程序。
1.1."2在触摸屏测试程序中,分别在触摸屏的中央、四个角画上1个圆,然后以触摸屏的中心,画一个最大的“米”字,最后在菜单栏区域画2条直线,观察此过程中屏幕显示的图形是否与手写轨迹一致,位置有无偏位。
1引言数字万用表测量电阻是通过测量恒流源电流I流过被测电阻RX所产生的电压Vx 实现的。
通过对Vx数字化及小数点移位便可得到Rx的数字化值。
原理框图如图1:测试时,恒流源电流I通过Hi-Lo端和测量线馈送至被测电阻Rx,电压测量端S1、S2通过短路线接至Hi-Lo端。
数字万用表实际测量到的电阻值包括被测电阻Rx及馈线电阻RL1和RL2。
当测量的电阻阻值较小时,馈线电阻产生的误差就不容忽视。
如何用现有的数字万用表精确测量阻值很小的电阻是工程技术人员经常遇到的问题。
2四线测量四线测量是将恒流源电流流入被测电阻R的两根电流线和数字万用表电压测量端的两根电压线分离开,使得数字万用表测量端的电压不再是恒流源两端的直接电压,如图2所示。
从图中可以看出,四线测量法比通常的测量法多了两根馈线,断开了电压测量端与恒流源两端连线。
由于电压测量端与恒流源端断开,恒流源与被测电阻Rx、馈线RL1、RL2构成一个回路。
送至电压测量端的电压只有Rx两端的电压,馈线RL1、RL2电压没有送至电压测量端。
因此,馈线电阻RL1和RL2对测量结果没有影响。
馈线电阻RL3和RL4对测量有影响,但影响很小,由于数字万用表的输入阻抗(MΩ级)远大于馈线电阻(Ω级),所以,四线测量法测量小电阻的准确度很高。
不过,四线测量中的恒流源电流的精确度非常关键。
建议采用外加的更稳定的恒流源电流;应注意的是,外加的恒流源电流的大小要与数字万用表恒流源电流的大小相等。
我们采用的外加的恒流源电流由高精密基准电压源MAX6250、运放及扩流复合管组成,如图3所示。
电压源MAX6250的温漂≤2ppm/℃,时漂ΔVout/t=20ppm/1000h。
I取800μA~1mA,R是极低温漂线绕电阻(若取I=1mA,R=5kΩ),这时I 的温漂和时漂相当于MAX6250的水平。
3馈线电阻补偿馈线电阻补偿法通常采用三线制接法,被测电阻与接地的线相接。
原理如图4所示。
四线电阻式触摸屏工作原理:四线电阻式触摸屏是电阻式家族中应用最广、最普及的一种。
其结构由下线路(玻璃或薄膜材料)导电ITO层和上线路(薄膜材料)导电ITO层组成。
中间有细微绝缘点隔开,当触摸屏表面无压力时,上下线路成开路状态。
一旦有压力施加到触摸屏上,上下线路导通,控制器通过下线路导电ITO层在X坐标方向上施加驱动电压,通过上线路导电ITO层上的探针,侦测X方向上的电压,由此推算出触点的X坐标。
通过控制器改变施加电压的方向,同理可测出触点的Y坐标,从而明确触点的位置。
规格参数:电路等级:5V DC,35mA表面硬度:3H透光率:薄膜对薄膜型>77%薄膜对玻璃型>83%敲击寿命:大于一百万次笔划寿命:大于十万次触点抖动时间:<5ms分辨率:4096*4096线性<1.5% (特殊需求可<1.0%)操作压力:10g ~100g操作温度:-10 o C ~+60 o C储存温度:-20 o C ~+70 o C玻璃厚度:0.7mm,1.1mm,2.0mm,3.0mm玻璃种类:普通玻璃,化学强化玻璃性能特点:✧性能可靠,经济实用,应用广泛。
✧能够识别任何接触介质如手指(带手套或不带)、笔、信用卡等的输入信号。
✧引出线采用FPC(柔性线路板材料)比其它生产商使用的PET材料电阻值小,柔韧性好。
✧线路绝缘点小,视觉效果佳,目前我们可做到最小的绝缘点是Φ 0.035mm,远远领先其它厂商。
✧触摸屏表面有亮面、雾面、防眩、消光、防牛顿环等多种材料和工艺供选择。
标准品尺寸:2.8"至21"各种规格(物理尺寸可到下载空间下载)。
五线电阻触摸屏工作原理:五线触摸屏的结构与四线电阻式类似,也有下线路(玻璃或薄膜材料)导电ITO层和上线路(薄膜材料)导电ITO层。
五线触摸屏的工作原理与四线电阻式不同的是:五线式的X和Y 方向上的驱动电压均由下线路的ITO层产生,而上线路层仅仅扮演侦测电压探针的作用。
四线电阻式触摸屏注:湖南省自然科学基金资助项目(项目编号:04JJ6036)摘要:本文提出一种测试电阻式触摸屏线性度的方法。
电压集合,简化测试流程,提高了测试精度。
同时,该方法首次提出纠偏算法,在一定程度上解决了触摸屏测试时有偏移情况下的精度问题,并对测试中的典型噪声进行分析并提出针对性的除噪方法。
实验结果表明,该方法提高了测试速度和测试精度,可以满足实际测试应用。
关键字:触摸屏;线性度;独立直线;纠偏处理中图分类号: TP334.3 文献标识码:一、引言在传感器的线性度测试中,根据所选定参考直线的不同,可获得不同的线性度。
在不同衡量标准中,独立线性度是衡量传感器线性特性的最客观标准。
独立线性度以最佳直线作为参考直线。
传感器的独立线性度定义为传感器实际平均输出特性曲线对最佳直线的最大偏差,以传感器满量程输出的百分比来表示,如图 ⎪⎪⎩⎪⎪⎨⎧−±=−±=min max max minmax max y y y L x x x L yx ∆∆其中: ∆y max —输出平均值与最佳直线间的最大偏差; y max -y min —传感器的量程,是测量上限的代数差。
作为一种位置传感器,电阻式触摸屏已成为一种广泛应用的人机接口,其工作原理如图两个导电层构成,其等效电阻为压5V ,测试Y 向电压。
因为触摸压力使两个导电层接触,通过计算测量到Y 向电压就可以解析出触点可以测得X 向基于相对零点的偏移量。
二、测试原理1、测试接触点集合选择在测试触摸屏线性度时,为了能够精确反映触摸屏的整体特性,需要选取尽量多的测试点。
然而,对于测试时间与效率而言,希望选取尽量少的测试点。
因此,在精度和效率之间需要选取一个平衡点。
Research & Development计算可得量程。
公式如下:V xout min=(V 1x +V 2x )/2 V xout max=(V 3x +V 4x )/2 V yout min=(V 1y +V 4y )/2 V yout max=(V 2y +V 3y )/2 由式(7)、(8)、(9)、试点集合P 中元素在X 集合V 中元素在X 、Y X 、Y 向位置与电压比例系数分别表示为min max max x x xout xout x L L V V dv −−=minmax max y y yout yout y L L V V dv −−=集合V 中任意元素分量V iy 构成。
四线式电阻触摸屏与五线式电阻触摸屏的区别电阻式触摸屏利用压力感应进行控制。
其主要部分是一块与显示器表面非常配合的电阻薄膜屏,这是一种多层的复合薄膜,它以一层玻璃或硬塑料平板作为基层,表面涂有一层透明的金属氧化物(ITO) 导电层,上面再盖有一层外表面硬化处理、光滑防划伤的塑料层(其内表面也涂有一层ITO涂层),在他们之间有许多细小的(大约1/1000英寸)透明间隔点把两层ITO导电层隔开绝缘。
当手指触摸屏幕时,平常相互绝缘的两层导电层就在触摸点位置有了一个接触,因其中一面导电层接通Y轴方向的5V均匀电压场,使得侦测层的电压由零变为非零,控制器侦测到这个接通后,进行A/D转换,并将得到的电压值与5V相比即可得触摸点的Y轴坐标,同理得出X轴的坐标,这就是所有电阻技术触摸屏共同的最基本原理。
电阻类触摸屏的关键在于材料科技。
常用的透明导电涂层材料有:①ITO,氧化铟,弱导电体,特性是当厚度降到1800个埃(埃=10-10米)以下时会突然变得透明,透光率为80%,再薄下去透光率反而下降,到300埃厚度时又上升到80%。
ITO 是所有电阻技术触摸屏及电容技术触摸屏都用到的主要材料,实际上电阻和电容技术触摸屏的工作面就是ITO涂层。
②镍金涂层,五线电阻触摸屏的外层导电层使用的是延展性好的镍金涂层材料,外导电层由于频繁触摸,使用延展性好的镍金材料目的是为了延长使用寿命,但是工艺成本较为高昂。
镍金导电层虽然延展性好,但是只能作透明导体,不适合作为电阻触摸屏的工作面,因为它导电率高,而且金属不易做到厚度非常均匀,不宜作电压分布层,只能作为探层。
1、五线电阻触摸屏:五线电阻技术触摸屏的基层把两个方向的电压场通过精密电阻网络都加在玻璃的导电工作面上,我们可以简单的理解为两个方向的电压场分时工作加在同一工作面上、而外层镍金导电层只仅仅用来当作纯导体,有触摸后分时检测内层ITO接触点X和Y轴电压值的方法测得触摸点的位置。
五线电阻触摸屏内层ITO需四条引线,外层只作导体仅仅一条,触摸屏的引出线共有5条。
在工作中,我们经常遇到电阻式触摸屏,常见的有四线和五线的。
那么,怎样简单快速的测试屏的好坏呢?
以四线的屏为例,屏有两层电阻膜,水平方向为一组,垂直方向为一组,分别出线。
这样,屏的上下左右各引出一条线到插头。
没有触摸时,电阻膜被之间的凸起隔离,触摸时,两层电阻膜接触。
首先,不要触摸屏的表面,使用数字万用表的二极管档检测插头的四根线。
可以测出,分别有两组线之间有阻抗,大约几百欧。
如果是10.4英寸的屏,水平方向阻值500多,垂直方向300多。
然后,取一根线为基准,进行触摸检测。
使万用表的20k档,一支表笔固定在插头的一根线上,另一支表笔测量另外一组的两根线,比如,黑表笔固定在屏左侧的线上,红表笔测量屏上侧和下侧的两根线。
没有触摸时,没有阻值;触摸时,有明显的阻值变化,几百到几k 欧之间。
按照这样的方法,把四根线全测到。
基本上可以确定屏的好坏。
对于五线的屏,有四根线分别对应一层电阻膜的左上、右上、左下、右下四个角,剩下的一根线对应另外一层电阻膜。
使用上面说的方法,同样可以检测屏的好坏。
当然,这种方法只是对触摸屏的初步检测,最终还是要把触摸屏装在工控机上,进系统测试最为准确。
四线法电阻测试标准
一、测试设备
1. 电阻测试仪:应采用四线法电阻测试仪,其精度应不低于1%。
2. 测试线:测试线应采用截面积不小于0.5mm²的绝缘线,长度不宜超过10m。
3. 测试夹具:测试夹具应具有足够的刚性和稳定性,不易变形和松动。
4. 电源:应提供稳定的直流电源,电压范围为0-100V。
二、测试环境
1. 温度:测试环境温度应保持在20±5℃范围内。
2. 湿度:测试环境湿度应保持在相对湿度不大于80%的范围内。
3. 防干扰:测试环境中应无强磁场和电场干扰。
三、测试方法
1. 准备工作:将被测电阻按要求连接在测试仪上,并确保连接牢固、可靠。
2. 设定参数:根据被测电阻的额定参数设置测试仪的电压、电流等参数。
3. 开始测试:按照测试仪说明书的要求进行测试操作,记录测试数据。
4. 数据处理:根据测试数据计算电阻值、温度系数等指标,并进行数据分析。
四、测试精度
1. 电阻值精度:测试结果的精度应不低于±2%。
2. 温度系数精度:测试结果的精度应不低于±5%。
五、安全注意事项
1. 测试时应注意安全,避免触电事故的发生。
2. 测试过程中如发现异常情况,应立即停止测试并及时处理。
3. 测试完毕后应对测试设备进行检查和维护,确保其正常运行。
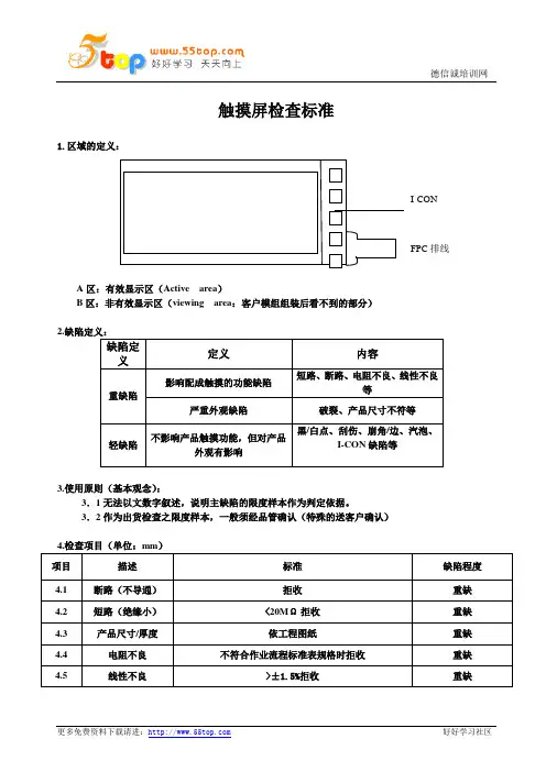
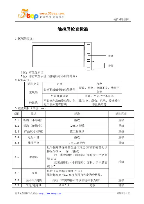
触摸屏检查标准————————————————————————————————作者:————————————————————————————————日期:1.0目的:明确触摸屏来料检查方法与可接受标准,以更好的控制来料品质,满足生产和顾客的要求.2. 0 适用范围:适用于各供应商的触摸屏来料检查.3.0缺陷定义:重缺陷:将使产品部分或全部丧失功能的缺陷.轻缺陷:有缺陷,但不导致功能不良或丧失.拉力极限值:F=0.45kgf/cm×FPC邦定宽度(当F PC邦定宽度小于1厘米时,拉力极限值为0.45kgf)4.0检查内容:4.1非VA区VA区AA 区4.2.检查办法:45º4.3检查方法:4.3.1在日光灯(40W)下,检查触摸屏表面质量,是否有崩缺,破裂等外观不良,同时检查外围尺寸,撕开保护膜,透过灯光,检查触摸屏内部是否有内污,压伤,划伤,黑点等缺陷。
其中对于表面零星可搽除的污点,不列入不良。
4.3.2对于中心对称丝印图案,要求两边图案边缘到玻璃边缘的距离差小于0.3MM.(图纸注明)4.3.3在检查台面上铺上黑色热压纸,检查触摸屏是否有白点等缺陷。
4.3.4 在专用测试绝缘电阻的设备上检查触摸屏的绝缘电阻,测量点到边距离1.0---1.2mm。
4.3.5在专用测试仪器上检查触摸屏的线性度。
测量点到边距离1.0-1.2mm。
4.4检查内容及标准项目判定标准缺陷分类视区无断笔,漏笔,串笔,无反应,笔漂等不良重黑/白点缺陷,点状异物尺寸ф(mm)ф30mm 范围允许缺陷数据轻VA 区VA 区以外ф≤0.15忽略(不允许串点)不限0.15<ф≤0.21φ>0.20备注:1. 不允许串点2. ф=(长边+短边)/23. 在黑色热压纸上看得见的污点及在 40W 的灯光下检查到的污点4. 点状异物只允许为绝缘物质黑/白线缺陷,线状异物长度 L(mm)宽度 W(mm)允许缺陷数据轻VA 区VA 区以外不限≤0.01不限不限L ≤2.00.01<W ≤0.032L ≤1.00.03<W ≤0.051备注:1、宽度 W 超过 0.05mm 的作为点缺陷处理L2、状异物只允许为绝缘物质划伤划痕长L(mm)宽W(mm)允许缺陷数据触摸区非触摸区L≤5W≤0.02不限不限L≤5W≤0.042轻玻璃缺陷边破碎边破裂:指发生在T/P边缘,在不影响功能结构情况下X:边缘线宽度Y:边缘线长度Z:边缘线厚度T:底玻璃厚度轻角破碎轻裂纹裂纹(可能延伸),不允许重牛顿环类别允许缺陷数据图片说明规律性S牛顿环>= 1/9STP不允许S牛顿环< 1/9STP且点亮后,不影响文字及直线失真允许非规律性S牛顿环>= 1/6STP 不允许S牛顿环< 1/6STP且点亮后,不影响文字及直线失真允许备注:1、S牛顿环:牛顿环面积2、STP:TP的VA面积3、不论牛顿环面积大小,点亮背光后,造成文字失真或直线变形,均不允许轻绝缘阻抗X,Y两极的绝缘阻抗必须大于20M欧(DC25V)重线性度线性度必须≤1.5%重菲林片拱由品质部定样板为准,FPC偏位检查内容允许缺陷数据FPC金手指露出盒外不允许FPC金手指与银走线偏位左右允许偏差小于0.3mmITO FILM与ITO GLAS偏位检查内容允许缺陷数据ITO FILM与ITO GLASH偏位菲林不允许超出玻璃边漂移检查内容允许缺陷数据划写”我”字写A个字,只允许出现B个漂移点击点击C下,只允许出现D漂移PVC(PET)检查内容允许缺陷数据图案字体和图案清晰,字体干版以不影响字体完整性为标准,字体渗透以不影响字体辩认为标准,字体无明显变粗粗变细(偏细或偏粗按小于±0.2mm控制)现象.毛刺1.边缘下料凹凸不平或亮边不允许;2.可视区内毛刺批锋长度或直径≤0.2mm,每处距离>10mm,不超过2处.组合精度按图纸偏差(如图纸没注明的按±0.2mm控制)粘胶质量1.离形纸易撕开;2.粘胶平整材料与客户确认样品一致颜色与客户确认样品颜色接近,以限度样品为准。
关于五线和四线电阻屏
触摸屏的常见分类有:表面声波式触摸屏,红外线式触摸屏,电容式触摸屏。
五线电阻屏,四线电阻屏等
五线电阻技术触摸屏的基层是把两个方向有电压场通过精密电阻网络,都加在玻璃的导电工作面上,两个方向的电压场分时工作加在同一工作面上,而外层镍金导电层往往用来当作纯导体,有触摸后分时检测内层ITO接触点X轴和Y轴电压值的方法测得触摸点的位置。
五线触摸屏内层ITO需四条引线,外层只作导体仅仅一条,触摸屏得引出线5条,特点:解析度离,高速传输反应。
表面硬度高,减少擦伤,刮伤及防化学处理。
同点接触3000万次尚可使用,导电玻璃为基材的介质,一次校正,稳定性高,永不漂移。
五线电阻触摸屏有高价位对环境要求高的特点。
四线电阻屏的特点是:
四线电阻模拟量技术的两层透明金属层工作时每层均增加5V恒定电压:一个竖直方向,一个水平方向,总共需要四根电缆。
四线电阻屏特点:高解析度,高速传输反应,表面硬处理,减少擦伤,刮伤及防化学处理,具有光面及雾面处理,一次校正。
稳定性高,永不漂移。
不管是四线电阻触摸屏还是五线电阻触摸屏,它们都是一种对外界完全隔离的工作环境,不怕灰尘和水汽,它可以用任何物体来触摸,可以用来写字画画,比较适合工业控制领域及办公室内有限人的使用。
电阻触摸屏共同的缺点是因为复合薄膜的外层采用塑胶材料,不知道的人太用力或使用锐器触摸可能划伤整个触摸屏而导致报废。
不过在限度之内,划伤只会伤及外导电层,外导电层的划伤对于五线电阻触摸屏来说没有关系,而对四线电阻触摸屏来说是致命的。
四线电阻屏和五线电阻技术文章由深圳伦丰公司提供。
电阻式触摸屏检验标准
生效日期2012-5-8 机种名:NA 机种型号:NA
4.1,检视距离/视角: 人眼垂直于触摸屏距离30厘米, 视角范围:45~135度.
4.2,光线强度要求: 800~1000Lux
4.3,检验员视力要求: 不允许有色盲,色弱,视力1.0(高括矫正视力)以上.
五,检验计划
除非特别指定,抽样计划按照AQLII, Maj=0.65, Min=1.0,CR=0,基于《MIL-
STD-105E》
六,功能检验方法及接受标准
检验项目检验方法接受标准备注
透光率测试准备任意值的光亮度的光源,使
用照度计在固定的位置测量其
z之光照强度并记之以T1; 然
后将触摸屏覆盖至照度计表面,
读取数值T2. 计算光强度之
比.(T2/T1)*100%.
≥80%
操作力度测试使用测试笔作用于触摸屏表面,
测试区域会被选择.
50~150g 使用R0.8的
硅胶测试
笔.
同层ITO膜回路电阻测量X+/X- Y+/Y- 组织参考规格书
电阻式触摸屏检验标准
生效日期2012-5-8 机种名:NA 机种型号:NA
接上表
类别检验项目缺陷描述
缺陷判定标准
CRI MAJ MIN
功能部分触摸不灵敏
使用R0.8mm硅胶触摸笔&150g力
按触,时有时无作用.
X 触摸无功能
使用R0.8mm硅胶触摸笔&150g力
按触,无作用
X 触摸偏位
使用R0.8硅胶触摸笔&100g力度
触摸指定位置, 触摸偏位≥3mm
X 触摸屏端子
匹配力度
拔出力度<0.5KG X 显示失真透过触摸屏,显示屏视觉失真X
八, 触摸缺陷附图.
触摸偏位.。