框架梁配料单制作讲解
- 格式:ppt
- 大小:4.59 MB
- 文档页数:28
1. 钢筋配料单。
根椐设计图纸,以一个构件为单位,把每一种钢筋的直径、各段尺寸、弯法、每根下料长度、根数等数据计算出来,列成表格,供现场加工制作和预算使用,这样的清单称为“钢筋配料单”.2. 基本概念。
2.1.钢筋的弯曲直径:2.2 钢筋加工的/中线尺寸(下料尺寸)/度量尺寸。
①中线尺寸(下料尺寸):按钢筋加工中心线形状长度计算的钢筋下料长度;②度量尺寸:按图示,钢筋在构件内可度量的直线尺寸;①-②之差/±/,称为“度量差”。
∙钢筋的外包尺寸:构件中,每根钢筋扣去砼保护层的钢筋外皮尺寸。
∙钢筋的内包尺寸:构件中,外包尺寸扣去钢筋直径的钢筋内皮净尺寸。
∙外包尺寸和内包尺寸均可度量,均属度量尺寸。
3 钢筋下料长度计算。
3.1 直钢筋的下料长度。
直钢筋的下料长度= 构件长度-混凝土保护层+末端弯勾加长;光圆钢筋末端180度弯钩3.2 圆钢末端180°弯钩增加6.25d长度值的推导①现行规范规定,Ⅰ级钢的弯心直径是2.5d;②钢筋中心线半圆的半径就是2.5d/2+d/2=1.75d③半圆周长为1.75dπ=5.498d取5.5d;④平直段为3d;所以180度弯钩增加的展开长度为:8.5d-2.25d=6.25d抗震结构末端弯钩平直段5d3.3 直钢筋一处弯折/引起长度变化(度量差)。
弯折角度θ钢筋级别弯心直径D 度量差△30°所有级别 5d -0.30d45°所有级别 5d -0.55d60°所有级别 5d -0.90d90°所有级别 5d -2.29d135° HPB235、300 2.5d -0.38dHRB335、 4d -0.11dHRB400、500 4d -0.11d180°末端3d直段/HPB235、300 2.5d +6.25d3.4 箍筋下料长度的计算。
3.4.1 箍筋下料长度计算公式。
(参见陈雄辉教授主编《建筑施工技术》)抗震:L=2(A+B)+25.1d非抗震:L = 2(A+B)+15.1d式中:A: 箍筋内包尺寸宽;B: 箍筋内包尺寸高;d: 钢筋直径。
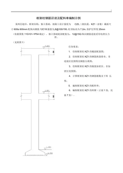
!-框架柱钢筋识读及配料单编制示例某两层超市,框架结构,独立基础,混凝土设计强度为C25,三级抗震,KZ1(2根)截面尺寸600x 600mm配纵向钢筋12C18箍筋为,8@100/150,柱顶标高为7.2m,保护层厚度25mm(依据图集11G101-1P54确定),独立基础底部配筋为,12@15Q纵向钢筋连接采用电渣压力焊。
(见附图1)任务要求:1. 绘制框架柱KZ1的截面配筋图;2. 绘制框架柱KZ1的钢筋纵筋排布、非连接区范围图及钢筋分离图;3. 绘制框架柱KZ1的箍筋加密区、非加密区范围图;4. 计算框架柱KZ1的钢筋根数及下料长度;5. 编制框架柱KZ1的配料单;6. 编制框架柱KZ1的料牌(正面1张, 反面7张)。
计算过程:1.框架柱KZ1的截面配筋图:KZ1600 X 6001241808&IOO/151O 柱顶标高7.2002•框架柱KZ1的钢筋纵筋排布、非连接区范围图及钢筋分离图:⑴KZ1柱顶钢筋锚固型式确定:(依据图集11G101-1P60确定)梁高-保护层=500-25=475mm受拉钢筋基本锚固长度(依据图集11G101-1P53确定):已知:12C18,三级抗震,设计强度C25查表确定:Z a=1l ae=Z a l abe= Z a X 42d=i x 42X 18=756口口>475厲^!因此不能采用直锚锚固因475mm>0.5abe=378mm故采用弯锚(A型)锚固(依据图集11G101-1P60弯钩长度:12d=12X 18=216mm纵筋在梁内长度:梁高-保护层=500-25=475mm⑵ 柱插筋锚固型式确定:(依据课本P28确定)已知独立基础,保护层厚度>5d;基础高度h j=-1000- (-1500)=500mm<aL=756mm选择B型锚固。
①底部弯钩长度:15d=15X 18=270mm已知基础底部保护层厚度为40mm基础内分布钢筋直径为12mm②柱插筋在基础内竖向长度:-1000- (-1500)-40-2 X 12=436mm⑶一层纵筋各区域范围:一层框架柱KZ1 净高:Hn=3570- (-1000)-500=4070mm①一层框架柱KZ1根部纵筋非连接区长度:Hn/3=4070/3=1357mm取1400m(其中地面下长度:-30- (-1000)=970mm 地面以上长度:1400-970=430mrj)②一层框架柱KZ1梁底纵筋非连接区长度:ma X Hn/6,hc,500 } =maX4070/6,600,500 }=678mm 取700mm③一层框架柱KZ1相邻纵筋接头错开最小距离:max{35d, 500} = max{35X18, 500}=630mm⑷二层纵筋各区域范围:二层框架柱KZ1 净高:Hn=7200-3570-500=3130mm①二层框架柱KZ1根部纵筋非连接区长度:ma{Hn/6,hc,500 } =maX3130/6,600,500 }=600mm②二层框架柱KZ1梁底纵筋非连接区长度:ma{Hn/6,hc,500 } =maX3130/6,600,500 }=600mm③二层框架柱KZ1相邻纵筋接头错开最小距离:max{35d, 500} = max{35X 18, 500}=630mm⑸ 框架柱KZ1纵筋排布及非连接区范围图及纵筋分离图:s'eOct£9R!-3.框架柱KZ1的箍筋加密区、非加密区范围:⑴一层框架柱KZ1的箍筋加密区及非加密区范围:①一层框架柱KZ1根部箍筋加密区长度二一层框架柱KZ1根部纵筋非连接区长度=1400mm其中地面下长度:-30-(-1000) =970mm地面以上长度:1400-970=430mm②一层框架柱KZ1梁底箍筋加密区长度=一层框架柱KZ1梁底纵筋非连接区长度=700mm③一层框架柱KZ1 非加密区长度=3570-(-1000)-1400-500-700=1970mm⑵二层框架柱KZ1的箍筋加密区及非加密区范围:①二层框架柱KZ1根部箍筋加密区长度二二层框架柱KZ1根部纵筋非连接区长度=600mm②一层框架柱KZ1梁底箍筋加密区长度=一层框架柱KZ1梁底纵筋非连接区长度=600mm③一层框架柱KZ1非加密区长度=7200-3570-500-600-600=1930mm⑶二层框架柱KZ1的箍筋加密区及非加密区范围图:!-4.框架柱KZ1的钢筋根数及下料长度:⑴ 框架柱KZ1纵筋(依据分离图计算)2①基础插筋1 6C18 1836基础内弯钩长度=15d=15*18=270mm竖向长度=1400+500-40-25 X 2=1836mm下料长度=1836+270-2d=1836+270-2X 18=2070mm2②基础插筋2 6C18 2466基础内弯钩长度=270mm竖向长度=1400+500-40-25 X 2+630=2466mm下料长度=2466+270-2d=2466+270-2 X 18=2700mm③一层柱纵筋12C18 ____ 空______下料长度=3570- (-1000) -1400+600=3770mm2 II④二层柱纵筋1 6C18 丽—柱顶弯钩长度=12d=12X 18=216mm竖向长度=7200-3570-600-25=3005mm下料长度=3005+216-2d=3005+216-2 X 18=3185mm2⑤二层柱纵筋2 6C18 2375柱顶弯钩长度=12d=12X 18=216mm竖向长度=7200-3570-600-25-630=2375mm下料长度=2375+216-2d=2375+216-2 X 18=2555mm⑵ 框架柱KZ1箍筋(结合箍筋各区范围图计算)A8@100/1501)基础内箍筋根数:(根据课本P28B图确定),h j=500mm 知基基础内箍筋间距<500mm且不少于两道矩形封闭箍筋(非复合箍)础内箍筋为2根非复合箍2)一层箍筋根数(复合箍)一层柱根部加密区箍筋:“=1400/100+仁15根一层柱梁底加密区箍筋:n2= (500+700) /100+仁13根一层柱非加密区箍筋:n3=1970/150-1 ~ 14根一层柱内箍筋根数:n 1=n1 +rb+n3=15+13+14=42根3) 二层箍筋根数(复合箍)二层柱根部加密区箍筋:“=600/100+1=7根二层柱梁底加密区箍筋:n2=( 500+600)/100+仁12根二层柱非加密区箍筋:n3=1930/150-1 ~ 12根二层柱内箍筋根数:n 2=n1+n2+n3=7+12+12=31根4) 柱内大箍筋根数及下料长度A8@100/150大箍筋根数=2+门+化=2+42+3仁75根大箍筋外包长度=600-25 X 2=550mm⑥大箍筋下料长度=550X 4+160=2360mm5) 柱内小箍筋根数及下料长度A8@100/150小箍筋根数=(n 1+n2)X 2= (42+31)X 2=146根小箍筋外包长度=600-25 X 2=550mm小箍筋外包宽度=(600-25 X 2-8 X 2-18 ) /3+18+8 X 2=206mm⑦小箍筋下料长度=(550+206)X 2+160=1672mm5.框架柱KZ1的配料单:构件名称钢筋编号简图钢号一直径/mm下料长度/mm单根数量合计根数质量/kgKZ1 柱(共①1836 C 18 2070 6 12 49680 ②铝24S6C 18 2700 6 12 64800③3770 ] C 18 3770 12 24 180960⑤2 |2375C 18 2555 6 12 61320⑥■LC 口50二------------ ZJ8 2360 75 150 139830⑦/g%.550J8 1672 146 292 192848.48合计,8 : 332678.48kg ; C: 433200kg**超市§11836①号C18 共12根KZ1柱 2 根L = 207023770 * 2466②号C18 共12根③号C18 共24根L = 2700 L = 37703005④号C18 共12根L = 318522375⑤号C18 共12根L=2555L = 1672⑦号。
钢筋配料是根据构件配筋图,先绘出各种形状和规格的单根钢筋简图并加以编号,然后分别计算钢筋下料长度和根数,填写配料单,申请加工。
1、钢筋下料长度计算钢筋因弯曲或弯钩会使其长度变化,在配料中不能直接根据图纸中尺寸下料;必须了解对混凝土保护层、钢筋弯曲、弯钩等规定,再根据图中尺寸计算其下料长度。
各种钢筋下料长度计算如下:直钢筋下料长度=构件长度-保护层厚度+弯钩增加长度弯起钢筋下料长度=直段长度+斜段长度-弯曲调整值+弯钩增加长度箍筋下料长度=箍筋周长+箍筋调整值上述钢筋需要搭接的话,还应增加钢筋搭接长度。
1.弯曲调整值钢筋弯曲后的特点:一是在弯曲处内皮收缩、外皮延伸、轴线长度不变;二是在弯曲处形成圆弧。
钢筋的量度方法是沿直线量外包尺寸(图9-46);因此,弯起钢筋的量度尺寸大于下料尺寸,两者之间的差值称为弯曲调整值。
弯曲调整值,根据理论推算并结合实践经验,列于表9-23。
图9-46 钢筋弯曲时的量度方法钢筋弯曲调整值表9-23注:d为钢筋直径。
2.弯钩增加长度钢筋的弯钩形式有三种:半圆弯钩、直弯钩及斜弯钩(图9-47)。
半圆弯钩是最常用的一种弯钩。
直弯钩只用在柱钢筋的下部、箍筋和附加钢筋中。
斜弯钩只用在直径较小的钢筋中。
图9-47 钢筋弯钩计算简图(a)半圆弯钩;(b)直弯钩;(c)斜弯钩光圆钢筋的弯钩增加长度,按图9-47所示的简图(弯心直径为2.5d、平直部分为3d)计算:对半圆弯钩为6.25d,对直弯钩为3.5d,对斜弯钩为4.9d。
在生产实践中,由于实际弯心直径与理论弯心直径有时不一致,钢筋粗细和机具条件不同等而影响平直部分的长短(手工弯钩时平直部分可适当加长,机械弯钩时可适当缩短),因此在实际配料计算时,对弯钩增加长度常根据具体条件,采用经验数据,见表9-24。
半圆弯钩增加长度参考表(用机械弯)表9-243.弯起钢筋斜长弯起钢筋斜长计算简图,见图9-48。
弯起钢筋斜长系数见表9-25。
图9-48 弯起钢筋斜长计算简图(a)弯起角度30°;(b)弯起角度45°;(c)弯起角度60°弯起钢筋斜长系数表9-25注:h0为弯起高度。
钢筋下料计算试编制下图所示5根梁的钢筋配料单。
各种钢筋的线重量如下:10(0.617kg/m);12(0.888kg/m);25(3.853kg/m)。
解答:对钢筋进行配料时,必须根据混凝土结构设计规范及混凝土结构工程施工及验收规范中对混凝土保护层,钢筋弯曲及弯钩等规定计算下料长度。
钢筋在结构施工图中注明的是外轮廓尺寸,即外包尺寸。
钢筋在加工前呈直线下料,加工弯曲时,外皮伸长,内皮缩短,轴线长度不变,因此钢筋外包尺寸与轴线间之间存在一个差值,称为“量度差值”。
其大小与钢筋直径和弯心直径以及弯曲的角度有关系。
一级钢筋末端作180度弯钩,平直部分为3d,弯心直径为2.5d,每个弯钩需要增加的量度差值为6.25d (d为钢筋直径)。
各种钢筋中间弯折,其弯心直径为5d,弯折角度为45度,60度,90时的量度差值分别为0.5d,d,2d。
直线钢筋的下料长度为其外包尺寸;弯起钢筋的下料长度等于各段外包尺寸之和,减去中间弯折处的量度差值,再加上两端弯钩处的平直长度。
计算钢筋下料长度后,就可以编制钢筋配料单,作为材料准备和钢筋加工的依据。
各编号钢筋下料长度计算如下:混凝土保护层厚度均为25mm,①号钢筋L=外包尺寸+末端为180度弯钩的量度差值= (8000+240×2-2×25)+6.25×2×25=8742.5mm②号钢筋L=外包尺寸+末端为180度弯钩的量度差值=(8000+240×2-2×25)+6.25×2×12=8580mm③号钢筋L=外包尺寸+末端为180度弯钩的量度差值-中间为45度弯钩的量度差值=(8000+240×2)÷3+(800-2×35) ×2×+[(8000+240×2)÷3-25-(800-2×35)] ×2+6.25×2×25-0.5×25×4=9296.95mm④号钢筋L=(300-2×25)+( 800-2×25)×2-3×2×10+3×10×2=2000mm梁钢筋配料单构件名称钢筋编号简图直径(mm)钢筋代号下料长度mm单位根数合计根数总重(kg)梁共计5根①25 8743 2 10 339②12 8580 2 10 77③25 9297 2 10 359④10 2000 38 190 235轻型井点降水计算某工程地下室的平面尺寸为54 m×18 m,基础底面标高为-5.20 m,天然地面标高为-0.30 m ,地面至-3.00 m为杂填土,-0.30~-9.50 m为粉砂层(渗透系数K=4 m/昼夜),-9.50 m 以下为粘土层(不透水),地下水离地面1.70 m,场地条件为北面、东面靠近道路,路边有下水道,西面有原有房屋,南面设有混凝土搅拌站。
钢筋配料计算实例与注意事项时间:2010-05-29 09:57来源:未知作者:流浪东东点击:289次9-3-1-3 配料计算的注意事项 1 .在设计图纸中,钢筋配置的细节问题没有注明时,一般可按构造要求处理。
2 .配料计算时,要考虑钢筋的形状和尺寸在满足设计要求的前提下要有利于加工安装。
3 .配料时,还要考虑施工需要的附加钢筋。
例如9-3-1-3 配料计算的注意事项1.在设计图纸中,钢筋配置的细节问题没有注明时,一般可按构造要求处理。
2.配料计算时,要考虑钢筋的形状和尺寸在满足设计要求的前提下要有利于加工安装。
3.配料时,还要考虑施工需要的附加钢筋。
例如,后张预应力构件预留孔道定位用的钢筋井字架,基础双层钢筋网中保证上层钢筋网位置用的钢筋撑脚,墙板双层钢筋网中固定钢筋间距用的钢筋撑铁,柱钢筋骨架增加四面斜筋撑等。
9-3-1-4 配料计算实例的截面尺寸与配筋见图9-55,共计5根。
已知某教学楼钢筋混凝土框架梁KL1混凝土强度等级为C25。
求各种钢筋下料长度。
图9-55 钢筋混凝土框架梁KL平法施工图l[解] 1.绘制钢筋翻样图根据本手册9-2“配筋构造”的有关规定,得出:(1)纵向受力钢筋端头的混凝土保护层为25mm;(2)框架梁纵向受力钢筋Φ25的锚固长度为35×25=875mm,伸入柱内的长度可达500-25=475mm,需要向上(下)弯400mm;(3)悬臂梁负弯矩钢筋应有两根伸至梁端包住边梁后斜向上伸至梁顶部;(4)吊筋底部宽度为次梁宽+2×50mm,按45°向上弯至梁顶部,再水平延伸20d=20×18=360mm。
框架梁尺寸与上述构造要求,绘制单根钢筋翻样图(图9-56),并对照KL1将各种钢筋编号。
框架梁钢筋翻样图图9-56 KL12.计算钢筋下料长度计算钢筋下料长度时,应根据单根钢筋翻样图尺寸,并考虑各项调整值。
①号受力钢筋下料长度为:(7800-2×25)+2×400-2×2×25=8450mm②号受力钢筋下料长度为:(9650-2×25)+400+350+200+500-3×2×25-0.5×25=10888mm⑥号吊筋下料长度为:350+2(1060+360)-4×0.5×25=3140mm⑨号箍筋下料长度为:2(770+270)+70=2150mm⑩号箍筋下料长度,由于梁高变化,因此要先按公式(9-7)算出箍筋高差△。
框架梁钢筋下料单实训操作分组作业计算步骤:1. 查看框架梁的结构配筋图,确定与柱的定位关系,查看柱的定位图及柱外侧纵筋直径。
2. 按一道梁的实际形状画出多跨梁柱的示意图,包括轴线尺寸、柱宽及偏中情况、每跨梁Ln/3和Ln/4的大概位置以及梁的“七线图”框架。
3. 按照“先定性、后定量”的原则,画出梁的各层上部纵筋和下部纵筋的形状和分布图,同层次的不同形状或规格的钢筋要画在“七线图”中不同的线上,梁两端的钢筋弯折部分要按照构造要求逐层向内缩进。
4. 标出每种钢筋的根数。
5. 在梁的下方标出轴线尺寸、柱宽及偏中数值。
6. 计算并标出每跨梁的净跨尺寸、Ln/3和Ln/4等数值。
7. 在图下方计算“所有的弯折长度为15d”、LaE的数值、“直锚部分长度”的数值。
8. 计算“0.5hc+5d”数值,并把它与“LaE”比较,取其较大者作为中间支座锚固长度。
9. 根据已有的数值计算每根钢筋的长度,并把它标在相应的钢筋上。
10. 箍筋计算:画出箍筋形状,计算并标出箍筋的细部尺寸。
11. 计算“1.5hb”的数值,把它与“500”比较,取大值为箍筋加密区尺寸。
12. 逐跨计算箍筋根数。
13. 计算梁的侧面构造钢筋或抗扭钢筋,其锚固长度为15d或LaE。
14. 计算侧面构造钢筋或抗扭钢筋的拉筋。
第一组:综合楼梁结构平面布置图参见《建筑工程实训图册》第137页,3.570m层梁结构平面图,2号定位轴线KL2(4)梁。
阅读图纸,确定钢筋配置情况。
绘制抗震框架梁图上作业法图示,绘制抗震框架梁钢筋下料长度计算表,绘制抗震框架梁钢筋下料单。
工程信息:混凝土强度等级:C30;抗震等级:二级;环境类别:一类;现浇板厚:100mm。
第二组:综合楼梁结构平面布置图参见《建筑工程实训图册》第137页,3.570m层梁结构平面图,4号定位轴线KL4(3)梁。
阅读图纸,确定钢筋配置情况。
绘制抗震框架梁图上作业法图示,绘制抗震框架梁钢筋下料长度计算表,绘制抗震框架梁钢筋下料单。
建筑施工,钢筋配料计算方法一、钢筋配料程序看懂建筑结构配筋图→绘出单根钢筋简图→编号→计算下料长度和根数→填写配料表→申请加工。
二、计算下料长度钢筋因弯曲或弯钩会使其长度变化,配料中不能直接根据图纸尺寸下料,必须了解砼保护层、钢筋弯曲、弯钩等规定,再根据图示尺寸计算其下料长度。
1.钢筋配料单的编制(1)编制钢筋配料单之前必须熟悉图纸,把结构施工图中钢筋的品种、规格列成钢筋明细表,并读出钢筋设计尺寸。
(2)计算钢筋的下料长度。
(3)根据钢筋下料长度填写和编写钢筋配料单,汇总编制钢筋配料单。
在配料单中,要反映出工程名称,钢筋编号,钢筋简图和尺寸,钢筋直径、数量、下料长度、质量等。
三.钢筋下料长度的计算原则及规定(1)钢筋长度结构施工图中所指钢筋长度是钢筋外缘之间的长度,即外包尺寸,这是施工中量度钢筋长度的基本依据。
(2)混凝土保护层厚度混凝土结构的耐久性,应根据表3-11的环境类别和设计使用年限进行设计。
混凝土保护层是指受力钢筋外缘至混凝土构件表面的距离,其作用是保护钢筋在混凝土结构中不受锈蚀。
2)混凝土的保护层厚度,一般用水泥砂浆垫块或塑料卡垫在钢筋与模板之间来控制。
塑料卡的形状有塑料垫块和塑料环圈两种。
塑料垫块用于水平构件,塑料环圈用于垂直构件。
(3)弯曲量度差值钢筋长度的度量方法系指外包尺寸,因此钢筋弯曲以后,存在一个量度差值,即外包尺寸和中心线尺寸之间的差值。
在计算下料长度时必须加以扣除。
钢筋下料长度应为各段外包尺寸之和减去各弯曲处的量度差值,再加上端部弯钩增加值。
(4)钢筋弯钩增加值,受力钢筋的弯钩和弯折应符合下列要求:1)、HPB235钢筋末端应作180°弯钩,其弯弧内直径不应小于钢筋直径的2.5倍,弯钩的弯后平直部分长度不应小于钢筋直径的3倍。
2)、当设计要求钢筋末端需作135°弯钩时,HRB335、HRB400钢筋的弯弧内直径不应小于钢筋直径的4倍,弯钩的弯后平直部分长度应符合设计要求。