圆管柱制作通用工艺
- 格式:doc
- 大小:1.52 MB
- 文档页数:12
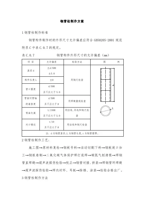
钢管柱制作方案1钢管柱制作标准钢管构件制作时的外形尺寸允许偏差应符合GB50205-2001规范附录C中表C.0.7的规定。
表C.0.7 钢管构件外形尺寸的允许偏差(mm)2钢管柱制作工艺:施工图→原材料复检→钢板号料→自动切割下料→钢板坡口加工→钢板卷制→二氧化碳气体保护焊打底焊→碳弧气刨清根→焊钢管直焊缝→超声波探伤检验→校正→钢管对接、拼装→焊钢管环焊缝→超声波探伤检验→焊内衬环、耳板→除锈、涂装→检验合格出厂。
3钢管柱制作方法⑴钢板气割前应将切割区域表面的铁锈、污物等清除干净,气割后应清除熔渣和飞溅物。
⑵放样、号料应根据工艺要求预留制作和安装的焊接收缩余量;制作时应考虑切割余量,其允许偏差见下表:⑶中板下料用自动切割机下料切割,薄板下料采用机械剪切,切割后均需清除毛刺,其允许偏差见下表:⑷切割后出现变形的零件,要矫正其平直度,质量要求为局部挠曲矢高f的允许偏差值在1m范围内f≤1.0mm。
⑸板材坡口加工及端面加工,为保证施工质量,应进行线切割,其加工余量不应小于2.0mm。
⑹组装前,应先检验合格,所有焊接面需按要求打磨。
打磨范围:焊缝边缘每边30~50mm,并不得有大于1mm的局部缺口。
⑺钢管卷制:卷管方向应与钢板压扎方向一致。
在卷板过程中,应注意保证管端平面与管轴线严格垂直。
卷压钢板时,考虑到一次变形量不能太大,应及时调整上滚间隙。
钢管卷制后应在管端打上十字轴线并作标记。
⑻组对时上、下相邻两条纵缝应错开500mm以上。
把钢管放在托轮架上,在钢管上划出O°、90°、180°、270°四根基准线,作为以后组装的基准线,划线时全盘考虑钢管柱及连接节点部件的位置、方向,便于现场组对及垂直度观测。
⑼钢管焊接成型后,为消除焊接变形,应采用机械校正,直至达到尺寸精度要求。
机械校正无法完成的可用热加工来校正。
⑽在钢管卷制过程中,由于设备和材料的条件限制,需要进行对接,其对接在托轮架上进行操作。
圆形柱体施工工法1.前言随着建筑施工技术的不断发展及建筑业的不断创新,建筑物的特殊构件越来越多,对建筑工程质量要求也越来越高,无论是施工工艺还是施工材料都有了一定方面的提高。
XX项目楼座之间设置有4座连廊,连廊柱体全部为圆形,共计56颗,圆柱直径500mm,高度8.36m,质量目标为达到清水混凝土效果。
图1-1 圆形柱体效果图结合以往施工经验,在圆形柱体施工过程中,容易存在如下通病:(1)柱体截面圆形不规则;(2)柱体垂直度较差;(3)柱体模板加固不到位造成漏浆;(4)圆形柱与矩形梁交接处成型效果差。
目前普遍存在的施工方法为采用钢模板进行施工,但钢模板存在一次性投入较大,周转不方便,缝隙封闭不严密,梁柱接头处不易拼装等缺点。
针对钢模板施工工艺的缺点,经过研究、比较、分析,总结出圆形柱体采用圆弧形木模板的施工方法。
圆形柱体施工效果不仅代表工程的施工质量,更在其景观价值和使用价值中都占据着重要地位,是直接反应连廊美观效果的关键部位,在施工过程中的质量控制尤其重要,在施工前期,经项目部策划,将此部位的模板支设定为关键过程进行控制,对施工方案进行多次优化,采用最优施工方案,经建设、监理单位认可后进行施工,总结出了适合此类圆形柱体模板支设的加固方式,通过实际施工过程中经验的总结,形成了此施工工法,在该工程实施后取得明显的效果。
2.特点2.1选用优质桦杨木制作的定型圆柱清水木模板,安装与拆除灵活,极大的节省了操作时间和机械使用率。
韧性高、重量轻,柱体平整光滑,成型效果好,减少后期修补。
2.2模板采用错缝安装,将1m弧形模板与3m弧形模板搭配使用,增强圆柱模板体系稳定性。
2.3模板加固方式采用3cm钢带加固,并用螺母式紧固件固定钢带接头,使其加固更加牢固、严密。
为保证钢带受力均匀,固定钢带的上下边距为20cm,安装螺丝时,每个螺丝拧紧度保持一致,达到钢带松紧度的一致性及施工安全。
2.4模板之间竖向拼缝采用凹凸槽方式进行拼接,能够加大模板立缝之间的结合面积,能有效避免混凝土浇筑过程中漏浆现象发生。
钢结构作业文件文件编号:WYZG-010版本号/修改次数:A/2圆管柱制作通用工艺受控状态:受控本发放序号:实施日期:发布日期: 编写录目审核批准1、主体内容与适用范围主体内容: 圆管柱的一般制作流程。
适用范围:建筑钢结构中圆管柱的制作。
2、编制依据1)《高层民用建筑钢结构技术规程》 JGJ99-982)《建筑钢结构焊接技术规程》 JGJ81-20023)《钢结构工程施工质量验收规范》 GB50205-20014)《结构用无缝钢管》 GB8162-19995)《直缝电焊钢管》 GB11345-896)《低合金钢焊条》 GB5118-957)《碳钢焊条》 GB5117-958)《熔化焊用钢丝》 GB/T14957-949)《气体保护焊用钢丝》 GB/Y14958-9410)《钢焊缝手工超声波探伤方法和探伤结果分级法》 GB11345-9111)《钢结构设计规范》 GB50017-200312)《碳素结构钢》 GB700-8813)《低合金高强度结构钢》 GB/T1591-9414)《厚度方向性能钢板》 GB5313-853、材料的要求和选用原材料的选用及其适用标准3.1.1钢管(1) 圆管柱钢材主要采用Q235B和Q345B,其质量标准应符合现行国家标准《碳素结构钢》(GB700-88)及《低合金高强度结构钢》(GB/T1591-94)的要求。
其力学性能及碳、硫、磷、锰、硅含量的合格保证必须分别符合标准《结构用无缝钢管》(GB8162-1999)或《直缝电焊钢管》GB11345-89。
(2)结构用无缝钢管的弯曲度、外径和壁厚等的允许偏差应符合表1的规定。
表1 无缝钢管弯曲度、外径和壁厚的允许偏差(3)直缝电焊钢管外径和壁厚的允许偏差应符合表2的规定。
表2 直缝电焊钢管外径和壁厚的允许偏差3.1.2 钢板及型钢(1) 其力学性能及碳、硫、磷、锰、硅含量的合格保证必须分别符合标准《碳素结构钢》(GB700-88)和《低合金高强度结构钢》(GB/T1591-94),其强屈比不得小于,伸长率应大于20%,有良好的可焊性及明显的屈服台阶,钢材的屈服点不宜超过其标准值10%。
圆管构件加工制作方案一、圆管构件构件加工制作工艺流程圆管构件加工制作成型工艺流程和方法1、制作流程一:钢板矫平钢板的局部平面度允许偏差:Δ≤1.5(t≤14);Δ≤1.0(t>14);2、制作流程二:端部预弯卷制前采用油压机或卷板机进行两侧预压成型;预压范围为端部150~300mm,压痕深度≤0.5mm;用样板检验两端半径。
3、制作流程三:筒体卷制采用多次进料渐近法滚弯;用样板检验板件半径。
4、制作流程四:纵缝焊接先焊筒体内侧,外侧清根后再焊筒体外侧焊缝;直缝焊接完成后用进行回圆。
5、制作流程五:环缝焊接先焊筒体内侧,外侧清根后再焊筒体外侧焊缝。
环缝焊接示意图▼6、制作流程六:筒体复测弯曲钢管的加工精度直接影响其他部件的定位准确性,采用四等分线法配合全站仪测量筒体接长精度。
▼图例7、制作流程七:端部铣平端铣量为3~5mm。
▼端铣示意图8、制作流程八:牛腿组装牛腿上表面位置尺寸偏差≤±2.0mm;牛腿端孔到柱轴线距离允许偏差≤±3.0mm;牛腿中心线扭曲、侧偏差≤3.0mm坐标测量点▼▼加工实景① 预弯采用2000吨压力机或非对称式三辊卷板机对钢板两端进行预弯,钢板端部的压制次数至少压三次,先在钢板端部150mm范围内压一次,然后在300mm范围内重压二次,以减小钢板的弹性,防止头部失圆,压制后用样板检验。
② 钢管卷制两端预弯检测合格后,将钢板吊入数控三辊卷板机,为防止产生错边,应将钢板对中,使钢板的纵向中心线与辊筒轴线保持严格的平行。
然后采用渐进式卷制,卷制过程中应不断将钢板表面脱落的氧化皮扫去,以免压伤钢板表面。
③ 钢管纵缝的焊接工艺(1)焊接方法:钢管纵缝采用半自动埋弧焊进行焊接,焊接前应进行纵缝拼接定位焊,定位焊焊缝长度宜大于40mm,间距宜为500~600mm,定位焊焊缝厚度不宜超过设计焊缝的2/3。
焊接时应注意板边错变量和焊缝间隙。
(2)焊前预热:焊接前必须对焊缝两侧100mm范围内进行预热,预热采用陶瓷电加热板进行预热,预热温度100~150℃,加热时需随时用测温仪和温控仪测量控制加热温度。
1.1.1圆管构件加工制作工艺流程1.1.2圆管构件加工制作工艺和方法介绍制作流程-:钢板矫平•钢板的局部平面度允许偏差:AW1.5(tW⑷;AW1.0(t>14);制作流程二:端部预弯・卷制前采用油压机或卷板机进行两侧预弯成型;・预弯范围为端部150~300mm,压痕深度W0.5mm;制作流程三:筒体卷制・采用多次进料渐近法滚弯;•用样板检验板件半径。
(钢柱加工检验样板的制作必须考虑管材焊接变形而预置反变形)制作流程四:纵缝焊接・先焊筒体内侧,外侧清根后再焊筒体外侧焊缝;・直缝焊接完成后用进行回圆。
▼允许偏差S■动埋弧自动焊焊丝中心线■・■・・・卜1・・・1・・・1・4卜制作流程七:端部铣平•端铣量为3~5mm 。
暑;:焊接滚轮胎架制作流程五:环缝焊接制作流程六:环板焊接•采用退装的方法装焊内环板;焊接完成后清除焊渣、飞溅等缺陷。
•钢管的加工精度直接影响其他部件的定位准确性,环板焊接完成后采用四等分线法配合全站仪测量筒体接长精度。
▼图例・先焊筒体内侧,外侧清根后再焊筒体外侧焊缝。
▼环缝焊接示意图制作流程八:整体检测、验收•进行整体检测,自检互检,完毕后,报专职质检员验收;•注意构件堆放应合理,避免造成构件损伤或变型。
1.1.3圆管构件加工制作要点加工 实景・切割面质量・零部件几何尺寸控制工艺 要点加工 实景 纵缝 焊接筒 体 接 长-钢板预弯・样板检验・筒体圆度控制工艺 要点加工 实景 工艺要点 ・焊前预热・先内后外・焊后回圆^端部铣平圆管端铣・现场坡口开设・圆管组对・环缝焊接・平直度检验零部件装配焊接・划线定位・牛腿等部件组焊・装、焊顺序加工实景 涂装■M工艺要点・除锈等级,表面粗糙度・漆膜厚度发运匚・构件编号・重心位置和定位标记1.1.3.1预弯采用2000吨压力机或非对称式三辊卷板机对钢板两端进行预弯,钢板端部的压制次数至少压三次,先在钢板端部150mm范围内压一次,然后在300mm范围内重压二次,以减小钢板的弹性,防止头部失圆,压制后用样板检验。
圆管柱制作工艺范文一、材料准备在开始制作圆管柱之前,首先需要准备适当的金属材料。
常见的金属材料包括不锈钢、碳钢、铝合金等。
在选择材料时,需要根据使用环境和要求进行选择。
选定材料后,需按照要求进行裁剪和切割,确保其长度和尺寸符合加工要求。
二、加工准备在进行圆管柱加工之前,需要准备相应的加工设备和工具。
常见的加工设备包括剪板机、弯管机、钻孔机等。
此外,还需要准备一些辅助工具,如量具、焊接设备和磨光设备等。
三、加工操作1.弯曲:根据需求,使用弯管机对金属材料进行弯曲。
将金属材料放入弯管机中,通过调整机械装置使其弯曲成圆柱状。
根据需要,可以进行单弯或多弯操作,以获得所需的形状和角度。
2.切割:根据设计要求,使用切割工具对金属材料进行切割。
可以使用剪板机、锯床或激光切割机等工具进行切割。
注意保持切割线的平直和准确,确保切割的位置和角度与设计要求一致。
3.拼接:对于需要拼接的圆管柱,可以使用焊接或螺纹连接等方法进行连接。
焊接通常使用电弧焊、氩弧焊或气焊等方式进行。
在进行焊接时,需要注意焊接位置的选取和焊接质量的控制。
4.表面处理:经过加工的圆管柱可能存在不光滑或有缺陷的表面。
为了提高外观和质感,可以进行表面处理。
常见的表面处理方法包括抛光、喷砂、烤漆等。
通过表面处理,可以使圆管柱具有更加平滑和美观的外观。
四、加工完毕经过以上步骤的加工操作后,圆管柱制作工艺基本完成。
此时需要对制作的圆管柱进行检验和质量控制。
对于要求较高的产品,可以通过尺寸测量、外观检查和强度测试等方法来确保质量。
如果产品符合要求,可以进行包装、储存和运输等后续工作。
总结:圆管柱制作工艺是一项常见的金属加工工艺,涉及到材料准备、加工准备、加工操作和加工完毕等步骤。
通过合理的操作和质量控制,可以制作出符合要求的圆管柱产品。
圆管柱加工制作工艺流1.流程图(1)钢结构制作工艺流程图1、放样、熟悉施工图,并认真阅读技术要求及设计说明,并逐个核对图纸之间的尺寸和方向等。
检查号料尺寸是否正确。
●号料前必须了解原材料的材质及规格,检查原材料的质量。
不同规格、不同材质的零件应分布号料。
并根据先大后小的原则依次号料。
钢材如有较大的弯曲、凹凸不平时,应先进行矫正。
尽量使相等宽度和长度的零件一起号料,需要拼接的同一种构件必须一起号料。
钢板长度不够需要焊接拼接时,在接缝处必须注意焊缝的大小及形状,在焊接和矫正再划线。
●样板、样杆上应用油漆写明加工号、构件编号、规格,同时标注上孔直径、工作线、弯曲线等各种加工符号。
●放样和号料应预留收缩量及切割、铣刨需要的加工余量,尽可能节约材料。
●主要受力构件和需要弯曲的构件,在号料时应按照工艺规定的方向取料,弯曲的外侧不应有样冲点和伤痕缺陷。
●本次号料的剩余材料应进行余料标识,包括余料编号、规格、材质等,以便于再次使用。
2、切割钢材下料常用的有氧割、机械切割(剪切、锯切、砂轮切割)等方法。
氧割的工艺要求:●气割前,应去除钢材表面的油污、浮锈和其他杂物,并在下面留一定的空间。
●大型工件的切割,应先从短边开始。
在钢板上切割不同形状的工件时,应靠边靠角,合理布置,先割大件,后割小件;先割较复杂的,后割简单的;窄长条形板的切割,采用两长边同时切割的方法,以防止产生旁弯气割的允许偏差4、边缘加工和端部加工●气割或机械剪切的零件,需要进行边缘加工时,其刨削量不应小于2.0㎜。
●焊接坡口加工宜采用自动切割、半自动切割、坡口机、刨边等方法进行。
边缘加工一般采用刨、铣等方式加工。
边缘加工应注意加工面的垂直度和表面粗糙度.5、制孔●制孔通常采用钻孔和冲孔方法:钻孔是钢结构制造中普遍采用的方法,能用于几乎任何规格的钢板、型钢的孔加工;冲孔一般只用于较薄钢板和非圆孔加工。
而且要求孔径一般不小于钢材的厚度。
当螺栓孔的偏差超过允许值时,允许先采用与钢材材质相配备的焊条进行补焊孔洞后,重新制孔,但严禁采用钢块填塞方法处理。
钢结构制作工艺文件编号:ZTGG/2013/01版本:1.0圆管柱制作工艺文件一、编制依据1.1技术科深化详图1.2《建筑钢结构焊接技术规程》(JGJ81-2002)1.3《低合金高强度结构钢》(GB/T1591-94)1.4《碳素结构钢》(GB700-88)1.5《熔化焊用钢丝》(GB14957-94)1.6《埋弧焊用低合金钢焊丝和焊剂》(GB/T12470-2003)1.7《气体保护电弧焊用碳钢、低合金钢焊丝》(GB/T8110-1995)1.8《碳钢焊条》(GB/T5117-95)1.9《钢结构工程施工质量验收规范》(GB50205-2001)1.10《高层民用建筑钢结构技术规程》(JGJ99-98)1.11《气焊、手工电弧焊及气体保护焊焊缝坡口的基本形式与尺寸》(GB985-88)1.12《埋弧焊焊缝坡口的基本形式与尺寸》(GB986-88)1.13《涂装前钢材表面锈蚀等级和除锈等级》(GB8923-88)二、材料的管理2.1钢材2.1.1所有焊接截面钢材均为,所有型钢截面钢材均为,详见图纸。
2.1.2原材料进厂必须核对钢厂的材质保证书,质保证书检查合格后,质量部门应对材料的牌号、规格、数量、表面质量等进行检测,外观质量检测符合现行有关标准后,方可对钢材随机取样,进行原材料的物理和化学试验,只有钢材物理和化学试验合格后,材料方可办理入库手续。
2.1.3 材料应按规定进行标识并有序堆放,避免与其它材料相混。
堆放应平整放置以防止变形。
吊装驳运要规范操作,并采取措施避免母材损伤。
若发现钢板不平整或型钢弯曲超差,应在下料前用火焰矫正法矫正,矫正要求可见表2.1。
表2.1材料的一般形状要求及矫正公差范围2.2焊接材料2.2.1焊接材料要求焊材包括焊条、焊丝、焊剂和焊接保护气体;所有被采用的焊接材料的生产厂,均必须具备有效的质量保证体系,焊接材料生产厂名、焊接材料出厂质量证明书以及产品使用说明书等。
钢管柱制作工艺与施工方法钢构彩板工程有限公司2012年3月26日目录第一章双肢钢管格构柱标准制作工艺 (2)1排版 (2)2下料 (2)3切割 (2)4矫正 (3)5预涂装 (3)6组装 (4)7定位焊 (4)8焊接前 (5)9焊接中 (6)10焊接后 (14)11无损检查 (14)12焊接返修 (14)13制孔 (15)14端部处理 (15)15构件标识 (15)16安全技术措施 (16)第二章钢管柱吊装工艺 (17)1杯口基础底面找平 (17)2钢柱上的小爬梯设置 (17)3缆风绳拉设 (18)4钢柱吊装吊耳的设置 (19)5柱脚楔子临时固定 (19)6钢柱柱脚中心线对定位轴线的偏差调整 (20)7钢柱轴线垂直度调整 (20)8柱子基准点标高调整 (20)第三章钢管柱柱芯混凝土顶升施工工法 (21)1特点 (21)2适用范围 (21)3工艺原理 (21)4工艺流程 (21)5施工操作要点 (22)6材料及机具设备 (24)7质量控制 (25)8安全措施及环保要求 (25)第一章双肢钢管格构柱标准制作工艺1排版排版中应注意焊缝位置避开孔群及劲板位置,管下料留出50mm余量,肩梁部分板需铣平方向加3~5mm余量。
2下料2.1 号料前应先确认材质和熟悉工艺要求,然后根据排版图、下料加工单、零件草图和电脑实样图进行号料。
2.2 钢卷尺(不包括5米以下的卷尺)必须经计量部门与本工程用的标准尺进行校核,并标贴修正值后才能使用,标准尺测定拉力为L≤30m时5kg,以确保划线、制作和现场安装用尺的一致性2.3 号料的母材须平直无损伤及其他缺陷,否则应先矫正或剔除。
划线精度如下(表一):(表一)2.4 钢板下料应严格按排版单中指定的钢板号进行下料。
三大片下料完毕应在端头标明构件及零件编号,并同整体构件的零部件必须摆放在一起,以便后续装配。
3 切割3.1切割前应清除母材表面的油污、铁锈和潮气,切割后气割表面应光滑无裂纹,熔渣和飞溅物应除去。
圆管柱钢结构制作通用工艺010钢结构作业文件文件编号:WYZG-010版本号/修改次数:A/2圆管柱制作通用工艺受控状态:受控本发放序号:发布日期: 实施日期:目录1、主体内容与适用范围 (2)2、编制依据 (2)3、材料的要求和选用 (2)4、制作工艺要领 (5)4.1 钢管柱的制作流程 (5)4.2 圆管柱钢结构制作重点和技术难点 (5)4.3 各工序加工要领 (6)4.3.1 放样 (6)4.3.2 下料 (6)4.3.3. 外部零件的装配 (8)4.3.4 螺栓孔质量要求 (8)4.3.5 摩擦面质量要求 (9)4.3.6. 焊接 (10)4.3.7 圆管柱的成品检查 (12)4.3.8 栓钉焊接 (13)4.3.9 涂装 (13)4.3.10 构件标识 (14)4.3.11 构件贮存、运输 (14)1、主体内容与适用范围1.1 主体内容: 圆管柱的一般制作流程。
1.2 适用范围:建筑钢结构中圆管柱的制作。
2、编制依据1)《高层民用建筑钢结构技术规程》 JGJ99-982)《建筑钢结构焊接技术规程》 JGJ81-20023)《钢结构工程施工质量验收规范》 GB50205-20014)《结构用无缝钢管》 GB8162-19995)《直缝电焊钢管》 GB11345-896)《低合金钢焊条》 GB5118-957)《碳钢焊条》 GB5117-958)《熔化焊用钢丝》 GB/T14957-949)《气体保护焊用钢丝》 GB/Y14958-9410)《钢焊缝手工超声波探伤方法和探伤结果分级法》GB11345-9111)《钢结构设计规范》 GB50017-200312)《碳素结构钢》 GB700-8813)《低合金高强度结构钢》 GB/T1591-9414)《厚度方向性能钢板》 GB5313-853、材料的要求和选用3.1 原材料的选用及其适用标准3.1.1钢管(1) 圆管柱钢材主要采用Q235B和Q345B,其质量标准应符合现行国家标准《碳素结构钢》(GB700-88)及《低合金高强度结构钢》(GB/T1591-94)的要求。
钢管柱加工制作方案在卷制钢管时,应严格控制钢管直径精度,使其符合设计要求。
b.卷制余量的控制:在卷制钢管时,应适当增加卷制余量,以保证钢管的成型质量。
3)焊接工艺要求a.焊接材料的选择:焊接材料应选择与钢管材质相同或相近的材料,以保证焊接质量。
b.焊接工艺的选择:焊接工艺应选择对接熔透焊缝,以保证焊接强度。
4)钢管加工的质量控制a.过程监测:在钢管加工过程中,应进行过程监测,及时发现和解决问题。
b.探伤检测:在钢管加工完成后,应进行探伤检测,以保证钢管质量符合要求。
三、结论本文介绍了XXX站站房工程的概况及钢管柱加工制作方案。
钢管柱采用Q345B钢,钢管直径1.4m,壁厚分22mm、30mm、42mm。
钢管柱的加工制作工艺流程包括卷制钢管加工工艺和钢管加工工艺要点。
在加工过程中,应严格控制钢管直径精度,适当增加卷制余量,选择对接熔透焊缝,进行过程监测和探伤检测,以保证钢管柱的质量符合要求。
在钢管定位焊接完成后,进行纵缝焊接。
焊接前需进行清洗、除锈、预热等工作,焊接过程中应注意焊接电流、电压、速度等参数的控制,确保焊接质量。
焊接完毕后,需进行焊缝外观检查、尺寸检查等工作,确保焊接质量符合要求。
3)焊接材料的选择焊接材料应根据钢管材质及使用环境选择合适的焊接材料,确保焊接强度、韧性、耐腐蚀性等性能符合要求。
同时,焊接材料的质量也应符合国家相关标准。
4)焊接工艺的改进针对以往焊接过程中出现的问题,可以采取改进措施,如增加预热温度、调整焊接参数、加强焊接监控等,以提高焊接质量和效率。
同时,在焊接过程中应严格遵守相关安全规定,确保焊接过程安全可靠。
焊接方法:筒体采用自动埋弧焊进行内外侧焊接,使用专用自动焊接胎架或焊接中心进行。
焊接顺序为先焊内侧,后焊外侧。
内侧焊满2/3坡口深度后进行外侧碳弧气刨清根,并焊满外侧坡口,再焊满内侧大坡口,使焊缝成型。
焊前装好引熄弧板,并调整焊机机头,准备焊接。
焊前预热采用陶瓷电加热板进行预热,预热温度为100~150℃。
圆管柱加工制作工艺流1.流程图(1) 钢结构制作工艺流程图1、放样、熟悉施工图,并认真阅读技术要求及设计说明,并逐个核对图纸之间的尺寸和方向等。
检查号料尺寸是否正确。
号料前必须了解原材料的材质及规格,检查原材料的质量。
不同规格、不同材质的零件应分布号料。
并根据先大后小的原则依次号料。
钢材如有较大的弯曲、凹凸不平时,应先进行矫正。
尽量使相等宽度和长度的零件一起号料,需要拼接的同一种构件必须一起号料。
钢板长度不够需要焊接拼接时,在接缝处必须注意焊缝的大小及形状,在焊接和矫正再划线。
样板、样杆上应用油漆写明加工号、构件编号、规格,同时标注上孔直径、工作线、弯曲线等各种加工符号。
放样和号料应预留收缩量及切割、铣刨需要的加工余量,尽可能节约材料。
主要受力构件和需要弯曲的构件,在号料时应按照工艺规定的方向取料,弯曲的外侧不应有样冲点和伤痕缺陷。
本次号料的剩余材料应进行余料标识,包括余料编号、规格、材质等,以便于再次使用。
2、切割钢材下料常用的有氧割、机械切割(剪切、锯切、砂轮切割)等方法。
氧割的工艺要求:气割前,应去除钢材表面的油污、浮锈和其他杂物,并在下面留一定的空间。
大型工件的切割,应先从短边开始。
在钢板上切割不同形状的工件时,应靠边靠角,合理布置,先割大件,后割小件;先割较复杂的,后割简单的;窄长条形板的切割,采用两长边同时切割的方法,以防止产生旁弯气割的允许偏差项目允许偏差项目允许偏差零件宽度、长度±3.0㎜零件宽度、长度±3.0㎜边缘缺棱 1.0㎜切割面平面度0.05t,但不大于2.0㎜端部垂直度 2.0㎜割纹深度0.3㎜局部缺口深度 1.0㎜4、边缘加工和端部加工气割或机械剪切的零件,需要进行边缘加工时,其刨削量不应小于2.0㎜。
焊接坡口加工宜采用自动切割、半自动切割、坡口机、刨边等方法进行。
边缘加工一般采用刨、铣等方式加工。
边缘加工应注意加工面的垂直度和表面粗糙度.5、制孔制孔通常采用钻孔和冲孔方法:钻孔是钢结构制造中普遍采用的方法,能用于几乎任何规格的钢板、型钢的孔加工;冲孔一般只用于较薄钢板和非圆孔加工。