最新中南大学机电传动控制实验报告1
- 格式:docx
- 大小:176.48 KB
- 文档页数:8
机电传动控制实验报告
本次实验主要学习了机电传动控制的基础知识和控制方法,通过实际的硬件实验,进一步加深了对于机电传动控制的了解。
实验一:单向行程控制系统
通过本次实验,我们学习了单向行程控制系统的构成和工作原理。
通过按下按钮控制气缸的伸缩,实现了单向行程的控制。
实验二:双向行程控制系统
通过本次实验,我们学习了双向行程控制系统的构成和工作原理。
通过按下按钮控制气缸的伸缩,实现了双向行程的控制。
实验三:速度控制系统
通过本次实验,我们学习了速度控制系统的构成和工作原理。
通过按下按钮控制电机的正反转,结合调节电位器实现了电机的速度控制。
实验四:位置控制系统
通过本次实验,我们学习了位置控制系统的构成和工作原理。
通过按下按钮控制步进电机的转动步数,实现了位置控制。
实验五:机械机构控制系统
通过本次实验,我们学习了机械机构控制系统的构成和工作原
理。
通过按下按钮控制三个气缸的伸缩和机械瓣的运动,实现了机械机构的控制。
实验总结:
通过本次实验,我们掌握了机电传动控制的基础知识和控制方法,了解了不同类型控制系统的工作原理和实现方式,同时也加深了对于控制硬件的认识。
在实验过程中,我们不仅解决了各种控制问题,还加强了团队协作和沟通能力,为我们未来的研究和实践打下了坚实的基础。
传动与控制实验报告传动与控制实验报告引言在现代工程领域中,传动与控制技术是不可或缺的重要组成部分。
它们在各种机械系统中起到了至关重要的作用。
本实验旨在通过实际操作和观察,深入了解传动与控制的原理和应用。
实验一:传动系统的分析与设计在这个实验中,我们首先研究了不同类型的传动系统,如齿轮传动、皮带传动和链传动。
通过观察和测量不同传动系统的特点和性能,我们能够更好地理解它们的工作原理和适用范围。
我们选择了齿轮传动作为研究对象。
齿轮传动是一种常见且高效的传动方式,广泛应用于机械设备中。
我们首先测量了不同齿轮的模数、齿数和齿轮直径,并计算了它们的传动比。
通过观察齿轮的运动和传递力矩的情况,我们可以验证传动比的准确性,并评估齿轮传动的效率。
接下来,我们研究了皮带传动和链传动。
这两种传动方式都具有一定的弹性和缓冲作用,适用于需要减小冲击和噪音的场合。
我们测量了不同皮带和链条的长度、宽度和张力,并观察了它们的传动效果。
通过比较不同传动方式的特点和性能,我们可以选择最适合特定应用的传动系统。
实验二:控制系统的设计与优化在这个实验中,我们研究了控制系统的设计和优化方法。
控制系统是一种用于改变或维持物理系统状态的技术。
它可以通过传感器和执行器来实现对系统的监测和调节。
我们选择了PID控制器作为研究对象。
PID控制器是一种常用的反馈控制器,它可以根据误差信号来调整输出信号,从而实现对系统的控制。
我们首先设计了一个简单的PID控制器,并通过实验调整了控制参数。
通过观察系统的响应和稳定性,我们可以评估控制器的性能,并进行优化。
接下来,我们研究了先进的控制技术,如模糊控制和神经网络控制。
这些技术可以应对更加复杂和非线性的系统。
我们通过实验比较不同控制技术的性能和适用性,以便选择最合适的控制方法。
结论通过这次实验,我们深入了解了传动与控制技术的原理和应用。
我们通过实际操作和观察,对不同传动系统和控制器的特点和性能有了更加全面的了解。
一、前言随着我国工业技术的不断发展,机电传动控制技术在各个领域中的应用越来越广泛。
为了提高自身实践能力,加深对机电传动控制技术的理解,我选择了在某机电传动控制公司进行为期一个月的实习。
通过这次实习,我对机电传动控制技术有了更深入的认识,以下是实习报告的详细内容。
二、实习单位及岗位介绍实习单位:XX机电传动控制有限公司岗位:机电传动控制工程师助理实习时间:2023年X月X日至2023年X月X日三、实习目的1. 了解机电传动控制技术的基本原理和实际应用;2. 熟悉机电传动控制系统的设计、调试和维护;3. 培养动手实践能力和团队合作精神;4. 为今后从事机电传动控制相关工作奠定基础。
四、实习内容1. 学习机电传动控制基础知识在实习初期,我主要学习了机电传动控制的基本原理、常用元器件及电气控制线路等知识。
通过查阅资料、请教师傅和实际操作,我对这些知识有了初步的了解。
2. 参与项目设计在实习过程中,我参与了多个机电传动控制项目的初步设计。
在师傅的指导下,我学会了如何根据实际需求选择合适的电机、控制器和传动装置,并绘制相应的电气原理图和控制柜布置图。
3. 传动控制系统调试在项目实施过程中,我参与了传动控制系统的调试工作。
通过观察设备运行状态,分析故障原因,并采取相应的措施解决问题。
在调试过程中,我掌握了传动控制系统的运行参数调整、故障排除等技能。
4. 传动控制系统维护在实习期间,我还参与了传动控制系统的维护工作。
通过定期检查设备运行状态,及时发现并排除隐患,确保设备正常运行。
此外,我还学习了传动控制系统常见故障的维修方法。
五、实习心得体会1. 实践是检验真理的唯一标准通过这次实习,我深刻体会到理论知识与实践操作相结合的重要性。
在实习过程中,我不断将所学知识运用到实际工作中,提高了自己的动手能力。
2. 团队合作精神至关重要在实习过程中,我深刻认识到团队合作精神的重要性。
在项目实施过程中,大家齐心协力,共同解决问题,确保项目顺利进行。
《机电传动控制实训》报告课题:三相异步电动机的正反转控制线路系别:机电工程系专业:机械设计制造及其自动化学生姓名:郝沛东学号:1053100125指导教师:郭振军职称:讲师2012 年5月31日摘要无论是工农业生产、交通运输、国防、航空航天、医疗卫生、商务与办公设备,还是日常生活中的家用电器设备,都大量地使用着各种各样的电动机。
据资料统计,现在工业生产企业有百分之九十以上的动力来源来自于电动机,我国生产的电能大约百分之六十用于电动机,电动机在现代生产和生活中起着十分重要的作用。
三相异步电动机广泛应用于国民经济各个领域,作为风机、水泵、压缩机、机床等的动力。
电动机能效水平的提高可有效地减少能源建设和能源的消耗。
电动机的节能对环境和自然资源的保护有重要的影响,并与用户的经济效益有密切关系。
因此,美国和欧洲各国对高效率的节能电动机设计和推广十分重视。
异步电动机具有结构简单、价格低廉、工作可靠、维修方便的优点,所以在发电厂和工农业生产中得到最方泛的应用。
关键词:三相异步电动机设计线路正反转目录引言 (1)1 任务要求与总体设计方案 (2)1.1 设计任务要求 (2)1.2 总体设计方案 (2)2 选择器件 (3)2.1 各器件的功能及符号 (3)3 设计电路图 (6)3.1 电路图的原理 (6)4 实物图 (7)5连接电路注意的事项 (8)6总结 (9)谢辞 (10)引言随着经济快速地发展,生产力的提高,电动机在生产中得到了广泛的应用,电动机能提供的功率范围很大,从毫瓦级到万千瓦级。
电动机的使用和控制非常方便,具有自起动、加速、制动、反转、掣住等能力,能满足各种运行要求;电动机的工作效率较高,又没有烟尘、气味,不污染环境,噪声也较小。
由于它的一系列优点,所以在工农业生产、交通运输、国防、商业及家用电器、医疗电器设备等各方面广泛应用。
一般电动机调速时其输出功率会随转速而变化1 任务要求与总体设计方案1.1 设计任务要求1.能够设计和绘制三相异步电动机延时控制起动控制的原理图、接线图。
机电传动控制综合实习的研究与实践总结为了提高机械工程类应用型本科学生的动手能力,以此加强学生基础理论和专业知识的综合应用能力,逐步培养学生发现、分析并解决工程实际问题的能力,根据“基于最终目标零距离”人才培养理念,必须努力拓宽实践教学渠道,为从认识、熟悉、理解到掌握专业实践技能和能力提供创新平台。
为此,机电工程学院在研讨的基础上提出并构建了特色鲜明的机电传动控制综合实习校内实习项目,作为重建的应用型人才培养教学体系中的第三层(即系统综合创新层)的主要的应用实践内容。
本实习项目设置的任务和目的是通过一系列设计性、创新性实验与实习训练,使学生熟悉、了解机电传动的方法、常用元器件,使从先修基础与专业课程中所学的基本理论、基础知识在模拟的工程实践环境中得到验证和展示,从而使机电传动的相关知识通过这样一个颇为综合的实践环节中消化、理解、内化与提高。
本实习项目是在常州工学院原有华中数控车床(JDZ06)的基础上,根据机械工程类应用型本科人才培养的的基本目标,基于透明系统(软、硬件系统)的设计思想,设计和开发了可用于教学目的综合实训平台,实训的内容涉及机、电一体化原理与系统方面的多学科知识。
根据机床的基本功能和综合实习的训练目标,按照基本功能分类将机电传动控制综合实习系统分为四大模块,每个模块构成一个相互独立的运动单元,同时四个单元又能根据要求进行整合。
通过面板上左下角的钥匙开关可以预选本系统的运行模式,在单元运行模式下,各单元可以单独控制各执行部件进行相应的动作;而在综合运行模式下,本系统的控制部分组合成一台完整的数控车床,通过数控系统进行相应的操作。
具体来说,本系统共有机床电气控制、机床主轴变速实验、机床运动数字控制、电动刀架及其PLC控制四个单元组成。
其中,1)机床电气控制单元主要由操作面板、总开关、警示灯和低压电器柜等组成。
2)机床主轴变速实验单元由操作面板、变频装置、速度显示模块、传感器、机械齿轮变速装置、主轴电机和低压电器柜等组成。
《机电传动控制》实验报告本次实验是关于机电传动控制的,实验主要通过使用PLC编程,控制步进电机和气缸来实现控制目标。
本次实验中,我们学习了PLC编程的基本原理,学习了步进电机的工作原理,并使用PLC编程实现了步进电机的控制。
同时,我们还学习了气缸的工作原理,并使用PLC编程实现了气缸的控制。
实验一:步进电机控制实验本实验的目的是学习步进电机的工作原理,并实现步进电机的控制。
步进电机是一种能将电脉冲信号转换为机械角度运动的电动机。
步进电机的优点是,能够实现准确的位置控制和精细的运动控制。
在本实验中,我们使用连接在PLC输出模块上的步进电机来进行控制。
实验步骤1.将PLC程序下载进PLC控制器中,并将输出模块连接到步进电机。
2.在PLC编程软件中进行编程,设置电机的工作方式和实现的目标。
3.在PLC编程软件中进行调试,检查程序是否正确。
4.进行实验,观察步进电机的运动,并检查控制效果是否达到预期。
实验结果我们实现了通过PLC编程控制步进电机的目标,步进电机实现了预期的运动轨迹,并在程序执行的过程中能够准确地控制步进电机的转动速度和方向。
本实验的目的是学习气缸的工作原理,并实现气缸的控制。
气缸是一种利用压缩空气作为动力源的机械装置,通过压缩空气产生的动力驱动气缸的运动。
气缸广泛应用于自动化生产线上,能够实现快速、高效的控制目标。
总结本次实验学习了PLC编程的基本原理,并应用PLC编程实现了对步进电机和气缸的控制。
在实验过程中,我们遇到了一些问题和挑战,但通过团队合作和认真地解决问题,最终成功地完成了实验任务。
通过本次实验的学习,我们加深了对机电传动控制的理解和掌握,为今后的学习和研究打下了坚实的基础。
机电传动控制实验报告《机电传动控制实验报告》嘿,同学们!今天我要跟你们讲讲我做机电传动控制实验的那些事儿,可有意思啦!一走进实验室,我就被那些大大小小、奇奇怪怪的机器设备给吸引住了。
就好像走进了一个充满神秘宝藏的洞穴,每一台机器都像是等待我去发掘的宝贝。
老师开始给我们讲解实验的步骤和注意事项,我那小耳朵竖得直直的,眼睛都不敢眨一下,生怕错过了什么重要的信息。
“同学们,这个实验可不简单,但是只要你们认真听、仔细做,就一定能成功!”老师的话让我心里既紧张又兴奋,这能难倒我?不可能!我和同桌小明一组,我俩互相看了一眼,那眼神仿佛在说:“兄弟,加油!”实验开始啦!我们按照老师说的,小心翼翼地连接线路,这线路就像一条条细细的小蛇,稍不注意就会缠错。
我一边弄一边想:这要是接错了,可不得闹笑话?“哎呀,小明,你轻点儿,别把线扯断啦!”我着急地喊。
“知道啦知道啦,你别催我!”小明也不甘示弱。
好不容易把线路接好了,我们满怀期待地按下启动按钮。
“咋没反应呢?”我瞪大了眼睛。
小明也一脸疑惑:“难道是哪里出问题了?”我们又仔仔细细地检查了一遍线路,终于发现了一个小线头没接好。
“哎呀,真是的,就这么个小线头,差点坏了大事!”我拍了拍自己的脑袋。
重新接好线头,再次按下启动按钮。
哇,机器终于转动起来啦!那声音,就像一首欢快的歌曲,听得我心里美滋滋的。
“哈哈,成功啦!”我和小明高兴得手舞足蹈。
在这个实验中,我深深感受到了机电传动控制的神奇和有趣。
它就像一个魔法世界,只要你掌握了咒语(操作方法),就能让那些机器乖乖听话。
通过这次实验,我明白了做事情一定要认真仔细,不能马虎大意。
就像盖房子,一块砖没放好,整座房子都可能会塌。
而且,团队合作也特别重要,要是我和小明不互相帮助、互相鼓励,估计这实验也不会这么顺利。
总之,这次机电传动控制实验让我收获满满,我以后还要参加更多这样有趣的实验!。
机电传动控制实训报告机电传动控制实训报告题目:三相异步电动机的顺序控制电路安装与测试系别:机电工程系专业:机械设计制造及其自动化学生姓名:张冰学号: 1053100119指导教师:郭振军职称:讲师2012年 5 月31 日摘要三相异步电动机的顺序控制要求三台电动机可以按照一定的顺序,在一定的时间间隔下实现自动的启动,并可以在电机动作后随时可以按照要求以一定的停机顺序在特定的时间间隔里实现自动停机。
本文以交流接触器、时间继电器、按钮开关以主要器件,并用热继电器和熔断器等元器件加以对线路的保护,完全实现了三台三相异步电动机的顺序启动以及停机控制,可以自由设定电机间启动与停机时的时间间隔,启动与停机的实现全部只要一次按钮操作后自动完成。
三相异步电动机的顺序控制在工业生产中,例如铣床、车床等的加工制造中具有举足轻重的作用。
关键词:三相异步电动机顺序控制顺序启动顺序停机目录引言 (1)1.设计任务要求 (1)1.1设计课题 (1)1.2设计任务要求 (1)2. 控制电路设计 (1)2.1控制电路设计使用的主要器材介绍 (2)2.1.1交流接触器 (2)2.1.2时间继电器 (2)2.1.3热继电器 (3)2.1.4熔断器 (3)2.2设计电路使用到的部分重要原理 (4)2.3控制电路设计以及工作过程介绍 (4)2.3.1控制电路原理图 (4)2.3.2控制电路的工作过程 (5)2.4主电路设计原理图 (6)3设计电路的实际接线调试 (7)3.1电路的实际接线 (7)3.2电路调试观察记录 (9)4总结 (9)谢辞 (10)附录 (11)引言在当今社会经济告诉发展的社会,轻工业以及重工业是每个国家发展的重中之重。
随着科学技术的不断进步与发展,在工业制造中各种车床、铣床、磨床、刨床、钻床等的应用越来越广泛。
在这些车床中,需要各种各样的电路控制来实现各种动作要求,其中三相异步电动机的顺序控制是这些控制电路中的重要组成部分。
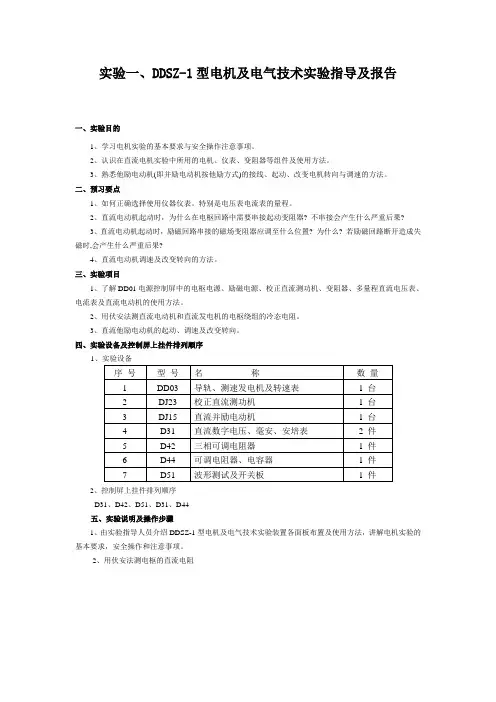
实验一、DDSZ-1型电机及电气技术实验指导及报告一、实验目的1、学习电机实验的基本要求与安全操作注意事项。
2、认识在直流电机实验中所用的电机、仪表、变阻器等组件及使用方法。
3、熟悉他励电动机(即并励电动机按他励方式)的接线、起动、改变电机转向与调速的方法。
二、预习要点1、如何正确选择使用仪器仪表。
特别是电压表电流表的量程。
2、直流电动机起动时,为什么在电枢回路中需要串接起动变阻器? 不串接会产生什么严重后果?3、直流电动机起动时,励磁回路串接的磁场变阻器应调至什么位置? 为什么? 若励磁回路断开造成失磁时,会产生什么严重后果?4、直流电动机调速及改变转向的方法。
三、实验项目1、了解DD01电源控制屏中的电枢电源、励磁电源、校正直流测功机、变阻器、多量程直流电压表、电流表及直流电动机的使用方法。
2、用伏安法测直流电动机和直流发电机的电枢绕组的冷态电阻。
3、直流他励电动机的起动、调速及改变转向。
四、实验设备及控制屏上挂件排列顺序12、控制屏上挂件排列顺序D31、D42、D51、D31、D44五、实验说明及操作步骤1、由实验指导人员介绍DDSZ-1型电机及电气技术实验装置各面板布置及使用方法,讲解电机实验的基本要求,安全操作和注意事项。
2、用伏安法测电枢的直流电阻图2-1 测电枢绕组直流电阻接线图(1)按图2-1接线,电阻R 用D44上1800Ω和180Ω串联共1980Ω阻值并调至最大。
A 表选用D31上的直流安培表。
开关S 选用D51挂箱上的双刀双掷开关。
(2)经检查无误后接通电枢电源,并调至220V 。
调节R 使电枢电流达到0.2A (如果电流太大,可能由于剩磁的作用使电机旋转,测量无法进行;如果此时电流太小,可能由于接触电阻产生较大的误差),迅速测取电机电枢两端电压U 和电流I 。
将电机转子分别旋转三分之一和三分之二周,同样测取U 、I 三组数据列于表2-1中。
(3)增大R 使电流分别达到0.15A 和0.1A ,用同样方法测取六组数据列于表2-1中。
实验一三相异步电动机点动、启动控制实验一.实验目的1.学习继电器、接触器实验的基本要求与安全操作注意事项。
2.认识实验中所用的继电器、接触器等组件及使用方法。
3.熟悉异步电动机的点动、起动控制接线方法。
二.预习要点1.如何正确选择使用继电器、接触器。
2.熟悉所用各中电气元件的图文符号。
3.掌握异步电动机的点动、起动控制接线方法。
三.实验项目1.三相异步电动机的点动控制。
2.三相异步电动机的起动控制。
四.实验设备及仪器综合实验台、接触器、开关、按钮、异步电动机以及引线等。
五.实验说明及操作步骤1.由实验指导老师讲解实验的基本要求,实验台各面板的布置及使用方法,注意事项。
2.点动控制接线原理图见图。
380VKM: 接触器SB:按钮M:三相异步电动机(1)经检查接线无误后,接通交流电源。
(2)按下按钮SB,接触器KM主触点吸合,电动机启动。
放开按钮SB,电动机停止运行。
⒊起动控制接线原理图见图。
KM: 接触器1SB、2SB:按钮M:三相异步电动机(1)经检查接线无误后,接通交流电源。
(2)按下按钮SB,接触器KM主触点吸合,电动机启动。
放开按钮SB,电动机继续运行。
六.注意事项1.接线时应断开电源。
2.电动机启动后,应注意旋转部件伤人。
七.实验报告按指导老师要求写出实验报告。
实验二三相异步电动机正反转、行程控制实验一.实验目的1.学习继电器、接触器实验的基本要求与安全操作注意事项。
2.认识实验中所用的继电器、接触器等组件及使用方法。
3.熟悉异步电动机的正反转及行程控制接线方法。
二.预习要点1.如何正确选择使用继电器、接触器。
2.熟悉所用各中电气元件的图文符号。
3.掌握异步电动机的正反转及行程控制接线方法。
三.实验项目1.三相异步电动机的正反转控制。
2.三相异步电动机的行程控制。
四.实验设备及仪器综合实验台、接触器、开关、按钮、行程开关、异步电动机以及引线等。
五.实验说明及操作步骤⒈三相异步电动机的正反转控制接线如图:FKM、RKM: 接触器FSB、RSB、SB:按钮M:三相异步电动机(1)经检查接线无误后,接通交流电源。
中南大学机电传动控制实验报告1机电传动控制实验报告姓名:学院:班级:学号:日期:一、实验台结构与工作原理本实验台的机械系统结构如图本实验台的安装平台保证了各机械装置的安装精度,各装置采用弹性联轴器连接,便于直、交流电机的互换和传动装置装卸。
链传动单元,链条松紧可调,便于对摩擦扭矩的调试。
实验台面板总共包含七大单元,分别为:1,变频器单元2,直流单元:包含直流调速器和直流接触器3,交流单元:包含热继电器和交流接触器4,控制单元:包含按钮,时间继电器,中间继电器5,电阻单元:10Ω/50W6,PLC单元:包含PLC模块,A/D模块和中间继电器7,电源单元:为整个实验台提供380V,220V,24V电源二、主要技术参数直流电机: 功率0.75Kw 扭矩 4.72Nm减速机交流电机: 功率 0.75Kw 扭矩 2.3Nm 减速机速比 1:3摆线针轮减速机: 减速比 1:9 扭矩 0-250Nm扭矩传感器: 量程 0-20Nm负载: 14kg砝码: 1kg 4块变频器: 0.75KW,380V,输出频率:0.1~400HzPLC模块: 西门子S7-200系列CPU224, A/D模块EM235模拟量模块: 西门子EM235扭矩转速传感器: 0-20N.m,转速输出:60脉冲/圈三、操作步骤1,断开实验台各电源开关2,打开电脑,运行机电传动软件,先选择实验项目,然后根据软件中显示的原理图,在实验台上接线3,确定接线无误后,合上电源开关,就可开始进行实验4,软件中点击<测试>--<运行>即可监测电机的扭矩和转速四、,注意事项1,在电机运转过程中,严禁用手触摸实验台的机械传动部分2,在面板上连线时,勿必先断开各电源开关,3,各接触器,中间继电器,时间继电器等的线圈电压均为直流24V,线圈的正负请勿接反4,在使用变频器,直流调速器前,勿必先熟悉各端口功能5,进行交流实验时,用交流面板上的接触器;进行直流实验时,用直流面板上的接触器,千万不能混用,否则会烧坏接触器五、产品基本配置六、软件使用说明本软件有两种操作模式,一种是面板控制模式,另一种是PC控制模式。
机电传动控制实验报告实验⼀:机电控制系统与传动系统认知实验实验⽬的:认识直流电机,交流电机,步进电机,伺服电机及对应的驱动器与变频器,认识可编程控制器,理解机电系统基本组成及控制原理实验⼯具:电梯模型,柔性制造中⼼,机电装调实训台,三轴运动实训台,变频⽔泵系统。
实验内容:认识柔性制造单元:24V直流电机经过涡轮减速器减速后带动⽪带传送装置,传送被加⼯件;电磁吸和装置、步进电机、直流电机与丝杠及其他结构件构成了机械臂完成空间移动箱体的功能;直流电机、⽪带及槽轮机构完成放置箱体的功能;电机与⽓动装置配合完成给箱体加盖与插销的功能;喷漆装置与加热装置完成喷漆与烘⼲功能;转盘与摇臂装置完成传送物件的转弯功能;液压装置完成给箱体盖盖章功能;光电传感器、霍尔传感器、颜⾊传感器完成质检功能;最后通过伺服电机及丝杠传动完成合格品的⼊库功能;通过⽓动吸盘与三相异步电动机将不合格产品抛弃。
柔性制造系统共有13个单元及模块构成,各个单元通过可编程控制器进⾏控制,各个控制器之间通过以太⽹进⾏通信。
认识三轴运动实训系统:三轴运动实训系统通过步进电机与丝杠结构进⾏运动控制,步进电机是可编程控制器通过控制步进电机驱动器进⾏控制,利⽤此基本原理可实现3D打印,激光雕刻等功能。
认识电梯实训系统:电梯基本原理是通过可编程控制器控制三相异步交流电动机带动钢丝绳实现电梯的上下运动,通过位置传感器、接触开关来判断电梯位置,通过拉⼒传感器判断电梯是否过载,可编程控制器通过采集电梯按键数据以控制电梯上下运动。
认识机电装调实验台:机电装调试验台是通过可编程控制器对材料进⾏分拣,通过霍尔传感器判断材料是否⾦属,将⾦属材料分拣出来。
认识变频⽔泵系统:变频⽔泵系统通过压⼒传感器判断⽔位⾼低,通过可编程控制器控制变频器控制三相交流异步电动机转动带动⽔泵以调节⽔箱⽔位,使⽔箱保持恒定⽔位。
实验⼆:液压控制回路的搭建实验⽬的:认识液压控制系统,通过搭建液压控制回路理解控制的基本原理实验⼯具:液压试验台,电磁换向阀,液压缸,霍尔传感器实验内容:搭建液压顺序控制回路:利⽤霍尔传感器检测液压缸缸体运动位置,将位置信号传送回可编程控制器,可编程控制器依据接收到的位置信号控制两电磁阀的通断电,以完成下⼀步动作。
机电传动控制实训报告机电传动控制实训报告题目:三相异步电动机的顺序控制电路安装与测试系别:机电工程系专业:机械设计制造及其自动化学生姓名:张冰学号: 1053100119指导教师:郭振军职称:讲师2012年 5 月31 日摘要三相异步电动机的顺序控制要求三台电动机可以按照一定的顺序,在一定的时间间隔下实现自动的启动,并可以在电机动作后随时可以按照要求以一定的停机顺序在特定的时间间隔里实现自动停机。
本文以交流接触器、时间继电器、按钮开关以主要器件,并用热继电器和熔断器等元器件加以对线路的保护,完全实现了三台三相异步电动机的顺序启动以及停机控制,可以自由设定电机间启动与停机时的时间间隔,启动与停机的实现全部只要一次按钮操作后自动完成。
三相异步电动机的顺序控制在工业生产中,例如铣床、车床等的加工制造中具有举足轻重的作用。
关键词:三相异步电动机顺序控制顺序启动顺序停机目录引言 (1)1.设计任务要求 (1)1.1设计课题 (1)1.2设计任务要求 (1)2. 控制电路设计 (1)2.1控制电路设计使用的主要器材介绍 (2)2.1.1交流接触器 (2)2.1.2时间继电器 (2)2.1.3热继电器 (3)2.1.4熔断器 (3)2.2设计电路使用到的部分重要原理 (4)2.3控制电路设计以及工作过程介绍 (4)2.3.1控制电路原理图 (4)2.3.2控制电路的工作过程 (5)2.4主电路设计原理图 (6)3设计电路的实际接线调试 (7)3.1电路的实际接线 (7)3.2电路调试观察记录 (9)4总结 (9)谢辞 (10)附录 (11)引言在当今社会经济告诉发展的社会,轻工业以及重工业是每个国家发展的重中之重。
随着科学技术的不断进步与发展,在工业制造中各种车床、铣床、磨床、刨床、钻床等的应用越来越广泛。
在这些车床中,需要各种各样的电路控制来实现各种动作要求,其中三相异步电动机的顺序控制是这些控制电路中的重要组成部分。
学习-----好资料
机电传动控制
实
验
报
告
姓名:
学院:
班级:
学号:
日期:
一、实验台结构与工作原理
本实验台的机械系统结构如图
本实验台的安装平台保证了各机械装置的安装精度,各装置采用弹性联轴器连接,便于直、交流电机的互换和传动装置装卸。
链传动单元,链条松紧可调,便于对摩擦扭矩的调试。
实验台面板总共包含七大单元,分别为:
1,变频器单元
2,直流单元:包含直流调速器和直流接触器
3,交流单元:包含热继电器和交流接触器
4,控制单元:包含按钮,时间继电器,中间继电器
5,电阻单元:10Ω/50W
6,PLC单元:包含PLC模块,A/D模块和中间继电器
7,电源单元:为整个实验台提供380V,220V,24V电源
二、主要技术参数
直流电机: 功率0.75Kw 扭矩 4.72Nm
减速机交流电机: 功率 0.75Kw 扭矩 2.3Nm 减速机速比 1:3
摆线针轮减速机: 减速比 1:9 扭矩 0-250Nm
扭矩传感器: 量程 0-20Nm
负载: 14kg
砝码: 1kg 4块
变频器:0.75KW,380V,输出频率:0.1~400Hz
PLC模块: 西门子S7-200系列CPU224, A/D模块EM235
模拟量模块: 西门子EM235
扭矩转速传感器: 0-20N.m,转速输出:60脉冲/圈
三、操作步骤
1,断开实验台各电源开关
2,打开电脑,运行机电传动软件,先选择实验项目,然后根据软件中显示的原理图,在实验台上
接线
3,确定接线无误后,合上电源开关,就可开始进行实验
4,软件中点击<测试>--<运行>即可监测电机的扭矩和转速
四、,注意事项
1,在电机运转过程中,严禁用手触摸实验台的机械传动部分
2,在面板上连线时,勿必先断开各电源开关,
3,各接触器,中间继电器,时间继电器等的线圈电压均为直流24V,线圈的正负请勿接反
4,在使用变频器,直流调速器前,勿必先熟悉各端口功能
5,进行交流实验时,用交流面板上的接触器;进行直流实验时,用直流面板上的接触器,千万不能混用,否则会烧坏接触器
五、产品基本配置
六、软件使用说明
本软件有两种操作模式,一种是面板控制模式,另一种是PC控制模式。
面板控制模式即是对用面板上的按钮,时间继电器等器件控制电机的运转;PC控制模式即是用软件中的模拟按钮结合PLC的输出口控制电机的运转。
运行本软件后,先选择操作模式,再选择实验项目,再而点击<测试>--<运行>即可监测电机的扭矩和转速。
测试完成后,点击保存即可保存实测曲线.
实验1 交流电机的点动与自动控制
一:实验要求
1:了解常用低压控制电器工作原理与应用;
2:掌握电气控制电路的控制方法;
3:能够利用所学电工技术知识进行复杂电路的故障排除和典型电路的设计、装配与调试;
4:掌握安全用电知识。
二:实验目的
1:学习和掌握接触器以及其他控制元器件的结构、工作原理和使用方法;
2:通过对三相鼠笼式异步电动机点动控制实际安装接线,掌握由电气原理图变换成安装接线图的知识;
3:通过实验进一步加深理解点动控制和自锁控制的特点。
三:实验步骤
1,断开实验台总电源开关
2,打开电脑,运行机电传动软件,先选择实验项目,然后根据软件中显示的原理图,在实验台上接线
3,按照原理图接线,接触器选用交流单元的接触器;
4,确定接线无误后,合上电源开关,就可开始进行实验
5,软件中点击<测试>--<运行>即可监测电机的扭矩和转速,5分钟后将自动弹出保存对话框,请确定并保存实验结果
四:实验过程
按下原理图中对应的按钮,电机即可能到相应的动作
按下SB1启动按钮,其复合按钮SB1使得2KM断电,无法反转,同时KM1得电并自锁,电动机开始正转。
按下SB2启动按钮,其复合按钮SB2使得1KM断电,停止正转,同时KM2得电并自锁,电动机开始反转。
按下SB3停止按钮,1KM和2KM都断电,电动机停止工作。
在KM1和KM2的线圈支路中各串联了一个对方接触器的动断触点,保证了两个接触器线圈任何时候不能同时得电,避免了电源短路。
五:实验心得
实验取得预期结果
1.实验时注意断开开关接线,注意接线,避免接错线;
2.实验台有些插孔已经劳损,需要适当换插孔。
3.在电机运转过程中,严禁用手触摸实验台的机械传动部分
4,在面板上连线时,勿必先断开各电源开关,
5,各接触器,中间继电器,时间继电器等的线圈电压均为直流24V,线圈的正负请勿接反
6,在使用变频器,直流调速器前,勿必先熟悉各端口功能
7,进行交流实验时,用交流面板上的接触器;进行直流实验时,用直流面板上的接触器,千万不能混用,否则会烧坏接触器
8,各种保护装置,如FU,FR,QF等一定要按实验原理图接好。
实验2 交流电机的正反转控制
一:实验任务与要求
1:掌握电气控制电路的控制方法;
2:能读懂三相异步电动机正反转运行的控制线路图,能够根据原理图完成电气接线图,掌握对控制线路的检测和故障处理。
二:实验目的
1:进一步学习和掌握接触器、继电器以及其他控制元器件的结构、工作原理和使用方法;
2:通过对三相鼠笼式异步电动机正反转控制线路的实际安装接线,掌握由电气原理图变换成安装接线图的知识,进一步提高学生的动手操作能力。
3:通过实验加深理解互锁控制的特点。
三:交流电动机正反转工作原理
根据电动机的转动原理,如果旋转磁场反转,则转子的转向也随之改变。
改变三相电源的相序(即把任意两相线对调),就可改变旋转磁场的方向。
四:实验步骤:
1,断开实验台总电源开关
2,打开电脑,运行机电传动软件,先选择实验项目,然后根据软件中显示的原理图,在实验台上接线
3,按照原理图接线,接触器选用交流单元的接触器;
4,确定接线无误后,合上电源开关,就可开始进行实验
5,软件中点击<测试>--<运行>即可监测电机的扭矩和转速,5分钟后将自动弹出保存对话框,请确定并保存实验结果
五:实验过程:
按下原理图中对应的按钮,电机即可能到相应的动作
按下SB1启动按钮,其复合按钮SB1使得2KM断电,无法反转,同时KM1得电并自锁,电动机开始正转。
按下SB2启动按钮,其复合按钮SB2使得1KM断电,停止正转,同时KM2得电并自锁,电动机开始反转。
按下SB3停止按钮,1KM和2KM都断电,电动机停止工作。
在KM1和KM2的线圈支路中各串联了一个对方接触器的动断触点,保证了两个接触器线圈任何时候不能同时得电,避免了电源短路。
四:实验心得:
实验取得预期结果
1、实验时注意断开开关接线,注意接线,避免接错线;
2、实验台有些插孔已经劳损,需要适当换插孔。
3、在电机运转过程中,严禁用手触摸实验台的机械传动部分
4,在面板上连线时,勿必先断开各电源开关,
5,各接触器,中间继电器,时间继电器等的线圈电压均为直流24V,线圈的正负请勿接反
6,在使用变频器,直流调速器前,勿必先熟悉各端口功能
7,进行交流实验时,用交流面板上的接触器;进行直流实验时,用直流面板上的接触器,千万不能混用,否则会烧坏接触器
8,各种保护装置,如FU,FR,QF等一定要按实验原理图接好。