砖混结构平房工程工程量计算实例(详细计算过程)
- 格式:ppt
- 大小:4.98 MB
- 文档页数:36
办公楼项目工程量计算第一部分建筑分部分项工程量计算一、工程量计算基本数据1.建筑面积1.1 底层S1=1F→B边×B 1→2=(9.6-1.2+0.24)×2.6=22.46 m2S2=2F→A边×A2→4边=(9.6+0.24)×(6.6+0.24)=67.31 m2S3=4F→E×F4→5=4.5×3.3=14.85 m2S4=6E→C边×C4→6=(3.6+0.24)×5.4=20.74m2S底=22.46+67.31+20.74+14.85=125.36 m21.2 阳台S1=(0.24+0.52+0.06)×0.6=0.49S2=(0.72+2.6-0.12)×(0.96+0.24)=3.84 m2S3=(0.72+2.6+0.12)×0.6=2.06 m2S阳台=1/2×3×(2.06+3.84+0.49)=1/2×3×6.39=9.59 m2S建=4×S底+S阳台=4×125.36+9.59 =511.03m2面积分割如图1-1所示底层示意图阳台示意图图1-1 面积分割图2.三线计算2.1 基础长度计算L中=L中1+ L中2 (参见基础平面图)L中1=1F→B+2 B→A+4 A→C+5F→E+6 E→C=(9.6-1.2)+1.2+(1.2+0.3)+4.5+3.6=19.2 mL中2=F1→5+E 5→6+C 4→6+B1→2+A 2→4=(2.6+3×3.3)+2.1+5.4+2.6+6.6=29.2 m L中=19.2+ 29.2=48.4 mL内=L内1+ L内2L内1=2、3、4F→E+1/4 E→C+4D→C+3D→A+2D→B=3×(4.5-0.24)+(3.6-0.24)+(2.1-0.24)+(3.6-0.24)+(2.4-0.24)=23.52 mL内2=E1→5+D 1→1/4=(12.5-0.24)+(2.6+6.6+2.1-0.24)=23.32 m L内=23.52+23.32=46.84 m基础总长= L中+ L内=48.4+46.84= L1+ L2=42.72+52.52=95.24m其中:L1= L中1+ L内1=19.2+23.52=42.72m L2= L中2+ L内2=29.2+23.32=52.52m 2.2 底层L中=48.4 m(同基础)L内= L内1+ L内2(参见二层结构布置图)=23.52+E2-5+D2-1/4=23.52+9.9+8.7=42.12 mL中+ L内=48.4+42.12=90.52m2.3 楼层(参见2-4层)L中=48.4 mL内= L内1+ L内2L 内1=23.52—(3.6-0.24(墙厚)-0.24(砖垛))=20.40m L 内2=23.32(基础)-E 1-2=23.32-(2.6-0.24)=20.96m L 内= 20.4+20.96=41.36m L 中+ L 内=48.4+41.36=89.76m 2.4 外墙外边线L 外=48.4 m +4×墙厚=48.4 m +4×0.24=49.36二、 办公楼土石方工程1. 人工平整场地 F S =平底=125.36m 22. 人工挖地槽槽深:h=室外标高—槽底标高 = -0.3-(-2)=1.7m 槽长:外墙——L 中, 内墙——L 内1-1断面 :L 1= L 中1+ L 内1=19.2+23.52=42.72m 2-2断面 :L 2= L 中2+ L 内2=29.2+23.32=52.52m V a h l =⨯⨯(m 3)V 1=1.5×1.7×42.72=108.94 m 3V 2=1.2×1.7×52.52=107.14m 3 V 地槽=108.94+107.14=216.08 m 33. C 10混凝土垫层(中砂)V 1=1.5×0.2×42.72=12.82m 3V 2=1.2×0.2×52.52=12.60 m 3 V 垫层=12.82+12.60=25.42 m 34.M7.5水泥砂浆砖基础 h=2-0.2=1.8mV= L ×墙厚×(实高+折加高)V 1= L 1×墙厚×(实高+折加高) 8步等高放脚=42.72×0.24×(1.8+2.363)=42.68 m 3V 2=52.52×0.24×(1.8+1.378) 6步等高放脚=40.06 m 3 V ‘=42.68+40.06=82.74 m 3应扣减地圈梁体积 ——作为已知条件V 地圈梁=42.72×0.24×0.3+52.52×0.24×0.3= 3.08+3.78=6.86 m 3(0.3为地圈梁高)V 砖基础=82.74-6.86=75.88 m 35. 地槽回填土夯实地槽回填土=地槽挖土—(室外地坪以下的基础)V 挖土=216.08 m 3 V 垫层=25.42 m 3 V 砖基础=75.88 m 3V 地槽回填土=216.08-25.42-75.88 =114.78m 36.室内回填土回填高度:室内设计地坪高差减地面的面层和垫层厚度 底层厕所h 卫=0.3-0.08-0.002-0.02-0.008=0.19m 其它部分h 房=0.3-0.08-0.02-0.01=0.19m 底层厕所面积S 厕=(2.1-0.24)2+(3.6-0.24)×(3.3-0.24)=13.74 m2V 厕=13.74×0.19=2.61 m 3其它房间面积S 房=125.36-13.74-95.24×0.24 =88.76 m 2(95.24为基础墙长)V房=88.76×0.19=16.86 m3 室内回填土合计 2.61+16.86=19.47 m3若计算室外台阶回填土:(见台阶大样图)S1=(2.6-0.12)×1.2+(2.6+0.15)×(0.3+2×1+0.12-1.2-0.12-2×0.3)=2.976+2.75×0.5=2.976+1.375=4.35V1=4.35×(0.4-0.08-0.02-0.01)=4.35×0.29=1.26 m3S=[0.1+(0.1+0.15)]×0.35÷2=0.06m2台阶长: L=1+0.3+2.6+0.15=4.05m回填土合计(包括平台及台阶回填土):114.78+19.47+1.26+0.243=135.75m37.余土外运余土外运=挖土体积—回填土体积考虑台阶及平台回填土V余土=216.08—135.75=80.33 m3工程量统计人工平整场地 125.36m2人工挖地槽 216.08m3回填土(夯填)135.75 m3余土外运 80.33 m3M7.5水泥砂浆砖基础 75.88 m3 C10混凝土垫层(中砂) 25.42 m3C20混凝土地圈梁 6.86 m3三、砌筑工程1、嵌入墙体内的体积与面积1.1门窗面积(表1.1)(计算过程祥见门窗工程)1.2嵌入墙体构件体积表(表1.2)墙身从室内地坪算起,算至钢筋混凝土顶板面,应扣门窗、梁,但不扣梁头、板头,砖垛体积并于所依附的墙身内,不另计算。
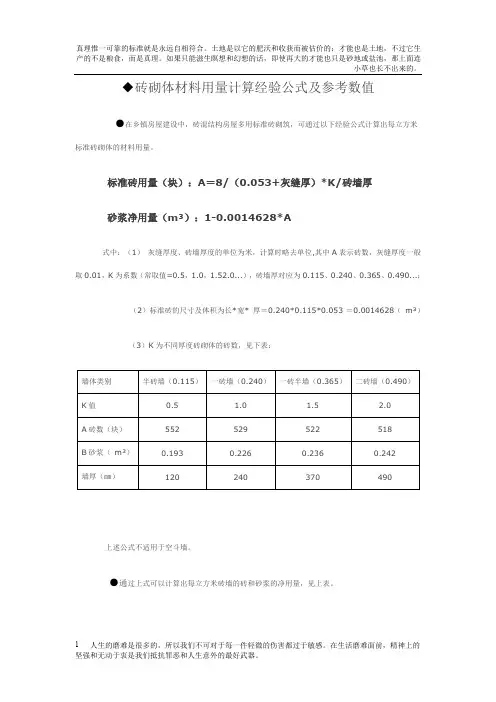
◆砖砌体材料用量计算经验公式及参考数值●在乡镇房屋建设中,砖混结构房屋多用标准砖砌筑,可通过以下经验公式计算出每立方米标准砖砌体的材料用量。
标准砖用量(块):A=8/(0.053+灰缝厚)*K/砖墙厚砂浆净用量(m³):1-0.0014628*A式中:(1)灰缝厚度、砖墙厚度的单位为米,计算时略去单位,其中A表示砖数,灰缝厚度一般取0.01,K为系数(常取值=0.5,1.0,1.52.0...),砖墙厚对应为0.115、0.240、0.365、0.490...;(2)标准砖的尺寸及体积为长*宽* 厚=0.240*0.115*0.053 =0.0014628(m³)(3)K为不同厚度砖砌体的砖数,见下表;上述公式不适用于空斗墙。
●通过上式可以计算出每立方米砖墙的砖和砂浆的净用量,见上表。
这个公式在实际工程中应用时,还应考虑材料的损耗,砖和砂浆可考虑1%损耗率。
计算出墙体体积以后,就可以算出砖和砂浆的用量。
砖用量=墙体体积*每立方米用砖量*(1+1%)(块)砂浆用量=墙体体积*每立方米砂浆净用量*(1+1%)(m³)2砂浆计算实践案例:M5水泥砂浆的配合比:条件:施工水平,一般;砂子,中砂;砂子含水率:2.5%;水泥的等级32.5。
M5配合比(重量):水泥:中砂=1:5.23。
每立方砖砌体中,需要M5水泥砂浆是0.238m3,其中水泥67.59kg;中砂354kg(0.26m3)。
M7.5水泥砂浆的配合比:条件:施工水平,一般;砂子,中砂;砂子含水率:2.5%;水泥的等级32.5。
M5配合比(重量):水泥:中砂=1:4.82。
每立方砖砌体中,需要M7.5水泥砂浆是0.251m3,其中水泥77.31kg;中砂373kg(0.27m3)。
◆砖砌体材料用量计算经验公式及参考数值●在乡镇房屋建设中,砖混结构房屋多用标准砖砌筑,可通过以下经验公式计算出每立方米标准砖砌体的材料用量。
标准砖用量(块):A=8/(0.053+灰缝厚)*K/砖墙厚砂浆净用量(m³):1-0.0014628*A式中:(1)灰缝厚度、砖墙厚度的单位为米,计算时略去单位,其中A表示砖数,灰缝厚度一般取0.01,K为系数(常取值=0.5,1.0,1.52.0...),砖墙厚对应为0.115、0.240、0.365、0.490...;(2)标准砖的尺寸及体积为长*宽* 厚=0.240*0.115*0.053 =0.0014628(m³)(3)K为不同厚度砖砌体的砖数,见下表;上述公式不适用于空斗墙。
●通过上式可以计算出每立方米砖墙的砖和砂浆的净用量,见上表。
这个公式在实际工程中应用时,还应考虑材料的损耗,砖和砂浆可考虑1%损耗率。
计算出墙体体积以后,就可以算出砖和砂浆的用量。
砖用量=墙体体积*每立方米用砖量*(1+1%)(块)砂浆用量=墙体体积*每立方米砂浆净用量*(1+1%)(m³)2砂浆计算实践案例:M5水泥砂浆的配合比:条件:施工水平,一般;砂子,中砂;砂子含水率:2.5%;水泥的等级32.5。
M5配合比(重量):水泥:中砂=1:5.23。
每立方砖砌体中,需要M5水泥砂浆是0.238m3,其中水泥67.59kg;中砂354kg(0.26m3)。
M7.5水泥砂浆的配合比:条件:施工水平,一般;砂子,中砂;砂子含水率:2.5%;水泥的等级32.5。
M5配合比(重量):水泥:中砂=1:4.82。
每立方砖砌体中,需要M7.5水泥砂浆是0.251m3,其中水泥77.31kg;中砂373kg(0.27m3)。
第1篇一、项目背景某房地产开发公司计划在市区新建一栋住宅楼,建筑面积为10000平方米,地上18层,地下1层。
为了确保工程质量和进度,我们需要对施工房屋工程进行详细的计算和分析。
二、计算内容1. 工程量计算(1)土方工程量:根据地质勘察报告,预计需挖土方3000立方米,回填土方2000立方米。
(2)基础工程量:基础采用钢筋混凝土结构,基础底板厚度为0.8米,基础墙体厚度为0.3米,预计需混凝土1500立方米,钢筋100吨。
(3)主体结构工程量:主体结构采用钢筋混凝土剪力墙结构,预计需混凝土5000立方米,钢筋200吨。
(4)屋面工程量:屋面采用钢筋混凝土结构,预计需混凝土500立方米。
(5)装饰装修工程量:室内墙面采用乳胶漆,预计需乳胶漆500平方米;地面采用瓷砖,预计需瓷砖1000平方米;门窗采用铝合金,预计需门窗500平方米。
2. 造价计算(1)人工费:根据工程量计算结果,人工费为200万元。
(2)材料费:根据市场行情,混凝土单价为500元/立方米,钢筋单价为6000元/吨,乳胶漆单价为100元/平方米,瓷砖单价为80元/平方米,铝合金单价为1000元/平方米。
材料费为:混凝土费=5000立方米×500元/立方米=250万元;钢筋费=200吨×6000元/吨=120万元;乳胶漆费=500平方米×100元/平方米=5万元;瓷砖费=1000平方米×80元/平方米=8万元;铝合金费=500平方米×1000元/平方米=50万元。
材料费总计为:250万元+120万元+5万元+8万元+50万元=433万元。
(3)机械费:根据工程量计算结果,机械费为50万元。
(4)管理费:根据相关规定,管理费为(人工费+材料费+机械费)×10%=(200万元+433万元+50万元)×10%=58.3万元。
(5)利润:根据相关规定,利润为(人工费+材料费+机械费+管理费)×6%=(200万元+433万元+50万元+58.3万元)×6%=37.8万元。
目录1 计算说明 (1)2 计算内容 (3)2.1 副厂房计算 ......................................... 错误!未定义书签。
2.1.1 计算条件 .................................. 错误!未定义书签。
2.1.2 计算软件 .................................. 错误!未定义书签。
2.1.3 输入参数 .................................. 错误!未定义书签。
2.1.4 计算结果 .................................. 错误!未定义书签。
2.2 管理房计算 (3)2.2.1 计算条件 (3)2.2.2 计算软件 (3)2.2.3 输入参数 (3)2.2.4 计算结果 (4)2.3 管理房板式楼梯计算 (7)2.3.1 计算条件 (7)2.3.2 计算软件 (8)2.3.3 输入参数 (8)2.3.4 计算结果 (8)2.4 启闭房计算 ......................................... 错误!未定义书签。
2.4.1 计算条件 .................................. 错误!未定义书签。
2.4.2 计算软件 .................................. 错误!未定义书签。
2.4.3 输入参数 .................................. 错误!未定义书签。
2.4.4 计算结果 .................................. 错误!未定义书签。
2.5 启闭房螺旋楼梯计算 ......................... 错误!未定义书签。
2.5.1 计算条件 .................................. 错误!未定义书签。
办公楼(四层)砖混房屋结构设计计算书一、设计资料(1)、设计标高:室内设计标高 0.000,室内外高差450㎜。
地震烈度:7度。
(2)、墙身做法:外墙墙身为普通实心砖墙,底层外墙厚370㎜,其余墙厚240㎜。
墙体底层MU15砖,M7.5砂浆砌筑,二至四层用MU10砖,用M5混合砂浆砌筑,双面抹灰刷乳胶漆。
(3)、楼面做法:20㎜水泥砂浆地坪。
100㎜钢筋混凝土板,20㎜厚天棚水泥砂浆抹灰。
(4)、屋面做法:二毡三油绿豆砂保护层,20mm厚水泥砂浆找平层,50mm厚泡沫砼,100厚钢筋砼现浇板,20mm厚天棚水泥砂浆抹灰。
(5) 、门窗做法:门厅,底层走廊大门为铝合金门,其余为木门。
窗为木窗。
(6) 、地质资料:砂质粘土层地基承载为特征值fak=190KN/m2,fa=1.1fak。
(7)、活荷载:走廊2.0KN/㎡,楼梯间2.0KN/㎡,厕所2.5KN/㎡,办公室2.0KN/㎡,门厅2.0KN/㎡。
结构平面布置图如下:一层平面图二、构件初估。
1、梁尺寸确定。
初步确定梁尺寸(取最大开间4500mm):梁高h: L/12=375㎜,取 h = 500㎜宽b: h/3=167㎜,取 b=200㎜3.初选楼板。
楼板为现浇双向连续板,t (1/60)L =75㎜. 取t = 100㎜.三、结构计算书一、荷载计算(1)屋面荷载二毡三油绿豆砂 0.35KN/m220mm厚水泥砂浆找平层 0.40 KN/m250mm厚泡沫砼 0.25 KN/m2100厚钢筋砼现浇板 2.50 KN/m220mm厚板底抹灰 0.34 KN/m2屋面恒载合计 3.84 KN/m2屋面活荷载(不上人) 0.7 KN/m2(2)楼面荷载20mm厚水泥砂浆面层 0.40 KN/m2100厚钢筋砼现浇板 2.50 KN/m220mm厚板底抹灰 0.34 KN/m2楼面恒载合计 3.24 KN/m2楼面活荷载 2.0KN/m2(3)墙体荷载双面粉刷240mm厚砖墙 5.24 KN/m2双面粉刷370mm厚砖墙 7.62 KN/m2木窗 0.30 KN/m2此办公楼为一般民用建筑物,安全等级为二级。
建筑面积:计算顺序:1、车库层(首层):按其外墙勒脚以上结构外围水平面积计算,勒脚不能代表整个外围结构,因此要扣除勒脚墙体加厚部分。
车库层的层高一般都不足2.2m,所以在计算时,别忘了乘以1/2。
2、一层或标准层3、阁楼:利用坡屋顶内空间时,顶板下表面至楼面的净高超过2.1m的部位应计算建筑面积;净高在1.2m至2.1m的部位应计算1/2面积;净高不足1.2m的部位不应计算面积。
4、阳台:不论是凹阳台,挑阳台、封闭阳台,不封闭阳台均应按其水平投影面积的1/2计算。
注意事项:1、计算建筑面积的时候,不能减去伸缩缝和变形缝的面积(伸缩缝和变形缝的宽度不大于300mm)2、层高不足2.2m的,建筑面积只能算一半3、建筑物的门厅、大厅按一层计算建筑面积。
4、建筑物顶部有围护结构的楼梯间、水箱间、电梯机房等,层高在2.2m及以上者应计算全面积;层高不足2.2m者应计算1/2面积。
5、雨篷均以其宽度超过2.10m或不超过2.10m衡量,超过2.10m者应按雨篷的结构板水平投影面积的1/2计算。
有柱雨篷和无柱雨篷计算一致。
6、地下室、半地下室应以其外墙上口外边线所围水平面积计算。
7、有永久性顶盖的室外楼梯,应按建筑物自然层的水平投影面积计算;最上层楼梯无永久性顶盖,或不能完全遮盖楼梯的雨篷,上层楼梯不计算面积,上层楼梯可视为下层楼梯的永久性顶盖,下层楼梯应计算面积。
8、建筑物外墙外侧有保温隔热层的,应按保温隔热层外边线计算建筑面积。
9、不应计算建筑面积:突出墙外的勒脚、附墙柱垛、台阶、墙面抹灰、装饰层、镶贴块料面层、装饰性幕墙、空调室外机隔板(箱)、飘窗、构件、配件及以内的雨篷以及与建筑物内部相连通的装饰性阳台、挑檐等均布属于建筑结构,不应计算建筑面积。
自动扶梯(斜步道滚梯),除两端固定在楼层板或梁外,扶梯本身属于设备,为此扶梯不宜计算建筑面积。
水平步道(滚梯)属于安装在楼板上的设备,不应单独计算建筑面积。
10、坡道也是要算建筑面积的,直接算面积就好了,不需要区分什么土方工程:计算顺序:1、场地平整:S=(A+4)×(B+4)=S底+2L外+16式中:S——平整场地工程量;A——建筑物长度方向外墙外边线长度;B——建筑物宽度方向外墙外边线长度;S底——建筑物底层建筑面积;L外——建筑物外墙外边线周长。
一套完整的工程量计算实例【实用版】目录1.工程量计算的概念与重要性2.工程量计算实例的基本信息3.工程量计算实例的具体步骤4.工程量计算实例的注意事项5.工程量计算实例的结论正文1.工程量计算的概念与重要性工程量计算是指在建筑工程项目中,根据设计图纸和相关资料,对各项工程量进行详细计算的过程。
它对于控制工程造价、合理安排工程进度以及保证工程质量具有重要的意义。
2.工程量计算实例的基本信息本文将以一套住宅楼的建筑工程为例,详细介绍工程量计算的过程。
该住宅楼包括 10 层,共有 50 个单元,总建筑面积为 20,000 平方米。
3.工程量计算实例的具体步骤(1)准备工作:熟悉设计图纸、施工组织设计、施工方案等资料,了解工程项目的基本情况。
(2)工程量分类:将工程项目分为建筑工程、装饰工程、安装工程、园林景观工程等类别,以便进行细致的计算。
(3)具体计算:根据各类工程量的计算规则,分别计算各类工程的工程量。
例如,建筑工程量包括墙体、屋面、地面等;装饰工程量包括门窗、涂料、瓷砖等;安装工程量包括电气、暖通、给排水等;园林景观工程量包括绿化、硬化、景观照明等。
(4)汇总统计:将各类工程量进行汇总,得出总的工程量,并与设计图纸中的工程量进行对比,确保计算准确无误。
4.工程量计算实例的注意事项(1)计算过程中要严格按照计算规则和单位进行,以确保计算结果的准确性。
(2)对于设计图纸中的不明确之处,应及时与设计人员沟通,避免因理解偏差导致工程量计算错误。
(3)在计算过程中,要注意各项工程量之间的相互关联,确保计算的完整性和一致性。
5.工程量计算实例的结论通过以上步骤,我们可以得出该住宅楼建筑工程的总工程量,为后续的工程造价控制、工程进度安排以及工程质量管理提供重要依据。
住宅楼计算书一、概述本工程为住宅楼。
根据国家规范及使用要求,该建筑物为砖混结构,地上六层、地下室一层。
地下室高度为2.4m,楼层层高3.0m,室内外高差0.9m。
本工程设计使用年限50年,建筑结构安全等级二级,要求施工质量控制等级为B级。
抗震设防烈度为六度,设计基本地震加速度为0.1g,设计地震分组为第一组,抗震类别为丙类。
场地类别Ⅲ类,标准冻结深度0.6m。
该区基本风压0.35KN/m2, 基本雪压0.3KN/m2。
二、设计依据及计算项目1、《建筑结构荷载规范》GB50009-2001《砌体结构设计规范》GB50003-2001《混凝土结构设计规范》GB50010-2002《建筑地基基础设计规范》GB50007-2002《建筑抗震设计规范》GB50011-2001《多孔砖砌体结构技术规范》JGJ137-2001《建筑地基处理技术规范》GB50007-20022、辅助设计软件PKPM(2003版本)3、设计计算项目砌体承压计算;钢筋砼梁、板、基础的强度设计及局部构件挠度、裂缝验算;抗震验算等。
三、荷载选取及组合(一)、本结构计算属刚性方案,并符合相应规定,风荷载不予考虑。
按相应规定雪荷载不予组合。
楼面活荷载标准值为2.0KN/m2,卫生间活荷载标准值为2.0KN/m2,阳台活荷载标准值为2.5KN/m2,楼梯间活荷载标准值为2.0KN/m2;屋面为不上人屋面,活荷载标准值为0.5KN/m2;雨蓬、挑檐端部检修集中荷载1.0KN。
(二)、荷载统计:1.楼面(98J1楼12改):恒荷载标准值铺地砖楼面做法:地砖面层: 19.8x0.01=0.2水泥砂浆: 20x0.02=0.4水泥焦渣: 17x0.05=0.851.45KN/m2现浇板120厚 3.0KN/m2板下抹灰10厚 0.01x17=0.17KN/m24.62KN/m2活荷载标准值 2.0KN/m2㎡荷载设计值: 8.4KN/m22.卫生间楼面(98J1楼14改):铺地砖楼面地砖面层: 19.8x0.01=0.2水泥砂浆: 20x0.04=0.8水泥焦渣: 17x0.06=1.022.02KN/m2现浇板100厚 2.5 KN/m2板下抹灰10厚 0.01x17=0.17KN/m24.7KN/m2活荷载标准值 2.0KN/m2荷载设计值: 8.44KN/m23.屋面:恒荷载标准值屋面作法架空板(494X494X35) 25X0.04=1砖墩 19X0.12X0.12X0.18X4/1=0.2防水层 0.4 20厚找平层 20X0.02=0.4找坡及保温层 8X0.24=1.923.92KN/m2现浇板80厚 2.00 KN/m2保温作法 0.2KN/m26.12KN/m2活荷载标准值 0.50KN/m2荷载设计值: 8.75KN/m24.阳台:恒荷载标准值阳台铺地砖楼面作法:地砖面层: 19.8x0.01=0.2水泥砂浆: 20x0.02=0.4水泥焦渣: 17x0.03=0.511.11KN/m2现浇板80厚 2.0KN/m2板下抹灰10厚 0.01x17=0.17KN/m23.28N/m2活荷载标准值 2.5KN/m2荷载设计值: 7.44KN/m2四、构件计算:(一)、梁计算:L1: bxh=120x300q=7.84x1.98x2+0.12x0.3x25x1.2+2.86x2.5x1.2=41KN/mM1=41x1.82/8=17KN-m As=243mm2 选用2Ф18V=41x1.8/2=37KN 选用φ6@150L2: bxh=200x300q=8.44x2.4/2+7.78x2.1/2+0.2x0.3x25x1.2+2.86x2.8x1.2=30KN/mp=2.86x2.8x2.4x1.2/2=12KNM1=30x3.052/8+12x3.05/4=44KN-m As=698mm2 选用3Ф18V=30x3.05/2+12/2=52KN 选用φ8@150L3: bxh=240x300q=7.78x1.8/4+8.4x3.5/2+0.24x0.3x25x1.2=21KN/m M1=21x1.82/8=8.5KN-m As=109mm2 选用3Ф14(地下室:370x220, As=158mm2 选用3Ф14)V=21x1.8/2=19KN 选用φ6@150L4: bxh=240x320q=7.78x2.95/4+8.62x5.1/3+0.24x0.32x25x1.2=23KN/m M1=23x2.952/8=25KN-m As=312mm2 选用3Ф18V=23x2.95/2=34KN 选用φ8@150(二)、楼梯计算:9x280+280=2800 10x175=1750 tga=1750/2520=0.69 cosa=0.82恒载:踏步自重:1/2x0.28x0.175/0.28x25=2.2KN/m2斜板自重:0.1/0.82x25=3.05 KN/m2抹面:(0.28+0.175)/0.28x0.02x25=0.81 KN/m2抹灰:20x0.02/0.82=0.48 KN/m2总计: 6.54 KN/m2活载: 3.5 KN/m2合计: 12.75KN/m2M=12.75x2.82/10=10KN-m 板厚100,As=643mm2 选用ф10@110TLA:q=12.75x2.8/2+8x1+0.24x0.3x25x1.2=28KN/m bxh=240x300M=28x2.62/8=23.7KN-m As=310mm2 选用3Ф16V=28x2.6/2=36.4KN 选用φ8@150(三)、砖混基础计算:地质报告采用采用夯实水泥土桩进行地基处理,要求处理后fak>160Kpa 基础埋置深度:1.0米,基底座于第②层粉质粘土层上.地基承载力修正值:160+1.0x18x(1.0-0.5)=169Kpa从地质报告分析,持力层之下无软弱下卧层.考虑基础纵横交叉处基底面积重迭,基础宽度适当放大.基础荷载见附页.1轴荷载:Q=273KN/mB=273/(169-20x1.75)=2.04m 取B=2.4m.F=273/2.4=114kpal0=(2.4-0.36)/2=1.02m Fl02/2=114x1.022/2=59KN.m基础高度450mm, As=536mm2选用Ф12@150.2轴荷载:Q=309KN/mB=309/(169-20x1.0)=2.07m 取B=2.7mF=309/2.7=126.3kpal0=(2.8-0.36)/2=1.22m Fl02/2=126.3x1.222/2=94KN.m 基础高度450mm, As=850mm2选用Ф12@120.3轴荷载:Q=332 KN/mB=332/(169-20x1.0)=2.23m 取B=2.6mF=332/2.6=123kpal0=(2.6-0.36)/2=1.12m Fl02/2=123x1.122/2=78KN.m基础高度450mm, As=617mm2选用Ф12@140.4轴荷载:Q=362KN/mB=362/(169-20x1.0)=2.43m 取B=3mF=387/3=129kpal0=(3-0.36)/2=1.32m Fl02/2=129x1.322/2=112KN.m 基础高度450mm, As=1015mm2选用Ф14@130. 7.8轴荷载:Q=291 KN/mB=291/(169-20x1.0)=1.95m 取B=2.4mF=294/2.4=123kpal0=(2.4-0.36)/2=1.02m Fl02/2=123x1.022/2=64KN.m 基础高度450mm, As=504mm2选用Ф12@150.9轴荷载:Q=(332+382)/2=357KN/mB=357/(169-20x1.0)=2.4m 取B=2.9mF=367/2.9=126.6kpal0=(2.9-0.36)/2=1.27m Fl02/2=126.6x1.272/2=110KN.m 基础高度450mm, As=853mm2选用Ф12@120.10轴荷载:Q=359 KN/mB=359/(169-20x1.0)=2.41m 取B=2.7mF=342/2.7=126.7kpal0=(2.7-0.36)/2=1.17m Fl02/2=126.7x1.172/2=87KN.m 基础高度450mm, As=722mm2选用Ф12@120.11轴荷载:Q=377 KN/mB=377/(169-20x1.0)=2.53m 取B=3mF=377/3=125kpal0=(3-0.36)/2=1.32m Fl02/2=132x1.322/2=115KN.m基础高度450mm, As=1039mm2选用Ф14@120.A轴荷载:Q=339 KN/mB=339/(169-20x1.75)=2.53m 取B=2.9mF=352/2.9=122kpal0=(2.9-0.36)/2=1.27m Fl02/2=122x1.272/2=98KN.m基础高度450mm, As=779mm2选用Ф14@130.B.C轴荷载:Q=270KN/mB=270/(169-20x1.0)=1.81m 取B=2.1mF=260/2.1=124kpal0=(2.1-0.36)/2=0.87m Fl02/2=124x0.872/2=47KN.m基础高度450mm, As=369mm2选用Ф12@180.D.E轴荷载:Q=276 KN/mB=276/(169-20x1.75)=2.06m 取B=2.4mF=273/2.4=114kpal0=(2.4-0.36)/2=1.02m Fl02/2=114x1.022/2=59KN.m基础高度450mm, As=536mm2选用Ф12@150.E轴外侧240墙荷载:Q=233 KN/mB=233/(169-20x2.5)=1.96m 取B=2.2mF=266/2.2=121kpal0=(2.2-0.24)/2=0.98m Fl02/2=121x0.982/2=58KN.m基础高度450mm, As=456mm2选用Ф12@150.B,1/B联合基础:B=2.1x2=4.2F=(245x2)/4.2=116.7kpal0=1.2-0.18=1.02mM1=Fl02/2=116.7x1.022/2=61KN.m基础高度450mm, As=548mm2选用Ф12@150.M2=FL2/8=116.7x1.82/8=47KN.m基础高度450mm, As=427mm2选用Ф12@150.(四)、楼板配筋计算、裂缝验算,砌体抗震验算、受压验算见附页。