调压井课程设计
- 格式:doc
- 大小:525.50 KB
- 文档页数:19
井巷工程课程设计说明书学生姓名:专业班级:学号:学院:指导教师:年月日目录1. 设计的目的 (1)2. 设计的条件 (1)2.1地质条件 (1)2.2生产能力及服务年限 (1)2.3井筒装备 (1)2.4运输设备及装备 (1)3. 设计内容 (1)3.1主井的设计 (1)3.2副井的设计 (8)3.3石门的设计 (13)3.4施工组织设计 (19)3.5管理制度 (27)4. 参考文献 (29)1. 设计的目的本课程设计是 “井巷工程”课教学的重要环节,通过本设计,使学生熟悉设计的程序和方法,培养学生独立分析和解决问题的能力,为毕业设计打下基础。
2. 设计的条件 2.1 地质条件矿山第一水平石门大巷所通过岩层的普氏系数24f =~,为稳定性较差岩层,涌水量3360/m h ,风量360m s / 。
主井与副井所通过岩层46f =~,中等稳定,风量均按380 m s /考虑。
该矿井属于低瓦斯井。
2.2 生产能力及服务年限矿山年产量120万t ,其第一水平服务年限20a 。
2.3 井筒装备主井为双箕斗井,箕斗容积32.5m ,型号为 2.55.5FJD ()型。
主井内铺设300mm Φ排水管2条,并设有梯子间。
副井为双罐笼井,采用3#单层罐笼( 2.2YJGG -型)。
副井内铺设有200mm Φ供风管2条,100mm Φ供水管1条,2条动力电缆,3条照明和通讯电缆,设有梯子间。
2.4 运输设备及装备石门运输巷为双轨运输大巷,内设水沟,铺设有供风管2条,80mm Φ,供水管1条,动力电缆1条,照明和通讯电缆3条。
电机车型号:10600550ZK -/; 矿车型号: 1.26YCC ()。
3. 设计内容根据已知条件设计主、副井井筒和石门运输巷道。
3.1 主井的设计(1)选择井筒断面形状:根据条件:设计服务年限20a ,主井与副井所通过岩层中等稳定。
而根据文献[1]可知:圆形断面具有服务年限长,承受地压性能好,通风阻力小、维护费用少以及便于施工等优点,故选择圆形作为井筒断面形状;另外,由于主井所通过的岩层为中等稳定,需要考虑支护,这里选用被广泛采用的整体灌注混凝土支护,据文献[2]可知其具有强度较高,便于机械化施工的优点;(2)选择罐道形式及材料:罐道是提升容器在井筒中运行的导向装置,它必须具有一定的强度和刚度,以减小提升容器的摆动。
水电站课程设计调压室设计一、课程目标知识目标:1. 学生能够理解调压室在水电站中的作用和重要性。
2. 学生能够掌握调压室的基本结构和工作原理。
3. 学生能够描述调压室设计的主要参数和影响因素。
技能目标:1. 学生能够运用流体力学原理,分析调压室的水力特性。
2. 学生能够通过实际案例,学会调压室设计的步骤和方法。
3. 学生能够运用相关软件或工具,进行调压室设计的模拟和优化。
情感态度价值观目标:1. 培养学生对水利工程建设的兴趣,增强环保意识。
2. 培养学生严谨的科学态度和团队协作精神。
3. 增强学生对我国水电工程发展的自豪感,激发创新意识。
课程性质:本课程为工程专业课程,结合流体力学和水电工程设计原理,注重实践性和应用性。
学生特点:学生具备一定的流体力学基础,对水电工程有一定了解,具有较强的学习能力和实践能力。
教学要求:通过本课程的学习,使学生能够将理论知识与实际工程相结合,培养解决实际问题的能力。
教学过程中,注重启发式教学,引导学生主动探究和解决问题,提高学生的综合素质。
1. 调压室作用及重要性- 介绍调压室在水电站中的作用,如稳定水头、减少水击等。
- 引导学生了解调压室在水电工程中的地位和影响。
2. 调压室结构及工作原理- 分析调压室的基本结构,如屋顶、侧墙、底板等。
- 阐述调压室工作原理,结合流体力学知识进行讲解。
3. 调压室设计参数及影响因素- 介绍调压室设计的主要参数,如容积、尺寸、形状等。
- 分析影响调压室设计的因素,如地形、地质、水头等。
4. 调压室设计方法及步骤- 讲解调压室设计的基本方法和步骤,如确定设计参数、选择合适模型等。
- 结合实际案例,阐述设计过程中的注意事项和技巧。
5. 调压室设计软件应用- 介绍常用的调压室设计软件及其功能。
- 指导学生运用软件进行调压室设计的模拟和优化。
6. 教学大纲安排- 课程分为理论教学和实践操作两部分,共计8学时。
- 理论教学:第1-4学时,讲解调压室相关知识。
东北石油大学石油工程钻井工程课程设计东北石油大学课程设计任务书课程:石油工程课程设计题目:钻井工程设计专业:石油工程姓名:张皖学号:10011312主要内容、基本要求、主要参考资料等:1、设计主要内容:根据已有的基础数据,利用所学的专业知识,完成一口井的钻井工程相关参数的计算,最终确定出钻井、完井技术措施。
主要包括井身结构、钻具组合、钻井液、钻井参数设计和完井设计。
2、设计要求:要求学生选择一口井的基础数据,在教师的指导下独立地完成设计任务,最终以设计报告的形式完成专题设计,设计报告的具体内容如下:(1)井身结构设计;(2)套管强度设计;(3)钻柱设计;(4)钻井液设计;(5)钻井水力参数设计;(6)注水泥设计;(7)设计结果;(8)参考文献;设计报告采用统一格式打印,要求图表清晰、语言流畅、书写规范、论据充分、说服力强,达到工程设计的基本要求。
3、主要参考资料:王常斌等,《石油工程设计》,东北石油大学校内自编教材陈涛平等,《石油工程》,石油工业出版社,2000《钻井手册(甲方)》编写组,《钻井手册》,石油工程出版社,1990完成期限2014年6月10日指导教师陈涛平专业负责人陈涛平2014 年 6 月10 日目录前言 (1)第1章设计资料的收集.............................................................. 错误!未定义书签。
1.1预设计井基本参数.......................................................... 错误!未定义书签。
1.2 邻井基本参数................................................................. 错误!未定义书签。
第2章井身结构设计.. (6)2.1钻井液压力体系 (6)2.2井身结构的设计 (7)2.3井身结构设计结果 (9)第3章套管柱强度设计 (10)3.1套管柱设计计算的相关公式 (10)3.2表层套管柱设计.............................................................. 错误!未定义书签。
甘肃疏勒河青羊沟水电站引水系统第Ⅳ标段调压井开挖施工方案合同编号:QYGSDZ/TJ-2009-04审批:审核:编制:二O一O年三月一日青羊沟水电站引水系统第Ⅳ标段调压井开挖施工方案一、工程概况青羊沟水电站是疏勒河梯级开发中的第二座水电站,引水系统工程主要包括引水发电洞(桩号0+142.91~7+320.50)、调压井、压力管道工程。
其中第Ⅳ标段工程主要包括引水发电隧洞(桩号引6+270.00~引7+320.50)、调压井、压力管道工程。
引水流量50.2m3/s,设计流速3.02m/s。
调压井工程主要包括:土石方明挖、石方井挖、一次支护、钢筋砼衬砌、灌浆、夯填工程等。
调压井接隧洞出口,桩号在引7+320.5~7+333.5,中心桩号为引7+327。
调压井总高度52m,为圆形断面,上室内径D=31m,顶部高程2335.5m,高度10.5m,上室基础为夯填砂砾石;竖井设计内径D=10.0m,底板高程2286m;采用现浇C20钢筋混凝土浇筑。
原招标文件中第Ⅳ标段调压井工程位于疏勒河左岸青羊沟洪积扇下部,调压井处围岩洪积粉质壤土和块石碎石土、al-plQ3砂砾卵石、al-plQ2酒泉砾石层组成。
自上而下由plQ4该处地面高程在2324~2328m左右, 调压井在高程2300m以上为冲洪积砂砾石基础,采取明挖后衬砌并夯填砂砾石形式;2300m高程以下为Q2酒泉砾石层基础,采用竖井开挖后衬砌,井挖为12.5m。
竖井开挖施工过程中,边挖边进行一次支护。
我部也按此上报了施工组织设计并得到了批准。
3#施工支洞明挖工程量全部完成后,揭露的地质中不存在酒泉砾岩,勘察至高程2287m 也未发现酒泉砾岩出露,岩性全部为洪积块碎石土层,成分为板岩、砾岩、闪长岩等组成,多呈棱角状,块径最大2~4m,一般为3~10cm,松散,无胶结,局部夹细砂土透镜体,厚10~15cm,松散;3#施工支洞洞挖过程中岩性仍然如此,没有变化,同时也增加了施工工序和难度,调压井中心到支洞与主洞交接点距离为61m,对调压井的地质情况非常具有代表性,根据3#施工支洞地质发生重大变化后的情况,可以推断出调压井的地质情况均为碎石土,即不存在石方井挖,而是碎石土井挖,由此说明调压井的地质情况发生了重大变化,随后到的施工图纸也参考该种地质情况设计。
《井巷设计与施工》课程设计姓名:学号:专业:指导老师:2012年12月21日设计条件某矿年设计能力为500万吨,低瓦斯矿井,采纳中央摆列式通风,其最大3。
经过该矿第一水平南翼运输大街的涌水量为3,采纳涌水量为300m/h 260m /hZK20--9/550 架线式电机车牵引5t底卸式矿车运输。
大街穿过的岩层为中等稳固,岩石的坚固性系数f=4~6,埋深800m,长1450m,大街需经过的风量为338m/s。
巷道内敷设一趟直径为 200mm的压风管、一趟直径为100mm的水管及通信、动力、信号电缆各一趟。
该巷道的施工进度要求:240米/月。
目录一、巷道断面施工图设计. 4(一)巷道断面形状 4 (二)道床参数 41、巷道钢轨型号. 42、轨枕规格. 43、道碴高度. 4(三)管线部署地点 4 (四)巷道净断面尺寸 41、巷道净宽度. 42、巷道净高度. 53、巷道净断面积. 6(五)巷道的风速验算 6 (六)支护参数 6 (七)水渠参数7 (八)巷道掘进断面尺寸7 (九)巷道断面特色表7 (十)每米巷道工程量及资料耗费量8 二、巷道施工技术举措. 8(一)钻眼爆破工作81、选择钻眼机具. 82、爆破器械. 93、编制巷道掘进爆破图表. 103、通风设备的部署. 174、通风管理工作. 18(三)岩石装运工作181、岩石运装工作的重要性. 182、每一循环出矸量. 193、装岩机型号和数目确实定. 194、巷道掘进调车和运输方式 (20)(四)支护工作221、暂时支护方式及其施工 (22)2、巷道永远支护. 22(五)巷道掘进的协助工作 (25)1、工作面压风和水的供给 (25)2、工作面排水. 253、工作面的供电. 264、工作面的丈量工作 (26)5、暂时轨道及管路接长的时间安排 (26)(六)编制巷道施工循环图表 (26)1、确立循环作业方式 (26)2、每个循环各工序的工作量 (27)3、一循环各工序所需的时间 (27)4、编制循环图表. 29(七)施工劳动组织29(八)技术经济指标30(九)巷道施工部署图 (30)1、巷道施工断面图. 302、巷道施工纵剖面图 (31)3、巷道暂时支护断面图 (31)4、巷道永远支护断面图 (31)一、巷道断面施工图设计(一)巷道断面形状大街穿过的岩层为中等稳固,岩石的坚固性系数~,埋深。
东北石油大学课程设计任务书课程石油工程课程设计题目井筒压力分布计算专业石油工程XX赵二猛学号5主要内容、基本要求、主要参考资料等1.设计主要内容:根据已有的基础数据,利用所学的专业知识,完成自喷井系统从井口到井底的所有相关参数的计算,最终计算井筒内的压力分布。
①计算出油井温度分布;②确定平均温度压力条件下的参数;③确定出摩擦阻力系数;④确定井筒内的压力分布;2. 设计基本要求:要求学生选择一组基础数据,在教师的指导下独立地完成设计任务,最终以设计报告的形式完成本专题设计,设计报告的具体内容如下:①概述;②基础数据;③能量方程理论;④气液多相垂直管流压力梯度的摩擦损失系数法;⑤设计框图及结果;⑥结束语;⑦参考文献。
设计报告采用统一格式打印,要求图表清晰、语言流畅、书写规X,论据充分、说服力强,达到工程设计的基本要求。
3. 主要参考资料:王鸿勋,X琪等,《采油工艺原理》,石油工业,1997陈涛平等,《石油工程》,石油工业,2000万仁溥等,《采油技术手册第四分册-机械采油技术》,石油工业,1993完成期限2013年7月1日—2013年7月20日指导教师X文专业负责人王立军2013年6月25日目录第1章概述1.1 设计的目的和意义01.2 设计的主要内容0第2章基础数据1第3章能量方程理论23.1 能量方程的推导23.2多相垂直管流压力分布计算步骤6第4章气液多相垂直管流压力梯度的摩擦损失系数法84.1 基本压力方程84.2 平均密度平均流速的确定方法84.3 摩擦损失系数的确定114.4 油气水高压物性参数的计算方法124.5井温分布的的计算方法164.6实例计算17第5章设计框图及结果215.1 设计框图215.2 设计结果22结束语29参考文献30附录31第1章概述1.1 设计的目的和意义目的:确定井筒内沿程压力损失的流动规律,完成自喷井系统从井口到井底的所有相关参数的计算,运用深度迭代方法计算多相垂直管流的压力分布。
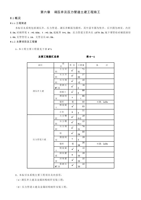
第六章调压井及压力管道土建工程施工6.1概况6.1.1工程简述本标引水系统包括调压井、压力管道。
调压井断面为圆形,其中前半圆为竖井,后半圆为闸室,内径3.0m,衬砌厚度t上=0.60m,t下=0.8m,底板厚t=1.5m;压力管道主管共长1379.8m,地下埋管砼衬砌段洞径1.6m,支管管径1.1m,支管总长64.5m。
6.1.2主要项目及工程量1、本工程主要工程量见下表6-1主要工程量汇总表表6-12、本标引水系统主要工程项目及内容有:(1)调压井土建及金属结构制作安装工程;(3)3#施工支洞土建工程(包括3#施工支洞及封堵)(已由C4标施工);(4)4#施工支洞土建工程(包括4#施工支洞及封堵);(5)施工临时附属设施的施工(除10KV供电线路及变压器安装)。
6.1.3地质条件1、调压井调压井地形高程在670~730m之间。
调压井北西—西和南东—东两侧各发育一条北—北东向冲沟。
山坡受北—北东向冲沟切割,地形似一“舌”状形态,呈上缓下陡状,地形坡度10º~25º,走向北—北东调压井所处山坡、岩层倾角与山坡倾角大体同向,边坡由第四系残坡积层与全风化岩体构成,岩土体结构松软,调压井边坡稳定性差。
调压井岩体类别为“Ⅲ~Ⅴ”类。
具体地质条件见第一章工程概况2、压力管道压力管道地形高程395~675m。
压力管道所处山坡为一复合型坡,受多条冲沟切割,地形高低起伏变化较大,陡缓相间,坡上段及下段均有台地分布,地形坡度25°~45°,局部达50°~60°。
压力管道上、下段的暗管围岩类别为“Ⅴ~Ⅲ”;压力管道中段~压力管道明管段、位于全~强风化岩体内。
具体见地质条件第一章工程概况。
6.2 施工布置6.2.1 施工道路及通道1、调压室施工通道:利用至调压井平台公路进行施工。
2、压力管道1#平段及1#斜井施工通道:利用3#施工支洞进入工作面。
3、压力管道陡洞段施工通道:利用业主已修至压力管道陡洞段的公路。
调压井课程设计一、课程目标知识目标:1. 让学生掌握调压井的基本概念、工作原理及结构组成;2. 使学生了解调压井在水利工程中的应用及其重要性;3. 引导学生掌握调压井设计的基本原则和方法。
技能目标:1. 培养学生运用调压井知识解决实际问题的能力;2. 提高学生分析和解决调压井工程问题的能力;3. 培养学生运用计算软件进行调压井设计的能力。
情感态度价值观目标:1. 培养学生热爱水利工程,关注我国水利事业的发展;2. 增强学生的环保意识,认识到水利工程与生态环境的密切关系;3. 培养学生严谨的科学态度和团队合作精神。
本课程针对高中年级学生,结合学科特点和教学要求,注重理论与实践相结合,提高学生的知识水平和实践能力。
课程目标具体、可衡量,旨在使学生能够掌握调压井的相关知识,具备解决实际问题的能力,同时培养其热爱水利事业、关注生态环境的情感态度。
后续教学设计和评估将围绕这些具体学习成果展开。
二、教学内容1. 调压井基本概念:介绍调压井的定义、作用及分类;2. 调压井工作原理:讲解调压井在水力学中的应用,分析其工作原理;3. 调压井结构组成:学习调压井的主要组成部分及其功能;4. 调压井设计原则与方法:探讨调压井设计的基本原则,学习设计方法;5. 调压井工程实例分析:分析实际工程案例,了解调压井在实际工程中的应用;6. 调压井计算软件应用:介绍调压井设计计算软件,学习软件操作方法;7. 调压井与生态环境关系:讨论调压井工程对生态环境的影响及保护措施。
教学内容依据课程目标,结合教材相关章节进行组织。
具体教学大纲如下:1. 第1周:调压井基本概念、作用及分类;2. 第2周:调压井工作原理及结构组成;3. 第3周:调压井设计原则与方法;4. 第4周:调压井工程实例分析;5. 第5周:调压井计算软件应用;6. 第6周:调压井与生态环境关系。
教学内容科学、系统,符合教学实际,旨在帮助学生扎实掌握调压井相关知识,为后续学习打下坚实基础。
调压井施工方案在油气井开发中,调压井是一种重要的技术手段,用于调节井口流压,控制井筒压力。
调压井施工是一个复杂的过程,需要精确的计划和操作。
下面将介绍一套完整的调压井施工方案。
1. 工程准备阶段在施工之前,需要进行充分的准备工作。
首先,要进行详细的施工方案设计,包括井口流压的目标值、调压井的位置以及调压井装备的选型,需充分考虑井下环境条件等因素。
同时需要准备好必要的材料和设备,保证施工的顺利进行。
2. 井口压力测定在调压井施工过程中,井口压力的准确测定是至关重要的。
使用适当的压力传感器,在施工现场进行实时监测,并根据监测数据进行调整。
在确定井口压力的基础上,选择合适的调压井工具和装备。
3. 调压井工具选择根据井口压力的实时监测数据,选择合适的调压井工具。
一般常用的调压井工具包括调压阀、调压管道等。
需根据具体情况选择合适的工具,并确保其性能和可靠性。
4. 调压井施工操作根据施工方案设计,采取相应的操作步骤进行调压井施工。
首先将调压井工具下入井下,并进行固定。
然后根据实时监测数据进行调节,最终达到设定的井口流压目标值。
5. 施工验收和监测调压井施工完成后,需要进行验收和监测。
通过再次测定井口压力,并观察井下情况,验证调压井的效果。
同时需要建立完善的监测系统,定期检查井口压力,确保井筒压力的控制。
结语调压井施工是油气井开发中不可或缺的环节,合理的施工方案和认真的操作可以有效控制井筒压力,保证井口安全稳定生产。
本文介绍了一套完整的调压井施工方案,希望能为相关工作提供一些参考和帮助。
调压井施工方案本标段引水工程特殊建筑物为调压井,调压井中心桩号:引0+6313.081,为阻抗式,高约41m,圆形结构,开挖内径为9.6m,挂网喷射砼厚度为15 cm,钢筋衬砌厚度65cm,成形建筑物内径为8.0m,调压井下端为阻抗式孔口段,与主洞相通,孔口段高度约7.475m,成形内径约1.4m,开挖内径为2.6m,其结构为双层钢筋砼结构衬砌。
第一节调压井施工总体布置一、施工注意事项:1.根据项目部的布署,确保调压井上的施工机械设备、施工用电、施工用水系统畅通;2.在各调压井施工中,确保便道畅通;3.作好施工安全防护措施,制定出各队安全规章制度;4.调压井周围按规范要求布设好洞内测量控制网,施工队切实作好桩体保护。
二、调压井施工方案:调压井采取通过其附近的GBS点直接施测建立座标控制网,精确测量调压井中心桩号,并在调压井工作面附近50m内建立平面控制座标网,测量精度不得低于四等水平;首先对调压井进行覆盖土层开挖,然后采取浅孔爆破技术,进行明石开挖;在调压井井身段开挖中,采取导井开挖,实行光面爆破技术,利用钢架结构配合卷扬机进行垂直出渣,弃渣运输采用自卸汽车直接运至弃渣场;开挖过程中,按设计进行强支护;砼衬砌采取自制滑模自下而上进行整体衬砌施工。
三、调压井施工流程:调压井中心桩号测量调压井附近建立平面座标控制网覆盖土层开挖明石开挖导井开挖调压井扩挖喷锚支护砼衬砌第二节调压井测量一、测量投入仪器:调压井座标控制测量采用日本托普康公司生产的(GTS-311)2〃级电子全站仪进行施测,水准测量采用上海生产的C32Ⅱ型自动安平水准仪进行施测。
二、测量方法及步骤:1.测量准备工作①进行调压井测量工作前,首先进行调压井附近的GBS导线点(AS12、AS13、AS14、AS15)校核。
② 根据GBS 导线点采取交会测量方法直接进行调压井中心座标控制测量,中心控制桩不得低于五等控制网水平。
③ 在调压井附近50m 范围内,根据GBS 导线点建立调压井中心桩号测量控制网,以便施工过程控制测量。
毛家河水电站调压井方案一、项目背景最近一直在思考这个毛家河水电站调压井方案,毕竟这可是个大工程,涉及到的因素非常多。
想到这里,我不由得回想起过去那些年参与过的项目,每一个都是那么独特,而又充满挑战。
二、项目目标1.确保电站运行安全稳定。
2.提高电站发电效率。
3.优化电站布局,降低工程成本。
4.符合国家环保政策,减少对生态环境的影响。
三、方案构思1.调压井选址选址是个头疼的问题,要考虑到地质条件、交通便利性、施工难度等多方面因素。
经过一番研究,我认为将调压井设置在电站下游约500米处较为合适,这里地质条件稳定,施工难度适中。
2.调压井结构设计调压井的结构设计至关重要,直接关系到电站的运行效率和安全性。
我决定采用圆形调压井,直径为20米,深度为50米。
井壁采用高强度混凝土,内部设置多级调压室,以满足不同工况的需求。
3.调压井设备配置(1)水位监测仪:实时监测调压井内水位变化,确保运行安全。
(2)压力传感器:实时监测调压井内压力变化,为电站运行提供数据支持。
(3)溢流阀:当调压井内水位超过设定值时,自动开启溢流阀,排放多余水量。
(4)排水泵:用于排放调压井内多余水量,保持水位稳定。
4.施工方案(1)施工前期准备:对选址地进行地质勘探,了解地质条件,为施工提供依据。
(2)基础施工:采用明挖法施工,挖出圆形基础,并进行加固处理。
(3)井壁施工:采用滑模施工技术,确保井壁施工质量。
(4)内部设备安装:在井壁施工完成后,进行内部设备安装,包括水位监测仪、压力传感器、溢流阀等。
(5)调试运行:设备安装完成后,进行调试运行,确保电站运行安全稳定。
四、项目预算1.工程费用:包括施工、设备购置、安装等费用,预计总投资约为5000万元。
2.环保费用:包括环保设施购置、运行维护等费用,预计总投资约为1000万元。
3.其他费用:包括项目管理、人员培训等费用,预计总投资约为500万元。
五、项目实施1.成立项目组,明确各部门职责。
第06章引⽔调压井施⼯⽅法说明书及附图第6章引⽔调压井施⼯⽅法说明书及附图6.1 概述6.1.1 ⼯程概况联补⽔电站调压井位于引⽔隧洞平洞段末端,距5#⽀洞45.563m,为埋藏式调压井,由上室及竖井⼆部分组成,上室外接交通洞,可通往4#渣场及⼚区进场公路。
上室长150m,断⾯为5.2×6.5m, 混凝⼟衬厚0.5m,Ⅳ类围岩,开挖断⾯为6.2×7.5m的城门洞形,破碎带开挖断⾯为6.4×7.65m。
竖井深151.9m,其中⼤井直径5m、⾼118.3m;连接管直径2.8m、⾼33.6m。
⼤井及连接管均采钢筋混凝⼟衬砌,⼤井及连接管开挖直径分别为6.2m及4.0m,破碎带段开挖直径分别为6.4m及4.2m。
上室通⽓洞长24.5m,断⾯为4×5.5m, 混凝⼟衬厚0.5m,Ⅳ类围岩,开挖断⾯为5.0×6.5m的城门洞形⼯作内容为: ⼟⽯⽅明挖、⽯⽅洞挖、井挖、⽀护、混凝⼟衬砌、回填及固结灌浆等⼯程。
6.1.2 地质条件调压井位于隧洞桩号13+636.563m处,地⾯为斜坡地形,⼭坡坡度为∠25~45°,地⾯⾼程1768m,垂直埋深80m。
⼯程区地表为15m厚的第四系覆盖层,下伏基岩为红⽯崖组和娄⼭关组。
红⽯崖组为粉砂质泥岩、泥质粉砂岩及泥岩,在调压井中分布在1617m⾼程以上,岩层产状较平缓,倾⾓∠25°,岩体呈中薄层状构造,弱风化状;娄⼭关组分布在1617m⾼程以下,为灰岩、⽩云岩、⽩云质灰岩夹砂岩,岩体呈破碎状,层间挤压破碎带发育,以弱风化为主。
调压井上室及交通洞围岩以Ⅳ类为主,井⾝1617m⾼程以上段以Ⅳ类为主,井⾝1617m⾼程以下段围岩以Ⅲ类为主,局部Ⅳ类。
地下⽔主要为基岩裂隙⽔和覆盖层孔隙⽔,地下⽔活动微弱。
6.1.3 施⼯道路及渣场(1)施⼯道路①调压井上部通道上室通⽓洞与上室连接,可通往4#渣场及⼚区进场公路。
②调压井下部通道通过蝶阀室交通洞、5#⽀洞及引⽔洞与调压井下部相连,可通往4#渣场及⼚区进场公路。
工程技术学院课程设计题目:压水井专业:机械设计制造及自动化年级: 11级学号: 2011180206姓名:王谦指导教师:朱瑞林日期: 2013年12月18日目录1、目录 (2)2、压水井简介 (3)1)、机械的功能简介2)、设计的任务3、绘制主要的执行工作的部件 (4)4、设计执行的机构...................................................% (5)1)、机构的机构简图2)、机构的运动分析3)、对比各机构的运动特点4)、选择出最适合的设计方案5、设计总结 (9)6、参考文献 (10)一、压水井简介1、压水井压水井是一种将地下水引到地面上的一种工具,它是铸铁造,底部是一个水泥式的垒块,井头是出水口,后粗前细,尾部是和井心连在一起的压手柄,约有二三十公分长,经常使用,使其变得较为明亮,井心中是块引水皮,靠的就是这块引水皮和井心的作用力将地下水压引上来。
2、压水井的工作原理我们用的压水井,上面有一个活塞,下面有一个阀门,这个活塞和阀门都是一个单向阀,使空气往上走而不往下走,活塞往上走时,阀门开启,可以将下面管子里的空气抽到上面空腔来,活塞往下走时,阀门关闭,空气从活塞边上冒出来,如此循环将下面管子里抽成真空,水就在大气压的作用下,被抽上来了,但有时密封不好,活塞往上走时外面的空气会漏进去,活塞往下走时,空腔的空气也可能从阀门出漏进下面的管子里,这样就很难将管子抽空,由于水有一定的密封作用,加上后密封效果提高,很快就能抽上水来,引水的作用就是密封。
3、设计的任务原始压水井是由连杆和滑块组成的简单的运动机构,它的的主要缺点:(1)整个机构原动件比较长,摇杆需要的运动空间大整个机构的占地面积比较大;(2)整个机构的工作效率低;(3)连杆之间的晃动比较大,扭矩大,力的损耗大,机杆容易损坏。
4、设计要求:尽量改进原始的压水井,是整个井占地面积小,省力,工作效率大大的提高。
某电站气垫式调压井设计某水电站正常蓄水位3245.00m,最大(闸)坝高22.5m,总库容为194.4万m3,调节库容63.6万m3,引水隧洞长12.847km,电站引用流量42.8m3/s,装机容量2×110MW,多年平均发电量9.260/10.272亿kW•h(单独/联合运行),具有日调节能力,综合经济指标优越。
调压室型式采用气垫式,主要由气室、连接隧洞、空压机室、配电室和观测室组成。
气室井筒采用圆形断面,内径24.0m,上部采用球壳,半径13.86m,穹顶高程2711.93m,底板高程2690.00m,高21.93m。
连接隧洞长50.0m,采用城门洞形,宽4.8m,高4.91m。
2设置调压室的必要性本电站引水隧洞总长12847.207m,隧洞断面型式采用马蹄形,内底宽3.05m~4.19m,洞内高4.71m~5.21m,采用锚喷混凝土和现浇钢筋混凝土两种型式。
根据本电站引水系统的布置,对是否设置调压室进行判别,判别依据《水电站调压室设计规范》。
Tw>[Tw]………………………………….………………………………上式中:Tw—压力水道中水流惯性时间常数,s;Li—压力水道及蜗壳和尾水管(无下游调压室时应包括压力尾水道)各分段的长度,m;Vi—各分段内相应的流速,m/s;g—重力加速度,m/s2;Hp—设计水头,m;[Tw]—Tw的允许值,一般取2~4s。
通过计算,压力水道的ΣLiVi=28670m3/s,水流惯性时间常数Tw=4.83s,大于[Tw]=2~4s,本电站必须设置上游调压室。
3调压室水力学计算(1)气垫式调压室的稳定断面面积和稳定气体体积按下列公式计算:式中:A0——调压室的断面面积,m2;ASV——调压室的临界稳定断面面积,m2;Ath——托马临界稳定面积,m2;V0——稳定气体体积,m3;Vth——临界稳定气体体积,m3;m——理想气体多变指数,宜取m=1.4;P0——气室设计静态工况的室内气体绝对压力,以水头表示,m;l0——气室内气体体积折算为ASV时的高度,m;Zumax——发电运行的最高水库水位,m;Zd——与Zumax相对应的发电运行的最高尾水位,m;αmin——引水隧洞水头损失系数,αmin=hw0/v2,s2/m;hw0——引水隧洞水头损失,m;hwm0——压力管道水头损失,m;v——引水隧洞流速,m/s;L——引水隧洞长度,m;f——引水道断面面积,m2;g——重力加速度,m/s2;KA——稳定断面安全系数,一般可采用1.2~1.5KV——稳定气体体积安全系数,一般可采用1.2~1.5。
调压井施工组织技术指导文件本标段引水工程特殊建筑物为调压井,调压井中心桩号:引,为阻抗式,高约,圆形结构,开挖内径为,挂网喷射砼厚度为,钢筋衬砌厚度,成形建筑物内径为,调压井下端为阻抗式孔口段,与主洞相通,孔口段高度约,成形内径约,开挖内径为,其结构为双层钢筋砼结构衬砌。
第一节调压井施工总体布置一、施工注意事项:1.根据工程部的布署,确保调压井上的施工机械设备、施工用电、施工用水系统畅通。
2.在各调压井施工中,确保便道畅通。
3.作好施工安全防护措施,制定出各队安全规章制度。
4.调压井周围按规范要求布设好洞内测量控制网,施工队切实作好桩体保护。
二、调压井施工组织技术指导文件:调压井采取通过其附近的点直接施测建立座标控制网,精确测量调压井中心桩号,并在调压井工作面附近内建立平面控制座标网,测量精度不得低于四等水平。
第一步对调压井进行覆盖土层开挖,然后采取浅孔爆破技术,进行明石开挖。
在调压井井身段开挖中,采取导井开挖,实行光面爆破技术,利用钢架结构配合卷扬机进行垂直出渣,弃渣运输采用自卸汽车直接运至弃渣场。
开挖过程中,按设计进行强支护。
砼衬砌采取自制滑模自下而上进行整体衬砌施工。
三、调压井施工进程安排:调压井中心桩号测量调压井附近建立平面座标控制网覆盖土层开挖明石开挖导井开挖调压井扩挖喷锚支护砼衬砌第二节调压井测量一、测量投入仪器:调压井座标控制测量采用日本托普康公司生产的()〃级电子全站仪进行施测,水准测量采用上海生产的Ⅱ型自动安平水准仪进行施测。
二、测量方法及步骤:.测量准备工作① 进行调压井测量工作前,第一步进行调压井附近的导线点(、、、)校核。
② 根据导线点采取交会测量方法直接进行调压井中心座标控制测量,中心控制桩不得低于五等控制网水平。
③ 在调压井附近范围内,根据导线点建立调压井中心桩号测量控制网,以便项目建设周期控制测量。
. 调压井井挖测量方法:①控制网建立:通过导线点在调压井开挖范围外()内建立十字形座标控制网(每条线上不得少于三个点),具体详见下图。
水电站课程设计计算书目录一、设计课题 (4)二、设计资料及要求 (4)1、设计资料见《课程设计指导书、任务书》 (4)2、设计要求 (4)三、调压井稳定断面的计算 (4)1、引水道的水头损失计算 (4)(1)局部水头损失计算 (4)(2)沿程水头损失计算 (5)2、引水道的等效断面面积计算 (7)3、调压井稳定断面计算 (8)四、调压井水位波动计算 (9)1、最高涌波水位计算 (9)1)、当丢弃负荷:30000~0KW时,采用数解法 (9)2)、当丢弃负荷为45000~15000时,采用图解法: (10)2、最低涌波水位 (13)1)丢弃负荷度为30000——0KW时(数解法) (13)2)增加负荷度为30000----45000KW时(两种方法) (14)五.调节保证计算 (16)1、检验正常工作情况下的水击压力 (16)2、检验相对转速升高是否满足规范要求 (18)六、参考文献 (19)七、附图: (19)附图1:丢弃负荷时调压井水位波动图 (19)附图2:增加负荷时调压井水位波动图 (19)一、设计课题:水电站有压引水系统水力计算。
二、设计资料及要求1、设计资料见《课程设计指导书、任务书》;2、设计要求:(1)对整个引水系统进行水头损失计算; (2)进行调压井水力计算求稳定断面;(3)确定调压井波动振幅,包括最高涌波水位和最低涌波水位;(4)进行机组调节保证计算,检验正常工作状况下水击压力、转速相对值升高是否满足规范要求。
三、调压井稳定断面的计算 1、引水道的水头损失计算 (1)局部水头损失计算表局部水头损失采用如下公式计算:2222g 2g h Q ξυξω==局局局表1局部水头损失计算表本表计算中Q=102m 3/s ,g=9.8m/s 2(2)沿程水头损失h 程计算表沿程水头损失采用如下公式计算:22423n l h Q R ω=程表2沿程水头损失计算表其中 栏1、2 、3、4、5、6、7的流量Q 为102m 3/s ,根据压力管道相关参数表得7栏的流量为96.9,;8栏的流量为64.6,; 9、10、11栏流量为32.3 查规范和资料得到糙率n ,进水口取0.013,隧洞取最小值0.012,压力管道取最大值0.013调压井前引水道的水头损失¨415.1037.0011.0815.0022.0013.0007.0203.0307.0m h h h w =+++++++=+=)()(程局压力管道的水头损失(压力管道长度为113.3m,较长不计局部水头损失)h 0.1090.0400.0040.0030.0560.2120h T ω==++++=程整个引水系统的水头损失m 627.1415.1212.0h =+=+=∑ωh h f2、引水道的等效断面面积计算∑=iifL Lf其中L 为调压井前引水道的长度L=拦污栅长度+喇叭口进口段长度+闸门井段长度+渐变段长度+(D=5.5M 洞段长度)+锥形洞段长度+调压井前管段长度 =4.1+6.0+5.6+10.0+469.6+5.0+10.98 =511.28m计算表引水道的等效断面面积:L f L i f i=∑ 511.2823.80821.475==m 23、调压井稳定断面计算为使求得的稳定断面满足各种运行工况的要求,上游取死水位,下游取正常尾水位情况计算净水头H 0=上游死水位—下游正常尾水位=1082.0-1028.5=53.5m0013wT w h h H H --=w h :引水道水头损失,大小为1.415h wT0:压力管道沿程水头损失,大小为0.212m0013wT w h h H H --==53.5-1.415-3×0.212=51.449m当三台机组满出力时,保证波动稳定所需的最小断面:F =k 21LfgaH其中K 的取值为1.0~1.1,α为引水道总阻力系数L f iD=5.5m 102 4.284m /23.808Q s f υ=== α=2h w υ=1.4150.07724.284= 取k=1.0则保证稳定所需要的最小断面为:511.2823.80821.0156.4629.80.07751.499F m ⨯=⨯=⨯⨯⨯14.11D m ===四、调压井水位波动计算1、最高涌波水位计算(1)当丢弃负荷:30000~0kw 时,采用数解法当上游为校核洪水位1097.35m ,下游为相应的尾水位1041.32m ,电站丢弃两台机时,若丢荷幅度为30000——0KW ,则流量为63.6——0m 3/s ,用数解法计算。
022w gFh Lfv =λL---------------------为引水道的长度为511.28m f---------------------引水道等效断面面积 v 0------------------------------------------引水道水流流速v 0=AQ =67.2808.230.63=m/s F---------------------调压井稳定断面为156.46m 20h ω-------------------引水道水头损失(0h ω=程局h h +)g ---------------------取9.8m/s 2=局h (1.63+5.76+17.72+4.47+6.33+13.24)×10-6×63.6×63.6=0.20m程h =(4522.659+7624.134+12603.390+543724.6+7423.154+21161.59) ×0.012×0.012×63.6×63.6×10-6=0.348m0h ω=程局h h +=0.20+0.348=0.548m01.06.51548.0h 00===λωX查书本P150图10-4得max0.10zλ=,则max Z =0.10╳51.6+1097.35=1112.51m(2)当丢弃负荷为45000~15000kw 时,采用图解法:当上游为校核洪水位1097.35m ,下游为相应的尾水位1041.32m ,电站丢弃两台机组时,若丢荷幅度为45000——15000KW ,则流量为96.5——31.0m 3/s 。
利用图解法求解1、以横轴表示引水道流速v ,以圆点向左为正(水流向调压室),向右为负;以纵轴表示水位z ,以向上为正,向下为负,横轴相当于静水2、作辅助线曲线①引水道水头损失曲线:22f v h h h g=++局程,g22h νξ=局24.250.110.010.007.005.020.010.012.0=+++++++=ξC=611R n =613756.1012.01⨯=87.882 222511.28 2.2412()h f222229.829.887.882 1.3756lv v v g g c R ζν=++=++⨯⨯⨯ =0.2322ν ②绘制f QZ A t t F Fυαυ∆=-=∆-∆曲线α 6.51548.046.1568.9267.2808.2328.51122020=⨯⨯⨯⨯⨯==w gFh Lfv λ22116s T π=== 计算时段t ∆取值范围为30~25TT ,t ∆的取值范围为3.9—4.6选取t ∆=4s f F =152.046.156808.23=,当丢弃负荷为45000kw ~15000kw 时,流量96.5~31.03/m s , 流速4.05~1.30m/s 。
Q F =46.1560.31=0.20 f QZ A t t F Fυαυ∆=-=∆-∆=0.152×4υ-0.20×4=0.608υ-0.8③绘制()w v z h β∆=--曲线 077.0428.5118.9=⨯=∆=t Lg β ()w v z h β∆=--=0.077(w h Z --)采用matlab 编程计算后画图,源代码如下:v(1)=4.05-0.077*(0.608*4.05-0.8) z(1)=-0.232*4.05*4.05+0.608*4.05-0.8 for i=1:29dz(i)=0.608*v(i)-0.8dv(i)=0.077*((-1)*z(i)-0.232*v(i)*v(i)) v(i+1)=v(i)+dv(i) z(i+1)=z(i)+dz(i) end r(1,:)=z r(2,:)=v r=r'其中,v(i)为流速矩阵,z (i )为水位壅高矩阵,dz (i )为水位壅高增量矩阵,dv (i )为流速矩阵增量矩阵,v(1)为第一时段末的水的流速,z(1)为第一时段末调压井内水位的壅高,第二个以后时段的水位及流速如下表所示。
由表可知,最大壅高水位在5.59m ~5.74m 之间,线性内插得最大壅高水位为5.67(图纸见附图1)。
Z max =1097.35+5.67=1103.02m2、最低涌波水位:(1)丢弃负荷度为30000——0KW 时(数解法)当上游为死水位,下游为正常尾水位时,若电站丢弃全负荷时(30000~0,流量变化为67.5—03/m s ),因调压室水位达到最高水位时,水位开始下降,此时隧洞中的水流朝着水库方向流动,水从调压室流向进水口,因此水头损失应变为负值,水位到达最低值称为第二振幅。
120f 2f L v gFh λ=,808.235.67f 0==Q υ=2.835m/s =局h (1.63+5.76+17.72+4.47+6.33+13.24)×10-6×67.5×67.5=0.220m程h =(4522.659+7624.134+12603.390+543724.6+7423.154+21161.59) ×0.012×0.012×67.5×67.5×10-6=0.391m0h ω=程局h h +=0.220+0.391=0.611m21.52611.046.1568.92835.2808.2328.5112=⨯⨯⨯⨯⨯=λλ00h w =X ==21.52-611.0-0.012查书本P150图10-4得λ2Z =0.08,则2Z =0.08×(-52.21)=-4.177mZ min =1082-4.177=1077.823m(2)增加负荷度为30000----45000KW 时(两种方法)当上游为死水位,下游为正常尾水位,增荷幅度为30000~45000KW ,流量变化由68.5~102.53/m s ,流速2.88~4.3 m/s 。
A 、 数解法s m Q /31.4808.235.102f 0===υ m=68.5/102.5=0.668=局h (1.63+5.76+17.72+4.47+6.33+13.24)×10-6×102.5×102.5=0.516m 程h =(4522.659+7624.134+12603.390+543724.6+7423.154+21161.59) ×0.012×0.012×102.5×102.5×10-6=0.902m0h ω=程局h h +=0.516+0.902=1.418m22511.2823.808 4.31073.26229.81156.46 1.4180lfv gFh w ε⨯⨯===⨯⨯)/1)(m -1)(9.0/05.0275.0(162.00min εεεm m h Z w --+-+==62.026.73/668.01)(0.668-1)(9.026.73/05.0668.0275.026.73(1--+-+)=3.435minmin 3.4353.435 1.4184.871Z hw Z m==⨯=调压井的最低水位为 1082-4.871=1077.129m B 、 图解法增加负荷时的图解法与丢弃负荷的图解法类似,同样选择坐标系,绘出①、引水道水头损失曲线:22f v h h h g=++局程,g22h νξ=局24.250.110.010.007.005.020.010.012.0=+++++++=ξC=611R n=613756.1012.01⨯=87.882222511.28 2.2412()h f222229.829.887.882 1.3756lv v v g g c R ζν=++=++⨯⨯⨯ =0.2322ν ②、绘出k Q fz av A tv t F F∆=-=∆-∆曲线;22116s T π=== 则计算时段t ∆取值范围为30~25TT 取,t ∆的取值范围为3.9—4.6选取t ∆=4s 又f F =152.046.156808.23=,当增加负荷为30000~45000kw 时,流量68.5~102.5m 3/s 。