桩基成孔检查表
- 格式:doc
- 大小:43.00 KB
- 文档页数:2
钻孔灌注桩质量检查表一、施工准备阶段1、施工方案审查施工方案是否经过审批,内容是否完整、合理。
施工工艺流程是否符合规范和设计要求。
质量保证措施是否可行。
2、原材料检验钢筋的品种、规格、质量是否符合设计要求,并有出厂合格证和检验报告。
水泥的品种、强度等级、出厂日期等是否符合要求,且有复试报告。
砂、石的质量和级配是否符合规范要求。
3、测量放线桩位的测量放线是否准确,偏差是否在允许范围内。
水准点的设置是否合理,标高控制是否准确。
4、机械设备检查钻孔设备的性能是否良好,运转是否正常。
起吊设备的起重能力是否满足要求。
混凝土灌注设备是否完好,计量是否准确。
二、钻进成孔阶段1、孔位偏差检查桩孔中心位置与设计桩位中心的偏差,不得大于规范要求。
2、孔径和孔深采用孔径仪或探孔器检查孔径,孔径不得小于设计值。
测量孔深,孔深必须达到设计要求的深度。
3、孔垂直度采用测斜仪或吊锤测量孔的垂直度,偏差不得大于规范规定。
4、泥浆性能检查泥浆的比重、黏度、含砂率等指标,是否符合施工要求。
泥浆的制备和循环系统是否正常运行。
5、清孔质量检查清孔后的孔底沉渣厚度,不得大于规范要求。
清孔后的泥浆性能指标是否符合灌注混凝土的要求。
三、钢筋笼制作与安装阶段1、钢筋质量检查钢筋的规格、数量、间距是否符合设计要求。
钢筋的焊接质量是否合格,焊缝长度、宽度、厚度是否满足规范要求。
主筋的接头位置和接头数量是否符合规定。
2、钢筋笼尺寸检查钢筋笼的直径、长度、主筋保护层厚度等尺寸是否符合设计要求。
加强筋和箍筋的间距是否均匀,绑扎是否牢固。
3、钢筋笼安装钢筋笼的安装位置是否准确,中心偏差是否在允许范围内。
钢筋笼的固定是否牢固,防止在灌注混凝土过程中上浮或下沉。
四、混凝土灌注阶段1、混凝土配合比检查混凝土的配合比是否经过审批,原材料的计量是否准确。
混凝土的坍落度、和易性是否符合施工要求。
2、灌注过程灌注混凝土的初灌量是否满足要求,导管埋深是否符合规定。
灌注过程中导管的提升速度和拆卸长度是否合理,防止断桩。
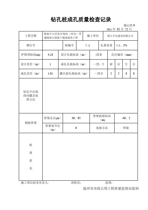
施记表9温州市市政公用工程质量监督站监制施记表9温州市市政公用工程质量监督站监制施记表9温州市市政公用工程质量监督站监制施记表9温州市市政公用工程质量监督站监制施记表9温州市市政公用工程质量监督站监制施记表9温州市市政公用工程质量监督站监制施记表9温州市市政公用工程质量监督站监制施记表9温州市市政公用工程质量监督站监制施记表9温州市市政公用工程质量监督站监制施记表9温州市市政公用工程质量监督站监制施记表9温州市市政公用工程质量监督站监制施记表9温州市市政公用工程质量监督站监制施记表9温州市市政公用工程质量监督站监制施记表9温州市市政公用工程质量监督站监制施记表9温州市市政公用工程质量监督站监制施记表9温州市市政公用工程质量监督站监制施记表9温州市市政公用工程质量监督站监制施记表9温州市市政公用工程质量监督站监制施记表9温州市市政公用工程质量监督站监制施记表9温州市市政公用工程质量监督站监制施记表9温州市市政公用工程质量监督站监制施记表9温州市市政公用工程质量监督站监制施记表9温州市市政公用工程质量监督站监制施记表9温州市市政公用工程质量监督站监制施记表9温州市市政公用工程质量监督站监制施记表9温州市市政公用工程质量监督站监制施记表9温州市市政公用工程质量监督站监制施记表9温州市市政公用工程质量监督站监制施记表9温州市市政公用工程质量监督站监制施记表9温州市市政公用工程质量监督站监制施记表9温州市市政公用工程质量监督站监制施记表9温州市市政公用工程质量监督站监制施记表9温州市市政公用工程质量监督站监制施记表9温州市市政公用工程质量监督站监制施记表9温州市市政公用工程质量监督站监制施记表9温州市市政公用工程质量监督站监制施记表9温州市市政公用工程质量监督站监制施记表9温州市市政公用工程质量监督站监制施记表9温州市市政公用工程质量监督站监制施记表9温州市市政公用工程质量监督站监制施记表9温州市市政公用工程质量监督站监制施记表9温州市市政公用工程质量监督站监制施记表9温州市市政公用工程质量监督站监制施记表9温州市市政公用工程质量监督站监制施记表9温州市市政公用工程质量监督站监制施记表9温州市市政公用工程质量监督站监制施记表9温州市市政公用工程质量监督站监制施记表9温州市市政公用工程质量监督站监制施记表9温州市市政公用工程质量监督站监制施记表9温州市市政公用工程质量监督站监制。
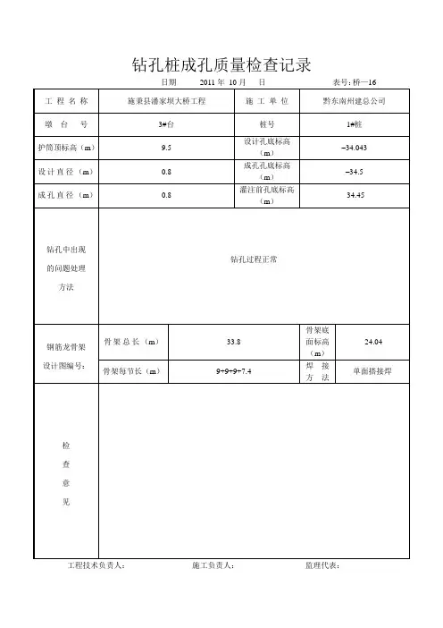
冲孔灌注桩成孔质量检查记录
冲孔灌注桩成孔质量检查记录
冲孔灌注桩成孔质量检查记录
冲孔灌注桩成孔质量检查记录
冲孔灌注桩成孔质量检查记录
冲孔灌注桩成孔质量检查记录
冲孔灌注桩成孔质量检查记录
冲孔灌注桩成孔质量检查记录
冲孔灌注桩成孔质量检查记录
冲孔灌注桩成孔质量检查记录
冲孔灌注桩成孔质量检查记录
冲孔灌注桩成孔质量检查记录
冲孔灌注桩成孔质量检查记录
冲孔灌注桩成孔质量检查记录
冲孔灌注桩成孔质量检查记录
冲孔灌注桩成孔质量检查记录
冲孔灌注桩成孔质量检查记录
冲孔灌注桩成孔质量检查记录
冲孔灌注桩成孔质量检查记录
冲孔灌注桩成孔质量检查记录
冲孔灌注桩成孔质量检查记录
冲孔灌注桩成孔质量检查记录。
桩基施工专项检查表一、施工准备1.1 设计文件的审查•☐设计文件是否齐全、合格;•☐设计文件是否符合国家标准及有关规定。
1.2 现场施工组织和管理•☐施工图和设计是否匹配;•☐施工计划和施工方案是否符合实际;•☐施工人员是否熟悉施工计划和方案。
1.3 施工设备和机具•☐桩机、起重设备和辅助设备是否符合规定;•☐设备是否在保养期限内,电气设备是否有安全隐患。
1.4 施工材料•☐原材料供应是否及时;•☐施工材料的质量是否符合规定。
二、桩基施工2.1 桩基的开挖和钻孔•☐基坑是否清理干净;•☐是否按要求标注钻孔位置和孔口直径;•☐是否采取防坍措施,防止钻孔倒塌。
2.2 桩筏基础施工•☐模板是否牢固,平整度是否达到要求;•☐钢筋的处理、连接是否符合规定;•☐灌注混凝土控制浇灌质量。
2.3 预制桩的安装•☐预制桩是否完好;•☐预制桩安装位置是否准确;•☐预制桩两端的凸出部分是否符合规定。
2.4 浆液桩施工•☐浆液桩孔壁是否清理干净;•☐浆液桩孔径是否符合设计要求;•☐现浇桩立柱击打次数是否达到规定值。
2.5 钢管混凝土桩•☐钢管混凝土桩孔径和孔位是否准确;•☐钢管内外质量状况是否符合规定;•☐混凝土浇灌过程中是否有疏松、分层等现象。
三、施工质量检验3.1 工程量记录•☐施工记录是否齐全、准确;•☐检验结果是否符合规定。
3.2 检验报告的编制•☐检验报告是否符合规定;•☐检验结论是否准确。
3.3 工程隐蔽工程验收•☐隐蔽工程验收资料是否齐全、准确;•☐验收结论是否符合规定。
四、安全检查4.1 安全生产管理•☐安全生产制度是否健全;•☐安全生产和施工记录是否齐全。
4.2 工地安全•☐施工场地围栏是否完好、醒目;•☐工地卫生是否达到要求。
4.3 施工人员安全•☐施工人员是否持证上岗;•☐施工人员是否依法佩戴安全防护用品。
五、其他•☐施工期间是否造成环境污染;•☐是否符合相关法律、法规和规章制度。
以上为桩基施工专项检查表,通过检查可以保证施工质量,避免出现事故和质量问题。
河西坪田景观桥
桩基冲(钻)孔、挖孔成孔过程质检记录表
河西坪田景观桥
桩基冲(钻)孔、挖孔成孔过程质检记录表
河西坪田景观桥
桩基冲(钻)孔、挖孔成孔过程质检记录表
河西坪田景观桥
桩基冲(钻)孔、挖孔成孔过程质检记录表
河西坪田景观桥
桩基冲(钻)孔、挖孔成孔过程质检记录表
河西坪田景观桥
桩基冲(钻)孔、挖孔成孔过程质检记录表
河西坪田景观桥
桩基冲(钻)孔、挖孔成孔过程质检记录表
河西坪田景观桥
桩基冲(钻)孔、挖孔成孔过程质检记录表
河西坪田景观桥
桩基冲(钻)孔、挖孔成孔过程质检记录表。