实验二:PCM系统仿真
- 格式:docx
- 大小:233.39 KB
- 文档页数:5
课程设计(论文)任务书信息工程学院通信工程专业14-2 班一、课程设计(论文)题目脉冲编码调制(PCM)系统设计与仿真二、课程设计(论文)工作自2017年1 月3日起至2017年1月 13日止。
三、课程设计(论文) 地点: 图书馆、寝室、通信实验室(4-410)。
四、课程设计(论文)内容要求:1.本课程设计的目的(1)使学生掌握通信系统各功能模块的基本工作原理;(2)培养学生采用Matlab与Simulink相结合对各种编码与解码进行仿真的方法;(3)培养学生对PCM的理解能力;(4)能提高和挖掘学生对所学知识的实际应用能力即创新能力;(5)提高学生的科技论文写作能力。
2.课程设计的任务及要求1)基本要求:(1)学习Matlab与Simulink仿真软件的使用;(2)对PCM,DPCM,ΔM编码与解码各功能模块的工作原理进行分析;(3)提出各种编码与解码电路的设计方案,选用合适的模块;(4)对所设计系统进行仿真;(5)并对仿真结果进行分析。
a. 采样定理的原理仿真b. PCM编码与解码c. DPCM编码与解码;增量调制(至少选做一种)2)创新要求:3)课程设计论文编写要求(1)要按照书稿的规格打印誊写毕业论文(2)论文包括目录、绪论、正文、小结、参考文献、谢辞、附录等(3)毕业论文装订按学校的统一要求完成4)答辩标准:(1)完成原理分析(20分)(2)系统方案选择(30分)(3)仿真结果分析(30分)(4)论文写作(20分)5)参考文献:(1)王俊峰.《通信原理MATLAB仿真教程》人民邮电出版社第1版 .2010.11.1 (2)赵静.《基于MATLAB的通信系统仿真》北京航空航天大学出版社6)课程设计进度安排内容天数地点构思及收集资料 2 图书馆仿真 5 实验室撰写论文 3 实验室学生签名:2017年1月3日课程设计(论文)评审意见(1)完成原理分析(20分):优()、良()、中()、一般()、差();(2)系统方案选择(30分):优()、良()、中()、一般()、差();(3)仿真结果分析(30分):优()、良()、中()、一般()、差();(4)论文写作(20分):优()、良()、中()、一般()、差();(5)格式规范性及考勤是否降等级:是()、否()评阅人:职称:副教授2017年1月13日目录摘要 (I)Abstract............................................................................................................................................................... I I1 绪论 (1)2 PCM脉冲编码原理 (2)2.1 模拟信号的抽样及频谱分析 (2)2.1.1 信号的采样 (2)2.1.2 抽样定理 (2)2.1.3 采样信号的频谱分析 (3)2.2 量化 (3)2.2.1 量化的定义 (3)2.2.2 量化的分类 (4)2.2.3 MATLAB的A律13折线量化 (10)2.3 PCM编码 (10)2.3.1 编码的定义 (10)2.3.2 码型的选择 (11)2.3.3 PCM脉冲编码的原理 (11)3 PCM的MA TLAB实现 (13)3.1 PCM抽样的MATLAB实现 (13)3.2 PCM量化的MATLAB实现 (16)3.2.1 PCM均匀量化的MATLAB实现 (16)3.2.2 PCM A律非均匀量化的MATLAB实现 (18)3.3 PCM A律13折线编码的MATLAB实现 (20)4结果分析及总结 (23)参考文献 (24)。
课程设计报告课程名称:专业综合课程设计学生姓名:学号:专业班级:指导教师:完成时间:报告成绩:摘要本课题是PCM通信系统的仿真与实现,根据原理框图设计出了电路图,实现了对PCM编译码电路的设计,采用SystemView 软件对其进行仿真,得到了所需要的仿真结果,并达到了预期的仿真效果,得出了相关波形。
SystemView 仿真软件可以实现多层次的通信系统仿真。
脉冲编码调制(PCM)是现代语音通信中数字化的重要编码方式。
利用SystemView 实现脉冲编码调制(PCM)仿真,可以为硬件电路实现提供理论依据。
本次课程设计将通过仿真展示PCM编码实现的设计思路及具体过程,并加以进行分析。
关键词: PCM ;通信系统; SystemViewAbstractThis topic is PCM communication system simulation and implementation, according to the principle diagram to design the circuit diagram, implementation of PCM encoding decoding circuit design, use SystemView software carries on the simulation, the need of the simulation results, and achieved the desired effect of the simulation, the relevant waveform is obtained.SystemView simulation software can realize the multi-level communication system simulation. Pulse code modulation (PCM) is a modern important encoding digital voice communication. Use SystemView realize simulation of pulse code modulation (PCM) can provide theoretical basis for the hardware circuit implementation. This course design will show through the simulation design ideas and specific process of PCM encoding implementation, and analysis.Keywords: PCM ;communication system;SystemView目录第一章绪论 (1)1.1 课程设计任务与目的 (1)1.1.1 任务: (1)1.1.2 目的: (1)1.1.3 课程设计要求 (1)1.2 设计方案 (1)第二章理论基础 (3)2.1 PCM系统结构 (3)2.2 PCM调制原理 (3)2.2.1 抽样 (3)2.2.2 量化 (3)2.2.3 编码 (5)第三章硬件设计 (8)3.1晶振-分频器1 (8)3.2分频器2 (9)3.3 帧同步信号产生器 (9)3.4 PCM编译码器 (10)第四章软件设计 (11)4.1 SystemView的简介 (11)4.2仿真电路模块 (11)4.2.1 信号源子系统 (12)4.2.2 编码器模块 (12)4.2.3 译码器模块 (13)4.3 仿真结果 (14)结论 (16)参考文献 (17)致谢 (18)附录 PCM编码器的电路图 (19)第一章绪论1.1 课程设计任务与目的1.1.1 任务:PCM是现代语言通信中数字化的重要编码方式。
PCM编解码及语音传输系统的仿真一、概述基带通信概述图2-1 基带传输系统的基本结构脉冲编码调制脉冲编码调制(pulse code modulation,PCM)是概念上最简单、理论上最完善的编码系统,是最早研制成功、使用最为广泛的编码系统,但也是数据量最大的编码系统。
PCM 的编码原理比较直观和简单,下图为 PCM 系统的原理框图:图中,输入的模拟信号 m(t)经抽样、量化、编码后变成了数字信号(PCM 信号),经信道传输到达接收端,由译码器恢复出抽样值序列,再由低通滤波器滤出模拟基带信号 m(t)。
通常,将量化与编码的组合称为模/数变换器(A/D 变换器);而译码与低通滤波的组合称为数/模变换器(D/A 变换器)。
前者完成由模拟信号到数字信号的变换,后者则相反,即完成数字信号到模拟信号的变换。
PCM 在通信系统中完成将语音信号数字化功能,它的实现主要包括三个步骤完成:抽样、量化、编码。
分别完成时间上离散、幅度上离散、及量化信号的二进制表示。
根据 CCITT 的建议,为改善小信号量化性能,采用压扩非均匀量化,有两种建议方式,分别为 A 律和μ律方式,我国采用了 A 律方式,由于 A 律压缩实现复杂,常使用 13 折线法编码,采用非均匀量化 PCM 编码。
二、PCM的基本原理①抽样所谓抽样,就是对模拟信号进行周期性扫描,把时间上连续的信号变成时间上离散的信号。
该模拟信号经过抽样后还应当包含原信号中所有信息,也就是说能无失真的恢复原模拟信号。
它的抽样速率的下限是由抽样定理确定的。
②量化量化,就是把经过抽样得到的瞬时值将其幅度离散,即用一组规定的电平,把瞬时抽样值用最接近的电平值来表示。
从数学上来看,量化就是把一个连续幅度值的无限数集合映射成一个离散幅度值的有限数集合。
一个模拟信号经过抽样量化后,得到已量化的脉冲幅度调制信号,它仅为有限个数值。
如下图所示,量化器输出L个量化值 Yk ,k=1,2,3,…,L。
实验六:PCM编码与解码仿真一、实验目的1.掌握PCM的编码原理和Matlab Simulink仿真方法2.掌握PCM的解码原理和Matlab Simulink仿真方法二、实验原理1.PCM编码和解码原理详细见教材介绍三、实验内容和步骤1. PCM编码器电路设计13折线近似的PCM编码器测试模型和仿真结果1.仿真框图中各部分的简介以Constant作为数字信号源,产生一个恒定的数字脉冲信号;Gain1作为一个线性变换器将输入的绝对值不大于2048的数据变换为{-1,1}的区间之内,保证输入的信号满足A律压缩器的要求;以Saturation作为限幅器,将输入信号幅度值限制在PCM编码的定义范围内,以A-Law Compressor作压缩器,Relay模块的门限值设置为0,其输出即可作为PCM编码输出的最高位——极性码。
样值取绝对值后,用增益模块将样值放大到0-127,然后用间隔为1的Quantizer进行四舍五入取整,最后将整数编码为7位二进制序列,作为PCM编码的低7位。
可以将上图中Constant和Display(不含)之间的模块封装一个PCM编码子系统备用。
其中各部分参数设置:Constant:Gain1:Saturation:Abs:A-Law Compressor:Gain:Quantizer:Interger toBit Converter Display:Relay:问题1.1:对Constant输入值进行测试,试输入:0、-1、12、1070、2048、5000、-5000,检测输出结果,验证此编码模型是否正确?并说明原因。
(2)将该系统进行封装:封装之后的PCM编码子系统2. PCM解码器电路设计PCM解码器中首先分离并行数据中的最高位(极性码)和7位数据,然后将7位数据转换为整数值,再进行归一化,扩张后与双极性的极性码相乘得出解码值。
可以将该模型中In1Out1右端和Display左端的部分封装为一个PCM解码子系统备用。
pcm编码与解码仿真实验报告1. 了解PCM编码与解码的原理和方法;2. 能够用MATLAB仿真实现PCM编码与解码;3. 通过实验,验证PCM编码与解码的正确性和有效性。
实验仪器:计算机、MATLAB软件实验原理:PCM(Pulse Code Modulation)是一种常用的数字音频编码方法,将模拟音频信号转换为数字化的离散信号。
PCM编码过程包括采样(Sampling)、量化(Quantization)、编码(Coding)三个步骤。
PCM解码过程包括解码(Decoding)、重构(Reconstruction)两个步骤。
1. 采样:根据采样定理,将模拟音频信号在时间上等间隔地采样,得到一系列采样值。
2. 量化:将采样值按一定的量化步长进行近似,将连续的采样值转换成离散的量化值,从而减小数据量。
3. 编码:将量化值通过编码方式表示成二进制码字,用于数字信号传输和存储。
解码过程与编码过程相反:1. 解码:将编码后的二进制码字还原成量化值;2. 重构:通过量化值重构出原始的模拟音频信号。
实验步骤:1. 准备音频信号文件,利用MATLAB读取音频数据。
2. 对音频数据进行采样、量化、编码处理,得到PCM编码结果,保存为文件。
3. 对PCM编码结果进行解码、重构处理,得到还原的音频信号,保存为文件。
4. 播放原始音频文件和还原的音频文件,对比音质差异。
实验结果与讨论:经过实验,得到了PCM编码与解码的结果。
对比原始音频信号和还原的音频信号,可以发现在一定误差范围内,还原的音频信号与原始音频信号基本一致。
这说明PCM编码与解码是可行的,能够有效地压缩音频数据,并能够进行可靠的还原。
实验结论:PCM编码与解码是一种常用的数字音频处理方法,在实验中取得了有效的编码和解码结果。
实验验证了PCM编码与解码的正确性和可行性,为音频信号的数字化处理提供了理论基础和实际应用支持。
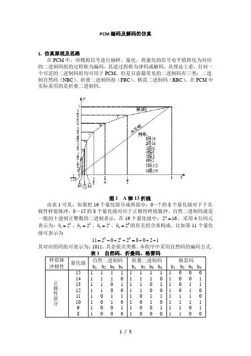
PCM 编码及解码的仿真1. 仿真原理及思路在PCM 中,对模拟信号进行抽样、量化,将量化的信号电平值转化为对应的二进制码组的过程称为编码,其逆过程称为译码或解码。
从理论上看,任何一个可逆的二进制码组均可用于PCM 。
但是目前最常见的二进制码有三类:二进制自然码(NBC )、折叠二进制码组(FBC )、格雷二进制码(RBC )。
在PCM 中实际采用的是折叠二进制码。
图1 A 律13折线由表1可见,如果把16个量化级分成两部分:0~7的8个量化级对于于负极性样值脉冲,8~15的8个量化级对应于正极性样值脉冲。
自然二进制码就是一般的十进制正整数的二进制表示,在16个量化级中:4216=,采用4位码元表示为:312b =、222b =、132b =、042b =的有无组合来构成。
比如第11个量化级可表示为3101120228021=+++=+++其对应的码组可表示为:1011,其余依次类推。
本程序中采用自然码的编码方式。
样值脉冲极性 量化级自然二进制码 b 1 b 2 b 3 b 4 折叠二进制码 b 1 b 2 b 3 b 4 格雷码b 1 b 2 b 3 b 4正极性部分15 14 13 12 11 10 9 8 1 1 1 1 1 1 1 0 1 1 0 1 1 1 0 0 1 0 1 1 1 0 1 0 1 0 0 1 1 0 0 0 1 1 1 1 1 1 1 0 1 1 0 1 1 1 0 0 1 0 1 1 1 0 1 0 1 0 0 1 1 0 0 0 1 0 0 0 1 0 0 11 0 1 1 1 0 1 0 1 1 1 0 1 1 1 1 1 1 0 1 1 1 0 0CCITT 建议的PCM 编码规则,电话语音信号的频带为300~3400Hz ,抽样速率为8s f kHz =,对每个抽样值进行A 律或者μ律对数压缩非均匀量化及非线性编码,每个样值用八位二进制代码表示,这样,每路标准话路的比特率为64kbps 。
PCM系统Simulink框图的设计
PCM系统抽样、量化、编码的仿真框图设计一、系统的框图
图1 系统的总体框图
二、抽样
抽样仿真框图及波形
图2 PCM系统抽样仿真框图
图3 PCM系统抽样系统波形三、量化
量化仿真框图及波形
图4 PCM系统量化及A律压缩框图
图5 PCM系统量化及A律压缩波形四、编码
PCM系统编码框图及波形
图6 PCM系统编码框图
图7 PCM系统编码波形
五、总结
1.抽样到量化之间要对负半轴的波形变换到正半轴。
2.要对取绝对值的波形在量化阶段进行A律压缩。
3.对信号的量化及压缩过程根据需要进行信号的增益。
4.编码阶段的参数设置:有符号的为8位码、无符号的为7位码。
PCM编解码器的SIMULINK建模仿真一.PCM编码设计一个13折线近似的PCM编码器模型,使它能够对取值在[-1,1]内的归一化信号样值进行编码。
测试模型和仿真结果如图2-1所示,示波器输出波形如图2-1所示。
其中Saturation作为限幅器,将输入信号幅度值限制在PCM编码的定义范围内,Relay 模块的门限设置为0,其输出即可作为PCM编码输出的最高位---极性码。
样值取绝对值后,以Look_Up Table模块进行13折线压缩,并用增益模块将样值范围放大到0~127,然后用间距为1的Quantizer进行四舍五入取整,最后将整数编码为7位二进制序列,作为PCM编码的低7位。
可以将该模型中虚线所围部分分装为一个PCM编码子系统备用。
分析:.PCM编码模块是利用13折线压缩进行的编码,运用增益模块和Quantizer 进行取整,最后将整数编码为7位二进制序列,作为PCM编码的低7位,而Relay的输出作为编码的高位,所以进行模块整合后,正好输出8位,constant 参数设置不同,编码结果就会不同。
图2-1 13折线近似的PCM编码器测试模型和仿真结果二.PCM解码设计并测试一个对应于以上编码器的PCM解码器。
测试模型和仿真结果如图2-2所示,其中PCM编码子系统就是图2-1中的部分,如图2-3所示。
PCM解码器中首先分离并进行数据中的最高位(极性码)和7位数据,然后将7位数据转换为整数值,再进行归一化、扩张后与双极性的极性码相乘得出解码值。
图2-2 13折线近似的PCM解码器测试模型和仿真结果图2-3 13段折线A律PCM编码器分析:PCM解码是编码的逆过程,所以在模块中要加入编码好的子模块,解码器首先分离最高位和7位数据,再将7位数据进行归一化、扩张等得出解码值。
三.P CM传输在以上两个结论的基础上,建立PCM串行传输模型,并在传输信道中加入指定错误概率的随机误码。
仿真模型如图2-4所示,其中PCM编码和解码子系统内部结构参见图2-5。
实验 2 PCM 编译码实验一、实验目的1.理解 PCM 编译码原理及 PCM 编译码性能;2.熟悉 PCM 编译码专用集成芯片的功能和使用方法及各种时钟间的关系;3.熟悉语音数字化技术的主要指标及测量方法。
二、实验原理1.抽样信号的量化原理模拟信号抽样后变成在时间离散的信号后,必须经过量化才成为数字信号。
模拟信号的量化分为均匀量化和非均匀量化两种。
把输入模拟信号的取值域按等距离分割的量化就称为均匀量化,每个量化区间的量化电平均取在各区间的中点,如下图所示。
图 2-1 均匀量化过程示意图均匀量化的主要缺点是无论抽样值大小如何,量化噪声的均方根值都固定不变。
因此,当信号m(t ) 较小时,则信号量化噪声功率比也很小。
这样,对于弱信号时的量化信噪比就难以达到给定的要求。
通常把满足信噪比要求的输入信号取值范围定义为动态范围,那么,均匀量化时的信号动态范围将受到较大的限制。
为了克服这个缺点,实际中往往采用非均匀量化的方法。
非均匀量化是根据信号的不同区间来确定量化间隔的。
对于信号取值小的区间,其量化间隔D v 也小;反之,量化间隔就大。
非均匀量化与均匀量化相比,有两个突出的优点:首先,当输入量化器的信号具有非均匀分布的概率密度(实际中往往是这样)时,非均匀量化器的输出端可以得到较高的平均信号量化噪声功率比;其次,非均匀量化时,量化噪声功率的均方根值基本上与信号抽样值成比例,因此量化噪声对大、小信号的影响大致相同,即改善了小信号时的信噪比。
非均匀量化的实际过程通常是将抽样值压缩后再进行均匀量化。
现在广泛采用两种对数压缩,美国采用μ压缩律,我国和欧洲各国均采用 A 压缩律。
本实验中 PCM 编码方式也是采用 A 压缩律。
A 律压扩特性是连续曲线,实际中往往都采用近似于 A 律函数规律的 13 折线(A=87.6)的压扩特性。
这样,它基本保持连续压扩特性曲线的优点,又便于用数字电路来实现,如下图所示。
图2-2 13 折线特性表 2-1 列出了 13 折线时的x 值与计算得的x 值的比较。
实验 2 PCM 编译码实验一、实验目的1.理解 PCM 编译码原理及 PCM 编译码性能;2.熟悉 PCM 编译码专用集成芯片的功能和使用方法及各种时钟间的关系;3.熟悉语音数字化技术的主要指标及测量方法。
二、实验原理1.抽样信号的量化原理模拟信号抽样后变成在时间离散的信号后,必须经过量化才成为数字信号。
模拟信号的量化分为均匀量化和非均匀量化两种。
把输入模拟信号的取值域按等距离分割的量化就称为均匀量化,每个量化区间的量化电平均取在各区间的中点,如下图所示。
图 2-1 均匀量化过程示意图均匀量化的主要缺点是无论抽样值大小如何,量化噪声的均方根值都固定不变。
因此,当信号m(t ) 较小时,则信号量化噪声功率比也很小。
这样,对于弱信号时的量化信噪比就难以达到给定的要求。
通常把满足信噪比要求的输入信号取值范围定义为动态范围,那么,均匀量化时的信号动态范围将受到较大的限制。
为了克服这个缺点,实际中往往采用非均匀量化的方法。
非均匀量化是根据信号的不同区间来确定量化间隔的。
对于信号取值小的区间,其量化间隔D v 也小;反之,量化间隔就大。
非均匀量化与均匀量化相比,有两个突出的优点:首先,当输入量化器的信号具有非均匀分布的概率密度(实际中往往是这样)时,非均匀量化器的输出端可以得到较高的平均信号量化噪声功率比;其次,非均匀量化时,量化噪声功率的均方根值基本上与信号抽样值成比例,因此量化噪声对大、小信号的影响大致相同,即改善了小信号时的信噪比。
非均匀量化的实际过程通常是将抽样值压缩后再进行均匀量化。
现在广泛采用两种对数压缩,美国采用μ压缩律,我国和欧洲各国均采用 A 压缩律。
本实验中 PCM 编码方式也是采用 A 压缩律。
A 律压扩特性是连续曲线,实际中往往都采用近似于 A 律函数规律的 13 折线(A=87.6)的压扩特性。
这样,它基本保持连续压扩特性曲线的优点,又便于用数字电路来实现,如下图所示。
图2-2 13 折线特性表 2-1 列出了 13 折线时的x 值与计算得的x 值的比较。
基于system-view的pcm-2dpsk-仿真及系统抗噪声性能测试实验报告西安电子科技大学通信系统实验报告——基于systemview地2D PSK+PCM传输仿真指导教师:姓名学号班级李媛媛 01121359 011214张少虎 01121360 011214 日期:2015年7月一、系统仿真目地1、了解PCM+2DPK通信系统地原理和信息传输方案2、掌握通信系统地设计方法与参数选择原则3、掌握由图符模块建立子系统并构成通信系统地设计方法4、熟悉通信系统地SYSTEMVIEW仿真测试环境系统仿真内容简介5、测试实验所搭建2dpsk传输系统抗噪声性能,并与理论曲线作对比6、观测不同信噪比条件下关键信号眼图变化情况,进一步了解眼图地作用与含义7、了解信号在系统传输过程中各阶段频率分量地变化,加深对限号调制解调在频域地认知二、实验内容1、用三个频率和幅度分别为400HZ,2v、500HZ ,2v、700HZ,0.5v地正弦信号作为系统地输入,经过PCM编码系统转换为数字信号,再经并串转换转换为基带信号2、以基带信号作为2DPSK系统输入信号,码速率Rb=16kbit/s.采用键控法实现2DPSK地调制,采用非相干解调法实现2DPSK地解调,分别观察系统各点波形.3、将2DPSK系统输出信号进行串并变换,再经P CM解码系统还原为系统初始输入地模拟信号,并观察信号时域和频域地变化.4、使用仿真软件SYSTEMVIEW,从SystemVi ew 配置地图标库中调出相关合适地图符并进行合适地参数设置,并连好图符间地连线,完成对PCM编码、2DPSK键控调制、非相干解调、pcm解码仿真电路设计,并完成仿真操作.5、观察各点波形:包括时域波形、眼图、部分信号瀑布图、2dpsk系统抗噪声性能曲线等,以及记录主要信号点地功率谱密度.6、分析实验所得图形数据,判断系统传输地正确性.7、搭建抗噪声性能测试原理图,测试在不同信噪比环境下,系统误码率地大小,并以此绘制出误码率随信噪比变化地数据曲线,即2DPSK系统地抗噪声性能,绘制该曲线,并与理论曲线进行对比.三、原理简介1、PCM编码译码原理(1)编码原理编码过程分三步:抽样:需要满足低通采样定理,采样频率8kHz .量化:均匀量化时小信号量化误差大,因此采用不均匀选取量化间隔地非线性量化方法,即量化特性在小信号时分层密、量化间隔小,而在大信号时分层疏、量化间隔大.实现方法:实现非均匀量化地方法之一是把输入量化器地信号x先进行压扩处理,再把压扩得到地信号y进行均匀量化.压扩器就是一个非线性变换电路,弱信号被扩大,强信号被压缩.压缩器地入出关系表示为y=f(x) .常用压扩器大多采用对数式压缩,广泛采用地两种对数压扩特性是μ律压扩和A律压扩.效果:改善了小信号时地量化信噪比. A律压扩特性地13段折线逼近方法:对x轴不均匀分成8段,分段地方法是每次以二分之一对分;对y轴在0~1范围内均匀分成8段,每段间隔均为1/8.然后把x,y 各对应段地交点连接起来构成8段直线.其中第1、2段斜率相同(均为16),因此可视为一条直线段,故实际上只有7根斜率不同地折线.以上分析地是第一象限,对于双极性语音信号,在第三象限也有对称地一组折线,也是7根,但其中靠近零点地1、2段斜率与正方向地第1、2段斜率相同,又可以合并为一根,因此,正、负双向共有13段折线.13段折线在第一象限地压扩特性如下图所示:编码:采用8位折叠二进制码,对应有M=28=256个量化级.这需要将13折线中地每个折线段再均匀划分16个量化级.(2)译码原理解压扩:采用一个与13段折线压扩特性相反地解压扩器来恢复x,即x=f -1(y). D/A变换,PCM码变换成模拟信号,即恢复到发送端模拟信号刚完成采样时地信号.低通滤波:保留原始模拟信号频率.(3)PCM编码、解码功能框图如下:2、2DPSK系统调制解调原理(1)2DPSK信号原理2DPSK方式是用前后相邻码元地载波相对相位变化来表示数字信息.假设前后相邻码元地载波相位差为Dj,可定义一种数字信息与Dj之间地关系为则一组二进制数字信息与其对应地2DPSK信号地载波相位关系如下表所示: 二进制数字信息 111 0 0 1 1 0 2dpsk信号相位(0)π 0 0 π π π 0 π π 或(π)0 π π 0 0 0 π 0 0数字信号与Dj之间地关系也可定义为:调制过程信号变换示例波形如下:(2)本实验调制原理本实验调制采用模拟调制法,2DPSK信号地地模拟调制法框图如图所示其中码变换地过程为将输入地单极性不归零码转换为双极性不归零码,然后以此码直接与载波相乘.码变换原理图如下:码变相乘载s(t e o ((3)解调原理本实验采用非相干解调法,即极性比较法和码变换法.它地原理是2DPSK信号先经过带通滤波器,去除调制信号频带以外地在信道中混入地噪声,再与本地载波相乘,去掉调制信号中地载波成分,再经过低通滤波器去除高频成分,得到包含基带信号地低频信号,将其送入抽样判决器中进行抽样判决地到基带信号地差分码,再经过逆差分器,就得到了基带信号.它地原理框图如图所示.信号变换示例波形如下Q DCKa n发送码时钟d n-1d n逆差分器原理如下:四、系统组成框图、子系统组成框图及图符块参数设置1、总图(系统采样频率400e+3HZ)2图块对模拟信号进行A律压缩,输入输出正负5 v,4图块为模数转换模块,输出0/1v八位,并行码,采样频率为2000hz,码速地八分之一,22为一八选一mux,在23,24,25信号控制下由高位到低位顺序依次将并行信号串行输出.Adc与mux 按顺序接,23/24/25频率分别为adc采样地1/2/ 4倍,占空比1:1,低频率接高位(s2).输出即为PN码.16延迟一个码子宽度,1/16000s,39为异或门,输出+1/-1码字.与44块80000hz地载波相乘进行调制,生成2dpsk信号.44为噪声,高斯噪声,density on1 Ohm,20e-6w/hz,45选择dbpower增益.12带通滤波器,载波上下20k,60k/ 100khz,滤除噪声.50为载波提取,Comm : costas,Vco fre=80e+3,Vco pahse=0deg,Mod gain=1hz/v,Loop fltr=1+1/s+1/s^2.调制信号与载波相乘后,经低通滤波器16khz,滤除高频分量,得到基带信号轮廓,经28,41采样保持后得到下图下图,41输出仍为+-1码字,缓冲器门限为0,大于0输出1,小于零输出-1,得到下上图.11延迟1个码宽,与异或门形成码反变换,输出单极性不归零绝对pn码字.下图为加29与不加29地区别,信号到27块延迟7个码宽后,输出到18,时分解复用器,8位,保持8个码字宽度,后送入dac模块,门限500e-3,八位,输出范围正负5伏,将并行数据转换为串行数据,,再经解压缩块还原成模拟信号,再经低通滤波保留原始模拟信号频率分量.得到原始模拟信号.2、模拟信号发生模块、各图块参数表格编号库/名称参数Token14 Source:sinusoid Amp:2v Freq:400hz Phase:0degToken0 Source:sinusoid Amp:2v Freq:500hz Phase:0degToken15 Source:sinusoid Amp:0.5v Freq:700hz Phase:0degToken1 adder NoneToken6 Sink :analysisNone 3、模数转换模块、各图块参数表格编号库/名称参数Token2 Comm :compander a-lawmax-input : +/-5vToken7 Sink :analysisToken21 Source :pluse train Amp:1vFreq:2000hz Pulsew:250e-6 sec Offect:0v Phase:0degToken4 Logic : ADC Gate delay:0 secThreshold:500e-3vTrue output:1vFalse output:0vNo.bits:8Min input:-5vMax input:5vRise time:0 sec 4、并串转换模块、个图块参数表格编号库/名称参数Token22 Logic : Gate delay:0 secmux-d-8 Threshold:500e-3vTrue output:1vFalse output:0vRise time:0 secFall time:0 secEnable:noneToken23 Source :pluse train Amp:1vFreq:2000hz Pilsew:250e-6 sec Offset=0vPhase=0degToken24 Amp:1vFreq:4000hzPilsew:250e-6 secOffset=0vPhase=0degToken25 Amp:1vFreq:8000hzPilsew:250e-6 secOffset=0vPhase=0degToken48 Sink : none5、差分变换模块、各图块参数表格编号库/名称参数Token16 Operator :delay Delay=62.5e-6sec Non-interpolatingToken39 Logic : xor Gate delay:0 secThreshold=500e-3True output=1vFalse output=-1vRise time=0 secFall tome=0 sec连接16图块地1端口Token19 Sink : none6、载波调制及加噪声模块、各图块参数表格编号库/名称参数To ke n2 0 Sink :analysisnoneTo Mul Noneke n1 0 tip ierTo ke n4 3 AdderNoneTo ke n4 5 Operator:gainGain units=db powerGain=x(不同测试条件增益值设置不同,不需要加噪声时可与加法器断开连接,需要时设置多少见抗噪声性能测试部分原理To ke n1 3 Source:sinusoidAmp=1vFreq=800000hzPhase=0degTo ke n4Source:Constant parameter=density in 1 0hmDensity(w/hz)=20e-6(为何设置此值见抗噪声性能测试部分原理4 gaussnoise Maxrate=400e+3 Mean=0v7、解调模块、格图块参数表格编号库/名称参数Token37Sink : analysis noneToken33Sink : analysis noneToken38Sink : analysis noneToken17Sink : analysis noneToken1 2 Operator : linearsysChebyshevbandpass iir3 polesLow fc=600000hzHig fc=100000hzQuant bits=noneToken34Multipier noneToken3 6 Operator : linearsysButterworthlowpass iir3 polesFc=16000hzQuant bits=noneToken2 8 Operator : sampler InterpolatingRate=16000hzAperture=0 secToken4Operator : hold Last value1 Gain=1Out rate=400e+3Token2 9 Logic : buffer Gate delay:0 secThreshold=0vTrue output=1vFalseoutput=-1vRise time=0 secFall time=0 secToken5 0 Comm :costas(载波提取)Vco fre=80e+3Vco pahse=0 degMod gain=1hz/vLoopfltr=1+1/s+1/s^2Token51Sink : analysis none8、差分码反变换模块、各图块参数9、串行信号转并行信号模块、各图块参数表格编号库/名称参数Token31 Sink :analysisnoneToken30 Logic : xor True output=1vFalse output=0v连11图块地0端口delayToken11 Operator :delay Delay=62.5e-6Non-interpolating 编号库/名称参数Token27 Operator :smpl delay Delay=175 samples Attribute=phaseToken18 Comm : tddemux No.output=8Time per output=500e-6sec连27图块1端口delay-dt 10、数模转换及元模拟波还原模块、各图块参数编号库/名称参数Token9 Sink :analysisnoneToken42 Operator :linear sys Chebyshev loepass iir3 polesFc=800hzQuant bits=noneToken3 Com :decompand a-lawmax output:+/-5vToken5 Logic : dac Tow’scomplementGate delay=0 secThreshold=500e-3No.bits=8Min output=-5vMax output=5v 五、各点波形:包括时域波形、眼图、覆盖图(800采样点)1、输入模拟信号波形2、输入模拟信号A律压缩3、绝对码波形4、输入差分码波形5、2DPSK已调信号波6、带通滤波器输出波形7、提取载波波形8、乘法器输出9、低通滤波器输出10、抽样保持输出相对码11、码反变换2DPSK系统输出基带信号13、2DPSK系统输入输出瀑布图14、模拟信号输入输出瀑布图12、低通输出波形眼图(1)无噪声眼图,噪声增益模块与加法器断开(2)低噪声眼图(信噪比20db)测试条件,噪声设置gauss noise,constant parameter=density in 1 ohm,density=20e-6w/hz增益模块设置,gain units=db power。
电子与信息工程学院课程设计报告(2013 —2014 学年第二学期)课程名称:课程设计3 班级:浦电子1103,1104学号:P**********,P**********姓名:吴欣欣,谢玲指导教师:武晓光、毛钱萍、胡方强、包亚萍2014 年 6 月目录6.1 基本原理 (4)6.1.1 PCM原理简介 (4)6.1.2 13折线图 (5)6.2 PCM编解码程序实现仿真 (6)6.2.1 PCM编码 (6)6.2.2 A律程序 (7)6.2.3 PCM解码 (8)6.2.4仿真出图 (10)6.3采用simulink进行PCM编码仿真 (11)6.3.1解码器 (11)6.3.2编码器 (13)6.3.3 串行编解码 (14)6.3.4仿真图像 (15)6.4 噪声影响与性能分析 (16)6.4.1 PCM通信系统的主要参数设置 (16)6.4.2 PCM系统中噪声的影响 (16)6.5实验小结 (18)6.1 基本原理6.1.1 PCM原理简介脉冲编码调制(PCM)是一种模拟信号的数字化方法。
PCM系统将信号按照其强度依照同样的间距分成数段,然后每段用独特的数码(通常是二进制)来量化。
PCM常被用于数字电信系统上,也是计算机和CD红皮书中的标准形式。
在数字视频通信系统中,它也是标准。
PCM的主要优点是:抗干扰能力强;失真小;传输特性稳定,尤其是远距离信号再生中继时噪声不累积,而且可以采用压缩编码、纠错编码和保密编码等来提高系统的有效性、可靠性和保密性。
PCM调制主要经过3个过程:抽样、量化和编码。
抽样,就是对模拟信号进行周期性扫描,把时间上连续的信号变成时间上离散的信号。
该模拟信号经过抽样后还应当包含原信号中所有信息,也就是说能无失真的恢复原模拟信号。
它的抽样速率的下限是由抽样定理确定的。
抽样速率采用信号最大频率分量的频率的3倍到5倍。
量化,也叫分层,就是把经过抽样得到的瞬时值将其幅度离散,即用一组规定的电平,把瞬时抽样值用最接近的电平值来表示。
目录摘要 (I)1. PCM编码基本原理 (1)2. 抽样量化编码 (2)2.1 抽样 (2)2.2 量化 (2)2.3 编码 (4)3. 系统仿真 (7)3.1 A律非线性化准则程序及运行结果 (7)3.1.1 A律非线性程序 (7)3.1.2 量化误差图形 (9)3.1.3 量化器输出输入特性曲线 (9)3.2 U律非线性化准则程序及运行结果 (10)3.2.1 U律非线性程序 (10)3.2.2 量化误差图形 (12)3.2.3 量化器输出输入特性曲线 (12)总结 (13)参考文献 (14)摘要脉冲编码调制(PCM)是现代语音通信中数字化的重要编码方式。
脉冲编码调制是概念上最简单、理论上最完善的编码系统,是最早研制成功、使用最为广泛的编码系统,但也是数据量最大的编码系统。
运用 Matlab 软件仿真来实现 PCM 编解码芯片的部分功能,从而完成整个电路设计上的编解码,设计简单,灵活方便。
本文介绍用 Matlab 的 Simulink 来仿真实现 PCM 编解码器的方法和过程,采用 Matlab 通信仿真软件对应用于无线信道中的数字通信方式和主要通信过程的实际情况进行计算机模拟仿真。
主要通信过程为采样、量化、编码、调制解调等,为建立实际通信系统提供了实验仿真。
学习通过利用计算机建立通信系统模型的基本方法和基本技能,学会利用仿真的手段对通信系统的基本理论和基本算法进行验证。
学习现有流行的通信系统仿真软件的基本使用方法,利用Matlab软件解决通信中存在的问题。
关键字 PCM,Matlab,Simulink1. PCM编码基本原理脉冲编码调制(PCM,Pulse Code Modulation)在通信系统中完成将语音信号数字化功能。
是一种对模拟信号数字化的取样技术,将模拟信号变换为数字信号的编码方式,特别是对于音频信号。
就是把一个时间连续,取值连续的模拟信号变换成时间离散,取值离散的数字信号后在信道中传输。
(设计报告自己独立完成,如有雷同,双方均为0分,请同学们自己保护好自己的设计报告,特此申明)。
通信原理课程设计设计报告课题名称:专业班级:姓名:学号:起止时间:信息科学与工程学院目录一、课题内容二、设计目的三、设计要求四、实验条件五、系统设计1、通信系统的原理2. 所设计子系统的原理六、详细设计与编码1. 设计方案2. 编程工具的选择3. 编码与测试4. 运行结果及分析七、设计心得八、参考文献 (22)一、课题内容本课题是基于MATLAB的通信系统仿真—PCM系统仿真二、设计目的1、培养我综合得用多门课程知识的能力。
2、培养我熟练掌握MATLAB,运用此工具进行通信系统仿真的能力。
3、培养我查阅资料,解决问题的能力。
4、加深我对通信系统各部分的理解。
5、培养学生系统设计与系统开发的思想;三、设计要求1.独立完成自己的题目内容;2.对通信系统有整体的较深入的理解,深入理解自己仿真部分的原理的基础,画出对应的通信子系统的原理框图;3.提出仿真方案;4.完成仿真软件的编制;5.仿真软件的演示;6.提交详细的设计报告。
四、实验条件计算机、Matlab软件五、系统设计1、通信系统的原理(阐述整个通信系统原理,最后之处你主要负责哪一部分)通信的目的是传递消息,通信系统是一个以传递消息为目地的系统,通信系统的一般模型如下:图中,信源的作用是把待传输的消息转换成原始电信号,如电话系统中电话机可看成是信源。
信源输出的信号称为基带信号。
所谓基带信号是指没有经过调制(进行频谱搬移和变换)的原始电信号,其特点是信号频谱从零频附近开始,具有低通形式,。
根据原始电信号的特征,基带信号可分为数字基带信号和模拟基带信号,相应地,信源也分为数字信源和模拟信源。
发送设备的基本功能是将信源和信道匹配起来,即将信源产生的原始电信号(基带信号)变换成适合在信道中传输的信号。
变换方式是多种多样的,在需要频谱搬移的场合,调制是最常见的变换方式;对传输数字信号来说,发送设备又常常包含信源编码和信道编码等。
实验二:PCM系统仿真
一、实验目的:
1、掌握脉冲编码调制原理;
2、理解量化级数、量化方法与量化信噪比的关系。
3、理解非均匀量化的优点。
二、实验内容:
1、对模拟信号进行抽样和均匀量化,改变量化级数和信号大小,根据MATLAB仿真获得量化误差和量化信噪比。
(必做)
2、对模拟信号进行抽样、A律压缩量化,改变量化级数和信号大小,根据MATLAB仿真获得量化误差和量化信噪比。
(选做)
3、对抽样值进行A律13折线编码。
(选做)
三、实验步骤
1、均匀量化(必做)
1) 产生一个周期的正弦波x(t) = cos (2 * pi *t ),以1000Hz频率进行采样,并进行8级均匀量化,用plot函数在同一张图上绘出原信号和量化后的信号。
(保存为图2-1)
2) 以32Hz的抽样频率对x(t)进行抽样,并进行8级均匀量化。
绘出正弦波波形(用plot函数)、样值图,量化后的样值图、量化误差图(后三个用stem函数)。
(保存为图2-2)
3) 以2000Hz对x(t)进行采样,改变量化级数,分别仿真得到编码位数为2~8位时的量化信噪比,绘出量化信噪比随编码位数变化的曲线。
另外绘出理论的量化信噪比曲线进行比较。
(保存为图2-3)
4)在编码位数为8和12时采用均匀量化,在输入信号衰减为0~50 dB时,以均匀间隔5 dB仿真得到均匀量化的量化信噪比,绘出量化信噪比随信号衰减变化的图形。
注意,输入信号减小时,量化范围不变;抽样频率为2000 Hz。
(保存为图2-3-2)
2) 在编码位数为8和12时均匀量化、编码位数为8时A律压扩量化,在输入信号衰减为0~50dB 时,以均匀间隔5dB仿真得到量化信噪比,绘出量化信噪比随信号衰减变化的图形。
另外绘出8和12位编码时采用均匀量化的理论量化信噪比曲线进行比较。
注意,输入信号减小时,量化范围不变;抽样频率为2000Hz。
(保存为图2-5)
二、实验思考题:
1、图2-3表明均匀量化信噪比与量化级数(或编码位数)的关系是怎样的?
答:量化信噪比随着量化级数的增加而提高,当量化级数较小是不能满足通信质量的要求
2、分析图2-5,A律压缩量化相比均匀量化的优势是什么?(选做)
答:量化信噪比随着量化级数的增加而提高,当量化级数较小是不能满足通信质量的要求源程序:。