报检单模板
- 格式:docx
- 大小:16.15 KB
- 文档页数:1
❖编号:
❖我单位现(A 逐票、B长期)委托贵公司代理等通关事宜。
(A、报关查验B、垫缴税款C、办理海关证明联D、审批手册E、核销手册F、申办减免税手续G、其他)详见《委托报关协议》。
❖我单位保证遵守《海关法》和国家有关法规,保证所提供的情况真实、完整、单货相符。
否则,愿承担相关法律责任。
❖本委托书有效期自签字之日起至年月日止。
❖委托方(盖章):
❖法定代表人或其授权签署《代理报关委托书》的人(签字)
❖年月日
❖委托报关协议
❖为明确委托报关具体事项和各自责任,双方经平等协商签定协议如下:。
出境货物报检单中华人民共和国出入境检验检疫局:报验单编号:兹有下列商品申请检验,请照章办理。
报验单位(加盖公章):出口检验申请单中华人民共和国北京进出口商品检验局:报验号:兹有下列商品申请检验,请照章办理。
存货地点:报验单位:北京出入境检验检疫局出口商品检验换证凭单正本字第号中华人民共和国北京进出口商品检验局出口商品放行单(供通关用)编号:中华人民共和国北京进出口商品检验局BEIJING IMPORT & EXPORT COMMODITY INSPECTION BUREAU OFTHE PEOPLE’S REPUBIC OF CHINANO:地址:北京市建国门外大街12号日期ADDRESS:12.JIANGUOMEIWAI STREET BEIJING DATE:电话:65003380检验证书INSPECTION CERTIFICATE发货人:CONSIGNOR:收货人:CONSIGNEE:品名:COMMODITY:报验数量/重量:QUANTITY/WEIGHT:DECLARED检验结果:RESULTS OF INSPECTION:主任检验员Chief Inspector北京进出口商品检验局检验不合格通知单正本第号年月日车身电阻点焊焊接工艺案例一台捷达小轿车由于中部车身发生严重碰撞,需要更换中柱。
在维修过程中使用电阻焊连接,但维修人员在完成电阻焊工作后,发现有许多焊点未能完成互熔,产生内外钣件脱焊现象。
分析原因:1.焊前没有清理干净,焊位有杂物沾污。
2.焊时电流、电压值不对。
3.夹具没有实施夹紧而留有空隙,造成焊点在加压时不能互熔。
改进措施:1.焊前清洁。
2.夹具在夹紧焊接钣件之间要贴合牢固。
3.先试焊才实施工作以保证质量。
一、制订检修计划任务5制订汽车中部车身碰撞更换中柱故障的检修计划,如表9-1所示。
表9-1 汽车车身碰撞更换中柱的检修计划1.车辆信息描述车辆描述车身钣金件材料类型门槛与中柱金属材料门槛结构形状巾柱结构娄型2.车身钣金件故障现象描述3.车身饭金件故障原因分析,画出鱼刺图4.中部车身钣金件故障检修工作准备5.中部车身钣金件故障检修流程步骤检查项目操作要领技术要求或标准检修记录提示车辆的维修接待,必须仔细询问顾客车辆故障的原因,细心观察车辆除事故范围外的损伤情况,并注明以防纠纷产生:对车内贵重物品妥善保存或要求顾客自行处理,为维修作业做好必要的准备,如实准确地填写接车问诊。
中 华 人 民 共 和 国 出 入 境 检 验 检 疫 出境货物报检单报检单位(加盖公章):上海新联进出口有限公司*编 号报检单位登记号:联系人:梁杰电话:021-********报检日期:10年5月18日(中文)(外文)(中文)(外文)合同包装性能结果单信用证许可/审批文件√发票换证凭证√装箱单厂检单√品质证书1正副植物检疫证书正副重量证书正副熏蒸/消毒证书正副数量证书正副出境货物换证凭单正副兽医卫生证书正副出境货物通关单正副健康证书正副卫生证书正副动物卫生证书正副报检人郑重声明1.本人被授权报验2.上列填写内容正确属实,货物无伪造或冒用他人的厂名、 标志、认证标志,并承担货物质量责任。
签名:注:有“*”号栏由出入境检验检疫机关填写◆国家出入境检验检疫局制[1-2(2005.1.1)]日期签名﹡检验检疫费总金额(人民币元)计费人收费人领 取 证 单海运20尺普通箱2个合同、信用证订立的检验标 记 及 号 码随附单据(划“√”或补填)检疫条款或特殊要求3100915405需要证单名称(划“√”或补填)***启运地上海到达口岸巴塞罗那生产单位注册号***许可证/审批号集装箱规格、数量及号码运输工具名称号码船舶贸易方式发货日期***输往国家(地区)西班牙合同号XL-MON-SC0330信用证号CB9545310008565***用途数/重量货物总值包装种类及数量一般交易货物存放地点***发货人收货人货物名称(中/外文)H.S.编码上海新联进出口有限公司SHANGHAI XINLIAN IMP.& EXP. CO., LTD ***MONARCH TRADING S.A.产地平底玻璃杯7013370000上海市12480套92304.00美元1040纸箱信用证号码CB9545310008565S.A.,BARCELONA XL-MON-SC0330BARCELONA C.NO.1-1040注明:BANCO POPULAR ESPANOL,开证行名称: BANCO。
出口货物报检单模板一、报检单基本信息1. 报检单位名称:要写清楚报检单位的全称哦,就像你介绍自己的时候要用全名一样。
地址:详细的地址可不能少,这样人家才能准确找到这个单位呢。
联系人:写个负责报检事务的人的名字,最好是熟悉这个业务的。
联系电话:方便在有问题的时候联系到报检单位的相关人员。
2. 报检日期要写清楚具体的年月日,这就像给这个报检单一个出生的时间标记。
3. 发货人名称:发货单位或者个人的名字。
地址:发货地的地址。
4. 收货人名称:接收货物的单位或者个人的名字。
地址:收货地的地址。
二、货物信息1. 货物名称要写得准确详细,不能含糊其辞,就像你点菜的时候要清楚地说出菜名一样。
2. 货物规格包括货物的大小、型号等各种规格参数,这能让检验人员清楚知道货物的具体情况。
3. 货物数量是多少就写多少,要精确哦,可不能随便估计一个数字。
4. 货物总值货物的总价值,要写得准确,这关系到很多费用和税收等问题呢。
5. 包装种类及数量比如是纸箱包装,有多少个纸箱,或者是木箱、麻袋之类的,都要写清楚。
三、运输信息1. 运输工具名称如果是船运,就写船名;如果是陆运,就写卡车的车牌号之类的。
2. 贸易方式像一般贸易、加工贸易等,要按照实际情况填写。
3. 货物存放地点货物现在放在哪里,是仓库还是码头之类的地方。
四、合同信息1. 合同号与出口货物相关的合同编号,这是一个很重要的标识哦。
2. 信用证号(如果有)如果是通过信用证结算的,就把信用证号写在这里。
五、报检要求1. 检验检疫项目比如是检验货物的质量、规格是否符合标准,还是检验有没有病虫害之类的。
2. 检验检疫依据是依据哪个国家标准或者国际标准来检验检疫的,要写清楚。
六、随附单据1. 列出所有需要随附的单据像商业发票、装箱单、提单副本之类的单据,都要列出来。
七、签名盖章1. 报检单位的盖章要盖清晰的公章哦,这代表报检单位对这个报检单内容的认可。
2. 报检人的签名负责报检的人的签名也要写清楚。
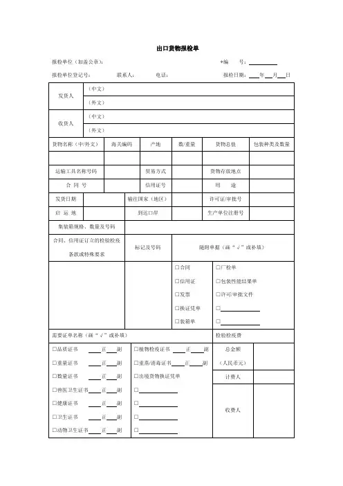
中华人民共和国出入境检验检疫
出境货物报检单
报检单位 ( 加盖公章 ): * 编 号
报检单位登记号:
联系人: 电话: 报检日期:
年
月
日
发货人
(中文) (外文)
收货人
(中文)
(外文)
货物名称 (中 / 外文 ) H.S.编码 产地 数 /重量 货物总值 包装种类及数量
运输工具名称号码 贸易方式
货物存放地点
合同号
信用证号
用途
发货日期 输往国家 (地区 )
许可证/审批号 启运地
到达口岸
生产单位注册号
集装箱规格、数量及号码 合同、信用证订立的检验 检疫条款或特殊要求
标 记 及 号 码
随附单据(划“ ”或补填) 合同 信用证
发票 换证凭单 装箱单 厂检单
包装性能结果单 许可 /审批文件
需要证单名称(划“
”或补填)
* 检验检疫费
总金额
(人民币元)
计费人
报检人郑重声明:
1. 本人被授权报检。
2. 上列填写内容正确属实,货物无伪造或冒用他人的厂名、 标志、认证标志,并承担货物质量责任。
签名:
收费人
领 取 证 单
日期 签名
注:有“ * ”号栏由出入境检验检疫机关填写
◆国家出入境检验检疫局制
[1-2 (2000.1.1)]
□品质证书 □重量证书 正 副 正 副 □植物检疫证书 □熏蒸 /消毒证书 正 副
正 副 □数量证书 正 副 □出境货物换证凭单 正 副
□兽医卫生证书 □健康证书 正 副 正 副 □ □ □卫生证书
正 副 □ □动物卫生证书
正 副
□。
中华人民共和国出入境检验检疫出境货物报检单报检单位(加盖公章):1*编号 2报检单位登记号:3 联系人:4 电话:5报检日期: 6 发货人(中文)7(外文)8收货人(中文)9(外文)10货物名称(中/外文) H.S.编码产地数/重量货物总值包装种类及数量11 12 131415 16运输工具名称号码17 贸易方式18 货物存放地点19 合同号20 信用证号21 用途22发货日期23输往国家(地区) 24 许可证/审批号启运地25 到达口岸26 生产单位注册号27集装箱规格、数量及号码28合同、信用证订立的检验检疫条款或特殊要求标记及号码随附单据(划“✓”或补填)29 ☑合同☑信用证☑发票☐换证凭单☑装箱单☐厂检单☐包装性能结果单☐许可/审批文件☐☐☐☐需要证单名称(划“✓”或补填)*检验检疫费☑品质证书□重量证书□数量证书□兽医卫生证书□健康证书□卫生证书□动物卫生证书__正__副__正__副__正__副__正__副__正__副__正__副__正__副□植物检疫证书□熏蒸/消毒证书☑出境货物换证凭单□□□□__正__副__正__副__正__副总金额(人民币元)30计费人31收费人32报检人郑重声明:1. 本人被授权报检。
2. 上列填写内容正确属实,货物无伪造或冒用他人的厂名、标领取证单日期33注:有“*”号栏由出入境检验检疫机关填写。