2015新DK106高性能开关电源管理芯片
- 格式:pdf
- 大小:6.18 MB
- 文档页数:15
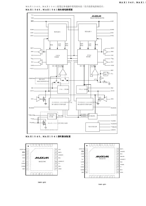
THIN QFN17181920212223GNDDL2V+LDOOUT DL1LDOON BST18765432REFILIM2ILIM1VCC TONLSAT SKIP MAX15401OVP/UVP 24LX1THIN QFN23242526272829V+LDOIN V DD LDOOUT FBLDO DL1LDOON 8765432ILIM1CC1GATE V CC TON LSAT SKIP MAX15411OVP/UVP 30BST12122GNDDL2109REFILIM2*V+TON SKIPILIM1CSP1CSN1BST1DH1LX1*V DD DL1**CC1GND LSA TILIM2CSP2CSN2BST2DH2LX2*V DD V CCDL2GND REF13R0.7V7RMAX1540/MAX1541FB1**REFIN1OUT1ON1PGOOD1FB2OUT2ON2PGOOD2FAULT1INT REF1INT FB1INT FB2FAULT2**FBLANK**ODOVP/UVPBLANKENABLE OVPENABLE UVP *LDOIN*LDOOUT **FBLDO LDOON**GA TEMAX1540/MAX1541INT REF2MAX1540、MAX1541是笔记本电脑中常用的内存/芯片组供电控制芯片。
MAX1540、MAX15MAX1540、MAX1541的内部电路框图MAX1540、MAX1541的针脚封装图限流电路1PWM控制器限流电路2PWM控制器输入电压FB1 译码器FB2 译码器2.0V基准空载译码空载译码/计时器低压差稳压器饱和限制过零比较限流MAX1541才有该部分电路POWER GOOD信号产生电路与错误信号保护电路POWER GOOD信号产生电路与错误信号保护电路饱和限制过零比较限流引脚号引脚名称引脚功能MAX1540MAX154111OVP/UVP过压/欠压保护和放电模式控制输出端。
简介纳微半导体公司的GaNFast 功率IC 采用了GaNSense 技术,具备控制、驱动、感应和保护等功能,适用于移动、消费、工业、数据中心和企业等市场领域的30W 至1kW 的应用。
集成栅极驱动消除了寄生栅极环路电感,并可以防止栅极振铃和毛刺。
集成的无损电流感应功能无需外部电流感应电阻,可提高系统效率,缩小PCB 占板面积,消除R CS 热点,并提供实时过流保护(OCP )和过温保护(OTP ),实现针对短路和过载故障情况的快速且可靠的保护。
NV6169进一步将GaNSense 产品系列扩展到更高功率的应用,具备较低的45mΩR DS(ON),采用了新型PQFN 8x8mm 封装,具备较大的散热焊盘,可实现卓越的散热管理。
本应用笔记详细介绍了NV6169和GaNSense 的功能、原理图和PCB 布线指南、电路示例和波形、以及散热管理说明。
这些说明可以帮助实现最高效率和功率密度,以实现最高水平的系统稳健性和可靠性。
图1. NV6169 PQFN 8x8封装底部视图(左)及简化原理图(右)漏极引脚(D )I/O 引脚源极引脚(S )源极散热焊盘概述凭借集成的栅极驱动、宽范围的V CC 和PWM 输入、内部ESD 保护和较大的散热焊盘等优势,GaNFast 功率IC 已在多种高密度电源产品中得到采用。
GaNSense 技术还提供另一层关键特性,包括无损电流感应、OCP 、OTP 和自动待机模式,这些特性可以提高系统稳健性和可靠性,实现更高的系统效率,并降低待机功耗。
这些GaN 功率IC 具有易用性和设计灵活性,可与所有流行的拓扑和控制器兼容,可实现高频开关。
为了进一步将GaNSense 产品系列扩展到更高功率的应用,NV616945m Ω版本采用了PQFN 8x8封装。
NV6169的IC 引脚包括(见图1)漏极引脚(D )、源极引脚(S )、I/O 引脚、以及一个较大的源极散热焊盘。
I/O 引脚包括IC 电源引脚、PWM 输入、dV/dt 导通控制、电流感应输出和故障输出。
功能描述DK112芯片是专用小功率开关电源控制芯片,广泛用于电源适配器、LED电源、电磁炉、空调、DVD等小家电产品。
一、产品特点•采用双芯片设计,高压开关管采用双极型晶体管设计,以降低产品成本;控制电路采用大规模MOS数字电路设计,并采用E极驱动方式驱动双极型晶体芯片,以提高高压开关管的安全耐压值。
内建自供电电路,不需要外部给芯片提供电源,有效的降低外部元件的数量及成本。
•芯片内集成了高压恒流启动电路,无需外部加启动电阻。
•内置过流保护电路,防过载保护电路,输出短路保护电路,温度保护电路及光藕失效保护电路。
•内置斜坡补偿电路,保证在低电压及大功率输出时的电路稳定。
•内置PWM振荡电路,并设有抖频功能,保证了良好的EMC特性。
•内置变频功能,待机时自动降低工作频率,在满足欧洲绿色能源标准(<0.3W)同时,降低了输出电压的纹波。
•内置高压保护,当输入母线电压高于保护电压时,芯片将自动关闭并进行延时重启。
•内建斜坡电流驱动电路,降低了芯片的功耗并提高了电路的效率。
•4KV防静电ESD测试。
二、功率范围输入电压(85∼264V ac)(85∼145V ac)(180∼264V ac)最大输出功率12W18W18W三、封装与引脚定义引脚符号功能描述1Gnd接地引脚。
2Gnd接地引脚。
3Fb反馈控制端。
4Vcc供电引脚。
5678Collector输出引脚,连接芯片内高压开关管Collector端,与开关变压器相连。
四、内部电路框图五、极限参数供电电压Vcc...........................................-0.3V--9V供电电流Vcc...........................................100mA引脚电压...........................................-0.3V--Vcc+0.3V 开关管耐压...........................................-0.3V--780V峰值电流...........................................800mA总耗散功率...........................................1000mW工作温度...........................................0℃--125℃储存温度...........................................-55℃--+150℃焊接温度...........................................+280℃/5S六、电气参数项目测试条件最小典型最大单位电源电压Vcc AC输入85V-----265V456V启动电压AC输入85V-----265V 4.85 5.2V关闭电压AC输入85V-----265V 3.64 4.2V电源电流Vcc=5V,Fb=2.2V203040mA 启动时间AC输入85V------500mS Collector保护电压L=1.2mH460480500V开关管耐压Ioc=1mA700------V开关管电流Vcc=5V,Fb=1.6V----3.6V600650700mA 峰值电流保护Vcc=5V,Fb=1.6V----3.6V650720800mA 振荡频率Vcc=5V,Fb=1.6V----2.8V606570KHz 变频频率Vcc=4.6V,Fb=2.8V----3.6V0.5--65KHz 抖频步进频率Vcc=4.6V,Fb=1.6V----2.8V0.81 1.2KHz 温度保护Vcc=4.6V,Fb=1.6V----3.6V120125130℃占空比Vcc=4.6V,Fb=1.6V----3.6V5---70%控制电压Fb AC输入85V-----265V 1.6--- 3.6V七、工作原理•上电启动:当外部电源上电时,直流高压经开关变压器传至芯片的COLLECTOR端(5678引脚),后经内建高压恒流启动电路将启动电流送至开关管Q1的B极,通过开关管Q1的电流放大(约为20倍放大)进入电源管理电路经D1为Vcc外部电容C1充电,同时为Fb预提供一个3.6V电压(Fb引脚对地应接入一只滤波电容),当Vcc的电压逐步上升至5V时,振荡器起振,电路开始工作,控制器为Fb开启一个约为25uA的对地电流源,电路进入正常工作。
PSA5000 硬件指南版权所有 © 2014-2016, Pulse Secure, LLC.保留所有权利。
所有商标均归其各自所有者所有。
所有规格如有变更,恕不另行通知。
对于本文档中的任何不准确之处,Pulse Secure, LLC 不承担任何责任。
Pulse Secure, LLC 保留变更、修改、转让或以其他方式修订本出版物的权利,恕不另行通知。
联系 Pulse Secure:Pulse Secure, LLC2700 Zanker Road, Suite 200San Jose, California 95134目录系统概述简介 (5)LED 控制面板 (5)控制面板按钮 (6)控制面板 LED 灯 (6)硬件规格系统测量 (9)额定功率 (9)环境要求 (10)组件规格 (10)监管认证 (10)安装至机架 (10)从哪里取得替换组件 (11)控制台与初始配置打开系统电源 (13)配置基本设置 (14)更改个性 (15)配置示例 (17)开启核心服务 (17)关闭系统 (19)访问网页管理界面 (19)为系统签发许可证 (20)安装准备安装 (22)选择安装位置 (22)机架物理预防措施 (23)一般服务器预防措施 (23)机架安装说明 (24)将机箱安装至标准机架 (24)标准警告与合规性关于标准警告 (26)安全认证 (26)电气安全 (26)一般安全 (27)安装说明 (27)断路器 (27)断电警告 (27)设备安装 (28)限制区 (28)冗余电源供电 (28)背板电压 (28)请遵守本地与本国电气法规 (28)产品废弃处理 (29)热插拔风扇警告 (29)电源电缆和 AC 适配器 (29)认证声明 (29)系统概述简介PSA5000 独特且高度优化的设计可用于小功率处理器平台。
配备效率增加 80%、低噪音的 200W 电源。
高性能风扇提供充分优化冷却。
本地管理控制台内部端口 (INT)电源开关远程网络管理外部端口 (EXT)注:为了增加系统安全性,已禁用 USB 接口。
FM01BTS/FM01BTD文件编号:S&CIC1270)充电器驱动IC功能描述FM01BTS/FM01BTD (文件编号:S&CIC1270) 充电器驱动IC电气参数VDD=5V , Vout=5V Ta=25℃, 除非另有说明。
参数 符号 测试条件 最小值 典型值 最大值单位开启电压 VDDon VDD 上升从0开始 5 5.8 -- V 关闭电压 VDDoff 开关打开之后VDD 下降2.5 2.8 -- V 工作电流 IDD 正常工作 -- 1 3 mA 启动电流 IDDst开关打开之前-- 30 50 uA效率 η -- -- 78 -- %前沿消隐时间 -- -- -- 600 -- ns 过温关断点-- -- -- 145 --℃性能介绍参数归纳项目规范 测试输入特性AC 输入电压范围AC 180V~264V AC 180V~264V待机功耗<0.3W 0.22W输出特性DC 输出电压 -- DC 5V~5.5V输出电流典型值(可调)-- 500mA~1A开启延迟时间<1S 0.5S保护开路保护 -- Pass短路保护-- PassFM01BTS/FM01BTDFM01BTS/FM01BTDFM01BTS/FM01BTD(文件编号:S&CIC1270)充电器驱动ICBOM表成品物料:序号名称规格用量备注1 PCB 30×53mm 1.2mm HB纸板 1 --R112 碳膜电阻 1.5M±5% 1/4WR213 碳膜电阻100K±5% 1/4WR3a、R3b24 碳膜电阻 4.7R±1% 1/4WR65 碳膜电阻510R±5% 1/4W1FR6 碳膜电阻10R±5% 1/2W1C17 电解电容 4.7uF/450V±20% 8×12 1C28 插件电容 4.7NF/250V CAP-41C39 电解电容10uF/50V±20% 4×7 110 电解电容10V 1000uF 5×11 1 C4D111 二极管FR107 DO-411D3112 二极管FR107 DO-41D7113 二极管SS34 SMA14 发光二极管∮3mm白发红普亮、短脚 1 LED115 变压器 EE13W卧式(FM01BTS) 1 T116 AC电子线Φ1.5×40mm 黑 2 AC1、AC2变压器规格结构图:骨架类型PIN数目针距排距备注EE13卧式、TDK PC40 4+4 2.5mm 12.1mm 卧式FM01BTS/FM01BTDFM01BTS/FM01BTD(文件编号:S&CIC1270)充电器驱动IC 应用板重要波形:VIN-AC=265V,Iout=1A时,三极管C脚波形如下:(VCE=540V,F=41KHZ)VIN-AC=220V,Iout=1A时,CS脚波形如下:(VCS=800mV,F=43KHZ)FM01BTS/FM01BTD(文件编号:S&CIC1270)充电器驱动ICVIN-AC=220V,Iout=0时,VCC(CH1)、CS(CH2)、C(CH4)波形如下:(VCC=5.2V,VCS=800mA,F=720HZ&2KHZ)VIN-AC=220V,Iout=1A时,VCC(CH1)、CS(CH2)、C(CH4)波形如下:(VCC=5.6V,VCS=800mA,F=41KHZ)FM01BTS/FM01BTD(文件编号:S&CIC1270)充电器驱动IC成品测试技术规范:1、适用范围:以下成品测试技术规范适用于本公司设计生产的FM01BTS、FM01BTD手机直充充电器。
Macroblock, Inc. 20142014年02月, V0.02 特色● 操作电压:3~5.5伏特 ● 16个恒流输出通道 ●恒流输出范围值:-在5伏特操作电压:1~20mA -在3.3伏特操作电压:1~10mA● 极为精确的电流输出值: 通道间最大差异值:<±2.5% 芯片间最大差异值:<±3%● 内建16K 位SRAM 内存支持1~32扫分时多任务扫描 ● 14/13位PWM 灰阶控制提升视觉更新率 ● 6位电流增益调整,12.5%~200% ●LED 故障排除-消除 LED 壞點造成的十字架現象 - LED 开路侦测● 内建消隐 ● GCLK 倍频技术 ●高达 30MHz 时钟频率产品说明MBI5153是专为LED 全彩显示屏应用设计的驱动芯片,使用者可使用14/13位的脉波宽度调变功能来达成灰阶控制。
MBI5153内建16位位移缓存器可以将串行的输入资料转换成每个输出通道的灰阶像数。
MBI5153的16个恒流输出通道所输出的电流值不受输出端负载电压影响,提供一致并且恒定的输出电流。
MBI5153的使用者可以经由选用不同阻值的外接电阻来调整MBI5153各输出级的电流大小。
除此之外,MBI5153的使用者还可以藉由可程序化的电流增益调整来调整64阶的整体LED 的驱动电流。
MBI5153内建SRAM 的创新架构,可支持最高32扫LED 扫描屏。
使用者仅需送一次完整的帧数据(frame data),并储存在LED 驱动芯片内的SRAM 。
此方式不但可节省数据频带,也可在非常低的数据时钟频率下达到高灰阶的效果。
藉由Scrambled-PWM (S-PWM) 的技术,MBI5153可加强脉波宽度调变的功能,并将导通的时间分散成数个较短的导通时间,因而增加了扫描屏的视觉更新率。
此外,MBI5153使用GCLK 的倍频技术,不需提高GCLK 频率即可让视觉更新率提升一倍。
BEIJING LMY ELECTRONICS CO.,LTDTX-KA106高频、特大功率 MOSFET 驱动芯片TX-KA106 产品手册BEIJING LMY ELECTRONICS CO.,LTDTX-KA106目录一.概述 .......................................................................................................................................... 4 二、原理框图 .................................................................................................................................. 4 三、电气参数 . (4)3.1 极限参数 ........................................................................................................................ 4 3.2 驱动特性 ........................................................................................................................ 5 3.3 工作条件 ........................................................................................................................ 5 3.4 短路保护性能 ................................................................................................................ 6 3.5 对驱动电源的要求 ........................................................................................................ 6 四、波形图 .. (6)4.1 软关断曲线 .................................................................................................................... 6 4.2 曲线说明 ........................................................................................................................ 6 五、尺寸结构 . (7)5.1 外形尺寸 ........................................................................................................................ 7 5.2 引脚说明 ........................................................................................................................ 7 六、应用电路说明 (8)6.1 驱动器低压信号侧的连接说明 (8)6.1.1 输入信号Vs........................................................................................................ 8 6.1.2 报警信号连接 .................................................................................................... 8 6.2 驱动器高压侧与驱动电源的连接 ................................................................................. 8 6.3 驱动器高压侧的输出连接 (9)6.3.1 驱动输出功率的计算 ........................................................................................ 9 6.3.2 与IGBT 的连接 ................................................................................................... 9 6.4 保护参数的设置 (9)6.4.1 盲区时间Tblind 的设置 .................................................................................... 9 6.4.2 短路保护阈值Vn 的设置 .................................................................................. 9 6.4.3 保护关断时间的调整 ...................................................................................... 10 6.5 驱动芯片的测试方法................................................................................................... 10 6.6 应用连接图 .................................................................................................................. 10 七、相关产品信息. (10)7.1 TX ‐PD107 DC ‐DC 模块电源 ....................................................................................... 10 7.2 TX ‐DA105D2 特大功率IGBT 驱动板 .......................................................................... 11 7.3 TX ‐QP102 死区电路 .................................................................................................... 11 八、常见问题 .. (11)BEIJING LMY ELECTRONICS CO.,LTDTX-KA106九、其它说明: (11)BEIJING LMY ELECTRONICS CO.,LTDTX-KA106TX-KA106 高频、特大功率MOSFET 驱动器一.概述∙ 高频MOSFET 单管驱动器,最高工作频率300KHz ∙ 特大功率输出,最大达12W ∙ 峰值电流电流40A ,最大输出电荷40uC ∙ 保护时快速关断,也可设置软关断 ∙ 用户需要设置栅极电阻和短路保护阈值 ∙ 使用单一20V 电源∙ MOSFET 的栅极充电和放电速度可分别调节 ∙也可用于高频IGBT 的驱动二、原理框图三、电气参数 3.1 极限参数符号 名称极限参数单位Vp 驱动电路供电电压 22 V Vs 直接加到信号输入端的电压 2.5 V Io驱动器输出瞬态峰值电流±40ABEIJING LMY ELECTRONICS CO.,LTDTX-KA106Po 驱动器最大输出功率12 W Viso 输入输出绝缘电压(50Hz/1min) 3.5 KV Rg 最小栅极电阻 0.5 Ω Fop最大开关频率300KHz3.2 驱动特性除另有指定外,均为在以下条件时测得:Ta=25,Vp=2℃0V,Fop=100KHz参数符号 测试条件最小值典型值 最大值单位 输入脉冲信号压降和电流幅值Vs Is =10mA 2 V Is9 10 12 mA输出电压Vo+14.5VVo--4.5输出电流Io+电容负载Ton=1μS,δ=0.0140AIo--40 栅极电阻 Rg 0.5 Ω 输出总电荷 Qout 40 μC 工作频率 Fop 0 300 KH 占空比 δ 0 100 % 最大驱动功率 Po 12 W上升延迟 Trd 0.5μS下降延迟 Tfd0.5 绝缘电压 VISO 50Hz/1 min 3500 Vrms 共模瞬态抑制CMR30KV/μS3.3 工作条件符号测 试 条 件最小值 典型值最大值 单位环境温度 Top ‐40 85 ℃ 存储温度Tst‐60140℃BEIJING LMY ELECTRONICS CO.,LTDTX-KA1063.4 短路保护性能除另有指定外,均为在以下条件时测得:Ta=25℃,Vp=24V,Fop=50KHz,模拟负载电容CL=220nF参数符号 测试条件最小值典型值最大值 单位 保护动作阈值 Vn用户设置,最大值为缺省值12 V 保护盲区 Tblind 用户设置,最小值为缺省值 0.2 μS 保护关断时间 Tsoft 用户设置,最小值为缺省值 μS 复位时间 Trst 11 mS 故障信号延迟 Tflt 3 μS 故障信号输出电流Iflt5mA3.5 对驱动电源的要求参 数 符号 测 试 条 件最小值 典型值 最大值 单位 输入电压Vp18 20 22 V输入电源电流IdCL=020mA 输出最大功率15W 时700四、波形图 4.1 软关断曲线4.2 曲线说明图中第一个短路信号时间很短,小于盲区时间Tblind ,也可能是个干扰信号,驱动输出不响应。
常用开关电源芯片大全第1章DC-DC电源转换器/基准电压源1.1 DC-DC电源转换器1.低噪声电荷泵DC-DC电源转换器AAT3113/AAT31142.低功耗开关型DC-DC电源转换器ADP30003.高效3A开关稳压器AP15014.高效率无电感DC-DC电源转换器FAN56605.小功率极性反转电源转换器ICL76606.高效率DC-DC电源转换控制器IRU30377.高性能降压式DC-DC电源转换器ISL64208.单片降压式开关稳压器L49609.大功率开关稳压器L4970A11.2A高效率单片开关稳压器L497812.1A高效率升压/降压式DC-DC电源转换器L597014.高效率1A降压单片开关稳压器LM1575/LM2575/LM2575HV15.3A降压单片开关稳压器LM2576/LM2576HV16.可调升压开关稳压器LM257717.3A降压开关稳压器LM259618.高效率5A开关稳压器LM267819.升压式DC-DC电源转换器LM2703/LM270420.电流模式升压式电源转换器LM273321.低噪声升压式电源转换器LM275022.小型75V降压式稳压器LM500723.低功耗升/降压式DC-DC电源转换器LT107324.升压式DC-DC电源转换器LT161525.隔离式开关稳压器LT172526.低功耗升压电荷泵LT175127.大电流高频降压式DC-DC电源转换器LT176528.大电流升压转换器LT193529.高效升压式电荷泵LT193730.高压输入降压式电源转换器LT195632.高压升/降压式电源转换器LT343333.单片3A升压式DC-DC电源转换器LT343634.通用升压式DC-DC电源转换器LT346035.高效率低功耗升压式电源转换器LT346437.大电流高效率升压式DC-DC电源转换器LT378238.微型低功耗电源转换器LTC175440.低噪声高效率降压式电荷泵LTC191141.低噪声电荷泵LTC3200/LTC3200-542.无电感的降压式DC-DC电源转换器LTC325143.双输出/低噪声/降压式电荷泵LTC325244.同步整流/升压式DC-DC电源转换器LTC340145.低功耗同步整流升压式DC-DC电源转换器LTC340246.同步整流降压式DC-DC电源转换器LTC340547.双路同步降压式DC-DC电源转换器LTC340748.高效率同步降压式DC-DC电源转换器LTC341649.微型2A升压式DC-DC电源转换器LTC342650.2A两相电流升压式DC-DC电源转换器LTC342851.单电感升/降压式DC-DC电源转换器LTC344052.大电流升/降压式DC-DC电源转换器LTC344254.直流同步降压式DC-DC电源转换器LTC370355.双输出降压式同步DC-DC电源转换控制器LTC373656.降压式同步DC-DC电源转换控制器LTC377057.双2相DC-DC电源同步控制器LTC380258.高性能升压式DC-DC电源转换器MAX1513/MAX151459.精简型升压式DC-DC电源转换器MAX1522/MAX1523/MAX152460.高效率40V升压式DC-DC电源转换器MAX1553/MAX155461.高效率升压式LED电压调节器MAX1561/MAX159962.高效率5路输出DC-DC电源转换器MAX156563.双输出升压式DC-DC电源转换器MAX1582/MAX1582Y64.驱动白光LED的升压式DC-DC电源转换器MAX158365.高效率升压式DC-DC电源转换器MAX1642/MAX164366.2A降压式开关稳压器MAX164467.高效率升压式DC-DC电源转换器MAX1674/MAX1675/MAX167668.高效率双输出DC-DC电源转换器MAX167769.低噪声1A降压式DC-DC电源转换器MAX1684/MAX168570.高效率升压式DC-DC电源转换器MAX169871.高效率双输出降压式DC-DC电源转换器MAX171572.小体积升压式DC-DC电源转换器MAX1722/MAX1723/MAX172473.输出电流为50mA的降压式电荷泵MAX173074.升/降压式电荷泵MAX175975.高效率多路输出DC-DC电源转换器MAX180076.3A同步整流降压式稳压型MAX1830/MAX183177.双输出开关式LCD电源控制器MAX187878.电流模式升压式DC-DC电源转换器MAX189679.具有复位功能的升压式DC-DC电源转换器MAX194780.高效率PWM降压式稳压器MAX1992/MAX199381.大电流输出升压式DC-DC电源转换器MAX61882.低功耗升压或降压式DC-DC电源转换器MAX62983.PWM升压式DC-DC电源转换器MAX668/MAX66984.大电流PWM降压式开关稳压器MAX724/MAX72685.高效率升压式DC-DC电源转换器MAX756/MAX75786.高效率大电流DC-DC电源转换器MAX761/MAX76287.隔离式DC-DC电源转换器MAX8515/MAX8515A88.高性能24V升压式DC-DC电源转换器MAX872789.升/降压式DC-DC电源转换器MC33063A/MC34063A90.5A升压/降压/反向DC-DC电源转换器MC33167/MC3416791.低噪声无电感电荷泵MCP1252/MCP125392.高频脉宽调制降压稳压器MIC220393.大功率DC-DC升压电源转换器MIC229594.单片微型高压开关稳压器NCP1030/NCP103195.低功耗升压式DC-DC电源转换器NCP1400A96.高压DC-DC电源转换器NCP140397.单片微功率高频升压式DC-DC电源转换器NCP141098.同步整流PFM步进式DC-DC电源转换器NCP142199.高效率大电流开关电压调整器NCP1442/NCP1443/NCP1444/NCP1445 100.新型双模式开关稳压器NCP1501101.高效率大电流输出DC-DC电源转换器NCP1550102.同步降压式DC-DC电源转换器NCP1570103.高效率升压式DC-DC电源转换器NCP5008/NCP5009104.大电流高速稳压器RT9173/RT9173A105.高效率升压式DC-DC电源转换器RT9262/RT9262A106.升压式DC-DC电源转换器SP6644/SP6645107.低功耗升压式DC-DC电源转换器SP6691108.新型高效率DC-DC电源转换器TPS54350109.无电感降压式电荷泵TPS6050x110.高效率升压式电源转换器TPS6101x111.28V恒流白色LED驱动器TPS61042112.具有LDO输出的升压式DC-DC电源转换器TPS6112x113.低噪声同步降压式DC-DC电源转换器TPS6200x114.三路高效率大功率DC-DC电源转换器TPS75003115.高效率DC-DC电源转换器UCC39421/UCC39422116.PWM控制升压式DC-DC电源转换器XC6371117.白光LED驱动专用DC-DC电源转换器XC9116118.500mA同步整流降压式DC-DC电源转换器XC9215/XC9216/XC9217 119.稳压输出电荷泵XC9801/XC9802120.高效率升压式电源转换器ZXLB16001.2 线性/低压差稳压器121.具有可关断功能的多端稳压器BAXXX122.高压线性稳压器HIP5600123.多路输出稳压器KA7630/KA7631124.三端低压差稳压器LM2937125.可调输出低压差稳压器LM2991126.三端可调稳压器LM117/LM317127.低压降CMOS500mA线性稳压器LP38691/LP38693 128.输入电压从12V到450V的可调线性稳压器LR8129.300mA非常低压降稳压器(VLDO)LTC3025130.大电流低压差线性稳压器LX8610131.200mA负输出低压差线性稳压器MAX1735132.150mA低压差线性稳压器MAX8875133.带开关控制的低压差稳压器MC33375134.带有线性调节器的稳压器MC33998136.低静态电流低压差稳压器NCP562/NCP563137.具有使能控制功能的多端稳压器PQxx138.五端可调稳压器SI-3025B/SI-3157B139.400mA低压差线性稳压器SPX2975140.五端线性稳压器STR20xx141.五端线性稳压器STR90xx142.具有复位信号输出的双路输出稳压器TDA8133143.具有复位信号输出的双路输出稳压器TDA8138/TDA8138A 144.带线性稳压器的升压式电源转换器TPS6110x145.低功耗50mA低压降线性稳压器TPS760xx146.高输入电压低压差线性稳压器XC6202147.高速低压差线性稳压器XC6204148.高速低压差线性稳压器XC6209F149.双路高速低压差线性稳压器XC64011.3 基准电压源150.新型XFET基准电压源ADR290/ADR291/ADR292/ADR293 151.低功耗低压差大输出电流基准电压源MAX610x152.低功耗1.2V基准电压源MAX6120155.低功耗精密低压降基准电压源REF30xx/REF31xx156.精密基准电压源TL431/KA431/TLV431A第2章AC-DC转换器及控制器1.厚膜开关电源控制器DP104C2.厚膜开关电源控制器DP308P3.DPA-Switch系列高电压功率转换控制器DPA423/DPA424/DPA425/DPA4264.电流型开关电源控制器FA13842/FA13843/FA13844/FA138455.开关电源控制器FA5310/FA53116.PWM开关电源控制器FAN75567.绿色环保的PWM开关电源控制器FAN76018.FPS型开关电源控制器FS6M07652R9.开关电源功率转换器FS6Sxx10.降压型单片AC-DC转换器HV-2405E11.新型反激准谐振变换控制器ICE1QS0112.PWM电源功率转换器KA1M088013.开关电源功率转换器KA2S0680/KA2S088014.电流型开关电源控制器KA38xx15.FPS型开关电源功率转换器KA5H0165R16.FPS型开关电源功率转换器KA5Qxx17.FPS型开关电源功率转换器KA5Sxx18.电流型高速PWM控制器L499019.具有待机功能的PWM初级控制器L599120.低功耗离线式开关电源控制器L659021.LINK SWITCH TN系列电源功率转换器LNK304/LNK305/LNK30622.LINK SWITCH系列电源功率转换器LNK500/LNK501/LNK52023.离线式开关电源控制器M51995A24.PWM电源控制器M62281P/M62281FP25.高频率电流模式PWM控制器MAX5021/MAX502226.新型PWM开关电源控制器MC4460427.电流模式开关电源控制器MC4460528.低功耗开关电源控制器MC4460829.具有PFC功能的PWM电源控制器ML482430.液晶显示器背光灯电源控制器ML487631.离线式电流模式控制器NCP120032.电流模式脉宽调制控制器NCP120533.准谐振式PWM控制器NCP120734.低成本离线式开关电源控制电路NCP121535.低待机能耗开关电源PWM控制器NCP123036.STR系列自动电压切换控制开关STR8xxxx37.大功率厚膜开关电源功率转换器STR-F665438.大功率厚膜开关电源功率转换器STR-G865639.开关电源功率转换器STR-M6511/STR-M652940.离线式开关电源功率转换器STR-S5703/STR-S5707/STR-S570841.离线式开关电源功率转换器STR-S6401/STR-S6401F/STR-S6411/STR-S6411F 442.开关电源功率转换器STR-S651343.离线式开关电源功率转换器TC33369~TC3337444.高性能PFC与PWM组合控制集成电路TDA16846/TDA1684745.新型开关电源控制器TDA1685046.“绿色”电源控制器TEA150447.第二代“绿色”电源控制器TEA150748.新型低功耗“绿色”电源控制器TEA153349.开关电源控制器TL494/KA7500/MB375950.Tiny SwitchⅠ系列功率转换器TNY253、TNY254、TNY25551.Tiny SwitchⅡ系列功率转换器TNY264P~TNY268G52.TOP Switch(Ⅱ)系列离线式功率转换器TOP209~TOP22753.TOP Switch-FX系列功率转换器TOP232/TOP233/TOP23454.TOP Switch-GX系列功率转换器TOP242~TOP25055.开关电源控制器UCX84X56.离线式开关电源功率转换器VIPer12AS/VIPer12ADIP57.新一代高度集成离线式开关电源功率转换器VIPer53第3章功率因数校正控制/节能灯电源控制器1.电子镇流器专用驱动电路BL83012.零电压开关功率因数控制器FAN48223.功率因数校正控制器FAN75274.高电压型EL背光驱动器HV8265.EL场致发光背光驱动器IMP525/IMP5606.高电压型EL背光驱动器/反相器IMP8037.电子镇流器自振荡半桥驱动器IR21568.单片荧光灯镇流器IR21579.调光电子镇流器自振荡半桥驱动器IR215910.卤素灯电子变压器智能控制电路IR216111.具有功率因数校正电路的镇流器电路IR216612.单片荧光灯镇流器IR216713.自适应电子镇流器控制器IR252014.电子镇流器专用控制器KA754115.功率因数校正控制器L656116.过渡模式功率因数校正控制器L656217.集成背景光控制器MAX8709/MAX8709A18.功率因数校正控制器MC33262/MC3426219.固定频率电流模式功率因数校正控制器NCP165320.EL场致发光灯高压驱动器SP440321.功率因数校正控制器TDA4862/TDA486322.有源功率因数校正控制器UC385423.高频自振荡节能灯驱动器电路VK05CFL24.大功率高频自振荡节能灯驱动器电路VK06TL第4章充电控制器1.多功能锂电池线性充电控制器AAT36802.可编程快速电池充电控制器BQ20003.可进行充电速率补偿的锂电池充电管理器BQ20574.锂电池充电管理电路BQ2400xB接口单节锂电池充电控制器BQ2402x7.2A同步开关模式锂电池充电控制器BQ241008.集成PWM开关控制器的快速充电管理器BQ29549.具有电池电量计量功能的充电控制器DS277010.锂电池充电控制器FAN7563/FAN756411.2A线性锂/锂聚合物电池充电控制器ISL629212.锂电池充电控制器LA5621M/LA5621V14.2A恒流/恒压电池充电控制器LT176915.线性锂电池充电控制器LTC173216.带热调节功能的1A线性锂电池充电控制器LTC173317.线性锂电池充电控制器LTC173418.新型开关电源充电控制器LTC198019.开关模式锂电池充电控制器LTC400220.4A锂电池充电器LTC400621.多用途恒压/恒流充电控制器LTC400823.可由USB端口供电的锂电池充电控制器LTC405324.小型150mA锂电池充电控制器LTC405425.线性锂电池充电控制器LTC405826.单节锂电池线性充电控制器LTC405927.独立线性锂电池充电控制器LTC406128.镍镉/镍氢电池充电控制器M62256FP29.大电流锂/镍镉/镍氢电池充电控制器MAX150130.锂电池线性充电控制器MAX150731.双输入单节锂电池充电控制器MAX1551/MAX155532.单节锂电池充电控制器MAX167933.小体积锂电池充电控制器MAX1736B接口单节锂电池充电控制器MAX181135.多节锂电池充电控制器MAX187336.双路输入锂电池充电控制器MAX187438.低成本/多种电池充电控制器MAX190839.开关模式单节锂电池充电控制器MAX1925/MAX192640.快速镍镉/镍氢充电控制器MAX2003A/MAX200341.可编程快速充电控制器MAX712/MAX71342.开关式锂电池充电控制器MAX74543.多功能低成本充电控制器MAX846A44.具有温度调节功能的单节锂电池充电控制器MAX8600/MAX860145.锂电池充电控制器MCP73826/MCP73827/MCP7382846.高精度恒压/恒流充电器控制器MCP73841/MCP73842/MCP73843/MCP73844 647.锂电池充电控制器MCP73861/MCP7386248.单节锂电池充电控制器MIC7905049.单节锂电池充电控制器NCP180050.高精度线性锂电池充电控制器VM7205。
DK106(BOM)-5V1A功能描述DK106芯片是专用小功率开关电源控制芯片,广泛用于电源适配器、LED电源、电磁炉、空调、DVD等小家电产品。
一、产品特点•采用双芯片设计,高压开关管采用双极型晶体管设计,以降低产品成本;控制电路采用大规模MOS数字电路设计,并采用E极驱动方式驱动双极型晶体芯片,以提高高压开关管的安全耐压值。
内建自供电电路,不需要外部给芯片提供电源,有效的降低外部元件的数量及成本。
•芯片内集成了高压恒流启动电路,无需外部加启动电阻。
•内置过流保护电路,防过载保护电路,输出短路保护电路,温度保护电路及光藕失效保护电路。
•内置斜坡补偿电路,保证在低电压及大功率输出时的电路稳定。
•内置PWM振荡电路,并设有抖频功能,保证了良好的EMC特性。
•内置变频功能,待机时自动降低工作频率,在满足欧洲绿色能源标准(<0.3W)同时,降低了输出电压的纹波。
•内置高压保护,当输入母线电压高于保护电压时,芯片将自动关闭并进行延时重启。
•内建斜坡电流驱动电路,降低了芯片的功耗并提高了电路的效率。
•4KV防静电ESD测试。
二、功率范围输入电压(85∼264Vac )(85∼145V ac )(180∼264V ac )最大输出功率6W8W8W三、封装与引脚定义引脚符号功能描述引脚符号功能描述1Gnd 接地引脚。
1HV 2Gnd 接地引脚。
2Nc 空脚或接地。
3Fb 反馈控制端。
3Fb 反馈控制端。
4Vcc 供电引脚。
4Vcc 供电引脚。
5678Collector输出引脚,连接芯片内高压开关管Col-lector 端,与开关变压器相连。
7,8Collector输出引脚,连接芯片内高压开关管Col-lector 端,与开关变压器相连。
5,6GND 引脚接地。
四、内部电路框图五、极限参数供电电压Vcc...........................................-0.3V--9V供电电流Vcc...........................................60mA引脚电压...........................................-0.3V--Vcc+0.3V 开关管耐压...........................................-0.3V--780V峰值电流...........................................400mA总耗散功率...........................................1000mW工作温度...........................................0℃--125℃储存温度...........................................-55℃--+150℃焊接温度...........................................+280℃/5S六、电气参数项目测试条件最小典型最大单位电源电压Vcc AC输入85V-----265V456V启动电压AC输入85V-----265V 4.85 5.2V关闭电压AC输入85V-----265V 3.64 4.2V电源电流Vcc=5V,Fb=2.2V102030mA 启动时间AC输入85V------500mS Collector保护电压L=2.4mH460480500V开关管耐压Ioc=1mA700------V开关管电流Vcc=5V,Fb=1.6V----3.6V320360400mA 峰值电流保护Vcc=5V,Fb=1.6V----3.6V380400420mA 振荡频率Vcc=5V,Fb=1.6V----2.8V606570KHz 变频频率Vcc=4.6V,Fb=2.8V----3.6V0.5--65KHz 抖频步进频率Vcc=4.6V,Fb=1.6V----2.8V0.81 1.2KHz 温度保护Vcc=4.6V,Fb=1.6V----3.6V120125130℃占空比Vcc=4.6V,Fb=1.6V----3.6V5---70%控制电压Fb AC输入85V-----265V 1.5--- 3.6V七、工作原理•上电启动:当外部电源上电时,直流高压经开关变压器传至芯片的COLLECTOR端(5678引脚),后经内建高压恒流启动电路将启动电流送至开关管Q1的B极,通过开关管Q1的电流放大(约为20倍放大)进入电源管理电路经D1为Vcc外部电容C1充电,同时为Fb预提供一个3.6V电压(Fb引脚对地应接入一只滤波电容),当Vcc的电压逐步上升至5V时,振荡器起振,电路开始工作,控制器为Fb开启一个约为25uA的对地电流源,电路进入正常工作。
上电原理图上电时序图•正常工作:电路完成启动后,振荡器开始工作,触发器的Q1,Q2输出高电平,高压晶体管与功率MOS管同时导通,开关电流经晶体管与功率MOS管接到40Ω电流取样电阻,并在电阻上产生与电流成正比的电压,(由于开关变压器分布电容的存在,在电路开通的瞬间有一个高的尖峰电流,为了不引起电路的误动作,在电路开通时启动一个前沿消隐电路将尖峰电流去除,消隐时间为250nS),控制端Fb电压经斜坡补偿后与取样电阻上的电压相加后与0.6V的基准电压相比较,当电压高于基准电压时比较器输出低电平,触发器的Q1,Q2输出低电平,高压晶体管与功率MOS管同时关断,COLLECTOR端电压上升,电路进入反激工作,在下一个振荡周期到时,电路将重新开始导通工作。
工作时序图电路在t1时间Vcc电压上升到5V,电路开启工作,Q2输出PWM信号,t2∼t3时间Vcc 电压高于6V,电路停止输出,Q2输出低电平,t3∼t4时间Vcc电压回到范围之内,电路正常工作,t4∼t5时间Vcc电压低于4V,电路停止输出,Q2输出低电平,t6时间Fb电压低于1.6V,开路开启一个24mS的定时器,PWM以最大占空输出,直到t7时间Fb电压还未能高于1.5V,电路开始重新启动,t9时间Vcc电压上升到5V,电路重新开启工作,t10时间Fb电压高于3.6V,电路停止输出。
•控制引脚Fb:Fb引脚外部应当连接一只电容,以平滑Fb电压,外接电容会影响到电路的反馈瞬态特性及电路的稳定工作,典型应用可在10nF∼100nF之间选择;当Fb电压高于1.5V而小于2.8V时,电路将以65KHz的频率工作,当Fb电压高于2.8V而小于3.6V时,电路将随着Fb的电压升高而降低频率,当Fb电压高于3.6V时,电路将停止振荡,当Fb电压小于1.5V时,电路将启动一个48mS的延时电路,如在此期间Fb 电压回复到1.5V以上,电路将继续正常工作,否则,芯片将进行重新启动,此电路完成了光藕失效的保护。
Is与Fb时序图Fb与工作频率(PWM)时序图•自供电电路:(已申请国家专利)芯片内建自供电电路,将电路的电源电压控制在5V 左右,以提供芯片本身的电流消耗,自供电电路只能提供自身的电流消耗,不能为外部电路提供能量。
•斜坡电流驱动:为了降低芯片的耗能及提高电路的效率,内部为高压晶体管的B极提供的基极电流采用了斜坡电流驱动技术,当开关电流Is为0时,基极电流约为20mA,随着开关电流的逐步增大,基极电流也逐步增大,当开关电流为300mA时,基极电流为50mA。
Ib与Is时序图•抖频电路:为了能满足EMC的要求,芯片内设有一个抖频电路,PWM的频率将以65KHz 的频率为中心,以1KHz的步进在8个频率点上运行,这样有效的降低了EMC的设计的复杂度及费用。
•热保护:芯片的温度达到125℃时,芯片将进行重新启动,直至芯片的温度降低到120℃以下,芯片才会重新进入正常工作状态。
•峰值电流保护:因外部的某种异常引起的电流过大时,当电流达到400mA时,芯片将进行重新启动。
•电源异常:因外部的某种异常引起的电源电压高于6V时,或电源电压低于4V时,芯片将进行重新启动。
•超压保护:芯片在完成启动后,芯片内部设定了一个电流的上升斜率检测电路,当外部的电压超高或者开关变压器的失效,都会引起电流的斜率变化,保护电路将会对电路进行重新启动,这样保证了高压晶体管的安全,同时对低频的浪涌电压进行了有效的保护。
斜率检测时序图根据电感电流公式I=U/L∗∆t可知,在电感不变时,在一个固定的时间上检测电流可计算出电压,芯片利用该原理在350nS时检测Is电流,当Is电流小于0.08V时,电路正常工作,当Is电流大于0.08V时,芯片进入异常保护;同理,当外部的电感器的电感量变小,也会让芯片进入异常保护;这样即可以保护母线电压过高引起的开关管的击穿,也可以保护因外部变压器的饱和或者短路引起的电感量下降导致Is电流过大,引起芯片的损坏。
直流母线保护电压与变压器电感量的关系图八、芯片测试8.1、耐压测试8.2、电性能测试九、典型应用一(12V/0.5A输出离线反激式开关电源)9.1元器件清单序号元件名称规格/型号位号数量备注1保险丝F1A/AC250V F112安规X电容104/AC275V C113二极管IN4007D1∼D444HER107D515SR1100D616稳压二极管11V/0.5W ZD117电解电容15UF/400V C21822UF/16V C4191000UF/25V C6110瓷片电容103/250V C3111103/25V C5112IC DK106IC1113PC817IC2114色环电阻器100K/0.25W R11153K/0.25W R2116470R/0.25W R3117变压器EE16T119.2变压器设计(只作参考)9.2.1参数确定:变压器设计时,需要先确定一些参数,(1)输入电压范围,(2)输出电压、及电流,(3)开关频率,(4)最大占空比;(1)输入电压范围AC85∼265V(2)输出电压、电流DC12V/0.5A(3)开关频率F=65KHz(4)最大占空比D=0.59.2.2磁心的选择:先计算出电源的输入功率P=P out/η(η指开关电源的效率,设为0.8),P out=V out∗Iout=12V∗0.5A=6W,P=6/0.8=7.5W。
我们可以通过磁心的制造商提供的图表进行选择,也可通过计算方式选择,我们查图表方式选择7.5W电源可用EE16或者EE19磁心,我们选择EE16磁心进行下一步的计算。
9.2.3计算原边电压Vs输入电压为AC80∼265V,计算最低电压下的最大功率,最低电压为80VV s=80∗1.3=100V(考虑了线路压降及整流压降)9.2.4计算导通时间T on=1/F∗D=1/65∗0.5=7.7uS;9.2.5计算原边匝数NpNp=V sT on∆Bac·AeNp――――原边匝数Vs――――原边直流电压(最低电压值)Ton――――导通时间∆Bac――――交变工作磁密(mT),设为0.2Ae――――磁心有效面积(mm2)EE16磁心为20mm2Np=(100∗7.7)/(0.2∗20)≈1929.2.6计算副边匝数NsNs――――副边匝数Np――――原边匝数Vout――――输出电压(包含线路压降及整流管压降,12V+1V=13V)Vor――――反激电压(设置该电压不高于150V,以免造成芯片过压损坏,本设计中设为100V)Ns=(13*192)/100=25匝9.2.7计算原边电感量LpLp=(V s∗T on)/IpLp――――原边电感量Ip――――原边峰值电流(芯片设定最大峰值电流320mA)Lp=(100*7.7)/320≈2.4(mH)9.2.8变压器的设计验证变压器的设计时最大磁感应强度不能大于0.4T,(铁氧体的饱和磁感应强度一般为0.4T左右),由于单端反激电路工作在B-H的第一象限,磁心又存在剩磁Br约为0.1T,所以最大的工作磁通Bmax最大只有0.4−0.1=0.3TBmax=(Ip∗Lp)/(Np∗Ae)Bmax=(400∗2.4)/(192∗20)=0.25Bmax<0.3证明设计合理9.2.9变压器的漏感由于变压器不是理想器件,在制造过程中一定会存在漏感,漏感会影响到产品的稳定及安全,所以要减小,漏电感应控制在电感量的5%以内,三明治绕线方式可以减小漏感。