汇川变频器常用参数
- 格式:doc
- 大小:95.50 KB
- 文档页数:6
汇川变频器常用参数
汇川变频器故障代码
想来生活,从来就不是阳春白雪的神话。
光阴的陌上,总有风自八方来,或许是忧凄,也许是欢喜,无论怎样,都是岁月最真的馈赠。
待到老去的那一日,偶尔有回忆念及了过往,依旧还会有初初的心动,流转了眉眼。
而那一路迤逦而来的美好,一步一步写就两个梅花小楷--- 日常。
暖阳小窗,无事此静坐。
杯盏光阴,又在指间如风轻过,回首,依稀还是那年秋,低低一低眉,却已是春光葳蕤。
光阴荏苒,而流年从来也不曾缺少错乱和犹疑。
是否在这样一个万物复苏的季节里,一切的纷扰是非,终究会给出一个水落石出的答案。
轻倚初春的门楣,且把盏清风,问心明月,让来者可来,去者可去,宿命里的拥有,一一欣喜悦纳。
而我也只需以花香绕肩的美,步履从容的,走过生命里的山山水水。
若说,那一程走旧的时光,已然温暖了我的眉眼。
那么,在明日那个花满枝桠的清晨,我依旧愿意轻踮了脚尖,重行在与你初见的陌上,只待,与你折柳重逢。
然后,在你温热的耳边,把一些前生来世的故事,反复的吟唱。
只盼,你在莞尔低眉时,与我轻轻的相和。
所谓素年锦时,或许就是这样的一程光阴吧。
私心里常想,最好的感觉,莫过于煨一味小众烟火,暖一世红尘时日,对坐心爱之人,行做欢喜之事。
即使偶尔有湿润盈满了眸底,也请相信,我的泪里,没有忧伤。
懂我的你,是否也如我一样,遗忘了所有的言语。
只是在掌心,一遍遍描摹一个人的名,那是切入骨髓的念,合着心脉的韵律,默默诉说一句话,让我们在这无边的春色里,相爱一场!。
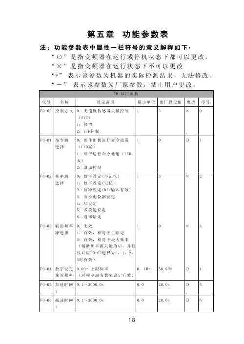
汇川变频器常用参数代码功能设定范围代码功能设定范围0-- 操作面板命令0- 无操作F0-00 命令源选择FP-011-- 端子命令参数初始化1- 恢复出厂值2-- 清除记录信息F0-01 频率源选择0-- 数字设定F8-00 多段速01--AL1 F8-01 多段速12--AL2 F8-02 多段速23--PULSE脉冲设定(DI5)F8-03 多段速34-- 多段速F8-04 多段速45--PLC F8-05 多段速56--PID F8-06 多段速67--AL1+AL2 F8-07 多段速78-- 通迅设定F8-08 多段速89--PID+AL110--PID+AL2F0-03 预置频率F0-04 最大频率F0-05 上限频率源0-- 数字设定(F0-06)1--AL12--AL23--PULSE脉冲设定(DI5)F0-06 上限频率数字设定F0-07 下限频率数字设定F0-09 加速成时间 1F0-10 减速成时间 1F1-02 电机额定电流F1-05 转矩提升F2-00 DI1 端子功能选择0-- 无功能F2-01 DI2 端子功能选择1-- 正转运行(FWD)F2-02 DI3 端子功能选择2-- 反转运行(REV)F2-03 DI4 端子功能选择3-- 三线式运行控制F2-04 DI5 端子功能选择13-- 多段速端子114-- 多段速端子215-- 多段速端子3F4-10 停机方式0-- 减速停机1-- 自由停机汇川变频器故障代码FB-20 第一次故障类型0-- 无故障1-- 保留2-- 加速过电流(ERR02)3-- 减速过电流(ERR03)4-- 恒速过电流(ERR04)5-- 加速过电压(ERR05)6-- 减速过电压(ERR06)7-- 恒速过电压(ERR07)8-- 缓冲电阻过载故障9-- 欠压故障(ERR09)(ERR08)10-- 变频过载(ERR10)11-- 电机过载(ERR11)12-- 输入缺相(ERR12)13-- 输出缺相(ERR13)14-- 模块过热(ERR14)15-- 外部故障(ERR15)16-- 通迅超时故障(ERR16)17-- 接触器吸合故障(ERR17)18-- 电流检测故障(ERR18)19-- 电机调谐故障(ERR19)20-- 保留(ERR20)21--EEPROM读写故障(ERR21)22-- 保留(ERR22)23-- 电机对地短路故障(ERR23)24-- 保留(ERR24)25-- 保留(ERR25)26-- 运行时间到达(ERR26)31-- 软件故障(ERR27)40-- 快速限流超时故障41-- 切换电机故障(ERR41)(ERR40)。
汇川变频器通讯参数(最新版)目录1.汇川变频器概述2.汇川变频器通讯参数的种类3.汇川变频器通讯参数的设置方法4.汇川变频器通讯参数的应用案例5.汇川变频器通讯参数的优缺点正文一、汇川变频器概述汇川变频器是一种用于调节交流电机转速的设备,它可以实现电机的平滑启动、停止和调速等功能。
在工业生产中,汇川变频器被广泛应用于纺织、印刷、包装、机械制造等领域,以提高生产效率和降低能耗。
二、汇川变频器通讯参数的种类汇川变频器的通讯参数主要包括以下几类:1.命令源选择:用于设置命令的来源,包括操作面板、端子、串行通讯口等。
2.频率源选择:用于设置频率的来源,包括数字设定、脉冲设定、多段速设定等。
3.数字频率记忆选择:用于设置数字频率是否记忆,包括不记忆、掉电记忆等。
4.参数初始化:用于初始化汇川变频器的参数,包括无操作、端子命令、恢复出厂值等。
5.清除记录信息:用于清除汇川变频器的记录信息。
三、汇川变频器通讯参数的设置方法设置汇川变频器通讯参数的方法如下:1.通过操作面板进行设置:操作面板上设有多个按键,通过按键可以进入参数设置界面,然后按照屏幕提示进行设置。
2.通过端子进行设置:将端子接入汇川变频器的设置模式,然后通过端子发送设置命令和参数。
3.通过串行通讯口进行设置:通过串行通讯口与计算机相连,使用专用软件进行参数设置。
四、汇川变频器通讯参数的应用案例在实际应用中,汇川变频器通讯参数可以帮助用户实现对电机的精确控制,提高生产效率和降低能耗。
例如,在纺织行业中,通过设置汇川变频器的通讯参数,可以实现对纺织机的精确控制,提高纺织效率和质量。
五、汇川变频器通讯参数的优缺点汇川变频器通讯参数的优点有:1.设置简便:通过操作面板、端子、串行通讯口等方式可以方便地进行参数设置。
2.控制精确:可以实现对电机的精确控制,提高生产效率和降低能耗。
3.稳定性高:汇川变频器通讯参数具有较高的稳定性,可以在各种工况下稳定运行。
缺点有:1.需要专业知识:设置汇川变频器通讯参数需要具备一定的专业知识,对于非专业人士来说有一定的难度。
主变频器用户自定功能码收线变频器用户自定码功能码名 称用户设定FP-01 出厂参数选择FP-01 出厂参数选择2FH-00拉丝机控制选择FH-00 拉丝机控制选择0F0-02命令源选择F0-02 命令源选择1F0-03主频率源X选择F0-03主频率源选择2F4-00D11=正转远行F4-00D11=正转运行1F4-01D12=大小盘选择F4-01D12=正转点动4F4-02D13=中拉机高低档切换 33F4-02D13=自由停机8F4-03D14=卷径复位F4-03D14=断线检测34F4-04D15=故障复位F4-04D15=断线复位9F4-13摆杆最低位置F5-02TA-TC=刹车19F4-15摆杆最高位置F5-04D01=故障输出2F5-02TA-TC=排线F8-00 点动频率6F5-04D01=故障输出FH-21断线检测方式1FH-01收线轮电机轮传动比FH-1910--20FH-02 最大卷轴直径FH-29断线自动复位1FH-03卷轴直径FH-30复位时间6FH-05 卷径滤波时间FH-01收线电机传动比FH-08最高速度17D14D20D B20FH-15 摆杆上升速度1.60.940.560.96FH-16FH-08最大线速度14D17D1200m/minFH-17断线下限20D24D2000m/minFH-19断线检测最低频率高速机DA2500m/minFH-20断线检测判断延时FH-09卷径计算是最低速度200m/min FH-21断线检测方式17D主频率65HZ FA-01 摆杆位置F5-10A01FA-05 F6-O3启动频率FA-06F6-04启动频率保持时间FA-071111323191.58.5321.3500270301500401 10 02 55。
汇川变频器参数设置汇川变频器(Huichuan VFD)是一种常用的电气设备,可用于控制和调节电机的转速和扭矩。
在使用汇川变频器之前,正确的参数设置对于保证设备的正常运行非常重要。
本文将介绍汇川变频器的参数设置方法,包括基本参数、保护参数和控制参数等。
基本参数设置1.电源供应方式:汇川变频器通常可以通过单相交流电源或三相交流电源供应。
根据实际情况选择正确的电源供应方式,并设置相应的参数。
2.电机类型:汇川变频器可以用于不同类型的电机,如感应电动机、同步电动机等。
根据所使用的电机类型进行设置,以确保变频器正常运行。
3.额定功率和电流:输入电源的额定功率和电流应与所连接的电机相匹配。
在设置参数时,应根据实际情况设置变频器的额定功率和电流值。
4.电机额定转速:设置电机的额定转速,以确保变频器正确控制电机的转速。
电机的额定转速通常可以从电机的型号规格中获取。
保护参数设置1.过载保护:设置适当的过载保护参数,以避免电机在超负荷工况下损坏。
过载保护参数通常包括过载电流和过温保护等。
2.短路保护:设置短路保护参数,以防止电机在短路情况下发生损坏。
短路保护参数通常包括短路电流和保护延时等。
3.低电压保护:设置适当的低电压保护参数,以避免电机在电源电压过低情况下无法正常工作。
低电压保护参数通常包括低电压限制和保护延时等。
控制参数设置1.起始频率:设置变频器的起始频率,即电机启动时的初始工作频率。
合理设置起始频率可以减少启动时的冲击和噪音。
2.最大输出频率:设置变频器的最大输出频率,以控制电机的最大工作转速。
根据实际需求设置最大输出频率。
3.加速时间和减速时间:设置电机的加速和减速时间,即从起始频率到最大输出频率的时间。
合适的加速和减速时间可以保证电机的平稳运行。
4.闭环控制:如果需要闭环控制,可以设置变频器的闭环控制参数。
闭环控制可以提高电机的控制精度和稳定性。
其他设置除了上述基本参数、保护参数和控制参数外,汇川变频器还提供了其他一些设置选项,如通信参数、维护参数等。
汇川变频器参数设置MD280编号功能码名称设定范围设定值备注F0-00命令源选择0:操作面板命令通道(LED灭)1:端子命令通道(LED亮)2:串行口通讯命令通道(LED 闪烁)1F0-01频率源选择0:数字设定(UP、DOWN调节)1:AI12:AI23:PULSE脉冲设定(DI5)4:多段速5:PLC 6:PID 7:AI1+AI28:通讯设定9:PID + AI110:PID + AI24F0-08加减速时间的0:s(秒)1:m(分)0F0-09加速时间10.00s(m)~300.00s(m)300F0-10减速时间10.00s(m)~300.00s(m)300F0-11载波频率0.5kHz~16.0kHz 机型确定F0-12运行方向0:方向一致1:方向相反0F2-00DI1端子功能选择1F2-01DI2端子功能选择13F2-02DI3端子功能选择14F2-03DI4端子功能选择15F2-04DI5端子功能F2-06端子命令方式0:两线式11:两线式22:三线式13:三线式20F3-02DO1输出选择4F3-03DO2输出选择1F3-06AO零偏系数-100.0%~100.0%0.0%F3-07AO增益-10.00~10.00 1.00F4-00启动方式0:直接启动1:转速跟踪启动1F4-01转速跟踪方式0:从停机频率开始1:从零速开始2:从最大频率开始0F4-10停机方式0:减速停机1:自由停机0F4-15制动使用率0%~100%100%汇川变频器(MD280)1:正转运行(FWD)2:反转运行(REV)9:故障复位(RESET)13:多段速端子114:多段速端子215:多段速端子3 1:变频器运行中4:频率到达F5-09反转控制0:允许反转1:禁止反转F5-17频率到达检出0.0%~100.0% 1.0%F8-01多段速0-100.0%~100.0%(上限频率F0-05)50.0%F8-02多段速1-100.0%~100.0%(上限频率F0-05)100.0%F8-03多段速2-100.0%~100.0%(上限频率F0-05)F8-04多段速3-100.0%~100.0%(上限频率F0-05)12.0%F8-05多段速4-100.0%~100.0%(上限频率F0-05)F8-06多段速5-100.0%~100.0%(上限频率F0-05)F8-07多段速6-100.0%~100.0%(上限频率F0-05)F8-08多段速7-100.0%~100.0%(上限频率F0-05)FB-04过压失速保护120%~150%150%FB-06过流失速保护100%~200%200%FP-00用户密码0~655350FP-01参数初始化0:无操作1:恢复出厂值2:清除记录信息F0.001F0.014F0.09300F0.10300F2.001F2.0113F2.0214F2.039F8.0250F8.03100FB.04150FB.06200汇川290制动单元75KW与380/500基本相同F0-00 2 风机,水泵类F0.01 2 V/F(MD380)F0-02 1 0操作面板,1端子命令F0-03 6 0面板给定,6多段速F0-08 0预置频率F0-17 300 加速时间F0-18 300 减速时间F3-18 过流失速动作电流汇川MD280两段速设置F3-23 0 过压失速禁止F4-00 1F4-01 12F4-02 13F4-03 14F4-04 9F5-04 4 DO1F6-00 1 速度跟踪启动F8-13 1防止反转F8-21 1频率到达检出宽度F9-02 100 电机过载系数F9-08 680 制动单元动作起始电压FC01 50 FC02 100FC03 80FC04 12。
汇川技术高压变频器性能参数手册概述本文档是关于汇川技术高压变频器的性能参数手册。
此手册旨在向用户提供详细的高压变频器性能参数信息,帮助用户了解产品的技术规格和性能指标。
产品介绍汇川技术高压变频器是一种用于电动机控制的电子设备。
它可以根据用户的需求和控制要求,对电机进行精确的调速和控制。
高压变频器在工业和商业领域广泛应用,提高了电机的效率和系统的稳定性。
技术规格以下是汇川技术高压变频器的主要技术规格:1. 输入电压范围:AC 380V~690V,50/60Hz2. 输出功率范围:1kW~5600kW3. 额定输出电流范围:2A~1000A4. 控制方式:V/F控制、矢量控制、矢量控制+矢量编码器反馈5. 控制精度:电压±1.0%、电流±0.5%6. 可编程输入输出:数字输入11路/数字输出7路/模拟输入4路/模拟输出2路7. 通信接口:RS485、Modbus、Profibus、Profinet等8. 防护等级:IP20(标准),IP21、IP54和IP66(可选)性能指标以下是汇川技术高压变频器的主要性能指标:1. 效率:≥ 98%2. 超载能力:150%额定电流持续运行1分钟,180%额定电流瞬时运行10秒钟3. 加减速时间:根据负载情况可调,快至0.01秒4. 输出频率范围:0~120Hz5. 过载能力:150%额定电流运行60秒,180%额定电流运行10秒6. 过电流保护:电流达到额定电流的150%时自动保护,可设定保护等级安装和操作详细的安装和操作指南将提供给购买汇川技术高压变频器的用户。
用户需要确保在安装和操作过程中遵守相关安全规定和技术要求,以保障设备运行的安全和稳定性。
免责声明本手册提供的所有信息和数据仅供参考,不构成对产品性能的任何明示或暗示的保证。
由于技术升级和产品改进的原因,手册中的信息可能会有所变动。
请在购买和使用汇川技术高压变频器之前,与厂家取得最新的产品资料和确认。
汇川变频器常用参数1. 额定功率(Rated Power):指变频器所能提供给电机的最大功率。
通常以单位为千瓦(kW)来表示,如2.2kW、3.7kW等。
2. 额定电流(Rated Current):指电机在额定负载下所需的电流大小。
通常以安培(A)为单位来表示,如5A、10A等。
3. 额定电压(Rated Voltage):指变频器所能适应的电源电压大小。
常见的额定电压有220V、380V等。
4. 输出电流(Output Current):指变频器输出给电机的电流大小。
通常以安培(A)为单位来表示,如5A、10A等。
5. 输出频率(Output Frequency):指变频器输出给电机的频率大小。
通常以赫兹(Hz)为单位来表示,如50Hz、60Hz等。
6. 输入电压范围(Input Voltage Range):指变频器所能适应的电源电压范围。
例如,220V±15%表示电源电压范围为187V~253V。
7. 控制方式(Control Mode):指变频器的控制方式,常见的控制方式有V/F控制、矢量控制等。
8. 转矩/速度曲线(Torque/Speed Curve):指变频器所能提供的转矩和速度之间的关系曲线。
这个曲线描述了在不同负载下电机的输出转矩和速度之间的变化规律。
9. 过载能力(Overload Capacity):指变频器在一段时间内能够承受的超负荷运行能力。
通常以百分比表示,如150%、200%等。
10. 效率(Efficiency):指变频器的能量转换效率。
通常以百分比表示,如96%、98%等。
11. 环境温度(Ambient Temperature):指变频器正常运行的环境温度范围。
通常以摄氏度(℃)表示,如-10℃~+50℃。
12. 保护功能(Protection Function):指变频器内置的各种保护功能,如过载保护、短路保护、过压保护等。
这些功能可以保护变频器和电机免受损坏。
汇川变频器常用参数代码功能设定范围代码功能0-- 操作面板命令F0-00命令源选择1-- 端子命令FP-01参数初始化F0-01频率源选择0-- 数字设定F8-00多段速 01--AL1F8-01多段速 12--AL2F8-02多段速 23--PULSE脉冲设定( DI5)F8-03多段速 34-- 多段速F8-04多段速 45--PLC F8-05多段速 56--PID F8-06多段速 67--AL1+AL2F8-07多段速 78-- 通迅设定F8-08多段速 89--PID+AL110--PID+AL2F0-03预置频率F0-04最大频率F0-05上限频率源0-- 数字设定 (F0-06)1--AL12--AL23--PULSE脉冲设定( DI5)F0-06上限频率数字设定F0-07下限频率数字设定F0-09 加速成时间 1F0-10 减速成时间 1F1-02电机额定电流F1-05转矩提升F2-00DI1 端子功能选择0--无功能F2-01DI2 端子功能选择1--正转运行 (FWD)F2-02DI3 端子功能选择2--反转运行 (REV)F2-03DI4 端子功能选择3--三线式运行控制F2-04DI5 端子功能选择13-- 多段速端子 114-- 多段速端子 215-- 多段速端子 3F4-10停机方式0-- 减速停机1-- 自由停机设定范围0- 无操作1- 恢复出厂值2-- 清除记录信息汇川变频器故障代码FB-20第一次故障类型0--无故障1--保留2--加速过电流( ERR02)3--减速过电流( ERR03)4--恒速过电流( ERR04)5--加速过电压( ERR05)6--减速过电压( ERR06)7--恒速过电压( ERR07)8-- 缓冲电阻过载故障9--欠压故障( ERR09)( ERR08)10--变频过载( ERR10)11--电机过载( ERR11)12--输入缺相( ERR12)13--输出缺相( ERR13)14--模块过热( ERR14)15--外部故障( ERR15)16--通迅超时故障( ERR16)17--接触器吸合故障( ERR17)18--电流检测故障( ERR18)19--电机调谐故障( ERR19)20--保留( ERR20)21--EEPROM读写故障( ERR21)22--保留( ERR22)23--电机对地短路故障( ERR23)24--保留( ERR24)25--保留( ERR25)26--运行时间到达( ERR26)31--软件故障( ERR27)40--快速限流超时故障41--切换电机故障( ERR41)(ERR40)。
汇川变频器580参数设置表一、基本参数设置1. 输入电压:根据实际需求选择合适的输入电压,通常为220V或380V。
2. 输出电压:根据驱动设备的电压要求设置输出电压,确保设备正常运行。
3. 输出频率:根据工艺需求和设备要求设置输出频率,通常范围为0-400Hz。
4. 输出功率:根据所驱动的设备功率需求设置输出功率,确保变频器能够满足设备的工作要求。
5. 控制方式:可选择V/F控制、空间矢量控制或无传感器矢量控制等控制方式,根据实际需求进行设置。
二、运行参数设置1. 加速时间:设置设备从停止状态加速到额定转速所需要的时间,根据设备特性和工艺要求进行设置。
2. 减速时间:设置设备从额定转速减速到停止状态所需要的时间,确保设备的安全停机。
3. 过载能力:根据设备的负载特性和工作环境设置变频器的过载能力,确保设备的正常运行。
4. 输出电流限制:根据设备的额定电流设置输出电流限制,防止设备因超载而损坏。
5. 输出频率限制:根据设备的工作要求和保护需求设置输出频率限制,防止设备工作在超出范围的频率下而受损。
三、保护参数设置1. 过流保护:设置过流保护阈值,当输出电流超过设定值时,及时切断输出,保护设备不受损坏。
2. 过压保护:设置过压保护阈值,当输出电压超过设定值时,及时切断输出,保护设备不受损坏。
3. 欠压保护:设置欠压保护阈值,当输出电压低于设定值时,及时切断输出,保护设备不受损坏。
4. 过载保护:设置过载保护阈值,当输出功率超过设定值时,及时切断输出,保护设备不受损坏。
5. 过热保护:设置过热保护阈值,当变频器温度超过设定值时,及时切断输出,保护设备不受损坏。
四、控制参数设置1. PID参数设置:当需要通过变频器控制设备的温度、压力等参数时,可以设置PID参数,实现精确控制。
2. 多速控制:根据设备的工艺要求,设置多个输出频率,实现设备在不同工况下的控制。
3. 启停方式:可以设置启停方式,如按键启停、外部信号启停等,方便根据实际需要控制设备的启停。
汇川CS700变频器参数此参数是本人依照连年起重机电气设计体会,并结合变频器供给商提供的资料总结而成,希望对从事同行业的朋友提供一些帮忙。
固然,若是哪位兄弟发觉其中的不足的地方还望给予指点,一起进步嘛!杨自成河南重工起重机集团功能码名称设定值A0.01 额定功率电机铭牌参数A0.02 额定电压 380VA0.03 额定电流电机铭牌参数A0.04 额定频率 50HZA0.05 额定转速电机铭牌参数A0.07 主频率源A选择 0 多段速A0.08 起重机构选择 0 起升机构b0.04 调谐选择 3 静态自学习b1.00 操纵方式选择 0 开环矢量操纵b3.01 DI1功能选择 1 正传b3.02 DI2功能选择 2 反传b3.03 DI3功能选择 8 多段速1b3.04 DI4功能选择 9 多段速2b3.05 DI5功能选择 10 多段速3b3.01 DI6功能选择 3 故障复位b3.14 继电器输出1选择 1 制动器操纵b3.15 继电器输出2选择 3 故障报警b4.02 加速方式 0 直线加减速b4.03 减速方式 0 直线加减速b5.00 多段速0 5HZb5.01 多段速1 15HZb5.03 多段速3 35HZb5.07 多段速7 50HZAF-01 参数初始化 1 恢复一级菜单出厂值b6.02 松闸频率 2HZb6.05 抱闸频率 2HZbF.04 命令源选择 1 端子命令通道bF.19 运行模式选择 0 应用模式(正常利用)1 调试模式变频器相关知识总结名词说明:一、载波频率:正弦波称为调制波,三角波称为载波,三角波的频率确实是载波频率。
载波频率对其他设备的干扰主若是由于高频电压和高频电流引发的。
载波频率越高,干扰也就越严峻,二、载波频率设置:变频器与电机距离太远,降低。
低速时速度和转矩有较大不稳,降低。
变频器对周围干扰降低,产生漏电流较大降低,电机产生金属声较大降低。
3、最低运行频率:即最小转速,低转速运行,散热性能很差,长时刻运行,会烧毁电机。
汇川变频器过载保护参数汇川变频器是一种用于调节电机转速的设备,广泛应用于工业生产中。
为了保护变频器和电机免受过载的损害,汇川变频器具备了丰富的过载保护参数。
本文将对汇川变频器的过载保护参数进行详细介绍。
1. 过载电流比(OLR)过载电流比是汇川变频器中的一个重要参数,用于设置电机的过载保护阈值。
通过设置适当的过载电流比,可以确保电机在超过额定负载时及时停机,避免电机过热或损坏。
过载电流比的设置应根据电机的额定电流和工作环境来确定,需要根据实际情况进行调整。
2. 过载时间(OLT)过载时间是指电机超过额定负载后保持运行的时间。
在汇川变频器中,可以设置过载时间来限制电机在超载状态下的运行时间。
当电机超过设定的过载时间后,变频器会自动停机,以防止电机因长时间超载而损坏。
过载时间的设置应根据电机的散热条件和负载特性进行合理调整。
3. 过载告警等级(OLW)过载告警等级用于设置过载保护的严重程度。
在汇川变频器中,可以设置过载告警等级分为多个级别,从低到高依次为1、2、3。
当电机超过额定负载时,变频器会根据设定的过载告警等级发出相应的告警信号。
通过设置适当的过载告警等级,可以根据实际需要进行及时的维护和处理。
4. 过载保护方式(OPL)过载保护方式是指变频器在检测到过载时采取的保护措施。
汇川变频器提供了多种过载保护方式,包括电流限制、矢量控制、逆变器限流等。
通过选择合适的过载保护方式,可以有效地保护电机免受过载损害,并确保系统的稳定运行。
除了以上几个常见的过载保护参数外,汇川变频器还提供了其他一些辅助参数,用于进一步优化过载保护功能。
例如,过载保护延时参数(OLD)用于设置电机超过额定负载后的延时时间,过载保护恢复参数(OLRST)用于设置电机过载后的恢复时间等。
在使用汇川变频器时,合理设置过载保护参数是非常重要的。
过高或过低的过载保护参数都可能造成电机运行异常甚至损坏。
因此,应根据实际情况和要求,结合电机的特性和工作环境,合理调整过载保护参数,以确保电机运行的安全可靠。
汇川变频器FF组参数设置指导1.运行设定参数:-R001设置变频器是否参与运行控制(0为不参与,1为参与)。
-R002设置变频器的运行状态(0为停止,1为运行)。
-R004设置变频器启动时的频率(单位为Hz)。
-R005设置变频器的最大频率(单位为Hz)。
-R006设置变频器的最小频率(单位为Hz)。
2.速度控制参数:-R010设置变频器的速度参考(0为恒速参考,1为外部速度调节参考)。
-R011设置变频器的速度调节比例(单位为%)。
-R012设置变频器的速度调节积分时间(单位为秒)。
3.转矩控制参数:-R020设置变频器的转矩参考(0为恒矩参考,1为外部转矩调节参考)。
-R021设置变频器的转矩调节比例(单位为%)。
-R022设置变频器的转矩调节积分时间(单位为秒)。
4.过载保护参数:-R030设置变频器的过载保护等级(单位为%)。
-R031设置变频器的过载保护时间(单位为秒)。
5.故障保护参数:-R040设置变频器的过流故障保护电流(单位为A)。
-R041设置变频器的过热故障保护温度(单位为摄氏度)。
-R042设置变频器的过压故障保护电压(单位为V)。
-R043设置变频器的低压故障保护电压(单位为V)。
以上只是汇川变频器FF组参数设置的一部分内容,具体参数的设置可以根据实际需求和设备要求进行调整。
在设置参数时,请务必确保对设备有一定的了解和经验,以避免操作错误或引发故障。
另外,为了确保设备的安全性和可靠性,建议在进行参数设置之前,先详细阅读汇川变频器的操作手册,并按照操作手册中的指导进行操作。
总之,通过合理设置汇川变频器的参数,可以实现对电机的精确控制,提高设备的性能和效率。
希望以上内容能对您有所帮助!。