汇川变频器说明书样本
- 格式:docx
- 大小:86.43 KB
- 文档页数:27
工业自动化 | 电梯 | 新能源汽车 | 工业机器人 | 轨道交通HVD100系列高性能变频器HVD100系列是汇川技术适用于供热、给水、风机、水处理等风机水泵类行业。
并为这类行业提供行业需要的控制功能。
高性能、高品质、高功率密度设计,以及在易用性、可维护性、环保性、安装空间和设计标准等方面的显著提升,可进一步优化用户的使用体验。
Contents 目录产品优势技术参数外形尺寸技术规范选配件端子接线图公司介绍03 07 08 12 14 15 16全球通用满足包括欧洲,北美,印度等在内的380-480V三相电网需求。
符合国际标准的宽电压设计满足欧盟C3,C2等要求,对于EMC要求高的场合可以提供综合解决方案。
更高的安全及认证,CE、UL、CUL、ROHS,满足高端用户的设备出口认证要求。
注:部分机型UL认证还在进行中。
03/04结构紧凑天生小谐波,对笨重的高谐波方案say No!18.5G/22P及以上系列都可以内置H级绝缘等级,可有效提高变频器的输入侧功率因数,提高整机效率和热稳定性,有效消除高次谐波和对外传导辐射干扰,消除直流电抗器外置的安全隐患和占用电气安装空间的困扰。
内置直流电抗器精细化设计,体积减少30%最大减少体积30%,减少安装面积70% ( 110kW 单个);选用新一代IGBT模块技术,结温高,功率密度大,机器体积更小,能量更大。
0.4G/0.75P - 75G/90P内置制动单元;制动能力强:短时制动能力可达1.1~1.4倍变频器额定功率;制动保护更全面、智能化:具有制动电阻短路保护、制动回路过流保护、制动管过载保护、制动管直通检测等。
完善的直流制动回路方案性能卓越智能节能功能飞车启动通过电压磁通矢量算法,实现对输出电压的闭环控制;在电机转矩要求低时,根据负载电流减小励磁电流;最大化的提高电机效率;减少电机损耗 ,减小能量损耗。
可避免因直接启动造成的过流故障,实现平稳启动;可减少瞬间停电对生产的影响;可减少对电网的冲击。
汇川变频器D500说明书
汇川变频器D500面板按键说明
1:改变方向。
按此键可改变电动机的旋转方向。
2:启动变频器。
3:停止变频器运行。
4:电动机点动。
在变频器无输出的情况下,按下此键,将使电动机启动,并按预先设置的点动频率运行。
释放此键时变频器停止运行。
5:访问参数。
按此键可访问变频器的参数。
6:减小数值。
按此键可减小面板上显示的数值。
7:增大数值。
按此键可增大面板上显示的数值。
8:此键用于浏览辅助信息。
按下此键并保持不动,将从运行时的任何一个参数开始浏览,显示的数据有直流回路电压(用d 表示)、输出电流(A)、输出频率(Hz)、输出电压(0)、P0005选定的数值。
9:状态显示。
显示变频器当前使用的设置值。
MD380-高性能矢量变频器说明书前言前 言首先感谢您购买MD380系列变频器!MD380系列变频器与MD320系列应用场合一致,电机控制性能较MD320变频器有明显提高,并可实现异步电机和永磁同步机控制,增加了用户可编程功能及后台监控软件,支持多种PG卡,功能更强大。
本说明书介绍了如何正确使用MD380系列变频器。
在使用(安装、运行、维护、检查等)前,请务必认真阅读本使用说明书。
另外,请在理解产品的安全注意事项后再使用该产品。
注意事项●为了说明产品的细节部分,本说明书中的图例有时为卸下外罩或安全遮盖物的状态。
使用本产品时,请务必按规定装好外壳或遮盖物,并按照说明书的内容进行操作。
●本使用说明书中的图例仅为了说明,可能会与您订购的产品有所不同。
●由于产品升级或规格变更,以及为了提高说明书的便利性和准确性,本说明书的内容会及时进行变更。
●由于损坏或遗失而需要订购使用说明书时,请与本公司各区域代理商联系,或直接与本公司客户服务中心联系。
●如果您使用中仍有一些使用问题不明,请与本公司客户服务中心联系。
●全国统一服务电话:400-777-1260前言 MD380-高性能矢量变频器说明书简 介相对于MD320,MD380变频器主要在以下几个方面有明显提升:1)丰富的电压等级支持单相220V、三相220V、三相380V、三相480V、三相690V、三相1140V六个电压等级。
2)丰富的电机种类支持支持三相交流异步电机、三相交流永磁同步电机的矢量控制。
3)丰富的控制方式除有速度传感器矢量控制、无速度传感器矢量控制、V/F控制外,还支持V/F分离控制。
4)丰富的现场总线支持Modbus-RTU、Pro fi bus-DP、CANlink、CANopen四种总线。
5)丰富的编码器类型支持差分编码器、开路集电极编码器、旋转变压器、UVW编码器等。
6)全新的无速度传感器矢量控制算法全新的SVC(无速度传感器矢量控制)相比MD320变频器,带来更好的低速稳定性,更强的低频带载能力,而且支持SVC的转矩控制。
序言感谢您采用汇川公司的MD300A系列变频器。
MD300A系列是在广泛的市场调研基础上开发的高性能,通用功能型变频器。
本产品继承了汇川公司产品的优点,具有V/F和开环矢量两种控制方式,保证了极佳的低频转矩特性和动态响应性能。
在功能上,通过市场调研,对客户功能需求的汇总细分,增加了许多功能,使得该系列产品真正是一种具有通用功能的高性能变频器。
本手册提供给使用者安装,参数调整,异常问题诊断和日常保养的相关注意事项的详细说明。
请在安装使用之前详细阅读本使用手册,并妥善保管,以备将来维修保养参考。
以下为特别注意事项:◆ 安装配线时,请务必切断电源。
切断交流电源后,机器内部的电容存储的电荷需要一段时间的泻放,请等待至少5分钟以上才能触摸内部器件和组件。
◆ 机器内部许多部件都是静电敏感器件,请勿触摸电路板或将异物掉到机器内部造成短路。
◆ 变频器的接地端子需要用多芯线可靠接地。
◆ 绝不可将交流输入电源接到变频器输出端子U,V,W上。
◆ 外接制动电阻只能接在P,PB端子之间。
目录第一章交货检查和安全注意事项 (1)1.1 开箱检查项目 (1)1.2 安装注意事项 (1)1.3 运行、保养注意事项 (2)1.4 保养项目 (3)第二章产品信息 (5)2.1 MD300A系列变频器产品型号命名规则 (5)2.2 铭牌 (5)2.3 MD300A变频器系列 (6)2.4 MD300A系列技术规范 (7)2.5 外型及安装尺寸 (11)2.6 推荐线径和外围附件 (13)第三章设备安装 (15)3.1 机械部分安装 (15)3.2 基本电气安装 (15)第四章操作与显示 (23)4.1 操作与显示界面介绍 (23)4.2 参数修改和运行状态显示切换操作 (25)4.3 电机参数自动调谐 (27)第五章功能参数表 (29)第六章参数说明 (46)F0组基本功能组 (46)F1组电机参数 (57)F2组矢量与V/F控制参数 (59)F3组端子输入输出 (62)F4组起停控制参数 (65)F5组故障与保护 (67)F6组辅助功能 (71)F7组通讯参数 (77)FF组厂家参数(保留) (78)FP组用户密码 (79)第七章故障诊断及对策 (80)7.1 故障报警及对策 (80)7.2 常见故障及其处理方法 (95)第一章交货检查和安全注意事项1.1 开箱检查项目本产品在出厂时已经经过严格的出厂检验,并作可靠的包装处理。
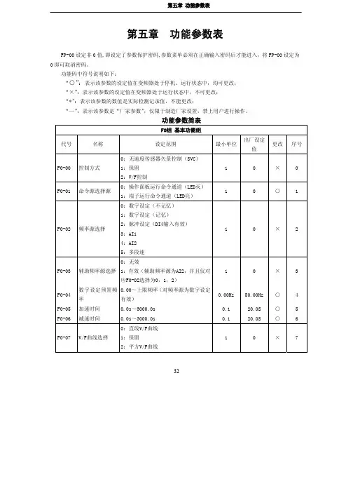
32第五章 功能参数表FP-00设定非0值,即设定了参数保护密码,参数菜单必须在正确输入密码后才能进入,将FP-00设定为0即可取消密码。
功能码中符号说明如下:“○”:表示该参数的设定值在变频器处于停机、运行状态中,均可更改; “×”:表示该参数的设定值在变频器处于运行状态中,不可更改; “*”:表示该参数的数值是实际检测记录值,不能更改;“—”:表示该参数是“厂家参数”,仅限于制造厂家设置,禁上用户进行操作。
功能参数简表F0组 基本功能组代号名称设定范围最小单位出厂设定值更改序号F0-00控制方式0:无速度传感器矢量控制(SVC)1:保留 2:V/F控制1×F0-01命令源选择源0:操作面板运行命令通道(LED灭) 1:端子运行命令通道(LED亮) 1○1F0-02频率源选择0:数字设定(不记忆) 1:数字设定(记忆)2:脉冲设定(DI4输入有效) 3:AI1 4:AI2 5:多段速 1×2F0-03辅助频率源选择 0:无效1:有效(辅助频率源为AI2,并且仅对应F0-02选择为0,1,2)1×3F0-04 数字设定预置频率 0.00~上限频率(对频率源为数字设定有效) 0.00Hz 50.00Hz ○ 4 F0-05 加速时间 0.0s~3000.0s 0.1 20.0S ○ 5 F0-06减速时间0.0s~3000.0s 0.120.0S○6F0-07V/F曲线选择0:直线V/F曲线1:保留 2:平方V/F曲线1×7F0-08 V/F控制转矩提升0.0:(自动)0.0%~30.0%0.1% 0.0% ○ 8F0-09 DI1端子功能选择1 1 × 9F0-10 DI2端子功能选择1 4 × 10F0-11 DI3端子功能选择1 12 × 11F0-12 DI4端子功能选择0:无功能1:正转运行(FWD)2:反转运行(REV)3:三线式控制4:正转点动(FJOG)5:反转点动(RJOG)6:端子UP7:端子DOWN8:自由停车9:故障复位(RESET)10:保留11:外部故障常开输入12:多段速端子113:多段速端子214:外部故障常闭输入15:保留16:AI1与AI2给定切换17~18:保留19:UP/DOWN设定清零(端子、键盘)20:运行命令切换端子21:保留(输入选择PULSE时,DI4选择任何功能均无效,只能对应PULSE输入)1 13 × 12F0-13 DO输出选择 0:无输出1:变频器运行中2:故障输出3:频率到达1 1 ○ 13F0-14 AO输出选择 0:运行频率1:设定频率2:输出电流3:PULSE输入(对应设定)4:AI1(对应设定)5:AI2(对应设定)1 0 ○ 14F0-15 启动方式 0:直接启动1:转速跟踪再启动1 0 × 1533F0-16 停机方式 0:减速停车1:自由停车1 0 ○ 16F1组 电机参数F1-00 电机类型选择 0:普通异步电动机1:变频异步电动机2:永磁同步电动机(保留)1 0 × 17F1-01 额定功率 0.1kW~1000.0kW 0.1 机型确定 × 18 F1-02 额定电压 0V~440V 1 380V × 19 F1-03 额定电流 0.00A~655.35A 0.01 机型确定 × 20 F1-04 额定频率 0.00Hz~最大频率 1 50.00Hz × 21 F1-05 额定转速 0rpm~30000rpm 1 1460rpm × 22 F1-06 定子电阻 0.001Ω~65.535Ω 0.001Ω机型确定 ○ 23 F1-07 转子电阻 0.001Ω~65.535Ω 0.001Ω机型确定 ○ 24 F1-08 漏感抗 0.01mH~655.35mH 0.01 mH机型确定 ○ 25 F1-09 互感抗 0.01mH~655.35mH 0.1 mH机型确定 ○ 26 F1-10 空载电流 0.01A~650.00A 0.01A 机型确定 ○ 27F1-11 调谐选择 0:无操作1:静止调谐2:完整调谐1 0 × 28F2组 矢量与VF控制参数F2-00 矢量控制速度环比例增益11~100 1 30 ○ 29F2-01 矢量控制速度环积分时间10.01s~10.00s 0.01s 0.50s ○ 30F2-02 矢量控制PI参数切换频率10.00~F2-05 0.01Hz 5.00Hz ○ 31F2-03 矢量控制速度环比例增益21~100 1 25 ○ 32F2-04 矢量控制速度环积分时间20.01s~10.00s 0.01s 1.00 ○ 33F2-05 矢量控制PI参数切换频率2F2-02~50.00Hz 0.01Hz10.00Hz ○ 34F2-06 矢量控制转差补偿系数50%~200% 1% 100% ○ 3534F2-07 矢量控制速度环滤波时间/VF控制AVR选择 0.000s~1.000s0.001s0.002s ○ 36F2-08 矢量控制转矩上限5.0%~200.0% 0.1% 150.0% ○ 37F2-09 V/F控制转差补偿系数0.0%~200.0% 0.1% 0.0% ○ 38F2-10 V/F控制振荡抑制增益0~100 1 0 ○ 39F3组 端子输入输出F3-00 端子控制方式(FWD/REV)0:两线式1:三线式1 0 × 40F3-01 端子UP/DOWN速率0.01Hz/s~100.00Hz/s 0.01Hz/s 1.00Hz/s ○ 41F3-02 AI最小输入 0.00V~10.00V 0.01V 0.00V × 42F3-03 AI最小输入对应设定-100.0%~100.0% 0.1% 0.0% × 43F3-04 AI中间1输入 0.00V~10.00V 0.01V 5.00V × 44F3-05AI中间1输入对应 -100.0%~100.0%0.1% 50.0% × 45F3-06 AI中间2输入 0.00V~10.00V 0.01V 8.00V × 46 F3-07AI中间2输入对应-100.0%~100.0% 0.1% 80.0% × 47 F3-08 AI最大输入 0.00V~10.00V 0.01V 10.00V × 48F3-09 AI最大输入对应设定-100.0%~100.0% 0.1% 100.0% × 49F3-10 PULSE(脉冲)输入最大频率0.00kHz~50.00kHz 0.01Hz50.00kHz ○ 50F3-11 输入滤波时间 0.01s~10.00s 0.01s 0.01s ○ 51 F3-12 AO零偏系数 -100.0%~100.0% 0.1% 0.1% ○ 52 F3-13 AO增益 -10.00~10.00 0.01 1.00 ○ 5335F4组 启停控制参数F4-00 停机直流制动开始频率0.00Hz~50.00Hz0.01Hz0.00Hz ○ 54F4-01 停机直流制动等待时间0.0s~36.0s0.1s 0.0s ○ 55F4-02 停机直流制动电流0%~100% 1% 0% ○ 56F4-03 停机直流制动时间0.0s~36.0s 0.1s 0.0s ○ 57F4-04 制动使用率 0%~100% 1% 100% ○ 58F5组 保护功能F5-00 电机过载保护选择0:禁止1:允许1 1 ○ 59F5-01 电机过载保护系数0.50~10.00 0.01 1.00 ○ 60F5-02 过压失速增益 0(无过压失速)~100 1 0 ○ 61 F5-03 过压失速点 120%~150% 1% 130% ○ 62 F5-04 过流失速增益 0(无过流失速)~100 1 20 ○ 63 F5-05 过流失速点 100%~200% 1% 150% ○ 64F5-06 故障自动复位次数0~3 1 0 ○ 65F5-07 故障自动复位间隔J时间0.1s~100.0s 0.1s 1.0s ○ 66F5-08 输入缺相保护选择0:禁止1:允许1 1 ○ 67F5-09 变频器掉载保护选择0:禁止1:允许1 1 × 6836F5-10 故障记录类型 0:无故障1:逆变单元保护(ERR01)2:加速过电流(ERR02)3:减速过电流(ERR03)4:恒速过电流(ERR04)5:加速过电压(ERR05)6:减速过电压(ERR06)7:恒速过电压(ERR07)8:控制电源故障(ERR08)9:欠压故障(ERR09)10:变频器过载(ERR10)11:电机过载(ERR11)12:输入缺相(ERR12)13:输出缺相(ERR13)14:散热器过热(ERR14)15:外部故障(ERR15)16:保留17:保留18:电流检测故障(ERR18)19:电机调谐故障(ERR19)20:保留21:EEPROM存储异常(ERR21)22:变频器硬件故障(ERR22)23:电机对地短路故障(ERR23)24:保留- 0 * 69F5-11 故障时刻频率 - 0.01Hz0.00Hz * 70 F5-12 故障时刻电流 - 0.01A 0.00A * 71F5-13 故障时刻母线电压-0.1V 0.0V * 72F6组 辅助功能F6-00 最大输出频率 50.00Hz~300.00Hz 0.01Hz50.00Hz × 73 F6-01 上限频率 下限频率~最大输出频率 0.01Hz50.00Hz ○ 74 F6-02 下限频率 0.00~上限频率 0.01Hz0.00Hz ○ 75 F6-03 载波频率 0.5kHz~16.0kHz 0.1kHz与机型有关 ○ 76 F6-04 点动频率 0.00Hz~50.00Hz 0.01Hz 2.00Hz ○ 77 F6-05 点动加速时间 0.0s~3000.0s 0.1 20.0s ○ 78 F6-06 点动减速时间 0.0s~3000.0s 0.1 20.0s ○ 7937F6-07 反转控制 0:允许反转1:禁止反转 10 ○ 80F6-08 正反转死区时间 0.0s~3000.0s 0.1s 0.0s ○ 81F6-09 启动保护功能 0:保护1:不保护1 0 ○ 82F6-10 频率到达检出宽度0.0%~100.0%(最大输出频率) 0.1% 0.0% ○ 83F6-11 MF.K功能选择 0:无功能1:本地操作与远程操作切换2:正反转切换3:点动1 0 × 84F6-12 STOP/RESET键功能所有状态RESET复位功能有效0:端子控制时,STOP停机功能无效1:端子控制时,STOP停机功能有效1 0 ○ 85F6-13 上电对地短路保护检测0:无效1:有效1 1 × 86F6-14 多段速0 负最大输出频率~最大输出频率 0.1Hz 0.0Hz ○ 87 F6-15 多段速1 负最大输出频率~最大输出频率 0.1Hz 5.0Hz ○ 88 F6-16 多段速2 负最大输出频率~最大输出频率 0.1Hz 10.0Hz ○ 89 F6-17 多段速3 负最大输出频率~最大输出频率 0.1Hz 15.0Hz ○ 90 F6-18 散热器温度 0℃~150℃ 1℃ * 91F6-19 软件版本号 00.00~99.99 0.01 当前软件版本号* 92FF 厂家参数FF-00 厂家密码 0~65535 1 - ○ 93FP 用户密码与参数初始化FP-00 用户密码 0~65535 1 0 ○ 103FP-01 参数初始化 0:无操作1:恢复出厂设定值2:清除故障记录1 0 × 10438。
汇川变频器说明书汇川变频器说明书1. 简介汇川变频器是一种用于调节电机输出转速的装置。
它通过改变电源频率来调整电机转速,以实现对电机的精确控制。
本说明书将介绍汇川变频器的主要特点、工作原理及操作方法。
2. 特点- **精确控制**:汇川变频器可以精确调节电机的转速,以满足不同的工艺需求。
- **高效能**:采用先进的变频技术,汇川变频器能够提供高效能的能源转换,减少能源浪费。
- **稳定可靠**:汇川变频器具有稳定的性能和可靠的工作,能够长时间稳定运行。
- **多功能**:汇川变频器支持多种控制方式,可根据需要进行设置。
- **环保节能**:使用汇川变频器可以减少排放,降低环境污染。
3. 工作原理汇川变频器主要由电源模块、控制模块和输出模块组成。
- 电源模块:负责为整个变频器提供稳定的电源。
电源输入可以根据实际需求,接入不同的电源供应方式。
- 控制模块:通过调节电源频率来改变电机转速。
控制模块根据输入信号,通过逻辑运算和控制算法计算出相应的输出信号。
- 输出模块:将控制模块计算出的输出信号传递给电机,实现对电机转速的精确控制。
输出模块采用先进的功率变换技术,以提供高效能的能源转换。
4. 操作方法汇川变频器的操作方法如下:1. **接线**:将电源线正确地接入电源模块,并将电机线正确连接到输出模块。
2. **设置参数**:按照实际需求,在控制模块的界面上进行参数设置。
根据操作手册的指引,设置合适的电源频率和转速范围。
3. **启动**:根据实际需求,启动汇川变频器并观察电机的转速变化。
电机应该平稳启动,转速应该逐渐达到设定值。
4. **监控**:根据需要,可以使用监控工具来实时监测汇川变频器的运行状态。
监控工具可以显示电机转速、电流等参数。
5. **停止**:当不需要使用汇川变频器时,应将其停止工作。
按照操作手册的指引,正确地停止变频器的运行。
5. 安全事项为了确保安全操作汇川变频器,需要注意以下事项:- 在操作汇川变频器之前,先读取并理解本说明书中的内容。
MD380-高性能矢量变频器说明书前言前 言首先感谢您购买MD380系列变频器!MD380系列变频器与MD320系列应用场合一致,电机控制性能较MD320变频器有明显提高,并可实现异步电机和永磁同步机控制,增加了用户可编程功能及后台监控软件,支持多种PG卡,功能更强大。
本说明书介绍了如何正确使用MD380系列变频器。
在使用(安装、运行、维护、检查等)前,请务必认真阅读本使用说明书。
另外,请在理解产品的安全注意事项后再使用该产品。
注意事项●为了说明产品的细节部分,本说明书中的图例有时为卸下外罩或安全遮盖物的状态。
使用本产品时,请务必按规定装好外壳或遮盖物,并按照说明书的内容进行操作。
●本使用说明书中的图例仅为了说明,可能会与您订购的产品有所不同。
●由于产品升级或规格变更,以及为了提高说明书的便利性和准确性,本说明书的内容会及时进行变更。
●由于损坏或遗失而需要订购使用说明书时,请与本公司各区域代理商联系,或直接与本公司客户服务中心联系。
●如果您使用中仍有一些使用问题不明,请与本公司客户服务中心联系。
●全国统一服务电话:400-777-1260前言 MD380-高性能矢量变频器说明书简 介相对于MD320,MD380变频器主要在以下几个方面有明显提升:1)丰富的电压等级支持单相220V、三相220V、三相380V、三相480V、三相690V、三相1140V六个电压等级。
2)丰富的电机种类支持支持三相交流异步电机、三相交流永磁同步电机的矢量控制。
3)丰富的控制方式除有速度传感器矢量控制、无速度传感器矢量控制、V/F控制外,还支持V/F分离控制。
4)丰富的现场总线支持Modbus-RTU、Pro fi bus-DP、CANlink、CANopen四种总线。
5)丰富的编码器类型支持差分编码器、开路集电极编码器、旋转变压器、UVW编码器等。
6)全新的无速度传感器矢量控制算法全新的SVC(无速度传感器矢量控制)相比MD320变频器,带来更好的低速稳定性,更强的低频带载能力,而且支持SVC的转矩控制。
MD280系列通用变频器用户手册前言前言首先感谢您购买汇川技术开发生产的MD280系列变频器!MD280系列变频器是一款通用多功能变频器,对交流异步电机进行V/F控制,可用于驱动纺织、造纸、拉丝、机床、包装、食品、风机、水泵及各种自动化生产设备。
MD280系列变频器启动力矩大,调试简单,可实现8段速运行,系统闭环过程控制和组网功能等。
本手册介绍了MD280系列变频器的配置功能及使用方法。
请在理解产品的安全注意事项后再使用该产品。
在初次使用(安装、运行、维护、检查等)MD280系列变频器前,请务必认真阅读本使用说明书。
设备配套厂家请将此说明书随设备发送给终端用户,方便后续的使用参考。
简介 MD280系列通用变频器用户手册简介MD280系列基本配置和功能如下:输入输出端子5×DI(DI5可以选择为高速输入口)2×AI(AI2 可选电压或电流输入,同时AI2 还可选择为键盘电位器给定)2×DO1×AO(可选电压/电流输出,也可通过FM选择为频率输出或DO输出)1×继电器输出控制方式V/F模拟给定方式直线模式多段速可实现8段速简易PLC可实现8段定时运行摆频及定长控制有通讯功能自带485 通讯口PID控制有V/F方式直线V/F,多点V/F,平方V/F开箱验货:在开箱时,请认真确认:1)本机铭牌的型号及变频器额定值是否与您的订货一致。
箱内含您订购的机器、产品合格证、用户操作手册及保修单。
2)产品在运输过程中是否有破损现象;若发现有某种遗漏或损坏,请速与本公司或您的供货商联系解决。
初次使用:对于初次使用本产品的用户,应先认真阅读本手册。
若对一些功能及性能方面有所疑惑,请咨询我公司的技术支持人员,以获得帮助,对正确使用本产品有利。
由于致力于产品的不断改善,因此本公司所提供的资料如有变更,恕不另行通知。
MD280系列变频器符合下列国际标准:●IEC/EN 61800-5-1:2003可调速电气传动系统安规要求;●IEC/EN 61800-3:2004可调速电气传动系统;第三部分:产品的电磁兼容性标准及其特定的试验方法(按照7.3.2及7.3.6在正确安装和正确使用的条件下,满足IEC/EN61800-3标准要求)。
汇川(INOVANCE)MD300变频器说明书汇川(INOVANCE)MD300变频器说明书一、产品概述汇川(INOVANCE)MD300变频器是一款高性能的电机控制设备,主要用于控制交流电动机的转速和转矩。
该变频器性能稳定可靠,具有精准的控制能力和广泛的应用领域。
二、产品特点1. 宽电压输入范围:适用于不同的电压标准和环境要求。
2. 多种控制模式:支持各种控制方式,如开环控制、闭环控制等。
3. 多重保护功能:具备过载保护、短路保护、欠压保护等多重安全保护功能。
4. 友好的界面设计:操作简便、显示清晰,方便用户设置和监控参数。
5. 多种通信接口:支持Modbus、Profibus等多种通信协议,可实现与其他设备的联动控制。
三、安装与调试1. 电气连接:首先确保电源和电机接线正确,接地可靠,然后进行电气连接测试。
2. 参数设置:根据实际使用需求,设置相应的参数,包括最大输出频率、电机额定功率等。
3. 功能调试:进行启动和停止测试,观察变频器运行情况,调整参数以获得最佳控制效果。
4. 防护措施:定期检查设备运行状态,及时更换损坏部件,确保设备安全运行。
四、维护与保养1. 定期清洁:保持变频器表面清洁,防止灰尘积累影响散热效果。
2. 维护检查:定期检查设备连接状态、散热情况,发现问题及时修复或更换零部件。
3. 参数备份:定期备份设备参数,以防止参数丢失对设备正常运行造成影响。
4. 特殊环境使用:在潮湿、高温或腐蚀性环境中使用时,需采取相应的防护措施。
五、注意事项1. 设备应在室内干燥通风处使用,避免阳光直射和潮湿环境。
2. 运行过程中应注意设备散热情况,防止过热影响设备寿命。
3. 禁止私自拆解设备,如需维修请联系专业人员进行操作。
4. 注意防雷保护,避免雷击对设备造成损坏。
六、售后服务1. 汇川(INOVANCE)为用户提供全面的售后服务支持,包括技术咨询、设备维修等。
2. 如有任何问题或需求,请及时与公司客服联系,我们将尽力为您解决。
※使用前请认真阅读此说明书
BPJ1-90/660
矿用隔爆兼本安型低压交流变频器
使用说明书
Operation instructions
执行标准:GB3836—2010
MT1099—2009
Q/HZZ TC48—2013
版本号:VER1.0
出版日期:2014.11.20
株洲天成自动化技术有限责任公司
Zhuzhou Tiancheng Automation Technology Co.,LTD
变频器控制端子连接操作台控制端子,请按随机附带的电气图纸正确接线。
U、V、W变频器输出端子连接三相电动机
R、S、T三相电源输入端子交流输入三相电源连接点
PE:
l端子必须可靠接地,接地线阻值必须小于0.1Ω。
否则会导致设备工作异常甚至损坏。
l不可将接地端子
1、控制板上相关接触器未吸合1、更换控制板
十、运输、贮存
1)运输
包装后的变频器在避免雨雪直接淋袭的条件下,可适用于水运、陆运及空运等各种运输方式。
2)贮存
包装后的变频器能在温度为-10℃~+40℃,相对湿度不大于90%的环境中储存1年以上。
十一、保养、维修
1)维修时注意隔爆面的保护,防止密封圈丢失。
2)注意:在使用及维修时,严禁带电开盖,断电10分钟后才可开盖。
十二、订货须知
1)订货时请注明产品型号、规格、电压等级、数量。
2)收货单位及名称、详细地址和到站。
十三、随机附件
1)产品说明书1份
2)产品合格证1份。
前言首先感谢您购买使用汇川技术开发生产的MD500系列变频器!MD500系列变频器是一款通用高性能电流矢量变频器,主要用于控制和调节三相交流异步电机的速度和转矩,是MD380系列的技术升级产品。
MD500采用高性能的矢量控制技术,低速高转矩输出,具有良好的动态特性、超强的过载能力,具备用户可编程功能及后台软件监控、通讯总线功能,支持多种编码器类型,组合功能丰富强大,性能稳定。
可用于纺织、造纸、拉丝、机床、包装、食品、风机、水泵及各种自动化生产设备的驱动。
初次使用对于初次使用本产品的用户,应先认真阅读本手册。
若对一些功能及性能方面有所疑惑,请咨询我公司的技术支持人员,以获得帮助,对正确使用本产品有利。
符合标准见EMC问题整改部分。
版本变更记录MD500系列通用变频器综合手册版本变更记录版本变更记录MD500系列通用变频器综合手册目录前言 (2)版本变更记录 (4)安全注意事项 (9)第一章产品信息 (15)1.1 铭牌及型号 (15)1.2 各部件说明 (16)第二章系统连接 (21)2.1 MD500系统连接图 (22)2.2 MD500系统构成说明 (23)第三章安装与接线 (24)3.1 安装 (24)3.1.1 安装环境 (24)3.1.2 安装空间与方向 (25)3.1.3 壁挂式和嵌入式安装 (27)3.1.4 机柜内安装 (30)3.1.5盖板的拆卸与安装 (39)3.2 接线 (42)3.2.1 标准接线图 (42)3.2.2 主回路端子功能说明及注意事项 (43)3.2.3 主回路端子分布及尺寸 (48)3.2.4 主回路接线工具要求 (58)3.2.5 控制板 (60)3.2.6 控制回路端子分布 (61)3.2.7控制回路端子接线说明 (62)3.2.8控制回路端子电缆尺寸机紧固力矩 (68)3.2.9 外引操作面板线缆走线 (69)3.2.10 接线检查表 (69)第四章面板操作 (70)4.1 面板操作说明 (70)4.2 LED操作面板介绍 (70)4.2.1功能指示灯 (70)4.2.2 LED显示区 (71)4.2.3 键盘按钮功能 (72)4.2.4参数查看、修改方法 (72)4.2.5 参数组成 (74)4.2.6 参数查阅 (75)4.2.7 多功能按键操作 (79)4.3 LCD操作面板介绍 .........................................80第五章基本操作与试运行 . (82)5.1 快速调试指南 (82)5.2 变频器调试总流程图 (83)5.3 接通电源前确认事项 (86)5.4 接通电源后显示状态确认 (86)5.5 参数初始化 (86)5.6 电机控制方式选择依据 (87)5.7 频率指令选择 (87)5.7.1 操作面板数字设定 (87)5.7.2 模拟量输入(AI) (88)5.7.3 数字脉冲输入(DI5) (90)5.7.4 主频率通讯给定 (90)5.7.5 多段速指令 (91)5.8 启动和停机命令 (92)5.8.1 操作面板启停 (92)5.8.2 端子启停(DI) (92)5.8.3 通讯启停 (95)5.9 启动过程设置 (95)5.9.1 启动方式选择 (95)5.9.2 启动频率 (96)5.10 停机过程设置 (97)5.10.1 停机方式选择 (97)5.10.2 停机直流制动 (98)5.11 加减速时间设置 (98)5.12 观察运行状态 (99)5.12.1 数字量输出DO (99)5.12.2 模拟量输出AO (100)5.13 自学习 (101)第六章参数说明 (103)6.1运行指令设定方法 (103)6.2频率指令输入方法 (108)6.2.1选择主频率指令的输入方法 (108)6.2.2 通过“操作面板”设定主频率(数字设定) (110)6.2.3 通过“模拟量”设定主频率 (110)6.2.4 通过“脉冲”设定主频率 (115)6.2.5 通过“多段指令”设定主频率 (116)6.2.6 通过“简易PLC”设定主频率 (119)6.2.7 通过“PID”设定主频率 (121)6.2.8 通过“通讯”设定主频率 (125)6.2.9选择辅助频率指令的输入方法 (126)6.2.10选择主、辅频率叠加指令的输入方法 (128)6.2.11运行指令绑定主频率指令 (129)6.2.12频率指令极限(频率设定) (130)6.2.13低于下限频率动作设定 (130)6.3启停方法 (131)6.3.1启动方法 (131)6.3.2 停止方式 (133)6.3.3加减速时间和曲线设定 (134)6.4 电机调谐 (136)6.5.控制性能 (139)6.5.1 V/F曲线的设定 (139)6.5.2变频器输出电流(转矩)限制 (141)6.5.3变频器过压失速抑制 (142)6.5.4 提高V/F运行性能 (143)6.5.5 速度环 (144)6.5.6 矢量控制转差调节 (144)6.5.7 SVC速度反馈稳定性 (145)6.5.8 转矩上限 (145)6.5.9电流环参数说明 (148)6.5.10 提高弱磁区性能 (148)6.5.11 FVC运行及性能提升 (148)6.5.12辅助控制参数 (150)6.6保护功能 (150)6.6.1启动保护 (150)6.6.2 电机过载保护设定 (151)6.6.3缺相保护设定 (152)6.6.4故障复位 (153)6.6.5故障动作保护选择 (153)6.6.6电机过热保护选择 (154)6.6.7瞬时停电连续运行(瞬停不停) (154)6.6.8掉载保护 (155)6.6.9过速保护 (156)6.6.10速度偏差过大保护 (156)6.6.11欠压点、过压点设定、快速限流保护 (156)6.7监视 (156)6.8 工艺功能 (163)6.8.1定长控制功能 (163)6.8.2计数功能 (164)6.8.3第二电机参数 (164)6.8.4用户可编程多功能卡功能 (166)6.8.5主从控制 (170)6.9输入输出端子 (175)6.9.1 数字输入端子功能(DI) (175)6.9.2 数字输出端子功能(DO) (178)6.9.3 虚拟数字输入端子功能(VDI) (181)6.9.4 虚拟数字输出端子功能(VDO) (182)6.9.5 模拟量输入端子 (183)6.9.6 模拟量、脉冲输出端子 (184)6.10通讯 (187)6.10.1 读写参数 (188)6.10.2读取状态参数 (190)6.10.3控制命令 (191)6.10.4设定频率、转矩 (193)6.10.5控制数字输出(DO、RELAY、FMR) (193)6.10.6控制模拟量输出、高速脉冲输出(AO、FMP) 1946.10.7初始化参数 (194)6.11辅助功能 (194)6.11.1点动运行 (194)6.11.2跳频、正反转死区时间、反向频率禁止 (195)6.11.3 用户定制参数 (197)6.11.4 频率检测(FDT) (197)6.11.5频率到达检出幅度 (198)6.11.6 加减速时间切换频率点 (198)6.11.7 任意到达频率检测值 (199)6.11.8 零电流检测 (199)6.11.9输出电流超限 (200)6.11.10 任意到达电流 (200)6.11.11 定时功能 (201)6.11.12 AI1电压保护上下限 (201)6.11.13 模块温度 (201)6.11.14 散热风扇 (201)6.11.15 休眠与唤醒 (202)6.11.16 本次运行达到时间 (202)6.11.17 输出功率校正 (202)6.11.18 急停减速时间 (202)第七章故障诊断及对策 (203)7.1 安全注意事项 (203)7.2 变频器试运行前的调整指南 (203)7.3 变频器的警报及故障显示 (205)7.4 故障发生后变频器的再起动方法 (205)7.5 故障报警及对策 (206)7.6常见故障及处理方法 (210)第八章日常保养与维护 (212)8.1 日常保养 (212)8.1.1 日常检查项目 (213)8.2定期检查 (214)8.2.1 定期检查项目 (214)8.2.2 主回路绝缘测试 (215)8.3变频器易损件更换 (215)8.3.1 易损件寿命 (215)8.3.2 冷却风扇的使用数量 (216)8.3.3 冷却风扇更换 (217)8.3.4 滤波电解电容 (220)8.4变频器的存储 (220)8.5变频器的保修说明 (221)第九章规格与选型 (222)9.1 MD500 变频器技术规格与尺寸 (222)9.1.1 技术规格 (222)9.1.2 外型与安装尺寸 (227)9.2选配件一览表 (231)9.3 嵌入式安装支架及开孔尺寸(选配件) (232)9.4 底部安装支架尺寸 (243)9.5 线缆、断路器、接触器选型指导 (244)9.6 交流输入电抗器选型指导 (251)9.7 EMC滤波器选型指导 (259)9.7.1 标准EMC滤波器 (259)9.7.2 简易EMC输入滤波器 (264)9.7.3 安规电容盒和磁环 (266)9.8 制动组件选型指导 (268)9.8.1 制动电阻阻值的选择 (268)9.8.2 制动电阻功率的选择 (268)9.8.3 制动组件选型表 (269)9.8.4 制动单元外形与安装尺寸 (271)9.8.5 AFE单元外形与安装尺寸 (271)9.9 交流输出电抗器选型指导 (271)9.10 DV/DT电抗器选型指导 (277)9.11 输出磁环选型指导 (279)9.12 适配电机选型指导 (280)9.13 外引操作面板安装尺寸 (282)9.13.1 MD32NKE1外引操作面板 (282)第十章应用案例 (283)10.1 主频率源+辅助频率源设定频率应用 (283)10.2 简易PLC的应用 (285)10.3 多段速频率设定频率应用 (287)10.4 模拟量给定恒转矩控制应用 (289)10.5 Modbus- RTU通讯控制应用 (291)10.6 CANLink 3.0总线通讯应用 (293)10.7 张力控制的PID功能应用 (296)10.8 恒压供水闭环PID应用 (298)10.9 Profibus-DP通讯应用 (301)第十一章选配卡 (305)11.1 扩展卡的安装与功能说明 (305)11.1.1 扩展卡的安装 (305)11.1.2 扩展卡的功能说明 (306)11.2 多功能扩展卡的使用 (307)11.2.1 MD38IO1端子分布与功能说明 (307)11.2.2 MD38IO2端子分布与功能说明 (310)11.2.3 MD38IO3端子分布与功能说明 (311)11.2.4 MD38PC1(可编程卡)端子分布与功能说明 31211.2.5 接线及注意事项 (314)11.3 通讯扩展卡的使用 (315)11.3.1 CANlink扩展卡(MD38CAN1)端子分布与功能说明 (315)11.3.2 CANopen扩展卡(MD38CAN2)端子分布与功能说明 (317)11.3.3 RS-485扩展卡(MD38TX1)端子分布与功能说明31911.3.4 Profibus-DP扩展卡(MD38DP2)端子分布与功能说明 (322)11.3.4 Profinet 通讯扩展卡(MD500-PN1)端子分布与功能说明 (325)11.4 编码器扩展卡的使用 (326)11.4.1 编码器扩展卡规格 (326)11.4.2 多功能PG卡(MD38PGMD) (328)11.4.3 旋转变压器PG卡(MD38PG4) (330)11.4.4 PG卡屏蔽层接地说明 (331)11.4.5 EMC指导 (331)附录A 国外标准对应 (332)A.1 对应欧洲标准时的注意事项 (332)A.1.1 符合低电压指令的条件 (332)A.1.2 符合EMC指令的条件 (334)A.1.3 EMC标准介绍 (334)A.1.4 电缆要求及布线 (335)A.1.5 漏电流抑制 (335)A.1.6 常见EMC问题解决建议 (336)A.2 对应UL标准时的注意事项 (336)附录B 通讯 (341)B.1 通讯数据地址定义 (341)B.1.1 MD500参数数据 (341)B.1.2 MD500非参数数据 (342)B.2 Modbus通讯协议 (344)B.2.1 应用方式 (344)B.2.2 总线结构 (344)B.3 通讯资料结构 (345)B.4 参数参数地址标示规则 (347)B.5 FD组通讯参数说明 (350)附录C 功能参数表 (351)C.1 基本功能参数简表 (351)C.2 监视参数简表 (379)安全注意事项MD500系列通用变频器综合手册安全注意事项安全声明 ◆在安装、操作、维护产品时,请先阅读并遵守本安全注意事项。
张力控制专用变频器MD330用户手册(ver:)第一章概述本手册需与《MD320用户手册》配合使用。
本手册仅介绍与卷曲张力控制有关的部分,其他的基本功能请参考《MD320用户手册》。
当张力控制模式选为无效时,变频器的功能与MD320完全相同。
MD330用于卷曲控制,可以自动计算卷径,在卷径变化时仍能够获得恒张力效果。
在没有卷径变化的场合实现恒转矩控制,建议使用MD320变频器。
选用张力控制模式后,变频器的输出频率和转矩由张力控制功能自动产生,F0组中频率源的选择将不起作用。
第二章张力控制原理介绍一、典型收卷张力控制示意图二、张力控制方案介绍对张力的控制有两个途径,一是可控制电机的输出转矩,二是控制电机转速,对应这两个途径,MD330设计了两种张力控制模式。
A、开环转矩控制模式开环是指没有张力反馈信号,变频器仅靠控制输出频率或转矩即可达到控制目的,与开环矢量或闭环矢量无关。
转矩控制模式是指变频器控制的是电机的转矩,而不是频率,输出频率是跟随材料的速度自动变化。
根据公式F=T/R(其中F为材料张力,T为收卷轴的扭矩,R为收卷的半径),可看出,如果能根据卷径的变化调整收卷轴的转矩,就可以控制材料上的张力,这就是开环转矩模式控制张力的根据,其可行性还有一个原因是材料上的张力只来源于收卷轴的转矩,收卷轴的转矩主要作用于材料上。
MD系列变频器在闭环矢量(有速度传感器矢量控制)下可以准确地控制电机输出转矩,使用这种控制模式,必须加装编码器(变频器要配PG卡)。
与开环转矩模式有关的功能模块:1、张力设定部分:用以设定张力,实际使用中张力的设定值应与所用材料、卷曲成型的要求等实际情况相对应,需由使用者设定。
张力锥度可以控制张力随卷径增加而递减,用于改善收卷成型的效果。
2、卷径计算部分:用于计算或获得卷径信息,如果用线速度计算卷径需用到线速度输入功能部分,如果用厚度累计计算卷径需用到厚度累计计算卷径相关参数功能部分。
MD380-高性能矢量变频器说明书前言前 言首先感谢您购买MD380系列变频器!MD380系列变频器与MD320系列应用场合一致,电机控制性能较MD320变频器有明显提高,并可实现异步电机和永磁同步机控制,增加了用户可编程功能及后台监控软件,支持多种PG卡,功能更强大。
本说明书介绍了如何正确使用MD380系列变频器。
在使用(安装、运行、维护、检查等)前,请务必认真阅读本使用说明书。
另外,请在理解产品的安全注意事项后再使用该产品。
注意事项●为了说明产品的细节部分,本说明书中的图例有时为卸下外罩或安全遮盖物的状态。
使用本产品时,请务必按规定装好外壳或遮盖物,并按照说明书的内容进行操作。
●本使用说明书中的图例仅为了说明,可能会与您订购的产品有所不同。
●由于产品升级或规格变更,以及为了提高说明书的便利性和准确性,本说明书的内容会及时进行变更。
●由于损坏或遗失而需要订购使用说明书时,请与本公司各区域代理商联系,或直接与本公司客户服务中心联系。
●如果您使用中仍有一些使用问题不明,请与本公司客户服务中心联系。
●全国统一服务电话:400-777-1260前言 MD380-高性能矢量变频器说明书简 介相对于MD320,MD380变频器主要在以下几个方面有明显提升:1)丰富的电压等级支持单相220V、三相220V、三相380V、三相480V、三相690V、三相1140V六个电压等级。
2)丰富的电机种类支持支持三相交流异步电机、三相交流永磁同步电机的矢量控制。
3)丰富的控制方式除有速度传感器矢量控制、无速度传感器矢量控制、V/F控制外,还支持V/F分离控制。
4)丰富的现场总线支持Modbus-RTU、Pro fi bus-DP、CANlink、CANopen四种总线。
5)丰富的编码器类型支持差分编码器、开路集电极编码器、旋转变压器、UVW编码器等。
6)全新的无速度传感器矢量控制算法全新的SVC(无速度传感器矢量控制)相比MD320变频器,带来更好的低速稳定性,更强的低频带载能力,而且支持SVC的转矩控制。
汇川MD320系列变频器用户手册汇川MD320系列变频器用户手册1、引言1.1 介绍1.2 目的1.3 范围2、系统概述2.1 架构2.2 输入/输出2.3 接口3、安装与配置3.1 安装要求3.2 安装步骤3.3 配置说明4、开始使用4.1 上电与初始化4.3 运行控制5、状态指示与故障排除5.1 LED指示灯5.2 报警信息5.3 故障排除指南6、高级功能6.1 PID控制6.2 编码器反馈6.3 多变量控制7、维护与保养7.1 清洁与保养7.2 维修与更换零部件7.3 故障诊断与维修指南8、技术规格8.1 电气规格8.2 输出规格9、常见问题解答9.1 常见问题列表9.2 解答与建议10、文档附件10.1 附件1:示意图10.2 附件2:电路图10.3 附件3:安装示例10.4 附件4:维修记录表法律名词及注释:1、变频器:指用于调节电动机输入频率和电压,从而实现对电动机转速调节的装置。
2、PID控制:比例、积分和微分控制的结合,用于实现对系统参数的精确控制。
3、编码器反馈:使用编码器将电动机实际转速反馈给变频器,用于实现闭环控制。
4、多变量控制:针对多个输入变量同时进行控制的技术。
5、LED指示灯:采用发光二极管作为指示灯的显示元件。
6、报警信息:用于指示变频器工作状态异常或出现故障的信息提示。
7、故障排除指南:提供了常见故障的排除方法和建议,用于帮助用户解决问题。
8、清洁与保养:指对变频器进行定期的清洁和维护,以确保其正常运行。
9、故障诊断与维修指南:提供了详细的故障诊断流程和维修步骤,用于帮助用户快速解决故障。
10、技术参数:指变频器的技术规格和性能指标。
本文档涉及附件:1、附件1:示意图2、附件2:电路图3、附件3:安装示例4、附件4:维修记录表。
汇川变频器说明书汇川变频器说明书篇一:汇川变频器常用参数汇川变频器常用参数汇川变频器故障代码汇川变频器说明书篇二:汇川md320变频器用户手册说明书一、引言在造纸行业中,经常需要高精度位置同步控制,特别是切纸机这样的机械,对于位置精度要求极高的情况下,靠普通变频器的速度控制已经难以满足要求,一般只有采用直流或者交流伺服来解决,本文针对这一情况,提出了采用汇川MD320带简易伺服功能变频器,实现高精度位置同步控制在切纸机中的应用方案。
二、系统组成图1采用变频器控制的切纸机系统图1中只画出了和送纸和切纸相关部分的连接图,放卷控制和传送带控制等无关部分在图中未画出。
1#VF采用标准MD320变频器,2# VF采用带简易伺服功能的MD320非标变频器,两台变频器都由PLC通过RS485通信来控制。
1#VF变频器采用闭环矢量速度控制模式,速度精度可达0.1%以上,用来控制控制送纸辊的转速。
同时送纸电机的A相速度脉冲,通过2# VF变频器高速数字输入口DI5输入,作为同步跟踪控制的脉冲输入源,2# VF采用简易伺服功能控制模式,用来控制切纸辊的转动速度和位置。
三、带简易伺服功能的MD320非标变频器的突出特点:1.同步控制:实时调整切纸辊运行频率,使切纸辊旋转的脉冲数与DI5输入的脉冲数相同,实现高精度无差同步控制,并且两路脉冲的比例关系可随意设定(通讯设定:FE-00)即可设定切纸长度;2.位置控制:在同步控制过程中进行位移控制,若要调节材料的松紧度,通过UP/DOWN端子调节切纸辊,进行前后位移调整;3.自动转速提升:为防止下刀时挡纸,可自动进行转速提升(FE-02设为4),自动转速提升是通过检测送纸速度,然后通过切纸辊直径(FE-04)和切纸辊减速比(FE-05)自动计算的频率,使切纸辊的线速度在下刀瞬间与材料线速度相一致,转速提升后对累计的脉冲误差进行快速调整。
4.步进控制功能:可以设定步进脉冲数,用步进给定端子设定位移量,每步的步进量由FE-09设定,用步进控制端子实现定长控制。
汇川CP650变频器说明书本公司为客户提供CP650变频器的维护和保养,变频器控制系统的选择,变频调速控制系统和工业仪表控制系统。
为使本公司的服务更好,我们实行长期保修。
变频器安装维护:1、基础施工:用钢钉和钢筋混凝土做基础,然后用铁桶或铁架将钢筋与底座固定紧密。
2、设备安装:先在设备上装好位置传感器,再把位置传感器安装到风机罩上,然后将风机罩安装好。
3、电机就位:用两个或三个螺栓将电机固定到风机罩上后即可把电机就位了。
4、电气连接及电缆敷设:把电缆缠绕在轴头处拧紧螺栓即可把电缆连好。
5、设备联接及接地:用两根直径为10-15 mm 的螺栓将各电机连接好后并接通电源;如需对变频器进行必要的维护和保养工作可请专业人员上门为您进行维修服务。
1、对于新采购的电力变压器,要先通过技术交底,由厂家提供检测报告。
对于电力变压器,也有一定的要求,比如需具备良好的温升,额定电流等。
如果是多台电机共用一台变压器,要选择相应的主变组。
如果是整台变压器,则要考虑是否需要备用主变。
这些都要由厂家提供检测报告。
需要用电缆线缠绕到所有绕组绝缘后再接通电源的话,就要进行检测,合格后再接入负载。
这些都是必须要做到的。
对于一个设备,要经过生产厂家检查,合格后才能进入下一个环节。
设备上的各个端子如果没有连接好或者接线错误造成了损坏也是会导致设备损坏的。
一般来讲对于新设备来说首先就是进行外观检查和绝缘测试检查并做好记录。
2、电机联接线(或电缆)一定要根据实际情况考虑绝缘的防护问题。
电气连接线宜采用软连接,如有必要可采用穿线或绝缘套管等方式。
电机应连接在两个端子上,各端子之间不应有空隙。
应使用绝缘导线(PVC线、尼龙线等)或用绝缘管将接触器连接到电机上。
接地线不能用金属绝缘管或塑料绝缘管直接连接到电机。
电缆用铁芯或铜芯材料而不是绝缘管连接。
联接电机、变压器时要有适当的距离,一般不要超过1 m,否则要采取保护措施。
必须在连接时用防震胶圈固定在基础上。
资料内容仅供您学习参考,如有不半之处•请联系改正或者删除。
张力控制专用变频器MD330用户手册(ver: 060.13)资料内容仅供您学习参考,如有不、"|之处,请联系改正或者删除。
瓯 !干叱十本手册需与《MD320用户手册》配合使用。
本手册仅介绍与卷曲张力控 制有关的部分,其它的基本功能请参考《MD320用户手册》。
当张力控制模式选为无效时,变频器的功能与MD320完全相同。
MD330用于卷曲控制,能够自动计算卷径,在卷径变化时仍能够获得恒 张力效果。
在没有卷径变化的场合实现恒转矩控制,建议使用MD320变频 器。
选用张力控制模式后,变频器的输出频率和转矩由张力控制功能自动产 生,F0组中频率源的选择将不起作用。
第二章张力控制原理介绍典型收卷张力控制示意图II灯仝二.张力控制方案介绍对张力的控制有两个途径,一是可控制电机的输出转矩,二是控制电机转速,对应这两个途径,MD330设计了两种张力控制模式。
A.开环转矩控制模式开环是指没有张力反馈信号,变频器仅靠控制输出频率或转矩即可达到控制目的,与开环矢量或闭环矢量无关。
转矩控制模式是指变频器控制的是电机的转矩,而不是频率,输出频率杲跟随材料的速度自动变化。
根据公式F=T/R(其中F为材料张力,T为收卷轴的扭矩,R为收卷的半径),可看出,如果能根据卷径的变化调整收卷轴的转矩,就能够控制材料上的张力,这就是开环转矩模式控制张力的根据,其可行性还有一个原因是材料上的张力只来源于收卷轴的转矩,收卷轴的转矩主要作用于材料上。
MD系列变频器在闭环矢量(有速度传感器矢量控制)下能够准确地控制电机输出转矩,使用这种控制模式,必须加装编码器(变频器要配PG 卡)O与开环转矩模式有关的功能模块:1、张力设定部分:用以设定张力,实际使用中张力的设定值应与所用材料、卷曲成型的要求等实际情况相对应,需由使用者设定。
张力锥度能够控制张力随卷径增加而递减,用于改进收卷成型的效果。
2、卷径计算部分:用于计算或获得卷径信息,如果用线速度计算卷径需用到线速度输入功能部分,如果用厚度累计计算卷径需用到厚度累计计算卷径相关参数功能部分。
3、转矩补偿部分:电机的输出转矩在加减速时有一部分要用来克服收(放)卷辐的转动惯量,变频器中关于惯量补偿部分能够经过适当的参数设置自动地根据加减速速率进行转矩补偿,使系统在加减速过程中仍获得稳定的张力。
摩擦补偿能够克服系统阻力对张力产生的影响。
闭环速度控制模式闭环是指需要张力(位置)检测反馈信号构成闭环调节,速度控制模式是指变频器根据反馈信号调节输出频率,而达到控制目的,速度模式变频器可工作在无速度传感器矢量控制、有速度传感器矢量控制和V/F控制三种方式中的任何一种。
该控制模式的原理是经过材料线速度与实际卷径计算一个匹配频率设定值fl,再经过张力(位置)反馈信号进行PID运算产生一个频率调整值 2 最终频率输出为f=fl+f2ofl能够基本使收(放)卷辗的线速度与材料线速度基本匹配,然后伫部分只需稍微调整即可满足控制需求,很好地解决了闭环控制中响应快速性和控制稳定性地矛盾。
这种模式下,张力设定部分无效,在FA-OOPID给定源中设定系统控制的目标值,控制的结果是使张力(位置)的反馈信号稳定在PID的给定值上。
特别注意,在用位置信号(如张力摆杆、浮动辛昆)做反馈时,改变设定值(PID给定)不一定能够改变实际张力的大小,改变张力的大小需要更改机械上的配置如张力摆杆或浮动觀的配重。
与闭环速度模式有关的功能模块:1、P ID部分:主要在FA组设定,FH组中第二组PID参数能够起到辅助作用。
在其它部分都设定无误后,最终的控制效果需要调整PID参数。
2、线速度输入部分:这部分比较重要,有两个作用,一是经过线速度计算变频器的匹配频率(见上廂的描述),二是可经过线速度计算卷径。
3、卷径计算部分:计算实际卷径,变频器获取线速度和实际卷径后能够获取变频器的匹配频率。
当用线速度计算卷径时,若变频器算得的卷径与实际卷径有偏差,说明线速度输入有偏差,经过卷径计算结果能够修正线速度输入。
注意一点的是用线速度和卷径计算的匹配频率值并非变频器的实际输出频率,用线速度和运行频率计算卷径时用到的运行频率是变频器的实际输出频率,因此逻辑上并不矛盾。
4、第二组PID参数部分:当只用一组PID参数无法满足全程的控制效果时,能够利用第二组PID参数,例如在小卷时调整第一组PID参数获得较好效果,满卷时调整第二组PID参数获得较好效果,这样在全程就能都达到较好效果。
第三章功能参数表第四章参数说明控制模式选择部分用此参数进行张力控制模式选择:0、不选择张控制模式。
张力控制无效,变频器与通用变频器相同。
h开环转矩控制模式:无需张力检测和反馈,变频器经过控制输出转矩, 控制材料上的张力。
变频器控制输出转矩,需要在有速度传感器矢量控制下才能获得比较好的控制效果。
2、闭环速度模式:需要张力检测和反馈,变频器经过PID闭环控制输出频率,使张力达到设定的张力。
变频器控制输出频率,其控制方式可为无速度传感器矢量控制或V/F控制或闭环矢量控制其中任何一种。
3、闭环转矩控制模式:需要张力检测和反馈,变频器经过PID闭环控制输出转矩,使张力达到设定的张力。
变频器控制输出转矩,其控制方式应为闭环矢量控制方式(有速度传感器矢量控制)。
4、恒线速度控制方式:一种特殊的应用方式,目的杲不需要PID调整即可逬行恒线速度控制,比一般的闭环控制运行更为平稳,对一些需要运行平稳且不需快速调节线速度的场合比较适用。
控制方法是经过设定的线速度和当前卷径控制变频器输出频率,卷径的计算与其它的张力控制方式相同。
典型应用:FH-58选择线速度设定方式,用来设定目标线速度,FH-27选择实际线速度检测方式,选择卷曲模式,可与收放卷切换端子配合使用,当收放卷切换端子无效时,实际的卷曲模式与此功能码设置相同,当收放卷切换端子有效时,实际的卷曲模式与此功能码设置相反。
张力方向与收放卷的关系:张力方向固定为收卷张力的方向,与非张力控制时的运转方向一致,收 放卷切换时只需更改FH-01或用收放卷切换端子切换,而不需同时改变正 反转运行指令。
注意:放卷控制时力的方向与系统运行的方向杲相反的,同样的,空载时 的运行方向也与正常放卷的方向相反。
选择放卷控制时是否允许电机反方向旋转主动将材料收紧,如果选择不 允许,则放卷控制只有在材料向前运行时,变频器才输出转矩。
放卷时还能够经过设定上限频率来限制反向收紧时的频率。
机械传动比二电机转速/卷轴转速 在张力控制时必须正确设定机械传动比。
张力设定部分:此部分只与开环转矩模式有关,闭环速度模式是经过PID 的设定源设定 的,见«MD320用户手册》中的FA 组功能码的说明0: FH-05设定 1: All 设定 2: AI2设定 3: AI3设定4: PULSE 脉冲输入设定 5:通讯设定FH-04张力设定源此参数决定张力的控制源:0:张力为数字设定,具体数值在FH-05中设置。
1:AI1, 2: AI2, 3: AI3 张力经过模拟量来设定如一般见电位器来设定张力。
选择模拟量设定张力时,一定要设定最大张力。
一般模拟量设定的最大值对应最大张力。
4:张力设定经过脉冲输入来设定。
脉冲输入端子必须为DI5端子。
选择脉冲设定张力时,一定要设定最大张力。
一般最大脉冲设定的最大值对应最大张力。
5:通讯设定。
当用上位机进行控制时,可用通讯方式来设定张力。
用通讯设定张力有两个途径,一是更改FH-05的参数值,这样FH-04应设为0;二是经过通讯地址1000H进行设定,FH-04应设为5, 1000H设定的内容为0—10000代表最大张力的0%—100%当FH-04选择为0时,变频器所控制的张力由此参数决定。
当FH-04选择张力源为模拟量控制或脉冲控制时,此参数确定模拟量最大值或脉冲最大时所对应的张力。
设定系统在零速时的张力。
主要用于在起动时克服静摩擦力或在系统零速时保持一定的张力。
当控制小张力,启动困难时可适当增加此参数的设定值。
当变频器运行速度在此参数所设定的速度以下时,认为变频器处于零速工作状态。
此参数只用于收卷控制。
在收卷过程中,有时需要张力随着卷径的增在而相应降低,以保证材料卷曲成型较好。
张力锥度的公式为:F=FO*{l-K*[l-( DO + D1)/(D+D1) ] }其中F为实际张力,F0为设定张力,DO为卷轴直径,D为实际卷径,D1为FH-59设定的张力锥度补偿修正量,K为张力锥度。
张力锥度补偿修正量能够延缓张力下降曲率。
卷径计算部分卷径是卷曲控制中必要的参数,两种张力控制模式中,开环转矩模式需要经过卷径来控制输出转矩;闭环速度模式需要经过卷径来获得与线速度相匹配的输出频率。
0:经过线速度计算:线速度来源见下面的线速度输入部分的说明,变频器根据线速度和变频器的输出频率可将卷径算出,此种方法优点是与材料厚度无关且能够获得系统的加速度。
1:经过厚度累计计算:需要设定材料的厚度,变频器根据计圈信号累计计算卷径,收卷时为递加,放卷时为递减。
相关功能见下廂的厚度累计计算卷径相关参数部分。
2: All输入3:AI2输入4: AI3输入5: PUSLE 输入当用卷径检测传感器检测卷径时,该参数选择该卷径传感器的输入通道。
当卷径源FH-10选择为2、3. 4、5时,必须设定参数。
其最大输入量与最大卷径相对应。
同时变频器自身计算卷径时,计算的卷径受此参数限制。
FH-12 | 卷轴直径|l~10000mm |1 | 100 | 设定卷轴的直径,若因为参数设定不当,变频器自身计算卷径低于此值时,受该参数的限制。
选择初始卷径的输入通道。
0:由FH-14〜FH-16可数字设定三个初始卷径。
1: All 2: AI2 3: AI3 初始卷径经过模拟量来确定,选择模拟量输入的不同的端口。
放卷时可选择一个端子设为初始卷径选择端子1,与COM常接,将初始卷径设到FH-14里,如此卷径复位时就能够复位成放卷的初始卷径说明:卷径的起始值能够经过两个多功能端子来确定。
如选择用DI3、DI4两个端□来决定起始卷径的值。
将DI3端□参数F4-02设为32(初始卷径选择端子1),将DI4端参数设为33(初始卷径选择端子2),初始卷径选择关系如下:当需要初始卷径不从空心卷径幵始算起时,可用此功能。
系数默认为初始卷径为空心卷径。
设定三个不同的初始卷径,并经过多功能端子的状态进行确定。
加长卷径滤波时间,可防止卷径计算(或输入)的结果产生较快的变化。
实时显示当前的卷径值。
经过此参数能够了解当前实际的卷径。
也能够经过修改此参数来设置启动时的卷径。
厚度累计计算卷径相关参数仅在卷径源FH-10设定为1时,即经过厚度累计计算获得时,和此组参相关。