复合气体检测仪操作保养规程
- 格式:rtf
- 大小:4.21 MB
- 文档页数:5
Q-RAE PLUSPGM-2000&2020复合式气体检测仪操作和维护手册(文件号015-4001 A)RAE Systems Inc.1339 Moffett Park Drive, Sunnyvale, California 94089, USA Tel: (408)752-0723, Fax:(408)752-0724美国华瑞中国技术服务中心上海城中路287号桃园公寓405室201800电话:(021)59928709;59929074 传真:(021)59928947产品保修责任RAE系统公司保证直接从本公司或指定代理商购买产品的初始用户自最初启运之日起一年除消耗品:包括电池,过滤器以及校正气体以外的产品质量保证,这其中传感器有一年内按比例递减的保修。
泵和10.6eV的无极放电灯有六个月的保修,而11.7eV的无极放电灯有一个月的保修。
对此,本公司有义务进行更换和修理。
我们希望用户将损坏件邮寄回本公司(预付邮费),公司在证明确实为正常使用情况下,可以免费更换或维修。
为保证该保修的合法性,产品所附的维修卡必须在购买后三十日之内寄回本公司。
为保证维修,用户必须严格遵循操作手册中使用和校正的要求,在发生故障的时候,如果仪器故障自诊断无法确定并处理该故障,用户应立即通知本公司指定的维修中心。
保修将不包括因用户本身原因,如更换,事故、灾害、被窃、滥用,误用,异常操作,未授权的维修或不正确的维护等原因造成的损坏。
对于可燃气体检测器,误用包括将传感器暴露在大量的可使催化剂中毒的物质中,如含硅和铅的化合物,以及一些含硫和卤素的化合物等。
RAE公司不认可任何其它公司或个人代表RAE公司承担的任何与RAE产品销售相关的责任。
!警告!在使用之前,一定要阅读手册内容:任何负责该仪器使用的人或将维修该仪器的人一定要详细阅读该使用手册。
只有在使用,养护和维修过程中严格遵照制造商的建议,才能使仪器达到设计的功能。
气体检测仪安全操作规程气体检测仪是一种用于检测环境中有害气体浓度的仪器,在工业生产、矿井、实验室等场所都得到广泛应用。
然而,如果不正确使用气体检测仪,可能会造成安全风险和人员伤害。
为了确保安全使用气体检测仪,以下是一些安全操作规程:1. 学习和理解使用说明:在使用气体检测仪之前,必须仔细阅读并理解使用说明书。
使用说明书包含了关于气体检测仪的详细信息、操作步骤、注意事项以及紧急处理方法。
确保掌握正确的操作方法和紧急处理技能。
2. 检查仪器的完整性:使用前需要检查气体检测仪的外观是否完好无损,是否有松动的部件或损坏的零件。
如果有损坏或松动的部件,必须先进行维修或更换,确保仪器的正常运行和安全性。
3. 阅读气体检测仪显示屏:在使用气体检测仪之前,务必阅读显示屏上的信息。
显示屏上会显示气体浓度、报警信息以及仪器的工作状态。
根据显示屏上的信息,采取相应的措施,例如离开危险区域、通知相关人员等。
4. 定期校准:定期校准是确保气体检测仪准确测量气体浓度的重要步骤。
校准前需要查看使用说明书,确定校准方法和校准气体的类型。
校准时需要按照正确的操作步骤进行,确保校准结果的准确性。
5. 使用适合的传感器:不同的气体检测仪可能配备了不同类型的传感器,用于检测各种不同的有害气体。
在使用之前,需要确认所要检测的气体类型,并选择合适的传感器。
确保传感器与被测气体相匹配,以获得准确的测量结果。
6. 正确佩戴和使用个人防护装备:在进行气体测量时,必须佩戴适合的个人防护装备,如手套、护目镜和防护服。
这些防护装备可以提供物理保护,减少对人体的伤害。
7. 避免腐蚀性气体的接触:有些气体具有强酸性或腐蚀性,对人体和仪器都有危害。
在进行测量之前,应先了解被测气体的特性,并采取相应的措施,如使用特殊材质的测量器具、穿戴防护服等。
8. 定期维护和保养:确保气体检测仪的正常运行和精度,需要进行定期的维护和保养。
包括清洁仪器表面、更换传感器、检查电池电量等。
气体等检漏仪安全操作及保养规程1. 前言气体检漏仪是安全监测和检测气体泄漏的关键设备。
在使用和保养过程中,必须遵守相关的安全操作规程和保养指南,以确保操作人员和设备的安全。
本文将介绍气体检漏仪的安全操作规程和保养指南。
2. 安全操作规程2.1 检查设备在使用气体检漏仪之前,必须进行检查,确保设备正常工作,并遵守以下步骤:1.检查设备是否有损坏或缺损,如有需要及时更换。
2.检查气源输入口、输出口、电源来源以及传感器是否正常运转。
3.确认设备属于正常工作状态,可以开始使用。
2.2 操作使用气体检漏仪时,需要遵守以下规则:1.必须遵守相关操作规程,进行正常的操作过程。
不可随意操作或自行修改操作规程。
2.在需要检测时,必须先将设备放置在一个安全的位置,然后再启动设备进行检测。
3.禁止在检测过程中将气源关闭、更换传感器等操作。
4.对于有毒、易燃、易爆物质的检测,必须安装防护设备,并在安全区域内进行操作。
2.3 安全防护使用气体检漏仪需要采取一些安全防护措施:1.在使用时,必须穿戴适宜的防护服、手套、护目镜等防护装备。
2.确认检测场所的通风情况,以保证操作人员的安全。
3.操作期间禁止吸烟、饮食等活动,以防止发生意外。
4.对于有毒气体、易燃气体等情况,必须配备安全设施,以处理发生的突发情况。
3. 保养指南3.1 设备保养在使用气体检漏仪时,需要遵守以下保养指南:1.定期清洗检测设备的表面,以确保设备干净整洁。
2.每次使用后,要及时清理并拆卸传感器,再进行清洁,确保传感器的灵敏度。
3.对于不使用的气体检测仪器,应储存于干燥、防潮等环境下,以避免设备的受损和腐蚀。
4.进行设备使用中的各项措施的检测,以确保设备正常运行,不会影响用户的使用。
3.2 传感器保养传感器是气体检测仪中最重要的组成部分之一。
针对传感器的保养,以下步骤是必须的:1.经常检查传感器的皮膜,以确保传感器的灵敏度。
2.定期校验传感器的测量范围,以确保测量精度。
华瑞多气体检测仪安全操作及保养规程前言华瑞多气体检测仪是一款用于检测空气中有害气体浓度的设备,使用范围广泛,包括但不限于室内空气检测、工业生产等领域。
为了保证设备的正常工作,保障操作人员的安全,特编写本文档,详细介绍华瑞多气体检测仪的安全操作及保养规程。
安全操作规程1. 设备准备在使用华瑞多气体检测仪之前,首先需要对设备进行必要的准备工作:•确认设备电源充足,并连接适配器(或已安装电池);•根据需要选择测试气体传感器,并将其正确插入到仪器上;•检查测试气体管路是否畅通,确保测试气体能够顺畅流入传感器通道;•打开仪器开关,确保系统处于正常待机状态。
2. 基础操作(1) 测量模式选择华瑞多气体检测仪提供以下三种测量模式:•实时测量模式:用于实时监测现场气体浓度,仪器会以一定的时间间隔自动采样测量,并在屏幕上实时显示。
•最大值测量模式:用于记录气体浓度的最大值,仪器会自动检测并记录测量期间的最大气体浓度,并在屏幕上显示。
•平均值测量模式:用于记录气体浓度的平均值,仪器会在一定时间内连续采样测量,然后计算平均值,并在屏幕上显示。
选择不同的测量模式需根据实际需求进行选择,同时也需要注意选择合适的测试气体和传感器类型。
(2) 测量范围设置华瑞多气体检测仪可以针对不同的测试气体设置测量范围,以提高精确度和灵敏度。
在设备操作面板上,有列出不同测试气体的测量范围,如SO2的测量范围设置为0-1000ppm。
在进行气体浓度测量之前,需要根据实际需要选择并设置相应的测量范围,如果测量范围设置不当可能会导致测量不准确或者设备损坏。
(3) 测量数据记录对于需要长时间监控气体浓度的场景,华瑞多气体检测仪可以将测量数据记录下来。
只需要在设备操作面板上选择“数据记录模式”,设备会自动记录所有的气体浓度测量数据,并可以在之后进行数据分析和处理。
•设备使用过程中,应保持设备的清洁和完整性,不得强行拆卸和改变设备结构。
•设备应用于特殊环境时,需测试周围环境,确保环境条件符合设备使用要求。
气体检测仪安全操作规程范本第一章总则为了保障气体检测仪的安全使用,防止事故的发生,确保工作人员的安全与健康,制定本安全操作规程。
第二章基本要求1. 气体检测仪的安全操作必须严格按照操作手册进行,不得擅自修改或更改操作流程;2. 操作人员必须接受相关培训,具备相应的专业知识和技能;3. 操作人员必须佩戴符合要求的个人防护装备,如防护手套、防护眼镜等;4. 操作人员必须遵守工作规程和操作规定,严禁违章操作;5. 禁止未经许可的人员擅自操作气体检测仪;6. 对气体检测仪进行日常维护和定期检修,确保其正常运行。
第三章安全操作1. 气体检测仪操作前必须先进行安全环境评估,确保操作环境安全;2. 气体检测仪操作人员必须熟悉操作手册的内容,并按照指示进行操作;3. 在使用气体检测仪之前,必须检查仪器的外观是否完好,传感器是否敏感有效,电池电量是否充足;4. 气体检测仪操作人员应严格按照操作手册规定的检测流程进行,确保操作的准确性和可靠性;5. 检测仪器使用过程中,必须保持清洁,避免污染或损坏;6. 在进行气体检测时,操作人员必须戴好手套和防护眼镜,避免接触有毒有害气体;7. 在气体检测中发现可燃或有毒有害气体超标时,必须立即采取紧急措施,疏散人员,并及时报警;8. 检测仪器使用完毕后,必须进行清洁和保养,确保其正常使用寿命;9. 操作人员必须定期参加培训和考试,不断提升自身的专业知识和技能。
第四章事故处理1. 在使用气体检测仪过程中,如果发生事故,必须及时报警,并按照事故应急预案进行处理;2. 在事故发生后,必须立即采取紧急措施,妥善处置事故现场,保护人员的生命安全;3. 在事故处理过程中,必须与相关部门紧密合作,协调处理工作;4. 对事故原因进行调查分析,并及时采取措施预防类似事故的再次发生;第五章后勤保障1. 气体检测仪必须进行定期维护和检修,保持其发现能力和准确性;2. 操作人员必须定期对操作手册进行更新,并随身携带;3. 关于气体检测仪的操作与维护,必要时需进行技术交流和培训;4. 操作人员必须定期接受体检,保持身体健康;5. 对气体检测仪进行定期标定和校准,确保其准确性和可靠性;6. 对气体检测仪进行科学的贮存和运输,避免损坏和污染。
矿用四合一气体检测仪的定期保养1. 概述矿用四合一气体检测仪是一种用于检测煤矿等危险场所气体浓度的工具,包括氧气浓度、甲烷浓度、一氧化碳浓度和二氧化碳浓度四种气体。
对于矿井中的煤矿工人以及其他相关人员来说,这种工具的确非常重要。
在使用矿用四合一气体检测仪时,使用者必须时刻注意保养和维护设备,以确保它在最佳状态下工作。
下文将介绍如何定期保养这种仪器。
2. 定期保养步骤2.1 清洁在使用矿用四合一气体检测仪之前,必须先清洁它。
使用一块软布轻轻擦拭检测仪,清除表面上的灰尘、污渍等。
如果使用者发现有污渍很难清除,建议使用专业的清洁用品进行清洁。
使用者在清洁检测仪的时候一定要注意避免水和液体进入设备内部。
2.2 更换电池如果矿用四合一气体检测仪使用电池供电,使用者应该定期检查电池的状态并更换电池。
使用不良电池会影响检测仪的精度和工作时间,从而影响使用效果。
使用者应该及时更换电池,以确保仪器的正常工作和准确性。
2.3 定期校正使用矿用四合一气体检测仪的过程中,可能会发现它的显示结果存在一定误差。
这种误差可能是由于设备长时间使用或受到外界因素干扰所致。
为了确保设备的精度和准确性,使用者应定期进行设备校准。
可以使用专业的校准设备或向厂家进行校准。
建议使用者每三到六个月对设备进行一次校准。
2.4 定期维修矿用四合一气体检测仪常会出现内部故障,为了保证设备的工作效果和准确性,使用者应该定期将其送到专业机构进行维修。
指定厂商可以提供高质量的维修服务和检查设备工作状态。
定期维修可以延长设备寿命,并有效提高设备的使用效果。
3. 结论在使用矿用四合一气体检测仪时,保持设备的良好状态非常重要。
定期清洁、更换电池、校准仪器和定期维修都是必要的保养步骤。
保养矿用四合一气体检测仪可以确保设备的精确性和长寿命,并有助于提高工作效率和安全性。
气体检测仪安全操作及保养规程前言气体检测仪是一种用于检测空气中有害气体浓度的仪器,广泛应用于实验室、工厂、矿井等场所,为人们的工作和生活提供了保障。
但如果操作不当,将会给人们带来很大的安全隐患。
为了保证仪器的正常使用,本文将介绍气体检测仪的安全操作及保养规程。
一、气体检测仪的安全操作1.首次使用前在首次使用之前,先阅读气体检测仪的说明书,了解仪器的基本性能和使用方法。
如有疑问,可向销售商咨询。
2.使用时先插入电源线,打开开关,将检测仪测量仪表的指针调到零点。
在检测区域内按照要求放置探头,然后进行测量操作。
当有危险气体存在时,测量仪表的指针将会上升,此时应及时采取相应的措施。
当检测仪出现故障时,应立即停止使用,并将故障报告给专业维修人员进行处理。
3.操作要点操作气体检测仪时,应特别注意以下几点:•严禁将探头放入液体中;•严禁使用气体检测仪来检测透明、无颜色的有毒气体;•长时间不使用气体检测仪时,应将电源线拔掉;•在操作时需戴手套、护目镜等防护用品,避免有害气体对身体造成危害。
二、气体检测仪的保养规程1.外观检查经常检查气体检测仪的外观,清除仪器表面的灰尘及其他杂物,避免进入仪器内部阻塞传感器。
2.电源检查经常检查气体检测仪的电源线是否有损伤,电源开关是否正常,如发现任何问题,应立即停止使用,并进行维修。
3.传感器检查经常检查传感器是否干净,如果发现传感器上有灰尘或其它污物,应及时清理。
查看传感器接头是否牢固,是否有损伤。
4.校准检查经常对气体检测仪进行校准检查,按照说明书的要求进行校准操作,确保测得的数据准确无误。
5.保养周期气体检测仪的保养周期一般为每半年一次,如频繁使用,应根据情况增加保养的次数。
结语使用气体检测仪,安全操作至关重要,遵守规范,确保仪器正常使用,可以减少安全隐患,维护大众身体健康。
同时定期对气体检测仪进行保养,可以使仪器使用寿命更长,更为可靠。
复合式气体检测仪安全操作及保养规程复合式气体检测仪是指能够同时检测多种气体浓度的仪器。
在工业生产、航空航天、环保等领域被广泛应用,对于保障生产安全和人身安全具有非常重要的作用。
正确使用和保养复合式气体检测仪,可以延长仪器的使用寿命,提高精度和准确度,同时也能够避免因不当操作造成的安全事故。
因此,本文将从安全操作和保养两个方面,介绍复合式气体检测仪的使用方法和注意事项,以确保人员和设备的安全。
一、安全操作1. 检查仪器状态在进行复合式气体检测仪的使用之前,务必先检查仪器本身的状态。
具体检查内容包括以下几个方面:•确认主机和传感器是否松动或损坏;•检查终端连接线和电源是否正确连接;•检查仪器是否正常开机。
2. 选择合适的检测地点在进行检测操作之前,需要先选定合适的检测地点。
通常情况下,选择地点需要考虑以下两点:•检测气体的来源和排放情况;•地点的通风情况。
如果地点的通风情况很差,需要采取相应的通风措施,以确保检测人员的安全。
3. 操作步骤在进行检测操作时,需要按照以下步骤操作:•打开仪器;•检查气管是否连接牢固;•选择合适的探头;•将探头置于检测点上,确保探头与被检测物质的接触面积充分覆盖;•读取屏幕显示数据并记录。
4. 注意事项在进行检测操作时,还需要注意以下几点:•检测人员需要配备相应的防护装备;•如果发现检测值超过安全标准,应立即采取相应的措施,并及时报告相关人员;•不要将检测仪置于高温、潮湿等危险环境中;•不要将检测仪随意丢弃或摔打。
二、保养规程除了正确地操作复合式气体检测仪,还需要注意仪器的保养和维护。
仪器的保养和维护,可以保证仪器的长时间使用和正常检测,同时也能够延长仪器的使用寿命。
1. 保养要点复合式气体检测仪需要进行定期的保养和维护,具体包括以下几个方面:•定期校准检测仪器,保证其检测精度和准确度;•定期清洁探头和连接线,清除探头上的油污或灰尘;•定期更换传感器或内胆。
2. 维护注意事项在进行仪器的维护过程中,需要注意以下几点:•在进行维护之前,需要确认仪器的电源已经关闭;•维护过程中需要注意保持仪器的基础、清洁和干燥;•当更换传感器或内胆时,要确保选择的配件与仪器本身完全匹配;•维护过程中需要注意防止传感器受到外力碰撞或振动。
复合气体检测仪操作规程1.引言2.仪器准备2.1准备一台完好的复合气体检测仪,确保其充足的电池电量。
2.2根据所需检测的气体种类,装载相应类型的传感器,并确保传感器接触良好。
2.3检查仪器的相关配件和附件是否齐全,如充电器、气密密封罐等。
3.仪器操作3.1打开仪器电源开关,等待仪器启动,然后根据屏幕上的指示进行相应的操作。
3.2选择检测气体的种类和浓度上限,通过仪器上的功能按键进行设置。
3.3进行预热操作,根据仪器的说明书,等待一段时间使仪器传感器处于稳定工作状态。
3.4将仪器的传感头置于待检测气体附近,确保传感头与气体直接接触。
3.5按下仪器上的测量按键,开始进行气体浓度检测。
等待一段时间,仪器将显示出当前的气体浓度值。
3.6根据需要,可将仪器的传感头移动到其他位置,继续进行气体浓度的检测。
每次移动传感头前,需等待一段时间使仪器重新稳定。
4.数据管理4.1每次测量完成后,将测量数据记录在相应的记录表格中,包括检测时间、待检测气体种类、浓度值等信息。
4.2如需保存数据,可将测量数据导出到计算机或其他存储设备中,或通过无线传输方式传送到远程服务器。
4.3定期对仪器进行校准,根据仪器说明书,使用标准气体来校准传感器的灵敏度和准确性。
5.安全注意事项5.1在操作过程中,应遵守相关的安全操作规程,佩戴相应的个人防护装备,如防护眼镜、手套等。
5.2在检测有毒气体或易燃气体时,应保持警觉,避免产生火花,防止引起爆炸或中毒事故。
5.3不要将仪器浸入液体中或置于高温、潮湿的环境中,以免损坏仪器。
5.4长时间不使用仪器时,应将其存放在干燥、通风的地方,避免灰尘或湿度对仪器的影响。
6.总结。
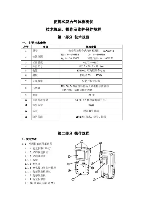
四合一气体检测仪操作规程
1. 准备工作:
a. 确保气体检测仪已经充满电,并处于工作状态。
b. 确保传感器已经校准,并且处于正常工作状态。
c. 检查气体检测仪的样品泵是否安装好,并已连接到检测仪上。
2. 开机准备:
a. 按下电源按钮,等待气体检测仪启动。
b. 确保检测仪的显示屏上显示正常。
3. 检测前准备:
a. 穿戴个人防护装备,包括手套、眼镜和面罩等。
b. 如果需要进一步检查某个区域,确保该区域已经通风,并且没有可燃性气体存在。
4. 气体检测:
a. 使用检测仪上的开关选择要检测的气体类型。
b. 将检测仪的传感器靠近要检测的区域,并观察显示屏上的读数。
c. 如果显示屏上显示的读数超过了安全范围, 立即离开该区域,并进行相应的安全措施。
d. 如果需要进行多个点位的检测,重复步骤b和c直到完成所有检测。
5. 检测结束:
a. 按下电源按钮,将检测仪关闭。
b. 将检测仪进行清洁,并妥善存放在适宜的地方。
这些操作规程旨在确保正常使用四合一气体检测仪进行安全、准确的气体检测。
在操作过程中,务必要注意个人防护,并严格按照操作规程执行。
六合一气体检测仪的使用过程和保养方法
在处理厂有毒气体泄漏造成的危险在许多行业,包括化工,石油/天然气,电力公用事业,食品饮料,制药,纸浆/造纸,污水处理。
泄漏源通常包括管道,阀门,水箱,燃烧器,冷冻机,分离器,照明系统,曝气池等设备。
控制六合一气体检测仪,采用了特殊类型的电路该电路测量两个点内的探测器电流。
当可燃气体进入的电路室,其中一半是温暖的电路足以点燃气体,它包含一个或燃烧催化剂。
当气体燃烧,在目前试验区的变化热和电力的电路流过被改变。
这种变化触发了报警装置。
每种器械的使用都会有某些的损伤,需要时常的维护才可以保证仪器的精确性。
为确保检测仪处于良好的工作状态,应对六合一气体检测仪进行以下的基本保养工作:
1、定期对检测仪进行标定,冲击测试和检查。
2、保持所有保养,冲击测试,校准和报警事件的操作记录。
3、使用柔软的湿布擦拭仪器外壳。
禁止使用溶剂,肥皂或抛光剂等。
4、禁止将检测仪浸泡在液体中。
要让仪器发挥到最好的状态,请一定要记得这几点啊。
红外线可燃气体检测仪工作在一个完全不同的方法。
由于进入测试室气体时,一个束射它。
它实际上到达气;一半进入到一个接收器的气体,另又回到了发射器。
四合一气体检测仪检测器测量的是两束强度,以确定是否存在可燃气体。
当光束是相同的,一切都很好,但在气侧梁强度的变化可能意味着出现了问题。
理研复合GX-2003气体检测仪操作规程西气东输海原压气站二零一三年二月1目录一二三四五六七八九特别声明GX-2003气体检测仪简介GX-2003气体检测仪特点GX-2003气体检测仪技术规格GX-2003气体检测仪外观说明GX-2003气体检测仪操作步骤GX-2003气体检测仪的电池与充电GX-2003气体检测仪常见故障与解决办法关于GX-2003气体检测仪的标定一特别声明:GX-2003气体检测仪适用于探测可燃性气体,氧气,一氧化碳和硫化氢。
使用本仪器必须严格遵照本手册的内容,以确保正确、安全的操作仪器,并尽可能降低个人伤害的危险。
二GX-2003气体检测仪简介:GX-2003及8米采样软管GX-2003泵吸式气体检测仪使用由最多五种气体传感器组成的先进的监测系统,可以同时探测可燃性气体,氧气(O2),一氧化碳(CO),硫化氢(H2S)等的存在。
GX-2003紧凑的外形和使用的便捷使它应用广泛,包括天然气输配领域,污水处理厂,设备人孔,管道,危险的垃圾场,电站,石化厂,矿山,造纸厂,钻井,消防站等。
三GX-2003气体检测仪特点:1.同时监测四种气体:可燃气,O2,CO,H2S。
2.泵吸式设计,可以配备锥形橡胶采样嘴,10英寸探头及8米采样软管。
3.液晶显示,信息完整,易于理解。
4.独特的危险气体声音/振动报警及仪器故障声音报警5.微处理器控制,可靠,便捷,大容量。
6.报警趋势功能7.数据存储功能8.STEL/TWA和超量程报警显示9.峰值保持和均值显示10.内置式时间功能11.射频屏蔽耐冲击塑料外壳12.本质安全防爆,适合CSA认证的I级,I节,A,B,C,D组危险气体。
四GX-2003气体检测仪技术规格:五GX-2003气体检测仪外观说明:1.外壳—— GX-2003检测仪的塑料外壳坚固,防撞击,可屏蔽射频,简易防灰防潮。
左右两侧的橡皮把手利于握在手中。
仪器正面有一个透明塑料窗罩住LCD表面,底部有三个用于充电的黄铜触点。
气体探测器安全操作及保养规程气体探测器是一种常用的安全设备,在工业生产、化工、医疗、实验室等领域都有广泛的应用。
气体探测器的作用是检测空气中的有害气体浓度,及时发出警报,保护人员的生命安全。
因此,正确的操作和保养气体探测器至关重要。
操作规程1. 准备工作在使用气体探测器前,需要进行一些准备工作,以确保探测器的正常工作。
1.检查电池电量是否充足,如果不足应该及时更换电池。
2.检查传感器是否正常,如果异常应该进行维修或更换。
3.检查警报器是否正常,如果异常应该进行更换或修理。
以上准备工作完成后,才能开始正式操作气体探测器。
2. 操作步骤1.将气体探测器放置在检测区域;2.按下开机键,等待探测器自检完成;3.确认探测器的检测方式和灵敏度是否正确;4.监测气体浓度,如出现异常,立即脱离现场并报警。
3. 注意事项在操作气体探测器时,需要注意以下事项:1.操作人员应具备相关的技能和知识,不得让未经培训的人员操作探测器;2.控制操作时间,适量休息,防止疲劳操作;3.注意探测器的运行状态,及时更换电池或维修传感器;4.检测前应了解被检测物质的特性和危害程度。
保养规程对于气体探测器而言,长期使用和保养十分必要,可以延长使用寿命并保证其正常工作。
以下是气体探测器的保养规程:1. 日常保养1.清洁探测器外壳,每周至少一次,使用干净、柔软的布擦拭;2.定期(一至三个月一次)进行校准、调零、清理和检查,以确保探测器的稳定性和准确性;3.定期(一至六个月一次)更换传感器和警报器。
2. 保存方法1.存放在干燥、阴凉、通风性好的地方,避免受潮或阳光直射;2.不要将探测器存放在空气污染较严重的环境或高温、高湿度的环境中。
3. 技术维护1.技术维护由厂家或者具备相关技能的专业人员进行;2.严格按照维护手册执行;3.定期更换探测器的关键部件,以保证探测器的正常工作。
总结气体探测器是一种安全防护设备,具有重要的作用。
在正常操作和保养过程中,需要严格按照规程,定期校准和检查,及时更换关键部件,以保证气体探测器的稳定性和准确性,有效地保护用户的生命安全。
气体检测仪的保养方法气体检测仪是一种用于检测空气中各种有害气体的专业仪器。
它广泛应用于工业、建筑、医疗和实验室等领域。
为了确保气体检测仪的准确性和稳定性,需要进行正常维护和保养。
日常保养气体检测仪需要定期进行日常保养,以确保其如期运行。
以下是常见的日常保养步骤:1.清洁仪器:使用纯水或者专业清洁剂轻轻擦拭仪器外壳和显示屏。
2.检查仪器传感器:检查传感器外表面是否有污垢或损坏。
3.检查仪器电池:检查电池是否有充电或更换的需求。
4.更新软件:定期更新仪器软件以确保其稳定性和工作效果。
定期维护除了日常保养以外,还需要定期进行维护。
这些维护需求可能因不同仪器而异,但以下是需要定期检查和维护的几个常见部分:传感器传感器是气体检测仪的核心部分。
常规的传感器保养包括以下步骤:1.检查传感器:检查传感器是否损坏、有没有失灵、感受器是否干净。
2.更换传感器:长时间使用可能会导致传感器退化,需要更换。
3.传感器校准:定期对传感器进行校准,确保其精度与满足质量要求。
电池气体检测仪死电池问题一直是个问题。
保养电池包括:1.检查电池:检查电池是否有充电或更换的需求。
2.更换电池:如果电池老化或性能退化,需要更换,保证气体检测仪正常工作。
3.充电:经常充电是维护电池寿命的好方法,保证电池长期使用。
测量范围气体检测仪的传感器测量范围应该符合使用要求。
如果测量范围不正确,可能会影响检测结果的准确性。
在维护检测仪器时,应注意校准和调整测量范围。
存储和运输正确的存储和运输方法可延长气体检测仪的寿命。
以下是最常见的存储和运输建议:1.储存温度:根据厂家的建议存储气体检测仪,以保持其良好状态。
2.存储位置:将气体检测仪放置在固定的位置,以防止倾斜或摔落。
3.运输方法:暂停使用气体检测仪之前,应在运输前进行正确封装和打包。
总结气体检测仪是一项非常精密的设备,需要定期维护和保养,以确保其准确性和长寿命。
日常保养可以保持仪器的工作状态,定期维护可以修复有损坏的部分并增加其寿命。
气体检测仪如何保养检测仪维护和修理保养气体检测仪是一种气体泄露浓度检测的仪器仪表工具,其中包括:便携式气体检测仪、手持式气体检测仪、固定式气体检测仪、在线式气体检测仪等。
紧要利用气体传感器来检测环境中存在的气体种类,气体传感器是用来检测气体的成份和含量的传感器。
一般认为,气体传感器的定义是以检测目标为分类基础的,也就是说,凡是用于检测气体成份和浓度的传感器都称作气体传感器,不管它是用物理方法,还是用化学方法。
比如,检测气体流量的传感器不被看作气体传感器,但是热导式气体分析仪却属于紧要的气体传感器,尽管它们有时使用大体一致的检测原理。
气体检测仪的保养:1、检查气体流量、通常为30/h,流量过大或者过小对分析仪结果影响较大2、更换滤纸:停抽气泵,过滤罐排水3、检查气路系统中有无漏气现象。
抽泣泵膜片有无破损,取样探头密封圈是否分裂,四通阀、冷凝汽是否损坏等4、取样探头清洗,取样孔管路疏通5、检查冷凝器工作是否正常,通常温度调整在3摄氏度范围内6、检查测量器室看是否脏污,适时清洗。
气体检测仪的寿命:气体检测仪的使用寿命紧要取决于,它的紧要元件—————传感器。
我们也知道,不可能有一种传感器可以检测全部的气体,充分全部的要求,各种气体和各种环境使用的传感器也不一样,大致可以分为:用于检测有毒气体浓度的传感器和用于检测可燃气体的爆炸浓度的传感器。
用于测量有毒气体浓度的传感器大多是电化学传感器,它是基于电化学原理工作的传感器,影响其寿命的紧要是电解液,一般的传感器在2~3年之后,电解液就消耗的不能再正常工作了,所以电化学传感器的使用寿命是2~3年。
用于检测可燃气体浓度的传感器大多是催化燃烧传感器,它的使用寿命在3~5年。
农药残留检测仪的相关应用介绍农药残留检测仪又叫农残检测仪、农残仪是依据国际GB/T5009.199—2023,久接受酶抑制原理和光电比色法原理研制而成的仪器。
紧要用于检测水果、蔬菜、粮食等作物中的农药残留检测工作。
大气多功能测量仪安全操作保养规定一、安全操作规定:1.在进行任何操作之前,必须仔细阅读并理解使用手册中的安全操作指南和警告信息,确保操作人员具备相关的技能和培训。
2.在使用设备之前,必须检查设备的外观是否完好无损,并确保所有配件和连接件的紧固状态良好。
3.在使用设备之前,必须对设备的电气部分进行检查,确保电源线路正常接地,电源电压符合设备的额定电压要求。
4.在进行任何维护和调试操作之前,必须先切断设备的电源,并确保设备已经完全停止工作。
5.在启动设备之前,必须根据使用手册中的指导进行正确的启动程序及设置参数,避免因不当操作引起故障和意外。
6.在设备运行过程中,必须保持警惕,注意观察仪器显示的数值和状态,及时修正操作和调整参数。
7.在设备运行过程中,不得随意拆卸设备的外壳和相关部件,如需维修和更换零部件,必须由专业人士进行处理。
8.在设备运行过程中,如果发现设备出现异常,如温度过高、噪音异常等,应立即停机检查,并及时报告维修人员。
9.在设备运行过程中,不得将设备暴露在潮湿、高温和强磁场的环境中,以免影响设备的正常工作和寿命。
10.在使用设备过程中,严禁将任何金属或导体接触设备的电气部分,以免触电,特别是在设备带电或运行状态下。
二、保养规定:1.每次使用设备后,必须对设备进行清洁和检查,去除设备表面的尘埃和污渍,并确认设备没有任何损坏。
2.每月对设备进行一次详细的检查和维护,包括清洁设备内部、检查所有连接件和维修磨损的零部件。
3.每季度对设备进行一次校准和调整,确保设备的测量准确度和稳定性。
4.定期更换设备的滤芯和传感器,以确保设备的正常运行和测量的准确性。
5.定期进行设备的耐压测试和绝缘测试,确保设备的电气安全和可靠性。
6.定期对设备的电气部分进行维护和修理,确保电源线路的安全和电气设备的正常运行。
7.在设备长时间不使用的情况下,应将其存放在干燥、通风和避光的地方,避免灰尘和湿气对设备的影响。
8.在设备运输和搬运过程中,应采取安全措施,避免设备的碰撞和振动,以免对设备造成损坏和故障。