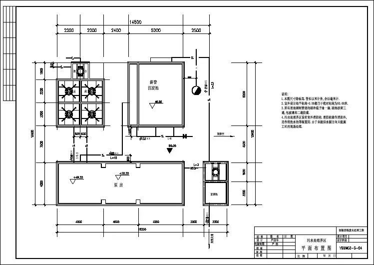
污水处理厂平面布置图
- 格式:doc
- 大小:176.00 KB
- 文档页数:1
天津东郊污水处理厂设计实例天津东郊污水处理厂于1989年8月开工,1993年4月建成,污水厂占地29.5hm 2,工程总造价20159万元。
1. 水质水量设计处理能力为40万m 3/d ,最高日流量(不脱氮)48万m 3/d 。
进水BOD 5280mg/L ,出水40mg/L ;进水SS240mg/L ,出水60mg/L 。
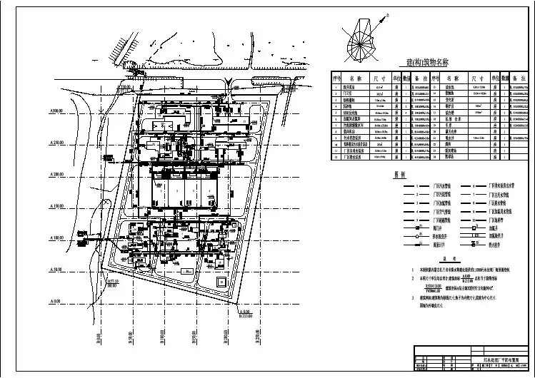
2. 处理工艺流程图1 天津东郊污水处理厂工艺流程图图2 天津东郊污水处理厂总平面布置图该厂污水处理系统分4个系列,4个圆形初沉池排成一行,4个曝气池组成田字型,8座二沉池设在厂区南侧,临近北塘排水河,使处理出水可就近排入河道。
污泥处理区设在厂的西北角,5个消化池组成梅花型,污泥处理的控制室设在5个消化池的中央。
北侧设有两个沼气贮罐、污泥脱水机房和沼气发电机房等。
3、主要处理构筑物及设备参数(1)进水格栅格栅是污水处理厂的第一道预处理设施。
该厂设6台垂直格栅,由计算机程序控制。
高水位时格栅清污机将连续工作,运送格栅拦截的浮渣的皮带运输机与格栅清污机联锁运行,在所有格栅停止工作后,皮带运输机仍将继续运行一段时间。
6台垂直格栅每台宽2m,栅条净宽25mm。
(2)进水泵房设6台HLWB-10型立式涡壳混流泵,5用1备。
水泵参数:流量1.32m3/s,扬程13.2m,电机功率260kw。
泵房设有6个控制水位,控制5台泵的运行。
为避免个别水泵负荷偏高而反复启动,水泵将依次循环投入运行。
当某台泵因故障停止工作时,另一台泵将自动投入运行。
(3)曲面格栅8台曲面格栅设在沉砂池的端部。
每台格栅宽度1.2m,栅条曲率半径2.0m,栅条净距10mm。
每台格栅的清污动作根据水位模拟信号由计算机控制。
当水位差处于正常值时,清污工作将按设定时间动作;当前后水位差超过设定值时,清污工作将连续进行。
如果清污工作连续操作时间过长,计算机将发出报警信号。
曲面格栅刮出的浮渣落在皮带运输机上,皮带运输机的运行与格栅清污机联锁,清污工作停止后,运输机仍将运行一段时间。
本设计污水处理厂综合设计包括15个图纸,十分全面,具体详见报告后附图。
本报告附图全面详细。
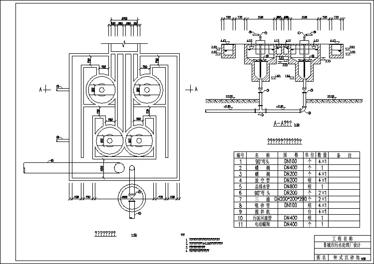
图纸内容如下:A2O池,初沉池,幅流式二沉池,隔栅,工艺简单图,工艺流程图(高程图),回转耙式格栅除污机图,平面布置图,污泥浓缩池,厌氧消化池,钟式沉砂池等。
全为CAD制图。
下载后复制放大或打印可看清!题目20000m3/d城市污水处理厂综合设计专业: 环境工程年级: 2005级学号: 3105001286姓名: 莫笑伟指导教师:2008年12 月摘要我国水体污染主要来自两方面,一是工业发展超标排放工业废水,二是城市化中由于城市污水排放和集中处理设施严重缺乏,大量生活污水未经处理直接进入水体造成环境污染。
工业废水近年来经过治理虽有所减少,但城市生活污水有增无减,占水质污染的51%以上。
我国水体污染主要来自两方面,一是工业发展超标排放工业废水,二是城市化中由于城市污水排放和集中处理设施严重缺乏,大量生活污水未经处理直接进入水体造成环境污染。
工业废水近年来经过治理虽有所减少,但城市生活污水有增无减,占水质污染的51%以上。
本设计要求处理水量为20000m3/d的城市生活污水,设计方案针对已运行稳定有效的A2/O活性污泥法工艺处理城市生活污水。
A2O工艺由于不同环境条件,不同功能的微)能生物群落的有机配合,加之厌氧、缺氧条件下,部分不可生物降解的有机物(CODNB被开环或断链,使得N、P、有机碳被同时去除,并提高对COD的去除效果。
它可以同NB--时完成有机物的去除,硝化脱氮、磷的过量摄取而被去除等功能,脱氮的前提是NH3N应完全硝化,好氧池能完成这一功能,缺氧池则完成脱氮功能。
厌氧池和好氧池联合完成除磷功能。
关键词:城市生活污水,活性污泥,A2/O目录摘要 (III)目录 (IV)第一章设计概述 ······································································- 7 -1设计任务 ······································································- 7 - 2设计原则 ······································································- 7 - 3设计依据 ······································································- 8 - 第二章工艺流程及说明 ·····························································- 8 -1工艺方案分析 ································································- 8 - 2工艺流程 ······································································- 9 - 3流程各结构介绍 ·····························································- 9 -3.1格栅······························································································· - 9 -3.2沉砂池··························································································- 10 -3.3初沉池··························································································- 10 -3.4生物化反应池··············································································- 10 -3.5二沉池··························································································- 12 -3.6浓缩池··························································································- 12 - 第三章构筑物设计计算 ··························································· - 12 -1格栅 ·········································································· - 12 -1.1设计说明······················································································- 12 -1.2设计计算······················································································- 13 -2沉砂池 ······································································· - 16 -2.1设计说明······················································································- 16 - 3初沉池 ······································································· - 17 -3.1设计说明······················································································- 17 -3.2设计计算······················································································- 17 - 4生化池 ······································································· - 19 -4.1设计说明······················································································- 19 -4.2设计计算······················································································- 19 - 5二沉池 ······································································· - 26 -5.1设计说明······················································································- 26 -5.2设计计算······················································································- 26 - 6液氯消毒 ···································································· - 29 -6.1设计说明······················································································- 29 -6.2设计计算······················································································- 29 - 7污泥浓缩池 ································································· - 30 -7.1设计说明······················································································- 30 -7.2设计计算······················································································- 30 -8 污泥消化池 ································································· - 31 -8.1设计说明······················································································- 31 -8.2设计计算······················································································- 32 - 9浓缩污泥提升泵房 ························································ - 38 -9.1设计选型······················································································- 38 -9.2提升泵房······················································································- 38 -9.3污泥回流泵站··············································································- 38 -10污泥脱水间 ······························································· - 39 -10.1设计说明······················································································- 39 -11鼓风机房 ·································································· - 39 - 12恶臭处理系统 ···························································· - 39 -12.1设计说明······················································································- 39 -12.2设计计算······················································································- 39 -12.3风机选型······················································································- 40 - 第四章污水处理厂总体布置 ····················································· - 41 -1总平面布置 ································································· - 41 -1.1总平面布置原则··········································································- 41 -1.2总平面布置结果··········································································- 41 -2高程布置································································································- 42 -2.1高程布置原则··············································································- 42 - 第五章参考文献 ···································································· - 42 -第一章设计概述1设计任务本次课程设计的主要任务是完成某城市污水厂的A2/O工艺设计处理生活污水,处理水量为20000m3/d,按近期规划人口10万人计算(自定)。
污水处理站施工现场总平面布置方案第一节平面布置原则1、根据设计图纸及施工现场情况,结合本工程的现场特点,施工总体布置在满足施工作业和生产管理的前提下,本着少占施工占地、减少污染、保护绿地和环境,文明大方的原则,进行临时设施布置。
2、根据工程项目,施工方案和周围环境,本着“节约成本,施工必须,适当集中”的原则,进行临时设施布设。
3、尽可能地利用场内交通条件,减少对现状交通干扰及对周围环境的影响。
4、本着经济合理的原则,按照安全生产、文明施工的要求,对施工现场进行布置。
第二节平面总体布置1、现场办公平面布置现场总平面布置图1.1 项目部布置根据现场勘查,项目部设置在厂区东侧空地处,拟搭建4125㎡项目部办公区及临舍区。
项目部办公室实例图1.2 施工作业部布置项目部下设钢筋混凝土主体工程作业部、道路排水施工作业部、绿化工程作业部。
其中,泵站工程作业部设置在项目部南侧,拟搭建100㎡彩钢板房办公;道路排水施工作业部泵站工程作业部南侧,拟搭建100㎡彩钢板房办公;2、临时设施、材料加工场地平面布置2.1 材料堆放场、机械停放场及工人宿舍布置¸ù¾Ý现场勘察,临设选址处有足够的闲置用地,计划在施工区作业部附近设置一处750㎡材料堆放场、750㎡机械停放场和1000㎡钢筋模板加工场,工人宿舍设置在作业部附近,现场平均人数150人,拟搭设20间40㎡彩色钢板房以供居住。
钢筋模板加工棚实例图机械停放场实例图2.2 施工围挡布置根据施工招标文件要求,并结合施工现场条件和特点,进场后,在施工区采用标准统一硬质围挡搭设施工围挡,将市政施工区与周围环境分离,减少周边环境与施工区的交叉干扰,防止安全事故的发生。
围挡色彩标志整齐美观,围挡支撑牢固可靠,底部用铆钉铆固,在围挡外侧上设置夜间警示灯、贴反光膜。
施工中的现场围挡实例图3、临时道路布置为了方便施工人员和施工车辆来往,优化施工环境,提高工作效率,根据现场勘查,计划在工程沿线周边修建施工便道供材料及施工进出场使用;施工便道,厂区内施工便道宽7米,结构为20cm厚的8%灰土上覆20cm厚C20混凝土路面。