十字梁与井字梁(三种工况)
- 格式:doc
- 大小:474.50 KB
- 文档页数:9
31内或土中伸缩缝的最大间距是55m,而本项目的长宽大于一百米,是一种超长的结构建设,因此设计小于55米的伸缩缝,不过设计师从美感方面要求不出现设缝,因此设计施工使用构造技术来避免温度和混凝土收缩对建筑结构产生的不良影响,其主要措施是:第一,温度影响很大的顶层部分提高配筋率,同时根据要求整个楼梯都设计使用双层双向的配筋;第二,每隔30米设置后浇带,宽度为1米,钢筋使用搭界接头,两个月后浇灌一次;第三,根据设计要求选用伸缩系数小的水泥品种,尽可能的少用水泥,同时加入一定的添加剂;第四,部分楼梯间增加剪力墙。
2.楼盖结构分析楼盖结构在建筑结构中是一种水平构件,由梁和板构成。
楼盖的成本构成中,需要用到大量的混凝土和钢材,其成本几乎占到整个结构成本的一半以上。
因此科学设计和做好结构平面布置直接关系着一个工程的的最终成本。
案例的工程柱网选择9m ×9m,为了以防万一,制定方案时设计了单道次梁、十字梁、井字梁三种。
从成本来说十字梁比井字梁成本低;从结构的安全方面来说,井字梁可以更好的发挥主次梁的相互作用,而十字梁荷载正好在主框架梁的最大弯矩处;从美观方面来看,井字梁可以有效的节约空间,而十字梁不如井字梁。
由于本工程要求含钢率较高,因此选择了十字梁板进行施工。
通过计算十字梁成本更经济合理,梁截面的高度开始定为1/20~1/15,主梁高设计为300×800,次梁高设计为250×600,在遇到较大的荷载时,在梁配筋率较大处,不是通过增加高度而是尽可能的加宽主梁。
对于如何很好的设计商业中庭的是本项目的难点所在。
因为中庭是这个建筑商业裙楼的垂直交通枢纽,是做好室内空间设计及促进整个建筑质量和水平提高的垂直载体,在这部分建筑进行结构设计中,通常会遇到下面两个问题:第一,因为这一项目的中庭走廊要求不设计柱子,也就是需要结构承担悬挑4.5米的荷载,而且大部分还需要作为自动扶梯的支撑梁,因此悬挑梁的高度是很难有效降低的,因为在进行科学结构受力计算条件下,设计变截面的挑梁尺寸为400×1200~800,在多方验证后可以满足要求;第二,在这一项目中中庭连桥也是抽柱大跨度的问题所在,因为本项目的连桥位置需要设计很多增色布置,因为是餐饮或商场人流密集区域,在设计中这一地点的荷载大部分需要大于室内店铺,抽柱产生18米的跨度,开设打算设计做单向钢梁或预应力梁,之后在和甲方商议后,考虑造价成本及施工工期,就选择了普通的混凝土梁,这样不仅可以符合承载力的要求,而且能够在中庭连桥的防火分区交界处设计防火卷帘从而能够留出更高的净高,从而杜绝了这一位置出现天花最矮处。
浅谈地下室结构设计的几点思考摘要:地下室结构设计一般为整个工程设计的重中之重,与各专业的联系也最为紧密。
整个地下室结构设计就是一个沟通,妥协,完善的过程。
如何设计出安全、经济、易施工的地下室,是一个值得探讨的课题。
笔者通过多年的地下室设计经验,对此做一个小结,以帮助刚接触地下室的工程师,也提出一些看法,希望同行共同探讨提高。
关键词:基础外墙抗浮设防水位裂缝正文:地下室结构设计一般为整个工程设计的重中之重,与各专业的联系也最为紧密。
整个地下室结构设计就是一个沟通,妥协,完善的过程。
如何设计出安全、经济、易施工的地下室,是一个值得探讨的课题。
笔者通过多年的地下室设计经验,对此做一个小结,以帮助刚接触地下室的工程师,同时也提出一些看法,希望同行共同探讨提高。
一、抗浮问题。
1、抗浮设防水位该参数一般由勘探单位在地勘报告中提出,是指基础砌置深度内起主导作用的地下水层在建筑物运营期间的最高水位。
当有长期水位观测资料时,抗浮设防水位可根据该层地下水实测最高水位和建筑物运营期间地下水的变化来确定;无长期观测资料或资料缺乏时,按勘察期间实测最高稳定水位并结合地形地貌、地下水补给、排泄条件等因素综合确定;在南方滨海和滨江地区,抗浮设防水位可取室外地坪标高。
但是该参数在勘探单位往往得不到重视,经常一句话带过—“本工程抗浮设防水位按室外地坪以下0.5米取值”。
不知该参数在地下室造价中起着决定性因素。
大部分工程,周围道路标高较低,楼盘中央设计室外标高较高,在勘探单位未明确抗浮设防水位时,设防水位可按周围道路标高以下0.5~0.8米取值。
但是对于部分处于山脚边缘的建筑,因为山脚是个汇聚点,易积累山上排下的雨水,故此处设防水位往往应该提高至室外地坪标高。
正因为水位取值的复杂性,笔者在设计地下室时,会尽量收集周边工程的勘探信息,并且与勘探单位一起探讨,确定一个安全经济的抗浮设防水位。
2、整体抗浮验算地下室整体抗浮验算是指建筑的抗浮力(压重+抗拉力)必须大于水的总浮力。
“井”字梁与“十”字梁选型分析报告(一)恒荷载31 KN/M2,活荷载3.5KN/M2一、比较范围标准柱距为8100mm*8100mm。
计算采用双方向5跨连续楼板的中间一跨楼板结果进行分析。
二、比较内容经济比较内容:含钢筋、砼、模板等用量,以及综合造价。
1.方案一:“井”字梁2.方案二:“十”字梁三、技术条件荷载:1.2m覆土,180mm板厚,恒荷载31 KN/M2活荷载3.5KN/M2梁、板混凝土等级:C35计算软件:PKPM 2006.10四、计算分析1、两种方案梁计算结果及配筋图:方案一方案二2、两种方案板计算结果及配筋图:方案一方案二五、经济指标序号类别井字型①十字型②①/②备注1梁钢筋重量(T) 3.64 3.79 96.07% 工程概况:面积75.69M2,柱中纵向和横向的轴线间距均为8.1M(梁净长均为7.5M),梁混凝土标号为2 综合单价5912.273 造价(元) 21514.75 22395.68 96.07%4混凝土体积(m3) 16.01 14.83 107.94%5 综合单价454.906 造价(元) 7282.04 6746.62 107.94%由上表可以看到:井字梁每平米造价较十字梁节省(52124.69-49212.18)/ 8.1x8.1=44.4元。
“井”字梁与“十”字梁选型分析报告(二)恒荷载31 KN/M2,活荷载20KN/M2一、比较范围标准柱距为8100mm*8100mm。
计算采用双方向5跨连续楼板的中间一跨楼板结果进行分析。
二、比较内容经济比较内容:含钢筋、砼、模板等用量,以及综合造价。
1.方案一:“井”字梁2.方案二:“十”字梁三、技术条件荷载:1.2m覆土,180mm板厚,恒荷载31 KN/M2活荷载20KN/M2 (消防车道荷载)梁、板混凝土等级:C35计算软件:PKPM 2006.10四、计算分析1、两种方案梁计算结果及配筋图:方案一方案二2、两种方案板计算结果及配筋图:方案一方案二五、经济指标序号类别井字型①十字型②①/②备注1梁钢筋重量(T) 6.14 6.74 91.11% 工程概况:面积75.69M2,柱中纵向和横向的轴线间距均为8.1M(梁净长均2 综合单价5912.273 造价(元) 36277.69 39819.14 91.11%4混凝土体积(m3) 17.89 15.92 112.38%5 综合单价454.90由上表可以看到:井字梁每平米造价较十字梁节省(74691.36-66179.32)/ 8.1x8.1=129.7元。
地下室楼盖选型分析与对比摘要:建筑工程项目中,地下室楼盖结构形式较为多样,且不同楼盖结构经济性、应力支撑作用会有着较大差异。
相关人员在地下室施工设计中,需要根据项目整体布局,筛选更为适用的楼盖框架结构方案。
因此,本文结合某建筑工程,对地下室楼盖选型进行对比与分析,借此通过地下室楼盖结构的优化设计,提升我国建筑工程的整体质量。
关键词:地下室;楼盖结构;选型分析;对比引言:社会经济发展中,城市整体建设规模明显增加。
在此背景下,为在有限土地资源中,挖掘更多可利用空间,各类建筑物的地下空间被广泛应用,其中最为典型的为建筑物的地下室。
但是在地下室施工建设中,其机构选型对地下室质量、安全性能、经济效益影响较大,要求设计方通过地下室楼盖结构的选型与对比,确保地下室布局的合理性。
一、工程概况某建筑工程,实际建筑面积为25801.78平方米,地下建筑面积为7892.35平方米,建设内容为地下车库,地上建筑组成结构为塔楼、裙房、电梯机房等。
该建筑工程的地下室层高为5.1m,顶板厚度160-250mm,地下室顶板标高为-1.2m,整体安全等级为二级,结构类型为混凝土框架结构。
在该建筑工程的施工建设中,因地下室顶板楼盖需承载较大荷载,所以在楼盖结构选择中,需根据地下室应力要求,科学开展地下室楼盖选型工作,并通过地下室楼盖结构设计的方案对比,筛选出最优施工方案。
二、地下室楼盖形式分析建筑工程中,地下室楼盖形式可分为无梁楼盖、有梁板式楼盖。
在该领域中,梁板式楼盖结构应用较为广泛,整体施工工艺较为成熟,各部位荷载结构传力明确,但整体结构层次较多、制作流程较为复杂[1]。
相对来说,无梁楼盖可通过控制层高的方式,确保施工的便捷性,加强工程项目的工期控制。
本工程的地下室建设内容为地下车库,地面上方为居民楼、小区道路,地下室楼盖的荷载主要来自于楼面恒载。
该工程在楼盖结构选型时,需要提前计算各结构的应力条件、抗震防裂程度,随后根据各项指标,调整地下室楼盖结构设计方案,保证楼盖选型满足该地下室的各项技术要求。
“井”字梁与“十”字梁选型分析报告(一)恒荷载31 KN/M2,活荷载3.5KN/M2一、比较范围标准柱距为8100mm*8100mm。
计算采用双方向5跨连续楼板的中间一跨楼板结果进行分析。
二、比较内容经济比较内容:含钢筋、砼、模板等用量,以及综合造价。
1.方案一:“井”字梁2.方案二:“十”字梁三、技术条件荷载:1.2m覆土,180mm板厚,恒荷载31 KN/M2活荷载3.5KN/M2梁、板混凝土等级:C35计算软件:PKPM 2006.10四、计算分析1、两种方案梁计算结果及配筋图:方案一方案二2、两种方案板计算结果及配筋图:方案一方案二五、经济指标由上表可以看到:井字梁每平米造价较十字梁节省(52124.69-49212.18)/ 8.1x8.1=44.4元。
“井”字梁与“十”字梁选型分析报告(二)恒荷载31 KN/M2,活荷载20KN/M2一、比较范围标准柱距为8100mm*8100mm。
计算采用双方向5跨连续楼板的中间一跨楼板结果进行分析。
二、比较内容经济比较内容:含钢筋、砼、模板等用量,以及综合造价。
1.方案一:“井”字梁2.方案二:“十”字梁三、技术条件荷载:1.2m覆土,180mm板厚,恒荷载31 KN/M2活荷载20KN/M2 (消防车道荷载)梁、板混凝土等级:C35计算软件:PKPM 2006.10四、计算分析1、两种方案梁计算结果及配筋图:方案一方案二2、两种方案板计算结果及配筋图:方案一方案二五、经济指标由上表可以看到:井字梁每平米造价较十字梁节省(74691.36-66179.32)/ 8.1x8.1=129.7元。
“井”字梁与“十”字梁选型分析报告(三)恒荷载18 KN/M2,活荷载3.5 KN/M2一、比较范围标准柱距为8100mm*8100mm。
计算采用双方向5跨连续楼板的中间一跨楼板结果进行分析。
二、比较内容经济比较内容:含钢筋、砼、模板等用量,以及综合造价。
3.方案一:“井”字梁4.方案二:“十”字梁三、技术条件荷载:0.6m覆土,180mm板厚,恒荷载18 KN/M2活荷载3.5 KN/M2梁、板混凝土等级:C35计算软件:PKPM 2006.10四、计算分析1、两种方案梁计算结果及配筋图:方案一方案二2、两种方案板计算结果及配筋图:方案一方案二五、经济指标由上表可以看到:井字梁每平米造价较十字梁稍贵(43550.99-43683.76)/ 8.1x8.1=5.1元。
地下室顶板梁板式结构布置的经济性比较【摘要】地下室顶板的梁板式结构布置一般分为按双向板布置的井字梁,十字梁和按单项板布置的梁板式结构。
现在的工程对经济性有要求,既要控制钢筋用量和混凝土用量,又要使结构布置合理,从而达到设计和经济性双赢的目的。
通过在不同覆土厚度的情况下,对此三种方案进行经济性比较,为实际设计工程提供参考。
【关键词】地下室顶板;单向板;双向板;经济性1.前言地下室顶板上通常需要布置设备管道及种植绿化树木,这就需要一定的覆土厚度来满足这些要求,从而使顶板荷载比较大。
有些局部还需要考虑消防车的荷载,使顶板荷载更大。
地下室顶板很多情况下采用梁板式体系,而梁板式体系可简单归结为按双向板布置的井字梁,十字梁和按单向板布置的梁板式结构。
在对地下室结构进行优化设计时,考虑到具有以下两个特点:1)所承受的荷载比较大:地下室顶板结构具有覆土荷载大,材料用量高的特点;2)受设备专业净高要求的限制。
如今很多工程开发商都对钢筋用量及混凝土用量有经济性要求,在按普通的梁板式结构布置时,本文对此三种结构布置在覆土厚度为1.2m,1.0m,0.8m,0.6m进行经济性比较,为实际工程提供参考。
2.计算模型与计算方法2.1 计算模型1)计算条件:双向板布置的井字梁,十字梁和按单向板布置的梁板式结构统一的参数取值为:①柱网均按8.1m×8.1m,柱截面尺寸均为500mm×500mm,地下室顶板厚度按非嵌固端取值,均为160mm,层高按4.5米计算;②混凝土强度等级:梁、板、柱均为c30;③钢筋强度等级:梁、柱、板纵向受力钢筋均采用三级钢(hrb400),梁、柱箍筋:6、8、10均采用一级钢(hpb300),≥12采用三级钢(hrb400)。
此三种结构布置在x方向和y方向均取为连续5跨进行比较。
2)截面尺寸:井字梁的主梁截面为400×800,次梁截面为250×600;十字梁的主梁截面为400×800,次梁截面为300×700;单向板布置的主梁截面为500×850,次梁截面为300×750,其梁截面和柱截面尺寸分别见下图。
2011年12月
地下室设置必要性
地下室设置的作用1
一、地下室分类
二、多层地下室楼盖形式
地下室结构构成
地下室底板
地下室室外顶板地下室楼层
塔楼首层顶板
楼盖平面示意图
加腋整间大板
加腋整间大板
11
带托板无梁楼盖
14
空心密肋楼盖
15
三、各层地下室楼盖荷载取值
消防车荷载
四、地下室楼盖采用的结构形式及经济对比根据各楼层的荷载取值,一般情况下各层的楼盖采用的结构形式
人防顶板经济对比
计算条件
计算结果
经济对比
地下室车库经济对比
主次梁结构
主次梁结构计算结果
十字梁结构
十字梁结构计算结果
井字梁结构
井字梁结构计算结果
无梁楼盖
32
计算结果
33
经济对比
材料用量统计表
结论1、
5、当地下室层数较多(
首层顶板
结论
工程实例
五、楼盖设计及计算方法
加腋梁板设计及计算
加腋梁计算简图
αγ
跨长加腋系数、梁高加腋系数
45
⏹加腋梁与加腋板都是通过增加厚度来提高支座的刚度,减
1MN MX X Y Z -33.447-3.1427.16757.47487.781118.088148.395AUG 23 2011ELEMENT SOLUTION MN MX X Y
Z -33.454-3.14627.16357.47287.781118.09148.398AUG 23 2011图一:X 向跨板的弯矩图图二:Y 向跨板的弯矩图
ANSYS。
地下室总结一、嵌固端选取根据不同的结构形式,地质情况,嵌固端的选取主要有:1、一般情况下以地下室顶板作为嵌固端,需要满足:抗规结构地上一层的侧向刚度,不宜大于相关范围地下一层侧向刚度的0.5倍;结构底部嵌固层,侧向刚度比不宜小于1.5;当地下室顶板作为上部结构嵌固部位时,地下一层与首层侧向刚度比不宜小于2当地下室顶板不能作为上部结构的嵌固端时,嵌固端下移,满足高规,此时地下室顶板仍宜按嵌固部位要求设计,楼板厚度不宜小于150mm。
2、单层地下室的多高层建筑,采用天然地基、桩-筏基础时,通常采用基础底板作为嵌固端,充分发挥底板的无线刚度;3、只有地下室才具备对上部结构嵌固的基本条件。
上部其他楼层,即便满足刚度比要求也不能成为其上部结构的嵌固端,只能作为刚度突变楼层考虑(如大底盘、多塔楼裙房顶)4、地下室顶板作为嵌固端时,地下室顶板与室外地面的高差小于地下室层高的1/3,且不大于1.0m。
注:地下室顶板不能作为上部结构嵌固端部位时,嵌固端下移。
此时应考虑地下室实际存在的嵌固作用,对地下室顶板仍宜按嵌固部位楼层要求设计,其楼板厚度不宜小于160mm。
二、地下室外墙1、地下室外墙计算简化模型地下室外墙工程做法:地下室底板与地下室外墙的连接为固接,楼板与地下室外墙的连接为铰接,沿竖向取1m宽的外墙按单、双(多跨)来计算地下室外墙的弯矩。
(实用工具:小虎工具箱、理正)注:1)当地下室顶板与墙身厚度接近时,可采用两端固接计算简图计算;2)地下室外墙相连的柱或墙刚度较大,且外墙板长高比小于2时,可按双向板设计;3)建筑尽量不要用重力式挡土墙。
2、参数选取1)土质情况:根据实际选取,粘性土:18KN/m3;水容重:9.8KN/m32)主动土侧压力系数:一般取0.5;可根据地勘报告计算K0=1-sinφ(φ为土的有效内摩擦角)3)外墙尺寸:一层地下室:250-400mm;二层地下室:400-500;4)混凝土强度:一般为C25-C353、配筋要求竖向和水平分布钢筋应双层双向布置,间距不宜大于150mm,配筋率不宜小于0.3%(高规12.2.5)三、地下室底板设计标准规定:地下室底板结构体系应由设计单位提供两个或以上方案综合比选,初步设计时可按下列原则选用:A、当建筑场地、地下水位、地下室底板标高和室外地坪标高等因素和条件适当时,地下室可不设结构底板,室内仅设置建筑地面。
结构优化问题1.地下室顶板为1600mm的覆土时,顶板做那种结构比较经济?如大板、单向板、十字梁、井子梁。
覆土为多少时,用十字梁?覆土为多少时,用井字梁?对于8米x8米跨的商业楼板,用单向板是不是最经济?回复:覆土1600时,大板最省,但裂缝和挠度不易控制,因此井子梁最实用;800厚覆土,十字梁合适;对于室外,最好不要做单向板。
另外如果顶板做为嵌固端时,不要做无梁楼盖。
对于8米x8米跨的商业楼板,单向板最省。
2.对于人防等级为核五,顶板最小防护厚度为360mm;核六,顶板最小防护厚度为250mm,顶板做那种结构比较经济?回复:大板省。
3.地面首层为架空车库,车库顶板有1600mm的覆土,车库顶板是否考虑抗渗?屋面是否考虑抗渗?回复:1600覆土,说明有1600水压,因此要考虑抗渗;屋面排水比较顺畅,一般不会积水,可不考虑抗渗。
4.8米x8米的跨,中间不要次梁,做空心楼盖,经济性如何?回复:比普通楼盖贵10%~20%。
空心楼板可以结合宽扁梁,作为降低层高的措施,特别是地下遇到岩石,不易开挖,通过做空心楼盖,降低层高,减小开挖量,就相当经济。
单独考虑空心楼板做楼板,荷载小时还不如用单向板,荷载大时不如用加腋板。
5.对于80米左右的剪力墙结构,做地下室经济还是不做地下室经济?回复:若地下不易停车且不易做设备用房,就尽量不要做。
6.普通板采用塑性理论计算,是否安全?有消防车荷载的楼板可否用塑性板计算?回复:普通楼板按塑性理论计算不一定比弹性理论计算更经济。
有防水要求的楼板建议采用弹性理论计算,因为迎水面裂缝宽度规范有限制。
人防顶板、有消防车荷载的楼板可以用塑性理论计算。
7.高规7.2.16.3条构造边缘构件箍筋、拉筋沿水平方向的肢距不宜大于300mm。
设计的时候能否按300间距去考虑,如四级抗震暗柱,箍筋能否都用6.回复:四级抗震时,可用300;箍筋可以用 6.8.没有地下室的高层结构,桩基础的承台之间是否要做地梁?回复:一般的管桩,最多能承受100KN的水平力。
人防地下室楼盖选型经济性分析
刘泓;孔德礼;李姗珊
【期刊名称】《低温建筑技术》
【年(卷),期】2018(040)008
【摘要】为获得十字梁楼盖、井字梁楼盖、无梁楼盖和大板主梁楼盖四种单层人防地下室结构楼盖体系的经济性,以跨度和覆土厚度作为变量,利用PKPM软件分别对四种楼盖结构体系模型在不同跨度和不同覆土厚度情况下的工程用钢量进行计算,结果表明,在进行楼盖选型时,无梁楼盖体系仅在跨度和覆土厚度均较小时优于其他三种楼盖形式,当跨度和覆土厚度都较大时,十字梁楼盖的优势较为明显,可为相关结构设计人员参考.
【总页数】3页(P32-34)
【作者】刘泓;孔德礼;李姗珊
【作者单位】沈阳建筑大学土木工程学院,沈阳110168;沈阳建筑大学土木工程学院,沈阳110168;沈阳建筑大学土木工程学院,沈阳110168
【正文语种】中文
【中图分类】TU91
【相关文献】
1.人防地下室底板无梁楼盖的设计探讨 [J], 倪宋健
2.人防地下室梁板式顶楼盖选型之探讨 [J], 汪源;徐锋
3.人防地下室楼盖选型 [J], 马东亚
4.人防地下室常用结构体系的楼盖经济分析 [J], 王传冰;张艺洋
5.地下车库柱网及楼盖结构选型与经济性分析 [J], 王广会;詹静芳
因版权原因,仅展示原文概要,查看原文内容请购买。
浅谈井字梁(含十字梁)与单向板的区别梁少锋发表时间:2016-11-02T10:53:41.740Z 来源:《低碳地产》2016年12期作者:梁少锋[导读] 本文根据工程实例,探讨一下井字梁结构(含十字梁结构)与单向板结构的区别。
清远市清新区建筑勘察设计有限公司广东清远 511800 【摘要】在建筑工程结构设计中,对于大跨度结构,结构工程师通常都会根据结构的安全性和可靠性来考虑该建筑的结构布置;而甲方却又通常要求结构工程师尽量降低工程造价。
对于大跨度的建筑结构,在这种情况下,往往就要结构工程师进行结构布置时,考虑应该采用井字梁结构还是单向板结构。
本文根据工程实例,探讨一下井字梁结构(含十字梁结构)与单向板结构的区别。
1.井字梁(含十字梁)与单向板的特点钢筋混凝土井字梁是从双向板演变而来的一种结构形式。
当其跨度增加时,板厚相应也随之加大。
但是,由于板厚而自重加大,而板下部受拉区域的混凝土往往被拉裂不能参加工作。
因此,在双向板的跨度较大时,为了减轻板的自重,我们可以把板的下部受拉区的混凝土挖掉一部分,让受拉钢筋适当集中在几条线上,使钢筋与混凝土更加经济、合理地共同工作。
这样双向板就变成为在两个方向形成井字式的区格梁,这两个方向的梁通常是等高的,不分主次梁,一般称这种双向梁为井字梁。
而其中呈井字或多个井字型的,一般称为井字梁;其中呈十字型的,一般称为十字梁。
这种结构布置方式具有双向受力合理,且可减少结构高度等优点。
如根据结构的安全性和可靠性,一般优先选取这种结构布置形式。
但井字梁结构的模板工程量和钢筋含量一般都比较大,而且钢筋绑扎的时候一定要注意先后顺序,一不小心,往往容易出错,从而影响井字梁的理论受力。
单向板简单来说,是指板的长边与短边的比值大于3的情况。
当板的长边与短边的比值大于3时,板荷载主要沿单向(短边方向)传递,单向受弯。
这种结构布置方式受力简单,且其长向分布筋配筋量都很小,因而单向板的钢筋含量一般都比较小。
地下室车库顶板常用结构形式经济指标比较和分析郑红华1,2魏利金1崔婧2沈贺宁2(1 SUNLAY 三磊设计北京100048;2 EDRI 十一科技北京建筑分院北京100039)[摘要] 本文以实际工程为例,结合几种常用地下室顶板结构形式的计算设计,给出用于工程实际的施工图纸,计算这几种结构形式下的结构混凝土用量和用钢量,经过比较分析,给出每种结构形式下的技术优势和结构成本优势分析;并对各结构选型,提出一些需要注意的问题以及可以探讨的技术措施,用以改进该结构选型下的经济优势。
为避免误导读者得出以偏概全的结论,作者同时给出另一荷载和柱跨条件下相同结构选型的施工图设计以及混凝土用量和用钢量统计,通过对在不同荷载和柱跨条件下会得出不同结论的原因进行简要分析,提出需要考虑的一些影响地下室结构顶板混凝土用量和用钢量的外部条件因素,以供同行设计师在设计时和工程投资方在成本控制时综合考虑这些因素,以便最终选取经济合理的地下室顶板结构形式。
[关键词] 地下室、顶板结构形式、措施、混凝土用量、用钢量、中图分类号:TU318 文献标识码:A 文章编号:1002-848(X)S1-0006-08[摘要] 本文以实际工程为例,结合几种常用地下室顶板结构形式的计算设计,给出用于工程实际的施工图纸,计算这几种结构形式下的结构混凝土用量和用钢量,经过比较分析,给出每种结构形式下的技术优势和结构成本优势分析;并对各结构选型,提出一些需要注意的问题以及可以探讨的技术措施,用以改进该结构选型下的经济优势。
为避免误导读者得出以偏概全的结论,作者同时给出另一荷载和柱跨条件下相同结构选型的施工图设计以及混凝土用量和用钢量统计,通过对在不同荷载和柱跨条件下会得出不同结论的原因进行简要分析,提出需要考虑的一些影响地下室结构顶板混凝土用量和用钢量的外部条件因素,以供同行设计师在设计时和工程投资方在成本控制时综合考虑这些因素,以便最终选取经济合理的地下室顶板结构形式。
某工程地下车库顶梁板结构经济性方案比选摘要:在地下车库顶板结构设计方案中,采用不同梁、板结构布置形式对车库的工程造价有着极其重要影响。
由于结构方案设计既要考虑到梁、板布置合理性也要平衡钢筋的用钢量及混凝土使用量的经济性。
本文对于车库顶梁、板结构采用:无次梁主梁大板、单向双次梁、十字梁以及井字梁结构布置方案形式,并分别建模进行计算分析、配筋设计及材料用量对比,最终得出在地下车库顶板覆土厚度在2.5m情况下,车库顶梁、板选用结构布置成单向双次梁结构形式最为经济。
可为同类地下车库结构设计提供参考。
关键词:地下车库;梁板布置;经济性;单向双次梁结构;方案比较1工程概况本工程为某安置房住宅项目地下车库,地下一层,为现浇钢筋混凝土框架结构。
地下车库顶板覆土2.5m,主要柱网布置尺寸为8.4m×7.2m,层高4m,柱截面600x600mm,砼强度等级为C35,钢筋均采用HRB400级钢筋,顶板采用现浇梁板式钢筋混凝土楼盖。
本文在经济分析中暂不考虑消防车荷载和人防荷载。
车库顶板结构混凝土综合单价取480元/m3,钢筋综合单价取5300元/t。
地下车库的结构为梁板式体系,依据不同的次梁布置方式给出了四种结构方案:无次梁大板结构方案、井字梁结构方案、十字梁结构方案、单向双次梁结构方案。
考虑机械停车及设备、电气专业管线综合布置情况,建筑专业对车库净高要求等。
地下梁板结构设计基本原则:选取建筑面积为2903m2(8x6)跨。
存在相同覆土荷载,各结构设计方案的构件指标相同(其中主次梁配筋率控制在1.6%~2.0%)。
结构构件承载力充分发挥。
2计算分析(1)计算软件:本工程采用北京盈建科软件股份有限公司开发的盈建科建筑结构设计软件V2021[4.0.0]进行结构内力计算、配筋设计以及主体结构材料用量统计。
其中楼板配筋采用塑性法计算进行钢筋用量的比较,拉通钢筋满足构造要求;梁端支座负弯矩调幅系数取0.8,梁截面尺寸按经济配筋率进行选择。
地下室顶板结构选型分析与经济性比较摘要:随着近年来房地产行业的迅速发展,地下室已成为设计中不可或缺的一部分。
但由于地下室的功能及使用要求的特殊性,如地下室顶板的设计荷载大(考虑绿化覆土或消防车通道等),防水抗裂要求高(根据混凝土规范要求,正常使用荷载作用下裂缝宽度不能大于0.02mm),所以其造价占整个项目的比重也较大。
故在保证结构可靠性和使用性的前提下,还应兼顾其经济性指标。
因此,该文结合深圳一工程地下室顶板的设计实例,针对其作多种选型方案的分析与比较,做好对该地下室结顶板的优化设计。
2工程实例该工程为深圳市龙岗区金海港麓园项目,根据各专业所提条件,初步确定塔楼外地下室柱跨为8.1×8.1m(不作为塔楼嵌固),顶板覆土厚度为1.2m,梁板下走设备管线约150kg,局部范围内有消防车道。
消防车荷载按《建筑结构荷载规范》GB 50009-2001(2006年版)第4.1.1条(下表)取值:混凝土强度等级采用C30,钢筋采用HRB400。
3几种地下室顶板结构方案分析3.1 一般做法十字梁、井字梁、单向板水平结构布置方案是较为常见的形式(考虑到单向板布置时,消防车荷载取值较大和梁高较高,不满足使用要求,故有消防车时仅对比十字梁和井字梁),按照规范要求这几种结构形式取最小板厚为160mm,故荷载取值如下:恒载:1.2×18+0.16×25+1.5=27.1kN/m2,取27 kN/m2。
活载:无消防车时取4 kN/m2。
考虑消防车时,计算板配筋按上表取20 kN/m2;计算梁配筋时考虑土的扩散作用取16 kN/m2。
采用PKPM-SATWE软件取四跨柱距模拟计算得出配筋。
3.2 其它做法大板水平结构布置方案是近年来新的地下室顶板设计形式,取板厚为250mm,故其荷载取值如下:恒载:1.2×18+0.25×25+1.5=29.4kN/m2,取29.5kN/m2。
人防地下室结构选型及设计优化摘要:人防地下室的建设不仅仅是充分利用地下空间的举措,还是安国安民的工程,在人防地下室结构的选型上不但要考虑结构的稳定性,还要考虑采用的结构的经济性,本文结合案例探讨人防地下结构的选型及优化设计。
关键词:人防地下室;结构选型;设计引言:随城市的发展,建筑如“洪水猛兽”般占据着地球的土地,根据国家的规定,在某些建筑中需要建设人防地下室,不仅方便平时的使用,还是战时的堡垒,人们越来越关注地下室结构的设计。
根据建筑结构的不同,选用不同的建筑结构,人防地下室的结构常见的有十字梁、井字梁、单向板水平结构,以下结合实例对其经济性进行探讨。
一、人防地下室结构设计的特点防空地下室结构设计的主要内容包含两方面:一是主体结构设计,包括顶板、外侧墙、底板等其它构件的结构设计,二是孔口防护设计,包括出入口的防护和消波系统(防护设备),其中出入口的防护包含防护密闭门的选用、门框墙、临空墙的计算、出入口通道(包括风井)的计算等几个方面,其特点是:1.结构构件可考虑进入塑性工作状态2.材料设计强度可以提高。
实验表明,在快速加载的情况下,这时材料力学性能发生比较明显的变化,主要表现为强度提高,但变形性能包括塑性性能等基本不变,这对结构工作起到有利作用,例如钢材强度可提高1.15~1.5倍,对砼强度可提高1.5倍,这是在设计中考虑材料强度综合调整系数来完成的。
3.重视构造要求,人防设计的许多构造要求是与一般的建筑设计不同的,要求更为严格,故仅仅只考虑受力计算,不考虑构造措施是不合理的。
二、人防地下室人防荷载的确定1.项目概述6栋22~28层剪力墙结构的高层住宅建筑和一个两层框架结构的地下室。
建筑面积12万余平米。
上部建筑高度80m,地震烈度为6度,框架抗震等级为3级,剪力墙抗震等级为3级。
地下室面积45000m2,其中含人防面积6489m2,分4个人防防护单元,层高4m,桩基采用泥浆护壁的钻孔灌注桩。
地下室顶板不同梁板结构体系的经济性比较发布时间:2021-09-10T10:44:52.283Z 来源:《时代建筑》4月上作者:卞方东[导读] 地下室顶板的梁板结构体系根据梁的布置形式,一般分为按双向板布置的井字梁、十字梁、单向单道次梁、无次梁和按单向板布置的单向多道次梁(本文以单向双道次梁为例)、无梁楼盖等。
江苏龙腾工程设计股份有限公司卞方东江苏南京 210000[摘要]地下室顶板的梁板结构体系根据梁的布置形式,一般分为按双向板布置的井字梁、十字梁、单向单道次梁、无次梁和按单向板布置的单向多道次梁(本文以单向双道次梁为例)、无梁楼盖等。
当今的工程建设对经济性要求越来越高,既要结构布置合理,又要控制混凝土用量和钢筋用量,还要便于工程施工,并最终满足工程设计合理和工程造价的经济性、工程施工的方便等多赢的目的。
通过控制地下室顶板在不同覆土厚度的情况下,比较上述这五种方案的经济性,为工程建设提供可行性参考。
[关键词]地下窒顶板;覆土厚度;梁板结构体系;经济性1.前言:地下室顶板上需要考虑室外综合管网、室外景观绿化等等,这就需要地下室顶板拥有足够的覆土厚度来满足各个专业的需求,故其荷载相对较大。
甚至局部地下室顶板区域还需要考虑消防车荷载及人防荷载,这就使的地下室顶板荷载更大。
尤其海绵城市的提出,对地下室顶板覆土提出更高的要求。
选择何种类型的地下室顶板的梁板结构体系时,需要考虑以下因素:1)地下室顶板所承受的各类荷载相对较大,混凝土及钢筋用量较高;2)设备专业通常净高要求较高以及及地下室层高的局限。
如今很多工程开发商项目或政府项目,对钢筋及混凝土用量提出一系列的经济性的限值。
本文对按双向板布置的井字梁、十字梁、单向单道次梁、无次梁和按单向板布置的单向双道次梁结构方案,在覆土厚度分别为1.5m、1.2m、1.0m、0.8m、0.6m的情况下对钢筋及混凝土用量进行比较,为实际工程设计提供可行性参考。
2.计算模型与计算方法2.1计算模型(1) 计算条件:①柱网形式均采用大柱网8.4m×8.4m,柱截面尺寸均为600mm×600mm,层高按3.7米考虑;②各个构件混凝土强度等级:C35;③各个构件钢筋强度等级:三级钢(HRB400)。
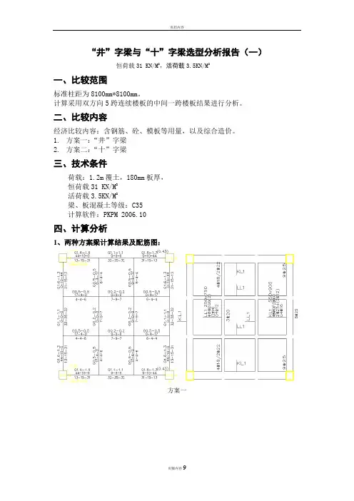
“井”字梁与“十”字梁选型分析报告(一)
恒荷载31 KN/M2,活荷载3.5KN/M2
一、比较范围
标准柱距为8100mm*8100mm。
计算采用双方向5跨连续楼板的中间一跨楼板结果进行分析。
二、比较内容
经济比较内容:含钢筋、砼、模板等用量,以及综合造价。
1.方案一:“井”字梁
2.方案二:“十”字梁
三、技术条件
荷载:1.2m覆土,180mm板厚,
恒荷载31 KN/M2
活荷载3.5KN/M2
梁、板混凝土等级:C35
计算软件:PKPM 2006.10
四、计算分析
1、两种方案梁计算结果及配筋图:
方案一
方案二2、两种方案板计算结果及配筋图:
方案一
方案二
五、经济指标
由上表可以看到:
井字梁每平米造价较十字梁节省(52124.69-49212.18)/ 8.1x8.1=44.4元。
“井”字梁与“十”字梁选型分析报告(二)
恒荷载31 KN/M2,活荷载20KN/M2
一、比较范围
标准柱距为8100mm*8100mm。
计算采用双方向5跨连续楼板的中间一跨楼板结果进行分析。
二、比较内容
经济比较内容:含钢筋、砼、模板等用量,以及综合造价。
1.方案一:“井”字梁
2.方案二:“十”字梁
三、技术条件
荷载:1.2m覆土,180mm板厚,
恒荷载31 KN/M2
活荷载20KN/M2 (消防车道荷载)
梁、板混凝土等级:C35
计算软件:PKPM 2006.10
四、计算分析
1、两种方案梁计算结果及配筋图:
方案一
方案二2、两种方案板计算结果及配筋图:
方案一
方案二
五、经济指标
由上表可以看到:
井字梁每平米造价较十字梁节省(74691.36-66179.32)/ 8.1x8.1=129.7元。
“井”字梁与“十”字梁选型分析报告(三)
恒荷载18 KN/M2,活荷载3.5 KN/M2
一、比较范围
标准柱距为8100mm*8100mm。
计算采用双方向5跨连续楼板的中间一跨楼板结果进行分析。
二、比较内容
经济比较内容:含钢筋、砼、模板等用量,以及综合造价。
3.方案一:“井”字梁
4.方案二:“十”字梁
三、技术条件
荷载:0.6m覆土,180mm板厚,
恒荷载18 KN/M2
活荷载3.5 KN/M2
梁、板混凝土等级:C35
计算软件:PKPM 2006.10
四、计算分析
1、两种方案梁计算结果及配筋图:
方案一
方案二2、两种方案板计算结果及配筋图:
方案一
方案二
五、经济指标
由上表可以看到:
井字梁每平米造价较十字梁稍贵(43550.99-43683.76)/ 8.1x8.1=5.1元。