高翅片暖气片技术要求20.18.2.7日
- 格式:doc
- 大小:32.50 KB
- 文档页数:6
散热器排名技术要求第三部分技术规格和要求1、钢制高频焊翅片金旗舰散热器应满足JG/T 3012.2-1998《采暖散热器钢制翅片管对流散热器》内相关规定。
2、散热器外罩带后背板、联箱内藏。
钢带、外罩板和两端护板应符合有关材料标准的规定,并应具有材料质量合格证明书。
3、钢管椭圆度应不大于0.3mm,钢管其他项目应符合GB/T 309 2、GB/T 3087、GB/T 8163的规定。
4、钢带与钢管之间应采用高频焊或其他确保紧固的方法。
5、钢带、钢管的焊接表面应无涂层、铁锈、凹坑等影响焊接质量的缺陷和杂质。
6、翅片管质量要求:翅片管螺距6~7mm,翅片高度应大于15mm,翅片倾伏角不应大于8%;翅片管的直线度每米不应大于1.0mm;高频焊接工艺翅片管,每米翅片管测量处实际焊缝长度的总和应大于85%,且未连续焊接长度不应大于50mm。
7、焊接质量要求:钢管与钢管的对接应符合GB 151的规定;焊接应符合GB/T 985的规定;散热器接管螺纹应符合JG J 31的规定。
8、散热器不得变形和碰撞,表面凹陷深度不得大于0.3mm。
散热片与片之间连接紧密,每组散热器必须由厂家进行液压或气压试验,试验压力为工作压力的1.5倍。
9、漆膜质量要求:散热器应喷涂防锈底漆和面漆,面板应烤漆,漆膜的制备应符合GB/T 1727的规定,并宜采用红外烘干或者静电喷涂技术,不得自然干燥。
表面漆应均匀,平整光滑,附着牢固,不得有气泡堆积、流淌和漏喷现象,散热器必须做到内外防腐处理。
10、散热器必须配备专用支架、专用丝堵和专用放气丝堵。
11、本工程散热器设计参数:H=600~700mm、6~8根,乙方需结合设计参数根据自家产品参数确定散热器高度及翅片管根数。
12、散热量要求:乙方应根据设计所需的散热量详细复核,确保所供散热器达到散热量的需要,如乙方所供的散热器在进场复试、过程检查、后续正式供暖等过程达不到所需散热量,从而所引起的散热器拆除、更换、业主索赔等造成的一切损失应由乙方承担。
翅片散热器技术要求近年来,随着电子设备的高度集成和性能的不断提升,散热问题成为了制约其发展的重要因素之一。
而翅片散热器作为一种常见的散热解决方案,受到了广泛的关注和应用。
翅片散热器的设计和制造不仅要满足散热效果的要求,还要考虑到材料的选择、结构的合理性以及制造工艺的可行性等方面的要求。
翅片散热器的设计需要充分考虑热传导和散热效率。
为了达到良好的散热效果,翅片散热器的翅片数量和翅片间距需要合理设计。
翅片的数量过多或过少都会影响散热效果,因此需要根据具体的散热需求进行调整。
同时,翅片的间距也需要根据热传导的要求来进行设计,以保证热量能够有效地传递到散热介质中。
翅片散热器的材料选择也是关键。
翅片散热器需要使用具有良好散热性能的材料,如铝合金、铜等。
这些材料具有良好的导热性能和机械性能,能够满足散热器在工作条件下的要求。
此外,材料的表面处理也是影响散热效果的重要因素之一。
例如,翅片散热器的表面可以进行阳极氧化处理,以提高表面的导热性能和耐腐蚀性能。
翅片散热器的结构设计也需要注意。
翅片散热器的结构应该尽可能地紧凑,以增加散热面积和散热效率。
同时,结构的稳定性和可靠性也是需要考虑的因素。
翅片散热器在工作条件下会受到振动和冲击等外力的作用,因此需要采用合适的连接方式和结构设计,以保证散热器的稳定性和可靠性。
翅片散热器的制造工艺也需要注意。
制造工艺的合理性直接影响到散热器的质量和成本。
翅片散热器的制造工艺应该简化和自动化,以提高生产效率和降低制造成本。
同时,制造工艺还需要考虑到翅片的加工和连接等问题,以保证散热器的制造精度和连接的牢固性。
翅片散热器的设计和制造需要考虑到热传导和散热效率、材料选择、结构设计和制造工艺等方面的要求。
只有在满足这些要求的基础上,翅片散热器才能够发挥良好的散热效果,并且能够满足不同领域和应用的需求。
未来,随着科技的不断进步和发展,翅片散热器技术也将不断创新和完善,为电子设备的发展提供更好的支持。
翅片散热器技术参数设置(原创实用版)目录1.翅片散热器简介2.翅片散热器技术参数的设置2.1 翅片的形状和尺寸2.2 散热器的材料2.3 散热器的热阻2.4 散热器的表面积2.5 散热器的风速和流量3.翅片散热器技术参数设置的影响因素3.1 环境温度和湿度3.2 散热器的使用场景3.3 设备的热负荷4.翅片散热器技术参数设置的实际应用正文翅片散热器是一种常见的散热设备,广泛应用于各种电子设备、家电以及工业设备中。
它的主要作用是通过增加散热表面积,提高散热效率,保护设备不过热损坏。
而翅片散热器的技术参数设置,直接影响着其散热效果。
翅片散热器技术参数的设置主要包括翅片的形状和尺寸、散热器的材料、散热器的热阻、散热器的表面积、散热器的风速和流量等。
其中,翅片的形状和尺寸是影响散热效果的重要因素,一般而言,翅片越宽,散热效果越好;散热器的材料则直接影响其导热性能和耐腐蚀性能,常用的材料有铝、铜等;散热器的热阻、表面积、风速和流量则直接影响着散热器的散热能力。
翅片散热器技术参数设置的影响因素主要有环境温度和湿度、散热器的使用场景、设备的热负荷等。
环境温度和湿度高,设备的热负荷大,都需要提高翅片散热器的技术参数设置,以保证设备的正常运行。
散热器的使用场景也会影响其技术参数的设置,例如,在灰尘大、腐蚀性强的环境中使用,就需要选择耐腐蚀的材料,并增加翅片的厚度和硬度。
在实际应用中,翅片散热器技术参数的设置需要根据具体情况进行调整。
例如,对于高温、高湿的环境,可以选择翅片宽度大、材料导热性能好、热阻小、表面积大、风速和流量大的散热器;对于灰尘大、腐蚀性强的环境,可以选择耐腐蚀的材料,并增加翅片的厚度和硬度。
高频焊翅片管散热器技术参数要求高频焊翅片管散热器技术参数要求1. 散热性能要求•散热器的散热效能,即散热器在规定条件下的散热能力,是高频焊翅片管散热器最重要的技术参数之一。
•散热器的散热性能主要由散热器材料、管子数量和管子间距等因素决定。
2. 管子材质要求•管子材质选择要合理,通常选用铝合金或铜质材料。
•铝合金的散热性能优于铜质材料,但成本相对较低。
•管子的表面处理也需要注意,一般涂覆防腐剂或进行阳极氧化等处理,以提高耐腐蚀性能。
3. 翅片间距要求•翅片管之间的间距应合适,太小会影响散热效果,太大则会造成空气阻力过大。
•正常情况下,翅片间距一般为1-2mm左右。
4. 翅片形状要求•翅片形状也是影响散热效果的重要因素,常见的翅片形状有直片、波纹片、鳍片等。
•不同的翅片形状会影响空气流动的方式和速度,从而影响散热效果。
5. 翅片数目要求•翅片数目越多,散热效果越好,但同时也会增加风阻。
•根据具体散热需求和空间限制,需合理确定翅片数。
6. 焊接工艺要求•高频焊翅片管散热器通常采用高频感应焊接技术进行焊接,要求焊缝牢固、密封良好。
•焊接工艺应优化,以保证翅片与管子之间的接触紧密,确保热量能够有效地传递。
示例解释说明以一款高频焊翅片管散热器为例,该散热器采用铝合金制作,管子间距为,翅片采用波纹形状,共有200根管子和250片翅片。
散热器的散热性能优越,由于选用铝合金材料,其散热效能比铜质材料更好。
同时,管子间距为,既能保证散热面积充足,又能减少空气阻力。
翅片的波纹形状能够增加紊流,提高了热量传递效率。
而且,200根管子和250片翅片的组合保证了散热面积的充分利用,从而进一步提高了散热器的散热性能。
焊接工艺方面,高频感应焊接技术被采用,确保了焊缝的牢固性和密封性,翅片与管子之间的接触紧密,热量可以顺利传递。
综上所述,该款高频焊翅片管散热器符合散热性能要求,其材质、翅片形状、数量以及焊接工艺等参数都是经过合理设计的。
翅片管散热器国家标准翅片管散热器是一种常见的散热设备,广泛应用于工业生产和生活领域。
为了规范翅片管散热器的设计、制造和使用,我国制定了相应的国家标准,旨在保障产品质量、提高能效、确保安全可靠。
本文将对翅片管散热器国家标准进行详细介绍,以便相关行业人员和使用者了解和遵守。
首先,翅片管散热器国家标准涵盖了产品的分类和命名、技术要求、试验方法、检验规则、标志、包装、运输和贮存等内容。
其中,技术要求是标准的核心部分,包括了翅片管散热器的结构尺寸、材料要求、制造工艺、性能指标等。
这些要求的制定,旨在保证翅片管散热器在使用过程中具有良好的散热效果、稳定的工作性能和长久的使用寿命。
其次,翅片管散热器国家标准对产品的试验方法和检验规则进行了详细规定。
试验方法是评定产品性能指标的重要手段,它包括了静态试验、动态试验、耐压试验、耐腐蚀试验等内容,可以全面、客观地反映产品的质量状况。
而检验规则则规定了产品出厂前的检验程序和方法,确保产品的质量符合标准要求。
此外,翅片管散热器国家标准还对产品的标志、包装、运输和贮存进行了规范。
产品标志是产品质量的象征,它应当清晰、醒目、持久,便于用户识别和监督。
产品包装、运输和贮存规定了产品在流通环节中的保护和管理要求,以确保产品在运输和贮存过程中不受损坏,保持良好的状态。
总的来说,翅片管散热器国家标准的制定和执行,有利于规范产品质量、提高产品性能、保障产品安全。
对于生产企业来说,遵守国家标准可以帮助企业提升产品技术水平、拓展市场空间、增强竞争力;对于用户来说,选择符合国家标准的产品可以保证自身的利益,获得更好的使用体验。
总之,翅片管散热器国家标准的制定和实施,对于行业发展和社会进步具有积极的促进作用。
我们应当充分认识到国家标准的重要性,积极遵守和执行国家标准,共同推动翅片管散热器行业的健康发展。
昆山翅片式换热器参数昆山翅片式换热器是一种常用的换热设备,具有高效率、紧凑的特点,广泛应用于工业生产过程中的热能转移。
下面将按照列表的形式,详细介绍昆山翅片式换热器的参数。
一、翅片式换热器的工作原理翅片式换热器利用翅片的增大换热面积,提高换热效率,实现热能的传递。
工作过程中,热介质流经翅片管道,通过与外部空气或冷却介质接触,将热量传递给空气或冷却介质,以达到降温或加热的目的。
二、常见翅片式换热器的参数1. 换热面积:翅片式换热器的换热面积是衡量其换热能力的关键指标。
通常以平方米(㎡)为单位来表示。
2. 翅片高度和翅片片距:翅片高度指的是翅片的垂直长度,一般以毫米为单位。
翅片片距是指相邻两个翅片之间的距离,也是以毫米为单位。
3. 翅片材料和制造工艺:翅片式换热器的翅片通常采用铝合金、不锈钢等材料制作。
制造工艺主要包括翅片的精确安装和密封,以确保热量传递效果和耐久性。
4. 管道材料和规格:换热器的管道通常采用铜、不锈钢等耐高温、耐腐蚀的金属材料。
管道规格主要由管道直径和管道壁厚决定。
5. 翅片式换热器的热效率:热效率是指换热器在工作过程中实际传递热量与理论传递热量之间的比值。
热效率越高,换热器的换热能力越强。
6. 压降和传热系数:压降是指流体通过换热器时产生的压力损失,单位一般为帕斯卡(Pa)。
传热系数是指换热器传递单位面积上的热量。
压降和传热系数是评价换热器性能的重要指标,需要根据具体的工艺要求进行选择。
7. 温差:温差是指热流体进出口温度之间的差值。
较大的温差意味着更高的换热效果。
三、翅片式换热器的应用领域翅片式换热器广泛应用于石油化工、电力、制冷、空调、采暖等行业,用于加热和冷却工艺流体、气体和液体。
常见的应用领域包括化工过程中的冷却和加热、空调系统中的室外机换热、汽车发动机冷却等。
综上所述,昆山翅片式换热器是一种高效、紧凑的换热设备,具有多种参数,包括换热面积、翅片高度、翅片材料等。
它在许多行业中发挥着重要作用,通过提高热能转移效率,实现热能的转移和利用,为工业生产提供了可靠的支持。
暖气片施工质量标准一、施工准备1.施工前应进行图纸会审,确保施工图纸与现场实际情况相符。
2.按照图纸要求,准备相应的施工材料和工具。
3.对施工人员进行技术交底,明确施工要求和注意事项。
二、管道安装1.按照施工图纸,正确排列管道,确保管道间距、坡度等符合设计要求。
2.焊接管道时应采用对接焊,确保焊缝平滑、饱满、无气孔。
3.管道安装完成后,应进行压力试验,确保无泄漏。
三、暖气片安装1.根据施工图纸,确定暖气片的型号、规格和安装位置。
2.在暖气片背面装上挂钩和固定件,确保安装牢固。
3.将暖气片挂在墙上,调整位置,确保与设计要求相符。
4.连接暖气片的管道应采用热熔连接或丝扣连接,确保连接处无泄漏。
四、试压验收1.在暖气片安装完成后,应对整个系统进行压力试验,检查各连接处是否泄漏。
2.压力试验合格后,应对系统进行冲洗,确保管道内无杂质。
3.冲洗完成后,应再次对系统进行压力试验,确保各连接处无泄漏。
4.试压验收合格后,方可进行成品保护。
五、成品保护1.在施工过程中,应对已安装好的管道和暖气片进行保护,防止损坏或污染。
2.在安装完成后,应对整个系统进行防护措施,防止意外碰撞或损坏。
六、质量标准1.管道安装应符合设计要求,排列整齐,焊接平滑、饱满、无气孔。
2.暖气片安装应牢固,位置正确,与设计要求相符。
3.各连接处应无泄漏,压力试验合格。
4.系统运行平稳、无噪音、无泄漏等现象。
七、安全文明施工1.施工人员应遵守施工现场的安全规定,佩戴安全帽、工作服等防护用品。
2.施工过程中应注意避免损坏周围环境和设施。
3.施工完成后应清理施工现场,保持环境整洁。
4.在使用工具和设备时,应注意安全操作规程,确保人员和设备安全。
5.在施工过程中如遇到问题,应及时向有关人员汇报并协助处理。
八、施工注意事项1.在安装暖气片时,应注意不要损坏或污染其表面,避免使用尖锐的工具或物品接触其表面。
2.在焊接管道时,应注意操作规程,确保焊接质量和安全。
高效节能翅片换热器技术参数
高效节能翅片换热器的技术参数包括:
1. 翅片材料:常见的翅片材料有铜、铝和不锈钢等,选择材料时考虑到其导热性和耐腐蚀性能。
2. 翅片形状和尺寸:翅片的形状和尺寸会直接影响到换热器的传热效果和压降。
通常采用波峰翅片、平直翅片或其组合形式,尺寸根据具体的换热需求来确定。
3. 翅片间距:翅片间距也叫翅片气道尺寸,是指两个相邻翅片之间的空隙尺寸。
翅片间距的选择需要根据换热介质的性质和换热器的设计参数来确定。
4. 换热器面积:换热器的面积是指翅片的总面积,也是换热器的一个重要参数。
面积越大,换热效果越好,但同时也会增加其体积和成本。
5. 压降:压降是指流体由于其运动而产生的能量损失,对于翅片换热器来说,需要注意控制压降,以保证流体的流动性和换热效果。
6. 整体热传导系数:换热器的整体热传导系数是指换热介质在翅片和管子之间传导热量的能力。
整体热传导系数越高,换热效率越高。
7. 温度差:温度差是指换热器两侧的温度差异,温度差越大,换热效果越好。
8. 面积密度:面积密度是指换热器单位面积上的翅片数量,面积密度越大,换热效果越好,但同时也会增加空气阻力和压降。
9. 锈蚀和结垢:翅片换热器常常会面临锈蚀和结垢的问题,需要采取相应的措施来保护翅片的表面光洁度和换热效果。
工程暖气片价格技术要求一、技术要求1、金旗舰暖气片采用钢制柱型散热器2、必须符合国家标准,散热器壁厚不得小于1.3mm ,壁厚度要在1.3mm-1.6mm之间,低于此标准的品牌散热器不但抗压强度不够,使用寿命也不长,用户平均投资费用高。
国家规定免费保修时间是18个月。
3、暖气片应逐组进行水汽压实验,承压能力不小于1.6MP。
暖气片进出水管均设置在暖气片下方,侧面不设置进出水管,进出水管管中心间距为90MM,误差不大于±5MM。
4、暖气片为优质冷轧低碳钢管暖气片,房间内为椭圆管双搭式,通水孔径要达到15㎜;暖气片管内不得少于一层均匀、致密耐酸、耐碱、耐高温阻氧保护层,并提供内腔保护层施工工艺、做法及检测报告。
5、暖气片管接口螺纹应符合GB/T 7303的规定,螺纹应保证3-5扣完整无缺陷,连接管螺纹处应有保护帽。
每组暖气片设置活动手动跑风1个。
6、暖气片焊接应符合GB/T 985 GJB481的规定,焊缝应平直、均匀、整齐、美观,不得有裂纹、气孔、未焊透和烧穿等缺陷;点焊的焊点应均匀,相邻焊点距不大于40MM,焊点不得出现烧穿等缺陷。
散热管与通水管焊接必须牢固贴合。
7、暖气片外表面应在良好的预处理后采用静电喷塑工艺,漆膜表面应光滑、平整、均匀,不得有气泡、堆积、流淌和漏喷;底漆厚度不得小于15μm,漆膜厚度不得小于60μm;漆膜附着力应达到GB /T 1720规定的1-3级要求;漆膜耐冲击性能应符合GB/T 1732的规定。
8、暖气片表面涂刷的材料应该无毒无味,在高温下不能产生对人体有害的物质,也不能降低其本身的物理性能。
9、暖气片的进出水管、跑风、堵头口径均为DN20。
随暖气片配装的支架数量不得少于L90N92-49中T22型规定的数量,每个卫浴用暖气片配用支架不得少于4个。
10、暖气片不得有明显变形、划痕、碰伤和毛刺。
11、根据规范要求对暖气片进行进场复检,甲方有权指定有资质的检测单位,如检测合格,甲方承担全部费用,如检测不合格,乙方承担全部费用及甲方的一切损失;二、工期要求:其中样板间暖气片在9月20日进场,其余暖气片分楼分批次进行进场,具体时间根据工程部现场要求。
综合折叠散热翅片执行标准综合折叠散热翅片,是一种新型的散热器材料,主要应用于电子产品、通讯设备、工业控制设备等需要进行散热的领域。
该材料采用特殊的加工技术,将铝板和铜板按一定间距交替折叠形成翅片状,以达到更大的散热面积和更高的散热效率。
以下是综合折叠散热翅片的执行标准:一、材料要求:1.1 板材:采用具有良好导热性能的铝、铜材料。
1.2 翅片高度:按照实际需求设计,常见高度为6mm-25mm。
1.3 翅片间距:按照实际需求设计,常见间距为1.2mm-3.2mm。
二、制造工艺:2.1 预加工:将铝、铜板材进行切割、开槽、修边等预加工。
2.2 折叠:按照要求,采用专用设备将预加工好的铝、铜板材交替折叠。
2.3 焊接:将折叠好的翅片进行焊接,使其形成一个整体结构。
2.4 加工:对焊接好的散热翅片进行加工,如平整、冲孔等。
2.5 表面处理:采用氧化、喷砂等工艺进行表面处理,以提高材料的耐腐蚀性。
三、检测标准:3.1 外观检测:检测翅片表面是否平整,孔洞是否匀称等。
3.2 尺寸检测:检测翅片高度、间距、长度等尺寸是否符合要求。
3.3 机械性能检测:检测翅片的硬度、拉伸强度等机械性能是否符合要求。
3.4 导热性能检测:检测翅片的导热性能是否符合要求。
四、应用范围:综合折叠散热翅片可广泛应用于电子产品、通讯设备、工业控制设备等需要进行散热的领域。
在集成电路、LED灯、交换机、变频器等高功率设备的散热中,综合折叠散热翅片相比传统的铝质散热片,能够更好地满足散热需求。
五、结语:综合折叠散热翅片是一种高效、环保、经济的散热材料,采用该材料可以大幅提高设备的散热性能,从而保证设备的正常运行。
同时,综合折叠散热翅片的制造及检测标准也非常严格,可以保证其优异的质量和稳定性。
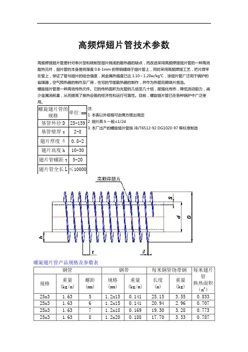
工业高频焊翅片管规格尺寸
工业高频焊翅片管是一种采用高频感应加热技术将翅片与母管焊接在一起的管道产品,翅片管的尺寸规格一般根据不同的使用需求而定,具体规格如下:
1. 母管尺寸:母管尺寸的大小根据使用场合的不同而有所不同,一般情况下,母管
的直径为15mm~80mm,壁厚为1mm~3mm之间。
2. 翅片尺寸:翅片尺寸主要根据散热要求决定,翅片的高度和宽度不同,一般情况
下翅片的高度在8mm~20mm之间,宽度在1mm~6mm之间。
3. 翅片间距:翅片间距的大小影响着翅片管的散热效果,翅片间距一般在2mm~5mm之间。
4. 翅片数量:翅片数量的多少也是影响散热效果的因素之一,通常翅片数量在20片
~100片左右。
5. 焊接长度:翅片与母管的焊接长度越长,管道的耐压能力越高,因此一般情况下
焊接长度为20mm~30mm之间。
6. 翅片角度:翅片的角度也是决定散热效果的关键因素之一,角度一般在30°~60°之间。
7. 材质:翅片管的材质一般采用铝合金或铜制材料,具有良好的导热性能和耐腐蚀
性能。
总之,工业高频焊翅片管的规格尺寸主要根据使用场合的不同而有所不同,用户在选
择时需要根据具体的需求进行决定。
翅片管散热器国家标准引言翅片管散热器是一种常见的散热器类型,用于电子设备和工业设备等领域中的热管理。
翅片管散热器的设计和制造需要遵循国家标准,以确保其性能和质量满足相关要求。
本文将介绍翅片管散热器的国家标准,包括标准的制定机构、标准的适用范围、主要内容和应用等方面。
制定机构翅片管散热器的国家标准由国家标准化管理委员会(简称国家标委)负责制定。
国家标委是中国质量控制体系的组成部分,负责制定和管理各个领域的国家标准。
翅片管散热器标准的制定由相关领域的专家和技术委员会负责,以保证标准的科学性和可操作性。
适用范围翅片管散热器国家标准适用于翅片管散热器的设计、制造和检测过程。
其适用范围包括但不限于以下方面:1.翅片管散热器的结构和尺寸要求;2.翅片管散热器的材料和制造工艺要求;3.翅片管散热器的性能和效果要求;4.翅片管散热器的检测方法和标准。
主要内容翅片管散热器国家标准主要包括以下内容:1. 翅片管散热器的结构和尺寸要求标准规定了翅片管散热器的结构和尺寸的基本要求。
其中,翅片管散热器的结构应当符合相关标准,翅片管的尺寸应当满足设计和制造要求。
标准还规定了翅片管散热器连接件的尺寸和材料要求。
2. 翅片管散热器的材料和制造工艺要求标准规定了翅片管散热器的材料和制造工艺的要求。
其中,翅片管散热器的材料应当符合相关标准,翅片管的制造工艺应当符合相关要求。
标准还要求翅片管散热器制造过程中的质量控制,确保产品的质量和可靠性。
3. 翅片管散热器的性能和效果要求标准规定了翅片管散热器的性能和效果的要求。
其中,翅片管散热器的散热性能应当符合相关标准,翅片管散热器的效果应当满足使用要求。
标准还要求对翅片管散热器的性能和效果进行评估和验证。
4. 翅片管散热器的检测方法和标准标准规定了翅片管散热器的检测方法和标准。
其中,标准要求制定相应的检测方法来验证翅片管散热器的性能和效果。
标准还要求检测机构和检测人员具备相关的资质和能力,确保检测结果的准确性和可靠性。
高效节能翅片换热器技术参数
高效节能翅片换热器的技术参数可以包括以下几个方面:
1. 散热面积:翅片换热器的散热面积是衡量其换热效率的重要指标。
通常以单位面积上的换热面积来表示,单位可以是平方米。
2. 翅片间距:翅片之间的间距也会影响换热效率。
间距越小,换热面积越大,换热效率也会更高。
3. 翅片材料:翅片可以采用不同材料制成,如铝合金、铜合金等。
不同材料的导热性能和耐腐蚀性能都不同,选择合适的翅片材料可以提高换热效率和使用寿命。
4. 换热介质:翅片换热器可以在不同的介质之间进行换热,如空气-空气、水-水或蒸汽-水等。
不同的介质对换热器的设计和使用要求也不同,因此选择合适的换热介质对换热器的效率和性能至关重要。
5. 热传导率:翅片材料的热传导率决定了热量在翅片内的传导速度,高热传导率可以加快热量的传递,提高换热效率。
6. 风速或流速:对于空气换热器来说,风速会影响热量的传递速度,流速对于液体换热器来说也是类似的。
选择合适的风速或流速可以提高换热效率。
7. 压降:翅片换热器在工作过程中会产生一定的压降,这会影
响介质的流动和换热效果。
较低的压降可以减小能源消耗,达到节能的目的。
这些参数可以根据具体的翅片换热器设计和应用需求进行选择和调整,以实现高效节能的换热效果。
翅片管技术要求范文1.材料要求:翅片管应采用耐腐蚀、耐高温、耐压等特殊材料制造,如不锈钢、铜、铝合金等。
选材应符合国家相关标准,并应有相应的材料检测合格证书。
2.翅片要求:翅片应具有良好的散热特性,翅片形状和尺寸应满足传热计算要求,并应具备足够的强度和刚度。
翅片与管子之间的连接应牢固可靠,防止因温度变化导致的翅片松动或脱落。
3.翅片间距:翅片的间距应根据工况要求进行设计,翅片间距过小会影响流体的流动和热量传递效果,翅片间距过大则会影响传热面积和热效率。
一般情况下,翅片间距应在15-30mm之间。
4.翅片厚度:翅片的厚度应符合设计要求,厚度过大会导致传热阻力增大,厚度过小则会影响翅片的强度和稳定性。
翅片厚度一般在0.1-0.5mm范围内。
5.翅片的外形:翅片的外形应根据传热介质和工作条件进行设计,常见的翅片形状有鳍片状、锯齿状、波浪状等。
翅片的外形应符合流体力学原理,以提高热传导效果和防止积污。
6.翅片与管子的连接方式:翅片与管子的连接方式有强焊、机械固定和胶粘等多种方式。
连接方式应满足翅片与管子之间的紧密性和可靠性要求,同时能够承受较大的压力和温度变化。
7.翅片管的气密性:翅片管在使用过程中应具有良好的气密性,能够防止介质的泄漏和外界空气的进入。
翅片管应经过气密性测试,并符合相应标准的要求。
8.翅片管的制造工艺:翅片管的制造工艺应符合先进的制造标准和要求,包括管子的焊接、翅片的冷弯、清洗、热处理等工艺。
制造过程中应注意控制工艺参数,确保翅片管的质量稳定和一致性。
9.翅片管的安装要求:翅片管在安装过程中应注意保护翅片不受损坏,保证翅片与管子之间的间隙和连接紧密,防止渗漏和泄露。
安装应符合相应的施工规范和标准要求。
10.翅片管的维护保养:翅片管的维护保养应定期进行,包括清洗、除尘、防锈等工作。
维护保养应符合相关的操作规程和要求,确保翅片管的性能和寿命。
总而言之,翅片管技术要求包括材料要求、翅片要求、翅片间距、翅片厚度、翅片的外形、翅片与管子的连接方式、翅片管的气密性、翅片管的制造工艺、翅片管的安装要求以及翅片管的维护保养。
蔬菜大棚翅片管暖气片
蔬菜大棚翅片管暖气片是近几年新出现的一种供暖设备,它通常采用的是钢管结构,钢结构的散热器的供暖效率以及制作费用的比例更加地合理,是更多人更容易接受的一种,如果对于热量的需求较高的话,还可以选择铝制、钢铝复合制以及铜铝复合的暖气片。
蔬菜大棚翅片管暖气片能够根据实际大棚面积尺寸进行制
作,满足不同大棚的需求。
蔬菜对于温度的要求是较高的,翅片管暖气片能够符合其对温度的高要求,满足蔬菜对于环境的需求,因此翅片管暖气片在目前的散热器中已经成为了更多种植户的选择。
蔬菜大棚翅片管暖气片为了更好的满足场所对于暖气片的要求,它通始都会在制作好之后用高于要求的标准来进行暖气片的检测,因此这样制成的暖气片,使用者使用起来会更加的安全,使用寿命也会更长。
钢制高频焊翅片管散热器技术要求
一、技术标准、规范
1、有关国家法律
《中华人民共和国建筑法》
《建设工程安全生产管理条例》
2、国家、行业技术标准及管理规定
《采暖散热器热量测定方法》GB/T 13754-2008
《采暖散热器钢制翅片管对流散热器》JGT 3012.2-1998
《钢管散热器》JG/T148-2002
《热交换器》GB/T 151-2014
《低压流体输送用焊接钢管》GB/T 3091-2015
《色漆和清漆耐热性的测定》GB/T 1735-2009
《漆膜耐水性测定法》GB/T 1733 -1993
《漆膜耐冲击性测定法》GB/T 1732 -1993
《漆膜附着力测定法》GB/T 1720 -1979
《涂膜一般制备法》GB/T 1727- 1992
《优质碳素结构钢冷轧薄钢板和钢带》GB/T 13237-2013
《气焊、焊条电弧焊、气体保护焊和高能束焊的推荐坡口》GB/T 985.1-2008 《55度非密封管螺纹》GB/T 7307-2001
《采暖散热器系列参数、螺纹及配件》JG/T6-1999
3、其他要求
满足设计施工图纸要求。
上述规范、标准、规程仅是本工程安装的最基本要求,并未包括实施中所涉及到的所有规定、标准和规程。
在施工中对于上述未尽事宜,按国家和地方现行的规定执行。
二、招标范围及要求
1、本工程的施工范围
1.1 本次招标范围以设计图纸所示内容为准,供货、验收。
2、其它要求
2.1 主要材设备、材料选择须经甲方认可,并满足相关规范要求,甲方或监理单位认为有必要的设备、材料,需要去工厂考察,乙方安排不少于两次考察,期间发生的费用由乙方负责。
2.2 根据相关法规要求,进场的设备、材料需要进行复试的,复试费用由乙方负责;进场的设备、材料的保护,以及施工过程中的成品防护,所需费用由乙方负责;进场的设备、材料的运输,施工现场有运输工具,甲方可以提供使用;现场没有运输工具,乙方自行解决。
2.3 投标单位按照投标品牌产品的每组散热量标准(由国家认证实验室出具的检测报告)对图纸设计的每组散热量进行换算
三、基本要求
1、本条款是招标文件的重要组成部分,内容包括货物的规格、参数和技术要求,投标单位所提供的货物应符合本条款的要求。
2、投标单位提供的产品必须是经过国家认定的散热器质量监督检测机构检验合格的产品。
3、投标人须保证所提供产品能够满足设计图纸要求。
4、投标人须保证所提供产品为原厂生产。
5、散热器整体应平整,外观平滑,无明显变形、扭曲和表面凹陷。
6、焊接质量:钢管、钢板的焊接质量应符合GB/T 985的规定。
7、散热器接口应采用螺纹连接,螺纹制作精度应符合GB/T 7307-2001中的要求。
8、散热器表面质量:采用静电喷塑或电镀工艺进行表面处理前应对其外表面进行良好的预处理;
9、散热器表面涂层应均匀光滑、附着牢固、不得漏喷或起泡。
10、标志
10.1每组散热器应有制造厂的商标
10.2每批散热器出厂时应有产品合格证,内容包括:
a)制造厂商名称。
b)产品名称及规格。
C)型号、外形尺寸、工作压力。
d)执行标准编号。
e)本批产品检验时间、检验人员标记和生产日期。
10.3每批产品按需要配带产品样本及安装使用说明书。
内容应包括工作压力、散热量、散热量计算公式、安装操作要点、水质和使用要求等
11、包装
11.1、散热器宜采用可回收的材料进行包装。
11.2、散热器应采用能够保证产品在搬运装卸时不变形、不损伤产品质量的包装措施。
11.3、散热器接口螺纹应带保护塞。
12、运输
12.1、散热器运输时应采取防雨措施。
12.2、在运输和搬运过程中应避免磕碰及其他重物挤压。
四、技术要求
1、散热器工作压力为1.2MPa; 散热器最大工作温度:120摄氏度。
2 、散热器安装联接方式为同侧上进下出。
对流器应按批准的产品图样及技术文件制造并应符合JGT 3012.2-1998的规定。
4、钢管椭圆度应不大于0.3mm,钢管其他项目应符合GB/T 3091-201
5、GB/T 3087-2008、GB/T8163-2008的规定。
5、钢带与钢管之间应采用高频焊或其他确保紧固的方法,钢带钢管的焊接表面应无涂层铁锈凹坑等影响焊接质量的缺陷和杂质。
6、翅片管质量要求:翅片管螺距6~7mm,翅片高度应大于15mm,翅片倾伏角不应大于8%;翅片管的直线度每米不应大于1.0mm;高频焊接工艺翅片管,每米翅片管测量处实际焊缝长度的总和应大于85%,且未连续焊接长度不应大于50mm。
7、焊接质量要求
焊接质量要求:钢管与钢管的对接应符合GB/T151-2014的规定;焊接应符合GB/T985-2008的规定;散热器接管螺纹应符合JG/T6-1999的规定。
8、8、漆膜质量要求
8.1、对流器应喷涂防锈底漆和面漆;面板应烤漆,漆膜的制备应符合GB/T 1727-1992的规定,表面涂层应均匀光滑附着牢固不得有气泡堆积流淌和漏喷。
8.2、漆膜附着力应符合GB/T 1720-1979的规定。
8.3、漆膜耐冲击性能应符合GB/T 1732-1993的规定重锤高度为50mm。
8.4、漆膜耐热性能应符合GB/T 1735-2009的规定。
8.5漆膜质量要求:散热器应喷涂防锈底漆和面漆,面板应烤漆,漆膜的制备应符合GB/T 1727-1992的规定,并宜采用红外烘干或者静电喷涂技术,不得自然干燥。
表面漆应均匀,平整光滑,附着牢固,不得有气泡堆积、流淌和漏喷现象,散热器必须做到内外防腐处理。
9、散热器外罩带后背板、联箱内藏。
钢带、外罩板和两端护板应符合有关材料标准的规定,并应具有材料质量合格证明书。
10、散热器不得变形和碰撞,表面凹陷深度不得大于0.3mm。
散热片与片之间连接紧密,每组散热器必须由厂家进行液压或气压试验,试验压力为工作压力的1.5倍。
11、散热器必须配备专用支架、专用丝堵和专用放气丝堵。
12、散热量要求:制造厂应根据设计所需的散热量详细复核,确保所供散热器达到散热量的需要。
如制造厂所供的散热器在进场复试、过程检查、后续正式供暖等过程达不到所需散热量,从而所引起的散热器拆除、更换、业主索赔等造成的一切损失应由制造厂承担。
13、散热器运抵施工现场,由专业监理工程师见证取样,送至甲方委托的检测机构进行复试,所需费用由制造厂方承担。
14、散热器出厂应采用能保证产品在搬运装卸时不变形、不损伤产品质量的包装措施,进出水口管螺纹应带保护套。
15、散热器应放在空气干燥、通风的库房内,严禁与腐蚀性介质接触,底部应稳妥垫高100-200mm。
五、质保期
1、本工程质量保证期为自竣工验收合格之日起两年。
免费保修期满后,乙方提供终生有偿维修服务。
2、在保修期内,自然损坏的所有零配件由乙方进行免费维修更换。
若出现质量问题,乙方在接到物业公司的报修电话后12小时内到达现场检查并将维修计划告之用户,并在24小时内排除故障完成维修工作,费用由乙方承担。
3、发生紧急抢修事故的,乙方在接到事故通知后,应当立即到达事故现场抢修。
因不可抗力因素造成的损坏乙方应先行维修,恢复使用,双方协商解决维修费用。