(完整版)第三章土中应力计算习题与答案
- 格式:pdf
- 大小:298.78 KB
- 文档页数:10
章节习题及答案第一章 土的物理性质1 有一块体积为60 cm 3的原状土样,重 N, 烘干后 N 。
已只土粒比重(相对密度)s G =。
求土的天然重度、天然含水量w 、干重度d、饱和重度sat、浮重度’、孔隙比e 及饱和度S r解:分析:由W 和V 可算得,由W s 和V 可算得d,加上G s ,共已知3个指标,故题目可解。
363kN/m 5.1710601005.1=⨯⨯==--V W γ 363s d kN/m 2.1410601085.0=⨯⨯==--V W γ 3w sws kN/m 7.261067.2=⨯===∴γγγγs s G G%5.2385.085.005.1s w =-==W W w 884.015.17)235.01(7.261)1(s =-+=-+=γγw e (1-12) %71884.06.2235.0s =⨯=⋅=e G w S r (1-14) 注意:1.使用国际单位制; 2.w为已知条件,w=10kN/m 3;3.注意求解顺序,条件具备这先做; 4.注意各的取值范围。
2 某工地在填土施工中所用土料的含水量为5%,为便于夯实需在土料中加水,使其含水量增至15%,试问每1000 kg 质量的土料应加多少水 解:分析:加水前后M s 不变。
于是:加水前: 1000%5s s =⨯+M M (1)加水后: w s s 1000%15M M M ∆+=⨯+ (2)由(1)得:kg 952s =M ,代入(2)得: kg 2.95w =∆M 注意:土料中包含了水和土颗粒,共为1000kg ,另外,swM M w =。
3 用某种土筑堤,土的含水量w =15%,土粒比重G s =。
分层夯实,每层先填0.5m ,其重度等=16kN/ m 3,夯实达到饱和度r S =85%后再填下一层,如夯实时水没有流失,求每层夯实后的厚度。
解:分析:压实前后W s 、V s 、w 不变,如设每层填土的土颗粒所占的高度为h s ,则压实前后h s 不变,于是有:2211s 11e he h h +=+=(1) 由题给关系,求出:919.0116)15.01(1067.21)1(s 1=-+⨯⨯=-+=γγw e 471.085.015.067.2s 2=⨯==r S w G e 代入(1)式,得: m 383.05.0919.01471.011)1(1122=⨯++=++=e h e h4 某砂土的重度s γ=17 kN/ m 3,含水量w =%,土粒重度s γ= kN/ m 3。
1.某基础底面尺寸为2m×6m,作用于基底中心竖向荷载F=6000kN,弯距M= 2400kN·m,合力作用点在过基底中心的短轴方向上。
则基底边缘p为?max2.某场地自上而下的土层分布为:第一层粉土,厚3m, γ=18kN/m3;第二层黏土,厚5m, γ=18.4kN/m3,饱和重度γ=19kN/m3,地下水位距地表5m,地表sat下6m深处的竖向自重应力为?3.某基础的埋深d=1.5m,基础面积为b×l=1. 25m×2m,地面处由上部结构传来荷载200kN,基底上下均为黏土,土的重度γ=18.1kN/m3,饱和重度为19.1kN/m3,地下水位于基底下1.0m处。
基底中心点下面3.0m处的自重应力、附加应力分别为?4.有一基础埋置深度d=1.5m,建筑物荷载及基础和台阶土重传至基底总压力为100kN/m2,若基底以上土的重度为18kN/m3,基底以下土的重度为17kN/m3,则基底竖向附加应力为多少?5.一矩形基础,短边b=3m,长边l=4m,在长边方向作用一偏心荷载F+G=1200kN。
偏心短为多少时,基底不会出现拉应力?6.地基土为均质土,天然重度为18kN/m3,饱和重度为20kN/m3,求下列两种情况下地面以下6m处某点垂直有效自重应力:(1)地下水位与地面平齐;(2)地下水位低于地面2m。
7.某天然土层,第一层土厚1m,γ=16.5kN/m3,第二层土厚4m,γ=17.5kN/m3,第三层土厚3m,γsat=17.5kN/m3,地下水距地表5m,试绘出竖向自重应力沿深度的分布曲线。
8.已知矩形基础底面尺寸m l m b 10,4==,作用在基础底面中心的荷载kN N 400=, m kN M ⋅=240(偏心方向在短边),求基底压力。
9.如下图所示一地基剖面图。
绘出土的自重应力分布图。
思考题:1、何谓土层自重应力?土的自重应力沿深度有何变化?2、如何计算基底压力和基底附加压力?两者的概念有何不同?。
土中应力试题土中应力试题1.某土层及其物理性质指标如图所示,计算土中自重应力。
2.某地基地表至4.5m深度内为砂土层,4.5~9.0m为黏土层,其下为透水岩层,地下水位距地表2.0m。
已知水位以上砂土的平均孔隙比为0.52,平均饱和度为0.37;黏土的含水量为42%,砂土和黏土的比重均为2.65,请计算地表至黏土层范围内的竖向总应力,有效应力和孔隙水压力,并绘制相应的应力分布图。
3.对某黏土试样进行三轴压缩试验,在不排水条件下施加围压29.43kPa时,测得超静孔隙水压力29.43kPa,然而施加轴向压力至58.86kPa时,又测得超静孔隙水压力为44.15kPa。
试求孔隙水压力系数A和B的值,并判断该黏土的饱和程度。
4.根据题图所示的地质剖面图,请绘A-A截面以上土层的有效自重压力分布曲线。
γ3γ35.按题图所给资料,计算并绘制地基中的自重应力沿深度的分布曲线。
如地下水位因某种原因骤然下降至高程35m以下,问此时地基中的自重应力分布有何改变?并用图表示。
τ3τ3τ3τ36.如题图所示基础基底尺寸为5m×3m,基础重度为20kN/m3,试求基底平均压力p max和p min,并绘出沿偏心方向的基底压力分布图。
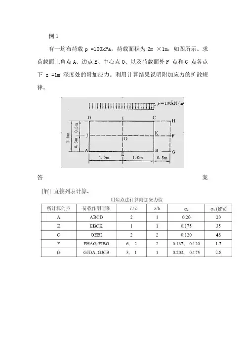
27.均布荷载P0=100kPa,荷载面积为2m×1m,如题图所示,求荷载面积上角点A、边点E、中心点O,以及荷载面积以外F、G各点下z=1m处的附加应力,并利用计算结果说明附加应力的扩散作用。
8.有一基础埋深d=1.5m,建筑物荷载及基础和台阶上土重传至基底总应力为100kPa,若基底以上土的重度为18kN/ m3,,基底以下土的重度为17 kN/ m3 地下水位在基底处,则基底竖向附加应力为多少?地下水位在地表处,则基底竖向附加应力为多少?9.如题图所示,有一矩形面积基础l×b=5m×3m,三角形分布的荷载作用在地基表面,荷载最大值p=100 kPa。
《土力学》课后习题答案第一章1-1:已知:V=72cm3m=129.1g m s=121.5g G s=2.70则:129.1121.56.3%121.5ssm mwm--===3333 129.1*1017.9/72121.5452.77245271.0*27121.5*1020.6/72sssV ssat w V ssat satmg g KN mvmV cmV V V cmm V mg g g KN mV Vγρρργρ========-=-=++=====3320.61010.6/121.5*1016.9/72sat wsdsat dKN mmg KN mVγγγγγγγγ'=-=-===='>>>则1-2:已知:G s=2.72 设V s=1cm3则33332.72/2.722.72*1016/1.72.720.7*1*1020.1/1.720.11010.1/75%1.0*0.7*75%0.5250.52519.3%2.720.525 2.721.sssd ds V wwrw w V rwsw sg cmm gmg g KN mVm Vg g KN mVKN mm V S gmwmm mg gVργρργργγγργρ======++===='=-=-========++===当S时,3*1019.1/7KN m=1-3:3477777331.70*10*8*1013.6*1013.6*10*20%2.72*1013.6*10 2.72*10850001.92*10s d w s s wm V kg m m w kg m m V m ρρ======++==挖1-4: 甲:33334025151* 2.72.7*30%0.81100%0.812.70.811.94/10.8119.4/2.71.48/1.8114.8/0.81p L P s s s s w r wV ws w s w s d s w d d vsI w w V m V g m g S m V m m g cm V V g KN m m g cm V V g KN m V e V ρρργρργρ=-=-=======∴==++===++=====+====设则又因为乙:3333381 2.682.68*22%0.47960.47962.680.47962.14/10.47962.14*1021.4/2.681.84/1.47961.84*1018.4/0.4796p L p s s s s w s V s w s V s d s w d d VsI w w V m V g m m w g V cm m m g cm V V g KN m m g cm V V g KN m V e V ρργρργρ=-========++===++======+=====设则则γγ∴<乙甲 d d γγ<乙甲 e e >乙甲 p p I I >乙甲则(1)、(4)正确1-5:1s w d G eρρ=+ 则2.7*1110.591.7022%*2.7185%0.59s wds r G e wG S e ρρ=-=-====>所以该料场的土料不适合筑坝,建议翻晒,使其含水率降低。
3.1解:当第四层为坚硬的石时,该层为不透水层,处于地下水位以下的土体不受浮力作用,计算自重应力时,地下水位以下的土体采用其饱和重度。
地下水位以下的土体其天然状态就是饱和状态,故其天然重度即是其饱和重度。
计算中第一层素填土γ1=18.0kN/m3,第二层粉土γ2=19.4kN/m3,第三层中砂γ3=19.8kN/m3。
此时,岩顶处的自重应力为σcz=γ1h1+γ2h2+γ3h3=18×1.5+19.4×3.6+19.8×1.8=132.5kPa当第四层为强风化岩石,该层为透水层,处于地下水位的土体会受到浮力作用,计算自重应力时,地下水位以下的土体采用浮重度;地下水位以上的土体采用天然重度。
地下水位在第一层素填土和第二层粉土的分界面处,计算中第一层素填土γ1=18.0kN/m3,第二层粉土γ/2=9.4kN/m3,第三层中砂γ/3=9.8kN/m3。
此时,岩顶处的自重应力为σcz=γ1h1+γ/2h2+γ/3h3=18×1.5+9.4×3.6+9.8×1.8=78.5kPa3.2解:根据题意知,地下水位以上的粉土处于饱和状态,其饱和重度即是其天然重度。
计算中,地下水位以上1.1m范围的粉土采用天然重度γ=20.1kN/m3,地下水位以下3.7m范围的粉土采用浮重度γ/=10.1kN/m3。
粉土底面的自重应力为σcz=γh1+γ/h2=20.1×1.1+10.1×3.7=59.48kPa3.3解:偏心荷载下,在计算中心点下的附加应力时,可将梯形分布的基底压力简化为均布荷载,均布荷载p0的大小等于基底附加压力最大值p max和最小值p min 之和的一半,即:p0=(p max+p min)/2=100kPa。
故本题可简化为条形基础作用均布荷载p0=100kPa,基础中心点下附加应力的计算,公式为:σz=αz p0,附加应力系数αz查P98页表3.5,计算列表如下:3.4解:为计算基础短边中心点下的附加应力,沿矩形基础长边方向,添加一块与原面积等大的荷载面,新的矩形基础长为原基础的2倍,宽不变。
第一章 土的物理性质及其工程分类P 60[2-2] 解:V=21.7cm 3,m=72.49-32.54=39.95g ,m S =61.28-32.54=28.74g ,m W =72.49-61.28=11.21g7.2195.39==V m ρ=1.84g/ cm 3,74.2821.11==sw m m w =39% 07.1184.1)39.01(174.21)1(=-+⨯⨯=-+=ρωρW S d eP 60[2-3] 解:963.0185.1)34.01(171.21)1(=-+⨯⨯=-+=ρωρWS d e 963.01963.071.21++=++=e e d s sat ρ=1.87 g/ cm 3,87.0187.1=-=-='W sat ρρρ g/ cm 3g ργ'='=0.87×10=8.7 kN/m 3P 60[2-4] 解:已知77.1=ρg/cm 3, w =9.8%,s d =2.67,461.0min =e ,943.0max =e∴656.0177.1)098.01(167.21)1(=-+⨯⨯=-+=ρωρW S d e ,∈=--=--=6.0461.0943.0656.0943.0min max max e e e e D r (0.33,0.67)∴该砂土处于中密状态。
P 60[2-5] 解:已知s d =2.73,w =30%,=L w 33%,=P w 17%土样完全饱和→1=r S ,sat ρρ=819.073.23.01=⨯=⇒==e e wd S S r ,819.01819.073.21++=++=e e d s sat ρ=1.95 g/ cm 3 3.0195.11+=+=w d ρρ=1.5 g/ cm 3,161733=-=-=P L p w w I 81.0161730=-=-=P P LI w w I 10<16=p I ≤17→该土为粉质粘土0.75<81.0=L I ≤1→该土处于软塑状态[附加1-1]证明下列换算公式:(1)w s d e d ρρ+=1;(2)γee S sw r ++=1γγ;(3)n n w S w s r γγ)1(-=(1)证明:设e V V V V V Ve V S V V SV S +=+===⇒=1,1w s s w s s s s d ed V V d V V V m ρρρρ+====1 (2)证明:设e V V V V V Ve V S V V SV S +=+===⇒=1,1V g V V V g m m V mg V G s s w w s w )()(ρργ+=+===ee S V V V S sw r s s w v r ++=+=1γγγγ (3)证明:设n V n V n VVV s v v -==⇒==1,,1∴nn w gV gV w V V w V V m m V m V V S w s v w s s v w s s ss v w s wv w w v w r γγρρρρρρρ)1(-====== [附加1-2]解:V=72cm 3,m=129.5g ,m S =121.5g ,m W =129.5-121.5=8g%6.65.1218===⇒S W m m ω 6.0172/5.129)066.01(17.21)1(=-+⨯⨯=-+=ρωρW S d e %7.296.07.2066.0=⨯==e d S S r ω 0.1872105.129=⨯===V mg V G γkN/m 36.20106.16.07.21=⨯+=++=W S sat e e d γγkN/m 36.10106.20=-=-='W sat γγγkN/m 39.16106.17.21=⨯=+=W S d e d γγkN/m 3∴γγγγ'>>>d sat[附加1-3]解:已知s d =2.68,w =32%,土样完全饱和→1=r S86.068.232.01=⨯=⇒==e ed S Sr ω02.1986.1)32.01(1068.286.01)1(=+⨯⨯=⇒=-+=γγωγW S d e kN/m 3[附加1-4]解:已知66.1=ρg/cm 3,s d =2.69,(1)干砂→w =0 ∴62.0166.1)01(169.21)1(=-+⨯⨯=-+=ρρw d e W S(2)置于雨中体积不变→e 不变∴%2.969.262.04.04.0=⨯=⇒==w e wd S S r [附加1-5]解:已知m=180g ,1w =18%,2w =25%,sss s s w m m m m m m m w -=-==18011=18%→s m =152.54g∴)(12w w m m s w -=∆=152.54×(0.25-0.18)=10.68g[附加1-6]实验室内对某土样实测的指标如下表所示,计算表土中空白部分指标。
例1有一均布荷载p =l00kPa,荷载面积为2m ×1m,如图所示。
求荷载面上角点A、边点E、中心点O、以及荷载面外F 点和G 点各点下z =1m 深度处的附加应力。
利用计算结果说明附加应力的扩散规律。
{INCLUDEPICTURE"/ImageUpLoad/5.jpg"|答案1.某建筑场地的地层分布均匀,第一层杂填土厚1.5m,=17KN/;第二层粉质黏土厚4m,=19KN/,=2.73,w =31%,地下水位在地面下2m 深处;第三层淤泥质黏土厚8m,=18.2KN/,=2.74,w=41%;第四层粉土厚3m,=19.2KN/,=2.72,w=27%;第五层砂岩未钻穿。
试计算各层交界处的竖向自重应力,并绘出沿深度分布图。
(答案:第四层底=306.9KPa)1 解:第一层底:第二层土:地下水位处:层底:第三层底:第四层底:第五层顶:(图略)2.某构筑物基础如图4-1所示,在设计地面标高处作用有偏心荷载680 KN,偏心距1.31m,基础埋深为2m,底面尺寸为4m2m。
试求基底平均压力和边缘最大压力,并绘出沿偏心方向的基底压力分布图。
(答案:=301KPa)2.解:荷载因偏心而在基底引起的弯矩为:基础及回填土自重:偏心距:因,说明基底与地基之间部分脱开,故应从新分布计算(图略)3.某矩形基础的底面尺寸为4m2.4m,设计地面下深埋为1.2m(高于天然地面0.2m),设计地面以上的荷载为1200KN,基底标高处原有土的加权平均重度为18KN/。
试求基底水平面1点及2点下各3.6m深度点及点处的地基附加应力值(见图4-2)。
(答案:点处=28.3KPa)3.解:基底压力:基底附加压力:点:过1点将基底分成相等的两块,每块尺寸为故,,查表4-5得故有:点:过2点做如下图所示矩形,对矩形 ac2d,,查表4-5得;对矩形bc21 ,查表4-5得,故4.某条形基础的宽度为2m,在梯形分布的条形荷载(基底附加应力)下,边缘(=200KPa,( =100KPa,试求基底宽度中点下和边缘两点下各3m及6m深度处值的值。
第三章土体中的应力计算学习指导内容简介建筑物的建造使地基土中原有的应力状态发生了变化,如同其它材料一样,地基土受力后也要产生应力和变形。
在地基土层上建造建筑物,基础将建筑物的荷载传递给地基,使地基中原有的应力状态发生变化,从而引起地基变形。
研究地基土中应力的分布规律是研究地基和土工建筑物变形和稳定问题的理论依据,它是地基基础设计中的一个十分重要的问题。
教学目标掌握土中自重应力计算、基底压力计算以及各种荷载条件下的土中附加应力计算方法。
学习要求1、掌握土中自重应力计算2、掌握矩形面积均布荷载、矩形面积三角形分布荷载以及条形荷载等条件下的土中竖向附加应力计算方法3、掌握基底压力和基底附加压力分布与计算4、掌握太沙基的饱和土体的有效应力原理要点及完整表达式5、了解有效应力原理的工程应用基本概念自重应力、附加应力、有效应力、孔隙水压力、基底压力、基底附加压力、角点法、附加应力系数学习内容第一节概述第二节有效应力原理第三节地基中的自重应力第四节基底附加压力第五节地基中附加应力第六节应力路线学时安排本章总学时数:12学时第一节0.5学时第二节3学时第三节0.5学时第四节2学时第五节 3.5学时第六节 1.5主要内容第一节概述大多数建筑物是造建在土层上的,我们把支承建筑物的这种土层称为地基。
由天然土层直接支承建筑物的称天然地基,软弱土层经加固后支承建筑物的称人工地基,而与地基相接触的建筑物底部称为基础。
地基受荷以后将产生应力和变形,给建筑物带来两个工程问题,即土体稳定问题和变形问题。
如果地基内部所产生的应力在土的强度所允许的范围内,那么土体是稳定的,反之,土体就要发生破坏,并能引起整个地基产生滑动而失去稳定,从而导致建筑物倾倒。
地基中的应力,按照其因可以分为自重应力和附加应力两种:自重应力:由土体本身有效重量产生的应力称为自重应力。
一般而言,土体在自重作用下,在漫长的地质历史上已压缩稳定,不再引起土的变形(新沉积土或近期人工充填土除外)。
班级: 学号: 姓名:3. 土体中的应力计算【习题3—1】山前冲洪积场地,粉质黏土①层中潜水水位埋深1.0m ,黏土②层下卧砾砂③层,③层内存在承压力,水头高度和地面齐平,问地表下7.0m 处地基土的有效自重应力最接近下列哪个选项的数值?()66A kPa ()76B kPa ()86C kPa ()136D kPa【解】()'2013118210766u kPa σσ=-=⨯+++⨯-⨯= 答案为()66A kPa 。
【习题3—2】某地基,土层分布为:0~5m 细砂,319kN m γ=,2.66s D =,0.8e =;6~10m m 黏土, 2.7s D =,318d kN m ρ=;地下水位在地表下2m 。
求地基中的自重应力(画出自重应力沿深度的分布图形)。
【解】细砂 '31 2.661109.2110.8s w D kN m e γγ--==⨯=++ 黏性土 2.710111.518s w d D e γγ⨯=-=-= '31 2.71108.511 1.5s w D kN m e γγ--==⨯=++ 自重应力:A 点(地面处)0Ac σ=B 点(地面下2m 处)19238Bc h kPa σγ==⨯=C 点(地面下5m 处)1929.2365.6Cc h kPa σγ==⨯+⨯=D 点(地面下9m 处)1929.238.5499.6Dc h kPa σγ==⨯+⨯+⨯=。
【习题3—3】某地基,土层分布为:0~3m 细砂,317.5kN m γ=, 2.66s D =,20%ω=;3~6m m 黏土,318kN m γ=, 2.72s D =,22%ω=,48%L ω=,24%P ω=;地下水位在地表下1m 。
求地基中的自重应力(画出自重应力沿深度的分布图形)。
【解】细砂 ()1s wD e ωρρ+=317.5101750g kg m ργ===()()1 2.6610.21000 1.7810.781750s w D e ωρρ+⨯+⨯===-='31 2.651109.27110.75s w D kN m e γγ--==⨯=++ 黏性土 482424p L P I ωω=-=-= 22240.08024PL P I I ωω--===-<所以该土层不受水的浮力作用,土面上还受到静水压力作用。
第三章 思考题与习题思考题3.1 为什么地基不是弹性体,在求解地基中的应力分布时,仍可以采用弹性解析结果? 答:在计算地基中的附加应力时,为了简化,把地基简化为由土颗粒骨架和孔隙水共同组成的弹性体,把弹性力学的成果直接用于这样的弹性地基。
把这样由离散的土颗粒组成的符合摩擦法则的土假定为弹性体,在小应变时也是很不合适的。
例如,根据后面第四章可知,土的模量随着约束应力的不同而不同。
但是根据下面的公式可知,在弹性解中,垂直方向的应力成分与材料的特性无关,其它的应力成分也只与泊松比ν相关,与弹性模量E 无关。
所以,尽管按弹性理论计算出的变形不合适(本章也不介绍地基变形的弹性理论方法),但按弹性理论计算的应力分布的近似程度还能满足工程上的要求。
基于以上道理,可以采用下面的弹性解析结果。
① 用弹性力学的方法求地基中的应力分布,但沉降量则用固结沉降计算公式。
例如,可以根据e—logp 的关系式计算沉降量(根据弹性力学的公式也可以计算出地基的变形量,但是实际中不用它计算沉降,只用应力计算公式求应力分布)。
② 用弹性力学的方法求地基中的应力分布,估计可能发生问题的地基范围,确定调查和讨论的必要范围(常常用后述的应力泡的方法)。
③ 用弹性力学的方法求基础底面的接触压应力,设计基础。
应该注意,对于本来不是弹性体的地基,用弹性力学的方法只适用于求应力并不能求解地基的所有问题。
所以,近年来,基于土的弹塑性本构关系式、有限元等数值计算方法被广泛应用。
3.2 简述自重应力与附加应力。
并指出何种应力是引起地基变形的主要原因? 答:如果地面下土质均匀,土体重度为γ,则在天然地面上任意深度处z 处的水平面上的竖向自重应为z cz γσ=可见自重应力沿水平面均匀分布,且与Z 成正比。
基础通常是埋置在天然地面下一定深度的。
由于天然土层在自重作用下的变形已经完成,故只有超出基底处原有自重应力的那部分应力才使地基产生附加变形,使地基产生附加变形的基底压力称为基底附加压力p 0。
内蒙古科技大学建筑与土木工程学院《土力学与基础工程》土木工程系岩土土工程教研室目录一、名词解释 (1)二、填空题 (2)第二章土的性质和工程分类 (2)第三章土中应力计算 (5)第四章土的变形性质和地基沉降计算 (6)第五章土的抗剪强度 (8)第六章土压力、地基承载力和土坡稳定 (10)第七章浅基础设计 (12)第八章桩基础 (13)三、选择题 (14)四、判断题(正确者∨,错误者×) (22)五、简述题 (25)六、计算题 (29)一、名词解释1.土的结构2.土的构造3.土的天然密度4.土的含水量5.土粒相对密度6.土的干密度7.土的饱和密度8.土的有效密度9.土的孔隙比10.土的孔隙率11.土的饱和度12.相对密实度13.塑限14.液限15.塑性指数16.液性指数17.粘性土的灵敏度18.粘性土的触变性19.水力梯度(坡降)20.渗流力21.流砂22.管涌23.潜蚀24.土的最优含水量25.土的压实系数26.砂土液化27.土粒粒组28.土的颗粒级配29.土的不均匀系数30.土的曲率系数31.基底压力32.基底附加压力33.地基附加应力34.有效应力35.孔隙水压力36.土的压缩性37.压缩系数38.压缩指数39.压缩模量40.土的渗透固结41.超固结比42.固结度43.正常固结土44.超固结土45.欠固结土46.土的抗剪强度47.抗剪强度指标48.固结不排水剪49.不固结不排水剪50.固结排水剪51.极限平衡状态52.无侧限抗压强度53.主动土压力54.被动土压力55.静止土压力56.临塑荷载57.临界荷载58.地基极限承载力59.地基承载力特征值60.软弱下卧层61.摩擦型桩62.端承型桩63.桩侧负摩阻力64.单桩65.基桩66.复合基桩67.群桩效应68.群桩效应系数69.承台效应70.土岩组合地基71.岩溶72.土洞73.红粘土地基74.冻土75.自重湿陷性黄土76.非自重湿陷性黄土77.震级78.地震烈度79.基本烈度80.设防烈度81.自由膨胀率82.复合地基83.换填垫层法84.重锤夯实法85.强夯法86.排桩87.真空预压法88.砂石桩法89.水泥土搅拌法90.高压喷射注浆法91.静压桩托换92.刚性基础93.柔性基础94.复合地基95.动力置换96.土钉墙97.排水固结98.面积置换率99.桩土应力比100..地下连续墙二、填空题第二章土的性质和工程分类1.土是由岩石经过和作用的产物,是由各种大小不同的土粒按比例组成的集合体。