人力资源管理程序KDA-A-P-001-1.3
- 格式:doc
- 大小:160.50 KB
- 文档页数:6
1.目的建立人力资源管理系统,明确对各岗位人员录用、培训和考核的控制要求,以确保给各岗位委派合适的人员。
2.适用范围适用于与产品质量、环境有关的所有人员。
3.职责3.1行政部3.1.1负责组织编制《职务说明书》及执笔编制《各部门负责人职务说明书》;3.1.2负责人员的招聘;3.1.3负责编制培训计划并监督实施,负责基础培训,负责组织对培训效果进行评估。
3.2各部门负责人3.2.1负责编制本部门人员的《部职务说明书》;3.2.2负责本部门的岗位基础培训。
3.3管理者代表:负责批准各部门的《部职务说明书》;3.4总经理:负责批准《各部门负责人职务说明书》。
3.5各位员工:应积极参加各种培训及学习。
4.定义无。
5.作业程序5.1人力资源配备5.1.1职务说明书5.1.1.1各部门负责人编制本部门的《部职务说明书》,明确各岗位对从业人员的学历、培训、工作经历、资格的具体要求。
交由管理者代表批准。
5.1.1.2 行政部编制《各部门负责人职务说明书》,明确对各部门负责人的学历、培训、工作经历、资格的具体要求。
交总经理批准。
5.1.1.3 批准后的职务说明书交予人力资源部,作为人员选择和安排的主要依据。
5.1.2 行政部配合各部门负责人为各岗位配备与之相应的人员。
人员的招聘、录用和解雇见《人员招聘、录用和解雇管理规定》。
5.1.3 各部门负责人随时对本部门员工进行现场考核。
对不能胜任本职工作的人员,需及时安排培训并考核,或转换工作岗位,使其具备的能力与承担的工作相适应。
5.1.4人员能力评定。
通过举行入职考试,对待入职者(内外部招聘或调岗)的入职/上岗资格进行评定,合格者方可入职/上岗。
5.2 培训5.2.1培训计划5.2.1.1年度培训计划每年12月,行政部根据公司发展的需要及基础培训、岗位基础培训的要求(见5.2.2)在征询各部门负责人意见的基础上,制定下一年度的培训计划。
5.2.1.2 临时培训计划如某部门需对其工作人员进行岗位基础培训(见 5.2.2.2)以外的培训,而这些培训又没有列入年度培训计划时,其部门负责人应填写“培训需求/申请表”,经管理者代表批准后交行政部。
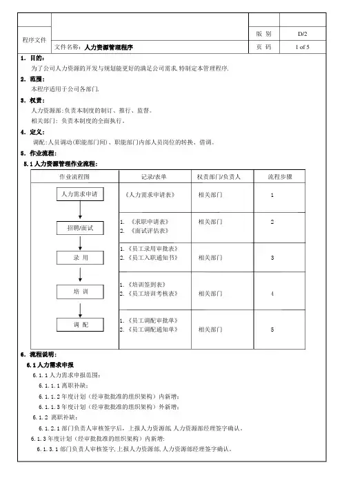
1.目的:为了公司人力资源的开发与规划能更好的满足公司需求,特制定本管理程序.2.范围:本程序适用于公司各部门.3.权责:人力资源部:负责本制度的制订、推行、监督。
相关部门:负责本制度的全面执行。
4.定义:调配:人员调动(职能部门间)、职能部门内部人员岗位的转换、借调。
5.作业流程:5.1人力资源管理作业流程:6.流程说明:6.1人力需求申报6.1.1人力需求申报范围:6.1.1.1离职补缺;6.1.1.2年度计划(经审批批准的组织架构)内新增;6.1.1.3年度计划(经审批批准的组织架构)外新增;6.1.2离职补缺:6.1.2.1部门负责人审核签字后,上报人力资源部,人力资源部经理签字确认。
6.1.3年度计划(经审批批准的组织架构)内新增:6.1.3.1部门负责人审核签字,上报人力资源部,人力资源部经理签字确认。
作业流程图记录/表单权责部门/负责人流程步骤人力需求申请《人力需求申请表》相关部门 11.《求职申请表》相关部门 2招聘/面试 2.《面试评估表》 1.《员工录用审批表》 2.《员工入职通知书》相关部门 3录用1.《培训签到表》培训2.《员工培训考核表》相关部门 41.《员工调配审批单》调配2.《员工调配通知单》相关部门 56.1.4年度计划(经审批批准的组织架构)外新增;6.1.4.1部门负责人申报新组织架构,新组织架构生效后按年度计划(经审批批准的组织架构)内新增流程申报。
6.2招聘与面试:6.2.1确定《人力需求申请表》已获批准,需求成立。
6.2.2制定招聘计划:6.2.2.1招聘计划的内容;6.2.2.1.1.招聘职位/人数/任职资格/工作职责6.2.2.1.2招聘渠道选择:a)专场招聘会b)固定的人才市场/职业介绍所c)报纸广告d)人才网e)内部员工推荐f)猎头公司6.2.2.1.3招聘活动实施的时间:6.2.2.1.3a由人力资源部视空缺职位的数量及补员时间需求,综合评估后予以安排.6.2.3招聘活动的组织与实施(现场招聘):6.2.3.1通知参加现场招聘的人员(用人部门负责人、人事行政人员)准时到达招聘现场;6.2.3.2提请现场招聘人员注意个人的职业化形象;6.2.3.3现场招聘展位的布置(海报、台布);6.2.3.4公司宣传资料的派发及公司背景文化宣传;6.2.3.5广泛收集应聘资料,根据应聘职位和面试人简评进行简单的分类。
人力资源管理程序1目的对从事影响产品质量工作或其工作可能对职业健康安全、环境产生重大影响的人员,规定相应岗位的能力要求,并通过培训、调配、任用管理等措施,使其能够胜任工作。
2范围本程序规定了QSE管理体系对人力资源管理的基本要求,适用于本公司所有与QSE 管理体系相关的人力资源的控制。
3术语3.1特殊作业人员:指程序中本公司的电工、焊工、起重工、架子工、特种机械操作工、司炉工、塔吊司机及指挥。
4职责4.1公司总工程师为职工教育培训的分管领导。
4.2公司人力资源部为公司人力资源控制的主管部门,负责确定人员岗位任职要求,组织制定年度培训计划,组织对员工培训效果的评估及能力的考评。
4.3区域/专业公司、各有关部门负责提出培训需求并实施培训计划。
4.4项目部的适应性培训在项目施工组织设计、方案中确定,并由项目部组织实施。
4.5计量检测中心承担本程序规定的焊工培训职责。
5程序5.1总则通过对人力资源的策划、管理和教育培训,满足QSE管理体系对人力资源的需求,确保体系相关人员具备必要的能力,并通过考核评价实现人力资源控制过程的持续改进。
5.2人力资源部负责岗位设置与分析5.2.1按公司机构设置制定岗位编制实施方案,5.2.2根据岗位编制对岗位职责进行分析。
5.2.3编写岗位职位说明书,并确定职位数。
5.3人员任用5.3.1以岗位竞聘或组织考评聘任相结合的方式聘任人员。
5.3.2任职资格人力资源部会同各单位人力资源部门负责编制各岗位说明书,明确各岗位职责权限和任职资格,并作为公司评价和聘用人员的依据。
公司各岗位的说明书见《公司部门职能及岗位职责》,区域/专业公司机关各岗位的说明书由各单位编制并保管。
5.3.3确认步骤人力资源部依据《公司部门职能及岗位职责》,对选用人员在其接受教育程度、培训、技能水平、岗位经验等各方面进行综合考评,通过公开竞聘、组织评鉴选拔和党政联席会议等形式确认。
5.3.3.1公司机关部门负责人、区域/专业公司领导班子,其任职资格由公司人力资源部组织认定,经公司党政联席会议审批,公示,发文任命。
人力资源管理工作业务流程目录招聘管理业务流程试用转正业务流程调动管理业务流程离职管理业务流程考勤管理业务流程请假管理业务流程奖惩管理业务流程薪资发放管理业务流程培训管理业务流程劳动合同管理业务流程劳动纠纷处理业务流程档案管理业务流程节选公司《人力资源管理制度》第三章招聘与配置管理第二节聘用管理1.招募形式招募有内部与外部两种方式。
对已确认需求的招聘,行政人事部可在公司范围内优先考虑内部余缺调剂和进行内部招募,用人部门应予以支持。
对有特殊要求的增补岗位,经公司内部平衡调剂或内部招募不能解决的,再面向社会公开招募。
2.招募途径2.1参加人才招聘洽谈会;2.2专业人才网站招聘(免费、付费);2。
3报纸广告招聘;2.4猎头公司合作;2。
5公司内部推荐;2.6与学校及相关专业机构合作;2。
7行政人事部自己挖掘。
3.招募程序3。
1 用人部门填报《职位空缺申请表》,行政人事部与用人部门共同确定招聘方案。
3.2 行政人事部负责收集人员增补申请表,即行拟订招募计划,内容包括下列项目:3。
2。
1招聘岗位及人数;3.2。
2希望到职时间;3。
2.3工作职责;3.2.4任职资格。
3。
3 发布招募信息。
3.4 应聘信息处理。
3.4.1需求信息发出后对收到的求职资料,行政人事部将根据岗位要求与应聘者的情况对应聘人员进行初步筛选,并将比较合适的应聘资料推荐给用人需求部门;3。
4.2用人需求部门应在接到应聘材料两天内将需要面试的应聘材料交由行政人事部安排,经审核后,行政人事部对合格应征者发出“初试通知”,通知应聘者前来本公司接受甄选。
(1)对于不合格应聘资料,归档一个月后销毁;(2)因违纪等原因,被公司开除的员工不具备再录用资格。
4.甄选4。
1 由用人部门、行政人事部组成招聘小组;并明确各方职责:4。
1.1用人部门(1)负责提供专业技术测试题;(2) 负责招聘人员专业胜任素质项的考察、评价;(3)协助参与涉及本业务职位人员专业胜任素质项的考察、评价。
更改历史
页码
第4页,共4页
7.3《人员招聘需求表》 7.4《人员需求申请表》 8.流程图:
8.1人力资源管理流程图(见下页)
执行人员 工作流程
相关文件/记录
员工人事档案
行政部/总经
理
行政部/各相关部门
各相关部门 行政部
《雇员工作表现评估表》
人力资需求提出
制定岗位说明
书
记录保存
人员入职
实施招聘
审批
NG
OK
建立人事挡案
人员表现评估
人员异动
《岗位说明书》
行政部/各相关部
门
行政部/各相关部门
行政部/各相关部
门
《年度人员需求计划表》 《雇员招聘需求表》
行政部/各相关部
门。
人力资源管理程序一、目的:为了保证公司正常运营,健康发展,促使人力资源的合理运用,配合公司发展,特制定本程序。
二、部门职责第一章人事聘用1. 招聘计划在每年一月份,根据公司年工作计划和公司决策层的要求作出全年的人力资源规划及预算,经总经理/董事长审批后予以实施;各部门按已制定并审定通过的人力资源预算与计划,向行政部提出申请,将需要的人员数量、标准、条件及职责、职务、到岗的时间填写在《聘请员工申请表》(见附件1)上,报总经理/董事长批准。
2、招聘方式行政部根据经批准的《职位计划》,开始组织和安排招聘工作;2.1内部选聘1)招聘应首先在公司内部进行选聘,审定公司内部是否有合适和富裕的人员;2)员工可以自行申请、由部门推荐或是行政部部根据部门的要求和实际情况进行调整;3)人力资源部对选定的员工进行考察,并协调好相关部门之间的关系;4)内部选聘必须考虑部门之间的关系和工作的安排,必须是在员工所属部门同意和该名员工符合新的岗位要求的情况下进行;2.2外部招聘1)外部招聘的途径可以通过网上招聘、人才市场现场招聘、报纸广告招聘、猎头公司推荐、员工推荐、高级人才交流会等形式进行;2)考虑招聘成本和招聘效果的原因,原则上以网络招聘为主;3)人力资源部根据部门提出的要求制作招聘广告,并定期根据需要进行更新。
3、甄选初步甄选1)应聘人员的资料(包括个人简历、毕业证书、学位证书、身份证复印件等)由人力资源部负责收集,并根据部门提出的人员要求参照应聘人员的资料进行初步甄选,从中选出参加面试的人员;2)在应聘人员不太富裕的情况下,初步甄选可以放宽用人部门提出的用人条件而选拔面试人员,以满足岗位的需要;3)各部门从别的途径获得人才信息,需将其资料递交给人力资源部进行甄选;4)甄选出的面试人员由人力资源部统一通知参加面试;5)面试时间尽量安排在休息时间,以不影响公司正常工作,同时方便面试人员安排时间;6)面试准备:人力人员负责组织面试场地的布臵,公司简介、企业文化、操作手册、员工个人操作手册等资料的准备,体现出智联文化的特色,吸引应聘人员,树立公司良好企业形象。
发放编号:XXXXXXXXX 有限公司质量管理体系管理性文件编制:日期:审核:日期:批准:日期:文件编号:QP030 版本号:主管部门:人事行政部章节名1. 目的 (3)2. 范围 (3)3. 职责 (3)4.人事管理程序 (3)4.1岗位确定 (3)4.2人力需求提出、批准 (3)4.3招聘、录用实施 (3)4.4培训 (4)4.5员工岗位异动 (4)4.6劳动关系的解除 (5)5.员工健康管理 (5)5.1健康标准 (5)5.2健康档案的管理 (5)6.相关记录 (5)文件修改履历 (6)1.目的为实现人力资源的合理配置,在岗人员均能达到岗位能力要求,为质量管理体系的良好运行提供保障,特制定本程序。
2.范围本程序适用于公司范围内的人力资源管理,包括人员招聘、人员配置、人员经历、教育程度、技能和能力的考核及培训管理。
Λ.职责1.1总经理:负责组织设置组织机构,规定各部门的职责和权限;审核批准公司的人力资源战略规划以及主要人力资源政策制度。
1.2人事行政部职责:a.负责组织各部门编制公司各岗位的《员工岗位说明书》;b.负责人员的招聘,人力资源的计划及配置;c.负责员工教育培训计划的制订、组织、管理和考核;d.依据对员工的培训、考核结果,负责按本程序对达到资格条件的员工,组织上岗认证工作;1.3综合办公室、生产设备、技术质量、销售等部门有义务支持和配合人事行政部实施教育培训和人力资源配置计划。
4.人事管理程序4.1岗位确定人事行政部组织各部门编制公司岗位的QP030-RE-01《员工岗位说明书》,以规定各岗位人员的最低任职资格和岗位职责,作为本公司招聘工作的依据。
4.2人力需求提出'批准各职能部门根据公司的目标计划,结合本部门工作内容和最新的人员配置实际情况,可向人事行政部提出用工需求,人事行政部上报给总经理,经批准通过后实施招聘。
4.3招聘、录用实施4.3.1人事行政部根据人员需求,通过以下方式,面向社会公开招聘,进行统一筛选。
人力资源管理程序1.目的为保障管理体系的有效运行,从人员经历、教育程度、培训、技能和能力等方面考虑,确保从事影响产品要求符合性的工作人员是能够胜任的,为公司创新和发展提供人力资源保证。
2.范围适用于本公司人力资源的管理活动。
3.职责3.1行政部负责本程序的归口管理,负责全公司范围内的人事调动、培训及档案管理工作。
3.2各部门和车间负责所管辖范围内的人员配置及培训。
4.工作程序工作流程重点控制说明支持文件质量记录厂—人力资源总经理职能策划行政部行政部人力资源主任人员招聘行政部人力资源主任1.在每年底根据公司的业务发展需要,确定下一年度人员结构规划。
2.根据上述要求确定各部门的定员人数和沟通途径,做好定岗定编工作。
3.根据各部门的工作要求和质量管理体系要求确定岗位任职资格要求(培训、意识、能力)编制《岗位说明书》。
1.在每年底组织人员需求调查,各部门按生产业务发展需求填报。
2.根据各部门填报的情况统计人员需求制订人员需求计划,交总经理审批。
3•车间临时补充人员,由车间各组长填写《人员需求计划表》,报车间主任审批后通知行政部人力资源主任。
4•部门临时补充人员:由部门负责人填写《人员需求计划表》,报分管副总审批后给行政部人力资源主任。
1.招聘时机:1.1根据需求计划做计划内招聘。
1.2根据生产情况临时招聘。
2.招聘过程:2.1采用人才市场、广告等形式招聘。
2.2甄选:应聘人员填写《试工单》或《员工登记表》后安排面试,面试合格予以录用,不合格不予录用。
2.3录用:应聘人员通过面试合格后,由人事文员通知报到。
2.4报到:新员工报到时须填写“员工登记表”,人事文员办理上岗前相关手续并将新员工登入“员工登记表”,安排岗前培训事项。
组织机构图岗位说明书人力资源管理制度人员需求计划表员工登记表工作流程权责重点控制说明支寺文件质量记录安排试用1r入职上岗培训行政部人力资源主任1.车间新员工,由公司保安导引至车间主任或段长安排上岗试工(一般为3天);2.部门职员及组长以上干部,由行政部人力资源主任在办理厂牌后,导引给用人部门负责人安排上岗试用(试用期为1〜3个月)。
(人力资源管理)人力資源管理程序人力资源管理程序1目的范围对承担质量、环境及OHS体系职责的人员规定相应的岗位技能要求,进行培训且予以考核,以满足规定的要求。
适用于承担质量、环境及OHS体系职责的所有人员,包括临时雇佣人员,必要时仍包括关联方的人员。
2职责2.1人力中心对公司的人力资源开发管理工作全面负责。
2.1.1人力中心开发部负责依据公司人力资源需求制定员工定编、定岗及各单位第壹负责人相应资格要求和标准。
2.1.2人力中心培训部负责依据考核结果和调查情况组织、检查、监督公司的培训工作。
2.1.3人力中心考核部负责对各单位第壹负责人的任职资格进行鉴定。
2.2各单位办公室对本单位的人力资源开发管理工作全面负责。
2.3各单位下属部门负责本部门各岗位人员的培训和资格鉴定工作。
3工作程序3.1人力资源的开发策划3.1.1人力中心根据公司发展情况及奋斗目标,确定车间主任级之上的管理岗位壹年内总体人才需求安割)。
3.1.2于每年的管理评审会议上对人力资源开发策划方案进行壹次整体评价,且作出相应调整。
3.1.3人力资源开发策划的实施a)各单位根据公司总的发展要求和本公司的发展实际情况,由本单位办公室提出壹年内人才需求中期计划和年度人才培训计划,经办公室主任审核,各单位第壹负责人批准后实施。
b)人力中心每年向主任级之上管理人员下发《培训满意度及新需求调查表》,各单位办公室每年向行政人员、关键工序人员、班组长管理人员下发《培训满意度及新需求调查表趴该表汇总分析后,根据新的变化及70%之上人员反映的相同或相近培训需求,调整下年度培训安排,以满足岗位任职资格要求。
3.2岗位任职资格要求的确定3.2.1人力中心负责编制各单位第壹负责人的《岗位任职资格要求》,报管理者代表审核,分管领导批准后实施考核。
各单位第壹负责人任职资格应至少满足下列条件之壹:a.具备关联专业的技术职称;b.大专之上学历;c.具备3年之上关联工作经历;d.受过关联的职业培训。
1人力资源管理程序1.0目的2.0使企业的人力资源得到合理配置与优化, 从而使质量管理体系得到有效实施和保持, 以及不断满足顾客的需求。
3.0范围适用于本公司所有人力资源的管理。
4.0职责3.1管理者代表负责编制各部门经理的《岗位说明书》。
3.2总经理负责各部门《岗位说明书》的批准。
3.3其他各部门主管负责编制本部门内员工的《岗位说明书》, 确认部门培训需求, 向综管办提出要求, 并负责本部门员工的岗位技能培训。
3.4 综管办1)负责主导一线岗位招聘, 协助股份人力资源中心非一线岗位面试安排;2)负责《年度培训计划》的制定及监督实施, 负责上岗基础教育, 负责组织对培训效果进行评估;3)负责岗位任职资格要求的编制和各岗位人员能力的确认;4)负责组织员工满意度调查工作。
3.5人力资源管理中心1)负责公司非一线员工的招聘工作;2)负责非一线员工的新员工入职培训工作, 以及采购、财务、销售等部门的培训工作;3)负责定期将招聘员工的简历和培训资料传递一份给综管办。
5.0程序4.1 人力资源配置4.1.1 各部门负责人需编制本部门内部的岗位职责描述,明确该岗位工作人员职责和权限、能力素质、学历、培训及工作经历的具体要求。
4.1.2 管理者代表编制各部门负责人的岗位职责描述, 交总经理审批。
4.1.3 经审批后的《岗位说明书》,交综管办作为人员选择和安排的主要依据。
4.1.4 各部门需增添相关人员时,将部门人员需求报综管办。
综管办根据招聘需求主导一线员工招聘, 并将非一线员工招聘需求报股份人力资源中心, 协助股份人力资源中心完成招聘。
4.1.5 人力资源中心完成对非一线员工的招聘后, 需每月月底将本月新入职员工档案(包含简历、人事信息等)传递一份至综管办。
4.2 人力资源的培训需求4.2.1 新员工培训1) 入职培训新员工需接受入职培训, 其中非一线员工需培训包括企业的总体运作情况、公司企业文化与管理特色等, 由股份人力资源管理中心负责。
人力资源管理程序1 目的开发人力资源,提高本公司各成员之素质,协调各部门工作。
2 适用范围本公司所有部门人员均适用该程序。
3 权责管理课——负责本规定制定与督导实施。
各相关部门——按规定自行执行保项工作。
4 定义无5 流程图无6 作业内容6.1 员工入厂6.1.1 部门根据人员或生产需要需增补人员,必须由部门主管填写“员工增补申请单“,经管理课确认,经理核准生效。
6.1.2 初试:由人事部负责进行(口试或笔试)应聘人员的素质,应具备与应聘职位相关性的基本知识,并填写初试意见。
6.1.3复试:由用工部门负责进行(口试或实际操作)检测应聘人员的专业知识水平及工作经验并填写复试意见。
6.1.4 终试:由经理或主管招聘人员的素质、专业知识水平及工作经验确认(口试)并对通过者定级定薪,定试用期。
6.1.5 主管有权对本部门“普工“进行终试核定。
6.1.6 经下负责班长级(含班长)以上管理人员及特殊技能人员的终试核定。
6.2 教育训练6.2.1 教育训练工作分为“新进人员教育训练“、”在职训练“、”转岗训练“和”特殊技能训练“四大类。
6.2.2 新进人员教育训练。
6.2.2.1 所有经过终试合格的员工,不论工种和职务的高低均需接受。
6.2.2.2 新进人员教育训练主要由人事部负责,其授课内容主要是本公司概况、厂纪厂规等知识。
6.2.2.3 新进人员上课时,由讲师负责点名,并在“教育训练签到表“上打勾作为已参加上课之证明及出勤之依据。
6.2.2.2 讲师在授课时要抓住授课重点在“教育训练签到表”上作好教育训练记录,作为授课之依据。
6.2.2.5 培训完毕将根据授课内容,对培训人员进行教育训练后之鉴定(口试或笔试)并将结果记录在“个人训练资料表”上。
6.2.3 在职训练6.2.3.1 管理课主管应于每年初召集各部门主管或叔导依据各部门之业务性质、工作需要、职务功能讨论制定“年度教育训练需求及计划大纲” ,注明训练需求的课程名称、时数、训练对象、训练日期、讲师等,由管理课审核,经理核准后方可生效。
人力资源管理程序1目的/范围为了配置满足质量要求的人力资源,编制本程序。
本程序适用于公司与质量管理体系有关的各类人员,以确保人员能承担公司规定的各项职责。
2职责分配2.1公司综合办职责2.1.1根据产品与市场需要,对公司人力资源的需求拟定公司人员的定编、定岗的相应资格要求和标准。
2.1.2合理配置公司人员,当人员岗位发生短缺时,负责招聘和调剂。
2.1.3对公司人员培训拟订规划,批准后组织实施。
2.1.4对人员的能力进行正确判断,公正、公平的对人员技能、能力进行考核。
2.2总经理批准公司的人员编制、各类人员的各项职责标准、公司培训计划、招聘计划。
3程序3.1通过对人力资源有效管理与开发,使公司生产力水平达到最佳。
3.2确保公司通过招聘、内部调剂补充岗位使人员符合岗位作业要求。
3.3确保职工在进入岗位前通过讲座、办班、脱产等方式接受培训。
4控制过程4.1人力资源需要识别控制4.1.1综合办通过各部门研究分析,根据各岗位人员的工作性质不同和相关工作之间关系,拟订“岗位职责及任责要求”,呈总经理批准后实施。
4.1.2公司各岗位人员均应符合4.1.1所述相关要求,特殊情况需由综合办负责人提出报告,主管经理审核批准后,交经理办公会议讨论,总经理批准后方可在岗任职。
4.2人员安排控制过程4.2.1公司原有岗位空缺和需要增设岗位时,由主管部门提出补充人员计划(需要人员数量及岗位)。
4.2.2补充人员计划经总经理批准后,由综合办根据人员资格识别要求的标准在公司内部进行调剂和选聘,经主管领导批准后,实施岗前培训后上岗。
4.2.3当公司无法进行内部调剂时,由综合办进行公开招聘,并负责审核应聘人员有关学历、资历、经历和证明文件。
4.3培训控制过程4.3.1综合办负责以下工作:a)制定公司年度培训计划及所招新年度培训计划并组织实施;b)按计划举办公司培训班,并做好记录;c)将有关部门的年度培训计划备案、归档备查。
4.3.2有关部门负责:a)向综合办提供本部门各岗位人员的培训需求计划;b)当综合办举办公司培训班时,要按照综合办通知的时间、人员、地点,组织相关人员按时参加培训;c)经综合办核准需要本部门自行安排、组织的培训,要付诸实施。
人力资源管理程序人力资源治理程序1.0 目的本程序规定了对公司所有与质量活动有关的人员实施培训的要求,使其把握相应岗位的操作技术和服务质量意识,确保职员素养满足质量体系运行的要求。
2.0 适用范畴适用于公司所有与质量活动有关人员的培训。
3.0 职责3.1 总经理主管培训工作。
3.2 行政人事中心具体负责培训的操纵。
3.3 各相关部门及组团参与职员培训的实施。
4.0 工作程序与治理方法4.1 工作流程图4.2 培训需求的申请及培训打算的编制。
4.2.1 每月25日前各部门依照需要填写[培训需求表],经本部门负责人审核后报行政人事中心;各部门可依照实际情形如职员转岗、工作内容、性质变化、新职员上岗等,临时填写增补[培训需求表],经部门负责人审核后报行政人事中心。
4.2.2 行政人事中心依照各部门填报的培训需求,结合实际工作需要经综合平稳后,编写公司各类人员[月份培训打算]。
打算内容包括:培训时刻、内容、教材、对象、师资及考核等。
4.2.3 行政人事中心可依照工作实际需要及各单位增补的[培训打算]调整修改[培训打算]。
4.3 培训打算的批准。
培训打算(含修改的培训打算)由总经理批准。
4.4 培训的实施4.4.1 入职培训:入职培训分为岗前理论知识培训和上岗实际操作培训,并通过去时1-3个月的考核试用期。
4.4.1.1 岗前理论知识培训由相关主管部门组织实施,要紧内容为公司制定的《职员手册》和市房管局制定的《物业治理法律、法规汇编》。
4.4.1.2 上岗实际操作技能培训由相关部门/组团主管在职员试用期内结合实际情形组织实施,并将考核意见记录于职员转正审核表中。
4.4.1.3 职员上岗前应取得必要的相关专业岗位证书。
4.4.1.4 入职培训以自学和半脱产相结合的方法进行。
由行政人事中心或相关部门组织实施。
4.4.2 在岗操作4.4.2.1 在岗操作分为内部培训和外部培训、采取脱产、半脱产、自学等多种形式进行,要紧包括:a.专业技术人员岗位证书的年检/复审培训。
XXX科技有限公司人力资源管理程序文件编号,版本状态:编制:____________________批准:____________________生效日期:2023年X月X日修订页签名/日期制修订人:制修订部门审核:ISO事务所审核意见:审批意见:1、目的:为招聘优秀、适用的人才,提升公司员工的整体素质,以适应公司整体发展与运作的需求,并使公司人员招聘、任用作业制度化、规范化,特制定本程序。
2、适用范围:本公司人员招聘(含聘用临时工、大学生)之内、外部甄选、任用、离职均适合之。
3、职责:3.1 需求部门3.1.1 应根据部门生产需要及组织架构提出人力需求;3.1.2 各部门协助进行人员招聘的相关工作。
3.1.3 各部门负责新入职人员的岗位培训及日常管理和考核。
3.2 人力资源部3.2.1 负责招聘要求审核、公告,人力的核控,并依据需求部门用人条件组织招聘与甄选;3.2.2 招聘人员跟进人员招聘的全过程;4、程序内容:4.1 招聘原则4.1.1 招聘原则:招聘应当强调合适的时间担任合适的职位,与公司的职位职等系统匹配,招聘标准与程序公开透明,招聘评估方法科学合理,保证招聘结果的公平公正;4.2 招聘申请4.2.1 招聘需求申请与审核;本公司各部门有职务出空缺或组织变更、扩大需增补人员时;由部门经理提出招聘申请,申请流程如下:4.2.1.1 由用人部门根据实际人员需求填写《人员需求申请表》,填表时要如实填人数、岗位(职务)、性别、年龄及学历要求、岗位技能要求、岗位薪资等填写好,由部门经理以上负责人审核后交分管副总经理批准,由用人部门把已审批的《人员需求申请表》交至人力资源部进行招聘。
4.2.1.2 各部门在提交《人员需求申请表》时,要同时把需求岗位的岗位说明书一并交至人力资源部,以方便人力资源部根据岗位说明书进行对应招聘及面试。
4.2.1 ∙3生产临时工招聘(含电商临时工)的招聘,申请要填写《临时工需求申请表》,并要写明工作性质及工作时间、工资、性别与年龄等,需通过分管副总经理审批后,交人力资源部,人力资源部根据已审批的《临时工需求申请表》进行人对应的人员招募工作。
10.1 附錄1--人力資源管理程序流程圖
資材部業務部行政部製造部品保部研發部相關文件使用表單
人員需求表
人員需求表
求職登記表/面談記錄表/核薪單
求職登記表
面談記錄表/核薪單
新進員工報到單人事基本資料卡點膠作業詴題
焊錫作業詴題
品檢作業詴題
工程師人員詴題
實驗室人員詴題
環保知識訓練詴題
教育訓練需求調查表年/年度教育訓練計劃表
員工專業研習(學習)承諾書
教育訓練申請表
教育訓練報告書
出席記錄
個人考核表
員工教育訓練履歷表
員工教育訓練履歷表/教育訓練成效考核表/教育訓練報告書/員工滿意度調查表。