基于可调式稳压器LM317的直流稳压电源课程设计自己制作
- 格式:doc
- 大小:184.00 KB
- 文档页数:13
1.1 课题任务设计一个连续可调直流稳压电源1.2 功能要求说明①输出电压可调:Uo=+3V~+9V②输出最大电流:Iomax=800mA③输出电压变化量:△U≤5mV④稳压系数:Sv≤0.0031.3可调直流稳压电源总体方案介绍及工作原理说明1.3.1直流稳压电源的设计思路①电网供电电压交流220V(有效值)50Hz,要获得低压直流输出,首先必须采用电源变压器将电网电压降低获得所需要交流电压;②降压后的交流电压,通过整流电路变成单向直流电,但其幅度变化大;③脉动大的直流电压须经过滤波电路变成平滑,脉动小的直流电,即将交流成份滤掉,保留其直流成份;④滤波后的直流电压,再通过稳压电路稳压,便可得到基本不受外界影响的稳定直流电压输出,供给负载。
1.3.2直流稳压电源的基本原理图1.1 直流稳压电源结构图和稳压过程电源变压器:是降压变压器,它的作用是将220V的交流电压变换成整流滤波电路所需要的交流电压Ui。
变压器的变比由变压器的副边按确定,变压器副边与原边的功率比为P2/P1=η,式中η是变压器的效率。
整流电路:利用单向导电元件,将50HZ的正弦交流电变换成脉动的直流电。
滤波电路:可以将整流电路输出电压中的交流成分大部分滤除。
滤波电路滤除较大的波纹成分,输出波纹较小的直流电压UI。
常用的整流滤波电路有全波整流滤波、桥式整流滤波等。
稳压电路:稳压管稳压电路其工作原理是利用稳压管两端的电压稍有变化,会引起其电流有较大变化这一特点,通过调节与稳压管串联的限流电阻上的压降来达到稳定输出电压的目的。
1.3.3直流稳压电源的工作原理交流电网220V的电压经过变压器降压之后,通过整流、滤波、稳压之后才可以送到负载,设变压器副边电压为:1.1其中为有效值。
变压之后,利用单向导电元件二极管,把50Hz的正弦交流电变换成脉动的直流电。
在的正半周内,二极管D1、D2导通,D3、D4截止;的负半周内,D3、D4导通,D1、D2截止。
基于LM317的可调直流稳压电源0. 引言LM3l7是具有TO-220、TO-3、TO-202和TO-39等多种封装的三端可调稳压集成电路,该芯片具有输出电压可调、性价比高、工作稳定等特点,广泛应用于音响前级电路、精密电路和电子制作等对电源精度要求较高的领域。
利用LM317构成的可调直流稳压电源典型电路如图8-2所示,该电路输出电压范围为0~35V,输出电流为IA,适用于小功率家用电器用电。
图1 利用LM317构成的可调直流稳压电源1.电路结构及主要元器件选择由图1可知,该可调直流稳压电源由电源输人电路、负压辅助电源电路和稳压输出电路组成。
其中,电源输入电路由电源变压器T、整流二极管VD1~VD4和滤波电容C1、C2组成。
实际应用时,T 常选用lOW、二次电压为35V和6V的电源变压器;VD1~VD4均选用IN4007型硅整流二极管。
负压辅助电源电路由T的W3绕组、整流二极管VD5、滤波电容C3、电阻器R2和稳压二极管VD6组成。
实际应用时,VD5选用IN4007型硅整流二极管;VD6选用1W、1.25V稳压二极管。
稳压输出电路由三端可调稳压集成电路IC及电阻器RI、电位器RP、电容器C4和电压表PV组成。
实际应用时,IC选用LM317型三端可调稳压集成电路;RP选用合成膜电位器;PV选用0~50V直流电压表。
2. 工作原理电路通电后,交流220V电压经T降压后,在其二次绕组W2、W3上分别产生交流35V电压和交流6V电压。
其中交流35V电压经VD1~VD4整流、C1和CZ滤波及LM317稳压后输出。
交流6V电压经VD5整流、C3滤波、R2限流及VD3稳压后,产生—1.25V电压,通过RP加在LM317的控制端上。
当电网电压波动或负载减小引起输出电压降低时。
通过由电阻器RI和电位器RP组成的取样电路使LM317控制端电压发生相应变化,通过IC内电路处理后,可使其输出端输出电压增高,反之则使L317输出电压降低,从而实现稳压的功能。
基于LM317可调直流稳压电源的制作
【文章摘要】直流稳压电源是各种电子产品中不可缺少的一部分,它的质量直接关系到仪器的质量,为设备的稳定工作提供能量。
因此掌握稳压电源的安装与调试方法,对稳压电源起着非常至关重要的作用。
本文主要介绍LM317稳压电源的电路结构、组装步骤以及调试方法。
引言
随着集成电路工艺的迅速发展,稳压电路也迅速实现了集成化,成为模拟集成电路的重要组成部分。
目前在小功率稳压电源中应用最普通的是
LM317可调直流稳压电源,它是应用最为广泛的电源集成电路之一,它不仅具有固定式三端稳压电路的最简单形式,又具备输出电压可调的特点。
此外,还具有调压范围宽、稳压性能好、噪声低、纹波抑制比高等优点。
LM317是三端可调节正电压稳压器,输出电压范围1.25V~37V,负载电流最大为
1.5A,此稳压器非常易于使用。
1.LM317电路图与工作原理
LM317构成的可调式稳压电源电路如图1,220V市电经变压器降压、二极管桥式整流、电容C1滤波后,送入LM317第3脚(输入端),第2脚。
小制作之LM317可调稳压电源
下图是我制作该可调电源的原理图:
下面我简述一下各元件的相关功能:
1. D1~D4,是由整流二极管组成的整流桥将降压后的正弦波电压转换为单一方向的脉动电压;
2. C1,C2,C4,C5组成滤波电路,将脉动的电压变得平滑,其中大电容主要消除低频噪声,小电容则为消除高频噪声;
3. 为了减小R1上的纹波电压,在其上并联一个10uF的电容C3。
但是在开路时,C3会向稳压器调整端放电并使调整管发射结反偏,为了保护稳压管在其上加一个二极管D6,提供一个放电回路;
4. Q1为防止R1的中心触头接触不良使输出电压升高而损坏负载(正常情况下,R1中心触头直接接地,Q1无偏置电压而截止,当R1中心触头接触不良时,Q1因为有了偏置电压而导通,集电极变为低电位,使稳压管输出很低的电压);
5. D5则为输入短路保护,如果输入端短路,C4上的电压通过其释放,而。
自制lm317可调稳压电路发表于 2017-10-24 11:19:29使用LM317 做0-24V可调直流稳压电源,比较困难,做一个1.25V-24V可调直流稳压电源,电路却非常简单。
这是因为LM317可调三端稳压器,最小输出电压在1.25V,如果要求这个稳压电源从0V起调,这个稳压电路就需要加入一个负电压,电源输入就需要正、负与地三个输入端了,相对电路比较复杂,一般稳压电源是没有必要从0V起调的,所以就没有必要加入负电源。
这是一个小的稳压电源电路,使用LM317制作的电路,输出电流1安培,输出电压在1.5伏和35伏之间可调。
你只需要添加合适的变压器即可。
该电路有热过载的保护,因为在IC包括限流和热过载保护。
LM317可调电源电路原理图元件清单IC = LM317P1 = 4.7K电位器R1 = 120RC1 = 100nF - 63VC2 = 1uF - 35VC3 = 10uF - 35VC4 = 2200uF - 35VD1-D4 = 1N4007LM317可调电源的变压器的选择电路特点:只需添加一个合适的电源变压器,如上表,输出电压范围和变压器的选择。
做实验时使用该可调电源,可以节省电池的费用适合作为实验用的可调电源可以控制电动机和低压灯泡等规格:预置1.5和35V之间的任何电压可调极低的纹波短路,热过载保护最大输入电压:28VAC或40VDC最大功耗:15W(带散热器)尺寸:52x52mm(2.1“×2.1”)技术规格:输入电压= 40VDC最大变压器输出电压= 1.5V直流-35V 直流输出电流= 1.5 A最大。
功耗最大15W(冷却)。
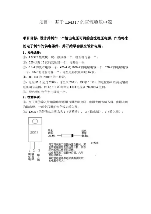
项目一基于LM317的直流稳压电源项目目标:设计并制作一个输出电压可调的直流稳压电源,作为将来的电子制作的供电器件,并开始学会独立设计电路。
1、元件选择:①:LM317集成块一块,散热器一个,螺丝螺母各一个;②:220伏变12伏的变压器一个,电源线一根;③:0.1uf的瓷片电容一个,470uf或1000uf的电解电容一个,220uf的电解电容一个,10uf的电解电容一个,这里电容抗压可取16伏;④:D1~D6为IN4007的二极管;⑤:电阻R1不超过220Ω,这里取200Ω,R W取5.1KΩ的电位器可以满足输出电压调节范围;R2取510Ω可保证LED电流在20-30mA之间;⑥:绿色或红色发光二极管一个。
2、注意事项:①:变压器的输入级和输出级可用万用表测电阻,电阻大的为输入级,电阻小的为输出级;一般变压器的红色线为输入级;②:LM317的管脚从左到右为1(调整端)、2(输出端)、3(输入端);3、结构方框图:根据设计指标要求,该稳压电源变压器、整流电路、滤波电路、稳压电路和指示电路等组成。
原理方框如下图1所示。
图1直流稳压电源的结构方框图①变压器:变压器的功能是将220V的交流电变换成整流电路所需要的低压交流电。
②整流电路:整流电路是利用二极管的单向导电特性,将变压器的次级电压变换成单向脉动直流。
③滤波电路:滤波电路的作用是平波,将脉动直流变换成比较平滑的直流。
④稳压电路:滤波电路的输出电压还是有一定的波动,对要求较高的电子设备,还要稳压电路,通过稳压电路的输出电压几乎就是恒定电压。
4、集成稳压块稳压电路:集成稳压器多采用串联型稳压电路,组成框图如图2所示。
除基本稳压电路外,常接有各种保护电路,当集成稳压器过载时,使其免于损坏。
图2 三端集成稳压器电路框图由于集成稳压电路性能优越,安装调试方便,应用广泛,满足本设计指标要求,故本设计采用可调集成稳压电路LM317。
5、桥式整流电路:(1)整流电路的结构原理整流电路的功能是把交流电变换成直流电,它的基本原理是利用了晶体二极管的单向导电特性。
基于LM317、LM337的连续可调直流稳压电源为了方便配合以后的电路板,我特意的制作了双路输出连续可调直流稳压电源,经过查找资料,比较多种电源方案后,最终确定采用以LM317、LM337为核心的双电源方案,其电压连续可调。
内置有多重保护电路,该电源内阻小,电压稳定,噪声极低,输出纹波小。
虽然功率较小,但是用于给一般的电子小制作供电也足够了,况且其输出电压连续可调,使用起来十分方便。
LM317的封装图LM337的封装图稳压管LM317的内部原理图稳压管LM337的内部原理图一、工作原理本直流电源由电源、滤波、保护、稳压等四个基本模块组成,如图I框图所示,其电路图如图II所示,PCB图如图III所示。
图I图II图III图IV电源实物图图V电源实物图1、电源变压器采用降压变压器,将电网交流电压220V变换成需要的交流电压。
此交流电压经过整流后,可获得电子设备所需要的直流电压。
2、整流电路利用单相桥式整流电路,把50Hz的交流电变换为方向不变但大小仍有脉动的直流电。
其优点是电压较高、纹波电压较小,变压器的利用率高。
本电路用4个Diode IN4007做成一个全桥整流,电流大,配合本电路的大滤波电容,使得本电源的瞬间大电流的供电特性好、噪声小、反映速度快、输出纹波小。
3、滤波电路采用电容滤波电路,将整流电路输出的脉动成分大部分滤除,得到比较平滑的直流电。
本电路采用4个2200UF/25V的电解电容两两并联使输出电压更加平滑,电源瞬间特性好,适合带感性负载,如电机的启动。
两个并联的2200V电容同时并联了一只0.1UF的瓷片电容,滤去高频干扰,使输入到集成电路的直流电尽可能的平滑和纯净。
4、稳压电路由LM317输出正电源,LM337输出负电源。
LM317和LM337均使用了内部热过载,包含过流保护、热关断和安全工作区补偿等完善的保护电路,使得电源可以省去保险丝等易损耗器件。
5、保护电路因为线性电源发热量较大,所以本电路在制作的时候覆了地,用于帮助散热。
LM317可调稳压直流电源电路设计与制作我们主张电子技术初学者最好用万能板焊接电子制作产品,因为这种电子制作的方法,不仅能练习焊接技术,同时还能提高识别电路图和分析原理图的能力,为日后维修、设计电子产品打下坚实的基础。
因此我们开发的入门型电子制作均采用万能板+元器件的设计模式,我们保证所有产品我们都制作过,并且成功。
一、电路设计功能介绍LM317是应用最为广泛的电源集成电路之一,它不仅具有固定式三端稳压电路的最简单形式,又具备输出电压可调的特点。
此外,还具有调压范围宽、稳压性能好、噪声低、纹波抑制比高等优点。
其主要性能参数如下。
输出电压:1.25-37V DC;输出电流:5mA-1.5A;芯片内部具有过热、过流、短路保护电路;最大输入-输出电压差:40V DC,最小输入-输出电压差:3V DC;使用环境温度:-10-+85℃。
二、LM317可调稳压直流电源电路原理图三、LM317可调稳压直流电源电路工作原理220VAC市电经变压器降压,二极管桥式整流,电容C2滤波后,送入LM317第3脚(输入端),第2脚(输出端)输出稳定的直流电压。
第一脚为调整端,调整端与输出端最低的基准电压为1.25V。
调节R2可改变输出电压。
输出电压的计算公式位:UO=1.25(1+Rp1/R2)。
C1用于滤除由市电引入的干扰电压,C2为滤波电容,C3用于旁路基准电压的纹波电压,提高电源的纹波抑制性能,D6,D7是保护二极管,R1和D5为工作指示电路。
四、LM317可调稳压直流电源电路元件清单及实物图LM317可调稳压直流电源电路清单实物图五、调试技巧及成品图LM317可调稳压直流电源电路安装成功后,接上市电220V交流电后,电源指示灯被点亮,从输出端输出可调的直流电压1.25V到12V,调试效果如下图所示:LM317可调稳压直流电源电路产品图正面LM317可调稳压直流电源电路产品图反面经常出现的故障及检修方法如下:1、电源指示灯不亮,没有直流电压输出,或者电压输出不可调等。
基于可调式稳压器LM317的直流稳压电源课程设计一、背景介绍LM317是一种宽范围可调稳压器,它的基本工作原理是在两个工作端之间设置一个固定的压降,再将输入电源降至所需的电压。
LM317稳压器的输出电压可以设置在1.25V-37V之间,能满足大多数应用的需要。
因此,基于LM317的直流稳压电源具有体积小,适应范围广,性能可靠,工作稳定等优点,在直流电源中有重要的应用。
本次课程设计实现一个基于LM317的12V-1.5V直流稳压电源。
二、课程设计实现1. 使用直流电源模块作为电源,将输入电压调至12V,电源输出有20A。
2. 直流电源将输出设定至12V-1.5V,以LM317稳压器实现稳压。
3. 选择一定容量(例如47uF)的电容作为过滤电容,将LM317稳压输出与用于稳压的负载电源线连接,保证稳压的负载电路的工作。
4. 接上电表,读取电源的输出电压值,测量电压调节的精度和稳定性。
三、测试结果完成硬件配置后,测试发现在较小的允许偏差范围内完成了预期的稳压,其输出电压精度能够维持在+/-0.2V,稳定性测量出来为+/-0.05V。
四、问题分析在课程设计中我们发现,稳压器、负载电路和过滤电容的选择都会影响到输出电压的精度和稳定性。
当电压选择过大时,或者选择的过滤电容容量不够的时候,都可能会导致稳压的精度不够,从而影响负载电路工作的正常。
五、结论本次课程设计针对12V-1.5V的直流稳压电源,采用了LM317型稳压器为基础,实现了目标稳压电压的精度和稳定性,且做到体积小、成本低等优点,可以满足应用需求。
另外,在实际应用中,我们需要根据实际情况合理选择稳压器、过滤电容和负载电路,才能够更好的发挥稳压功能,使电源稳压保证更加良好。
317稳压电源课程设计一、课程目标知识目标:1. 学生能够理解317稳压电源的基本工作原理,掌握其电路组成和功能。
2. 学生能够描述稳压电源的主要参数,如输入电压、输出电压、负载调整率、线性调整率等。
3. 学生能够解释稳压电源在实际应用中的重要性及其在电子设备中的作用。
技能目标:1. 学生能够运用所学知识,设计并搭建简单的317稳压电源电路。
2. 学生能够使用示波器、万用表等工具,测试稳压电源的性能指标,并分析测试结果。
3. 学生能够通过实际操作,掌握稳压电源的调试方法和故障排查技巧。
情感态度价值观目标:1. 学生通过学习317稳压电源,培养对电子技术的兴趣,激发创新意识。
2. 学生能够认识到稳压电源在节能环保方面的意义,增强社会责任感。
3. 学生在团队协作中,培养沟通与合作的意识,提高问题解决能力。
课程性质分析:本课程属于电子技术实践课程,注重理论联系实际,强调学生的动手操作能力。
学生特点分析:学生具备一定的电子基础知识,对实践操作有较高的兴趣,但可能对理论知识掌握程度不一。
教学要求:结合学生特点,注重启发式教学,引导学生通过实践探究,达到课程目标。
在教学过程中,关注学生的个体差异,提供个性化指导,确保学生能够完成具体学习成果。
后续教学设计和评估将以此为基础,持续关注学生的学习进度和成果。
二、教学内容1. 稳压电源基础知识:介绍稳压电源的定义、分类及其在电子设备中的应用,对应教材第2章。
- 线性稳压电源与开关稳压电源的区别与特点。
- 稳压电源的主要性能参数及其影响。
2. 317稳压电源原理:讲解317稳压电源的工作原理、电路组成及各部分功能,对应教材第3章。
- 317稳压集成电路内部结构及其工作过程。
- 稳压电源的输入输出滤波电路设计。
3. 实践操作与调试:指导学生进行317稳压电源电路的搭建、测试与调试,对应教材第4章。
- 电路元件的选择与安装方法。
- 使用示波器、万用表等工具进行性能测试。
lm317可调稳压电源实验报告lm317可调稳压电源实验报告一、引言可调稳压电源是电子实验中常用的设备,它能够提供稳定的电压输出,以满足各种电路的需求。
本实验以lm317为核心元件,搭建了一个可调稳压电源,并对其进行了测试和分析。
二、实验目的本实验的主要目的是通过搭建lm317可调稳压电源,掌握其基本原理和使用方法,并对其性能进行测试和评估。
三、实验原理lm317是一种三端可调稳压器,其基本原理是通过调节输出电压与调节电阻之间的关系,实现对输出电压的调节。
其工作原理如下:1. 输入电压通过lm317的输入引脚,经过内部基准电压源和参考电阻,形成一个稳定的参考电压。
2. 调节电阻通过电位器的调节,改变参考电压与输出电压之间的比例关系,从而实现对输出电压的调节。
3. 输出电压通过lm317的输出引脚输出。
四、实验装置1. lm317稳压芯片2. 电位器3. 电容器4. 电阻5. 电压表6. 电流表7. 直流电源五、实验步骤1. 按照电路图连接电路,确保电路连接正确无误。
2. 将直流电源接入电路,设定一个合适的输入电压。
3. 通过调节电位器,改变输出电压,观察电压表的读数。
4. 测量输出电压和输出电流,记录数据。
5. 重复步骤3和步骤4,不同的输入电压和输出电压下进行测试。
六、实验结果与分析通过实验测量,我们得到了不同输入电压和输出电压下的数据。
根据数据分析,我们可以得到以下结论:1. lm317可调稳压电源具有较好的输出稳定性,无论输入电压如何变化,输出电压基本保持不变。
2. 输出电流与输入电压和输出电压之间存在一定的关系,随着输出电压的增加,输出电流也会相应增加。
3. 在一定范围内,通过调节电位器可以实现对输出电压的精确调节,满足不同电路的需求。
七、实验总结通过本次实验,我们深入了解了lm317可调稳压电源的工作原理和使用方法。
通过实际搭建电路和测试数据,我们对其性能有了更加清晰的认识。
lm317可调稳压电源在电子实验中具有重要的应用价值,可以满足不同电路的需求。
lm317可调电源课程设计一、教学目标本课程旨在让学生了解和掌握LM317可调电源的工作原理、应用范围及其基本电路设计。
通过本课程的学习,学生应达到以下目标:1.知识目标:–理解LM317芯片的内部结构和功能;–掌握LM317可调电源的电路组成和工作原理;–了解LM317电源电路的应用领域及注意事项。
2.技能目标:–能够分析LM317电源电路图,并进行基本的电路设计;–能够运用LM317芯片制作出稳定的可调电源;–能够对LM317电源电路进行调试和故障排除。
3.情感态度价值观目标:–培养学生的动手实践能力和团队协作精神;–激发学生对电子技术的兴趣,提高学生的科学素养;–使学生认识到LM317可调电源在日常生活和工程中的应用价值。
二、教学内容本课程的教学内容主要包括以下几个部分:1.LM317芯片的内部结构和功能;2.LM317可调电源的电路组成和工作原理;3.LM317电源电路的应用范围及实例;4.LM317电源电路的设计方法及注意事项;5.LM317电源电路的调试和故障排除。
三、教学方法为了提高教学效果,本课程将采用以下教学方法:1.讲授法:讲解LM317芯片的内部结构、电路原理及应用;2.案例分析法:分析实际案例,使学生更好地理解LM317电源电路的设计和应用;3.实验法:让学生动手搭建LM317电源电路,培养学生的实践能力;4.讨论法:学生进行课堂讨论,促进学生之间的交流与合作。
四、教学资源为了保证教学效果,我们将准备以下教学资源:1.教材:选用权威、实用的教材,为学生提供系统的理论知识;2.参考书:提供丰富的参考资料,帮助学生拓展知识面;3.多媒体资料:制作精美的PPT,生动展示LM317电源电路的工作原理和应用实例;4.实验设备:准备齐全的实验器材,确保学生能够顺利完成实验任务。
通过本课程的学习,我们希望学生能够掌握LM317可调电源的相关知识,提高实践操作能力,培养对电子技术的兴趣和热情。
基于LM317可调电源的制做电源,已成为现代社会必不可少的一份子,今天我在这里给大家讲解怎样做一个可调稳压电源。
1 直流稳压电源的实现原理本设计电路主要采用三端可调式集成稳压器LM317 ,构成负输出可调的稳压电源电路,并用数码管直观显示电压数值。
使用时,只需调节电源电压调节器,即可得到所需的电压,并在数码管上显示电压数值,使用方便,显示直观,适应范围较广。
本电源电路的原理框图如图1 所示,其主要由变压器、整流、滤波、稳压、辅助电源、采样电路、数码显示等部分所组成。
图1 电源电路原理框图2 电路工作原理分析2. 1 电源变压器由于电源变压器的副边电压有效值将决定后面电路的需要,所以在此应选择输出电压有效值为12V 的电源变压器。
2. 2 整流部分该设计采用单相桥式整流电路( 桥堆KBP307) 。
其由四只二极管组成,其构成原则就是保证在变压器副边电压u2 的整个周期内,负载上的电压和电流方向始终不变。
为达到这一目的,需要在u2 的正、负半周内正确引导流向负载的电流,使其方向不变,设变压器副边两端分别为a 和b ,则a 为“+ ”b 为“ —”时应有电流流出a 点,a 为“ —”b为“+ ”时应有电流流入a 点; 相反,a 为“ + ”b 为“ —”时应有电流流入b 点,因而a 和b 点均应接两只二极管,以引导电流,具体电路原理如图2 所示。
R La b图2 单相桥式整流电路如果桥式整流电路变压器副边中点接地,就应将两个负载电阻相连接且连接中点接地。
根据桥式整流电路的工作原理,当a 点为“+ ”b 点为“—”时,D1 、D3 导通,D2 、D4 截止,u01 = u2 ,u02 = - u2 ;而当b 点为“+ ”a 点为“—”时,D2 、D4 导通,D1 、D3 截止,u01 = - u2 , u02 = u2 ,这样两个负载上就分别获得正、负电压。
若设变压器副边电压u2 = U2 sinwt ,U2 为其有RL 、D3 流入b 点,因而负载电阻RL 上的电压等于变压器副边电压,即u0 = u2 ,D2 和D4 管承受的反向电压为- u2 。
lm317可调电源课程设计一、课程目标知识目标:1. 理解LM317可调电源的基本原理及其在电路中的应用;2. 掌握LM317可调电源的电路连接方式,能够识别并使用相关的电子元件;3. 学会通过调整LM317可调电源输出电压的计算方法,并能够进行简单的电路调试。
技能目标:1. 能够正确搭建LM317可调电源电路,并对其进行安全操作;2. 培养学生动手能力,提高学生电路连接和调试技巧;3. 能够运用所学知识,解决实际问题,具备一定的创新意识和实践能力。
情感态度价值观目标:1. 培养学生对电子技术的兴趣,激发学生主动探究科学问题的热情;2. 培养学生的团队协作精神,提高沟通与交流能力;3. 增强学生的环保意识,让学生认识到电子垃圾对环境的影响,倡导绿色电子生活。
本课程针对高年级学生,结合电子技术课程内容,以LM317可调电源为主题,旨在通过实际操作,让学生深入理解电源调节原理,掌握相关技能,同时注重培养学生的情感态度价值观,为学生的全面发展奠定基础。
课程目标具体、可衡量,为后续教学设计和评估提供明确方向。
二、教学内容1. 理论知识:- LM317可调电源的内部结构和工作原理;- LM317可调电源的输出电压计算方法;- 电路中LM317可调电源的连接方式及其应用场景。
2. 实践操作:- 搭建LM317可调电源电路,进行实际操作;- 调试LM317可调电源电路,实现不同输出电压的调整;- 学习并掌握电路连接、调试过程中安全注意事项。
3. 教学大纲安排:- 第一章:LM317可调电源概述,介绍内部结构、工作原理及特点;- 第二章:LM317可调电源的电路连接方法,讲解不同应用场景下的连接方式;- 第三章:LM317可调电源输出电压计算,分析计算方法和实例;- 第四章:实践操作,动手搭建LM317可调电源电路,进行调试;- 第五章:总结与拓展,对所学知识进行巩固,探讨LM317可调电源在其他领域的应用。
教学内容与教材紧密关联,系统性地安排了理论知识和实践操作,旨在帮助学生更好地理解和掌握LM317可调电源的相关知识,培养学生的动手能力和创新意识。
LM317可调稳压电源制作报告电子制作设计报告题目: LM317 型可调稳压电源学号: [1**********]姓名:张宏教学院:信息工程学院专业班级:2019 级软件班指导教师:张辉达成时间:2019 年 11 月 12 日目录1.课程实践目的 .....................................................................错误!不决义书签。
2.硬件电路制作........................................................................... . (3)2.1电路理论分析........................................................................... (3)2.2主要制作过程和步骤........................................................................... (4)2.3制作过程中注意事项........................................................................... (4)3.测试方案与测试结果 ........................................................................... (5)3.1测试仪器........................................................................... .. (5)3.2作品测试及性能数据........................................................................... (5)4.制作总结 ........................................................................... (5)1.课程实践目的该设计主要利用可调式稳压器 LM317实现直流稳压电源的正负输出可调性。
基于可调式稳压器L M317的直流稳压电源课程设计自己制作***********************电子技术课程设计总结报告题目:运算放大器组成的0-20倍放大器学生姓名:只写一个人的名字系别:电气信息工程系专业年级: 2004级电气工程专业1班指导教师:某某某2011年7月基于可调式稳压器LM317的直流稳压电源TAG:可调式稳压器LM317 LM317直流稳压电源 LM317电源摘要:该设计主要利用可调式稳压器LM317实现直流稳压电源的正负输出可调性。
整个电源主要由变压器、整流电路、滤波电路,以及稳压电路几部分组成。
其体积小,稳定性好且性价比较高。
主要介绍其具体实现及原理,并分析具体硬件电路的工作原理及具体实现方法。
结合单片机原理以及其他相关集成电路模块的相关原理实现了直流稳压电源的显示等具体功能。
经反复实验,结果表明其具有灵活的可调性,控制效果良好。
该电源可广泛运用于电力电子、仪表、控制等实验场合。
关键词:可调式稳压器;直流稳压电源;整流电路;滤波电路1、引言:在电子线路的相关应用中,电源是其必不可少的部分,电源系统质量的优劣和性能的可靠性直接决定着整个电子设备的质量。
直流稳压电源作为直流能量的提供者,在各种电子设备中有着极其重要的地位,它的性能良好与否直接影响到电子产品的精度、稳定性和可靠性。
随着电子技术的日益发展,电源技术也得到了很大的发展,它从过去一个不太复杂的电子线路发展到今天具有较强功能的模块。
人们对电源的质量、功能和性能要求也随之变得越来越高。
本文介绍一种以可调式稳压器为核心组成的正负输出可调的直流稳压电源。
该电源主要由电源变压器、单相桥式整流电路、滤波电路和稳压电路等部分所组成。
单向交流电经过这几部分电路后即可转换成正负输出可调的稳定直流电压。
在本电源设计中,不仅制作了实用的稳压电源,更是结合单片机原理、汇编语言等学科,提高电源的性能和功能,使电源设备功能更加完善,使用方便,显示直观。
基于可调式稳压器LM317的直流稳压电源课程设计自己制作电子技术课程设计总结报告题目:运算放大器组成的0-20倍放大器学生姓名: 只写一个人的名字系别: 电气信息工程系专业年级: 2004级电气工程专业1班指导教师: 某某某2011年7月基于可调式稳压器LM317的直流稳压电源TAG: 可调式稳压器LM317 LM317直流稳压电源 LM317电源摘要:该设计主要利用可调式稳压器LM317实现直流稳压电源的正负输出可调性。
整个电源主要由变压器、整流电路、滤波电路,以及稳压电路几部分组成。
其体积小,稳定性好且性价比较高。
主要介绍其具体实现及原理,并分析具体硬件电路的工作原理及具体实现方法。
结合单片机原理以及其他相关集成电路模块的相关原理实现了直流稳压电源的显示等具体功能。
经反复实验,结果表明其具有灵活的可调性,控制效果良好。
该电源可广泛运用于电力电子、仪表、控制等实验场合。
关键词:可调式稳压器;直流稳压电源;整流电路;滤波电路1、引言:在电子线路的相关应用中,电源是其必不可少的部分,电源系统质量的优劣和性能的可靠性直接决定着整个电子设备的质量。
直流稳压电源作为直流能量的提供者,在各种电子设备中有着极其重要的地位,它的性能良好与否直接影响到电子产品的精度、稳定性和可靠性。
随着电子技术的日益发展,电源技术也得到了很大的发展,它从过去一个不太复杂的电子线路发展到今天具有较强功能的模块。
人们对电源的质量、功能和性能要求也随之变得越来越高。
本文介绍一种以可调式稳压器为核心组成的正负输出可调的直流稳压电源。
该电源主要由电源变压器、单相桥式整流电路、滤波电路和稳压电路等部分所组成。
单向交流电经过这几部分电路后即可转换成正负输出可调的稳定直流电压。
在本电源设计中,不仅制作了实用的稳压电源,更是结合单片机原理、汇编语言等学科,提高电源的性能和功能,使电源设备功能更加完善,使用方便,显示直观。
初步实现了电子产品的体积小、功能多、性能高、价格低、智能化等方面的功能。
2、电路所用核心元器件(1)LM317简介LM317 是美国国家半导体公司的三端可调正稳压器集成电路。
我国和世界各大集成电路生产商均有同类产品可供选用,是使用极为广泛的一类串连集成稳压器。
LM317 的输出电压范围是 1.2V 至 37V,负载电流最大为 1.5A。
它的使用非常简单,仅需两个外接电阻来设置输出电压。
此外它的线性调整率和负载调整率也比标准的固定稳压器好。
LM317 内置有过载保护、安全区保护等多种保护电路。
通常LM317 不需要外接电容,除非输入滤波电容到 LM317 输入端的连线超过 6 英寸(约 15 厘米)。
使用输出电容能改变瞬态响应。
调整端使用滤波电容能得到比标准三端稳压器高的多的纹波抑制比。
LM317 能够有许多特殊的用法。
比如把调整端悬浮到一个较高的电压上,可以用来调节高达数百伏的电压,只要输入输出压差不超过 LM317 的极限就行。
当然还要避免输出端短路。
还可以把调整端接到一个可编程电压上,实现可编程的电源输出。
317稳压块存在一个最小稳定工作电流的问题,可以通过设定R1和R2阻值的大小,而使317稳压块空载时输出的电流大于或等于其最小稳定工作电流,从而保证317稳压块在空载时能够稳定地工作。
此时,只要保证Vo/(R1,R2)?1.5mA,就可以保证317稳压块在空载时能够稳定地工作。
上式中的1.5mA为317稳压块的最小稳定工作电流。
当然,只要能保证317稳压块在空载时能够稳定地工作,Vo/(R1,R2)的值也可以设定为大于1.5mA的任意值。
经计算可知R1的最大取值为R1?0.83KΩ。
又因为R2/R1的最大值为28.6。
所以R2的最大取值为R2?23.74KΩ。
在使用317稳压块的输出电压计算公式计算其输出电压时,必须保证R1?0.83KΩ,R2?23.74KΩ两个不等式同时成立,才能保证317稳压块在空载时能够稳定地工作。
当然在317稳压块的输出端并联泄流电阻R,也可以为317稳压块提供最小稳定工作电流。
但是,由于并联的泄流电阻不能随输出电压的变化而变化,如果要保证317稳压块在输出电压为1.25V时,其输出电流大于其最小稳定工作电流,则在317稳压块的输出电压为37V时,流过泄流电阻的电流就太大了,这样不仅浪费了电能,而且增加了317稳压块的负担,不是一种妥当的办法。
3、直流稳压电源的实现原理本设计电路主要采用三端可调式集成稳压器LM317,构成正负输出可调的稳压电源电路。
本电源电路的原理框图如图1所示,其主要由变压器、整流、滤波、稳压、等部分所组成。
、电路工作原理分析 4(1)电源变压器由于电源变压器的副边电压有效值将决定后面电路的需要,所以在此应选择输出电压有效值为12V的电源变压器。
(2)整流部分该设计采用单相桥式整流电路(桥式KBP307)。
其由四只二极管组成,其构成原则就是保证在变压器副边电压u:的整个周期内,负载上的电压和电流方向始终不变。
为达到这一目的,需要在Uz的正、负半周内正确引导流向负载的电流,使其方向不变,设变压器副边两端分别为a和b,则a为“+”b为“一”时应有电流流出a点,a为“一”b为“+”时应有电流流入a点;相反,a为“+”b为“一”时应有电流流入b点,因而a和b点均应接两只二极管,以引导电流,具体电路原理如图2所示。
如果桥式整流电路变压器副边中点接地,就应将两个负载电阻相连接且连接中点接地。
根据桥式整流电路的工作原理,当a点为“+”b点为“一”时,Dl、D3导通,D2、D4截止,U01=U2,U02=一U2;而当b点为“+”a点为“一”时,D2、D4导通,D1、D3截止,U01=一U2,U02=U2,这样两个负载上就分别获得正、负电压。
若设变压器副边电压u2=U2sinwt,U2为其有效值。
当u2为正半周时,电流由a点流出,经Dl、RL、D3流入b点,因而负载电阻RL上的电压等于变压器副边电压,即uo=u2,D2和D4管承受的反向电压为一u2。
当u2为负半周时,电流由b 点流出,经D2、RL、D4流入a点,负载电阻RL,即uo=一u2,D1、D3承受的反向电压为u2。
这样,由于D1、D3和D2、D4上的电压等于一u2两对二极管交替导通,致使负载电阻RL上在u2的整个周期内都有电流通过,而且方向不变,则输出电压uo=| U2sinwt|。
(2)滤波电路经过整流后的直流电幅值变化很大,会影响电路的工作性能。
可利用电容的“通交流,隔直流”的特性,在电路中并人两个并联电容作为电容滤波器,滤去其中的交流成分。
电容滤波电路是最常见也是最简单的滤波电路,在整流电路的输出端(即负载电阻两端)并联一个电容即构成电容滤波电路。
滤波电容容量较大,因此一般均采用电解电容,在接线时要注意电解电容的正负极。
电容滤波电路利用电容的充、放电作用,使输出电压趋于平滑。
如果将两个滤波电容相连接,且连接点接地,就可同时得到输出电压平滑的正负电源。
在理想情况下,变压器副边无损耗,二极管导通电压为零,所以电容两端电压相等。
而当其上升到峰值后开始下降,电容便通过负载电阻放电,其电压也开始下降,趋势与电容两端电压基本相同。
但是由于电容按指数规律放电,所以当其下降到一定数值后,电容将继续通过负载放电,电容两端电压按指数规律缓慢下降。
总之,在电容充电时,回路电阻为整流电路的内阻,即变压器电阻和二极管的导通电阻,其数值很小,因而时间常数很小。
电容放电时,回路电阻为RL,放电时间常数R。
C通常远大于充电的时间常数。
因此滤波效果取决于放电时间。
电容愈大,负载电阻愈大,滤波后输出电压愈平滑,并且其平均值愈大。
换言之,当滤波电容容量一定时,若负载电阻减小(即负载电流增大),则时间常数RLC减小,放电速度加快,输出电压平均值即下降,且脉动变大。
故在此选择一个滤波电容2200。
输出电压的平均值U似蝴与放电时间常数RLC有关。
RLC越大,电容器放电速度越慢,则输出电压所包含的纹波成分越小,U驭?越大。
为获得平滑的输出电压,一般取放电时间常数为:式中:T为交流电的周期,在滤波电路放电时间常数满足上式的关系时,可用下式对输出电压的平均值约为电容两端电压的1(2倍。
滤波电路输出电压波形难于用解析式来描述,近似估算时,其波形近似为锯齿波,此时脉动系数S可按下式近似估算,其中T为电网电压的周期。
当滤波电容选定后,输出电压平均值U0和输出电流平均值I0的关系称为输出特性,脉动系数S和输出电流平均值I0的关系称为滤波特性。
电容滤波电路如图3(1)。
输出特性和滤波特性如图3(2)所示。
图3(1)电容滤波电路图图3(2)输出特性级滤波特性曲线表明,电容愈大电路带负载的能力愈强,滤波效果愈好;电流平均值愈大(即负载电阻的RL愈小),电压平均值愈低,S的值愈大。
为减小输出电压的脉动成分,采用的滤波电容器的容值越大越好,交流电源的频率越高越好。
目前在计算机、电视机等电子设备中采用了高频整流电源,它的滤波电容的容量就比50赫兹工频交流电的滤波电容小得多。
(3)稳压部分集成串联型稳压电路有三个引脚,分别为输入端,输出端和公共端,因而称为三端稳压器。
按功能可分为固定式稳压电路和可调式稳压电路;前者的输出电压不能进行调节,为固定值;后者可通过外接元件使输出电压得到很宽的调节范围。
便于实时控制,此设计采用可调式三端稳压器LM317。
LM317可调式三端稳压器有三个引出端,分别为输入端、输出端和电压调整端(简称调整端)。
调整端是基准电压电路的公共端,其典型值为1(25V。
其典型线性调整率为0.01,,负载调整率为0.1,,80dB的纹波抑制比,其工作温度范围为o?至+125?。
LM317可调式三端稳压依靠外接电阻来调节输出电压的,为保证输出电压的精度和稳定性,要选择精度高的电阻,同时电阻要紧靠稳压器,防止输出电流在连线上产生误差电压。
为了减小电位器上的纹波电压,可在其上并联了一个lo的电容,由于电容容量较大,一旦输入端断开,电容将从稳蘸器输出端向稳压器放电,易使稳压器损坏,因此在稳压器的输入端和输出端之间跨接一个二极管,并置在输出短路时,曦套将向稳压器调熬端放电,并使调整管发射结反偏,为了保护稳压器,故加一个二极管。
利用电容可以抵消输入线较长时的电感效应,以防止电路产生壹激振荡,其容量较小,一般小于1,故在此选择0.1。
图4 LM317的基本应用电路图5 LM317稳压电源电路。
LM317输出电流为1.5A,输出电压可在1.25,37V 之间连续调节,其输出电压由两只外接电阻R1、 RP1决定,输出端和调整端之间的电压差为1.25V,这个电压将产生几毫安的电流,经R1、RP1到地,在RP1上分得的电压加到调整端,通过改变 RP1就能改变输出电压。