中药材原辅料中药饮片存放管理规程
- 格式:doc
- 大小:137.00 KB
- 文档页数:6
篇一:中药材仓储管理浅谈中药材的贮藏保管引言中草药大都含有淀粉、糖类、蛋白质、脂肪油、维生素、鞣质等成份,在贮藏与保管中,因受周围环境和自然条件的影响,常会发生霉烂、虫蛀、变色、泛油、气味散失、风化、融化粘连等现象,导致药材变质,不仅在经济上造成很大的损失,更严重的是使中药疗效降低,甚至彻底丧失药用价值。
为了保证药材质量和疗效,在贮藏与保管好中草药对减少药材损耗和用药安全有重要意义。
正文普通造成药物变质的因素主要是:温度:药材在温度方面都有一定的适应范围。
温度过高过低都会使药材质量发生变化。
当温度在 35 度以上时,中药材的某些成份氧化、水解等化学反应加速;含脂肪的药物就会因受热而使油质分离,从而少油;含挥发油多的药物也会因受热而使芳香气味散失;动植物胶类和部份树脂类药物,受热后又易于发软、粘连成块或者融化。
温度在 20~35 度时,由于有利于虫害、霉菌等孽生繁殖,而使某些药物生虫、发霉以至变质。
湿度:湿度是指空气中水蒸气含量多少的程度,也就是空气潮湿的程度。
药物本身能否保持正常的含水量,与空气的湿度有密切关系。
普通药物的正常含水量约 10~20%。
如湿度过高,药物大量地吸收水分而使含水量增加(受潮),潮解,就容易发生霉烂变质现象。
湿度过低,容易使某些药物干裂、失润、风化等。
空气:空气含有多种成份,其中以氧气最容易与药物的某些成份发生化学变化,可导致变色、异味、分解,而影响其质量。
通常所见到的丹皮、黄精等的颜色变深,就是因为它们所含的鞣质、油质及糖分等与空气中的氧气接触发生变化而形成的。
光线:光线能直接引起或者促进中药材发生变色、分解、氧化等化学反应而致中药材变质。
其中日光对某些药材的色素和叶绿素有破坏作用,能使药材变色。
时间:药材贮藏时间过久,亦会变质失效。
中药仓库的建造要求中药仓库的修筑除应符合普通仓库的建造要求外,尚应特殊注意下列几点要求。
1 仓库的地面、墙壁应隔热、隔湿以保持室内的干燥,并减少库内湿度的变化。
中药材中药饮片进存销管理制度第一章总则第一条为规范中药材、中药饮片的进、存、销管理,保证产品的质量与安全,制定本管理制度。
第二条本管理制度适用于本公司从事中药材、中药饮片的进、存、销业务的全部环节。
第三条进、存、销业务人员应遵守国家相关法律法规及公司的各项管理制度,严格执行操作规程,不得私自改动。
第四条本管理制度的所有权和知识产权归本公司所有,未经允许不得进行复制或传播。
第二章进货管理第五条进货应按照公司的采购计划进行,必须严格按照国家法律法规及公司的相关规定进行,不得采用非法途径。
第六条进货人员应进行严格的供应商资质审核及产品质量把关,选择合格的供应商和产品进行采购。
第七条进货记录应详实可查,包括供应商名称、产品名称、规格、数量、进货日期、进货金额等内容。
第八条进货人员应及时整理进货资料,并将其存档备查。
第三章存储管理第九条公司应按照产品特性和存储条件的要求,对中药材、中药饮片进行分类存放,并制定相应的存储标准。
第十条存储地点应符合相关卫生、环境和安全要求,防止潮湿、阳光直射、有害气体等对产品造成损害。
第十一条存储区域应保持清洁、干燥,产品需有相应的包装进行二次封装,以防虫鼠侵入。
第十二条存储区域应制定定期清理和检查制度,确保存储环境和产品的整洁与安全。
第十三条存储记录应详实可查,包括产品名称、规格、数量、存储日期等内容。
第十四条存储人员应对存储区域的温湿度等环境指标进行监测,确保符合要求。
第四章销售管理第十五条销售应按照公司的销售计划进行,不得超出计划范围销售,防止滞销和过期。
第十六条销售人员应进行严格的客户资质审核,签订合同后方可进行销售,不得违反法律法规或公司规定。
第十七条销售记录应详实可查,包括客户名称、产品名称、规格、数量、销售日期、销售金额等内容。
第十八条销售人员应根据销售情况及时汇总销售数据,并进行销售分析。
第十九条销售人员应对客户进行定期回访,了解产品情况以及客户的意见和建议,及时处理和解决问题。
中药材和中药饮片的储存、养护管理制度云南XXX药业有限公司文件
文件名称:中药材和中药饮片的储存、养护管理制度编号: 起草部门:质管部起草人: 审核人: 批准人: 起草日期: 批准日期: 执行日期: 版本号: 变更原因:按2012年版GSP的规定进行修改执行
目的:为了加强对中药材和中药饮片的经营质量管理,严把中药材和中药饮片的储存养护关,确保人民群众的有药安全有效。
依据:《中华人民共和国药品管理法》、《2012版药品经营质量管理规范》适应范围:储运部门
内容:
1、中药材和中药饮片应与其他药品分开存放,中药材与中药饮片也应分库存放,
并按药材的自然分类或药用部位分开整齐排列摆放,并有明显标识。
2、中药仓库应有防尘、防潮、防霉、防污染以及防虫、防鸟、防鼠的设施设备,并有阴凉储藏的的设施或设备,尤其对含有糖份、蛋白质或油脂成份、芳香性易
挥发的中药材应加强阴凉干燥存放;对含淀粉质多的或易蛀的品种可进行药材的
对抗储藏;对易潮易霉变的药材或采取石灰缸干燥储存等办法。
3、每季度应对全部库存进行“三三四”制检查养护,并根据药材的不同特性,必要时需进行挑拣筛选,翻晒或烘烤、熏蒸等养护措施,并按规范要求做好养护
记录。
4、对于贵重药材、毒性药材、麻醉药材、易生虫、霉变、走油、吸潮的药材应
列入重点养护,重点养护的中药材和中药饮片每月都要进行检查养护,并做好重
点养护记录。
5、仓库储存的中药应无灰尘、无蛛网、无污垢、无鼠咬等现象,保持整洁、卫
生、干净。
中药饮片采购、验收、储存管理制度一、采购1. 供应商选择a. 根据需求确定合格供应商名单,供应商应具备合法资质和生产许可证。
b. 进行供应商调查,评估供应商的信誉度和质量管理水平。
c. 与供应商签订采购合同,明确双方责任和义务。
2. 采购流程a. 制定采购计划,根据库存情况和预测需求确定采购量。
b. 经过多方比较和谈判,确定采购产品的价格和交货时间。
c. 确认采购订单,发出采购通知。
d. 接受供应商的送货,并进行验收。
3. 采购记录a. 记录采购的产品名称、规格、数量、价格等信息。
b. 保留采购合同、订单、发票等相关文件。
二、验收1. 验收标准a. 外观质量:检查产品的外包装是否完好,无破损、变形等情况。
b. 内容成分:检查产品是否符合标准成分和质量要求。
c. 检测报告:依据相关检测标准和方法进行验收。
d. 其他:如生产日期、有效期、生产批号等信息是否清晰可读。
2. 验收程序a. 由专门的验收人员进行验收,严格按照验收标准操作。
b. 若发现不合格产品,及时向供应商反馈并处理。
3. 验收记录a. 记录验收日期、验收人员、验收结果等信息。
b. 如有不合格产品,记录问题描述、处理情况等。
三、储存管理1. 储存条件a. 根据产品的特性和要求,确定储存条件,如温度、湿度、光照等。
b. 严格控制储存环境,保证产品质量不受影响。
2. 储存操作a. 严格按照产品规定的储存条件进行存放,做到分类存放、定期清点。
b. 避免产品受潮、受阳光直射等情况。
3. 储存记录a. 记录产品的储存位置、进出库情况等信息。
b. 定期检查产品的保存情况,保证产品质量稳定。
四、管理制度1. 监督管理a. 设立管理人员负责中药饮片的采购、验收、储存等管理工作。
b. 定期对管理人员进行培训和考核,保证工作的规范性和准确性。
2. 风险防控a. 制定风险评估和应急预案,处理不合格产品的处理流程。
b. 配备专业人员处理中药饮片的问题,保证产品质量。
文件内容:1. 目的: (2)2. 适用范围: (2)3. 责任者: (2)4. 内容: (2)5.附录: (4)6.变更历史: (4)颁发部门:质量管理部分发部门:1.目的:建立中药材、中药饮片养护规程,规范养护工作,确保在库中药材、中药饮片的质量。
2.适用范围:适用于本公司中药材和中药饮片养护。
3.责任:中药材中药饮片仓库保管员。
4.内容:4.1中药材的在库检查4.1.1日常性检查:检查库区的清洁、干燥、通风、温湿度情况,仓库管理员每天两次(上午9:00-10:00时、下午3:00-4:00时)对库房内的温度和湿度进行监测并填写“温湿度记录”,发现异常及时处理、记录。
以确保满足物料或产品的贮存条件。
4.1.2定期检查。
4.1.2.1 每月对库存药材按“三三四”原则进行定期养护检查,在库药材每季度(3个月)要全部养护一次,第一个月养护总库存的30%,第二个月养护总库存的30%,第三个月养护总库存的40%。
切实保证中药材质量不受影响。
4.1.2.2每月从中药材垛的不同层位,抽取一定件数,破包查看有无受潮、虫蛀霉变、泛油等变质现象。
4.1.2.3中药材、中药饮片应按“物料贮存期及复验管理规程”(SMP-WL-004)规定执行,按标示的有效期或复验期进行贮存,对养护检查中发现质量可疑的中药材和中药饮片、由于异常原因可能出现质量问题的中药材和中药饮片,应通知质量管理部人员抽样,送质量检验部复验。
在复验期间应暂停发货,按待验管理,并根据复验结果进行处理。
4.2中药材、中药饮片的养护方法4.2.1清洁养护法:库区应保持清洁、干燥、通风的环境,经常对仓库周围环境进行清扫,清除污染物,使害虫没有藏身之处。
4.2.2通风法4.2.2.1利用库房内外空气流动变化,对比库内外温湿度,及时开启门窗、打开排风扇进行通风。
4.2.2.2药材含水量过高时采用翻垛通风的方法,以利于药材的除湿防霉、养护。
此法适用于多数动植物类药材,含结晶水易风化的药材不宜采用此法。
1.目的:规范中药材养护管理规程2.范围:所有中药材?3.责任:仓库管理员?质量部长?供应部部长?4.规程:4.1中药材贮存条件:4.1.1中药材必须包装完好,密封,防潮防水具有明显区分标记?4.1.2库房必须阴凉?通风?干燥?保持存放区清洁?4.1.3库房应具防止虫?鼠和其它小动物进入的措施?4.1.4库房设施齐全,水电畅通,消防器材完好?做好每天库房温湿度记录?4.2中药材应按定置管理的原则及有效贮存期对货位进行合理安排,对库房进行布局?4.2.2库存中药材应有明显的状态标志,合格,待验,分别用绿?黄等色标标明,且应存放在各自的区域中,不得相互混放?4.2.3不合格的中药材要有易于识别的明显标记?存放在不合格品库,并记录《不合格品台帐》?4.2.4近有效贮存期的中药材按有关“物料有效贮存期管理规程”执行?4.2.5中药材应分类,分批,离地存放?4.2.6对有温湿度及特殊要求的中药材,按规定条件贮存?4.2.7货物的存放要离墙?离地,货位间都必须留有一定距离,以能执行先进先出的发料原则?4.2.7.1垛与垛间距不少于50厘米?4.2.7.2垛与梁间距不少于30厘米?4.2.7.3垛与墙间距不少于50厘米?4.2.7.4垛与柱间距不少于30厘米?4.2.7.5垛与地面间距不少于10厘米?4.2.7.6库内主要通道宽度不少于200厘米?4.2.7.7水暖,散热器,供热管道与货垛的距离不少于30厘米?4.2.7.8照明灯具垂直下方与物料垛间距不少于50厘米?4.3中药材的养护:4.3.1库区要保持良好的通风状态,并随气候的变化,采取有效的措施,做好防冻?保暖?防署降温及除湿工作,以保证中药材在适宜的温湿度下贮存?4.3.2根据中药材的性质?特点和仓贮条件,对在库中药材应进行日常及定期的检查,保管养护,并随时调整养护方法和保管措施,应切实保证贮存的中药材无潮湿,霉变?虫蛀?鼠咬?污染,渗漏?挥发?破损?对近效期,有变质迹象的中药材,要加强巡查?。
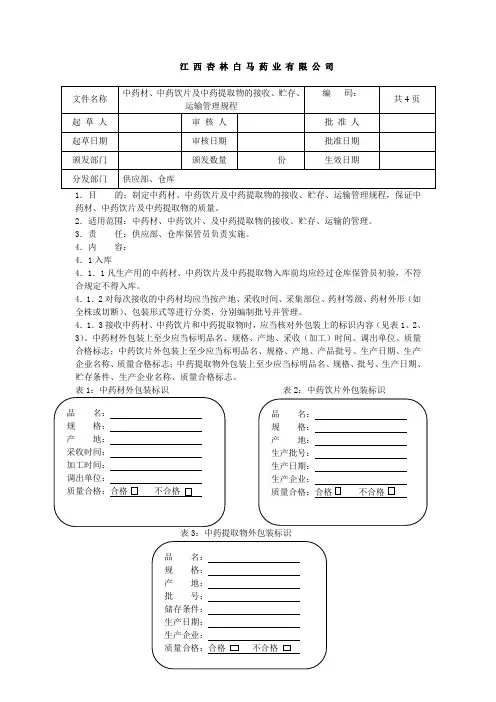
江西杏林白马药业有限公司1.目的:制定中药材、中药饮片及中药提取物的接收、贮存、运输管理规程,保证中药材、中药饮片及中药提取物的质量。
2.适用范围:中药材、中药饮片、及中药提取物的接收、贮存、运输的管理。
3.责任:供应部、仓库保管员负责实施。
4.内容:4.1入库4.1.1凡生产用的中药材、中药饮片及中药提取物入库前均应经过仓库保管员初验,不符合规定不得入库。
4.1.2对每次接收的中药材均应当按产地、采收时间、采集部位、药材等级、药材外形(如全株或切断)、包装形式等进行分类,分别编制批号并管理。
4.1.3接收中药材、中药饮片和中药提取物时,应当核对外包装上的标识内容(见表1、2、3)。
中药材外包装上至少应当标明品名、规格、产地、采收(加工)时间、调出单位、质量合格标志;中药饮片外包装上至少应当标明品名、规格、产地、产品批号、生产日期、生产企业名称、质量合格标志;中药提取物外包装上至少应当标明品名、规格、批号、生产日期、贮存条件、生产企业名称、质量合格标志。
表1:中药材外包装标识表2:中药饮片外包装标识表3:中药提取物外包装标识4.2 仓库的要求4.2.1.仓库内应当配备适当的设施,并采取有效措施,保证中药材、中药饮片及中药提取物按照法定标准的规定贮存,符合其温、湿度或照度的特殊要求,并进行监控。
4.2.2仓库须备有防虫、防鼠、通风、防火设施。
在仓库门内侧放置挡鼠板、库内放置鼠夹,库房门口安装灭蝇灯以防昆虫进入。
4.2.3做好各种仓库的温度和相对湿度的控制4.2.4中药仓库除符合一般仓库的要求外,还应注意以下几点要求:4.2.5仓库的地板和墙壁应是隔热、隔湿的,以保持室内的干燥,并减少库内温度的变化。
4.2.6通风性能良好,以散发中药材自身产生的热量,又是保持干燥的重要条件。
4.2.7密闭性好,避免空气流通而影响库内的湿度与温度,同时对防治害虫也有重要作用。
4.2.8建筑材料能抵抗昆虫、鼠的侵蚀。
4.2.9避免直射阳光的照射。
中药饮片储存管理制度为了加强医院中药饮片的保管和储存,保障临床用药安全、有效,根据《中华人民共和国药品管理法》、《医疗机构药事管理规定》和《医院中药饮片管理规范》等有关规定,制定本制度。
一、中药库房(一)应按照中药饮片储存条件的要求专库、分类储存,按温湿度要求储存于相应库中,易串味药品应单独存放。
(二)中药饮片应按其特性采取干燥、降氧、熏蒸等方法养护,根据实际需要采取防尘、防潮、防污染以及防虫、防鼠、防鸟等措施。
(三)储存药品应实行色标管理,待验区、退货区—黄色,合格区—绿色,不合格区—红色,并做到分别存放。
(四)正确选择仓位,合理使用仓容。
药品摆放应“五距”适当,合理、整齐、牢固。
“五距”指药品架与架之间的主通道距离不小于100厘米;架与墙的距离不小于30厘米;架与屋顶、灯的距离不小于30厘米;架与散热器的距离不小于30厘米;架与地面的距离不小于10厘米。
(五)中药饮片应定期采取养护措施,按季度对饮片全部巡检一遍。
夏防季节,即每年5—9月份,每月要将全部饮片检查,填写《中药饮片养护记录表》。
(六)发放药品时,坚持先产先出、近期先出和按批号发货的原则,经常检查效期药品的储存情况,对储存时间长的药品、近效期药品、易潮解霉变和避光储存药品、需冷藏药品应重点养护和检查,每季度至少检查一次,防止变质。
(七)特殊及贵细中药饮片储存要有专人、专库、专账管理,必须做到账、物相符,出现差错应及时查明原因,对有关人员严肃处理。
(八)根据季节气候变化,按中药饮片性能对温湿度的特殊要求,利用仓库现有条件和设备,采取密封、避光、通风、降温、除湿等措施,防止药品发生质量变化。
常温库(0—30℃),阴凉库(20℃以下),冷藏库(或冷藏箱)(2—10℃),库内相对湿度应保持在45—75%之间,库房要避免阳光直接照射。
每日(上午9时,下午16时)对库房温湿度检查并填写《库房/药房温湿度记录》。
(九)认真做好中药饮片储存、养护的其它相关记录,如《近效期药品报表》(附表3)、《不合格药品台帐》。
一、总则为加强中药饮片仓库的管理,确保中药饮片质量,保障患者用药安全,根据《中华人民共和国药品管理法》及相关法律法规,特制定本制度。
二、适用范围本制度适用于医院、药店等医疗机构和药品经营企业中药饮片仓库的管理。
三、职责1. 仓库管理员:负责中药饮片的收货、验收、储存、养护、发货等工作。
2. 质量管理员:负责中药饮片的质量检查、监督和记录。
3. 药学部门负责人:负责中药饮片仓库的全面管理工作。
四、管理制度1. 中药饮片入库管理(1)入库前,仓库管理员应核对药品名称、规格、批号、生产日期、有效期等信息,确保无误。
(2)验收合格的中药饮片,由仓库管理员按照规定堆码存放,并做好标识。
(3)入库后,质量管理员应进行质量检查,确保中药饮片符合质量标准。
2. 中药饮片储存管理(1)中药饮片应存放在阴凉、干燥、通风、避光的环境中,温度控制在20℃以下,湿度控制在35%-75%之间。
(2)不同品种、规格、批号的中药饮片应分开存放,避免混淆。
(3)贵重中药材应存放在专用保险柜内,并设置密码。
3. 中药饮片养护管理(1)仓库管理员应定期检查中药饮片,发现虫蛀、霉变、变质等问题,应及时采取措施处理。
(2)根据中药饮片特性,采取干燥、降氧、熏蒸、除湿等方法进行养护。
4. 中药饮片出库管理(1)出库前,仓库管理员应核对出库凭证,确保出库药品与凭证相符。
(2)出库时,仓库管理员应按照“先进先出”的原则进行操作。
(3)出库后,质量管理员应进行抽样检查,确保出库药品质量。
5. 文档管理(1)中药饮片入库、验收、养护、出库等记录应齐全,并妥善保存。
(2)记录应包括药品名称、规格、批号、生产日期、有效期、入库时间、出库时间、养护措施等信息。
五、监督检查1. 药学部门负责人应定期对中药饮片仓库进行检查,确保制度执行到位。
2. 质量管理员应定期对中药饮片进行质量检查,发现问题及时处理。
3. 对违反本制度的行为,应依法进行处理。
六、附则1. 本制度由药学部门负责解释。
中药饮片储存管理规范中药饮片是中医药领域中常用的药物形式之一,其质量直接影响着临床疗效。
为了确保中药饮片的质量和安全性,对其储存管理进行规范是非常重要的。
本文将从中药饮片储存管理规范的角度出发,为大家详细介绍中药饮片的储存管理要点。
一、储存环境1.1 温度:中药饮片的储存温度应保持在15-25摄氏度之间,避免受潮和受热。
1.2 湿度:储存环境的相对湿度应控制在50%-70%之间,避免中药饮片受潮发霉。
1.3 通风:储存室应保持良好的通风条件,避免中药饮片受潮、发霉或受到异味污染。
二、储存容器2.1 包装:中药饮片应在干燥、通风、无异味的环境中采用防潮、防虫的包装材料进行包装。
2.2 标识:每批中药饮片应有明确的标识,包括名称、批号、生产日期、保质期等信息。
2.3 分装:中药饮片可以根据需要进行分装,但分装后应重新做好标识,确保使用时能够准确识别。
三、储存管理3.1 定期检查:对中药饮片的储存环境进行定期检查,确保温湿度符合规定要求。
3.2 清理整理:定期清理储存室,保持整洁干净,避免灰尘、异物等污染中药饮片。
3.3 防虫防潮:采取有效措施防止虫害和潮湿,如放置防虫剂、湿度调节器等。
四、储存期限4.1 保质期:中药饮片的保质期一般为3年,超过保质期的中药饮片应及时淘汰。
4.2 入库管理:对新进的中药饮片进行入库登记和分类管理,确保先进先出原则。
4.3 监测检验:定期对中药饮片进行外观、气味、含水量等指标的监测检验,确保质量安全。
五、应急处理5.1 损坏处理:对发霉、受潮、异味等问题的中药饮片应及时处理,避免对其他药材造成污染。
5.2 报废处理:对超过保质期或质量受损的中药饮片应及时报废处理,避免误用。
5.3 记录备份:对中药饮片的储存管理情况进行详细记录备份,以备查证和追溯。
综上所述,中药饮片的储存管理规范对于确保中药饮片的质量和安全性具有重要意义。
只有严格遵守相关规定,才能有效保障中药饮片的质量,提高临床疗效,保障患者用药安全。
中药饮片贮存管理规章制度第一条为规范中药饮片的贮存管理,确保其品质和药效,加强对中药饮片的贮存过程进行监督和管理,促进中药饮片的合理利用,根据《中药饮片贮存管理规定》,制定本规章制度。
第二条本规章适用于中药饮片的贮存管理工作,包括中药饮片的接收、贮存、保管、检验、出库和记录等工作。
第三条贮存场所应符合国家卫生标准,通风干燥,避免阳光直射和雨淋,防止异味侵入,禁止在贮存场所内存放有毒有害物品。
第四条对于接收的中药饮片要进行入库登记,登记内容包括货号、品名、规格、批号、生产日期、有效期等信息。
第五条中药饮片在贮存过程中要分类存放,按品种、批号、生产日期等进行分堆、分层存放,保持通道畅通,杜绝混装混放。
第六条对中药饮片的贮存环境要进行定期检查,保持温度、湿度、通风等环境指标符合要求,如有异常应及时处理。
第七条对中药饮片的保质期要进行严格控制,过期的中药饮片应及时报废处理,严禁混用。
第八条对中药饮片要进行定期检测,检验项目包括外观、气味、含水量、残留农药等,确保中药饮片的质量符合药典标准。
第九条中药饮片的出库需经过负责人审批,出库记录要真实、完整,包括出库日期、出库品种、数量等信息。
第十条对中药饮片的贮存管理要进行档案记录,记录内容包括入库登记、贮存环境检测、质量检测、出库记录等信息,保留时间为不少于5年。
第十一条对违反本规章制度的人员要进行严格的追责处理,可以采取警告、记过、降级等处罚措施。
第十二条本规章制度自发布之日起生效,如有调整或修改均需经过负责人批准,并进行公告通知。
中药饮片作为传统中药制剂的一种,具有广泛的应用价值,中药饮片的贮存管理是确保其质量和药效的重要环节。
本规章制度的制定旨在规范中药饮片的贮存管理工作,保证中药饮片的品质和安全性,促进中药饮片的合理利用,提高中药饮片的贮存管理水平。
中药材和中药饮片的储存
养护管理规定
This model paper was revised by the Standardization Office on December 10, 2020
云南XXX药业有限公司文件
目的:为了加强对中药材和中药饮片的经营质量管理,严把中药材和中药饮片的储存养护关,确保人民群众的有药安全有效。
依据:《中华人民共和国药品管理法》、《2012版药品经营质量管理规范》
适应范围:储运部门
内容:
1、中药材和中药饮片应与其他药品分开存放,中药材与中药饮片也应分库存放,并按药
材的自然分类或药用部位分开整齐排列摆放,并有明显标识。
2、中药仓库应有防尘、防潮、防霉、防污染以及防虫、防鸟、防鼠的设施设备,并有阴
凉储藏的的设施或设备,尤其对含有糖份、蛋白质或油脂成份、芳香性易挥发的中药材应加强阴凉干燥存放;对含淀粉质多的或易蛀的品种可进行药材的对抗储藏;对易潮易霉变的药材或采取石灰缸干燥储存等办法。
3、每季度应对全部库存进行“三三四”制检查养护,并根据药材的不同特性,必要时需
进行挑拣筛选,翻晒或烘烤、熏蒸等养护措施,并按规范要求做好养护记录。
4、对于贵重药材、毒性药材、麻醉药材、易生虫、霉变、走油、吸潮的药材应列入重点
养护,重点养护的中药材和中药饮片每月都要进行检查养护,并做好重点养护记录。
5、仓库储存的中药应无灰尘、无蛛网、无污垢、无鼠咬等现象,保持整洁、卫生、干
净。
目的:为有效地对中药材、中药饮片进行养护以确保其质量、降低损耗、保障用药安全有效,制定本规程。
范围:适用于在库储存的中药材、中药饮片的养护。
责任:中药养护员、保管员负责实施本规程。
内容:
1、中药养护员应根据中药材和中药饮片的特性和包装制定养护计划。
其计划还应根据本地四、五、六月气候潮湿易引起药品霉变,易引起生虫,高温条件下容易泛油的气候条件予以制定,确保养护计划具有针对性。
2、按照中药材和中药饮片的特性,采取冷藏、干燥、熏蒸等方法养护。
对容易发生霉变、生虫以及泛油的中药材和中药饮片,应至少每周进行一次养护检查,其他药品的养护周期不得少于3个月一次。
3、中药饮片在库养护检查内容一般为:含水量、虫蛀、霉变、泛油等项目。
4、常用的中药养护方法:
A.采取晾晒、通风、干燥、吸湿、熏蒸等方法防霉变、腐烂;
B.通过暴晒、加热、冷藏、熏蒸等方法防虫害;
C.使用传统密封法、降温等方法防挥发,将中药材、中药饮片与外界影
响其变质因素隔离,保持其本身质量;
D.通过避光、降温等方法防变色、泛油。
5、对包装严密的中药饮片,不宜采用熏蒸、加热等方法,应采用冷藏、避光等有效的养护措施。
6、建立中药材和中药饮片的养护记录,内容包括:存放货位、商品编码、商品品名、通用名称、包装单位、规格、批准文号、批号、库存数量、生产
日期、有效期限、生产厂商(中药产地)储存条件,养护方法、养护日期、养护员等。
中药饮片储存与养护管理中药饮片经加工炮制后的特点:1、稳定性降低2、规格增多3、流动量大养护原则:应根据药材、饮片品种的性能有目的地展开防护措施,贯彻“以防为主、防治结合”的方针一、常见植物饮片的特性(一)、富含淀粉类饮片(来源于植物的根及块状茎、果实或种子部位,含丰富的淀粉,质地粉性)1、强淀粉饮片有白芷、山药、贝母、天花粉、葛根、泽泻、防己、赤勺、重楼、北沙参、南沙参、何首乌、太子参、天葵子、金果兰、白术、大黄、猫爪草、薏苡仁、芡实、浮小麦、白扁豆、乌豆、赤小豆、刀豆、麦芽、神曲、娑罗子、决明子、皂角、胖大海、预知子、莲子等。
2、弱淀粉饮片有三棱、莪术、防风、白蔹、白芍、银柴胡、千年健、藕节、仙茅、红大戟、木瓜、桔核、金樱子、槐角、荔枝核、桑椹、冬瓜子、车前子、葶苈子、菟丝子、楮实子、韭菜子、青葙子、急性子等。
(二)含糖份和油脂类饮片(来源于植物的根及根茎、果实或种子部位,含糖类或油脂成分)党参、当归、天冬、麦冬、黄精、玉竹、牛膝、木香、独活、远志、桔梗、板蓝根、明党参、地黄、熟地黄、玄参、百部、紫苑、前胡、白芨、薤白、天麻、巴戟天、肉苁蓉、锁阳、桃仁、苦杏仁、柏子仁、郁李仁、火麻仁、酸枣仁、栝楼、栝楼子、枸杞、使君子、芥子、莱菔子、紫苏子、大枣、龙眼肉、黑芝麻、栀子等。
(三)、纤维性和木质化类饮片此类饮片来自植物的根、根茎、茎、或皮部,富含纤维或已经木质化,有较强的韧性或硬度黄芪、甘草、麻黄、石斛、槲寄生、关木通、芦根、白茅根、知母、秦九、柴胡、丹参、续断、黄芩、黄柏、苦参、北豆根、石菖蒲、乌药、升麻、贯众、漏芦、鸡血藤、桑白皮、地骨皮、香加皮、秦皮、杜仲、椿皮、白鲜皮等。
(四)花与芳香类饮片(多含挥发油)有花、叶、全草、果实、种子、根皮丁香、菊花、辛夷、金银花、玫瑰花、月季花、红花、厚朴花、代代花、木槿花、葛花、旋覆花、密蒙花、蒲黄、松花粉、薄荷、荆芥、广藿香、紫苏叶、香薷、细辛、青蒿、茵陈、鱼腥草、败酱草、艾叶、吴茱萸、枳壳、枳实、陈皮、青皮、佛手、香橼、川芎、藁本、干姜、高良姜、苍术、山奈、沉香、檀香、降香、厚朴、肉桂、桂枝、牡丹皮、等(五)、叶和全草类饮片大青叶、桑叶、桔叶、蒲公英、地丁、车前草、马齿见、垂盆草、鹅不食草、墨旱连、半边莲、扁蓄、浮萍、透骨草等。
中药材、中药饮片操作规程1 目的建立中药材、中药饮片养护操作规程,规范中药材养护、确保药材质量稳定。
2 适用范围适用于中药材及中药饮片养护。
3 职责物流部经理、仓库保管员、QA。
4内容4.1 对入库各中药材按其是否为净药材及温湿度要求分别储存于相应的中药库中:4.1.1 阴凉库(温度20℃以下,相对湿度45%-70%)。
4.1.1.1 中药材阴凉库用于贮存需要阴凉贮存的中药材。
4.1.1.2 净药材阴凉库用于贮存需要阴凉贮存的净药材。
4.1.2 常温库(温度0℃-30℃,相对湿度45%-67%)。
4.1.2.1 中药材库用于贮存不需要阴凉贮存的中药材。
4.1.2.2 净药材库用于贮存不需要阴凉贮存的净药材。
4.1.3 须贮存于阴凉库的药材:标准规定存贮条件为阴凉贮藏的药材。
4.1.4 贮存于常温库的药材:除要求阴凉贮藏及特殊药材贮存以外的其它中药材。
4.1.5 对易串味的药材要用塑料袋密封保存。
4.2 堆放要求:牢固、整齐、无明显倾斜,药材必须堆放于垫物架上,并符合“六距”要求;垛距不少于0.4米,梁距不少于0.3米,墙距不少于0.5米,底距不少于0.1米,顶距不少于0.5米。
4.3 库区管理要求4.3.1 保持库区、用具、运输工具、器材等的干燥、清洁。
4.3.2 应做好库房温、湿度的监测和管理。
4.3.2.1 每日上午9:45-10:15,下午14:00-14:30对库房温、湿度进行记录。
4.3.2.2 如库房温湿度过高时,可选择适宜气候进行通风、或开空调以调节温湿度。
4.3.3 应每日巡视养护,确保无潮解、无霉变、无虫蛀、无鼠咬等现象,质量保持良好。
4.3.4 要执行“先进先出、易变先出”的原则,要加强检查,防止质变。
4.3.5 质量变异、失效药品要单独存放,按规定挂上明显标志,及时处理。
4.4 中药饮片的贮存4.4.1 中药饮片的储存的一般通则4.4.1.1 中药饮片应按炮制日期,先进先出,以免储存日久,发生变质。
起草:日期:审核:日期:批准:日期:生效日期:拷贝号:变更记载:变更原因及目的:修订号批准日期生效日期010203生产技术部[ ]份质量管理部[ ]份业务部[ ]份分发部门综合部[ ]份财务部[ ]份物料和产品贮存养护管理规程1.目的建立一个库房物料和中药饮片储存、养护的管理规程。
2.责任生产技术部负责本规程的编制和修订。
库管员负责按照本规定对物料和中药饮片进行贮存养护;质量管理部负责对本规程的实施进行监督。
3.适用范围本标准适用于业务部库房内中药材、辅料、包装材料、中药饮片(包括退回品)等的贮存养护管理。
4.内容4.1.库房存放的范围4.1.1.合格物料:经检验合格的中药材、辅料、包装材料、中药饮片以及退料、退回的合格中药饮片等。
4.1.2.不合格物料:经检验不合格的中药材、辅料、包装材料、中药饮片;退回的质损物料;退回的不合格中药饮片。
4.1.3.待验物料:寄库等待检验的中药材、辅料、包装材料、中药饮片等。
4.1.4.入库的中药饮片应存放在中药饮片库。
4.2.物料码放4.2.1.物料搬运、堆垛等作业,严格按商品外包装标识的要求,轻拿轻放,严禁摔撞。
4.2.2.物料按不同类别、不同品种、不同规格、不同批号分类分区定置码放于洁净的货架上:原辅料、包装材料、中药饮片定置码放;退回中药饮片放入退回品区;不合格品存入不合格品区;挥发性物料密闭贮存;需要常规温度和阴凉温度的物料和中药饮片分库存放,易串味的中药材或中药饮片应专库(专柜)存放。
4.2.3.按《物料状态标志管理规程》,以货位为单位,挂放标志牌,并有相应的《货位卡》,如实记录该货位物料的情况。
4.2.4.货物码放符合规定距离垛与垛间距不少于10厘米;垛与梁间距不少于30厘米;垛与墙间距不少于30厘米;垛与柱间距不少于30厘米;垛与地面间距不少于10厘米;保持库区内道路通畅,货垛与库区内设备、设施保持一定距离,离电器、消防设施不少于50厘米,离灯垂直距离不少于30厘米。
中医饮片存储管理制度一、中医饮片存储管理制度的编制目的中医饮片存储管理制度是为了规范中医饮片的存储、保管和管理工作,确保中医饮片的质量和安全,保障患者用药安全。
此管理制度的编制目的主要有以下几点:1. 防止中医饮片受潮、受潮、曝晒等不良因素影响,导致质量下降。
2. 提高中医饮片的管理水平,确保中医饮片的药效。
3. 规范中医饮片的存储环境和管理措施,有效预防中医饮片的污染和误用。
4. 建立中医饮片存货信息系统,提高库存管理效率。
5. 降低医院、医药企业和中药房的风险,提供患者安全有效的药品。
二、中医饮片存储管理制度的内容中医饮片存储管理制度的内容应包括以下几个方面:1. 中医饮片的存储环境要求:包括存储温度、湿度、通风、光线等要求,确保中医饮片的质量。
2. 中医饮片的包装和标识要求:包括包装材料、标签内容、保质期等要求,规范中医饮片的包装和标识。
3. 中医饮片的存储管理人员的岗位职责:包括存储管理人员的职责、权利和义务等,明确中医饮片的存储管理责任。
4. 中医饮片的进货、验收和入库:包括进货流程、验收标准、入库记录等,确保中医饮片的质量。
5. 中医饮片的出库和发放:包括出库流程、发放标准、记录管理等,确保中医饮片的安全使用。
6. 中医饮片的库存管理和盘点:包括库存管理制度、盘点程序、日常管理等,提高中医饮片的管理效率。
7. 中医饮片的质量控制和追溯体系:包括质控体系、追溯制度等,确保中医饮片的质量可控。
8. 中医饮片的报废处理:包括报废标准、处理程序、记录管理等,保证中医饮片的安全处理和管理。
三、中医饮片存储管理制度的执行中医饮片存储管理制度的执行是中医饮片存储管理工作的关键。
为了确保中医饮片存储管理制度的有效执行,应采取以下措施:1. 切实落实中医饮片存储管理制度,明确存储环境、包装和标识要求,确保中医饮片质量。
2. 严格执行中医饮片的进出库管理制度,加强对中医饮片的质量认证和验收工作。
3. 定期组织中医饮片的库存盘点,做好库存管理和记录工作,及时调整库存数量。
中药材原辅料中药饮片存放管理规程
————————————————————————————————作者:————————————————————————————————日期:
文件名称 中药材、中药饮片及中药提取物的接收、贮存、
运输管理规程 编 码:
共4页 起 草 人 审 核 人 批 准 人 起草日期
审核日期 批准日期 颁发部门
颁发数量
份
生效日期
分发部门
供应部、仓库
1.目 的:制定中药材、中药饮片及中药提取物的接收、贮存、运输管理规程,保证中
药材、中药饮片及中药提取物的质量。
2.适用范围:中药材、中药饮片、及中药提取物的接收、贮存、运输的管理。
3.责 任:供应部、仓库保管员负责实施。
4.内 容: 4.1入库
4.1.1凡生产用的中药材、中药饮片及中药提取物入库前均应经过仓库保管员初验,不符合规定不得入库。
4.1.2对每次接收的中药材均应当按产地、采收时间、采集部位、药材等级、药材外形(如全株或切断)、包装形式等进行分类,分别编制批号并管理。
4.1.3接收中药材、中药饮片和中药提取物时,应当核对外包装上的标识内容(见表1、2、3)。
中药材外包装上至少应当标明品名、规格、产地、采收(加工)时间、调出单位、质量合格标志;中药饮片外包装上至少应当标明品名、规格、产地、产品批号、生产日期、生产企业名称、质量合格标志;中药提取物外包装上至少应当标明品名、规格、批号、生产日期、贮存条件、生产企业名称、质量合格标志。
表1:中药材外包装标识 表2:中药饮片外包装标识
表3:中药提取物外包装标识
品 名: 规 格: 产 地: 采收时间: 加工时间:
品 名: 规 格: 产 地: 生产批号: 生产日期:
品 名: 规 格: 产 地:
4.2 仓库的要求
4.2.1.仓库内应当配备适当的设施,并采取有效措施,保证中药材、中药饮片及中药提取物按照法定标准的规定贮存,符合其温、湿度或照度的特殊要求,并进行监控。
4.2.2仓库须备有防虫、防鼠、通风、防火设施。
在仓库门内侧放置挡鼠板、库内放置鼠夹,库房门口安装灭蝇灯以防昆虫进入。
4.2.3做好各种仓库的温度和相对湿度的控制
4.2.4中药仓库除符合一般仓库的要求外,还应注意以下几点要求:
4.2.5仓库的地板和墙壁应是隔热、隔湿的,以保持室内的干燥,并减少库内温度的变化。
4.2.6通风性能良好,以散发中药材自身产生的热量,又是保持干燥的重要条件。
4.2.7密闭性好,避免空气流通而影响库内的湿度与温度,同时对防治害虫也有重要作用。
4.2.8建筑材料能抵抗昆虫、鼠的侵蚀。
4.2.9避免直射阳光的照射。
4.2.10建立冷库。
4.2.11应具备一些必要的现代仓贮设备、控调设备、装卸搬运设备、防毒与灭火消防等设备。
4.2.12重视中药提取物在贮藏过程中对微生物污染的控制,有实时监控措施,保证中药提取物的贮藏条件符合温度、湿度要求。
仓库温度和湿度要求
4.3贮存保管
4.3.1 各种在库贮存物料,应有明显的状态标志,待验、合格、不合格物料的货位要严格分开,并分别用黄色、绿色、红色标明。
4.3.2 物料应分库存放,并应制定相应的贮存管理规定。
4.3.3 中药饮片应当贮存在单独设置的库房中;贮存鲜活中药材应当有适当的设施(如冷藏设施)。
4.3.4 毒性和易串味的中药材和中药饮片应当分别设置专库(柜)存放。
4.3.5对有温度、湿度及特殊要求的物料、中间产品和成品,应按规定条件贮存。
4.3.6贵细药材应专库和专柜加锁存放;鲜活药材应在低温冷库内存放。
4.3.7炮制、整理加工后的净药材应使用洁净容器或包装(如密封于洁净塑料袋内),并存放在净料库内或中转库内,不得与未加工,炮制的药材同库存放;直接用于制剂的中药净粉应专库存放,并采用双层洁净包装。
4.3.8中药材、中药饮片入库后应根据气候情况和特殊品种进行定期或不定期的检查;发现问题,及时处理,以减少损失和防止蔓延。
附表4:中药材、中药饮片的分类储存
序号物料名称贮藏库房要求
1 重点养护品种建筑结构好、干燥、凉爽、四周整洁、温湿度管理严格、具有药剂熏蒸的条件和设备的库房
仓库类型温度控制相对湿度中药材、中药饮片库0℃~30℃45~75%
中药材阴凉库0℃~20℃45~75%
冷库(中药提取物)2℃~10℃45~75%
2 花类品种干燥防潮、湿度严格控制的库房,必要的固定吸潮容器进行吸潮,或采取小件确氧充氮等方法进行保管。
3 全草及地上部分品种干燥、通风、防潮的库房
4 盐腌品种阴凉、防潮隔潮的库房
5 鲜活品种要有特殊的储存条件: 冷库内存放
6 动物类药材干燥、密封、四周整洁、无虫无鼠、具有药剂熏蒸的条件和设备的库房
7 矿石贝壳类药材储存于一般的库房内
8 贵细药材专库(或专柜)存放,严格管理
9 毒性药材专柜加锁,并按“毒性、贵细、精神类药物的验收、保管、发放、使用管理制度”进行管理
10 易燃品种按照消防管理要求储存在危险品库
4.4养护
4.4.1贮存的中药材和中药饮片应当定期养护管理,仓库应当保持空气流通,应当配备相应的设施或采取安全有效的养护方法,防止昆虫、鸟类或啮齿类动物等进入,防止任何动物随中药材和中药饮片带入仓储区而造成污染和交叉污染。
4.4.2温湿度管理
在库房空气流通的位置设置温、湿度计,每日上午、下午各一次,做温湿度记录。
当温、湿度超过规定范围时,应立即采取相应措施,使其恢复到规定的范围内。
4.4.3养护技术
养护技术
养护技术概念、优点、适用范围
干燥养护技术干燥可以除去中药材中过多的水分,同时可杀死霉菌、害虫及虫卵,起到防治虫、霉,久贮不变质的效果。
干燥方法采用摊晾法、高温烘燥法、石灰干燥法、翻垛通风法。
冷藏养护技术采用低温(2℃以上,10℃以下)贮存中药材,可以有效地防止不宜烘、晾中药材的生虫、发霉、变色等变质现象。
埋藏养护技术采用石灰埋藏法、砂子埋藏法。
化学药剂养护药物防治就是利用无机或有机化学药物来抑制霉、虫的生长和繁殖。
主要有硫黄熏蒸法、磷化铝熏蒸法。
对抗同贮养护对抗同贮也称异性对抗驱虫养护,是利用不同品种的中药材所散发的特殊气味、吸潮性能或特有驱虫去霉化学成分的性质来防止另一种中药材发生虫、霉变质等现象的一种贮藏养护方法。
4.4.3中药材、中药饮片的养护
中药材、中药饮片的养护
序号种类贮藏条件
1 根及根茎类药材防虫、防霉
2 叶、花、全草类药材阴凉干燥、防虫、防霉、避光
3 果实及种子类药材防潮、防虫、防霉
4 茎、皮类药材防虫、防霉
5 菌类药材防虫、防霉
6 动物类药材防潮、防热、防虫、防鼠、防霉、避光、低温阴凉
4.5循环质量检查
4.5.1.对库存中药材、中药饮片每月进行循环检查一次,同时做好仓库养护记录。
4.5.2.检查项目
4.5.3状态标志是否明显,有无贴错、漏贴情况。
4.5.3物料的存储、码放是否正确,有无混批、上、下颠倒等现象;货架分区是否符合要求。
4.5.4 清点物料、数量,检查帐、物、卡是否相符。
4.5.5检查物料包装情况,是否变形、包装有无破损、有无进水发霉现象。
4 5.6货架、地面是否清洁干净,货位摆放是否整齐、合理。
4.5.7库房安全设施是否有效、好用。
4.5.8处理办法:
4.5.8.1发现物料、存储中存在问题,应立即纠正。
4.5.8.2发现帐、物、卡不相符情况时,要及时查找原因。
4.5.8.3在质量检查时,对其他如外观变化、进水发霉等应进行复验,填写申请复验单,交质量保证部检验。
质量保证部必要时向公司负责人汇报。
4.5.8.4已发现有质量问题申请复验的品种,应暂停出库,挂待验标志,待质量部门检验完
毕,收到报告单后换上相应标志。
对已到复验周期的产品及物料应及时请验,及时处理。
二、运输
在运输过程中,应当采取有效可靠的措施,防止中药材和中药饮片、中药提取物发生变质。