铁路货车轮轴简介(二)车轴
- 格式:ppt
- 大小:1.44 MB
- 文档页数:25
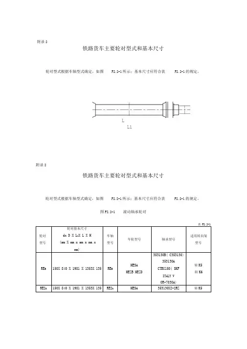
铁路货车主要轮对型式和基本尺寸(总8页)-CAL-FENGHAI.-(YICAI)-Company One1-CAL-本页仅作为文档封面,使用请直接删除附录2铁路货车主要轮对型式和基本尺寸轮对型式根据车轴型式确定,如图F2.2-1所示;基本尺寸应符合表F2.2-1的规定。
附录2铁路货车主要轮对型式和基本尺寸轮对型式根据车轴型式确定,如图F2.2-1所示;基本尺寸应符合表F2.2-1的规定。
图 F2.2-1 滚动轴承轮对表F2.2-1铁路货车车轴型式、基本尺寸和理化性能F2.3.1 车轴型式和基本尺寸车轴型式如图F2.3—1所示,基本尺寸应符合表F2.3-1的规定。
表 F2.3-1铁路货车车轮型式、基本尺寸和理化性能F2.4.1 车轮型式和基本尺寸F2.4.1.1 符合标准TB/T2817-1997的辗钢整体车轮型式如图F2.4-1所示,基本尺寸应符合表F2.4-1的规定。
表 F2.4-1F2.4.1.2 符合TB/T1013-1999标准的铸钢整体车轮型式如图F2.4-2所示,基本尺寸应符合表F2.4-2的规定。
F2.4-2 TB/T1013-1999标准的铸钢整体车轮型式表2.4-2F2.4.1.3 符合GB/T8601-1988标准的辗钢整体车轮型式如图F2.4-3所示,基本尺寸应符合表F2.4-3的规定。
图F2.4-3 GB /T 8601-1988标准的辗钢整体车轮表 F2.4-3F2.4.2 车轮的理化性能F2.4.2.1 车轮的化学成分F2.4.2.1.1 (TB /T2817—1997)车轮的化学成分(熔炼分析)应符合表F2.4-4的规定。
表F2.4-4注:Cr 、Ni、Cu 的含量均不大于0.25%,且Cr+Ni+Cu 不大于0.50%。
F2.4.2.1.2 (TB /T1013—1999)车轮的化学成分(熔炼分析)应符合表F2.4-5的规定。
表F2.4-5F2.4.2.1.3 (GB/T 8601-1988)车轮的化学成分(熔炼分析)应符合表F2.4-6的规定。
科技与创新┃Science and Technology&Innovation2019年第20期文章编号:2095-6835(2019)20-0078-02铁路货车车辆轮轴信息自动识别技术的探讨与分析郭志洪(大秦铁路股份有限公司湖东车辆段,山西大同037300)摘要:铁路货车车辆轴端及轴承标志板信息在轮轴检修中存在无法识别或识别错误的问题,直接影响轮轴检修及车辆运行安全。
研制轮轴信息自动识别系统,可以识别轴端信息及识别标志板信息,并可以将信息自动上传到服务器端数据库,通过程序实现工序卡控、时间卡控等功能,控制轮轴出库时的质量,提高作业人员工作效率,降低不合格轮轴出现的概率。
关键词:车辆轴承;轴端;标志板;自动识别中图分类号:U279文献标识码:A DOI:10.15913/ki.kjycx.2019.20.0321引言铁路货车车辆轮轴在检修过程中,轮轴轴端上有相关信息,这些信息代表了车辆轮轴的编码,安装滚动轴承的轮轴还有轴承标志板,这些信息在车辆轮轴检修过程中都需要人工识别核对,以确保每条轮轴检修的有序管理。
轮轴结构组成如图1所示。
1—车轴;2—车轮;3—轴承。
图1轮轴结构组成1.1轮轴轴端车轴标记滚动轴承车轴在车轴两端面上,以轴端中心孔中心与轴端三个螺栓孔中心的假想线及其延长线将轴端三等分,构成三个扇区。
车轴标记要按规定刻打在某一扇区内,车轴钢冶炼熔炼号,阿拉伯数字,比如931128,字体高7mm。
信息还包括钢种汉语拼音标记、锻造单位代号、年月、轴号、轴型、超声标记。
1.2滚动轴承标志板标记轴承的标志板共分A、B、C、D四栏。
A栏:轴承首次装用年月,等级轴承标记,轴承制造(大修)单位代号,轴承分类代号。
B栏:轮对第一次组装年月日,左,轴号。
C栏:轴承本次装用年月日。
D栏:轴承本次装用单位代号,一般检修单位代号,一般检修符号。
2存在的问题轮轴信息需要人工识别,车辆经过长时间运行,有些轴端信息及轴承标志板中标记数字会有模糊或生锈,会造成无法识别或识别错误,直接影响轮轴检修流水线的作业效果。
我国铁路车辆轮轴发展综述
我国铁路车辆轮轴是铁路运输中不可或缺的重要部件,它负责承载车辆重量并传递动力,是铁路运输的保障。
随着我国经济的不断发展和铁路运输的不断完善,铁路车辆轮轴的发展也取得了长足的进步。
早在20世纪初,我国就开始自主生产轮轴,但由于技术水平不高,质量较差,需要经常更换。
改革开放后,我国引进了国外先进的轮轴生产技术,同时加强了科研力量,不断提高轮轴的质量和性能。
目前,我国的铁路车辆轮轴已经具备了一定的自主生产能力,并且拥有了一批高水平的轮轴制造企业。
近年来,随着铁路高铁化的不断推进,对铁路车辆轮轴的要求也越来越高。
新一代高速列车需要更加高端的轮轴,以满足高速、高负荷的运行需求。
同时,对于普通列车,也需要更加耐磨、耐久的轮轴,以降低运营成本。
未来,我国铁路车辆轮轴的发展仍然具有很大的潜力。
随着铁路运输的进一步完善和发展,铁路车辆轮轴的技术水平和制造能力也将不断提高,为我国铁路事业的发展做出更大的贡献。
- 1 -。
精心整理附录2铁路货车主要轮对型式和基本尺寸轮对型式根据车轴型式确定,如图F2.2-1所示;基本尺寸应符合表F2.2-1的规定。
附录2铁路货车主要轮对型式和基本尺寸轮对型式根据车轴型式确定,如图F2.2-1所示;基本尺寸应符合表F2.2-1的规定。
表F2.2-1F2.3.1车轴型式和基本尺寸车轴型式如图F2.3—1所示,基本尺寸应符合表F2.3-1的规定。
图F2.3-1滚动轴承车轴F2.3-1F2.4.1车轮型式和基本尺寸F2.4.1.1符合标准TB/T2817-1997的辗钢整体车轮型式如图F2.4-1所示,基本尺寸应符合表F2.4-1的规定。
图F2.4-1TB/T2817-1997标准的辗钢整体车轮F2.4-2TB/T1013-1999标准的铸钢整体车轮型式表2.4-2图F2.4-3GB /T 8601-1988标准的辗钢整体车轮外径 轮辋内侧内径D 1 轮辋外侧内径D 2轮毂孔径d 0轮毂外径 D 3710 710 138 241 170 273 186 279 F2.4.2.1.1(TB /T2817—1997)车轮的化学成分(熔炼分析)应符合表F2.4-4的规定。
表F2.4-4注:Cr 、Ni 、Cu 的含量均不大于0.25%,且Cr+Ni+Cu 不大于0.50%。
F2.4.2.1.2(TB /T1013—1999)车轮的化学成分(熔炼分析)应符合表F2.4-5的规定。
表F2.4-5表F2.4-6注:Cr、Ni、Cu的含量均不大于0.25%。
F2.4.2.2车轮的机械性能表F2.4-7表F2.4-8表F2.4-9标准。
图F2.4-4车轮轮缘踏面(LM型)外形示意图。
附录2铁路货车主要轮对型式和基本尺寸轮对型式根据车轴型式确定,如图F2.2-1所示;基本尺寸应符合表F2.2-1的规定。
附录2铁路货车主要轮对型式和基本尺寸轮对型式根据车轴型式确定,如图F2.2-1所示;基本尺寸应符合表F2.2-1的规定。
图F2.2-1 滚动轴承轮对表F2.2-1附录3铁路货车车轴型式、基本尺寸和理化性能F2.3.1 车轴型式和基本尺寸车轴型式如图F2.3—1所示,基本尺寸应符合表F2.3-1的规定。
图F2.3-1 滚动轴承车轴表F2.3-1附录4铁路货车车轮型式、基本尺寸和理化性能F2.4.1 车轮型式和基本尺寸F2.4.1.1 符合标准TB/T2817-1997的辗钢整体车轮型式如图F2.4-1所示,基本尺寸应符合表F2.4-1的规定。
图F2.4-1 TB/T2817-1997标准的辗钢整体车轮表F2.4-1F2.4.1.2 符合TB/T1013-1999标准的铸钢整体车轮型式如图F2.4-2所示,基本尺寸应符合表F2.4-2的规定。
F2.4-2 TB/T1013-1999标准的铸钢整体车轮型式表2.4-2F2.4.1.3 符合GB/T8601-1988标准的辗钢整体车轮型式如图F2.4-3所示,基本尺寸应符合表F2.4-3的规定。
图F2.4-3 GB/T 8601-1988标准的辗钢整体车轮表F2.4-3F2.4.2 车轮的理化性能F2.4.2.1 车轮的化学成分F2.4.2.1.1 (TB/T2817—1997)车轮的化学成分(熔炼分析)应符合表F2.4-4的规定。
表F2.4-4注:Cr、Ni、Cu的含量均不大于0.25%,且Cr+Ni+Cu不大于0.50%。
F2.4.2.1.2 (TB/T1013—1999)车轮的化学成分(熔炼分析)应符合表F2.4-5的规定。
表F2.4-5F2.4.2.1.3 (GB/T 8601-1988)车轮的化学成分(熔炼分析)应符合表F2.4-6的规定。
第六篇附则1本规则是铁路货车轮轴造修、轮对组装和轴承检修、压装产品质量检查及验收的基本依据,必须全面落实,严格执行。
遇有本规则的规定不明确时,轮轴及零部件造修单位应在保证运用安全、可靠、使用寿命,并且不低于本规则相关的技术标准和要求的前提下,由轮轴及零部件造修单位和铁道部(铁路局)驻车辆验收室共同研究,制订相应的技术标准。
遇有重大问题须逐级上报铁道部。
2本规则的解释、修改权属铁道部运输局。
3本规则自发布实施之日起施行。
原《铁路货车轮对和滚动轴承组装及检修规则》(铁辆[1998]2号)同时废止。
附件1术语解释F1.1轮轴:指已压装(组装)滚动轴承的轮对,具有承载和走行的功能。
本规则中也作为轮轴零部件的总称。
F1.2轮对:由一根车轴和两个车轮采取过盈配合,经冷压装组成的整体铁路部件,轮对分为滚动轴承轮对和滑动轴承轮对,滚动轴承轮对又分为无轴箱双列圆锥滚子轴承轮对和有轴箱圆柱滚子轴承轮对。
F1.3段修轮轴:随段修(全面检查修)货车检修或入段检修,能够按段修标准修复,达到段修车辆装车标准的轮轴。
F1.4厂修轮轴:随厂修(大修,含入段厂修)货车检修的轮轴,以及按轮轴段修标准无法修复,需退轮按厂修标准检修,达到厂修货车装车标准的轮轴。
F1.5轮对新组装:是以新制车轮及车轴按新制(原型)技术标准组装的轮对。
F1.6轮对重新组装:是以旧车轮和旧车轴(拼修)、旧车轮和新车轴(换轴)及新车轮和旧车轴(换轮)按厂修技术标准组装的轮对。
F1.7提速轮轴:是指适用于120km/h运行速度的轮轴。
车轴须为50钢;车轮型号须为HDS,HDZ,HES或HEZ等系列,新品车轮的最大静不平衡值为125g·m,标记为E3;轴承型号须为353130B,353130A,SKF197726或装用工程塑料保持架的352226X2-2RZ等。
F1.8减重轮轴:是指装用HDZB,HDZC,HDZD,HEZB,HEZD,HDSA,HESA等型减重车轮、50钢车轴及无轴箱双列圆锥滚子轴承的轮轴。
铁路货车轴承介绍
1 轴承概述
轴承的功能
轴承功能是指在相对旋转的轴和座孔之间起支承作用并传递载荷,或起定位作用而限制轴和座孔间的轴向相对位移。
轴承的组成
铁路货车轴承单元由内圈、外圈、滚动体、保持架、润滑剂和密封组成。
铁路货车轴承附件一般由前盖、后挡、
轴端螺栓、防松片、标志板和施封锁组成。
后挡
保持架
前盖内圈外圈滚子
密封罩油封
中隔圈
轴承各件的作用
内圈装配在轴上并与轴一起旋转;外圈起支承作用;滚动体在内、外圈之间转动,保持架除将滚动体等间距排列,还有引导滚动体运动,改善轴承内部润滑性能,防止滚动体脱落等作用;密封起防止轴承内部油脂泄露及外部异物进入轴承内部的作用;油脂保证轴承内各接触间的润滑作用,减少磨损。
轴承类别。
铁路货车主要轮对型式和基本尺寸轮对型式根据车轴型式确定,如图 F2.2-1所示;基本尺寸应符合表 F2.2-1的规定。
L L1附录2铁路货车主要轮对型式和基本尺寸轮对型式根据车轴型式确定,如图 F2.2-1所示;基本尺寸应符合表 F2.2-1的规定。
图F2.2-1 滚动轴承轮对轮对 型号轮对基本尺寸dx D X L 1X L X H (mm X mm x mm x mm xmm)车轴 型号车轮型号轴承型号适用转向架 型号RE B150X 840 X 1981 X 1353X 135RE BHESA HEZB HEZD353130B( C353130)353130ACTBU150( SKFITALY V0R-7030A )转K5 转K6RE2A 150X 840 X 1981 X 1353X 135 RE2AHESA 353130X2-2RZ 转K5附录2铁路货车车轴型式、基本尺寸和理化性能F2.3.1车轴型式如图F2.3 —1所示,基本尺寸应符合表F2.3-1的规定。
车轴型号尺寸(mm)计算重量(kg)d1 d2 d 4 d 5 L1 (L2) L3 (I1) L2 L4RE2B .__+0.068.+0.085180+0.0210+21+2184 02181+0 1981 1761 1 210 83 266.5 451RE2A +0.068150+0.0価:器210+! 184+0 2191+0 1981 1731 1 230 48 229 451RE2 +0.068 180+0.058 +1206-2+2184 0+1216601956 1686 1 240 68 251.5 440RD2 130+0:025 +0.085+1194-2+2174 02146+0 1956 1706 1 220 53 239 380RD2Y +0.068 ._ _+0.20+1+2174 02146+0 1956 1706 1 220 53 239 380RB2 ,^^+0.045,^_+0.085+1+2138 02062+0 1905 1688 1 187 44 230 232RD3 +0.068165:0.22+1+2174 02146+051956 1756 0.5 195 78 264 383附录3车轴型式和基本尺寸图F2.3-1 滚动轴承车轴铁路货车车轮型式、基本尺寸和理化性能车轮型式和基本尺寸符合标准TB/T2817 — 1997的辗钢整体车轮型式如图 F2.4 -1所示,基本尺鱼JL图F2.4-1 TB/T2817 — 1997标准的辗钢整体车轮表 F2.4-1规格型号滚动圆外径 D轮辋内 侧内径D 1轮辋外 侧内径D 2轮毂 孔径 d 1轮毂外 径 D 3毂长L辋宽H毂辋距 F辐板厚度 测量参 考尺寸 LS 1测量参 考尺寸 LS 2理论 重量 (kg)材质S 1S 2+60 0+4+5 +2+3 +3HESA 840 0 740-4 740-4 206 286 0 178± 3 135+2 68 0202690 53 314 CL60+60 +4 +5 +2+3 +3HDSA 840 0 740-4740-4194 264 0 178± 3 135+2 68 0192585 55 306 CL60840+ 10 0 0+5+3 +2+5+5HDS 840 0 710-10 710-10 194 274 0 178± 3 135 06819257350 348 CL60+ 100 0 +5+3 +2 +5 +5HBS 840 0 710-10 710-10 155 235 0 178± 3135 068 0 1902573 50 342 CL60915+6 0 0 +5 +3 +2 +3 +3KDS 915 0 785-6 785-4 194 274 0 178± 2 135 0 68 0 19 0 25 0 70 69 391 CL60F2.4.1.2 符合TB/T1013-1999标准的铸钢整体车轮型式如图 F2.4-2所示,基本尺寸应符合表F2.4-2的规定。
铁路货车轮轴介绍1 铁路货车轴承1.1 铁路货车轴承发展1.1.1 197726型轴承1.1.1.1 图样来源197726型无轴箱双列圆锥滚子轴承是我国引进日本技术、国内生产的轴承。
通过试验,基本满足我国使用的环境条件和线路状况,1978年铁道部决定在我国铁路货车上装用197726型轴承;1980年开始在新造货车上大量装车使用。
该型轴承成为我国货车的主型产品。
1.1.1.2 图样修订1992年南口机车车辆机械厂对图样进行了修订。
1.1.1.3 停止生产日期2002年1月1日起停止生产197726型滚动轴承。
1.1.1.4 基本技术参数轴重21t,运行速度≤120km/h,使用寿命120万km。
1)新造使用时间或里程:5年或50万km。
2) 大修使用时间或里程:4年或40万km。
3)2005年6月1日以后,为加快淘汰钢保持架,大修和淘汰时间提前半年,缩短了半年的使用时间。
1.1.1.5 大修轴承装用或换装工程塑料保持架a) 装用工程塑料保持架2005年3月铁道部运输局装备部通过了197726型大修轴承装用工程塑料保持架的技术审查。
2005年5月铁道部运输局下发“关于197726型大修轴承装用工程塑料保持架的通知”,规定自2005年6月1日起,各轴承厂在197726型轴承大修时必须装用工程塑料保持架,各保持架生产厂家停止生产、供应197726型钢保持架。
1.1.1.5 大修轴承装用或换装工程塑料保持架b) 换装工程塑料保持架铁道部为了加快淘汰钢板冲压保持架,从2006年6月20日起对符合下面条件的197726型轴承一律退卸并返轴承大修厂换装工程塑料保持架: 一般检修中须退卸的装用钢板冲压保持架的轴承。
已大修过的仍装用钢板冲压保持架。
当车轮踏面擦伤、局部凹陷深度达到1mm及剥离、缺损超过限度时须退卸的装用钢板冲压保持架的轴承。
1.1.1.5 大修轴承装用或换装工程塑料保持架c) 小挡边外径由原 155mm补充加工成153+0.25mm,增加了9 的装配角。
轮轴目录第一节轮轴组成第二节车轴损伤形式第三节车轮损伤形式第四节滚动轴承损伤形式第一节轮轴组成铁路货车轮轴是货车的重要部件之一,由车轴、车轮和滚动轴承采用过盈配合组装在一起。
一、轮轴结构组成,见图1-1-1。
1-车轴;2-车轮;3-轴承。
图1-1-1 轮轴结构组成二、滚动轴承车轴滚动轴承车轴见图1-1-2。
1-中心孔;2-轴端螺栓孔;3-轴颈;4-卸荷槽;5-轴颈后肩;6-防尘板座7-轮座前肩;8-轮座;9-轮座后肩;10-轴身;11-轴端倒角。
图1-1-2 滚动轴承车轴三、车轮各部分的名称车轮形状见图1-1-3。
1-轮毂孔;2-轮毂外侧面;3-轮毂;4-辐板孔;5-轮辋外侧面;6-踏面;7-轮缘;8-轮辋;9-轮辋内侧面;10-辐板;11-轮毂内侧面。
图1-1-3 车轮各部名称四、轴承结构组成(352226X2 -2RZ(TN)型、197726TN 型为例)如图1-1-4。
1—外圈;2—内圈;3—滚子;4—保持架;5—中隔圈;6—密封罩;7—密封座;8—外油封;9—内油封。
图1-1-4 滚动轴承示意图第二节车轴损伤形式车轴的损伤形式主要有车轴裂纹、车轴碰伤、磨伤、车轴弯曲及磨损、打痕、碰伤、电焊打火凹痕、燃轴造成的轴颈碾长等。
这些故障可能导致切轴事故,而造成车辆脱轨、颠覆事故。
一、车轴裂纹裂纹:在工艺过程中金属的连续性破坏而形成的缺陷。
磁粉探伤时,其磁痕特征一般为线形锯齿形,两端呈尖角状,磁粉聚集的的图象不规则,但清晰、密集。
发纹:是由原材料中的微小气孔、针孔、金属和非金属夹杂物等,经锻轧而成的原材料缺陷。
磁粉探伤时,其磁痕特征呈直线或微弯的细线状,磁粉聚集的图像规则呈细长、平直。
(一)车轴裂纹及折损一般分为疲劳折损及一次性断裂(热切)两种。
车轴裂纹分为纵向裂纹与横向裂纹两种,若裂纹与车轴中心线夹角大于45°时,称为横裂纹。
横裂纹的产生将减小车轴的有效横截面积,对车轴强度的影响最大,车轴折损都由于横裂纹的深度不断扩展,导致应力上升而引起的。