球团知识培训资料
- 格式:doc
- 大小:56.50 KB
- 文档页数:5
1.简述球团生产线的主要工艺过程?答:精矿配料、精矿干燥、辊压、膨润土配料、强力混合、造球、筛分、生球布料、生求干燥与预热、氧化焙烧、冷却、成品、输出。
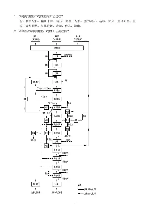
2.请画出邯钢球团生产线的工艺流程图?3.请画出邯钢球团生产线的工艺平面布置图并标明主要建筑物及皮带系统的名称?4.简述配料室所用的设备及规格数量?答、6台直径2.5米圆盘给料机,6台宽1米电子皮带秤。
5.干燥机规格,热源,为什么设旁路?答:规格ф3.6*31米,热源是高炉煤气,水分满足造球,不需要干燥或干燥机故障走旁路。
6.辊压机主要作用和工作原理?答:作用:增加物料比表面积,改善表面活性和提高生球强度。
工作原理:两个辊子作慢速相对运动,其中一个辊固定,另一个辊可以作水平方向滑动。
当物料由辊压机上方连续喂入并通过双辊间的间隙时给活动辊一定的作用力,在辊子的作用力下,除了辊面接触的颗粒受到辊面直接压力外,物料之间也产生相互挤压,导致物料压实和粉碎。
7.膨润土配料采用什么设备进行?答:采用星型给料机和电子皮带秤8.邯钢球团生产线所用的膨润土如何进厂?通过什么进入生产线?答:采用罐装汽运进入厂内,通过高压空气气力输送进入生产线。
9:简述强力混合机主要组成部分及工作原理?答:组成:混合容器及驱动装置,2个混合工具(转子)和驱动装置,多功能工具(刮刀),排料门,固定外壳,润滑装置等。
工作原理是靠设备混合工具部位相向运动使物料也相向运动而互相穿插渗透,达到混匀的目的。
10.如果高压辊压机出现短时故障是否会导致停产,为什么?答:不会停产。
因为混合料仓料位较高或旁路系统M6可以上料。
11.简述造球室所用的设备及主要设备规格,数量?答:链篦机的分段及各段温度,热气来源,哪段设有放散烟囱和放散阀,哪段设有兑冷风阀及其作用?答:在主抽烟道主电除尘入口处,东西回热烟道多管除尘入口处设有兑冷风阀,用来调节热风温度。
12.链-回-环系统工艺风流图答:14.链篦机的风箱及灰箱的散料是如何处理的?答:链箅机风箱的散料通过散料胶带机集中,运至散料斗里采用汽车外运。
球团技能知识判断试题二、判断题(正确的请在括号内打“√”,错误的请在括号内打“×”每题5分,共795分)1.>当前国内球团采用最多的造球设备是圆筒造球机。
( )答案: [判断题]对错(正确答案)2.>Fe3O4氧化成Fe2O3时球中心的温度最高。
( )答案: [判断题]对(正确答案)错3.>生球直径减少时其干燥速度可以加快。
( )答案: [判断题]对(正确答案)错4.>生球直径增大时,水分蒸发汽化的比表面积也随之增大。
( )答案: [判断题]对错(正确答案)5.>生球中配加的皂土越多,其生球质量就越好。
( )答案: [判断题]对错(正确答案)6.>生球中配加适量煤粉起到节能、降耗的作用。
( )答案: [判断题]对(正确答案)错7.>竖炉焙烧气氛为还原性气氛。
( )答案: [判断题]对错(正确答案)8.>竖炉成品矿转鼓强度要求大于90%。
( )答案: [判断题]对(正确答案)错9.>竖炉规格是以炉膛的容积确定的。
( )答案: [判断题]对错(正确答案)10.>竖炉烘床是我国首创的球团技术之一。
( )答案: [判断题]对(正确答案)错11.>竖炉可以生产烧结矿。
( )答案: [判断题]对错(正确答案)12.>竖炉球团采用汽化冷却系统是我厂首创。
( )答案: [判断题]对(正确答案)错13.>竖炉球团对生球燥裂温度的要求比带式球团和链篦机-回转窑球团的要求要低一些。
( )答案: [判断题]对14.>竖炉生产当煤气热值和产量稳定的情况下,通过变更空气与煤气的比例来调节焙烧温度。
( )答案: [判断题]对(正确答案)错15.>竖炉透气性变差,燃烧室压力降低。
( )答案: [判断题]对错(正确答案)16.>竖炉透气性变差,燃烧室压力升高。
( )答案: [判断题]对(正确答案)错17.>竖炉希望生球粒度在10-15mm范围内。
球团知识培训资料1、球团法的基本概念:将准备好的原料,按一定的比例经过配料、混匀、烘干、润磨,在造球机上经滚动而制成一定尺寸的生球,然后采用干燥和焙烧或其他方法使其发生一系列的物理化学变化而硬化团结,称之为球团法。
2、铁矿球团的原料主要有两大类:一类是含铁原料;另一种是粘结剂和添加剂。
膨润土作为一种粘结剂因为便宜、效果好,所以得到广泛的利用。
膨润土最常见的有钙基膨润土、钠基膨润土。
膨润土主要成份为:蒙脱石。
3、用于造球的含铁原料主要是:磁铁矿、赤铁矿和褐铁矿。
磁铁矿化学式是:Fe3O4。
赤铁矿化学式是:Fe2O3;褐铁矿化学式是:mFe2O3·nH2O4、按碱度分类球团矿分为:酸性球团矿、溶剂性球团矿。
5、我厂球团的工艺流程为:配料—烘干—润磨—造球—干燥预热—焙烧—环冷—成品。
6、球团矿焙烧过程中热量来源:铁矿球团焙烧过程中所需热量部分由磁铁矿氧化放热提供,部分由燃料燃烧提供。
7、混匀的意义:配合料混匀是球团生产中重要工序之一。
因为只有均匀的混合料才能保证造球过程稳定,降低粘结剂用量,生产出质量均匀的球团。
8、球团焙烧设备有竖炉、带式焙烧机、链篦机-回转窑。
链篦机在生产过程中的主要作用是对生球进行干燥、预热。
9、圆盘给料机设备特点:圆盘给料机是球团厂常用的给料设备。
它给料均匀、容易操作,运转平稳可靠,但与其它给料设备相比,结构较复杂,价格较高。
(圆盘给料机现已基本不用)10、圆盘造球机加水:通常有加雾状水和滴状水两种。
11、圆盘造球机的分级工作特点:圆盘造球机的工作特点之一,是造球过程中球粒能够自动分级。
所谓球粒的自动分级,即圆盘中物料能按其本身粒径大小有规律地运动,并且都有各自的运动轨迹。
14、造球机的结构:造球圆盘、传动装置、刮刀装置、圆盘倾角调整装置、机座。
刮刀装置的分类:固定式、回转式、往复式、摆动式。
我公司球团生产线共有4台圆盘造球机。
圆盘造球机的型号为Φ6000×600。
篮球社团活动讲义(2018—2019学年第二学期)负责人:×××2019-3-6 讲义主要内容1.篮球基本常识及发展历史2.基本技术(1)移动:变向跑、侧身跑、后退跑、滚动步、急停急起等。
(2)传接球:双手胸前传接球、单手肩上传接球、双手头上传接球、反弹传接球等。
(3)运球:原地运球、行进间运球、运球急停急起、运球转身、胯下运球等。
(4)投篮:原地单手肩上投篮、行进间高手投篮、行进间低手投篮、原地跳投、运球急停跳投等。
(5)突破:持球交叉步突破、持球同侧突破、行进间突破、转身突破等。
(6)防守:防守有球队员和防守无球队员,抢、打、封、断球。
(7)抢篮板球:抢前场篮板球和抢后场篮板球(8)中锋技术:内中锋、外中锋。
4.基本战术(1)进攻战术:传切配合、突分配合、掩护配合和策应配合、快攻战术、2-1-2进攻战术。
(2)防守配合:挤过配合、穿过配合、绕过配合、交换防守配合等。
5.教学比赛提高学生基本技术和战术的应用能力,培养团队意识。
6.身体素质(基础)(1)速度:全速跑、变速跑、折返跑、50米跑等。
(2)力量:俯卧撑、仰卧起坐和各种器械力量等。
(3)耐力:800米、1000米、越野跑、台阶跑等。
(4)弹跳:跳绳、纵跳、蛙跳、立定跳远、跨步跳等。
目录第一讲篮球基本常识第二讲移动技术训练第三讲传球技术训练第四讲原地运球技术第五讲行进间运球技术第六讲胯下运球、运球转身技术第七讲突破技术第八讲持球交叉步突破、持球同侧突破第九讲行进间突破、转身突破第十讲原地单手肩上投篮第十一讲三步上篮第十二讲防守第十三讲抢篮板球第十四讲进攻第十五讲中锋技术第十六讲篮球基本战术组合【附】NBA简介及赏析第一讲篮球基本常识一、篮球运动简介篮球运动起源于美国,1891年由詹姆士·奈史密斯博士在马萨诸塞州斯普林菲尔德市基督教青年会干部训练学校创始的。
1896年,由美国人来会里博士(中国名字叫李昂)首先传入中国天津。
《炼铁车间烧结、球团设备知识问答》1、烧结范围有多少皮带?分别有哪些?各条皮带的长度及规格多少?答:共有16条皮带。
分别是P1~P4(P4小皮带)5条,成品1~成品2皮带2条,焦粉1#~粉4#带(新改造小皮带)5条,返矿带,S5皮带,混料1#带、2#带2条。
配一带:800mm×8(6+1.5)159m(尼龙)配二带:800mm×8(6+1.5)224.3m(耐高温)配三带:800mm×8(6+1.5)43.57m(耐高温)配四带:800mm×8(6+1.5)191.5m(尼龙)配四小皮带:800mm×8(6+1.5)16.5m(耐高温)焦粉1#带:650mm×5(4.5+1.5)20m(普通)焦粉2#带:650mm×5(4.5+1.5)125m(普通)焦粉3#带:650mm×5(4.5+1.5)21.5m(普通)焦粉4#带:650mm×5(4.5+1.5)15m(普通)焦粉小皮带:650mm×5(4.5+1.5)9m(普通)成品1#带:1000mm×8(6+1.5)88.5m(耐高温)成品2#带:800mm×8(6+1.5)21.5m(耐高温)返矿皮带:650mm×6(4.5+1.5)64m(普通)S5皮带:800mm×8(6+1.5)202.5m(耐高温)混料1#带:800mm×8(6+1.5)115m(可用旧皮带代替)混料2#带:800mm×8(6+1.5)85m(可用旧皮带代替)2、球团范围有多少皮带?分别有哪些?各条皮带的长度及规格多少?答:共有14条。
分别有1#带~9#带(包括7#小皮带)10条,润磨进出料带2条,布料带、润磨布料带。
1#皮带:650mm×6(4.5+1.5)131m(尼龙)2#皮带:650mm×6(4.5+1.5)117m(耐高温)3#皮带:650mm×6(4.5+1.5)139m(尼龙)4#皮带:650mm×6(4.5+1.5)141m(尼龙)5#皮带:800mm×6(4.5+1.5)124m(尼龙)6#皮带:650mm×6(4.5+1.5)93.8m(尼龙)7#皮带:800mm×8(6+1.5)196.5m(耐高温)7#小皮带:800mm×8(6+1.5)30m(耐高温)8#皮带:650mm×6(4.5+1.5)185.5m(尼龙)9#皮带:650mm×6(4.5+1.5)63m(尼龙)润磨进料带:650mm×6(4.5+1.5)45m(耐高温)润磨进料带:650mm×6(4.5+1.5)45m(耐高温)润磨布料带:500mm×5(4.5+1.5)7m(耐高温)布料小皮带:650mm×5(4.5+1.5)16m(耐高温)3、烧结范围内有多少台6kV高压电机?分别安装在什么地方?答:共有5台电机。
球团知识详解第一部分初级造球工知识要求第一章基本知识第一节团矿概念团矿是人造块原料的一种方法,是将粉状物粒度变成在物理性能和化学组成上能满足下一步加工要求的过程。
在团矿过程中,物料不仅由于粒子密集和成型发生物理性质(密度、空隙率、形状、大小和机械强度等)上的变化,而且也发生了化学和物理性质(化学组成,还原性,膨胀性,高温还原软化性,低温还原粉化性等)上的变化,从而使物料的冶金性能得到改善。
团矿的基本任务,除了和烧结一样利用精矿和粉矿制成块状冶炼原料外,还可以生产金属化球团和综合性团块,以便直接还原和综合回收多种金属。
球团是粉末原料在加水的条件下受到滚动而成球,其形状为球形,粒度均匀,大小则由滚动的时间而定,使用球团法得到的生球必须经过固结后才具有足够的强度,焙烧固结后的球团,孔隙率高,还原性好,成为球团矿。
第二节球团的原料种类,化学成分及性能铁矿石球团的原料主要有两大类;一是含铁原料,二是粘结剂和添加剂。
1.矿石种类⑴磁铁矿石磁铁矿石是未风化和氧化的变质沉积矿床中或岩浆地区交代矿床中的主要含铁矿物。
这种矿石的含铁量从铁应岩的20%~50%到岩浆矿床的65%不等。
磁铁矿的化学分子式是Fe 3O4,常常也写成FeO Fe2O3,其理论含铁量为72.4%,其中FeO为31%,Fe2O3为69%。
在交代矿床中,可以观察到其二价铁被锰离子或钙离子取代,以及三价铁被铝离子取代的现象。
在成矿温度高的矿床中发现含有TiO2,它主要以分离的钛铁矿夹状存在于磁铁矿晶体之间。
结合在磁铁矿晶体内的五氧化二钒,其大部分都与钛共生在矿化的辉长岩块内。
尖晶石型磁铁矿结晶成双重氧化物,其含铁以二价形态(FeO和三价形态Fe2O3)存在。
磁铁矿比重为4.9~6.2g/cm3,硬度为5.5~6.5,难还原和难破碎。
它的外表颜色为钢灰色和黑灰色,有黑色条痕,具有磁性。
自然界中纯磁铁矿石很少见到,由于氧化作用,部分磁铁矿石被氧化成赤铁矿石,但仍保持磁铁矿的结晶形态,所以这种矿石叫假象赤铁矿石和半假象赤铁矿石。
球团工艺与操作第1节球团基本知识介绍1.1、球团的概念和球团的生产方法目前,用于高炉炼铁的人造块矿方法有三种:烧结、球团和压团。
球团是人造块状原料的一种方法,是将细粒物料在加水条件下在专门造球设备上经滚动而生成球,然后再经焙烧固结的方法。
所得产品称为球团矿,呈球形,粒度均匀,具有高强度和高还原性。
球团过程中,物料因为滚动成球,并且由于粒子密集,密度、空隙率、形状、大小和机械强度等物理性质发生了变化。
更重要的是发生了化学和物理化学变化,如化学组成、还原性、膨胀性、高温还原软化性、低温还原软化性等变化,使物料的冶金性能得到改善。
目前,生产球团矿的主要方法有:竖炉法,涟钢即属于此类;带式焙烧机球团;链蓖机—回转窑球团生产。
本教材将就竖炉球团法来介绍球团工艺。
1.2、球团矿在钢铁工业中的地位和作用到目前为止,全球铁矿资源中,已经探明的品位大于40%的铁矿石大约为8500亿吨。
随着钢铁工业的发展,炼铁所需要的原料将愈来愈大,而可供直接入炉的富块矿越来越少。
我国铁矿储量居世界第五位,其中含铁50%以上的富矿仅仅占已经探明储量的4%左右,绝大部分为含有害物质的贫矿。
这类矿石必须细磨精选后造块才能进入高炉冶炼。
近年来,直接入炉的天然块矿逐渐减少,而人造块矿产量和高炉熟料逐年上升。
因此,铁矿资源的变化,人造块矿的优越性,极大的促进了球团、烧结技术的不断发展。
1.3、球团矿与烧结矿相比的特点球团法是一种新型的造块方法,因为其良好的冶金性能,所以自投入以来发展迅速,其产品不但用于高炉,而且用于转炉、平炉和电炉。
球团矿与烧结矿比,有几大特点。
(1)原料条件比较在原料粒度上,球团要求原料粒度细,而烧结要求原料粒度相对较粗。
一般认为:球团要求-200目粒级必须大于80%,或者更高;而烧结希望原料中-150目粒级在20%以下。
当烧结原料中细磨物料含量提高时,将引起烧结透气性变差,烧结生产率降低,必须采取各种措施提高烧结透气性,从而使烧结成本大大增加。
烧结、球团生产工艺、安全知识与技术措施目录一、烧结、球团生产安全知识总则 (3)一、金属分类: (3)二、冶金方法: (3)三、钢铁生产工艺: (4)四、冶金安全生产特点: (4)二、烧结、球团安全技术措施 (5)一、烧结工艺设备: (5)二、烧结球团通用安全技术措施一般安全要求: (5)三、烧结球团通用安全技术措施动力设施安全措施: (7)四、烧结球团通用安全技术措施厂区布置: (7)五、烧结球团通用安全技术措施起重与运输技术: (8)三、储料安全技术知识 (8)1、储料安全技术翻车机安全措施: (8)2、储料安全技术堆取料机安全措施: (9)3、储料安全技术带式输送机安全措施: (10)4、储料安全技术通用技术: (11)四、烧结机安全技术知识 (12)(1)煤气区域 (12)(2)烧结机台车区域 (13)(3)烟道区域 (13)五、烧结安全技术知识 (14)1、烧结机除尘器安全措施 (14)2、球团安全技术干燥窑安全措施 (16)六、球团安全技术知识 (17)1、球团安全技术立式磨煤系统安全措施 (17)2、球团安全技术带式焙烧机安全措施 (18)3、球团矿的生产工艺 (19)一、烧结、球团生产安全知识总则一、金属分类:现代工业上习惯把金属分为黑色金属和有色金属两大类,黑色金属主要包括铁、铬、锰三种,其余的金属都属于有色金属。
有色金属分为重金属、轻金属、贵金属和稀有金属四类。
二、冶金方法:可分为火法冶金、湿法冶金和电冶金三大类。
(一)火法冶金矿石(或精矿)经预备处理、熔炼和精炼等,在高温下发生一系列物理化学变化,使其中的金属和杂质分开,获得较纯金属。
(二)湿法冶金在低温下(一般低于100℃),用熔剂处理矿石或精矿,使所要提取的金属溶解于溶液中,而其他杂质不溶解,通过液固分离等制得含金属的净化液,然后再从净化液中将金属提取和分离出来的过程。
(三)电冶金电热冶金:利用电能转变为热能,在高温下提炼金属。
球团生产知识问答(初稿)第一章球团的基本知识1-1什么叫球团法?球团法是将细磨精矿制成能满足冶炼要求的块状物料的一个加工过程。
其过程为:将准备好的原料(细磨精矿或其他细磨粉状物料,添加剂或粘结剂等),按一定的比例经过配料混匀,在造球机上经滚动而造成一定尺寸的生球,然后采用干燥和焙烧或其他方法使其发生一系例的物理化学变化而硬化固结。
这一过程就叫作球团过程,这种方法称为球团法。
它所得到的产品就叫作球团矿。
1-2球团矿有哪几种种类?根据球团矿固结温度和气氛的差异,球团法所得到产品可分为氧化球团矿、冷固球团矿、金属化球团矿等。
按照球团矿的碱度一般分为酸性和自熔性两种。
1-3 酸性球团矿和自熔性球团矿相比有何优点?酸性球团矿与自熔性球团矿相比,前者在生产上不会引起操作上的困难,而且其品位高、强度好,便于长途运输。
同时又由于大多数烧结厂生产高碱度烧结矿,需要酸性球团矿配合使用以满足高炉冶炼的要求。
所以,目前世界各国仍以生产酸性球团矿为主。
1-4 在球团矿制备过程中,物料发生哪些变化?在球团矿制备过程中,物料不仅由于粒子密集而发生物理性质(密度、孔隙度、形状、大小和机械强度等)上的变化,而且也发生了化学和物理化学性质(化学组成、还原性、膨胀性、高温还原软化性能、低温还原粉化性能、熔滴性能等)上的变化,从而使物料的冶金性能得到改善。
1-5球团矿有哪些主要优点?球团矿是一种高效的造块方法,球团矿无论是在高炉、转炉或电炉中都能使用。
其主要优点如下:(1)适于进行大规模生产;(2)球团矿呈球形,粒度均匀,从而保证了在高炉中料柱的良好透气性;(3)球团矿的还原性好;(4)球团矿在运输和多次转运和条件下破碎很少,可以露天存放。
现在球团法和烧结法一样,已经成为人造块矿的主要方法之一,得到了广泛使用。
1-6高炉生产对入炉原料有哪些基本要求?根据高炉生产的理论和实践,对入炉原料的基本要求有如下几点:(1)品位高、杂质少、化学成分稳定(2)强度好、粉末少、粒度均匀(3)易还原、粉化少、高温性能好1-7为什么说球团矿是一种理想的高炉精料?球团矿是一种理想的高炉精料,主要表现在:1)铁品位高、有害元素少2)生产球团矿能扩大冶炼含铁原料的来源3)生产球团矿能扩大冶炼燃料的来源总之,生产球团矿可以根据各种矿石原料的性质,采用不同的球团法和各种技术措施,人为地改善入炉原料的各种性质,为高炉冶炼提供粒度均匀、成份稳定、物理化学特性以及冶金性能良好的精料,使其最大限度地满足冶炼的要求,大大地强化冶炼过程。
球团技能知识选择试题(一、选择题(请将正确答案的代号填入括号内,每题5分,共1135分)1.>在下列几种煤气中哪一种煤气的发热值最高( )。
[单选题]A.高炉煤气B.焦炉煤气(正确答案)C.转炉煤气2.> 造球的矿物原料从大块破碎到小块,其比表面积( )。
[单选题] A.增大(正确答案)B.一样C.减少D.差不多3.>球团用( )混匀混合料物。
[单选题]A.轮式混合机B.圆筒烘干机(正确答案)C.人工混合D.搅笼混合机4.>球团用铁精矿粉的质量要求是( )。
[单选题]A.适宜的水份B.适宜的水份和粒度C.较细的粒度D.适宜的水分、粒度和粒度组成(正确答案)5.>球团用皂土的主要成分是( )。
[单选题]A.COB.SiO2(正确答案)C.FeOD.Fe3O46.>球团圆盘造球机的倾角一般要( )度。
[单选题]A.40oB.42oC.45o(正确答案)D.48o7.>三种主要球团焙烧设备最适宜竖炉焙烧的铁矿粉是( )。
[单选题] A.赤铁矿B.磁铁矿(正确答案)C.褐铁矿8.>生球布料必须( )入炉。
[单选题]A.湿球B.干球(正确答案)C.半干D.熟球9.>生球的形成除与含水有关外,更重要的是与物料的( )有关。
[单选题] A.矿粉性质B.比表面积(正确答案)C.矿粉构造D.添加剂10.>生球干燥是由( )两个过程组成的。
[单选题] A.表面扩散和内部汽化B.表面汽化和内部扩散(正确答案)C.表面汽化和内部汽化D.表面扩散和内部扩散11.>生球干燥速度取决于( )。
[单选题]A.干燥介质的温度与流速B.生球的物质组成与初始温度C.生球尺寸和球层的高度D.前三者都取决(正确答案)12.>生球粒度要求是( )mm。
[单选题]A.8-16(正确答案)B.15-20C.10-18D.8-1313.>生球筛分设备为( )。
球团技能知识填空试题一、填空题(请将正确答案填在横线空白处,每空5分,共1035分)1.>采用膨润土作粘结剂,可以达到调节造球原料__________,稳定造球操作,提高生球__________的作用。
[填空题]空1答案:水分空2答案:强度2.>生球干燥速度取决于干燥介质的温度与流速、__________和__________。
[填空题]空1答案:生球的物质组成与初始温度空2答案:生球尺寸和球层的高度3.>测生球落强将球自__________mm高处自由落到10mm厚钢板上。
[填空题] 空1答案:5004.>常用的安全行灯电压为__________和36V。
[填空题]空1答案:12V5.>成球性能最好的铁矿粉是__________精粉。
[填空题]空1答案:磁铁矿6.>赤铁矿是指不含__________的三氧化二铁,褐铁矿是含__________的三氧化二铁,期化学式可用__________表示。
[填空题]空1答案:结晶水空2答案:结晶水空3答案:mFe2O3•nH2O7.>磁铁精矿球团固结形式一般是__________、Fe2O3再结晶连接__________、__________、四种方式。
[填空题]空1答案:Fe2O3微晶键连接空2答案:Fe2O3再结晶固结空3答案:液相粘结8.>磁铁矿的氧化过程为__________过程,又是一个增重过程。
[填空题]空1答案:放热9.>磁铁矿氧化是__________反应。
[填空题]空1答案:放热10.>从生产能力方面而言,最佳的球团直径应为__________毫米。
[填空题]空1答案:1111.>带式焙烧机采用铺底、边料的方法主要是为了__________。
[填空题]空1答案:防止台车过热12.>单机作业1小时的产量叫__________。
[填空题]空1答案:台时产量13.>电动滚筒加油时,应到滚筒__________的2/3处,不宜过多或过少。
球团知识培训资料1、球团法的基本概念:将准备好的原料,按一定的比例经过配料、混匀、烘干、润磨,在造球机上经滚动而制成一定尺寸的生球,然后采用干燥和焙烧或其他方法使其发生一系列的物理化学变化而硬化团结,称之为球团法。
2、铁矿球团的原料主要有两大类:一类是含铁原料;另一种是粘结剂和添加剂。
膨润土作为一种粘结剂因为便宜、效果好,所以得到广泛的利用。
膨润土最常见的有钙基膨润土、钠基膨润土。
膨润土主要成份为:蒙脱石。
3、用于造球的含铁原料主要是:磁铁矿、赤铁矿和褐铁矿。
磁铁矿化学式是:Fe3O4。
赤铁矿化学式是:Fe2O3;褐铁矿化学式是:mFe2O3·nH2O4、按碱度分类球团矿分为:酸性球团矿、溶剂性球团矿。
5、我厂球团的工艺流程为:配料—烘干—润磨—造球—干燥预热—焙烧—环冷—成品。
6、球团矿焙烧过程中热量来源:铁矿球团焙烧过程中所需热量部分由磁铁矿氧化放热提供,部分由燃料燃烧提供。
7、混匀的意义:配合料混匀是球团生产中重要工序之一。
因为只有均匀的混合料才能保证造球过程稳定,降低粘结剂用量,生产出质量均匀的球团。
8、球团焙烧设备有竖炉、带式焙烧机、链篦机-回转窑。
链篦机在生产过程中的主要作用是对生球进行干燥、预热。
9、圆盘给料机设备特点:圆盘给料机是球团厂常用的给料设备。
它给料均匀、容易操作,运转平稳可靠,但与其它给料设备相比,结构较复杂,价格较高。
(圆盘给料机现已基本不用)10、圆盘造球机加水:通常有加雾状水和滴状水两种。
11、圆盘造球机的分级工作特点:圆盘造球机的工作特点之一,是造球过程中球粒能够自动分级。
所谓球粒的自动分级,即圆盘中物料能按其本身粒径大小有规律地运动,并且都有各自的运动轨迹。
14、造球机的结构:造球圆盘、传动装置、刮刀装置、圆盘倾角调整装置、机座。
刮刀装置的分类:固定式、回转式、往复式、摆动式。
我公司球团生产线共有4台圆盘造球机。
圆盘造球机的型号为Φ6000×600。
15、回转窑生产过程中易出现的问题:突然停窑、塌腰、结圈、串窑、红窑。
17、我厂使用的球团矿生产线:现在我厂使用的为年产80万吨链篦机—回转窑氧化球团球团矿生产线。
18、原料的粒度范围:原料的粒度范围比表面积在1500-1900cm2/g范围内比较合适。
19、生产球团矿的三大基本因素:1)、具有一定的粒度和粒度组成;2)适宜的水分;3)均匀的化学成份。
20、造球加料的原则:既易形成母球,又能使母球迅速长大和紧密的原则。
21、造球时间:造球时间的长短由调整圆盘的转速和倾角来控制。
一般情况下造球时间为6-8min。
22、造球用的精矿粉要求:小于0.074mm的粒级含量大于85%。
23、润磨机的规格:润磨机的规格为Ф3.5*6.2m。
润磨机的主电机的工作电压为10000V。
24、球团筛分布料系统:大辊筛共有2组驱动装置。
大辊筛共有14个筛辊。
大辊筛的合理间隙为16mm,小辊筛的合理间隙为7mm。
25、梭式布料器:梭式布料器的皮带宽度为1400mm。
梭式布料的行走机构采用链轮传动。
26、我公司球团生产线的链篦机:规格为3.1×36米。
链篦机分3段,分别为干燥Ⅰ段、干燥Ⅱ段及预热段。
27、链篦机润滑:各轴承座润滑采用干油集中润滑。
润滑脂的使用形式有手工加脂、集中润滑等。
28、球团主抽风机:球团主抽风机共2台,其驱动电机型号为YKK5005-4,功率为800Kw。
29、回转窑:回转窑规格为Φ4.3×30米,回转窑的倾斜度一般为3%-5%。
转速一般为0.3-1.0r/min。
由于回转窑的自重及工作环境温度较高,回转窑大齿圈采用的润滑油为220#开式齿轮油。
30、环冷机:环冷机的规格为69m2,共计28个台车。
环冷机的驱动形式为链轮驱动。
环冷机共有两组驱动装置,主驱动电机型号为YPT160L-8-7.5 kw。
31、电子皮带秤:电子皮带秤可直接指示皮带运输机的瞬时送料量,也可累计段时间内的物料总量,如果与自动调节器配合,还可进行输料量的自动调节,实现自动定量给料。
32、带传动的分类:按传动带的截面形状不同,机械上常用的有平带、V带、多锲带、圆带等。
输送带属于平带。
34、什么叫润滑?润滑方法有哪些?一般来说,在摩擦副之间加入某种物质用来控制摩擦,减低磨损,以达到延长使用寿命的措施叫润滑。
润滑方法有:油浴润滑、滴油润滑、飞溅润滑、强制润滑等。
35、润磨机的中空轴瓦采用何种润滑方法?自动喷射装置润滑。
36、球团配料室主要有哪些设备?主要有料仓、胶带机、电子皮带秤、螺旋秤等。
37、为做好设备润滑工作,我厂提倡的“五定”是指哪些?设备润滑的“五定”包括:定质、定量、定时、定点、定人。
38、筛分布料系统由哪几部分组成?梭式布料器、大球筛、宽-1皮带机、宽-2皮带机、轮式破碎机、小辊筛、返料皮带机。
39、链篦机走行部分由哪些构成?篦板、链节、小轴、定距管、固定块、轴套等组成。
40、链篦机采用自动干油集中润滑,特点是什么?①提高设备作业率;②提高润滑的安全性;③提高润滑效率和可靠性;④节省经费。
42、球团矿在钢铁生产中的作用有哪些?(1)球团矿品位高、有害元素少,能提高冶炼产品质量和保护冶炼设备。
(2)生产球团矿能扩大炼铁原料来源。
(3)生产球团矿能扩大冶炼燃料的来源。
43、球团生产的基本任务是什么?把细磨的矿粉或精矿粉,造成大小相近的球团,经高温燃烧气体焙烧固结,为高炉提供粒度均匀、粉末少和机械强度高、冶金性能好的炼铁原料。
46、为什么要进行原料干燥?原料适宜水分是保证造球过程顺利进行的一个重要因素,如球团生产时,原料水分过高,造球几乎无法进行,因此,原料水分高时要进行干燥脱水,使干燥后的原料或总的配合的水分适宜造球。
48、粘结剂在球团生产中的作用和目的是什么?起粘结作用,使生球具有一定的抗压强度和落下强度。
52、混合的目的是什么?混合的目的是将配合料中各组份完全混匀,使粘结剂在造球中充分发挥作用和得到成分均一的球团料。
56、圆盘造球机的充填率如何确定?充填率与矿石的成球性能、成球时间以及所要求的生球粒度有关,所以不同的矿粉和不同生球粒度标准有一个相应充填率,过高、过低都会降低造球机的生产率,其大致范围为10%-20%。
从设备结构上讲,充填率可由圆盘直径、倾角和边高来具体确定。
57、确定球团粒度的依据是什么?其适宜粒度是多大?其依据有三个方面:一是高炉的透气性和还原性要求;二是球团干燥和焙烧的要求;三是造球机生产率的要求。
综合上述三个方面要求,我国一般控制在8-16mm,国外一般控制在9.5-12.7mm的范围内。
60、为什么说造球是球团生产中最重要的工序?因为在一定的原料和工艺设备条件下,造球(即生球质量的好坏及产量的高低)是影响球团炉焙烧和成品球产量、质量的最关健性因素。
63、简述润磨机的结构特点。
润磨要求入磨物料含有一定的水分,因而要求润磨机具有特殊的结构形式,其特点如下:(1)周边排料:由于润磨物料中含有一定的水分,采用球磨机的格子板排料会堵塞格子条孔,故必须采用周边排料。
(2)强制给料:对于润湿磨矿,一般的给料器和中空轴颈的内螺旋给料会因“粘料”而出现故障,使磨矿作业不能正常进行。
所以(润磨机必须采用螺旋给料机强制给料。
为了使润磨机工作状态良好,可在螺旋给料机前设置圆盘给料机,用以稳定入磨料量。
螺旋给料机现已基本不用)采用皮带强制给料。
(3)橡胶衬板:一般常用的钢衬板,具有一定的亲水力,无弹性故易粘料,只能用于干磨或湿磨。
为了防止粘料现象发生,润磨机采用橡胶衬板。
因为橡胶衬板亲水性较差,具有良好的弹性,故使用橡胶衬板不易粘料。
(4)润磨机除了具有一定磨矿作用外,更重要的是研磨和搓揉作用,以便提高物料塑性,因此润磨机的工作转速较一般球磨机低。
64、润磨在生产中的作用是什么?(1)、润磨可以改善混合料的粒度和粒度组成;(2)、提高原料塑性、改善生球质量;(3)、润磨降低膨润土用量。
65、润磨应注意哪几个问题?我公司球团用润磨机的最大装球量是多少?(1)控制润磨物料的含水量;(2)控制润磨机的给料量;(3)粘料事故的排除,根据不同情况可采取加入干料或停止进料排除故障。
我公司球团用润磨机的最大装球量为64t。
66、球团焙烧固结的基本任务是什么?是使生球脱水和固结,以达到高炉炼铁所需要的强度和冶炼性能。
67、什么是酸性球团矿?是指碱度低于高炉造渣碱度的球团矿。
74、球团工艺主要包括哪些工序?(1)原料准备;(2)配料;(3)混合;(4)造球;(5)生球筛分;(6)布料;(7)生球干燥;(8)焙烧(9)冷却;(10)筛分。
78、球团生产中,一般采用哪些碱性添加剂?一般采用石灰石、白云石和消石灰作为碱性添加剂,以提高球团矿的碱度。
79、球团生产中使用的燃料有哪些?气体燃料有焦炉煤气、高炉煤气、混合煤气和天然气等种类。
球团焙烧常用的液体燃料为重油;固体燃料为煤。
81、配料方法有哪几种?我厂采用哪种配料方法?配料方法有两种:容积配料法、重量配料法。
容积配料法是基于物料具有一定的堆积密度,借助给料设备对添加物料的容积进行控制以达到混合料所要求的添加比例的一种配料方法。
重量配料法是按原料的质量进行配料的一种方法。
这种方法是借助于电子皮带秤和定量给料自动调节系统来实现自动配料的。
我厂球团生产现采用重量配料法进行配料。
87、叙述圆盘造球机的工作原理。
圆盘转动,向加料区加入的混合矿料,在与圆盘底产生的摩擦力作用下,被圆盘带着一起转动,由于圆盘的倾斜安装,当矿料被带至一定高度时,即当其本身的重力分量大于摩擦力分量时,矿料将向下滚落。
实际上向圆盘所加的物料常是湿润不足的混合矿料,此时还需补加水分,当水滴加在料上,由于水的凝聚力的作用,使散料很快形成母球,不同大小的母球随圆盘作上向、下向滚动运动,不断滚粘散料而长大,不断搓压而密实,最后由排矿口排出。
88、圆盘造球机的主要工艺参数有哪些?1)圆盘直径;2)圆盘边高;3)圆盘倾角;4)圆盘转速;5)填充率;6)造球时间。
圆盘直径是圆盘造球机最主要的参数。
89、为什么圆盘造球机的倾角不能随意加大?圆盘造球机的倾角通常为多少度。
在圆盘造球机的转速相应提高的情况下,增大倾角可以提高生球的滚动速度和下滚的动能。
因而,对生球的紧密过程是有利的。
但是当倾角过大时,由于下滚球团的动能过大,它们撞击圆盘周边很易导致生球的粉碎。
另外,增大倾角会使得圆盘的填充率下降,生球在盘内停留时间缩短,这些都不利于提高造球机的产量和质量。
圆盘造球机的倾角通常为450-500。
103、简述球团矿焙烧过程。
焙烧球团矿应包括干燥、预热、焙烧、均热、冷却五个阶段。
对于不同的原料,不同的焙烧设备,每个阶段的温度水平、延续时间及气氛均不同。
干燥阶段的温度一般为200-4000C,这里进行的主要反应是蒸发生球中的水分,物料中的结晶水分也可排除。