加速器质谱-北师大
- 格式:ppt
- 大小:428.00 KB
- 文档页数:80
2023北京师范大学科研团队探秘太阳耀斑,最新发表2023北京师范大学科研团队探秘太阳耀斑北京师范大学天文系、天文与天体物理前沿科学研究所科研团队近期在实验室天体物理研究方向取得重要进展,该团队利用上海高功率激光物理国家实验室“神光Ⅱ”装置,首次在实验室实现激光驱动等离子体湍流磁重联过程。
研究成果于2023年1月17日在线发表在Nature Physics上,北京师范大学天文与天体物理前沿科学研究所平永利博士为论文第一作者,天文系仲佳勇教授为通讯作者。
实验通过时空标度变换发现实验室湍流与太阳耀斑小尺度湍流结构一致,并且在电流片出流方向的电子能谱呈现非热幂律谱等特征,为理解太阳耀斑高能粒子起源和加速过程提供重要依据。
“利用国家实验室提供的高能量激光系统,科学家们能够在实验室中获得极端的物理实验条件,模拟多种高能量密度天体物理现象。
”仲佳勇说,这种研究方法不仅可以用来验证天文观测的理论模型,而且可以为发现未知的新物理过程提供途径。
该项研究由北京师范大学、哈尔滨工业大学、中国科学院国家天文台、中国科学院物理研究所、北京大学、深圳技术大学、上海高功率激光物理国家实验室、上海交通大学等研究团队联合完成,项目得到了科技部、国家自然科学基金委员会和中科院先导专项资金的资助支持。
北京师范大学介绍七五”“八五”期间,北京师范大学被确定为国家首批重点建设的十所大学之一。
“九五”期间,被首批列入“211工程”建设计划。
2002年百年校庆之际,教育部和北京市决定重点共建北京师范大学,北京市第九次党代会将北京师范大学列入支持建设的世界一流大学的行列。
“十五”期间,学校进入国家“985工程”建设计划。
2017年,学校进入国家“世界一流大学”建设A类名单,11个学科进入国家“世界一流学科”建设名单。
北京师范大学由北京校区、珠海校区两个校区(含四个校园)组成。
北京校区现有全日制在校生24000余人,珠海校区于2019年4月由教育部正式批准建设,现有本研学生3600余人。
西安加速器质谱中心简介“西安加速器质谱中心”是在中国科学院、教育部和国家科技部的大力支持下,由中科院地球环境研究所与西安交通大学于2004年7月签订协议,联合筹建。
该中心是院校合作的一个实例,它是由中国科学院院领导(路院长、陈院长、李院长),西安交通大学校长郑南宁院士以及中科院地球环境研究所原所长安芷生院士共同倡议的。
正在建设的中心拥有的主要设备是从荷兰高压工程公司(HVEE)引进的三百万伏特(3MV)串列加速器质谱仪。
加速器质谱仪(简称AMS)就是把加速器技术(一种把带电粒子加速到高能量的装置)结合质谱仪技术(一种分析和测量不同质量的原子或分子的仪器)而构成的一种超高灵敏度质谱分析设备。
它分析的灵敏度可达10-12-10-16,也就是可以从千万亿个被测量的原子中把一个所要探测的原子(如放射性14C原子)分辨出来。
AMS的高灵敏度特点也导致了另一个优点,就是可以进行微量分析,它所需的样品量可以少于1mg。
所以AMS成为精确探测微量的长寿命放射性同位素的最前沿的大型仪器装备。
天然的长寿命放射性核素(如10Be、 14C、 26Al和 129I)都是宇宙射线在大气层中核反应的产物,它们通过降雨或降尘沉降到地表(海洋、冰川、陆地等)。
当它们深埋在海底、冰芯和地层与大气隔绝后,放射性强度就不断衰减。
测量沉积物上残留的放射性强度,就能推算出它们的年代,也叫断代,这种方法叫“衰变法”。
由于这些长寿命放射性核素的半衰期很长,10Be(1.5×106年)、14C(5730年)、26Al(7.0×105年)、以及129I(1.6×107年),所以衰变法测量时间长,所需样品量多,它不适合测量半衰期比14C长的其它核素。
即使是测量半衰期较短的14C,一克现代碳样品,每分钟只有13次放射计数。
而一克现代碳样品中实际上却包含了六百五十亿个14C原子。
如果我们直接测量样品中的14C原子数,测量计数率将大大提高。
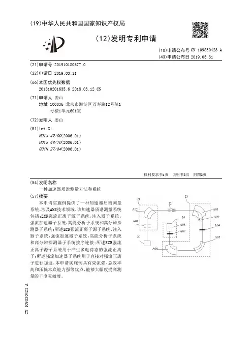
(19)中华人民共和国国家知识产权局(12)发明专利申请(10)申请公布号 (43)申请公布日 (21)申请号 201910180677.0(22)申请日 2019.03.11(66)本国优先权数据201810201635.6 2018.03.12 CN(71)申请人 姜山地址 100036 北京市海淀区万寿路12号院1号楼1单元601室(72)发明人 姜山 (51)Int.Cl.H01J 49/00(2006.01)H01J 49/10(2006.01)G01N 27/64(2006.01)(54)发明名称一种加速器质谱测量方法和系统(57)摘要本申请实施例提供了一种加速器质谱测量系统,涉及AMS技术领域。
该加速器质谱测量系统包括:ECR强流正离子源子系统,注入器子系统,强流加速器子系统,高能分析子系统和高分辨探测器子系统;所述ECR强流正离子源子系统,注入器子系统,强流加速器子系统,高能分析子系统和高分辨探测器子系统按序连接;所述ECR强流正离子源子系统用于产生多电荷态的强流正离子;所述强流加速器子系统用于直接对强流正离子进行加速。
本申请实施例具有束流强、总效率高和压低本底能力强等优点,能够大幅度提高测量的丰度灵敏度。
权利要求书1页 说明书8页 附图2页CN 109830423 A 2019.05.31C N 109830423A权 利 要 求 书1/1页CN 109830423 A1.一种加速器质谱测量系统,其特征在于,包括:ECR强流正离子源子系统,注入器子系统,强流加速器子系统,高能分析子系统和高分辨探测器子系统;所述ECR强流正离子源子系统,注入器子系统,强流加速器子系统,高能分析子系统和高分辨探测器子系统按序连接;所述ECR强流正离子源子系统用于产生多电荷态的强流正离子;所述强流加速器子系统用于直接对强流正离子进行加速。
2.根据权利要求1所述的加速器质谱测量系统,其特征在于,所述强流加速器子系统为强流单级静电加速器,所述强流单级静电加速器由多个加速管单元组成;所述强流加速器Array子系统加速的束流强度的范围为。
加速器质谱(AMS)测量结果与放射性活度浓度的单位换算保莉;宋沁楠;保颖;王瑞俊;杨宇轩【摘要】随着科技的发展,加速器质谱技术(AMS)越来越多的应用于辐射环境监测领域,AMS的测量结果通常以同位素原子数之比的方式为单位,而在辐射环境监测领域,多以放射性活度(Bq)形式给出最终结果,它们之间结果的换算就显得尤为重要.从不同方法测量结果的定义出发,尤其是14C断代领域常见的单位pMC,推算AMS 测量结果与放射性活度的换算公式.该方法能用于辐射环境监测领域的数据参考,同时对环境监测方法的评估有一定价值.【期刊名称】《世界核地质科学》【年(卷),期】2018(035)001【总页数】3页(P60-62)【关键词】加速器质谱;单位换算;pMC;放射性活度【作者】保莉;宋沁楠;保颖;王瑞俊;杨宇轩【作者单位】中国辐射防护研究院,太原 030006;中国辐射防护研究院,太原030006;嘉峪关市酒钢三中,甘肃嘉峪关 735100;中国辐射防护研究院,太原030006;中国辐射防护研究院,太原 030006【正文语种】中文【中图分类】P631.6+3加速器质谱(AMS,Accelerator Mass Spectrometry)是一种基于加速器和离子探测器的高灵敏度质谱分析方法,通过对样品中的原子进行直接测量而得到精确的结果。
AMS技术具有测量灵敏度高(同位素原子数之比可达10-16)、样品用量少(可以到ng量级)、测量时间短等优点[1]。
随着科技的不断进步与发展,AMS装置的发展趋于简单化、小型化和合理化,大型设备昂贵的运行维护费用和样品分析成本也在尽量降低,该技术所分析的核素也由14C发展到10Be、26Al、41Ca、 63Ni、99Tc、 129I、236U、239Pu和240Pu等众多核素,涉及领域从考古学、地球科学等延伸至生命科学、环境科学、放射性药物研究等等。
AMS方法通常以同位素原子数之比的方式给出结果,而在辐射环境监测领域,多以Bq形式给出最终结果。
加速器质谱中心简介利用超高灵敏度加速器质谱技术,进行高精度年代学研究,宇宙事件探测,宇宙成因核素的环境过程示踪,行星地质学的比较研究,加强碳、氮、氧、氢的生物地球化学循环与示踪过程研究,获取高分辨率的环境变化信息,为地球环境研究提供技术支撑平台。
发展定位实验室定位于加速器质谱新技术、同位素示踪新方法及其在地球环境科学、考古学和生物环境等领域的应用研究。
面向基础科学研究前沿和国家重大需求,将加速器质谱新技术与放射性核素、稳定同位素示踪新方法相结合,为我国尤其是我省在地球环境科学等领域的原创及应用研究提供科技支撑。
通过发挥加速器质谱技术优势,面向国内外开放,凝聚和培养从事加速器质谱技术及应用领域的高水平科技人才,逐步将实验室建设成为国际一流的加速器质谱应用研究中心、人才培训中心和权威分析测试中心,为我国及陕西省地方经济社会可持续发展提供科技服务。
研究方向:研究方向1:加速器质谱功能开发和技术创新加速器质谱仪(AMS)具有超高灵敏度和极少样品需求量的优势,成为进行地球科学中基础性、战略性和前瞻性研究的必要条件,已成为高精度年代学和地球环境精細过程示踪研究中不可缺少的前沿性工具。
实验室将在充分发挥AMS已有测量技术优势的基础上,开展AMS功能开发和技术创新研究,通过仪器的功能升级和技术改造,发展超微量样品14C、129I 和B同位素测试新技术,开发Pu等新放射性核素测试功能,拓展加速器质谱应用研究领域。
研究方向2:地球环境过程的宇宙成因核素示踪研究地球环境系统变化及行星和宇宙事件对地球环境影响的研究已成为本世纪地球科学前沿方向之一。
我国拥有丰富多彩的自然地理格局及类型多样的地质记录,使得在地球环境变化研究领域具有得天独厚的区域优势,也为我国地球环境研究赶超世界先进水平提供了极大的发展空间。
实验室将利用加速器质谱对各类长寿命放射性核素的测试优势,开展放射性核素在地球环境变化科学中的环境过程示踪和定年研究,获取自然环境变化的历史、规律,辩明人类活动的环境效应,探索东亚季风环境和内陆干旱环境的耦合演化特征及其机制,预测未来我国尤其是西部半干旱区气候变化趋势;开展宇宙成因核素(如10Be)定量示踪第四纪以来黄土地磁场强度和降水变化的历史重建研究,为刻画地球磁场变化历史的细节以及中长时间尺度大陆水循环过程和变化规律提供新的环境示踪途径。
利用超灵敏加速器质谱(AMS)寻找自然界中可能存在的第122号元素的实验研究Ubb报告人袁坚中国原子能科学研究院北京2009--4 --11利用AMS 寻找自然界中可能存在於远离稳定岛上长寿命超重元素的实验研究1.课题背景、意义及目标2.马维诺夫A. Marinov 等科学家发现超重元素的实验手段与存在的问题3.AMS 探索超重元素可行性分析* AMS 测量超重元素的优势*最佳实验方案--Tandem 串列加速器+Q3D 磁谱仪+Si 位置灵敏焦面探测器*401 AMS 设备目前状况分析与产额估算* 拟改进仪器设备4.小结通过设备改造、提升,可以实现原子比丰度在10-12的、寿命在千万年以上长寿命超重元素的寻找测量. 一项具有挑战性课题,无论yes, no 都有重要科学价值理论予言的远离稳定岛上是否存在数千万年以上的长寿命超重元素,本实验方法可否给予明确的回应Ubb m 292122Ubb m 2921221. 课题背景、意义及目标Marinov 等西方科学家[1]最近在网络上发表了题为’Evidence for a long-lived superheavy nucleus with atomic mass number A=292 and atomic number Z ≌122 in natural Th ’的科学论文。
2008 4 24, 4 28宣称在自然界中找到了122号长寿命超重元素292122 à. Unbibium à. Ubbm 292122Ubb1.原子质量, m=2922.原子量, Z=1223.在自然界中找到的长寿命超重元素, 估计寿命超过108年1.是一个高自旋超形变、同质异构态的长寿命元素, 该元素列入类钍、类铀超锕系族.2.天然钍Th 矿中,相对232Th 的元素丰度为(1-10)x10-12.如果在自然界果真存在如此长寿命的122号超重元素,其意义不可低估Ubbm2921221.实验上这一发现震撼了整个物理界.核物理、特别是核天体物理理论面临严峻的挑战。
2023北京重点校高二(上)期末物理汇编质谱仪与回旋加速器一、单选题1.(2023秋·北京海淀·高二101中学校考期末)如图所示为一速度选择器,内有一磁感应强度为B ,方向垂直纸面向外的匀强磁场,一束粒子流以速度V 水平射入,为使粒子流经磁场时不偏转(不计重力),则磁场区域内必须同时存在一个匀强电场,关于这个电场场强大小和方向的说法中,正确的是( )A .大小为B V ,粒子带正电时,方向向上 B .大小为B V,粒子带负电时,方向向下 C .大小为BV ,方向向下,与粒子带何种电荷无关D .大小为BV ,方向向上,与粒子带何种电荷无关2.(2023秋·北京西城·高二北京八中校考期末)利用霍尔效应制作的霍尔元件,广泛应用于测量和自动控制等领域。
如图所示是霍尔元件的工作原理示意图,磁感应强度B 垂直于霍尔元件的工作面向下,通入图示方向的恒定电流I ,M 、N 两侧面间会形成电势差。
下列说法中正确的是( )A .若元件的载流子是自由电子,则N 侧面电势高于M 侧面电势B .在测地球赤道上方的地磁场强弱时,元件的工作面应保持竖直C .在测地球赤道上方的地磁场强弱时,元件的工作面应保持水平D .霍尔电压H U 与B 成反比3.(2023秋·北京西城·高二北京八中校考期末)实验室中有一种污水流量计,其原理可以简化为如下图所示模型:废液内含有大量正、负离子,从直径为d 的圆柱形容器右侧流入,左侧流出,流量值Q 等于单位时间通过横截面的液体的体积。
空间有垂直纸面向里、磁感应强度为B 的匀强磁场,下列说法正确的是( )A.带正电粒子所受洛伦兹力方向向上U会一直变大B.b、a两点电压baC.污水流量计的流量与管道直径无关D.只需要再测出b、a两点电压就能够推算废液的流量值Q4.(2023秋·北京海淀·高二人大附中校考期末)磁流体发电机的原理如图所示。
加速器质谱测量原理加速器质谱(Accelerator Mass Spectrometry,AMS)是一种现代化的放射性同位素测量技术,常用于研究地球科学、天文学、生物学等领域。
本文将对AMS测量原理进行详细介绍。
一、 AMS技术背景AMS技术源于质谱学,是一种放射性同位素测量技术。
与传统质谱测量不同,AMS测量的是放射性同位素的质量。
在AMS技术测量中,使用加速器将待测样品中含有的放射性同位素加速到高能级别(一般千万亿级别的电子伏特),然后将样品离散为单个原子,这些离散原子具有较高的动能和较小的电荷,这种离散的单个原子可以在磁场中进行二次离子化,接下来,离子将被分离出来并在收集器中形成放射性同位素。
在AMS测量中,目标是测量含放射性同位素的样品中的稀有元素或同位素。
这些元素的分析受到各种因素的影响,如样品的制备方法,样品的来源和历史等。
随着AMS技术的不断发展,不断出现新的技术手段,可以测量的同位素也越来越多。
AMS测量中,样品中的放射性同位素第一次离子化,将成为正离子。
这种正离子在加速器中受到电场和磁场的作用进行加速,直到其动能达到足够高的水平,以进入能够进行质谱分析的区域。
在加速器的起始端,正离子会进入一个低压区域,其中包含一组扇形电极。
这些电极被设置在一定的角度上,使得离子在其上经历轨迹旋转。
接下来,离子进入一个更高的电场中,通常被称为“高压区域”。
在这个区域中,电场通过其引导离子以极高的速度进行运动,以通过加速器的整个长度。
加速器的核心组件是一个回旋加速器环,这个环的直径通常介于50到100米之间。
该环由一系列的磁铁组成,并在磁场内制造了一个旋转的电场加速器。
加速器中的离子在旋转过程中逐渐加速并获得更高能量,最终达到一定的最高能量(大约1个千万亿电子伏特)后,离子会进入一个“磁分离器”中。
磁分离器包括一个由强磁铁组成的“弯曲区域”,曲线是负切线形状。
正离子在穿过弯曲区域时会受到电磁力的重力,从而轨迹被扭曲。
灰烬是主要是硝酸盐和氯化物等无机物,碳元素都会转化为CO2气体。
可以收集气体用碳十四法测年份。
附:14C测年知识探索古代文明的有力工具--14C测年刘克新/北京大学技术物理陈铁梅/北京大学考古文博院当新石器时代的农业经济发展到一定阶段,距今约5000年前后,在埃及,西亚的两河流域和我国的中原地区先后出现了以社会分化、国家形成和大规模的宗教祭祀为主要特征的文明社会。
这个时期还没有文字,或文字体系的形成尚处于雏型,因此研究文明的起源和文明社会的诞生只能靠考古学的资料。
而在考古研究中,各“历史”事件必须按时间顺序排列才能被理解。
时间顺序是依靠考古地层学、考古类型学与自然科学的测年方法相结合来建立的。
在文明起源的这段年代范围内,最主要的,也许也是唯一其可靠性和精确度能被接受的自然科学测年方法是14C方法。
树木年轮法测年精确度虽高,但在我国短期尚难以达到实用阶段。
热释光法只是在个别情况下以陶片为测年材料。
14C测年对史前考古年代学的贡献在西方被剑桥大学考古系前主任C. Renfrew 称为“放射性碳素革命”。
在我国,已故著名考古学家夏鼐先生曾说“由于14C测定年代方法的采用,使不同地区的各种新石器文化有了时间关系的框架,使中国的新石器考古学有了确切的年代序列而进入一个新的时期”。
一.14C测年方法的基本原理在自然界中碳有两种稳定同位素12C,13C和放射性同位素14C。
14C是由宇宙射线和大气上层中的气体原子发生核反应而生成的,这些生成的14C不断地扩散到整个大气层、生物圈、沉积物和海洋等交换贮存库中。
由于14C也在不断衰变,因此在各交换贮存库中的14C含量将会达到平衡。
处于这种交换状态的含碳物质一旦脱离交换且一直处于封闭状态,则其中的14C不再得到补充,只会按衰变规律逐渐减少。
假定长期以来宇宙射线的强度没有改变,即14C的产生率不变,则只要测出该含碳物质中14C减少的程度,就可以按照基本的衰变公式推算出考古事件或地质事件的年代。
2022北京高二(下)期中物理汇编质谱仪与回旋加速器一、单选题1.(2022·北京·牛栏山一中高二期中)武汉病毒研究所是我国防护等级最高的P4实验室,在该实验室中有一种污水流量计,其原理可以简化为如图乙所示模型:废液内含有大量正负离子,从直径为d的圆柱形容器右侧流入,左侧流出,流量值Q等于单位时间通过横截面的液体的体积。
空间有垂直纸面向里的磁感应强度为B的匀强磁场,下列说法正确的是()A.只需要测量磁感应强度B、直径d及MN两点电压U,就能够推算污水的流量B.只需要测量磁感应强度B及MN两点电压U,就能够推算污水的流速C.当磁感应强度B增大时,污水流速将增大D.当污水中离子浓度升高时,MN两点电压将增大2.(2022·北京·北师大实验中学高二期中)一种用磁流体发电的装置如图所示。
已知等离子体(即高温下电离的气体,含有大量正、负带电粒子)以速度v喷射入磁感应强度为B的匀强磁场中(速度方向与磁场方向垂直),在磁场中有两块平行金属板A、B,板间距离为d,忽略粒子的重力及粒子间的相互作用,下列说法不正确的是()A.金属板A是电源的正极B.稳定后,发电机的电动势是BdvC.其他条件不变,只增大磁感应强度,发电机的电动势增大D.其他条件不变,只增大等离子体的射入速度,发电机的电动势增大3.(2022·北京房山·高二期中)1930年劳伦斯制成了世界上第一台回旋加速器,凭借此项成果,他于1939年获得诺贝尔物理学奖。
其原理如图所示,置于真空中的D形金属盒半径为R,两盒间的狭缝很小,带电粒子穿过的时间可忽略;磁感应强度为B的匀强磁场与盒面垂直,交流电源频率为f,加速电压为U。
若A处粒子源产生质子的质量为m、电荷量为q ,在加速过程中不考虑相对论效应和重力离子的影响。
则下列说法正确的是()A.若只增大交流电压U,则质子获得的最大动能增大B.若只增大D形金属盒半径,则质子获得的最大动能增大C.质子在回旋加速器中做圆周运动的周期随回旋半径的增大而增大D.若磁感应强度B增大,交流电频率f必须适当减小才能正常工作4.(2022·北京房山·高二期中)一个带正电的粒子(重力不计),以水平向右的初速度进入如图所示的匀强磁场和匀强电场区域时会向下偏转,则欲使粒子在电磁场中恰能沿水平直线运动,则应采用的方法是()A.增大电场强度B.增大电荷量C.增大磁感应强度D.减小入射速度5.(2022·北京房山·高二期中)物理学家霍尔于1879年在实验中发现,当电流垂直于磁场通过导体或半导体材料左右两个端面时,在材料的上下两个端面之间产生电势差。
西安加速器质谱中心完成设备安装
佚名
【期刊名称】《西安交通大学学报》
【年(卷),期】2006(40)1
【摘要】由国家科技部、教育部和中国科学院共同出资,西安交通大学与中国科学院西安地球环境研究所共建的“西安加速器质谱中心”,已经完成了所有设备的安装工作.
【总页数】1页(P114-114)
【关键词】西安交通大学;加速器质谱;设备安装;中国科学院;国家科技部;地球环境;安装工作;教育部;研究所
【正文语种】中文
【中图分类】TL817.4;G649.284.1
【相关文献】
1.我校国家自然科学基金工作取得新进展/西安加速器质谱中心完成设备安装/我校电信学院计算机系参与"神6"飞船任务/安全多播中可靠的密钥传送协议/西安交大"左手材料"研究取得新进展/郑南宁教授当选IEEE Fellow/蒋德明教授荣获中国内燃机学会"杰出成就奖" [J],
2.西安加速器质谱中心129I加速器质谱分析方法建立及其在我国核环境示踪中的应用 [J], 陈宁;付云翀;周卫健;侯小琳;张路远;刘起;贺朝会;罗茂益;范煜坤;王志文
3.西安加速器质谱中心多核素分析的加速器质谱仪 [J], 周卫健;卢雪峰;武振坤;赵稳年;黄春海;李琳琅;程鹏
4.西安加速器质谱中心简介 [J], 无
5.西安加速器质谱中心完成设备安装 [J],
因版权原因,仅展示原文概要,查看原文内容请购买。