电阻电容工程编码识别
- 格式:pdf
- 大小:89.67 KB
- 文档页数:3
一、三星1608 1/10W 50V 2012 1/8W 150V 3216 1/4W 150V 3225 1/4W 200V二、华新WALSIN 1、厂商标志或名称WALSIN精度:D=0.5%F=1%J=5%1、厂商标志或名称:YAGEO 1、厂商标志或名称2、贴片电阻料盘工程编码识别各品牌电阻电容工程编码识别对照表(一)电阻识别RC3216 F 1601 CS注:尺寸与功率的关系与耐压值代号 额定功率(W ) 工作电压(耐压值)2、贴片电阻料盘工程编码识别WR 06 X 1301 F T L 5%精度的命名: R S - 05K 102J T ①② ③ ④ ⑤ ⑥ 1%精度的命名: R S - 05 K 1002 F T ⑥2、贴片电阻工程编码的识别:RC 0603 J R — 07 39K四、风华高科:1、厂商标志或名称:贴片电阻的封装与功率关系如下表:2、贴片电阻工程编码的识别:一、三星电容精度代码: J=5% K=10% M=20% Z=+80-20%贴片电容的材料常规分为三种:NPO ,X7R ,Y5V要的高频电路。
容量精度在5%左右,但选用这种材质只能做容量较小的,常规100PF 以下,100PF-1000PF 也能生产但价格较高。
X7R :此种材质比NPO 稳定性差,但容量做的比NPO 的材料要高,容量精度在10%左右。
Y5V :此类介质的电容,其稳定性较差,容量偏差在20%左右,对温度电压较敏感,但这种材质能做到很高的容量,而且价格较低,适用于温度变化不大的电路中。
1、厂商名称或标志:1、厂商标志或名称:0805 CG 102 J 500 N T2、村田片电容工程编码识别 如:GRM188B11H102KA01KGR M 18 8 B1 1H 102 K A01 K ①+②型号+系列代号有:GRM 镀锡电极品、GR4信息设备专用、GR7照相机闪光电路专用、ERB 高频型、GQM 高频型波峰/回流焊接用、GMA 片状独石超小型、GMD 引线结合型、GNM 排容、LLL 低ESL 宽幅型、LLA 8终端低ESL 型,LLM IO 终端低ESL 型、GJM 高频低损耗型 镀锡型、GA2 AC250V (r.m.s )用、GA3安全规格论证品、GCM 汽车用锡电极品三、风华系列的贴片电容的命名:2.电容工程编码识别 如:0805CG102J500NT二、村田贴片电容2、贴片电容料盘工程编码识别:如CL10A105KQNNNCCL 10 A 105 K Q 8 N N N C ① ② ③ ④ ⑤ ⑥ ⑦ ⑧ ⑨ ⑩ ⑾(二)贴片电容识别1、厂商名称或标志:四、TDK 贴片电容识别:五、国巨电容识别贴片电容封装尺寸:毫米(英寸)0.25 ± 0.150.15 ±0.05(t)端点/公制(毫米)6.40 ±0.406.40 ± 0.403.20 ± 0.202.50 ± 0.200.81± 0.150.64 ± 0.390.61± 0.360.61 ±0.360.50 ± 0.250.50 ± 0.250.50 ± 0.250.35 ± 0.1512068056034022225182518121210⑦B=温度系数⑧ 472=4.7NF IUF=1000NF=1000000PF1、厂商标志或名称: YAGEO2.电容工程编码识别 如:CC0402KRX7R8BB472① CC=系列产品② 0402=尺寸 0603 0805 1206 1210 1812⑤ X7R=材质 X5R NPO X7R 常规料⑥ 8B=25V 5B =6.3V 6B=10V 7B=16V 8B=25V 9B=50V 5.72 ± 0.254.50 ± 0.304.50 ± 0.303.20 ± 0.20201 1.60 ± 0.201.25 ± 0.200.50 ± 0.100.30 ± 0.033.20 ± 0.202.01 ± 0.201.60 ± 0.151.00 ± 0.100.60 ± 0.03电容精度代码: J=5% K=10% M=20% Z=+80-20%电压代码:0J=6.3V 1A=10V 1C=16V 1E=25V 1H=50V 2A=100V 2E=250V 2J=630V 3A=1KV 3D=2KV 3F=3K封装(W) 宽度/公制(毫米)(L) 长度/公制(毫米)③ K=误差 J=5% K=10% M=20% Z=+80-20%④ R=纸编带CC 0402 K R X7R 8B B 472 ③ ④ ⑦ ⑧C 2012 X7R 1H 104 K T 1、厂商标志或名称:TDK2.电容工程编码识别 如: C2012X7R1H104KT。
密级:★高★版本:1.0 常见物料分类及编码规则XXX股份有限公司金蝶软件(中国)有限公司2022年4月25日2022-04-25物料分类及编码规则公司所有物料(除固定资产外)实行三级分类管理,划分为大类别、小类别和品种类型,物料编码总长为15位,物料大类、小类、物料品种和物料规格型号之间用英文句号隔开。
基本编码结构如下:X.XX.XX.XXXXXXXXXX物料规格(10位)物料品种类型(2位阿拉伯数字)物料小分类(2位大写英文字母)物料大分类(1位大写英文字母)一、物料大分类及其代码:1、电子材料:用“T”表示电子材料是指以其电性能为主要应用的材料,根据公司目前应用情况看,包括:集成电路类、印刷电路板类、电容器类、电阻器类、电感器类、晶体管类、接插件类、稳压器类、变压器类、充电器类、开关类、电池类、电声器类、电位器类、磁珠类、数据线类和电线电缆类等。
2、光学材料:用“G”表示光学材料是指传输光线的介质材料,包括光学玻璃、光学晶体和光学塑料等光学介质材料,但不包括光电性能一体化应用的光电材料,例如发光二极管、氖灯、日光灯、显像管、液晶屏等光电类材料,该类材料归于电子材料类,3、塑胶材料:用“S”表示塑胶材料是指以高分子合成树脂为主要应用的材料,包括ABS、PVC、PA、PS、PE 等塑胶料,但不包括光学与塑胶一体化应用的材料,以及用于产品包装的塑胶材料,例如有机玻璃、玻璃钢、吸塑盒等,该类材料归于光学材料类或包装材料类。
公司目前应用的塑胶材料主要包括数码相机、车载摄像头、网络摄像头等产品的塑胶结构件,例如机壳,以及用于其他用途的PVC线管、塑胶工具、塑胶模具等。
4、金属材料:用“J”表示金属材料是指以钢、铁、铝等为主要应用的材料,公司目前主要包括数码相机、摄像头等产品使用的金属结构件,以及用于其他用途的角铁、金属线管、金属紧固件、金属工具、金属模具等。
5、包装材料:用“B”表示包装材料是指用于产品包装的材料,主要包括包装箱、吸塑盒、胶袋、包装带、封箱胶纸、不干胶标签、防潮剂、合格证等。
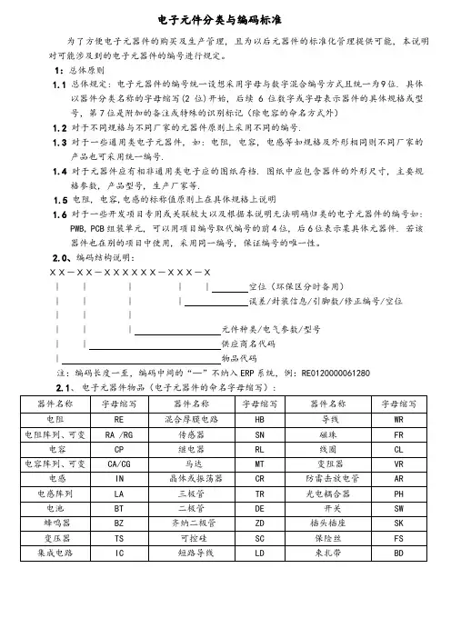
电子元件分类与编码标准为了方便电子元器件的购买及生产管理, 且为以后元器件的标准化管理提供可能, 本说明对可能涉及到的电子元器件的编号进行规定。
1: 总体原则1.1总体规定: 电子元器件的编号统一设想采用字母与数字混合编号方式且统一为9位. 具体以器件分类名称的字母缩写(2位)开始, 后续6位数字或字母表示器件的具体规格或型号,第7位是附加的备注或特殊的识别标记(除电容的命名方式外)1.2对于不同规格与不同厂家的元器件原则上采用不同的编号.1.3对于一些通用类电子元器件, 如: 电阻, 电容, 电感等如规格及外形相同则不同厂家的产品也可采用统一编号.1.4对于元器件应有相非通用类电子应的图纸存档. 图纸中应包含器件的外形尺寸, 主要规格参数, 产品型号, 生产厂家等.1.5电阻, 电容,电感的标称值原则上在具体规格上说明1.6对于一些开发项目专用或关联较大以及根据本说明无法明确归类的电子元器件的编号如:PWB, PCB组装单元, 可以用项目编号取代编号的前4位, 后6位表示某具体元器件. 若该器件也在别的项目中使用, 采用同一编号, 保证编号的唯一性。
2.0、编码结构说明:XX-XX-XXXXXX-XXX-X|||||空位(环保区分时备用)||||误差/封装信息/引脚数/修正编号/空位||||||元件种类/电气参数/型号||供应商名代码|物品代码注:编码长度一至,编码中间的“—”不纳入ERP系统,例:RE01200000612802.1、电子元器件物品(电子元器件的命名字母缩写):2.2、电子元器件材料明细分类编码规则:2.2.1、电阻类:RE—BB—C1 C2 C3 C4 C5 C6— X1 X2 X3 X4---X4修正编号X3封装及包装形式(见表2.2.1G)X1X2误差(见表2.2.1F)C3C4C5C6定额电阻(见表2.2.1D特例2.2.1E)C2功率(见表2.2.1C)C1分类(见表2.2.1A特例见2.2.1B) BB制造厂家RE固定电阻表2.2.1A: C1分类表2.2.1B:特例表2.2.1C:C2功率(表2.2.1D: C3 C4C5C6定额电阻电阻前3位表示基数C3 C4C5最后1位表示10的次数. C6电阻值=基数*10X代码基数阻值代码10X001 001 0 100002 002 1 101003 003 2 1023 1034 1045 1056 1067 10-18 10-2999 999 9 10-3表2.2.1E:特例当C1="L"(压敏电阻)时C2C3C4=压敏电压(基本单位:V)代码电压值代码电压值10A 0.01V 101 100V 10B 0.1V 471 470V 10C 1V 102 1KV 100 10V 122 1.2KVC 5 C6=峰值电流(基本单位:mA)代码电流值代码电压值10 1mA 14 10A11 10mA 15 100A12 100mA 16 1000A13 1A表2.2.1F: X1X2表示误差代码误差代码误差代码误差代码误差00 ±0.25% 01 ±0.5%02 ±1%03 ±2% 04 ±3% 05 ±5%06 ±6%07 ±10% 08 ±13%09 ±15% 10 ±20%11 ±25% 12 +30-20% 13 ±30% 14 +50-10% 15 +50-20% 16 +80-20% 17 +100-0%表2.2.1G: X3表示封装及包装形式2.2.2可变电阻/电位器类:RG—BB—C1 C2 C3 C4 C5 C6— X1 X2 X3 X4---X4修正编号X3封装及包装形式(见表2.2.2F)X1X2误差(见表2.2.2E)C6轴长(见表2.2.2D)C3 C4C5可变电阻值(见表2.2.2C)C2功率(见表2.2.2B)C1分类(见表2.2.2A) BB制造厂家RG可变电阻/电位器表2.2.2A: C1表示分类表2.2.2B:C2表示功率表2.2.2C:C3 C4C5可变电阻值可变电阻最大值前2位表示基数C3 C4最后1位表示10的次数.C5可变电阻最大值=基数*10X代码基数电阻代码10X01 01 0 10002 02 1 10103 03 2 1023 1034 1045 1056 10-17 10-28 10-399 99 9 10-4表2.2.2D: C6表示轴长代码轴长度代码轴长度00 00mm 15 15mm20 20mm 25 25mm表2.2.2E: X1X2表示误差代码误差代码误差代码误差代码误差00 ±0.25% 01 ±0.5%02 ±1%03 ±2%04 ±3% 05 ±5%06 ±6%07 ±10%08 ±13%09 ±15% 10 ±20%11 ±25%12 +30-20% 13 ±30% 14 +50-10% 15 +50-20%16 +80-20% 17 +100-0%表2.2.2F: X3封装及包装形式代码封装及包装0 散装T 编织带X 小体积Q 曲脚成型Z 直脚成型S SMD (特殊封装)2.2.3电容类:CP—BB—C1 C2 C3C4 C5 C6 C7—X1 X2 X3X3修正编号X2封装及包装形式(见表2.2.3F)X1误差(见表2.2.3E)C7电容单位(见表2.2.3D)C3 C4C5C6电容容量值(见表2.2.3C)C2耐压(见表2.2.3B)C1分类(见表2.2.3A) BB制造厂家CP电容表2.2.3A: C1表示分类表2.2.3B: C2表示耐压代码耐压代码耐压A 6.3VB 10VC 16VD 25VE 35VF 50VG 63V H 100VI 160V J 200VK 250V L 400VM 420V N 450VO 500V P 630VQ 800V R 1KVS 1K6V T 2KVU 3KV V 5KVW 6KV X 保留Y 15KV Z 其他不常用耐压0 特殊扩展例如有可能代表不需要耐压参数的元件1 AC125V 4 AC300V2 AC250V 5 AC400V3 AC275V表2.2.3C:C3 C4C5C6表示电容容量值电容前3位表示基数 C3 C4C5最后1位表示10的次数. C6电容值=基数*10X代码基数容量代码10X 001 001 0 100 002 002 1 101 003 003 2 1023 1034 1045 1056 10-17 10-28 10-3 999 999 9 10-4可调电容器前二位C4 C5表示最小值后二位C6C7表示最大值表2.2.3D: C7表示电容单位2.2.3E:X1表示误差2.2.3F:X2表示封装及包装形式2.2.4电感/线圈类:IN/CL—BB—C1 C2 C3 C4 C5 C6 C7—C8 X1 X2X2封装及包装形式(见表2.2.4G)X1误差(见表2.2.4F)C8电感单位(见表2.2.4D) (特例见表2.2.4E)C5 C6C7电感量(见表2.2.4C)C1 C2C3C4分类(见表2.2.4A/B)BB制造厂家IN电感/CL线圈2.2.4A: C1 C2表示形式和磁体分类第一位C1表示第二位C2表示代码形式代码磁体性质1 固定电感 1 空芯线圈2 可变电感 2 铁氧体线圈3 铁芯线圈4 铜芯线圈2.2.4B:C3 C4表示具体分类第三四位C3C4代码类型代码类型01 PEAKING COIL 色码电感13 AFC COIL 自动频率控制中频变压器02 CHOKE COIL 抑流电感/枕校电感14 SIF COIL 声频中频变压器02 PFC CHOKE COIL PFC 电感15 INDENT COIL/ IFT COIL 锁定中频变压器03 H - LINEAR COIL 水平振荡线圈16 OSC COIL 显示位置中频变压器04 H - WIDTH VARIABLE COIL 调宽线圈17 PLL ALIGNMENT COIL 锁相环校正线圈05 LINE FILTER 电源线路滤波线圈18 RF COIL 射频线圈06 HORIZONTAL CHOKE COIL 水平抑流线圈19 NICAM BPF COIL 丽音带通滤波器07 DEGAUSSING COIL 消磁线圈20 OSD FIXED COIL 字符位置线圈08 AM IF(DESMODULATOR) 调幅中频变压器21 LOW PASS FILTER COIL 低通滤波器09 FM IF 调频中频变压器22 RESONANCE COIL 振荡线圈10 DY(TOROID) 偏转线圈S0 MULTI LAYER SMD COIL 层叠贴片电感11 TRAP COIL 陷波中频变压器S1 WIRE WOUND SMD COIL 线绕贴片电感12 PIF COIL 图像中频变压器2.2.4C: C5 C6C7表示电感量电感前2位表示基数C5 C6最后1位表示10的次数.C7电感值=基数*10X代码基数电感量代码10X01 01 0 10002 02 1 10103 03 2 1023 1034 1045 1056 10-17 10-28 10-399 99 9 10-42.2.4D:C表示电感单位8 Array2.2.4E: (特例)2.2.4F: X1表示封装及包装形式22.2.5变压器类TS—BB—C1 C2 C3— C4 C5 C6—X1X2X3 X4X4封装及包装形式(见表2.2.5E)X1 X2X3输出功率(见表2.2.5D)C4 C5C6工作频率(见表2.2.5C)C1 C2C3分类(见表2.2.5A/B)BB制造厂家 TS 变压器2.2.5A: C1 C2表示冷却防潮和铁芯分类2.2.5B:C3表示具体分类2.2.5C:C4 C5C6表示工作频率频率前2位表示基数C4 C5最后1位表示单位C6当C4=R时10-1表示0.C5当C4=Z时10-2表示0.0 C5代码基数频率代码频率单位01 01 1 Hz02 02 2 KHz03 03 3 MHz4 GHz单位换算基础HzKHz =1000HzMHz =1000KHzGHz =1000MHz99 992.2.5D:X1 X2X3表示输出功率输出功率前2位表示基数X1 X2最后1位表示10的次数.X3功率值=基数*10X代码基数功率W 代码10X01 01 0 10002 02 1 10103 03 2 1023 1034 1045 1056 1067 1078 10-199 99 9 10-2 2.2.5E:X4表示封装及包装形式代码封装及包装0 散装T 编织带S SMDX 小体积2.2.6二极管类:DE—BB—C1 —C2C3C4C5C6C7C8 X1 X2封装及包装形式(见表2.2.6E)空位(特例见表2.2.6D)C2C3C4C5C6C7C8型号代码(特例见表2.2.6B\C) C1分类(见表2.2.6A) BB制造厂家DE 二极管2.2.6A:C1表示二极管的分类2.2.6B:C2C3C4特例稳压管表示功率2.2.6C:C5C6C7C8特例稳压管表示稳压值稳压值前3位表示基数C5C6C7最后1位表示10的次数.C8稳压值=基数*10X(基础单位:V)代码基数稳压值代码10X001 001 0 100002 002 1 101003 003 2 1023 1034 1045 1056 10-17 10-28 10-3999 999 9 10-42.2.6D:X1特例稳压管表示误差代码误差代码误差代码误差代码误差0 ±0.25% 1 ±0.5% 2 ±1% 3 ±2%4 ±3%5 ±5%6 ±6%7 ±10%8 ±13% 9 ±15% A ±20% B ±25%2.2.6E: X2表示封装及包装形式代码封装及包装0 散装T 编织带X 小体积Q 曲脚成型Z 直脚成型S SMD (特殊封装)2.2.7三极管TR—BB—C1 —C2C3C4C5C6C7C8 X1 X2 X3X3封装及包装形式(见表2.2.7C)X1X2内部型(见表2.2.7B)C2C3C4C5C6C7C8型号代码C1分类(见表2.2.7A) BB制造厂家DE 二极管2.2.7A: C1表示分类2.2.7B:X1X2内部型2.2.7C:X3封装及包装形式2.2.8晶阐管(可控硅)SC—BB—C1 —C2C3C4C5C6C7C8 X1 X2X2封装及包装形式(见表2.2.8B)空位C2C3C4C5C6C7C8型号代码C1分类(见表2.2.8A)BB制造厂家SC晶阐管(可控硅)2.2.8A: C1分类2.2.8B: X2封装及包装形式2.2.9晶体/振荡器CR—BB—C1C2 —C3C4C5C6 C7 X1 X2X2封装及包装形式(见表2.2.9E)X1精度位(特例见表2.2.9D)C7频率单位(见表2.2.9C)C3C4C5C6频率(见表2.2.9B)C1C2分类(见表2.2.9A)BB制造厂家CR晶体/振荡器2.2.9A: C1分类C1C2代码按材料分类代码按有源无源分类1 CRYSTAL 晶体振荡器 1 有源晶振(钟振)2 CERAMIC CRYSTAL 陶瓷共振器 2 无源晶振(谐振)2.2.9B: C3C4C5C6表示频率频率前3位表示基数C3C4C5最后1位表示10的次数.C6频率值=基数*10X(基础单位:Hz)代码基数稳压值代码10X001 001 0 100002 002 1 101003 003 2 1023 1034 1045 1056 1067 1078 108999 999 9 1092.2.9C:C7表示频率单位代码频率单位1 Hz2 KHz3 MHz4 GHz单位换算基础HzKHz =1000HzMHz =1000KHzGHz =1000MHz2.2.9D:X1表示精度位代码误差代码误差代码误差P +/-5ppm Q +/-10ppm R +/-20ppmS +/-30ppm T +/-40ppm U +/-50ppmV +/-100ppm2.2.9E: X2表示封装及包装形式2.2.10集成电路/ICIC— C1 —C2C3C4C5C6C7C8C9C10C11 X1X2X2修正编号X1封装及包装形式(见表2.2.10B)C2C3C4C5C6C7C8C9C10C11型号代码(不满10位用0补上)C1C2分类(见表2.2.10A)IC集成电路2.2.10A分类:C1C2表示分类2.2.10B: X1表示封装及包装形式。
e96数字代码与英文字母混合标准法一、概述e96数字代码与英文字母混合标准法是一种用于表达电阻和电容值的标准表示方法。
它包括三个部分:第一个部分是一个大写字母 "E",代表指数;第二个部分是一个两位的数字代码,代表数量级;第三个部分是一个大写字母 "R" 或 "C",分别代表电阻和电容。
这种表示方法具有一定的规范性和通用性,能够满足不同行业对电阻和电容值表示的需求。
二、e96数字代码部分e96数字代码部分由两位数字组成,分别表示数量级。
它包括了96个数值,范围从10^0到10^2。
这种编码方式能够满足不同精度要求的电阻和电容值的表示。
当需要表示一个100欧姆的电阻时,可以用数字代码50来表示,10^2即表示100欧姆。
同样,当需要表示一个0.1微法的电容时,可以用数字代码50来表示,10^-1即表示0.1微法。
三、英文字母部分英文字母部分分为 "R" 和 "C" 两种,分别代表电阻和电容。
这种表示方法简洁明了,能够清晰地表示器件的类型和特性。
在实际应用中,电子工程师和电路设计师常常使用这种表示方法来标注电子元器件的数值。
四、数字代码与字母混合表示示例以电阻为例,当需要表示一个47千欧姆的电阻时,可以用数字代码66和字母 "R" 来表示,即为66R。
同样,当需要表示一个0.022微法的电容时,可以用数字代码22和字母 "C" 来表示,即为22C。
五、e96数字代码与英文字母混合标准法的优势1. 规范性: e96数字代码与英文字母混合标准法具有一定的规范性,能够满足不同行业对电阻和电容值表示的需求。
2. 通用性: 这种表示方法在全球范围内得到广泛应用,能够满足不同国家和地区对电子元器件数值表示的要求。
3. 简洁明了: 这种表示方法简洁明了,能够清晰地表示器件的类型和特性。
电阻、电容的识别一、电阻阻值的色环表示法1、颜色和数字的对应关系:注意:金、银在第四环出现时,它们代表误差,金代表 5 %,银代表 10 %;而在第三环出现时,金代表 0.1 ,银代表 0.01 。
请看下例。
2、“四色环”读数规则:第一,二环表示两位有效数字,第三环表示数字后面添加“ 0 ”的个数。
如:例 1 :阻值:27后面添加“3个0”即 27000 欧,误差 5%例2:如果第 3 环是金色阻值: 27 小数点向前移1位,即 2.7 欧姆,误差 5%例3:阻值:22后面添加1个0即220欧姆,误差 5%例 4:例4所表示的阻值为 22 欧。
第三环“黑色”表示“ 0 个零”,也就是表示数字后面不添加 0 。
实际上,第三环用数学形式表达就是 10 的 N次方的倍率,前面的情况分别可写作:27×103=2700022×101=22022×10°=221000 欧 =1 千欧, 1000 千欧 =1 兆欧。
欧,即欧姆,符号是Ω;千欧:ΚΩ;兆欧: M Ω。
3 、“五色环”读数规则:第一、二、三环表示三位数字,第四环表示数字后面“ 0 ”的个数,第五环表示精度。
现在市场上逐步以五色环为主,而且第五环精度的表示方法目前实际使用和过去有关规定不同,一般用棕色表示误差 1 %。
举例如下:例5:这个电阻的阻值: 200000 欧姆= 200K 误差 1 %例6:绿= 5 ,棕= 1 ,黑= 0 ,银= 0.01 ,于是阻值=510 × 0.01=5.1Ω二电容器容量的表示方法电容器容量的基本单位是“法拉”( F ),1法拉的 1/1000000 (百万分之一)是1微法(μ F ),1微法的 1/1000000 是 1pF ( 1微微法,或1皮法)。
它们之间的关系是百万(或称 10 的 6 次方)进位关系。
我们常用的电容有:1、电介电容:多数在 1 μ F 以上,直接用数字表示。
公制长(L) 宽(W) 高(t) a0402 1/16W0603 1/10W0805 1/8W1206 1/4W电容电阻外形尺寸与封装的对应关系是:0402=1.0x0.50603=1.6x0.80805=2.0x1.21206=3.2x1.61210=3.2x2.51812=4.5x3.22225=5.6x6.5常规贴片电阻(部分)常规的贴片电阻的标准封装及额定功率如下表:英制(mil) 公制(mm) 额定功率(W)@ 70°C 0201 0603 1/200402 1005 1/160603 1608 1/100805 2012 1/81206 3216 1/41210 3225 1/31812 4832 1/22010 5025 3/42512 6432 1国内贴片电阻的命名方法:2、1%精度的命名:RS-05K1002FTR -表示电阻S -表示功率0402是1/16W、0603是1/10W、0805是1/8W、1206是1/4W、1210是1/3W、1812是1/2W、2010是3/4W、2512是1W。
05 -表示尺寸(英寸):02表示0402、03表示0603、05表示0805、06表示1206、1210表示1210、1812表示1812、10表示1210、12表示2512。
K -表示温度系数为100PPM,102-5%精度阻值表示法:前两位表示有效数字,第三位表示有多少个零,基本单位是Ω,102=10000Ω=1KΩ。
1002是1%阻值表示法:前三位表示有效数字,第四位表示有多少个零,基本单位是Ω,1002=100000Ω=10KΩ。
J -表示精度为5%、F-表示精度为1%。
T -表示编带包装1:0402(1/16W) 2:0603(1/10W) 3:0805(1/8W) 4:1206(1/4W) 5:1210(1/3W)6:2010(1/2W) 7:2512(1W)1206 20欧1/4 *4 5欧1w120贴片电阻各参数说明国内贴片电阻的命名方法:1、5%精度的命名:RS-05K102JTR -表示电阻S -表示功率0402是1/16W、0603是1/10W、0805是1/8W、1206是1/4W、1210是1/3W、1812是1/2W、2010是3/4W、2512是1W。
电子物料编码规则(一) 电阻类物料编码规则电阻类分为以下几小类小功率厚膜电阻类别号适用于功率小于等于1瓦厚膜电阻小功率碳膜电阻类别号适用于功率小于等于1瓦碳膜电阻小功率金属膜电阻类别号适用于功率小于等于1瓦金属膜电阻特殊电阻类别号特殊电阻包括可调电阻、压敏电阻、光敏电阻、热敏电阻、过流感应电阻、电热调节器排阻类别号适用于所有的排阻大功率电阻类别号适用于所有的功率大于1瓦的电阻其它电阻类别号除以上几类外的电阻或属于以上几类编码范围内,但编码规则对其不适用的全部归到此类小功率碳膜、厚膜、金属膜电阻编码及文字描述规则编码描述规则第1-3位数代表类别,第4位备用,第5位为1时代表环保物料,其它备用,第6-9位代表阻值编码,其中第6-8位代表阻值的前三有效数字,超过三位有效数字的归到其它电阻类,第9位代表倍乘数,如:0代表100,1代表101,其余以此类推,但是,其中8代表10-1,9代表10-2,7代表10-3,第10-11位代表误差及功率编号,见附表1,第12-13位代表封装形式编号,参照附表1。
文字描述规则类别、材质、阻值、误差、功率、封装规格在文字描述中类别用RES描述,材质碳膜用CF描述,厚膜用TF描述,金属膜用MF 描述,阻值的单位有奥姆(R)、千欧(K)、兆欧(M),如1.5欧描述为1R5,1000欧描述为1K,误差用百分比描述,如:误差为百分之五描述为:5%,功率用分数及整数描述,如:0.5瓦描述为:1/2W,1瓦描述为1W,封装规格中AXIAL表示轴向封装,RADIAL表示径向封装.特殊电阻、排阻的编码及文字描述规则编码描述规则第1-3位代表类别,第4位备用,第5位为1时代表环保物料,其它备用,第6-10位代表型号编号(特殊电阻从00001开始顺序排列,排阻从80001开始按顺序排列),第11-13位代表其它排列编号(主要用于同型号的物料有不同的参数时),从000开始按顺序排列。
文字描述规则类别、型号、特性参数以上的类别描述中,压敏电阻用V ARISTOR描述,可调电阻用POT描述,负温度系数热敏电阻用:RES NTC描述,正温度系数热敏电阻用:RES PTC描述,电热调节器用:THERMISTOR描述,光敏电阻用:RES LSR描述,过流感应电阻用:RES CURRENT SENSING描述,型号以制造商的描述为准,特性参数中,压敏电阻描述额定电压及封装脚距,可调电阻描述阻值、误差,描述方法与碳膜电阻相同,热敏电阻描述阻值、误差及封装脚距,电热调节器描述阻值,光敏电阻描述阻值,过流感应电阻不用描述特性参数。
实验一基本元器件电阻和电容的识别学号:姓名:一、实验目的1.熟悉基本电子元器件:电阻、电容2.学习基本元器件的识别方法3.学会基本元器件参数的读取方法二、实验内容1.认识基本元器件2.识别基本元器件的基本参数及作用三、实验报告1.电阻的识别方法电阻电容参数识别方法有直标法、色标法、数标法三种1.直标法直标法是指将电阻器的类别、标称电阻值、允许偏差、额定功率及其他参数的数值等直接标注在电阻器的表面。
如电阻器上印有68±5%,则阻值为68Ω,误差为±5%,而标注为“58”则表示阻值为58Ω。
也有的用数字加字母符号(Ω、K、M)或两者有规律的组合来表示电阻器的阻值,其中字母符号前面的数字表示阻值的整数部分,字母符号后面的数字表示阻值的小数部分。
2.数标法数标法主要用三位数表示阻值,前两位表示有效数字,第三位数字是倍率。
如电阻上标注"ABC",表示其阻值为AB×lOc,其中,"C"如果为9,则表示1。
例如标注为”653”,表示阻值为65 xl03Ω=65 kΩ;标注为“279”,表示阻值为27×10-1Ω=2.7Ω;标注“000”,阻值为0,这种电阻通常作保险用。
另外,可调电阻在标注阻值时,也常用两位数字表示。
第一位表示有效数字,第二位表示倍率。
如“24”表示2xl04= 20kΩ。
3、文字符号法文字符号法和直标法相同,也是直接将有关参数印制在电阻体上。
文字符号法,将5.7k电阻器标注成5k7,其中k既作单位,又作小数点。
文字符号法中,偏差通常用字母表示,如(a)图所示。
此电阻器,阻值为5.7k,偏差为±1%。
图(b)所示为碳膜电阻,阻值为1.8k偏差为±20%,其中用级别符号Ⅱ表示偏差4.色标法(1)识别精密电阻器的色标小功率的电阻器多数情况下用色环表示,特别是0.5W以下的碳膜和金属膜电阻器较为普遍,色环电阻器的色环可分为三环、四环、五环3种.普通电阻器大多用四个色环表示其阻值和允许偏差。
电阻、电容、电感规格、封装、尺寸、功率识别贴片电阻和贴片电容是电子元器件中常用的两种。
贴片电阻的封装有9种,分别用两种尺寸代码来表示,其中一种是由4位数字表示的EIA代码,另一种是米制代码。
常用的0603封装指的是英制代码。
下表列出了贴片电阻封装英制和公制的关系及详细尺寸。
电容和电阻的封装尺寸是一样的,如0805和1206等。
电阻封装尺寸与功率有对应关系,通常来说,0201对应1/20W,0402对应1/16W,0603对应1/10W,0805对应1/8W,1206对应1/4W。
电容电阻的外形尺寸和封装也有对应关系,如0402对应1.0x0.5,0603对应1.6x0.8,0805对应2.0x1.2,1206对应3.2x1.6,1210对应3.2x2.5,1812对应4.5x3.2,2225对应5.6x6.5.以上是常规贴片电阻的部分介绍。
102-5%精度阻值表示法是一种常用的电阻命名方法。
其中,前两位数字表示有效数字,第三位数字表示有多少个零,基本单位为___(Ω)。
例如,102表示1000Ω,即1KΩ。
另外,1002是1%阻值表示法,其中前三位数字表示有效数字,第四位数字表示有多少个零,基本单位同样为___。
例如,1002表示Ω,即10KΩ。
此外,J-和F-分别表示电阻的精度为5%和1%,而T-则表示编带包装。
贴片电阻的阻值表示也是数字与“R”组合表示的。
例如,3欧姆用3R0表示,10欧姆用100表示,100欧姆用101表示。
其中,“R”表示小数点的意思,而101后面个位数的“1”表示带有1个零。
另外,电阻上的数字和字母表示的就是阻值。
例如,R002表示0.002欧姆,180表示的是18欧姆。
此外,通过电阻的背景颜色和字体颜色可以区分电阻和电容。
电阻的背景颜色除了端角外应该是黑色的,而电容则没有字体表示和黑色背景颜色。
贴片电阻的命名中,阻值误差精度有±1%、±2%、±5%、±10%等不同精度。
电阻电容的识别方法
识别电阻和电容的方法如下:
1. 通过外观:电阻通常比较短小,呈现为长方形或圆柱形,两端有金属引线;电容通常比较大,呈现为圆柱形或长方形,两端有金属引线。
2. 通过标记:电阻上通常印有表示电阻值的彩色环或数字代码,如颜色环表示法或数值表示法;电容上通常印有相关电容值的标记,如数字表示法或字母缩写表示法。
3. 通过测量:使用万用表或LCR表可以测量电阻和电容的具体数值。
对于电阻,测量其电阻值,通常以欧姆(Ω)为单位。
对于电容,测量其电容值,通常以法拉(F)为单位。
4. 通过检测:使用示波器可以检测电容的充放电过程。
当给电容充电时,示波器上会显示电压逐渐上升到充电电压;当断开充电电源时,示波器上会显示电压逐渐下降到0,这说明电容的功能正常。
总之,通过外观、标记、测量和检测可以有效地识别电阻和电容。
贴片电阻和电容识别方法
贴片电阻和电容在现代电子产品中广泛应用。
但是,由于它们的大小很小且形状相似,很难区分它们。
以下是一些常用的贴片电阻和电容识别方法:
1. 通过颜色代码识别贴片电阻。
贴片电阻的值可以通过颜色代码来识别。
颜色代码是一组由不同颜色的带子组成的编码。
可以使用颜色代码表来识别每个带子对应的数字,并计算出电阻值。
这种方法需要有颜色盲的人注意,需要其他的辅助手段。
2. 通过印刷标识识别贴片电容。
一些贴片电容上有印刷的标识,可以显示其品牌、型号、电容值等信息。
这种方法需要有相关的标识。
3. 通过测试仪器识别。
使用万用表或LCR测试仪来测试贴片电阻和电容的值和特性。
这种方法需要有测试仪器。
以上是常用的贴片电阻和电容识别方法,可以根据具体情况选择合适的方法。
- 1 -。
一、三星
1608 1/10W 50V 2012 1/8W 150V 3216 1/4W 150V 3225 1/4W 200V
二、华新WALSIN 1、厂商标志或名称
WALSIN
精度:D=0.5%
F=1%J=5%
1、厂商标志或名称:
YAGEO 1、厂商标志或名称
2、贴片电阻料盘工程编码识别
各品牌电阻电容工程编码识别对照表
(一)电阻识别
RC
3216 F 1601 CS
注:尺寸与功率的关系与耐压值
代号 额定功率(W ) 工作电压(耐压值)
2、贴片电阻料盘工程编码识别
WR 06 X 1301 F T L 5%精度的命名: R S - 05
K 102
J T ①
② ③ ④ ⑤ ⑥ 1%精度的命名: R S - 05 K 1002 F T ⑥
2、贴片电阻工程编码的识别:
RC 0603 J R — 07 39K
四、风华高科:
1、厂商标志或名称:
贴片电阻的封装与功率关系如下表:
2、贴片电阻工程编码的识别:
一、三星
电容精度代码: J=5% K=10% M=20% Z=+80-20%
贴片电容的材料常规分为三种:NPO ,X7R ,Y5V
要的高频电路。
容量精度在5%左右,但选用这种材质只能做容量较小的,常规100PF 以下,100PF-1000PF 也能生产但价格较高。
X7R :此种材质比NPO 稳定性差,但容量做的比NPO 的材料要高,容量精度在10%左右。
Y5V :此类介质的电容,其稳定性较差,容量偏差在20%左右,对温度电压较敏感,但这种材质能做到很高的容量,而且价格较低,适用于温度变化不大的电路中。
1、厂商名称或标志:
1、厂商标志或名称:
0805 CG 102 J 500 N T
2、村田片电容工程编码识别 如:GRM188B11H102KA01K
GR M 18 8 B1 1H 102 K A01 K ①+②型号+系列代号有:GRM 镀锡电极品、GR4信息设备专用、GR7照相机闪光电路专用、ERB 高频型、GQM 高频型波峰/回流焊接用、GMA 片状独石超小型、GMD 引线结合型、GNM 排容、LLL 低ESL 宽幅型、LLA 8终端低ESL 型,LLM IO 终端低ESL 型、GJM 高频低损耗型 镀锡型、GA2 AC250V (r.m.s )用、GA3安全规格论证品、GCM 汽
车用锡电极品三、风华系列的贴片电容的命名:2.电容工程编码识别 如:0805CG102J500NT
二、村田贴片电容2、贴片电容料盘工程编码识别:如CL10A105KQNNNC
CL 10 A 105 K Q 8 N N N C ① ② ③ ④ ⑤ ⑥ ⑦ ⑧ ⑨ ⑩ ⑾
(二)贴片电容识别
1、厂商名称或标志:
四、TDK 贴片电容识别:
五、国巨电容识别
贴片电容封
装尺寸:毫米(英寸)
0.25 ± 0.150.15 ±
0.05(t)
端点/公制(毫
米)6.40 ±
0.40
6.40 ± 0.40
3.20 ± 0.202.50 ± 0.200.81
± 0.150.64 ± 0.39
0.61
± 0.360.61 ±
0.360.50 ± 0.25
0.50 ± 0.250.50 ± 0.25
0.35 ± 0.151206805
6034022225
1825
18121210⑦
B=温度系数
⑧ 472=4.7NF IUF=1000NF=1000000PF
1、厂商标志或名称: YAGEO
2.电容工程编码识别 如:CC0402KRX7R8BB472
① CC=系列产品
② 0402=尺寸 0603 0805 1206 1210 1812⑤ X7R=材质 X5R NPO X7R 常规料
⑥ 8B=25V 5B =6.3V 6B=10V 7B=16V 8B=25V 9B=50V 5.72 ± 0.25
4.50 ± 0.304.50 ± 0.303.20 ± 0.20201 1.60 ± 0.201.25 ± 0.200.50 ± 0.100.30 ± 0.033.20 ± 0.202.01 ± 0.201.60 ± 0.151.00 ± 0.100.60 ± 0.03电容精度代码: J=5% K=10% M=20% Z=+80-20%电压代码:0J=6.3V 1A=10V 1C=16V 1E=25V 1H=50V 2A=100V 2E=250V 2J=630V 3A=1KV 3D=2KV 3F=3K
封装(W) 宽度/公制(毫
米)
(L) 长度/公制(毫米)③ K=误差 J=5% K=10% M=20% Z=+80-20%④ R=纸编带
CC 0402 K R X7R 8B B 472 ③ ④ ⑦ ⑧
C 2012 X7R 1H 104 K T 1、厂商标志或名称:TDK
2.电容工程编码识别 如: C2012X7R1H104KT。