碳素结构钢与低合金高强钢焊接工艺分析
- 格式:doc
- 大小:25.50 KB
- 文档页数:3
钢结构工程普通包括钢结构焊接工程、钢结构紧固件连接工程、钢零件及钢部件加工工程、钢结构组装工程、钢构件预拼装工程、钢结构安装工程、压型金属板工程和钢结构涂装工程等,根据钢结构工程特点,结合在钢结构厂房监理经验和体味,监理应从以下几个方面对钢结构工程进行质量控制:1、材料质量要求:1.1 材料质量1.1.1 承重结构采用的钢材应具有抗拉强度、伸长率、屈服强度和硫磷含量的合格保证,对焊接结构尚应具有碳含量的合格保证。
1.1.2 钢结构焊接工程中所用的焊条、焊丝、焊剂、电渣焊熔嘴、焊钉、焊接瓷环和施焊用的保护气体等必须有出厂质量合格证 (质量证明书) 等质量证明文件。
焊条应符合国标《碳钢焊条》GB/T5117 或者《低合金钢焊条》 GB/T5118 的规定和设计要求。
1.1.3 焊接承重结构及重要非焊接承重钢结构采用的焊接材料应按国家现行有关标准进行见证抽样检验,有复试报告,应具有冷弯试验的合格保证。
1.1.4 钢结构焊接材料的出厂质量证明书和复试报告的品种、型号、规格及质量、性能及质量应符合设计和国家现行产品标准的规定。
1.2 材料选用:1.2.1 承重结构的钢材应采用 Q235 钢、 Q345 钢、 Q390 钢、 Q420 钢其质量应符合现行国家标准《碳素钢结构》 GB/T700 和《低合金高强度结构钢》 GB/T150 的规定。
1.2.2 钢结构焊接工程中所选用的焊条、焊丝、焊剂和电渣熔嘴等焊接材料应与母材相匹配,并符合设计和国家现行产品标准的规定。
1.2.3 钢结构焊接工程应优先选用已列入国家标准或者部颁标准的焊接材料。
1.2.4 如设计选用未列入标准的母材和焊接材料,应说明材料的可焊性,并提供满足设计要求的焊接工艺实验资料。
1.2.5 施工单位对首次采用的钢材、焊接材料、焊接方法、焊后热处理等,应进行焊接工艺评定,并根据符合要求的评定报告确定焊接工艺后方可采用。
1.2.6 施工单位对其采用的焊钉的钢材焊接应进行焊接工艺评定,其结果应符合设计和国家现行产品标准的规定。
碳钢主要指力学性能取决于钢中的碳含量,而一般不添加大量的合金元素的钢,有时也称为普碳钢或碳素钢。
碳钢也叫碳素钢,指含炭量WC小于2%的铁碳合金。
碳钢除含碳外一般还含有少量的硅、锰、硫、磷。
按用途可以把碳钢分为碳素结构钢、碳素工具钢和易切削结构钢三类,碳素结构钢又分为建筑结构钢和机器制造结构钢两种;按冶炼方法可分为平炉钢、转炉钢和电炉钢;按脱氧方法可分为沸腾钢(F)、镇静钢(Z)、半镇静钢(b)和特殊镇静钢(T Z);按含碳量可以把碳钢分为低碳钢(WC ≤ 0.25%),中碳钢(WC0.25%—0.6%)和高碳钢(WC>0.6%);按磷、硫含量可以把碳素钢分为普通碳素钢(含磷、硫较高)、优质碳素钢(含磷、硫较低)和高级优质钢(含磷、硫更低)和特级优质钢。
一般碳钢中含碳量较高则硬度越大,强度也越高,但塑性较低。
按国际标准,把钢区分为非合金钢和合金钢两大类,非合金钢是通常叫做碳素钢的一大钢类,钢中除了铁和碳以外,还含有炉料带入的少量合金元素Mn、Si、Al,杂质元素P、S及气体N、H、O等。
合金钢则是为了获得某种物理、化学或力学特性而有意添加了一定量的合金元素Cr、Ni、Mo、V,并对杂质和有害元素加以控制的另一类钢。
原则上讲,合金钢分为低合金钢、中合金钢和高合金钢,顾名思义,以含有合金元素的总量来加以区分,总量低于3%称为低合金钢,5~10%为中合金钢,大于10%为高合金钢。
在国内习惯上又将特殊质量的碳素钢和合金钢称为特殊钢,全国31家特钢企业专门生产这类钢,如优质碳素结构钢、合金结构钢、碳素工具钢、合金工具钢、高速工具钢、碳素弹簧钢、合金弹簧钢、轴承钢、不锈钢、耐热钢、电工钢,还包括高温合金、耐蚀合金和精密合金等等。
在钢的分类上,近年虽努力向国际通用标准靠拢,但还有许多不同之处。
①随着特钢向“特”、“精”、“高”发展,向深加工方向延伸,特钢的领域越来越窄。
美国特钢协会将特钢定位在工模具钢、不锈钢、电工钢、高温合金和镍合金。
优质碳素钢技术要求分析优质碳素钢的生产质量和数量是一个国家钢铁行业发展程度的重要检验指标,优质碳素钢的生产技术长期受到国外垄断,我国优质碳素钢的生产工艺和设备研发都还难以达到国际水平。
本文主要以优质碳素钢冷轧带钢为例,分析了当前世界范围内优质碳素钢的生产技术条件和主要存在的技术难题,并对退火工艺的改进提出了自己的建议。
标签:优质;碳素钢;技术要求1 優质碳素钢加工工艺主要技术要求(1)不同组织的带材性能表现。
带材的组织材料是指带材中钢的类型,例如:奥氏体、珠光体等,其中珠光体又包括片状珠光体、球状珠光体等。
带钢中组织结构多以珠光体为主,包括粗片状珠光体、细片状珠光体、球形珠光体等,主要影响材料的延展性。
其中,粗片状珠光体因片层间距较大,延展性较差,细片状珠光体和粒径较小的球形珠光体因间隙较小,延展性较好。
实际生产中会根据对材料的力学性能的具体要求把各种珠光体进行混合来生产特定延展性强度的带钢材料。
(2)带钢半成品退火以后的组织要求。
退火是指钢材在经过高温煅烧以后进行急剧降温定型和定性的操作。
退火的过程往往伴随着材料的一定程度的形变,形变的同时也有一定量球化的碳化物产生,且形变量越大碳化物的球化效果越好。
退火以后球状珠光体的质量和含量不同直接影响到粗钢的质量,因此,退火条件需要严格控制来控制粗钢中金属铁、锰、钛等的含量。
(3)球化退火工艺介绍。
球化退火工艺即上文中提到的退火过程中的退火操作。
要达到生产预先设定的组织结构条件要求,关键是要确定退火操作以后钢材中的球形碳化物的含量和质量。
目前使用最多的是罩式炉成卷退火技术,这项技术的主要原理是在低于临界点的温度下长时间处理以达到较好的球度,但是这项技术的一个重要问题是,能耗极高,大幅增加了生产成本。
因此,球化工艺的改进主要从退火温度入手,在以后的热处理中只要采取更低温度的再结晶退火处理就可以很好的提高球化级别和应力。
(4)冷轧压下制度。
冷轧主要参考数据为最后轧程压下率?n。
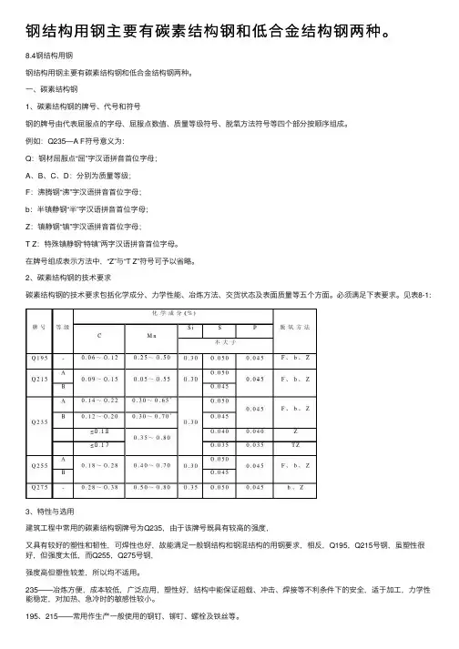
钢结构⽤钢主要有碳素结构钢和低合⾦结构钢两种。
8.4钢结构⽤钢钢结构⽤钢主要有碳素结构钢和低合⾦结构钢两种。
⼀、碳素结构钢1、碳素结构钢的牌号、代号和符号钢的牌号由代表屈服点的字母、屈服点数值、质量等级符号、脱氧⽅法符号等四个部分按顺序组成。
例如:Q235—A F符号意义为:Q:钢材屈服点“屈”字汉语拼⾳⾸位字母;A、B、C、D:分别为质量等级;F:沸腾钢“沸”字汉语拼⾳⾸位字母;b:半镇静钢“半”字汉语拼⾳⾸位字母;Z:镇静钢“镇”字汉语拼⾳⾸位字母;T Z:特殊镇静钢“特镇”两字汉语拼⾳⾸位字母。
在牌号组成表⽰⽅法中,“Z”与“T Z”符号可予以省略。
2、碳素结构钢的技术要求碳素结构钢的技术要求包括化学成分、⼒学性能、冶炼⽅法、交货状态及表⾯质量等五个⽅⾯。
必须满⾜下表要求。
见表8-1:3、特性与选⽤建筑⼯程中常⽤的碳素结构钢牌号为Q235,由于该牌号既具有较⾼的强度,⼜具有较好的塑性和韧性,可焊性也好,故能满⾜⼀般钢结构和钢混结构的⽤钢要求,相反,Q195,Q215号钢,虽塑性很好,但强度太低,⽽Q255,Q275号钢,强度⾼但塑性较差,所以均不适⽤。
235——冶炼⽅便,成本较低,⼴泛应⽤,塑性好,结构中能保证超载、冲击、焊接等不利条件下的安全,适于加⼯,⼒学性能稳定,对加热、急冷时的敏感性较⼩。
195、215——常⽤作⽣产⼀般使⽤的钢钉、铆钉、螺栓及铁丝等。
255、275——常⽤于⽣产机械零件和⼯具等。
选⽤原则——根据结构的重要性,荷载特征,连接⽅法,⼯作温度等不同情况选择钢号和材质。
⼆、低合⾦结构钢1、牌号及表⽰⽅法低合⾦⾼强度结构钢按含碳量和合⾦元素种类含量不同来划分牌号,共有5个牌号。
各钢材种类前⾯的两位数字表⽰其平均含量的万分数,后⾯的元素含量⼀般以百分之⼏表⽰,当其平均含量⼩于 1.5%时,只表明元素,⽽不标明含量,当其平均质量分数⼤于 1.5%,⽽低于 2.5%时,则在元素后⾯标出2字。
低合金高强度结构钢High Strength Low Alloy Steel一、定义中国国家标准GB/T13304-1991《钢分类》,参照国际标准,对钢的分类作了具体的规定。
低合金高强度钢HSLA是在碳素钢的基础上,通过加入少量合金元素并在热轧、控轧或热处理状态下,具有高强度、高韧性,较好的焊接性、成型性或耐腐蚀性等特征的钢材。
成分特点:低碳(Wc≤%),低合金。
性能特点:比普通碳素结构钢有较高的屈服强度和屈强比、较好的冷热加工成型性、良好的焊接性、较低的冷脆倾向、缺口和时效敏感性,以及有较好的抗大气、海水等腐蚀能力。
二、低合金高强度钢的发展1867-1874年,美国含铬结构钢,1902-1906年,美国含镍结构钢,1915年,美国含锰%桥梁用结构钢。
20世纪60年代以后,冶金生产工艺技术和低合金钢开发均取得巨大发展,锰、硅、铬、镍、钒、钛、铌等微合金元素的强化作用已清楚。
80年代后随着技术进步,通过钢质净化、晶粒细化、组织优化、基体强化等,促进了新型低合金钢的开发。
低合金钢是近30年来发展最快、产量最大、经济性最好、使用面最广、前景最广阔的钢类。
目前,新型的低合金高强度钢以低碳(≤%)和低硫(≤%)为主要特征。
我国是1957年在鞍钢试制成功第一炉低合金钢16Mn,随后研制出16Mn系列的桥梁用、船用、锅炉用、压力容器用、汽车用低合金钢。
1966年,低合金钢产量141万吨,占钢产量8%;至1979年,低合金钢产量254万吨,仍占钢产量8%。
1997年,低合金钢产量2368万吨,占钢产量22%。
各发达工业国家的低合金高强度钢产量约占钢产量的10%。
为进一步提高低合金高强度钢的性能,在低合金高强度钢的基础上,通过进一步降低碳质量分数、微合金化和控制轧制而发展了一系列新型低合金高强度结构钢,主要有以下四种:微合金化低碳高强度钢、低碳贝氏体型钢、低碳索氏体型钢、针状铁素体型钢。
三、低合金高强度钢中元素的作用常用的合金元素按其在钢的强化机制中的作用可分为:固溶强化元素(Mn、Si、Al、Cr、Ni、Mo、Cu等)、细化晶粒元素(Al、Nb、V、Ti、N等)、沉淀硬化元素(Nb、V、Ti等)以及相变强化元素(Mn、Si、Mo等)。
钢结构焊接现场施工工艺探讨摘要:本文阐述了建筑钢结构的特点,详细介绍了钢结构焊接现场施工工艺,就钢结构制作焊接中存在的问题进行分析, 并提出相应的预防措施和处理方法。
关键词:钢结构;焊接;现场;施工工艺中图分类号:tu391 文献标识码:a 文章编号:随着国民经济的发展,钢结构逐渐摆脱了其造价昂贵的缺点,在工程中的应用越来越广泛。
焊接钢结构以其构造简单、加工方便、易于自动化施工,不削弱杆件截面,可节约钢材等优点,得到了广泛的应用。
一、建筑钢结构的特点随着国家产业技术政策的调整、钢材产量的急剧增长、建筑理念的不断更新以及计算机技术的支持,钢结构以其自身的优点广泛应用于建筑工程领域,进入了飞速发展的新时期。
建筑钢结构的发展呈现出新的特点:1、钢结构建筑造型日趋新颖、结构体型日益多样。
以“奥运”场馆为代表的大跨复杂空间形状的钢结构建筑不断涌现;高层钢结构发展迅猛;管结构得到推广;住宅钢结构正在开发应用。
2、钢结构构件形状多变、节点构造复杂多样并且板厚加大。
3、开发和应用新品种钢材,选用新型材。
构件材料由低碳钢到低合金高强钢、铸钢。
网架结构已开始应用铝合金材料。
二、钢结构焊接现场施工工艺1、焊接材料的选择及匹配(1)强匹配。
强节点弱杆件,即与母材规定的最低标准相比,焊接材料熔敷金属在强度、韧性、塑性等方面要明显高于标准;并且焊接接头位置的各种基本的性能指标至少要与母材料规定的最低标准相匹配;(2)焊缝的塑性。
在进行厚板焊接时,应该根据厚度效应后的强度来选择适当的焊材,通常当节点的拘束度比较大的时候,可以在1/4 板厚以后选择强度稍低的焊材;(3)满足冲击韧性的要求。
对焊材韧性的选择是一项非常重要的工作,好韧性的焊材能够使焊缝以及热影响区的韧性满足钢结构的规定标准。
比如在焊接无裂纹钢种的时候,可以选取低h 或者超低h 的焊接材料,同时,在钢板厚度低于50mm 或者温度在0℃以上的时候,可以不对钢结构进行预热。
钢结构工程质量控制要点钢结构工程一般包括钢结构焊接工程、钢结构紧固件连接工程、钢零件及钢部件加工钢构件预拼装工程、钢结构安装工程、压型金属板工程和钢结构涂装工程等,根据钢钢结构厂房监理经验和体会,监理应从以下几个方面对钢结构工程进行质量控制:一、依据:设计图纸和《钢结构工程施工质量验收规范》(GB50205-2001)二、钢结构焊接工程1、材料质量要求:1.1 材料质量1.1.1 承重结构采用的钢材应具有抗拉强度、伸长率、屈服强度和硫磷含量的合具有碳含量的合格保证。
1.1.2 钢结构焊接工程中所用的焊条、焊丝、焊剂、电渣焊熔嘴、焊钉、焊接瓷必须有出厂质量合格证(质量证明书)等质量证明文件。
焊条应符合国标《碳钢焊条钢焊条》GB/T5118的规定和设计要求。
1.1.3 焊接承重结构及重要非焊接承重钢结构采用的焊接材料应按国家现行有关有复试报告,应具有冷弯试验的合格保证。
1.1.4 钢结构焊接材料的出厂质量证明书和复试报告的品种、型号、规格及质量和国家现行产品标准的规定。
1.2 材料选用:1.2.1 承重结构的钢材应采用Q235钢、Q345钢、Q390钢、Q420钢其质量应符合构》GB/T700和《低合金高强度结构钢》GB/T150的规定。
1.2.2 钢结构焊接工程中所选用的焊条、焊丝、焊剂和电渣熔嘴等焊接材料应与和国家现行产品标准的规定。
1.2.3 钢结构焊接工程应优先选用已列入国家标准或部颁标准的焊接材料。
1.2.4 如设计选用未列入标准的母材和焊接材料,应说明材料的可焊性,并提供实验资料。
1.2.5 施工单位对首次采用的钢材、焊接材料、焊接方法、焊后热处理等,应进符合要求的评定报告确定焊接工艺后方可采用。
1.2.6 施工单位对其采用的焊钉的钢材焊接应进行焊接工艺评定,其结果应符合的规定。
1.2.7 钢结构焊接工程中,一般采用焊缝金属与母材等强度的原则选用焊条、焊1.2.8 对处于外露环境且对耐腐蚀,有特殊要求的或在腐蚀性环境下的承重结构求应符合国标《焊接结构用耐候钢》GB/T4172的规定。
碳素结构钢和低合金结构钢冷轧薄钢板及钢带-概述说明以及解释1.引言1.1 概述:碳素结构钢和低合金结构钢作为重要的金属材料,在工程结构和制造业中具有广泛的应用。
冷轧薄钢板和钢带是其常见的加工形式,具有优异的力学性能和表面质量,被广泛应用于汽车制造、家电制造、建筑结构等领域。
本文将主要介绍碳素结构钢和低合金结构钢的特点,以及冷轧薄钢板和钢带的生产工艺。
通过对这些内容的分析和整理,旨在探讨碳素结构钢和低合金结构钢在冷轧薄钢板和钢带中的应用,以及未来的发展趋势。
希望通过本文的阐述,读者能更深入地了解这些材料在工程领域中的重要性和发展前景。
1.2 文章结构:本文主要包括三个部分,分别是引言、正文和结论。
在引言部分,将首先对碳素结构钢和低合金结构钢进行概述,然后介绍本文的结构和目的。
在正文部分,将详细介绍碳素结构钢和低合金结构钢的特点,以及冷轧薄钢板和钢带的生产工艺。
在结论部分,将讨论碳素结构钢和低合金结构钢在冷轧薄钢板和钢带中的应用情况,分析未来的发展趋势,并对全文进行总结。
通过这样的结构,读者可以全面了解碳素结构钢和低合金结构钢在冷轧薄钢板和钢带中的重要性和应用前景。
1.3 目的本文的目的是探讨碳素结构钢和低合金结构钢在冷轧薄钢板和钢带生产中的特点和应用。
通过对这两种材料的特性和生产工艺的介绍,可以更好地理解它们在制造业中的重要性和广泛应用。
同时,通过研究碳素结构钢和低合金结构钢在冷轧薄钢板和钢带中的优势和局限性,有助于指导相关领域的工程师和研究人员更好地选择材料和优化生产工艺。
最终,本文旨在为碳素结构钢和低合金结构钢在冷轧薄钢板和钢带生产中的应用提供一定的参考和借鉴。
2.正文2.1 碳素结构钢的特点:碳素结构钢是一种含碳量较高的钢铁材料,其碳含量通常在0.12到2.0之间。
碳素结构钢具有以下几个主要特点:1. 强度高:碳素结构钢经过适当的热处理和调质处理后,可以达到较高的抗拉强度和屈服强度,适用于要求高强度的工程结构和机械零部件的制造。
中美建筑钢结构钢材性能对比分析共3篇中美建筑钢结构钢材性能对比分析1随着建筑行业的不断发展,钢结构建筑已经成为一个不可忽视的建筑领域。
在中美两个国家内,钢结构建筑的比例也逐年上升。
当中涉及的钢材性能对比问题,更是至关重要,因为这关系到建筑质量和安全。
因此,本文将对中美建筑钢结构钢材性能进行详细的对比分析。
首先,我们需要了解钢的基本性质。
钢是由一种或多种金属元素与碳元素共同组成的合金。
钢的特点是强度高、韧性好、耐磨性强且容易加工。
在建筑行业中,钢的使用可以提高建筑物的抗风、抗震、抗火等性能,保证建筑安全。
在钢结构建筑的设计中,钢材的选择非常重要,因为不同的钢材性能不同,对建筑的影响也不同。
在中美两国,虽然钢结构建筑的发展比较相似,但在钢材的选用上却有较大的差异。
首先我们来看一下国内。
由于我国资源丰富,钢材生产产量巨大,因此国内构建钢结构建筑的钢材大多是钢筋、角钢、工字钢、螺栓、焊材等产品。
这些钢材都有较高的强度和韧性,可以保证建筑在抗风、抗震方面的稳定性。
同时,钢筋、角钢等常用钢材在建筑中的应用广泛,容易实现生产和加工,可以加快施工进度并降低施工难度和成本。
而在美国,由于钢材生产量不足,所以较多地引进外国钢材,如来自加拿大和墨西哥的钢材。
与国内的情况相比,美国的钢材选用范围更广,几乎覆盖了各种类型的钢材。
在建筑钢结构中,美国更多选择高强度钢材,例如ASTM A572,它可以在保证建筑稳定的前提下经受更大的负载,提高建筑的耐久性和安全性。
同时,在钢材的设计和工艺方面,中美两国也存在着差异。
在我国的钢材设计中,大多数焊接点处使用螺栓连接,这是因为螺栓连接具有可靠性高,可维护性强等特点。
而在美国,更多的采用焊接技术,因为焊接可以减少连接的数量,提高钢材的整体强度,同时节省人力、材料和时间成本。
中美两国的建筑钢结构钢材性能对比分析,是两国建筑安全保障工程中的重要内容,尤其是在钢结构建筑的应用领域中。
因此,选择高品质的钢材非常必要。
各种金属的焊接工艺金属焊接工艺各种金属的焊接工艺碳钢及普通低合金钢的焊接104.什么是碳素钢?常用的有哪几种?答:碳素钢也叫碳钢。
常用焊接的有低碳钢(含C≤0.25%)和中碳钢(含C=0.25%--0.60%);优质碳素结构钢(08、10、15、20、25、30、35、40、45)105.为什么叫普通低合金钢?它们是如何分类的?答:在普通低合金钢中,除碳以外,还含有少量其他元素,如:锰、硅、钒、钼、钛、铝、铌、铜、硼、磷、稀土等,性能发生变化,得到比一般碳钢更优良的性能,如:高强度钢、耐蚀钢、低温钢、耐热钢等。
106.什么是金属材料的机械性能?答:强度、硬度、朔性、韧性、耐疲劳和蠕变性能等。
107.什么是钢材的工艺性能?答:钢材承受各种冷热加工的能力,如:可切削性、可锻性、可铸性和可焊接性等。
108.什么是金属的焊接性?答:在一定的焊接工艺条件下获得优质焊接接头的难易程度。
包括两方面的内容:一是接合性能,又称工艺可焊性;二是使用性能,又称使用可焊性。
109.为什么ER50-6实心焊丝使用十分普遍?它适合哪些钢材?答:ER50-6实心焊丝适合的钢材有:〈1〉普通碳素结构钢:Q215 Q235 Q255 Q275〈2〉优质碳素结构钢:08 10 15 20 25 30 35 40 45 15Mn 20Mn 25Mn 30Mn 35Mn〈3〉碳素铸钢:ZG200-400H ZG230-450H ZG275-485H〈4〉压力容器用碳素钢:20R〈5〉锅炉用碳素钢:20g〈6〉桥梁用碳素结构钢:16q〈7〉核压力容器用碳素钢:20HR〈8〉汽车制造用碳素结构钢:08Al 15Al〈9〉普通低合金高强度结构钢:Q295 (09MnV、09MnNb、09Mn2)Q345 (14MnNb、16Mn、16MnRE)Q390 (15MnV、15MnTi、16MnNb)Q420 (15MnVN、14MnVTiRE)〈10〉船体用低合金高强度结构钢AH32 DH32 EH32 AH36〈11〉压力容器用低合金高强度结构钢16MnR 15MnVR 15MnVNR〈12〉锅炉用低合金高强度结构钢16Mng 19Mng 22Mng〈13〉桥梁用低合金高强度结构钢16Mnq(16MnCuq)15MnVq 15MnVNq〈14〉石油天然气管道用低合金高强度结构钢S290 S315 S360 S380 S415110.为什么低合金高强钢会出现裂纹?有哪些影响因素?答:随含碳量和合金元素的增加,产生冷裂纹的敏感性增加。
高频焊管焊接缺陷及其分析焊接缺陷及其分析高频直缝焊接钢管的焊接质量缺陷有裂缝、搭焊、漏水、划伤等等。
下面仅对裂缝、搭焊这两个主要缺陷进行分析:一、裂缝裂缝是焊管的主要缺陷,其表现形式可以由通常的裂缝,局部的周期性裂缝,不规则出现的断续裂缝。
也有的钢管焊后表面未见裂缝,但经压扁、矫直或水压试验后出现裂缝。
裂缝严重时便漏水。
产生裂缝的原因很多。
消除裂缝是焊接调整操作中最困难的问题之一。
下面分别从原料方面、成型焊接孔型方面和工艺参数选择方面进行分析。
1.原料方面(1)钢种,即钢的化学成分对焊接性能有明显的影响,钢中所含的化学元素都或多或少、或好或坏地影响着焊接性能。
高频焊由于焊接温度高,挤压力大等原因,比低频焊允许的化学范围要广些,可以焊接碳素钢、低合金钢等。
碳素钢主要含有碳、硅、锰、磷、硫五种元素。
低合金钢还可以含有锰、钛、钒、铝、镍等各种元素。
下面分述各种元素对焊接性能的影响。
1)碳碳含量增加,是焊接性能降低,硬度升高,容易脆裂。
低碳钢容易焊接。
2)硅硅降低钢的焊接性,主要是容易生成低镕点的SiO2 夹杂物;增加了熔渣和溶化金属的流动性,引起严重的喷溅现象,从而影响质量。
3)锰锰使钢的强度、硬度增加,焊接性能降低,容易造成脆裂。
4)磷磷对钢的焊接性不利。
磷是造成蓝脆的主要原因。
5)铜含量小于 0.75% 时,不影响钢的焊接性。
含量再高时,使钢的流动性增加,不利于焊接。
6) 镍镍对钢的焊接性没有显著的不利影响。
7) 铬铬使钢的焊接性能降低,高熔点氧化物很难从焊缝中排除。
8) 钛钛能细化晶粒,钛增加钢的焊接性能,钛能使钢的流动性变差,粘度大。
9)硫硫导致焊缝的热裂。
在焊接过程中硫易于氧化,生成气体逸出,以致在焊缝中产生很多气孔和疏松。
硫不利于焊接并且降低钢的机械性能,通常钢中硫被限制在规定的微量以下。
10) 钒钒能显著改善普通低合金钢的焊接性能。
钒能细化晶粒、防止热影响区的晶粒长大和粗化,并能固定钢中一部分碳,降低钢的淬透性。
技能认证铆工初级考试(习题卷15)第1部分:单项选择题,共51题,每题只有一个正确答案,多选或少选均不得分。
1.[单选题]设计压力为1.6MPa的容器为( )A)低压B)中压C)高压答案:B解析:2.[单选题]在焊接引弧之前,弧焊电源的端电压称为( )。
A)静电压B)负载电压C)空载电压答案:C解析:3.[单选题]容器制成后应进行( )试验。
A)破坏性B)压力C)有损答案:B解析:4.[单选题]如果锥体绕其轴旋转,分别使锥面上的每条素线处于与某一投影面()的位置,那么,在这个投影面上就可以得到每条索线的实长,这就是旋转法实长。
A)平行B)垂直C)倾斜答案:A解析:5.[单选题]在常见的坡口形式中,( )形坡口的填充量最大,也最容易引起焊件变形。
A)VB)UC)X答案:A解析:6.[单选题]开口部件包括工艺开口及()开口部件。
A)仪表B)弯管C)法兰D)短管答案:A7.[单选题]冷做工使用的摩擦螺旋压力机属于丝杆转动,是螺母做直线运动的( )传动机构。
A)双向螺旋B)连杆C)凸轮D)普通螺旋答案:D解析:8.[单选题]圆筒直线度检查,应通过中心线的水平和垂直面,即沿圆周( )部位测量。
A)2B)3C)4D)5答案:C解析:9.[单选题]装配过程中,必须具备( )这个基本条件。
A)定位B)夹紧C)定位和夹紧D)测量答案:C解析:10.[单选题]压力容器的致密性试验多采用()。
A)水压B)气压C)气密D)煤油渗透答案:C解析:11.[单选题]引起钢材变形原因有多种,其中( )是可以避免的。
A)残余应力引起变形B)钢材在加工过程中引起的变形C)结构装配焊接过程中产生的变形D)运输不当造成的变形答案:D解析:12.[单选题]在椭圆的画法中,只要已知()就可以了。
A)长轴B)短轴C)长轴和短轴D)焦距尺寸答案:C解析:13.[单选题]为保证冲裁件质量和模具寿命,冲裁时,材料在凸模工作刃口外侧应留有足够的( ),即所谓搭边值。
起重机钢结构焊接通用技术条件编制:审核:批准:青岛华荣起重机械目录1 适用范围 12 引用标准 13 母材 24 焊接材料 35 下料、坡口加工及检验 36 结构件的组装 57 产品焊接的实施78 焊后消除应力处理109 焊接变形的矫正1010 焊缝的质量检验1111 焊接缺陷的返修1312 完工报告14起重机钢结构焊接通用技术条件1 适用范围1.1 本技术条件规定了青岛华荣起重机械生产的碳钢和低合金高强钢起重机钢结构焊条电弧焊、气体保护焊和埋弧焊的技术要求。
1.2 本技术条件适用于《特种设备安全监察条例》中规定的起重机械。
对于其它类型的起重设备也可参照执行。
1.3 除本技术条件规定外,如有特殊要求应按图样和专用技术条件执行。
2 相关标准GB 3811-2008 起重机设计标准GB 6067.1-2010 起重机安全规程第1部分:总则GB/T 14405-2011 通用桥式起重机GB/T 14406-2011 通用门式起重机GB/T 17495-2009 港口门座起重机GB/T 15361-2009 岸边集装箱起重机GB/T 19683-2005 轨道式集装箱门式起重机JB/T 5000.1-2007 重型机械通用技术条件第1部分:产品检验JB/T 5000.2-2007 重型机械通用技术条件第2部分:火焰切割件JB/T 5000.3-2007 重型机械通用技术条件第3部分:焊接件JB/T 5000.12-2007 重型机械通用技术条件第12部分:涂装JB/T 3223-1996 焊接材料质量管理规程JB/T 6061-2007 无损检测焊缝磁粉检测JB/T 6062-2007 无损检测焊缝渗透检测JB/T 10559-2006 起重机械无损检测钢焊缝超声检测GB/T 3323-2005 金属熔化焊焊接接头射线照相NBT 47014-2011(JBT 4708 ) 承压设备焊接工艺评定NBT 47016-2011(JBT 4744) 承压设备产品焊接试件的力学性能NBT47015-2011(JBT 4709) 压力容器焊接规程GBT 19418-2003 钢的弧焊接头缺陷质量分级指南GBT 985.1-2008 气焊、焊条电弧焊、气体保护焊和高能束焊的推荐坡口GBT 985.2-2008 埋弧焊的推荐坡口TSG Q7001-2006 起重机械制造监督检验规则TSG Z6001-2005 特种设备作业人员考核规则TSG Z6002-2010 特种设备焊接操作人员考核细则3 母材3.1 起重机钢结构所用钢种为碳素结构钢或低合金高强钢,其牌号应符合图纸的规定。
钢结构焊接工艺一、工程焊接特点.(1)本工程地上钢结构构件主体材质为Q355、Q235,此类型钢材在大跨钢结构中应用比较普遍,焊接性能良好,焊接工艺成熟可靠,根据焊接工艺评定参数焊接。
(2)屋架现场拼装组对。
现场焊接量一般。
制造厂焊接效率将直接影响到钢结构安装进度,可以说整个工程进度与焊接进度是息息相关。
二、焊接方法药芯焊丝气体保护焊的焊接根据现场焊接特点,并结合工程实际,采用CO2方法。
选用CO药芯焊丝气体保护焊,一是熔敷速度高,其熔敷速度为手工焊条2的2~3倍,熔敷效率可达90%以上;二是气渣联合保护,电梯稳定、飞溅少、脱渣易、焊道成型美观;第三,对电流、电压的适应范围广,焊接条件设定较为容易。
三、焊接材料(1)焊接材料选用焊接材料采用氢含量较低的焊材。
焊接材料的选用原则与母材强度等强。
焊丝选用:Q355B E501T(药芯焊丝Φ1.2)保护气体为CO2,纯度99.98%(露点≤-40℃)。
焊条J506(2)焊材复验对所有应用于本工程的焊接材料按生产批号进行成分、性能的复验,复验由甲方及国家技术质量监督部门认可的质量监督检测机构进行。
(3)焊材管理焊材须有质保书,应该按类别、牌号、规格、批号等分类堆放,并有明确标志。
堆放场地应保持通风、干燥。
(4)焊材使用药芯焊丝启封后,应尽快用完,不得超过两天时间。
当天多余焊丝应用薄膜封包,存放在室内。
二氧化碳气瓶必须装有预热干燥器。
四、焊工资质焊工应具备全位置焊接水平。
严禁无证上岗,或者低级别焊高级别。
五、焊接工艺评定在工程正式施焊前,根据不同的焊接方法、焊接材料、焊接位置、预热要求以及坡口类型等等,按照GB50661-2011进行工艺评定试验,确定合适的焊接参数,作为焊接工艺规程的依据。
制定出具体的焊接工艺规程后,将要求焊工严格执行,不得随意改变工艺参数。
六、现场焊接施工流程钢结构现场焊接工艺流程图七、焊前准备焊接区操作平台搭设良好,平台高度及宽度应有利于焊工操作舒适、方便,并应有防风措施。
碳素结构钢与低合金高强钢焊接工艺分析
摘要:本文主要通过对碳素结构钢与低合金高强钢的焊接性能进行分析,选用适宜的焊接方法、焊接材料,采取相应的质量控制措施,制定了适宜的焊接工艺,确保产品焊接接头性能符合产品技术条件要求,为企业创造更大效益。
关键词:碳素结构钢;低合金高强钢;焊接工艺
Abstract: This paper mainly through the carbon steel and low alloy high strength steel welding performance analysis, the choice of suitable welding method, welding materials, take appropriate quality control measures, the development of a suitable welding process, to ensure that products meet the performance of welded joints product technical conditions for enterprises to create greater efficiency.
Keywords: carbon structural steel; low alloy high strength steel; welding process
碳素结构钢与低合金高强钢焊接属于异种金属材料焊接,采用异种钢的焊接结构,不但经济合理而且便于根据材料来分析焊接工艺,而且能提高构件的使用性能。
异种金属制成的焊接结构在现代机械、化工、电力、石油及矿山邓领域的应用日益广泛。
碳素结构钢产量大、成本低、杂志较多,且具有一定的力学性能,一般在热轧钢板、钢带、型钢、棒钢、可供焊接、以及栓接构件之用。
广泛应用于桥梁、船舶、建筑工程中制作各种静负荷的金属结构件、不需要热处理的一般机械零件盒普通焊接件,是一种用途广泛的工程用钢。
低合金高强钢结构钢是含少量合金元素(一般含合金(质量分数)小于3%)的普通合金钢,它强度高,加工和焊接性能好,具有较好耐磨、耐腐蚀、耐低温性能,生产成本和碳素钢接近。
低合金高强钢含碳量低(质量分数)(一般在0.1%-0.25%范围内)。
随着钢中合金元素含量的增加,钢的淬硬性增大,焊接性变差。
加入的主要合金元素是猛、硅、钒、钛、铌等。
锰硅能对钛素体起固溶强化作用,提高强度;钒、钛和铌细化晶粒,提高钢的韧性;加入适量铜、磷可以提高耐蚀能力;加入适量稀土有利于脱氧、脱硫和净化钢中其他杂质和改善钢的性能。
低合金高强度结构钢广泛用于船舶、车辆、桥梁、高压容器、钢结构件等。
二、焊接工艺
碳素结构钢与低合金高强钢焊接时焊接工艺(包括焊前准备、焊接材料的选择、预热和层间温度、焊后热处理)应由焊接性相对较差的一侧来确定。
焊接前准备
1.坡口加工。
300~400Mpa级别的低合金高强钢,如Q345.通常状态下坡口均是机械加工的坡口。
这一级别的低合金钢气割性能与碳素结构钢的一样良好。
在气割边缘宽1mm范围内虽有淬硬现象,但由于淬硬区很窄小,焊接过程中可以将淬硬区熔入焊缝金属的熔池中,气割后的边缘不需要进行机械加工就可以直接施焊。
2.组对。
焊接装配时不可强制组装。
对角变形和错边量要严格控制,避免未焊透和应力集中而引起的裂纹。
为了防止装配点固焊点开裂,点固焊的焊缝应长些、厚些。
一般点固焊缝的长度为20-100mm。
点固焊和正式焊之间的间隔时间不宜过长。
(二)焊接工艺
1.焊接材料的选择。
碳素结构钢与低合金高强钢焊接属于异种金属材料焊接,焊接时应遵循异种金属接头分类方法:1异种有色金属接头。
2有色金属与黑色金属焊接。
3异种黑色金属焊接。
异种黑色金属焊接包括铁与钢焊接和异种钢焊接,其中异种钢焊接又包括:金相组织类型相同但化学成分不同的钢。
不同金相组织类型的钢(黑与白)。
对于组织比较接近的异种钢接头,焊接材料的选择原则是:要求焊缝金属化学性能、耐热性能等其他性能不低于母材中性能要求较低一侧的指标。
2.预热和层间温度。
碳素结构钢与低合金高强钢这两种异种钢焊接时,预热温度以及层间温度按照碳当量较高的一侧来要求确定预热温度。
当Q345钢的厚度分别超过25mm时,它们相互之间进行焊接或者碳素结构钢焊接时,对这些钢均要进行预热。
可以单独对这些钢预热,也可以与碳素结构钢装配点固焊后预热。
付热温度不低于100OC。
预热的范围,在待焊处100mm左右(两侧)保持一个匀热区。
预热的目的是使焊接接头避免或减少出现淬硬的马氏体组织,又能促进氢的扩散逸出,减少热影响区中氢含量,从而防止冷裂纹的产出。
预热还能使能焊缝金属缓慢地冷却,有利于消除夹渣、气孔和白点等缺陷,同时还能减少焊接残余应力。
对于预热温度常用查表或公式法确定。
采用公式法确定预热温度,既本文开头所述碳当量来估算焊前的预热温度。
根据化学成分计算碳当量的公式如下:CEV=C+Mn/6+(Cr+Mo+V)/5+(Ni+Cu)/15%
式中的化学元素符号表示该元素在钢中的含量(质量分数)。
3.焊后热处理。
焊后热处理一般按照合金含量较高测母材来确定,两者热处理温度范围不同,应根据热处理温度高的材料温度下限和热处理温度低的材料温度上限来确定。
如果热处理温度范围高的下限高于热处理温度低的上限,且温度相差太大,应考虑堆焊过渡层或增加介于两者之间的材料。
三、碳素结构钢与低合金高强钢焊接举例
碳素结构钢与低合金高强钢焊接时的焊接工艺将以Q235与Q345为代表钢种具体说明。
这两种异种材料焊接可以采用的焊接方法很多,如焊条电孤焊、
CO2
气体保护焊、埋孤焊等。
下面以CO2 气体保护焊、平板对接为例说明其焊接工艺。
根据等强原则。
由于Q235与Q345的焊接性较好,所以焊前不需要预热,焊接后也不需要热处理。
当钢板厚度较大(t>20mm)、低温下焊接、结构钢性较大、有裂纹倾向时,焊接前应预热,预热温度在100-150OC。
具体焊接工艺参数可以根据下面表1.
表1 Q235与Q345 CO2气体保护焊工艺参数
综合上述,通过对碳素结构钢与低合金高强钢焊接性能的分析,制定合理的焊接工艺。
施焊过程中严格遵守焊接操作规程,可以得到优良的焊接接头,有效控制裂纹、气孔等缺陷的产生,保证焊接质量。
通过对上述钢种的焊接工艺性分析,对焊接同类的异种钢有一定的借鉴意义,在实际生产中对企业也具有十分重要的指导意义。