鄂尔多斯盆地延长组层序地层
- 格式:ppt
- 大小:2.67 MB
- 文档页数:12
天然气地球物理勘探收稿日期:2009 05 11;修回日期:2009 08 20 第一作者E mail :w eilh 8888@.鄂尔多斯盆地三叠系延长组地震层序解释魏立花,刘化清,李相博,完颜容,冯 明,廖建波,马玉虎(中国石油勘探开发研究院西北分院,甘肃兰州730020)摘要:以层序地层学理论为指导,以地震勘探资料为依据,通过地震层序解释,明确了鄂尔多斯盆地延长组层序关键界面识别标志,划分了新的层序,并建立了延长组三级层序格架。
提出在延长组传统分层中存在明显穿时现象,延长组中部SQ4底界穿时最为明显,大致规律是:在湖盆中心的华池、合水地区,SQ4底界位于长7上部,向外围的北东和南西方向,SQ4底界逐渐抬升到长61底部。
此外,还分析了新的层序划分对油气富集的控制作用。
关键词:地震层序分析;石油地质意义;延长组;鄂尔多斯盆地中图分类号:T E132.1+4 文献标识码:A 文章编号:1672 1926(2009)06 0982 040 引言鄂尔多斯盆地是我国中西部主要含油气盆地之一,对它的构造、沉积、成藏等地质特征研究较早,并已取得了很大的进展[1 3]。
但对于该盆地层序地层学方面的研究工作却比较薄弱,只是不同学者在盆地不同地区进行过局部性的研究,而且分歧较大、进展缓慢[4 10]。
就其原因主要有以下2个方面:一是该盆地地表被黄土层覆盖,地震资料沿树枝状黄土冲沟布设,不成网,且品质较差;二是陆相湖盆具有物源多、物源近、相变快、沉积中心多、砂体薄的特点,钻井资料多解性强,层序界面不好识别,层序级别不易确定。
近年来,随着黄土塬地震采集处理技术的不断进步,尽管依据地震资料开展精细储层预测仍然存在较大难度,但部分层序界面的识别与追踪已经成为可能。
1 地震层序解释方法针对鄂尔多斯盆地特殊的地震资料和地质背景,在分析前人层序地层研究认识的基础上[11 14],通过制作合成记录进行井 震标定,应用全面确定与全面控制的原则[15],使测井、地质、地震资料紧密结合。
鄂尔多斯盆地地层组基本特征鄂尔多斯盆地地层组基本特征第四系:第四系⾃下向上包括更新统和全新统。
晚第三纪末,受喜⼭运动的影响,鄂尔多斯盆地曾⼀度抬升,⼤约以北纬38°为界,北部为⼀套河湖相沉积,南部为黄⼟沉积,黄⼟分布⼴,厚度⼤,构成塬、梁、峁的物质主体,与下伏新近系呈不整合接触。
第四纪主要是⼈类的出现并有多期冰期,可见⼈类化⽯、旧⽯器与⼤量相伴⽣的哺乳动物化⽯和鸟类化⽯。
新近系:曾称新第三系、上第三系,⾃下⽽上包括中新统和上新统。
中国新近系仍以陆相为主,仅在⼤陆边缘,如台湾、西藏等地有海相沉积。
古近系:曾称⽼第三系,⾃下⽽上包括古新统、始新统和渐新统,主要分布在河套、银川、六盘⼭等盆地。
鄂尔多斯盆地早第三纪古新世,盆地继承了晚⽩垩世的挤压应⼒状态,断裂活动性强,沉积速度快,多发育冲积扇、⽔下扇等各种扇体。
地层厚度厚50~300⽶左右,岩性主要为红⾊泥岩、砂质泥岩夹泥灰岩。
⽩垩系:主要出露下⽩垩统,⼜称志丹群,分六个组,从上往下为泾川组、罗汉洞组、环河组、华池组、洛河组及宜君组。
泾川组:命名地点在⽢肃省泾川县。
地层厚100-400⽶,岩性主要为暗紫、浅棕红、浅灰、浅灰绿⾊等杂⾊砂质泥岩、泥页岩、灰质泥岩与泥质粉砂岩互层,夹浅灰、浅紫红⾊灰岩和浅灰⾊、浅黄⾊砂岩,与下伏罗汉洞组呈整合接触。
罗汉洞组:命名地点在⽢肃省泾川县罗汉洞。
主要为河流相的砂泥岩沉积。
地层厚度100~260⽶,上部为发育巨⼤斜层理的红⾊细⾄粗粒长⽯砂岩,含细砾和泥砾;中部以紫红⾊为主的泥岩及泥质粉砂岩,夹发育斜层理的细粒长⽯砂岩为主;下部岩性以紫红⾊为主的泥岩底部为发育巨⼤斜层理的黄⾊中⾄粗粒长⽯砂岩为主,与下伏环河组呈整合接触。
环河组:命名地点在⽢肃省环县环江。
地层厚240⽶左右,岩性为黄绿⾊砂质泥岩与灰⽩⾊、暗棕黄⾊砂岩、粉砂岩互层,与下伏华池组呈整合接触。
华池组:命名地点在⽢肃省华池县。
地层厚290⽶左右,岩性以灰紫、浅棕⾊砂岩夹灰紫、灰绿⾊泥岩为主,含中华⼸鳍鱼、狼鳍鱼、原始星介、⼥星介等化⽯,与下伏洛河组呈整合接触。
斯地块5 mm/a 左右的下沉速率大于其相对北秦岭山地4 mm/a 左右的下沉速率,表明现今鄂尔多斯地块相对秦岭上升的更快。
不同断块/断裂交接部位仍是垂直差异运动较大的区域。
现今地震集中分布在形变差异运动的区域及活动断层交汇处。
分析的4条断裂活动具有分段性,尤以渭河断裂中段垂直差异运动最强,达5 mm/a 左右。
该处新生代沉积厚,发震少;歧山—马召断裂活动性次之,但中段波动性运动明显,小震也相对较多;秦岭北缘断裂继承性运动东部大于中西部,速率约2—3 mm/a ;华山山前断裂活动速率东部大于西部,大小也约在2—3 mm/a 以内,潼关附近地震相对较多。
Ⅴ-148鄂尔多斯盆地陇东地区延长组沉积特征及事件沉积证据白卓立※(中国地震局第二监测中心,西安 710054)中图分类号:P315.63 文献标识码: A doi :10.3969/j.issn.0253-4975.2018.08.159本文以陇东地区三叠系延长组长7、长8、长9为研究对象,运用扫描电镜、阴极发光、铸体薄片等测试技术,以野外露头数据、岩心数据、测井资料、测试分析资料为基础,对鄂尔多斯盆地南部延长组事件沉积存在的证据进行了较为充分的证明分析。
证实了研究区存在地震事件、火山事件、缺氧事件和重力流沉积等事件沉积现象,对记录事件沉积的震积岩、凝灰岩、烃源岩及重力流的沉积特征进行了详细描述。
地震的定义是指火山活动、断裂和地层崩塌等因素诱发产生的地壳快速剧烈颤动,是地壳运动最直接的表现形式。
震积岩具有震积构造特征的有成因联系的岩石序列组合,它可以记录古地震活动。
通过对研究区大量的岩心观察,发现了一些记录震积岩特征的典型标志,包括:火焰构造、包卷层理、环状层理、液化岩脉等。
凝灰岩一般呈现块状、层状,经研究发现湖盆沉积的灰黑色、黑色泥岩、页岩中广泛分布着薄层、纹层状凝灰岩,是盆地长7期最典型的火山灰沉积物。
晚三叠世,受秦岭造山构造活动的影响,鄂尔多斯盆地形成了大型陆相湖盆,湖盆的演化受控于构造活动,并发生了大范围的湖泛旋回,大范围的发育优质烃源岩。
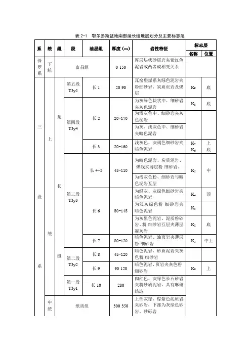
三叠系延长组、侏罗系延安组内部层段划分一、三叠系上统延长组地层划分延长组是鄂尔多斯盆地中生界石油勘探的主要目的层之一,研究较为详细。
它以延长地区发育最为标准而得名,厚度一般1000m以上,西缘坳陷中心地区最厚可达3200m以上。
本组岩性总体上为一套灰绿色砂岩与灰黑色、兰灰色泥岩的互层,自下而上由3个粗—细正旋回组成,是印支晚期最后一次构造旋回的沉积产物。
其沉积发育过程经历了早期的平原河流环境—中期的湖泊—三角洲环境—晚期的泛滥平原环境。
地表根据其岩性自下而上划分为五个岩性段,即:T3Y1长石砂岩段,T3Y2油页岩段,T3Y3含油段,T3Y4黄铁矿结核段和T3Y5瓦窑堡煤系。
T3Y1(长石砂岩段)是一套以河流相为主的沉积,南厚北薄甚至缺失。
南细北粗,盆地西缘沉积一套砂砾岩,应为山前洪积的产物。
本段砂岩富含长石,沸石胶结,普遍能见到麻斑状构造。
T3Y2(油页岩段)是一套以湖相为主的较细沉积,尤以其顶部泥页岩相对集中,而其下部相对较粗(陇东地区尤为明显),故在盆地南部陇东地区成为一个重要的储油层。
在油页岩、黑页岩发育的井段,电阻率呈明显的高阻特征,成为地层划分对比的区域标志层。
一般厚250~350米。
T3Y3(含油段)除在盆地西南部的局部地区,后期遭受剥蚀缺失外,盆地广大地区均有出露和保存,沉积上仍表现为南厚北薄、南细北粗的特点。
总体上为一套砂泥岩互层的沉积,夹灰黑色页岩及煤线,总厚一般在250~360米之间,其内部可细分为多个次一级旋回。
T3Y4(黄铁矿结核段)岩性较为单调,全盆地基本一致,主要为一套灰白色、灰绿色、黄绿色中—细粒砂岩夹长石砂岩,夹灰黑色、蓝灰色粉砂质泥岩及煤线,砂岩巨厚块状,具微细层理,泥质、灰质胶结,含黄铁矿结核。
厚140~200米。
总体上仍表现为北粗南细,以华池地区沉积最细,泥质岩夹层增多,沉积最厚。
T3Y5(瓦窑堡煤系)由于后期剥蚀的结果,在盆地的北、西、南部,该段均受到不同程度的剥蚀,其中以盆地南部为最甚。
鄂尔多斯盆地在三叠系有大型的湖盆沉积发育,湖盆沉积为拗陷型,湖盆沉积之内有完整的陆相河流—三角洲—湖泊沉积体系,三角洲沉积体系的存在是延长组油田形成的地质基础。
我国研究最早的陆相三叠系地层就是鄂尔多斯盆地三叠系延长组,同时也作为主要的油气勘探目的层。
然而,对于延长组的层序划分,目前仍然有分歧存在,没有统一的整体认识。
1 层序分层长庆油田根据延长组的岩性特征将其划分为五段,由下向上分别为:长石砂岩带(T3y1)、油页岩带(T3y2)、含油带(T3y3)、块状砂岩带(T3y4)、瓦窑堡煤系(T3y5)。
依据油气勘探开发生产以及科研的需要,结合测井曲线、地层特征以及构造特征等,进一步将延长组划分为10个油层组。
国内对于鄂尔多斯盆地延长组三级层序划分的研究认识仍然存在着分歧,有着三分、四分、五分、六分以及七分等不同的观点。
目前主要的观点有以下几种:王宏波等依据古水深分析并采用Vail经典层序地层学理论,把延长组划分成为7个三级层序;张凤奎等则将延长组划分为5个三级沉积层序;朱筱敏等通过分析露头、钻井数据,依据高分辨率层序地层学将把延长组划分出5个三级层序[1]。
但是,以上的观点仍然存在着一些问题,缺乏具体的实例分析或者理论依据,具体的数据资料也没有能够整体的考虑进去。
2 层序分层的意义2.1 对生储盖组合的影响层序中体系域的演化影响着旋回特征和沉积相特性,有利于储集油气的砂体主要在T3y2(长8)、T3y3(长6、长4+5)及T3y4(长2)低位体系域中发育,沉积相以河流相和三角洲相为主,分选好。
一般情况下,低位体系域发育分选良好的储层中,最大洪泛期所形成的地层都可以作为较好的生油层以及盖层。
2. 2 对储层展布的影响普遍认为层序对砂体展布会产生一定的影响。
当容纳空间小、沉积补给高时,低位体系域为关键储层,主要发育河道砂体及水下分流河道砂体。
研究区主要油气聚集区为长6、长2,属低位体系域。
其中,长6中的亚油层组是一个四级层序,且A/S值改变,长6储层砂体形态分布随之发生改变,由叠置带状逐渐转变为间夹薄泥层的连片网状甚至泥岩包裹的孤立状。
鄂尔多斯盆地西南缘上三叠统延长组层序地层学与砂体成因研究刘自亮;朱筱敏;廖纪佳;陈杰【期刊名称】《地学前缘》【年(卷),期】2013(020)002【摘要】以鄂尔多斯盆地西南缘延长组为例,运用高分辨率层序地层学原理,对延河等露头沉积特征进行深入研究.研究认为不整合面、冲刷侵蚀面、岩性岩相转换面和湖泛面为重要的层序界面,并划分出1个超长期基准面旋回,5个长期基准面旋回及17个中期基准面旋回.延长期东、西两岸发育河流-三角洲沉积体系,东北部主要为曲流河、曲流河三角洲体系;西南主要发育辫状河及辫状河三角洲沉积体系.有利储集砂体主要为水下分流河道成因、水下分流河道-河口坝复合成因、河口坝成因和滑塌浊积扇成因等4种类型.研究认为,随湖平面变化,在基准面升降过程中,可容纳空间(A)与沉积物补给量(S)的比值(A/S)影响不同物源方向沉积体系的分布,并建立了沉积演化分布模式.%Taking the Yanchang Formation in the southwestern margin of Ordos Basin as an example, by using the high resolution sequence stratigraphy theory, this paper studied the sedimentary characteristics of the Yanhe and other outcrops. It is concluded that unconformities, erosion surfaces, lithofacies contrast surfaces and flood surfaces mark the important sequence boundaries. The Yanchang Formation in the study area can be divided into one super long-term base-level cycle, five long-term base-level cycle and seventeen mid-term base-level cycles. It mainly developed braided fluvial and braideddelta depositional system in the southwest steep slope, meandering river delta sedimentary system in northeast terrain-relief and turbidite fan deposits in the deep lake systems. The genesis of favorable sandstone reservoirs can be divided into submarine distributary channel, submarine distributary channel and composite river mouth bar. river mouth and slump turbidite fans. With changing lake level, the ratio of accommodation space (A) over sediment supply (S) affects the distribution of depositional systems from different source directions and the sedimentary evolution distribution patterns, as discussed in the paper.【总页数】9页(P1-9)【作者】刘自亮;朱筱敏;廖纪佳;陈杰【作者单位】中国石油长庆油田分公司,陕西西安710018【正文语种】中文【中图分类】P618.130.2【相关文献】1.鄂尔多斯盆地西南缘上三叠统延长组物源与沉积体系特征 [J], 杨华;刘自亮;朱筱敏;邓秀芹;张忠义;齐亚林2.鄂尔多斯盆地东缘上三叠统延长组砂体结构与层序地层学研究 [J], 陈飞;罗平;张兴阳;王训练;罗忠;樊太亮;刘柳红;单伟3.鄂尔多斯盆地华池-庆阳地区上三叠统延长组长6油层组古地震变形构造及砂体叠置关系 [J], 田景春;王文之;王峰;王卫红;张锦泉4.鄂尔多斯盆地南部上三叠统延长组层序地层格架内沉积相特征与演化 [J], 陈飞;胡光义;孙立春;樊太亮;高志前;于喜通;庞正炼;李让彬5.鄂尔多斯盆地东南缘上三叠统延长组砂岩方解石胶结物成因 [J], 袁珍;李文厚因版权原因,仅展示原文概要,查看原文内容请购买。
鄂尔多斯盆地三叠系延长组层序地层学研究提要:通过露头剖面、钻井岩心、录井剖面、测井曲线及微量元素等多种资料的综合分析,在识别出5种不同成因类型层序界面的基础上,将上三叠统延长组划分为区域上分布稳定的4个长期基准面旋回(LSC1、LSC2、LSC3、LSC4)。
在此基础上详细讨论了层序与生储盖组合的关系,指出生储盖组合特征与长期基准面旋回最为密切,有利储层发育位置主要出现在基准面旋回上升半旋回的早中期以及下降半旋回的中晚期,基准面升降转换位置发育的湖相泥、页岩为良好的烃源岩及盖层。
关键词:鄂尔多斯盆地,延长组,层序地层原理,体系域,储集性能1.区域地质概况鄂尔多斯盆地北起阴山,南到秦岭,东自吕梁山,西至贺兰山,六盘山一线。
盆地含油气地层主要为侏罗系的延安组合三叠系富含延长植物群的一套地层。
盆地内出露的地层包括:太古界至奥陶系,石炭系至白垩系,第三系和第四系,以陆相中生代地层和第四系黄土最为发育且广泛分布,缺失志留系和泥盆系。
鄂尔多斯盆地经历了中侏罗纪末(为独立成盆时间,其成盆演化可分为太古代—早元古代基地形成阶段、中晚元古代坳拉槽发育阶段、早古生代克拉通坳陷阶段),晚古生代一早、中三叠世,晚三叠世一白至纪,新生代几个时期的发展演化。
研究区位于鄂尔多斯盆地东缘,晚三叠世延长组T3y3时期鄂尔多斯盆地东北部发育盐定、吴旗、志靖、安塞等5个大型曲流河三角洲。
上三叠统延长组是鄂尔多斯盆地最重要的烃源岩发育层位,同时也是中生界主力产油层位之一。
安塞三角洲东北物源方向的延河、清涧河、准宁河及大理河剖面上长6曲流河三角洲砂体出露良好(图 1)。
2.层序地层学原理层序地层学理论的诞生是地学发展史上的一次重大变革。
层序一词的提出,最早是由Sloss、Krumbein和Dapples于1948年提出的,历经诸多学者的努力,现已发展成多门层序地层学理论。
主要有Exxon公司Vail为代表的经典层序地层学派、以Johnson为代表的T-R旋回地层学派、以Frazier、Galloway为代表的成因层序地层学派以及由美国科罗拉多矿业学院的T .A. Cross教授所领导的成因地层研究组发展起来的高分辨率层序地层学派。